Next Article in Journal
Solar-Powered Electric Vehicles: Comprehensive Review of Technology Advancements, Challenges, and Future Prospects
Previous Article in Journal
Thermodynamic Characteristics of Compressed Air in Salt Caverns of CAES: Considering Air Injection for Brine Drainage
 
 
Font Type:
Arial Georgia Verdana
Font Size:
Aa Aa Aa
Line Spacing:
Column Width:
Background:
Article

A Comparative Study of the Non-Destructive Diagnostic Tests of 500 Hz Accelerated-Aged XLPE Power Cables

by
Adewumi Olujana Adeniyi
*,
Trudy Sutherland
and
Hendrick Langa
Department of Electrical Engineering, Faculty of Engineering and Technology, Vaal University of Technology, Private Bag X021, Vanderbijlpark 1900, South Africa
*
Author to whom correspondence should be addressed.
Energies 2025, 18(14), 3647; https://doi.org/10.3390/en18143647
Submission received: 23 May 2025 / Revised: 3 July 2025 / Accepted: 8 July 2025 / Published: 10 July 2025
(This article belongs to the Topic Advances in Non-Destructive Testing Methods, 3rd Edition)

Abstract

Power cable dielectrics must be tested to ascertain their insulation integrity after their design and manufacture. In Southern Africa, power cables must undergo testing in accordance with the South African National Standard (SANS) 1339. The SANS 1339 provides a destructive diagnostic method to evaluate voltage breakdown strength and water tree growth. The shortfall is that there is no provision for the non-destructive determination of the residual strength and assessment of the condition of the power cables. It is possible that non-destructive tests are available. However, a question arises as to how they compare in effectiveness, which is the intention of this study. Accelerated aging at 500 Hz was conducted on the water-retardant cross-linked polyethene (TR-XLPE) power cable sample specimens, each 10 m long, according to SANS 1339. Non-destructive diagnostic tests (Tan δ, IRC, and RVM) were conducted on accelerated-aged and unaged cable samples. The comparative results of the accelerated-aged and unaged XPLE power cable samples, when applying non-destructive diagnostic techniques, show consistency and reveal the extent of degradation in the tested cable samples. This study demonstrates that non-destructive diagnostic methods can be used to assess the extent of XLPE power cable insulation aging.

1. Introduction

Cross-linked polyethylene (XLPE) insulated power cable technology has been developed. Under the operating stress, the electrical characteristics of the insulation system change with age. Over time, the characteristics of the insulating material undergo irreversible changes because of the stresses that the insulation system experiences during operation.
Aging in a polymer changes the electrical, physical, mechanical, and morphological properties of insulation, a phenomenon that reduces performance and reliability, and eventually leads to failure. All these properties influence the dielectric parameters and characteristics of the insulation and compromise the integrity of the equipment [1,2,3].
To ascertain the integrity of power cable dielectrics, it is mandatory in Southern Africa, after design and manufacturing, that power cables should undergo testing in accordance with the South African National Standard (SANS) 1339 [4]. In SANS 1339, only the destructive diagnostic test that evaluates voltage breakdown strength and water tree growth subsists. The shortfall is that there is no provision for non-destructive testing to determine the residual strength and assess the condition of the power cables in the standard. There is a need to include non-destructive diagnostic techniques, which is the focus of this study.
The principle behind testing for the ability to retard the growth of water trees involves aging the cable cores by applying an overvoltage at a higher frequency while the cables are in contact with water and subsequently testing to determine the residual breakdown strength of the insulation [4,5,6]. Accelerated aging of XLPE cables refers to controlled laboratory tests or procedures designed to simulate and speed up the long-term environmental and electrical stresses that cross-linked polyethene (XLPE) cables experience over their service life.
The condition of the accelerated-aged XLPE power cable must be evaluated; hence, the purpose of a diagnostic test is to identify and locate the degradation phenomena that may cause cable or accessory failure. Thus, non-destructive diagnostic tests, such as dielectric loss (Tan δ), isothermal relaxation current (IRC), and return voltage measurement (RVM), measure or monitor one or more properties of the insulation system that are related to aging and/or failure.
According to [7,8], Tan δ values increase proportionally to voltage stress, and Tan δ measurements correlate with cable aging. The dielectric dissipation factor at 0.1 Hz is much higher than at 50 Hz because of the lower capacitive charge current. The applied electric field influences ionization loss. At the highest operating temperature, the dissipation factor increases significantly with aging. There is a non-linearity of the Tan δ values with temperature change; a low Tan δ value is measured at a low temperature. A continuous increase in the temperature beyond the peak reduces the conduction current. Thermal aging reduces the permittivity of the cable insulation. Tan δ increases with an increase in temperature due to the rise in the dipolar, but peaks at approximately 50 °C and 100 °C, indicating molecular relaxation [4,5,9].
In XLPE insulation, the trap density increases significantly due to aging. An increased A-factor confirms the aging of the old cable. The IRC curves decrease more slowly with an increasing aging period and temperature effects. The absolute values of the steady current increase [10,11]. The maximum values of It and tmax are characteristic of cable aging. The A-factor depolarization current meanders as they decay. IRC provides a good A-factor for monotonically decaying currents that correlate with cable degradation. The isothermal relaxation current takes all significant changes in the dielectric response. The aging index of XLPE insulation and its initial and maximum values for medium-voltage power cables have been determined [12,13].
Internal insulation exists asymmetrically if the polarization spectrum has two or more peak values. Aging decreases the time constant. The P factor of a cable with a short length may be higher than the representative degree of degradation. Cables with a high moisture content exhibit an increase in RVM [14].
Polarization and depolarization are valuable tools for determining the performance of solid and liquid insulations. Conductivity strongly influences them, and their pattern indicates the condition of power cable insulation. Multiple maxima are observed at more extended aging periods, and there is a correlation between the slope of the return voltage and the aging period. The presence of moisture in the insulation affects the central time constant (CTC) [15,16,17,18].
Non-destructive tests might have been performed before; however, the context in the present work is distinct in the sense that the non-destructive comparative test was performed on laboratory-accelerated-aged power cable sample specimens of the same cable type under the same conditions as motivated by the South African National Standard (SANS) 1339. In the present work, non-destructive diagnostic tests were performed on 10 XLPE power cable sample specimens, each 10 m in length, in accordance with SANS 1339.
However, a question arises of how they compare in effectiveness, and solving this is the intention of this study. The comparative results of the accelerated-aged and unaged XLPE power cable samples, as applied to non-destructive diagnostic techniques, reveal a correlation in the condition assessment of the tested cable samples. The rest of the paper is divided as follows: Section 2 reviews non-destructive diagnostic techniques. Section 3 describes the experimental procedures. Section 4 presents the analysis and discussion of the Tan δ, isothermal relaxation current, and return voltage measurement results. Section 5 presents the conclusions of this study.

2. Review of the Non-Destructive Diagnostic Techniques in Power Cables

2.1. Tan δ

Perfect insulation, if subjected to voltage, would consume no power. The charging current under AC voltage would lead the voltage by 90°. However, all the solids showed some degree of conductivity. Only the purified gases approached the condition of a perfect dielectric. A shift in dielectric loss can be caused by contamination, such as moisture absorption from the air or insulation degradation, which is a common precursor to overheating, ionization, and insulation failure. The tangent of angle δ was measured, as illustrated in Figure 1. This indicates the level of insulation resistance. The condition of the cable insulation can be determined by measuring IR/IC.
Tan δ is a diagnostic method used to test cables and determine insulation quality. A cable that approaches the properties of a perfect capacitor is defect-free. When impurities are present in the cable insulation, the resistance of the insulation decreases, resulting in an increase in the resistive current through the insulation. Ionic mobility is considerably limited in solid insulations, such as XLPE, resulting in low insulation Tan δ values. When electrons flow at a consistent rate, the electric current in the conductor is known as the conduction current. Electrical conduction in polymers has been described in terms of charge carriers (electrons and ions) and transportation processes [5,6,19].
The polymer chains in the dielectric gain mobility as they are heated, and their properties experience notable transitions. At temperatures below Tg, the conductivity increased as the temperature increases [20]. The amorphous portions gain molecular mobility as the temperature changes from a high-modulus (rigid) state to a lower-modulus (elastic) state, thereby contributing to increased conductivity.
The electrical properties of XLPE power cables such as Tan δ can be considerably influenced by thermal pre-conditioning. In polymer insulation, electrical conduction occurs as charge carriers move from one carbonyl group to another. The constant exposure of the XLPE dielectric to sustained heat is a precursor to and accelerator of insulation degradation. The insulation conductivity as a function of the field strength and temperature is expressed as follows [21]:
K = K 0 · exp W 2 B E 2 K · T
where
  • K —Temperature-dependent conductivity of the polymer;
  • K 0 —Constant of conductivity energy;
  • B —Poole–Frenkel constant;
  • K —Boltzmann constant;
  • T —Absolute temperature;
  • W —Activation energy;
  • E —Electric field strength;
  • B = 6, 251018   q 3 4 π ε 0 ε r .
The dielectric loss in terms of the conductivity and dielectric constant of the insulation is expressed as follows [21]:
Tan   δ = k w ε o ε r
where
  • ε o —Permittivity of free space;
  • ε r —Relative permittivity of the dielectric.
The dielectric material’s capacity to store and release electrical energy in response to an applied electric field, as measured by its relative permittivity, affects the Tan δ values. The Tan δ values for materials with lower relative permittivities often indicate higher dielectric losses [6,19]. Therefore, Tan δ is a function of the test voltage frequency and the permittivity of the insulating material.

2.2. Isothermal Relaxation Current (IRC)

Isothermal relaxation current (IRC) is a non-destructive diagnostic technique that involves interfacial polarization and the conduction process, controlling the physics of charge generation in the aging status of cable insulation. IRC is used to measure the depolarization current and diagnose deterioration by the time delay of the relaxation current. In XLPE insulation, the electric charge is released for a short time, but when it is degraded, it is released for a longer time owing to depolarization. Depolarization can be described by the composition of three elements, as shown in Equation (3) [10].
I RC ( t ) = I 0 + i = 1 3 aie t τ
where
  • I 0 —Steady-state current;
  • τ —Time constant;
  • t —Time.
The magnitude of the IRC in an insulation with a thickness d is given by Equation (4) [12]:
I RC = q · d · k · T   2 t f o ( E )   ·   N ( E Tr )
where
  • q —Charge;
  • k —Boltzmann’s constant;
  • d —Insulation thickness;
  • T—Absolute temperature;
  • t —Time;
  • f o ( E ) —Initial (excited) occupancy of the traps by electrons;
  • N ( E Tr ) —Trap density.
When IRC is substituted in Equation (3), we have [12].
f o ( E )   ·   N ( E Tr ) = 2 t   q · d · k · T I 0 + i = 1 3 aie t τ 1
where
  • f o ( E )   ·   N ( E Tr ) responds to the aging of XLPE cable insulation.
Discrete trap levels are often found in defect-rich solids such as polymers. A trap is a defect in insulation, whereby when an electron falls into it, it is trapped for a significant amount of time. According to Simons and Tam [22], trap levels are discrete and distributed over the complete energy band in XLPE cable insulation. Under different insulation conditions, the time constant and magnitude of the trap level vary [22]. When the traps in the insulation are energized and the energizing source is removed at a constant temperature, the depolarization current decreases monotonically with time. Depending on the trap levels, this depolarization current represents a superposition of different relaxation processes. The trap density increases owing to aging. The IRC diagnostic system measured the depolarization current after charging for a specific period. The transient part of this current was evaluated based on the relaxation of the thermal release of carriers from the trap.
The analysis of discrete trap levels enables the determination of the aging process. In a transformed plot of the current (I) and time (t) variables, the resulting characteristics provide several sharp maxima at various times, and this depends on the trap parameters. The plot of the current (I) and time (t) variables directly leads to the energy distribution of the occupied traps in the upper region of the energy gap, describing the aging of the cable insulation.
The aging factor (A-factor) describes the level of cable damage. This is the ratio of the trapped charge in the insulation defects to the trapped charge in the semiconductor layers of the cable, and is expressed as follows [23]:
A = I E τ 3 τ 3 I E τ 2 τ 2 = Q 3 Q 2
where
  • Q 3 —Trapped charge in the insulation;
  • Q 2 —Trapped charge in the semiconductor layers.
The free radical consists of an unpaired electron and is present in the aging of XLPE. The free radicals, terminal groups, and polymer fractures can create charge traps. Table 1 shows the aging classes.

2.3. Return Voltage Measurement (RVM)

The return voltage measurement (RVM) diagnostic technique diagnoses deterioration by detecting the polarization phenomenon in XLPE power cable insulation. This process involves three stages: charging, discharging, and recovery, as illustrated in Figure 2. The commonly used parameters for the insulation condition using RVM techniques are the maximum value, initial slope, and time of the return voltage peak.
The RVM cable analysis was based on proven normalization factors and threshold values. Because the system output voltage level is limited to approximately 10% of the nominal service voltage, the danger of initiating cable damage during testing is zero [18].
In RVM techniques, a voltage is applied to the cable, leading to the charging of the geometric capacitance and the polarization of the dielectric. The charge on the electrodes comprises free charges and charges bound by polarization. Short-circuiting the cable for a short time removes free charges from the electrodes of the cable capacitance. The depolarization of the insulation results in current displacement within the dielectric at the short-circuited time. This is measurable as a depolarization current in the short-circuit connection [14,24].
After the free charges have been removed, the short-circuit switch is opened, and the depolarization of the dielectric continues. The continuous discharge of geometric capacitance leads to a pronounced maximum in the RVM. Short-circuiting during the measuring cycle resets the return voltage, eliminating the influence of parasitic resistors. The magnitude of the leakage current is proportional to the height of the return voltage. Over time, the change in the return voltage results from the gradual relaxation of the excited dipoles, leading to a decrease in polarization [18].
The P-factor is a diagnostic factor that determines the moisture content of insulation materials. This is also directly related to the decomposition of cellulose.
P = U m S · t m
The P-factor is based on the shape of the return voltage curve, that is, the maximum value of the voltage Um (V), time to the maximum voltage tm (s), and initial slope S (V/s). The pattern of the return voltage as a function of time carries valuable information about the status of the cable, including its age and potential damage. The maximum return voltage is the most commonly used parameter for determining the condition of the cable. The influence of the measurement resistance can be eliminated; hence, the amount of water in the cellulose indicates its degradation. The P-factor increased with aging and was independent of the geometric dimensions of the cable under test.
The Q-factor is the ratio of the energy dissipated per cycle to the maximum energy stored and is expressed as
Q = E D E S
The P-factor and Q-factor are related to the non-linear behavior of the return voltage, charging voltage increases, and the shape of the measurement curve.

3. Experimental Setup

Accelerated aging is a system developed to simulate the environment and stresses that power cables experience during operation to produce samples of a certain equivalent age. Accelerated aging is a short-duration process that induces aging mechanisms identical to those experienced by cables under field conditions. This requires the application of stresses that are higher than the normal values experienced by the cable under field operating conditions.
Figure 3 shows a 500 Hz accelerated aging facility, which exemplifies the connection of the control system, variable speed drive (VSD), three-phase motor–generator, step-up transformer, and cable test specimens. The primary focus is to obtain a stable 500 Hz frequency output from the motor–generator set using a variable-speed drive.
The statutory standard for accelerated aging is SANS 1339. It specifies the following test requirements: cable-rated voltage: 6.35/11 kV, cable size: 95 mm2 to 400 mm2, test voltage: 3U0 (19 kV) (U0 is phase-to-earth voltage), and test frequency: 500 ± 5% Hz. Accelerated aging at 500 Hz was performed in a high-voltage laboratory at the Vaal University of Technology. The experimental procedure followed the South African National Standard (SANS) 1339, which is the statutory standard for accelerated aging.
Under the standard, thermal pre-conditioning of the cable sample specimens, which included 10 samples of XLPE power cable each 10 m long, was performed at 50 ± 5 °C without electric stress for 1000 h and, thereafter, electrical aging occurred. Electrical aging (the gradual deterioration of electrical insulation materials or components over time due to electrical stresses) was performed at room temperature at an elevated electrical stress of 3U0 (19 kV) (U0 is phase-to-earth voltage) and a frequency of 500 Hz for 3000 h. A cable sample was not thermally pre-conditioned and electrically aged. This unaged cable sample (non-thermally pre-conditioned and electrically aged) was used as a reference to monitor and verify the effect of aging on the XLPE power cable samples under test, their residual strength, and the condition under assessment during the 500 Hz accelerated aging procedure.
A cable sample was taken at 300 h intervals during the accelerated aging period of 3000 h for the experimental non-destructive (Tan δ, IRC, and RVM) test measurements. Figure 3 depicts the 500 Hz acceleration process.

3.1. Tan Delta

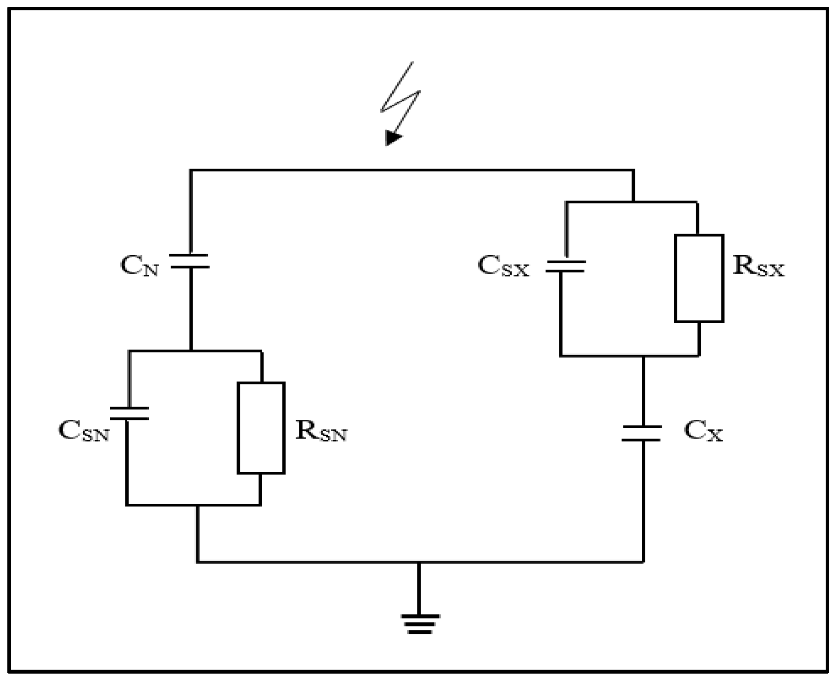
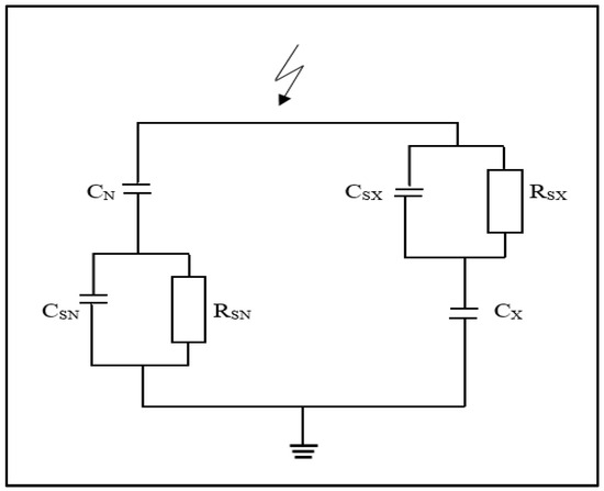
The HV TDA Compact TM was used to measure Tan δ in both aged and unaged cable samples. The Tan δ measurement procedure is illustrated in Figure 4.
The Tan δ measurement with TDA Compact TM (Megger, Aachen, Germany) was used to measure the dielectric losses of the cable samples. The dissipation factor measurement procedure was performed with the voltage raised in steps at room temperature. The measurements were repeated thrice to validate the measurement results. Similar results were obtained.

3.2. Isothermal Relaxation Current

A cable diagnostic system (CDS) was used for IRC measurements. The CDS used a software module with a neuro-fuzzy module to evaluate the IRC measurements on the XLPE power cable. The multistage evaluation software considered the construction characteristics of the test object, categorized the test object’s condition, and provided a prognostic maximum residual voltage level. The isothermal relaxation current (IRC) measurement procedure is illustrated in Figure 5.
The software-controlled configuration switched the CDS and was used for the IRC measurements. The low-ohmic IRC measurement was optimized for the exponentially decaying current from the polarized XLPE insulation.

3.3. Return Voltage Measurement

A laboratory test experiment was performed using the CDS. The RVM procedure is illustrated in Figure 6.
For the RVM, the ratio of charging and discharging times (tch and tdch) was set to two, and the peak of the return voltage was measured. Using the RVM, the long-time constant polarization spectrum of the insulation was investigated by changing the charging time from 0.02 s to 10,000 s. Although this method provides more detailed information on dielectric processes with long-term constancy, recording the entire polarization spectrum requires a considerable amount of time.
The RVM technique is less noise sensitive. A voltage was applied to the cable, charging the geometric capacitance and polarizing the dielectric.

4. Results Analysis and Discussion

4.1. Tan δ Analysis and Discussion

The Tan δ, a non-destructive diagnostic procedural measurement was performed on accelerated-aged XLPE power cable samples following the South African National Standard (SANS) 1339. According to SANS 1339, the accelerated aging procedure involved thermal pre-conditioning at 50 ± 5 °C for 1000 h on the cable samples without electrical stress, followed by electrical aging for 3000 h. One cable sample was not thermally pre-conditioned and electrically aged (unaged cable). The unaged cable sample was used as a reference to monitor and verify the effect of aging on the XLPE power cable samples under test, including their residual strength and condition assessment during the 500 Hz accelerated aging. To ascertain the impact of thermal pre-conditioning at 50 ± 5 °C for 1000 h on the cable samples, Tan δ measurements were conducted on the cable samples, and the results obtained were compared with those of an unaged cable sample. Figure 7 presents the Tan δ measurements of the thermally and non-thermally pre-conditioned (unaged) cable samples.
The Tan δ of the thermally pre-conditioned and non-thermally pre-conditioned cable samples at 2 kV, as illustrated in Figure 7, is below the threshold (boundary or limit) value. The measured Tan δ value (1.01 × 10−2) remains constant for all voltage levels in the non-thermally pre-conditioned (unaged) cable. All repeated measurements yielded the same result, indicating that the cable insulation was in perfect condition. The Tan δ values of all thermally pre-conditioned cable samples (3.70 × 10−2) were observed to be constant. This indicates that the thermal pre-conditioning effect on the dielectric properties of the aged XLPE power cable samples is constant. However, it is worth noting that the Tan δ value of the thermally pre-conditioned cable samples increased by 72.7% compared to that of the non-thermally pre-conditioned (unaged) cable sample due to constant exposure to sustained heat.
The hopping conduction mechanism in polymers explains current as a function of temperature. This mechanism displays peaks in the conduction current as a function of temperature, along with the corresponding dielectric loss peak. At temperatures below Tg, the conductivity increases progressively. The constant exposure of the XLPE dielectric to sustained heat alters the internal stress state of the insulating material, which is a precursor to insulation degradation. Temperature influences the polarization of molecules, which causes them to move farther apart. This reduces the density of the material, and as a result, decreases the relative permittivity of the cable samples. The phase transition (crystallization) caused by the constant exposure to heat significantly alters the relative permittivity. The relative permittivity exhibits a negative temperature coefficient (NTC), which decreases with an increase in temperature. The constant exposure of the XLPE power cable samples to heat also influences the moisture content in the insulating material, which impacts the Tan δ measurements.
Thermal pre-conditioning accelerates the insulation deterioration. This decreases the insulation resistance and slightly increases the leakage current; conduction, polarization, and ionization cause dielectric loss.
After the cable samples were thermally pre-conditioned, electrical aging was performed according to SANS 1339. Figure 8a depicts the threshold of the measured Tan δ values of the XLPE power cable samples at 2 kV.
To validate the laboratory Tan δ test measurement results of the accelerated-aged XLPE power cable samples, a Python (Version 3.12) analytical simulation script model was employed, which is a quantitative paradigm that uses equations based on principles, such as physics or mathematics, to provide exact or approximate solutions. This model enables an understanding of the behavior and a prediction. The analytical simulation results are shown in Figure 8b.
The analytical simulation results agree with the laboratory Tan δ-measured results for the XLPE power cable samples. The conductivity (σ) of the dielectric is a parameter that represents the losses due to conduction that occurs in the dielectric material in the presence of an electric field. The greater the angle, the more deteriorated the cable insulation.
As expressed in Equation (2), Tan δ is a function of the test voltage and permittivity of the dielectric material. At non-variable frequencies, Tan δ is exclusively dependent on the permittivity (εr). Therefore, any response to Tan δ as a function of temperature is due to changes in permittivity (εr) in response to temperature variations and electrical aging. The energy stored in a dielectric material is proportional to its permittivity (εr).
At a 2 kV test voltage, the Tan δ values of cable samples one (3.70 × 10−3), two (3.70 × 10−3), and three (3.70 × 10−3) were below the threshold value (IEEE criteria) [25]. A strip increase in the Tan δ value of cable sample four (4.63 × 10−3) was observed. This shows that the cable sample undergoes a transition in its degradation process due to constant exposure to sustained heat and oxidation. The Tan δ values were above the threshold in cable samples five (5.08 × 10−3), six (5.12 × 10−3), eight (5.16 × 10−3), nine (5.19 × 10−3), and ten (5.24 × 10−3). The trend of the measured Tan δ values in the aged cable samples at 1500 h (cable sample five) and thereafter showed a linear increase with the aging period.
The aged cable samples exhibited higher values of Tan δ as the applied voltage increased. Moreover, the mean values of Tan δ of cable samples one, two, and three were slightly constant, whereas in cable sample four, Tan δ was higher. Compared to the IEEE criteria [25], the mean values of cable samples, one, two, and three were all less than 5 × 10−3, the allowed limit. Therefore, the Tan δ values of cable samples one, two, and three indicate the low deterioration of the XLPE power cable insulation compared to the unaged cable sample. In contrast, in cable samples five, six, eight, nine, and ten, the level of XLPE power cable insulation deterioration was high.
Comparing the Tan δ values of the aged cable samples with those of an unaged cable sample, the Tan δ value of the unaged cable sample remained constant irrespective of the applied voltage. In contrast, the Tan δ of the accelerated-aged cable samples increased as the applied voltage increased. The Tan δ values of the accelerated-aged cable samples were high because the insulation of the power cable lost strength, causing the ionic mobility to increase and influence the conductivity level within the insulation. Thermal pre-conditioning of the insulating materials of the cable samples was a precursor to and impacted the electrical aging processes. The increase in Tan δ was attributed to a decrease in the dielectric permittivity. The cable samples exhibited a steady inclination. However, the threshold of the measured Tan δ values increased with the aging period.

4.2. Isothermal Relaxation Current Analysis and Discussion

Isothermal relaxation current measurements were performed on accelerated-aged and unaged cable samples. The results obtained were then compared. The unaged cable sample was used as a reference to monitor and verify the effect of aging on the XLPE power cable samples under test, their residual strength, and the condition assessment during the 500 Hz accelerated aging. Isothermal relaxation current measurement involved the application of an external electric field to XLPE cable samples. This resulted in dipole alignment and charge displacement, which led to the polarization of the dielectric materials. The time-dependent reaction followed after the electric field was removed, where the dipole tended to return to its random state. There was steady-state current flow under a constant electric field. In accelerated-aged XLPE power cables, this increase was due to oxidation, the formation of polar groups, and moisture ingress.
According to Simons and Tam’s theory, trap levels are discrete and distributed over the complete energy band in XLPE cable insulation. For different insulation statuses, the time constant and magnitude of the trap level differ [15,22]. The integration of the trapped carrier currents in the measured external circuit at a constant temperature describes the current–time characteristics. The number of energy traps is linearly proportional to the product of instantaneous current and time. The defects in cable samples, which have a discrete set of energy levels above the Fermi level, determine the isothermal relaxation current. Traps lying energetically above ETp are mainly free of electrons, whereas those trapped below the ETp level are still occupied by the internal density of charges.
The charge traps in the tested XLPE cable samples contained discrete trap levels distributed over the entire energy band. When the tested XLPE cable samples were energized and the energizing source was removed at a constant temperature, the depolarization current decreased monotonically with time.
The energy stored in a dielectric material is proportional to its permittivity (εr). The thermal pre-conditioning of the cable samples reduced the permittivity of the insulation of the accelerated-aged cable samples; as a result, more current was trapped in the dielectric of the accelerated-aged cable samples compared to the unaged cable sample. Permittivity influences the polarization and depolarization in XLPE power cable samples, directly affecting IRC measurements. As the aging period increased, the relative permittivity decreased, the dielectric degradation increased, and more current was trapped in the XLPE power cable dielectric. The degraded insulation had fewer molecules in which the electric field could polarize, reducing the ability of the material to store energy.
The aging process creates N(ETr) in the XLPE power cable insulation. These traps capture and release the charge carriers. fo(E) accounts for the energy distribution of electrons, whereas the exponential term represents the activation of trapped charges. As the XLPE power cable ages, the distribution of charge carriers within the material changes, thereby affecting its electrical properties.
Figure 9a depicts the laboratory depolarization current (IRC) measured on the accelerated-aged and unaged XLPE power cable samples.
A Python analytical simulation script model was used to validate the laboratory IRC test measurement results of the accelerated-aged XLPE power cable samples. The analytical simulation results are presented in Figure 9b.
The analytical simulated results were in complete agreement with the laboratory test results of the accelerated-aged and unaged XLPE power cable samples. As presented in this study, they were consistent with theoretical expectations within acceptable tolerances. It was observed that the value of the current trapped in the accelerated-aged XLPE power cable samples increased with the aging period, and the curve of the depolarization current was offset upward. The trap density increased owing to aging. The current trapped in the accelerated-aged XLPE power cable sample at 300 h (cable sample one) of the aging period was (87.45 pico-ampere (pA)) low, as compared to the current trapped in an unaged cable sample (59.1 pA). The relative permittivity was moderate, and more molecules were polarized.
There is no significant increase in the amount of current trapped in the cable sample after 600 h (cable sample two), 89.42 pA, and cable sample after 900 h (cable sample three), 94.53 pA, as compared to the cable sample after 300 h (cable sample one), 87.45 pA. A strip increase was noticed in the cable sample after 1200 h (cable sample four) of 103.28 pA, suggesting a transition in the degradation process. It was observed that the trapped current became more pronounced (115.5 pA) at 1500 h (cable sample five) of electrical aging. The depolarization currents of 140.71 pA, 148.39 pA, 155.89 pA, and 159.76 pA were measured in the cable samples after 1800 h (cable sample six), 2400 h (cable sample eight), 2700 h (cable sample nine), and 3000 h (cable sample ten), respectively. It was observed that, as the aging period increased, the permittivity of the accelerated-aged XLPE power cable samples decreased, the residual strength decreased, and more currents were trapped in the tested XLPE power cable dielectric during the 500 Hz accelerated aging.
The accelerated-aged XPLE power cable samples required more time to decay than the unaged cable sample. When comparing the accelerated-aged and unaged XLPE power cable samples, there was a consistent relationship between the trapped energy and the rate at which it was released. Electrical aging increased the magnitude of the IRC due to moisture absorption, material degradation, and interface effects.
The aging factor (A-factor), which is the ratio of the trapped charge in the insulation defect to the trapped charge in the semiconductor, describes the level of damage to the XLPE power cable insulation. The aging factors of the accelerated-aged and unaged XLPE power cable samples are shown in Figure 10.
The aging factor is determined using the depolarization current and time constant. The A-factor is independent of temperature, whereas the time at which the maximum peak occurs is independent of the cable length. Analysis of the A-factor shows that the aging factor for the unaged cable sample is 1.39, which indicates that the cable is perfect, while the cable sample after 300 h (cable sample one) is 1.75, indicating mid-life. There is a slight increase in the aging factor of the cable sample after 600 h (cable sample two), at 1.76, and the cable sample after 900 h (cable sample three), at 1.77; the aging factors indicate a mid-life. A strip increase was observed in the cable sample after 1200 h (cable sample four), at 1.89, revealing a transition in the degradation process due to constant exposure to sustained heat and oxidation. As depicted in Figure 10, as the aging period increased, the aging factor increased. In the aging prognosis of the tested XLPE power cable samples, the aging factor of cable samples after 1500 h (cable sample five) of 2.0, 1800 h (cable sample six) of 2.01, 2400 h (cable sample eight) of 2.02, 2700 h (cable sample nine) of 2.04, and 3000 h (cable sample ten) of 2.07, respectively, show a steady increase, which agrees with the laboratory test measurements on the XLPE power cable samples.

4.3. Return Voltage Measurement Analysis and Discussion

The RVM diagnostic method diagnoses deterioration by detecting the polarization phenomenon in XLPE power cable insulation. This involves three processes: charging, discharging, and recovering. RVM was performed on accelerated-aged cable samples and compared to an unaged cable sample. The analysis of the RVM on the XLPE power cable samples was based on proven normalization factors and threshold values.
The magnitude of the leakage current in the tested XLPE power cable samples was proportional to the height of the return voltage. The change in the return voltage with time resulted from the gradual relaxation of the excited dipoles and a decrease in the polarization. As a result of the applied voltage, conduction and polarization currents flow in the circuit, and the dielectric response is observed. The RVM reflects the surface conductivity and charge mobility. The peak voltage and time to peak indicate the relaxation processes, leakage, and/or conduction paths. Figure 11a depicts the laboratory RVM test measurements of the accelerated-aged and unaged XLPE power cable samples.
The electrical viscosity of the material is related to the exposure time of the electric field on which the recovery voltage depends. Insulation that contains moisture may become susceptible to electrical aging processes, such as tracking and erosion, which could cause insulation to deteriorate and perform poorly.
The laboratory RVM test measurement results for the accelerated-aged and unaged XLPE power cable samples were validated using a Python analytical simulation script model. The analytical simulation results are shown in Figure 11b.
The moisture content was attributed to the thermal pre-conditioning effect on the XLPE power cable dielectric. Moisture absorption during aging increases the RVM due to the higher dielectric constant of water. The moisture content reflects its strongly polar character, which increases the recovery voltage and reduces the energy storage capacity of the cable.
The RVM result for the unaged XLPE power cable sample was 0.55 V. In the cable sample after 300 h (cable sample one), an RVM of 0.63 V was recorded, while in the cable sample after 600 h (cable sample two) and the cable sample after 900 h (cable sample three), RVMs of 0.70 V and 0.75 V were measured, respectively.
The measured RVMs on cable samples one, two, and three show a minor decline in the insulation compared to an unaged cable sample. There is a lower degree of aging and moisture in the insulation. A strip increase in the cable sample after 1200 h (cable sample four) of 0.94 V is observed. This is attributed to thermal pre-conditioning and the period of electrical aging.
The return voltages of 1.09 V, 1.14 V, 1.15 V, 1.17 V, and 1.19 V were measured in the cable samples after 1500 h (cable sample five), 1800 h (cable sample six), 2400 h (cable sample eight), 2700 h (cable sample nine), and 3000 h (cable sample ten), respectively. Compared to the unaged cable sample, this indicates degradation. The permittivity of the accelerated-aged XLPE power cable samples decreased. Consequently, there was a decrease in the dielectric residual strength of the tested XLPE power cable, with the highest moisture content in the cable samples nine (2700 h) and ten (3000 h). The moisture content increased with an increasing aging period.
The RVM results show an increase in the recovery voltage as the electrical aging period increases. Aging creates an interface between the materials, leading to changes in the RVM. It also introduces a non-linear effect that makes the return voltage dependent on the strength of the electric field.
The Q-factor, which is the ratio of the energy dissipated per cycle to the maximum energy stored, is used to determine the non-linearity of the initial slope of the return voltage. The empirical evaluation of the Q-factor is as follows:
  • 2.00… 1.87 dry;
  • 1.86… 1.65 moist;
  • <1.65 wet.
Figure 12 shows the Q-factors of the accelerated-aged and unaged XLPE power cable samples.
Referring to the empirical evaluation of the Q-factor, as depicted in Figure 12, the unaged cable sample was dry with a Q-factor of 1.894. In contrast, cable sample one (300 h) with a Q-factor of 1.799, cable sample two (600 h) with a Q-factor of 1.792, and cable sample three (900 h) with a Q-factor of 1.788 indicated some moisture content in their respective dielectrics. Cable sample four (1200 h) had a slightly high moisture content (Q-factor 1.689), but it was below the threshold. The cable samples, with Q-factors of 1.603, 1.592, 1.562, 1.559, and 1.552, for five (1500 h), six (1800 h), eight (2400 h), nine (2700 h), and ten (3000 h), respectively, were above the threshold, indicating aging. The Q-factor of the cable samples show a non-linearity of the initial slope of the return voltage, suggesting that thermal pre-conditioning and electrical aging affect the XLPE power cable insulation.
The influence of the measurement resistance can be eliminated; therefore, the amount of water in the cellulose indicates degradation. Figure 13 shows the P-factor of the cable samples.
As expressed in Equation (7), the P-factor is based on the shape of the return voltage curve, which is determined by evaluating the maximum value of the voltage Umax (V), time until the maximum voltage tmax (s), and initial slope S (V/s).
Notably, the P-factor increased with aging and was independent of the geometric dimensions of the cable under test. The P factor did not depend on the height of the poling voltage and was independent of the geometric parameters of the cable. Aging and degradation increased the P factor. There was a 16.96% difference between the P-factor of the accelerated-aged cable sample after 300 h and the unaged cable sample. A 22.83% difference was observed in the P-factor of the accelerated-aged cable sample after 1500 h, whereas a 27.55% difference was recorded in the accelerated-aged cable sample after 3000 h of aging.
The comparative effectiveness of non-destructive diagnostic techniques was revealed by laboratory test measurement results obtained on accelerated-aged and unaged XLPE power cable samples. The Tan δ prognosis measured the quality, overall dissipation factor, and degradation level of the accelerated-aged and unaged XLPE power cable samples, providing a general indication of their status. The measured Tan δ values can be tracked to monitor the dielectric degradation. In contrast, the IRC technique measured the insulation integrity and revealed the residual strength, extent of aging, and degradation of the insulation of the tested XLPE power cable samples. The RVM offers a more direct assessment of degradation and moisture, emphasizing the moisture ingress and aging indicator of the accelerated-aged and unaged XLPE power cable samples.
The non-destructive diagnostic test measurements were compared, revealed, and agreed upon, considering their respective prognoses for the residual strength and condition of the accelerated-aged and unaged XLPE power cable samples. The best approach was to use non-destructive techniques in conjunction with each other to gain a comprehensive understanding of the dielectric status of the XLPE power cable.

5. Conclusions

The comparison of the accelerated-aged and unaged XLPE power cable samples’ test results and the validation of the laboratory test measurements using the analytical simulation model in the application of the non-destructive diagnostic techniques (Tan δ, IRC, and RVM) shows that the non-destructive diagnostic techniques agree with the level of degradation and the condition of the tested XLPE power cable samples.
Thermal pre-conditioning influenced the electrical properties of the tested XLPE power cables. Sustained exposure to heat can cause the dielectric constant of XLPE to change by a minimum of 72.7%.
Permittivity plays a vital role, and the energy stored in the XLPE power cable insulation is proportional to permittivity. Any response to Tan δ as a function of temperature was caused by changes in permittivity (εr) in response to temperature variations and electrical aging.
In the IRC, more current is trapped in the accelerated-aged XLPE power cable samples than in the unaged XLPE power cable sample; as the aging period increases, the relative permittivity decreases, the dielectric degradation increases, and more currents are trapped in the cable dielectric—the value of the trapped current increases with aging.
In the RVM, the Q-factor of the cable samples shows non-linearity in the initial slope of the return voltage, indicating that thermal pre-conditioning and electrical aging affect the XLPE power cable insulation. The amount of water in cellulose is an indicator of degradation.
Non-destructive diagnostic techniques reveal the status and insulation integrity of the tested XLPE power cable samples, as well as the consistency and correlation of their respective results. Non-destructive techniques were used to assess the residual strength of the tested XLPE power cable samples and their corresponding levels of degradation. Their respective results give the cable samples the same evaluation and aging status. The optimal strategy is to combine non-destructive diagnostic techniques to gain a comprehensive understanding of the dielectric status of XLPE power cables.

Author Contributions

Conceptualization, A.O.A. and T.S.; Methodology, A.O.A.; Validation, A.O.A., T.S. and H.L.; Formal analysis, A.O.A.; Investigation, A.O.A.; Writing—original draft, A.O.A.; Writing—review & editing, A.O.A., T.S. and H.L.; Supervision, T.S. and H.L. All authors have read and agreed to the published version of the manuscript.

Funding

This research received no external funding.

Data Availability Statement

The original contributions presented in this study are included in the article. Further inquiries can be directed to the corresponding author.

Conflicts of Interest

The authors declare no conflict of interest.

References

  1. Zhang, C.; Sheng, S.; Yang, J.; Chi, X. Study on DC component caused by water tree in XLPE cable. 2002. In Proceedings of the Annual Report Conference on Electrical Insulation and Dielectric Phenomena, Cancun, Mexico, 20–24 October 2002. [Google Scholar] [CrossRef]
  2. Priya, S.; Mubashira-Anjum, A. Analysis of water trees and characterization techniques in XLPE cables. India J. Sci. Technol. 2014, 7, 127–135. [Google Scholar] [CrossRef]
  3. Hoff, G.; Kranz, H.G. Interpretation of dielectric response measurement data from service aged XLPE cables. In Proceedings of the IEEE 7th International Conference on Solid Dielectric, Eindhoven, The Netherlands, 25–29 June 2001. [Google Scholar] [CrossRef]
  4. SANS 1339:2010; Electric Cables Cross-Linked Polyethylene (XLPE) Insulated Cables for Rated Voltages 3.8/6.6 kV to 19/33 kV. South African National Standard (SANS): Groenkloof, South Africa, 2010.
  5. Nampalliwar, T.; Negi, K.; Rewatkar, R.; Manwatkar, N.; Jaiswal, B.; Raut, S.; Korsane, D.T. Study on the test Performance of Underground XLPE Cables. Int. J. Innov. Res. Electr. Electron. Instrum. Control. Eng. 2017, 5, 8–12. [Google Scholar] [CrossRef]
  6. Wetton, R.E.; Marsh, R.D.L.; Duncan, J.C.; Foster, G.M. Effect of physical ageing of polymers on dielectric permittivity and loss values over wide temperature and frequency ranges. In Proceedings of the 6th International Conference on Dielectric Materials, Measurements and Applications, Manchester, UK, 7–10 September 1992; pp. 65–68. [Google Scholar]
  7. Ponniran, A.; Jamail, N.A.M. A Study on the Performance of Underground XLPE Cables Insulation Using Tan δ and Capacitance Measurements. In Proceedings of the Power Engineering and Optimization Conference, Shah Alam, Malaysia, 3–4 June 2009. [Google Scholar]
  8. Morsalin, S.; Phung, T.A. A comparative study of dielectric dissipation factor measurement under very low and power frequencies. In Proceedings of the 3rd International Conference on Condition Assessment Techniques in Electrical Systems (CATCON), Rupnagar, India, 16–18 November 2017; pp. 10–14. [Google Scholar]
  9. Adeniyi, A.O.; Walker, J.; Nyamupangedengu, C. Influence of temperature on tan-delta of XLPE cables. In Proceedings of the Southern African Universities Power Engineering Conference/Robotics and Mechatronics/Pattern Recognition Association of South Africa (SAUPEC/RobMech/PRASA), Bloemfontein, South Africa, 28–30 January 2019; pp. 544–547. [Google Scholar]
  10. Ueyama, T.; Mori, T.; Suenaga, K. Experiments of power cable diagnosis by using isothermal relaxation current method. In Proceedings of the IEEE International Conference on Condition Monitoring and Diagnosis, Bali, Indonesia, 23–27 September 2012; pp. 72–75. [Google Scholar]
  11. Zhao, A.; Xu, L.; Zhang, X.; Deng, J.; Zhang, G.; Zhao, X. StateKey Laboratory of Electrical Insulation and Power Equipment; Xi’an Jiaotong University: Xi’an, China; Shaanxi Electric Power Research Institute, State Grid: Xi’an, China, 2018. [Google Scholar]
  12. Oyegoke, B.S.; Foottit, F.; Birtwhistle, D.; Lyall, J.; Wickramasuriya, P.B. Condition assessment of XLPE insulated cables using isothermal relaxation current technique. In Proceedings of the IEEE Power Engineering Society General Meeting, Montreal, QC, Canada, 18–22 June 2006; p. 6. [Google Scholar]
  13. Wu, J.; Yin, Y.; Li, X.; Wang, Y.; Xiao, D. The condition assessment system of XLPE cables using the isothermal relaxation current technique. In Proceedings of the 2009 IEEE 9th International Conference on the Properties and Applications of Dielectric Materials, Harbin, China, 19–23 July 2009; pp. 1114–1117. [Google Scholar]
  14. Patsch, R.; Kamenka, D.; Menzel, J. Return voltage measurements Diagnostic interpretations based on the dielectric time constants. Mater. Sci.-Pol. 2009, 27, 1158–1169. [Google Scholar]
  15. Zhang, C.; Li, C.; Nie, L.; Jing, Z.; Han, B. Research on the water blade electrode method for assessing water tree resistance of cross-linked polyethylene. Polym. Test. 2016, 50, 235–240. [Google Scholar] [CrossRef]
  16. Sunthrasakaran, N.; Jamail, N.; Jamail, S.; Baharom, M.; Piah, M.; Kamarudin, Q.; Sies, M.; Othman, N.; Rahman, R. Application of Polarization and Depolarization Current in High Voltage Insulator-A Review. Int. J. Integr. Eng. 2020, 12, 159–169. [Google Scholar] [CrossRef]
  17. Bashir, N.; Ahmad, H. Diagnosis of XLPE Cable using the Recovery Voltage Measurement Method. In Proceedings of the 5th Student Conference on Research and Development-SCORED, Selangor, Malaysia, 11–12 December 2007. [Google Scholar]
  18. Bitam-Megherbi, F.; Mekious, M.; Megherbi, M. A Recovery Voltage as non-Destructive Tool for Moisture Appreciation of Oil Impregnated Pressboard: An Approach for Power Transformers Testing. Int. J. Electr. Eng. Inform. 2013, 5, 422–432. [Google Scholar]
  19. Takahashi, T.; Kamoto, T.O. Study on on-line monitoring system of very small deterioration signal caused by water tree in XLPE cables. In Proceedings of the XiVth International Symposium on High Voltage, Beijing, China, 25–28 August 2005. [Google Scholar]
  20. Morsalin, S.; Phung, B.T.; Danikas, M. Diagnostic challenges in dielectric loss assessment and interpretation: A review. IET Sci. Meas. Technol. 2019, 13, 120–137. [Google Scholar] [CrossRef]
  21. Beyer, M.; Steingrber, M. The influence of pretreatment on the loss behaviour of water tree retardant XLPE insulation materials. In Proceedings of the 3rd International Conference on Properties and Applications of Dielectric Materials, Tokyo, Japan, 8–12 July 1991; pp. 152–155. [Google Scholar]
  22. Simmons, J.G.; Tam, M.C. Theory of Isothermal Current and the Direct Determination of Trap Parameters in Semiconductors and Insulators Containing Arbitrary Trap Distributions. Phys. Rev. B 1973, 7, 3706–3713. [Google Scholar] [CrossRef]
  23. Hoff, G.; Kranz, H. Condition based maintenance of PE/XLPE-insulated medium voltage cable networks-verification of the IRC-Analysis to determine the cable age. In Proceedings of the IEEE International Symposium on Electrical Insulation, Boston, MA, USA, 7–10 April 2002; pp. 53–56. [Google Scholar]
  24. Zhang, R.; Don, M.; Zhang, G.; Yan, Z. Investigation of Return Voltage Measurement for the Assessment of Power Transformers. Proceedings of International Conference on Condition Monitoring and Diagnosis, Beijing, China, 21–24 April 2008. [Google Scholar]
  25. IEEE 400.2-2013; IEEE Guide for Field Testing of Shielded Power Cable Systems Using Very Low Frequency (VLF). IEEE Power Engineering Society: New York, NY, USA, 2013.
Figure 1. Equivalent parallel circuit and phasor diagram.
Figure 1. Equivalent parallel circuit and phasor diagram.
Energies 18 03647 g001
Figure 2. Representation of the RVM technique [24].
Figure 2. Representation of the RVM technique [24].
Energies 18 03647 g002
Figure 3. The 500 Hz accelerated aging [4].
Figure 3. The 500 Hz accelerated aging [4].
Energies 18 03647 g003
Figure 4. Tan δ measurement circuit. CN—Standard capacitor; CSN—Shunt capacitor for the standard capacitor; RSN—Input impedance; CSX—Shunt capacitor of the test object; RSX—Input impedance; CX—Test object.
Figure 4. Tan δ measurement circuit. CN—Standard capacitor; CSN—Shunt capacitor for the standard capacitor; RSN—Input impedance; CSX—Shunt capacitor of the test object; RSX—Input impedance; CX—Test object.
Energies 18 03647 g004
Figure 5. Isothermal relaxation current (IRC) measurement procedure.
Figure 5. Isothermal relaxation current (IRC) measurement procedure.
Energies 18 03647 g005
Figure 6. Return voltage measurement (RVM) procedure.
Figure 6. Return voltage measurement (RVM) procedure.
Energies 18 03647 g006
Figure 7. The Tan δ of thermal-pre-conditioned and non-thermal-pre-conditioned power cable samples.
Figure 7. The Tan δ of thermal-pre-conditioned and non-thermal-pre-conditioned power cable samples.
Energies 18 03647 g007
Figure 8. (a) Measured Tan δ of cable samples. (b) Analytical simulated Tan δ of cable samples.
Figure 8. (a) Measured Tan δ of cable samples. (b) Analytical simulated Tan δ of cable samples.
Energies 18 03647 g008
Figure 9. (a) Measured IRC of cable samples. (b) Analytical simulated IRC of cable samples.
Figure 9. (a) Measured IRC of cable samples. (b) Analytical simulated IRC of cable samples.
Energies 18 03647 g009
Figure 10. Aging factor of cable samples.
Figure 10. Aging factor of cable samples.
Energies 18 03647 g010
Figure 11. (a) Measured RVM of cable samples. (b) Analytical simulated RVM cable samples.
Figure 11. (a) Measured RVM of cable samples. (b) Analytical simulated RVM cable samples.
Energies 18 03647 g011
Figure 12. The Q-factor of the cable samples.
Figure 12. The Q-factor of the cable samples.
Energies 18 03647 g012
Figure 13. The P-factor of the cable samples.
Figure 13. The P-factor of the cable samples.
Energies 18 03647 g013
Table 1. Aging factor classes of XLPE power cable.
Table 1. Aging factor classes of XLPE power cable.
PerfectMiddle LifeOldCritical
A-factorBelow 1.751.75–1.901.90–2.10Above 2.10
Disclaimer/Publisher’s Note: The statements, opinions and data contained in all publications are solely those of the individual author(s) and contributor(s) and not of MDPI and/or the editor(s). MDPI and/or the editor(s) disclaim responsibility for any injury to people or property resulting from any ideas, methods, instructions or products referred to in the content.

Share and Cite

MDPI and ACS Style

Adeniyi, A.O.; Sutherland, T.; Langa, H. A Comparative Study of the Non-Destructive Diagnostic Tests of 500 Hz Accelerated-Aged XLPE Power Cables. Energies 2025, 18, 3647. https://doi.org/10.3390/en18143647

AMA Style

Adeniyi AO, Sutherland T, Langa H. A Comparative Study of the Non-Destructive Diagnostic Tests of 500 Hz Accelerated-Aged XLPE Power Cables. Energies. 2025; 18(14):3647. https://doi.org/10.3390/en18143647

Chicago/Turabian Style

Adeniyi, Adewumi Olujana, Trudy Sutherland, and Hendrick Langa. 2025. "A Comparative Study of the Non-Destructive Diagnostic Tests of 500 Hz Accelerated-Aged XLPE Power Cables" Energies 18, no. 14: 3647. https://doi.org/10.3390/en18143647

APA Style

Adeniyi, A. O., Sutherland, T., & Langa, H. (2025). A Comparative Study of the Non-Destructive Diagnostic Tests of 500 Hz Accelerated-Aged XLPE Power Cables. Energies, 18(14), 3647. https://doi.org/10.3390/en18143647

Note that from the first issue of 2016, this journal uses article numbers instead of page numbers. See further details here.

Article Metrics

Back to TopTop