Synchronverter Control Strategy: A Review of Different Improvements and Applications
Abstract
1. Introduction
1.1. Motivation
1.2. Problem Definition
1.3. Literature Review
1.4. Gap, Objective and Novelty
1.5. Contributions
- To the best of our knowledge, previous literature reviews have not focused exclusively on the synchronverter. This paper provides a comprehensive review that includes mathematical models, recent improvements, and applications.
- Previous literature dedicated to investigating synchronization techniques and the use of synchronverters. Likewise, this paper also presents the trend in recent years to define interest in the topic and databases that are commonly published documents.
- Previous papers have only been dedicated to reviewing only a few functions of the synchronverter. This detailed review presents applications focused on defining challenges and future prospects.
- Although document [13] shows a table summarizing some merits and demerits of the synchronverter, this review extends the advantages and disadvantages of the synchronverter considering the applications reported through this document.
1.6. Organization
2. Methodology
2.1. Evolution of Synchronverter over Time
2.2. Bibliographic Analysis
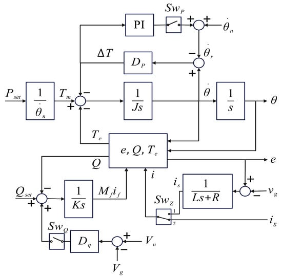
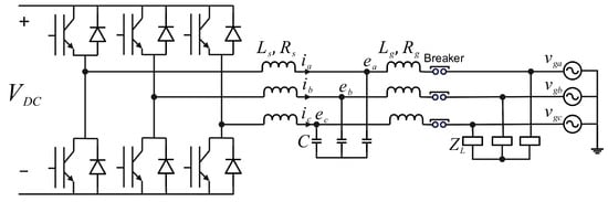
3. Mathematical Model of Synchronverter
- P-mode and -mode: this mode keeps the steady-state error at zero between the grid and synchronverter frequencies. The reactive control loop is in the droop control mode, which considers changes in Q to adjust the terminal voltage.
- P-mode and Q-mode: there are no changes in the active control loop. The reactive control loop only follows the point .
- -mode and -mode: both power loops are in the droop control mode. The shared powers change to adjust the frequency and the terminal voltage.
- -mode, Q-mode: only the active power droop control is activated, while the reactive control loop follows the point .
4. Recent Improvements and Applications Using the Synchronverter Control Strategy
4.1. Modifications of the Original Synchronverter and Experimental Tests
4.2. Renewable Energy and Storage
4.3. Stability Analysis
4.4. Virtual Impedance
4.5. Active Compensation
4.6. Harmonic Reduction
4.7. Unbalanced Voltage and Asymmetric Faults
4.8. Parameterization and Design
4.9. Short-Circuit Analysis and Protection Against Faults
4.10. Microgrids
4.11. Other Applications
4.12. Summary
- Robustness and stability under diverse and extreme grid conditions.- –
- Weak grids and low short-circuit ratio (SCR): Synchronverters are often challenging to stabilize in very weak grids, where the coupling between active and reactive power is strong. The development of robust control strategies and parameter tuning methods that guarantee stability across a wide range of SCR values is critical.
- –
- Asymmetrical faults and unbalanced conditions: While some progress has been made, ensuring stable operation and proper fault current contribution during unbalanced faults (e.g., single-phase faults) without excessive current or power oscillations remains a significant challenge. Fault ride-through (FRT) strategies need further refinement for unbalanced conditions.
- –
- Grid resonances and harmonics: Although synchronverters can contribute to harmonic mitigation, their inherent interaction with grid impedance can also lead to or exacerbate harmonic resonances. Robust methods are needed to identify, damp and actively compensate for resonances in various grid grid configurations.
 
- Adaptive and autonomous parameter tuning.- –
- Online adaptive control: As grids become more dynamic and uncertain, fixed synchronverter parameters may not be optimal. Developing online, self-tuning, and adaptive control algorithms that ensure stability while optimizing performance (e.g., using AI/optimization-based methods like Reinforcement Learning) is a major gap. The trade-off between adaptation speed and stability guarantees is a key research area.
- –
- Model-Free control: Reducing reliance on precise grid models for tuning, especially in rapidly changing scenarios, is desirable. Exploring more data-driven or model-free adaptive control techniques is an important direction.
 
- Coordination and interaction in multi-synchronverter systems.- –
- Scalability and decentralized control: Synchronverters, potentially from different vendors and with varying characteristics, must interact when operating in parallel in a large grid or microgrid. Developing robust decentralized or distributed control strategies that ensure stable power sharing, frequency/voltage regulation, and oscillation damping without extensive communication is crucial.
- –
- Interaction with traditional generators: Managing the transition and dynamic interactions between a diminishing fleet of synchronous generators and an increasing number of synchronverters, especially during disturbances, requires more detailed study and coordination strategies.
- –
- Interoperability: Establishing common standards and protocols for synchronverter communication and control to ensure seamless interoperability between devices from different manufacturers.
 
- Optimal placement, sizing, and economic viability.- –
- Grid planning and integration: Developing comprehensive methodologies for optimal placement and sizing of synchronverters in future grids to maximize their benefits (e.g., inertia support, fault current contribution, black start capability) while considering economic factors and grid constraints.
- –
- Cost–benefit analysis: A detailed techno-economic assessment comparing the overall system benefits of synchronverters against their increased complexity and cost compared to traditional grid-following inverters.
 
- Practical implementation challenges.- –
- DC-Link dynamics and energy storage integration: The DC-link capacitor plays a crucial role in synchronverter stability and transient response, especially during faults. Optimizing its sizing and integrating energy storage systems (BESS) for enhanced ride-through capability and damping, particularly in dynamic scenarios like variable renewable generation, is an ongoing challenge.
- –
- Mechanical stress in coupled systems (e.g., wind turbines): For direct integration with wind turbines, the emulation of synchronous machine dynamics can sometimes induce mechanical stress on the turbine components (e.g., torsional vibrations). Research is needed to mitigate this without compromising the grid support functions of the synchronverter.
- –
- Hardware-in-the-loop (HIL) and real-time testing: Moving beyond pure simulation, more extensive and standardized HIL and real-time testing frameworks are needed to validate synchronverter performance and stability under realistic and extreme grid conditions before widespread field deployment.
 
- Advanced ancillary services and grid codes.- –
- Beyond basic emulation: While synchronverters mimic basic SG functions, exploring how they can provide more advanced ancillary services, such as power oscillation damping (POD), synthetic inertia for specific frequency bands, or enhanced voltage support tailored to specific grid code requirements is an area for further development.
- –
- Harmonic filtering integration: Although mentioned previously, fully integrating robust and comprehensive active filtering capabilities without compromising primary grid-forming functions remains a research gap.
 
5. Challenges and Future Prospects
- When a synchronverter is working in grid mode and suddenly transfers to the standalone- or isolated-mode, the frequency deviation must be immediately controlled. When it operates as a single machine, it can work properly. But when there are more than one grid-following or grid-forming inverters, the response must be joint. It is imperative to explore more parallel control strategies to avoid frequency deviations.
- When the power grid requires more power, the synchronverter must be able to deliver it. The problem arises on the source side, since photovoltaic and wind farms typically work at their maximum capacity to take advantage of the available intermittent power. If the synchronverter does not deliver the of the power, the efficiency is reduced. From the utility company perspective, the maximum cost efficiency is required. Therefore, more studies are indispensable to enhance techniques and topologies to optimize synchronverter capability.
- There is a great need to integrate the synchronverter with the vehicle-to-grid condition. Electric vehicle (EV) sales have increased in the last decade and are expected to continue to increase. EV batteries are crucial for future network planning, because batteries can be charged from the grid at a valley hour and deliver power to the grid at a peak hour. It is important to investigate the support that EV may offer to synchronverters. New control strategies can be developed.
- Synchronverters are cataloged as grid-forming inverters. In the increasing use of microgrids, there are always grid-forming and grid-following inverters. An appropriate ratio between grid-forming vs. grid-following inverters installed in a microgrid must be found to guarantee an operation within the limits permitted by the network codes.
- When there is a voltage imbalance in the PCC, the synchronverter can operate but only under a small imbalance. If the percentage of imbalance is larger, the synchronization becomes an issue, since the auto-synchronization process does not perform well. New algorithms must be developed to allow for phase-independent synchronization.
- The dynamic and uncertain behavior of the loads must be properly modeled to evaluate what the synchronverter is capable of.
- Synchronverters may change their virtual impedances to face different disturbances on the grid. A proper study to evaluate the stability response when those parameters are changed in real time is mandatory.
- Future research on synchronverters should prioritize enhancing their robustness and stability, ensuring reliable performance even under extremely weak or highly unbalanced grid conditions, which are increasingly prevalent in renewable-heavy systems.
- Developing adaptive and autonomous tuning methods is paramount, moving beyond fixed-gain controls towards intelligent, self-optimizing strategies, potentially leveraging advanced AI, to enable seamless operation in dynamic grid environments.
- Addressing the challenges of multi-synchronverter coordination is vital, focusing on decentralized control schemes that ensure stable power sharing and oscillation damping as numerous synchronverters operate in parallel.
- Research is needed to determine their optimal deployment and economic viability across large-scale grids, providing robust methodologies for placement, sizing, and a clear cost–benefit analysis.
- Continuous effort is required in practical implementation refinements, particularly in optimizing DC-link dynamics for improved fault ride-through, mitigating mechanical stresses in directly coupled systems, and expanding comprehensive real-time testing frameworks.
- Future research and development must focus on how synchronverters can robustly contribute to grid-scale frequency and voltage stability in low-inertia environments, optimize fault current contribution and protection coordination for an inverter-dominated grid, mitigate harmonic resonances across vast electrical networks, ensure small-signal and transient stability in increasingly complex power systems, and enhance cybersecurity of critical grid services. Successfully navigating these challenges will solidify the role of the synchronverter as a cornerstone technology to enable the reliable and resilient operation of future power grids.
6. Conclusions
Author Contributions
Funding
Acknowledgments
Conflicts of Interest
References
- Delimpaltadakis, G.; Cortés, J.; Heemels, W.P.M.H. Continuous Approximations of Projected Dynamical Systems via Control Barrier Functions. IEEE Trans. Autom. Control 2025, 70, 681–688. [Google Scholar] [CrossRef]
- Akbari, E.; Zare Ghaleh Seyyedi, A. Multi-functional voltage and current based enhancement of power quality in grid-connected microgrids considering harmonics. Heliyon 2024, 10, e26008. [Google Scholar] [CrossRef]
- Pandey, A.S.; Kallamadi, M.; Shah, K. Cascaded AC–DC Voltage Control to Provide Reactive Power Support for the PV-Driven Grid-Tied Synchronverter. Int. J. Circuit Theory Appl. 2024, 53, 3778–3786. [Google Scholar] [CrossRef]
- Kisinga, D.A.; Makolo, P.; Trodden, P. A modified synchronverter for a weak grid with virtual power circles-based PQ decoupling scheme. IET Renew. Power Gener. 2024, 18, 2723–2736. [Google Scholar] [CrossRef]
- Mahmoudi Rashid, S.; Akbari, E.; Khalafian, F.; Hossein Atazadegan, M.; Shahmoradi, S.; Zare Ghaleh Seyyedi, A. Robust Allocation of FACTS Devices in Coordinated Transmission and Generation Expansion Planning considering Renewable Resources and Demand Response Programs. Int. Trans. Electr. Energy Syst. 2022, 2022, 4331293. [Google Scholar] [CrossRef]
- Akbari, E.; Zare Ghaleh Seyyedi, A. Power quality enhancement of distribution grid using a photovoltaic based hybrid active power filter with three level converter. Energy Rep. 2023, 9, 5432–5448. [Google Scholar] [CrossRef]
- Zhong, Q.C.; Weiss, G. Synchronverters: Inverters That Mimic Synchronous Generators. IEEE Trans. Ind. Electron. 2011, 58, 1259–1267. [Google Scholar] [CrossRef]
- Yin, H.; Kustanovich, Z.; Lin, J.; Weiss, G. Synchronverters with Damper Windings to Attenuate Power Oscillations in Grids. IEEE J. Emerg. Sel. Top. Ind. Electron. 2024, 5, 1376–1387. [Google Scholar] [CrossRef]
- Lorenzetti, P.; Reissner, F.; Weiss, G. A Synchronverter-Based Magnitude Phase-Locked Loop. IEEE Trans. Control Syst. Technol. 2025, 33, 32–47. [Google Scholar] [CrossRef]
- Albornoz, M.; Rohten, J.; Espinoza, J.; Varela, J.; Sbarbaro, D.; Gallego, Y. Photovoltaic Power Injection Control Based on a Virtual Synchronous Machine Strategy. Sensors 2024, 24, 4039. [Google Scholar] [CrossRef]
- Rahman, K.; Hashimoto, J.; Orihara, D.; Ustun, T.S.; Otani, K.; Kikusato, H.; Kodama, Y. Reviewing Control Paradigms and Emerging Trends of Grid-Forming Inverters—A Comparative Study. Energies 2024, 17, 2400. [Google Scholar] [CrossRef]
- Rezazadeh, H.; Monfared, M.; Fazeli, M.; Golestan, S. Single-phase Grid-forming Inverters: A Review. In Proceedings of the 2023 International Conference on Computing, Electronics & Communications Engineering (iCCECE), Swansea, UK, 14–16 August 2023; IEEE: Piscataway, NJ, USA, 2023; pp. 7–10. [Google Scholar] [CrossRef]
- Yap, K.Y.; Sarimuthu, C.R.; Lim, J.M.Y. Virtual Inertia-Based Inverters for Mitigating Frequency Instability in Grid-Connected Renewable Energy System: A Review. Appl. Sci. 2019, 9, 5300. [Google Scholar] [CrossRef]
- Zhong, Q.-C.; Nguyen, P.L.; Ma, Z.; Sheng, W. Self-Synchronized Synchronverters: Inverters Without a Dedicated Synchronization Unit. IEEE Trans. Power Electron. 2014, 29, 617–630. [Google Scholar] [CrossRef]
- Moulichon, A.; Alamir, M.; Debusschere, V.; Garbuio, L.; Rahmani, M.A.; Wang, M.X.; Hadjsaid, N. Observer-Based Current Controller for Virtual Synchronous Generator in Presence of Unknown and Unpredictable Loads. IEEE Trans. Power Electron. 2021, 36, 1708–1716. [Google Scholar] [CrossRef]
- Vetoshkin, L.; Muller, Z. A supervisory MPC for synchronverter. In Proceedings of the 2020 21st International Scientific Conference on Electric Power Engineering (EPE), Prague, Czech Republic, 19–21 October 2020; IEEE: Piscataway, NJ, USA, 2020; pp. 1–6. [Google Scholar] [CrossRef]
- Ramirez, J.M.; Montalvo, E.T.; Nuño, C.I. Modelling, synchronisation, and implementation of the virtual synchronous generator: A study of its reactive power handling. Electr. Eng. 2020, 102, 1605–1619. [Google Scholar] [CrossRef]
- Liyanage, C.; Nutkani, I.; Meegahapola, L. A Comparative Analysis of Prominent Virtual Synchronous Generator Strategies Under Different Network Conditions. IEEE Open Access J. Power Energy 2024, 11, 178–195. [Google Scholar] [CrossRef]
- Naeem, M.; Khan, U.A. A PLL-Less Fourier Analysis Based Self-Synchronizer for Synchronverter having Uninterrupted Power Supply Capability. E-Prime Adv. Electr. Eng. Electron. Energy 2023, 5, 100257. [Google Scholar] [CrossRef]
- Phattanakorn, M.; Kumsuwan, Y. Multi-Function Algorithm of Virtual Synchronous Generator. In Proceedings of the 2021 24th International Conference on Electrical Machines and Systems (ICEMS), Gyeongju, Republic of Korea, 31 October–3 November 2021; IEEE: Piscataway, NJ, USA, 2021; pp. 824–829. [Google Scholar] [CrossRef]
- Chiu, B.K.; Lee, K.Y.; Hsu, Y.Y. Battery Energy Storage System Damper Design for a Microgrid with Wind Generators Participating in Frequency Regulation. Energies 2023, 16, 7439. [Google Scholar] [CrossRef]
- Araújo-de Oliveira, J.D.; de Araújo-Lima, F.K.; Nogueira, F.G.; Tofoli, F.L.; Branco, C.G.C. Stability analysis and application of a synchronverter-based control approach to DFIG-based wind energy conversion systems. Electr. Power Syst. Res. 2024, 232, 110403. [Google Scholar] [CrossRef]
- He, L.; Shuai, Z.; Zhang, X.; Liu, X.; Li, Z.; Shen, Z.J. Transient Characteristics of Synchronverters Subjected to Asymmetric Faults. IEEE Trans. Power Deliv. 2019, 34, 1171–1183. [Google Scholar] [CrossRef]
- Li, Y.; Qi, R.; Wang, S. New Control Schemes of Output Power Decoupling Based on Synchronverter. In Proceedings of the 2018 21st International Conference on Electrical Machines and Systems (ICEMS), Jeju, Republic of Korea, 7–10 October 2018; IEEE: Piscataway, NJ, USA, 2018; pp. 1980–1985. [Google Scholar] [CrossRef]
- Saadatmand, S.; Shamsi, P.; Ferdowsi, M. Power and Frequency Regulation of Synchronverters Using a Model Free Neural Network-Based Predictive Controller. IEEE Trans. Ind. Electron. 2021, 68, 3662–3671. [Google Scholar] [CrossRef]
- Kryonidis, G.C.; Malamaki, K.N.D.; Mauricio, J.M.; Demoulias, C.S. A new perspective on the synchronverter model. Int. J. Electr. Power Energy Syst. 2022, 140, 108072. [Google Scholar] [CrossRef]
- Zhong, Q.C.; Konstantopoulos, G.C.; Ren, B.; Krstic, M. Improved Synchronverters with Bounded Frequency and Voltage for Smart Grid Integration. IEEE Trans. Smart Grid 2018, 9, 786–796. [Google Scholar] [CrossRef]
- Gonzalez-Longatt, F.; Rueda, J.L.; Palensky, P.; Chamorro, H.R.; Sood, V. Frequency Support provided by Inverted Based-Generation using Grid-Forming Controllers: A Comparison during Islanded Operation. In Proceedings of the 2021 IEEE Electrical Power and Energy Conference (EPEC), Toronto, ON, Canada, 22–31 October 2021; IEEE: Piscataway, NJ, USA, 2021; pp. 113–118. [Google Scholar] [CrossRef]
- Klink, J.; Helm, S.; Yang, W.; Deblon, F.; Benger, R.; Hauer, I.; Lindemann, A. Instantaneous reserve by battery energy storage systems—A holistic system model to analyze the dynamic power system interactions. Energy Rep. 2025, 13, 3096–3111. [Google Scholar] [CrossRef]
- Pan, D.; Wang, X.; Liu, F.; Shi, R. Transient Stability of Voltage-Source Converters with Grid-Forming Control: A Design-Oriented Study. IEEE J. Emerg. Sel. Top. Power Electron. 2020, 8, 1019–1033. [Google Scholar] [CrossRef]
- Luo, S.; Wu, W.; Koutroulis, E.; Chung, H.S.H.; Blaabjerg, F. A New Virtual Oscillator Control Without Third-Harmonics Injection For DC/AC Inverter. IEEE Trans. Power Electron. 2021, 36, 10879–10888. [Google Scholar] [CrossRef]
- Raja Shekhar, K.; Chaudhari, M.A. Operation and control of Synchronverter technique in grid connected and intentional islanding modes for AC micro grids. In Proceedings of the 2020 First International Conference on Power, Control and Computing Technologies (ICPC2T), Raipur, India, 3–5 January 2020; IEEE: Piscataway, NJ, USA, 2020; pp. 426–431. [Google Scholar] [CrossRef]
- Moulichon, A.; Alamir, M.; Garbuio, L.; Debusschere, V.; Rahmani, M.A.; Boudinet, C.; Noris, W.; Hadjsaid, N. State observer to improve the VSG control stability. In Proceedings of the IECON 2020 the 46th Annual Conference of the IEEE Industrial Electronics Society, Singapore, 18–21 October 2020; IEEE: Piscataway, NJ, USA, 2020; pp. 1698–1703. [Google Scholar] [CrossRef]
- Körner, P.; Reindl, A.; Meier, H.; Niemetz, M. A Theoretical Comparison of Different Virtual Synchronous Generator Implementations on Inverters. In Proceedings of the 24th European Conference on Power Electronics and Applications, EPE 2022 ECCE Europe, Hanover, Germany, 5–9 September 2022; IEEE: Piscataway, NJ, USA, 2022; pp. 01–09. [Google Scholar]
- Ding, L.; Zhang, Y.; Zhang, F.; Kong, Y. Stability Analysis and Transient Feedback Compensation with Virtual Impedance-Based Method for Parallel-Connected Synchronverters. In Proceedings of the 2022 IEEE 31st International Symposium on Industrial Electronics (ISIE), Anchorage, AK, USA, 1–3 June 2022; IEEE: Piscataway, NJ, USA, 2022; pp. 380–387. [Google Scholar] [CrossRef]
- Kisinga, D.A.; Trodden, P. Virtual power circle based PQ decoupling technique for a virtual synchronous generator connected to a weak grid. In Proceedings of the 2023 IEEE Belgrade PowerTech, Belgrade, Serbia, 25–29 June 2023; IEEE: Piscataway, NJ, USA, 2023; pp. 1–6. [Google Scholar] [CrossRef]
- Rajan, C.S.; Ebenezer, M. Voltage Profile Improvement of a Multi Microgrid Interconnection Scheme using Synchronverters. In Proceedings of the 2022 IEEE International Conference on Signal Processing, Informatics, Communication and Energy Systems (SPICES), Thiruvananthapuram, India, 10–12 March 2022; IEEE: Piscataway, NJ, USA, 2022; pp. 217–222. [Google Scholar] [CrossRef]
- Ferreira, R.V.; Silva, S.M.; Brandao, D.I. Positive–Negative Sequence Synchronverter for Unbalanced Voltage in AC Grids. J. Control. Autom. Electr. Syst. 2021, 32, 711–720. [Google Scholar] [CrossRef]
- Wang, X.; Chen, L.; Sun, D.; Zhang, L.; Nian, H. A Modified Self-Synchronized Synchronverter in Unbalanced Power Grids with Balanced Currents and Restrained Power Ripples. Energies 2019, 12, 923. [Google Scholar] [CrossRef]
- Pore, S.; Jadhav, P.R. Filters for Grid Connected Self-Synchronized Synchronverter. In Proceedings of the 2019 4th International Conference on Recent Trends on Electronics, Information, Communication & Technology (RTEICT), Bangalore, India, 17–18 May 2019; IEEE: Piscataway, NJ, USA, 2019; pp. 551–555. [Google Scholar] [CrossRef]
- Kustanovich, Z.; Yin, H.; Weiss, G. Improvements to the VSM current controller for better grid performance. In Proceedings of the 2022 IEEE 20th International Power Electronics and Motion Control Conference (PEMC), Brasov, Romania, 25–28 September 2022; IEEE: Piscataway, NJ, USA, 2022; pp. 621–626. [Google Scholar] [CrossRef]
- Zheng, T.; Chen, L.; Guo, Y.; Mei, S. Comprehensive control strategy of virtual synchronous generator under unbalanced voltage conditions. IET Gener. Transm. Distrib. 2018, 12, 1621–1630. [Google Scholar] [CrossRef]
- Li, F.; Liu, G.; Zhu, K.; Wang, W. An Improved Control Strategy of Virtual Synchronous Generator under Unbalanced Conditions. In Proceedings of the 2018 IEEE 4th Southern Power Electronics Conference (SPEC), Singapore, 10–13 December 2018; IEEE: Piscataway, NJ, USA, 2018; pp. 1–6. [Google Scholar] [CrossRef]
- Gomes, L.D.N.; Abrantes-Ferreira, A.J.G.; Dias, R.F.D.S.; Rolim, L.G.B. Synchronverter-Based STATCOM with Voltage Imbalance Compensation Functionality. IEEE Trans. Ind. Electron. 2022, 69, 4836–4844. [Google Scholar] [CrossRef]
- Wang, M.; Li, H.; Li, L. Fault Through Technique of Synchronverter Based on Voltage Feedforward Compensation. In Proceedings of the 2018 International Conference on Power System Technology (POWERCON), Guangzhou, China, 6–8 November 2018; IEEE: Piscataway, NJ, USA, 2018; pp. 2056–2061. [Google Scholar] [CrossRef]
- Pola, S.; Azzouz, M.; Awad, A.S.A.; Sindi, H. Fault Ride-Through Strategies for Synchronverter-Interfaced Energy Resources Under Asymmetrical Grid Faults. IEEE Trans. Sustain. Energy 2023, 14, 2391–2405. [Google Scholar] [CrossRef]
- Quintero-Duran, M.J.; Candelo-Becerra, J.E.; Posada, J. Synchronizing a synchronverter to an unbalanced power grid using sequence component decomposition. Nonlinear Eng. 2022, 11, 395–410. [Google Scholar] [CrossRef]
- Wijekoon, W.; Pabasara, W.; L, P.; Ranaweera, K.; Welmilla, D. Revolutionizing Renewable Energy Integration with Synchronverters: A Game-Changer for Modern Power Grids. In Proceedings of the 2023 Moratuwa Engineering Research Conference (MERCon), Moratuwa, Sri Lanka, 9–11 November 2023; IEEE: Piscataway, NJ, USA, 2023; pp. 491–496. [Google Scholar] [CrossRef]
- Kelada, F.; Buire, J.; HadjSaid, N. Comparative Study of Decentralized Grid-forming Converter Controls For Inverter-based Microgrids. In Proceedings of the 2023 IEEE Power & Energy Society General Meeting (PESGM), Orlando, FL, USA, 16–20 July 2023; IEEE: Piscataway, NJ, USA, 2023; pp. 1–5. [Google Scholar] [CrossRef]
- Wang, M.; Mostajeran, E.; Jatskevich, J. Tuning the Maximum Power Extraction Loop in the Improved Droop Controller of Virtual Synchronous Generators. In Proceedings of the 2023 22nd International Symposium INFOTEH-JAHORINA (INFOTEH), East Sarajevo, Bosnia and Herzegovina, 15–17 March 2023; IEEE: Piscataway, NJ, USA, 2023; pp. 1–5. [Google Scholar] [CrossRef]
- Pola, S.; Azzouz, M.; Mirhassani, M. Synchronverters with Fault Ride-Through Capabilities for Reliable Microgrid Protection during Balanced and Unbalanced Faults. IEEE Trans. Sustain. Energy 2024, 15, 1663–1676. [Google Scholar] [CrossRef]
- Yazdaninejadi, A.; Ebrahimi, H. A new protection algorithm for tackling the impact of fault-resistance and cloud energy storage on coordination of recloser-fuse protection. IET Gener. Transm. Distrib. 2023, 17, 1827–1835. [Google Scholar] [CrossRef]
- Sekizaki, S.; Yorino, N.; Sasaki, Y.; Zoka, Y.; Shimizu, T.; Nishizaki, I. Single-phase Synchronous Inverter with Overcurrent Protection using Current Controller with Latched Limit Strategy. IEEJ Trans. Electr. Electron. Eng. 2023, 18, 1001–1014. [Google Scholar] [CrossRef]
- Frasetyo, M.B.; WIjaya, F.D.; Ali, H.R. Hybrid PV-WT Microgrid Stability Control Using Synchronverter Algorithm. In Proceedings of the 2023 15th International Conference on Information Technology and Electrical Engineering (ICITEE), Chiang Mai, Thailand, 26–27 October 2023; IEEE: Piscataway, NJ, USA, 2023; pp. 365–369. [Google Scholar] [CrossRef]
- Ala, G.; Campagna, N.; Caruso, M.; Castiglia, V.; Di Tommaso, A.O.; Miceli, R.; Nevoloso, C.; Schettino, G.; Viola, F.; Nguyen, M. Stability of Microgrids: An Application of Virtual Synchronous Generator. In Lecture Notes in Networks and Systems; Springer: Cham, Switzerland, 2023; Volume 602 LNNS, pp. 873–880. [Google Scholar] [CrossRef]
- Kumar, R.; Chaudhari, M.A.; Chaturvedi, P. Analysis of Synchronverter and PLL-Less Control for Three-Phase VSI in AC Microgrids. In Proceedings of the 2024 Third International Conference on Power, Control and Computing Technologies (ICPC2T), Raipur, India, 18–20 January 2024; IEEE: Piscataway, NJ, USA, 2024; pp. 810–816. [Google Scholar] [CrossRef]
- Eisapour-Moarref, A.; Kalantar, M.; Esmaili, M. Control strategy resilient to unbalanced faults for interlinking converters in hybrid microgrids. Int. J. Electr. Power Energy Syst. 2020, 119, 105927. [Google Scholar] [CrossRef]
- Hou, X.; Sun, Y.; Zhang, X.; Lu, J.; Wang, P.; Guerrero, J.M. Improvement of Frequency Regulation in VSG-Based AC Microgrid Via Adaptive Virtual Inertia. IEEE Trans. Power Electron. 2020, 35, 1589–1602. [Google Scholar] [CrossRef]
- Jayachandran, M.; Reddy, C.R.; Padmanaban, S.; Milyani, A.H. Operational planning steps in smart electric power delivery system. Sci. Rep. 2021, 11, 17250. [Google Scholar] [CrossRef]
- Sarojini, R.K.; Palanisamy, K.; Sanjeevikumar, P.; Nielsen, J.B. Inertia emulation control technique based frequency control of grid-connected single-phase rooftop photovoltaic system with battery and supercapacitor. IET Renew. Power Gener. 2020, 14, 1156–1163. [Google Scholar] [CrossRef]
- Kanakkayil, M.A.; Kiranmai, K.P.; Shareef, H. Synchronous Machine Emulation of VSC for Interconnection of Renewable Energy Sources through HVDC Transmission. In Proceedings of the 2021 6th International Conference on Renewable Energy: Generation and Applications (ICREGA), Al Ain, United Arab Emirates, 2–4 February 2021; IEEE: Piscataway, NJ, USA, 2021; pp. 131–136. [Google Scholar] [CrossRef]
- Gadgune, S.; Joshi, P.M. Performance Improvement of 3 Phase Inverter Operated as Virtual Synchronous Generator with Closed Loop Active Power Control. In Proceedings of the 2021 International Conference on Advances in Electrical, Computing, Communication and Sustainable Technologies (ICAECT), Bhilai, India, 19–20 February 2021; IEEE: Piscataway, NJ, USA, 2021; pp. 1–5. [Google Scholar] [CrossRef]
- Panda, R.K.; Mohapatra, A.; Srivastava, S.C. Enhancing inertia of solar photovoltaic-based microgrid through notch filter-based PLL in SRF control. IET Gener. Transm. Distrib. 2020, 14, 379–388. [Google Scholar] [CrossRef]
- Vasudevan, K.R.; Ramachandaramurthy, V.K.; Babu, T.S.; Pouryekta, A. Synchronverter: A Comprehensive Review of Modifications, Stability Assessment, Applications and Future Perspectives. IEEE Access 2020, 8, 131565–131589. [Google Scholar] [CrossRef]
- Yap, K.Y.; Sarimuthu, C.R.; Lim, J.M.Y. Grid Integration of Solar Photovoltaic System Using Machine Learning-Based Virtual Inertia Synthetization in Synchronverter. IEEE Access 2020, 8, 49961–49976. [Google Scholar] [CrossRef]
- Ramezani, M.; Li, S.; Musavi, F.; Golestan, S. Seamless Transition of Synchronous Inverters Using Synchronizing Virtual Torque and Flux Linkage. IEEE Trans. Ind. Electron. 2020, 67, 319–328. [Google Scholar] [CrossRef]
- Shivratri, S.; Kustanovich, Z.; Weiss, G.; Shani, B. Virtual synchronous machines with fast current loop. IFAC-PapersOnLine 2020, 53, 12422–12428. [Google Scholar] [CrossRef]
- Palacios, J.; Posada, J. Voltage Converters in Parallel Working as Virtual Synchronous Generators. In Proceedings of the 2019 FISE-IEEE/CIGRE Conference—Living the energy Transition (FISE/CIGRE), Medellin, Colombia, 4–6 December 2019; IEEE: Piscataway, NJ, USA, 2019; pp. 1–6. [Google Scholar] [CrossRef]
- Rosso, R.; Engelken, S.; Liserre, M. Robust Stability Analysis of Synchronverters Operating in Parallel. IEEE Trans. Power Electron. 2019, 34, 11309–11319. [Google Scholar] [CrossRef]
- Roldan-Perez, J.; Rodriguez-Cabero, A.; Prodanovic, M. Design and Analysis of Virtual Synchronous Machines in Inductive and Resistive Weak Grids. IEEE Trans. Energy Convers. 2019, 34, 1818–1828. [Google Scholar] [CrossRef]
- Moulichon, A.; Garbuio, L.; Debusschere, V.; Rahmani, M.A.; Hadj-Said, N. A Simplified Synchronous Machine Model for Virtual Synchronous Generator Implementation. In Proceedings of the 2019 IEEE Power & Energy Society General Meeting (PESGM), Atlanta, GA, USA, 4–8 August 2019; IEEE: Piscataway, NJ, USA, 2019; pp. 1–5. [Google Scholar] [CrossRef]
- Liu, Z.; Zhang, Z. Probabilistic-Based Transient Stability Assessment of Power Systems with Virtual Synchronous Machines. In Proceedings of the 2019 IEEE 28th International Symposium on Industrial Electronics (ISIE), Vancouver, BC, Canada, 12–14 June 2019; IEEE: Piscataway, NJ, USA, 2019; pp. 2117–2122. [Google Scholar] [CrossRef]
- Wang, S.; Qi, R.; Li, Y. Fuzzy Control Scheme of Virtual Inertia for Synchronverter in Micro-Grid. In Proceedings of the 2018 21st International Conference on Electrical Machines and Systems (ICEMS), Jeju, Republic of Korea, 7–10 October 2018; IEEE: Piscataway, NJ, USA, 2018; pp. 2028–2032. [Google Scholar] [CrossRef]
- Yap, K.Y.; Beh, C.M.; Sarimuthu, C.R. Fuzzy logic controller-based synchronverter in grid-connected solar power system with adaptive damping factor. Chin. J. Electr. Eng. 2021, 7, 37–49. [Google Scholar] [CrossRef]
- Gil-González, W.; Montoya, O.D.; Escobar-Mejía, A.; Hernández, J.C. LQR-Based Adaptive Virtual Inertia for Grid Integration of Wind Energy Conversion System Based on Synchronverter Model. Electronics 2021, 10, 1022. [Google Scholar] [CrossRef]
- Saadatmand, S.; Shamsi, P.; Ferdowsi, M. Adaptive critic design-based reinforcement learning approach in controlling virtual inertia-based grid-connected inverters. Int. J. Electr. Power Energy Syst. 2021, 127, 106657. [Google Scholar] [CrossRef]
- Gunther, K.; Sourkounis, C. Active Damping Control for Variable-Speed Wind Turbines with VSM as Grid-Side Control. In Proceedings of the 2021 22nd IEEE International Conference on Industrial Technology (ICIT), Valencia, Spain, 10–12 March 2021; IEEE: Piscataway, NJ, USA, 2021; pp. 304–309. [Google Scholar] [CrossRef]
- Yap, K.Y.; Sarimuthu, C.R.; Lim, J.M.Y. An Adaptive Synchronverter for Ensuring Fault Ride Through Capability of Grid-Connected Solar Power System. J. Phys. Conf. Ser. 2021, 1828, 012054. [Google Scholar] [CrossRef]
- da Silva Santos, M.; Sales Barros, L.; Bezerra Costa, F.; Mara Vital Barros, C.; Penha Silva Junior, G.; Strunz, K. Frequency Droop-Based Synchronverter Without Battery for Primary Support of Microgrids. J. Control. Autom. Electr. Syst. 2023, 34, 40–49. [Google Scholar] [CrossRef]
- Vasudevan, K.R.; Ramachandaramurthy, V.K.; Venugopal, G.; Guerrero, J.M.; David Agundis Tinajero, G. Synergizing pico hydel and battery energy storage with adaptive synchronverter control for frequency regulation of autonomous microgrids. Appl. Energy 2022, 325, 119827. [Google Scholar] [CrossRef]
- Zhang, Y.; Mou, J.; Zhang, F.; Huang, N. Modeling and Stability Analysis Based on Internal Voltage Dynamics in Synchronverter. Electronics 2023, 12, 700. [Google Scholar] [CrossRef]
- Kustanovich, Z.; Shivratri, S.; Yin, H.; Reissner, F.; Weiss, G. Synchronverters with Fast Current Loops. IEEE Trans. Ind. Electron. 2023, 70, 11357–11367. [Google Scholar] [CrossRef]
- Busada, C.; Jorge, S.G.; Solsona, J.A. Current-Controlled Synchronverter: A Grid Fault Tolerant Grid Forming Inverter. IEEE Trans. Ind. Electron. 2024, 71, 3233–3241. [Google Scholar] [CrossRef]
- Schulze, W.; Weber, P.; Suriyah, M.; Leibfried, T. Grid-forming synchronverter-based control method with current limiting method for grid-side converters of converter-based generation plants. In Proceedings of the 21st Wind & Solar Integration Workshop (WIW 2022), The Hague, The Netherlands, 12–14 October 2022; Institution of Engineering and Technology: London, UK, 2022; pp. 394–401. [Google Scholar] [CrossRef]
- Manjunath, K.; Pandya, V. Single-loop control of grid-tied synchronverter for the desired power injection. In Proceedings of the 2022 IEEE International Power and Renewable Energy Conference (IPRECON), Kollam, India, 16–18 December 2022; IEEE: Piscataway, NJ, USA, 2022; pp. 1–5. [Google Scholar] [CrossRef]
- Lorenzetti, P.; Reissner, F.; Weiss, G. An internal model for tracking a sinusoidal reference with unknown frequency and uncertain plant. In Proceedings of the 2022 IEEE 61st Conference on Decision and Control (CDC), Cancun, Mexico, 6–9 December 2022; IEEE: Piscataway, NJ, USA, 2022; pp. 2525–2531. [Google Scholar] [CrossRef]
- Wang, M.; Mostajeran, E.; Ebrahimi, S.; Jatskevich, J. An Improved Droop Controller for Virtual Synchronous Generators. In Proceedings of the 2022 IEEE Electrical Power and Energy Conference (EPEC), Victoria, BC, Canada, 5–7 December 2022; IEEE: Piscataway, NJ, USA, 2022; pp. 273–277. [Google Scholar] [CrossRef]
- Lorenzetti, P.; Weiss, G. A variable frequency internal model controller inspired by synchronverter theory. In Proceedings of the 2022 American Control Conference (ACC), Atlanta, GA, USA, 8–10 June 2022; IEEE: Piscataway, NJ, USA, 2022; pp. 715–720. [Google Scholar] [CrossRef]
- Yin, H.; Kustanovich, Z.; Weiss, G. Attenuation of power system oscillations by using virtual damper windings. In Proceedings of the 2022 IEEE 23rd Workshop on Control and Modeling for Power Electronics (COMPEL), Tel Aviv, Israel, 20–23 June 2022; IEEE: Piscataway, NJ, USA, 2022; pp. 1–6. [Google Scholar] [CrossRef]
- Utkarsha, P.; Swami Naidu, N.K.; Sivaprasad, B.; Yalla, N. Synchronverter based Multifunctional UPQC for Distributed Generation Applications. In Proceedings of the 2023 IEEE International Conference on Power Electronics, Smart Grid, and Renewable Energy (PESGRE), Trivandrum, India, 17–20 December 2023; IEEE: Piscataway, NJ, USA, 2023; pp. 1–6. [Google Scholar] [CrossRef]
- Mercado–Uribe, A.; Mendoza-Ávila, J.; Efimov, D.; Schiffer, J. A Control Leonov Function Guaranteeing Global ISS of Two Coupled Synchronverters. In Proceedings of the 2023 62nd IEEE Conference on Decision and Control (CDC), Singapore, 13–15 December 2023; IEEE: Piscataway, NJ, USA, 2023; pp. 4580–4585. [Google Scholar] [CrossRef]
- Chen, S.; Xia, X.; Jiang, L.; Zhang, Y. Power Oscillation Suppression Method for Multi-Parallel Synchronverters. In Proceedings of the 2023 8th International Conference on Power and Renewable Energy (ICPRE), Shanghai, China, 22–25 September 2023; IEEE: Piscataway, NJ, USA, 2023; pp. 468–473. [Google Scholar] [CrossRef]
- Gluščević, J.; Janda, Ž.; Dragosavac, J.; Ristić, L. Enhancing Stability of Grid-Following Inverter for Renewables. In Proceedings of the 2023 22nd International Symposium on Power Electronics (Ee), Novi Sad, Serbia, 25–28 October 2023; IEEE: Piscataway, NJ, USA, 2023; pp. 1–6. [Google Scholar] [CrossRef]
- Yin, H.; Wang, S.; Zhou, Z. Synchronverters with a Virtual Oscillator to Attenuate Power Oscillations. IEEE J. Emerg. Sel. Top. Power Electron. 2024, 12, 1303–1310. [Google Scholar] [CrossRef]
- Sonawane, A.; Umarikar, A. Small-Signal Stability Analysis of PV-Based Synchronverter Including PV Operating Modes and DC-Link Voltage Controller. IEEE Trans. Ind. Electron. 2022, 69, 8028–8039. [Google Scholar] [CrossRef]
- Sonawane, A.J.; Umarikar, A.C. Three-Phase Single-Stage Photovoltaic System with Synchronverter Control: Power System Simulation Studies. IEEE Access 2022, 10, 23408–23424. [Google Scholar] [CrossRef]
- Yap, K.Y.; Lim, J.M.Y.; Sarimuthu, C.R. A novel adaptive virtual inertia control strategy under varying irradiance and temperature in grid-connected solar power system. Int. J. Electr. Power Energy Syst. 2021, 132, 107180. [Google Scholar] [CrossRef]
- Montalvo, E.T.; Sanchez, V.M.; Ramirez, J.M. Synchronverter assessment for the frequency regulation of control areas encompassing Renewable Distributed Generation. Int. J. Hydrogen Energy 2021, 46, 26138–26151. [Google Scholar] [CrossRef]
- Schulze, W.; Zajadatz, M.; Suriyah, M.; Leibfried, T. Emulation of grid-forming inverters using real-time PC and 4-quadrant voltage amplifier. Forsch. Im Ingenieurwesen 2021, 85, 425–430. [Google Scholar] [CrossRef]
- Zhang, Y.; Sun, Q.; Zhou, J.; Li, L.; Wang, P.; Guerrero, J.M. Coordinated Control of Networked AC/DC Microgrids with Adaptive Virtual Inertia and Governor-Gain for Stability Enhancement. IEEE Trans. Energy Convers. 2021, 36, 95–110. [Google Scholar] [CrossRef]
- Hariharan, R.; Mishra, M.K. Analysis and design of gradient descent based pre-synchronization control for synchronverter. IET Renew. Power Gener. 2021, 15, 297–312. [Google Scholar] [CrossRef]
- Marthi, P.R.V.; Debnath, S.; Crow, M.L. Synchronverter-based Control of Multi-Port Autonomous Reconfigurable Solar Plants (MARS). In Proceedings of the 2020 IEEE Energy Conversion Congress and Exposition (ECCE), Detroit, MI, USA, 11–15 October 2020; IEEE: Piscataway, NJ, USA, 2020; pp. 5019–5026. [Google Scholar] [CrossRef]
- Dokus, M.; Mertens, A. Sequence Impedance Characteristics of Grid-Feeding Converters. In Proceedings of the 2020 IEEE 9th International Power Electronics and Motion Control Conference (IPEMC2020-ECCE Asia), Nanjing, China, 29 November–2 December 2020; IEEE: Piscataway, NJ, USA, 2020; pp. 1216–1223. [Google Scholar] [CrossRef]
- Li, S.; Wu, S.; Xiang, S.; Zhang, Y.; Guerrero, J.M.; Vasquez, J.C. Research on Synchronverter-Based Regenerative Braking Energy Feedback System of Urban Rail Transit. Energies 2020, 13, 4418. [Google Scholar] [CrossRef]
- Rosso, R.; Engelken, S.; Liserre, M. Robust Stability Investigation of the Interactions Among Grid-Forming and Grid-Following Converters. IEEE J. Emerg. Sel. Top. Power Electron. 2020, 8, 991–1003. [Google Scholar] [CrossRef]
- Shuai, Z.; Huang, W.; Shen, Z.J.; Luo, A.; Tian, Z. Active Power Oscillation and Suppression Techniques Between Two Parallel Synchronverters During Load Fluctuations. IEEE Trans. Power Electron. 2020, 35, 4127–4142. [Google Scholar] [CrossRef]
- Liaw, M.J.Y.; Sarimuthu, C.R. Development of a synchronverter for a grid connected photovoltaic system. IOP Conf. Ser. Mater. Sci. Eng. 2020, 767, 012046. [Google Scholar] [CrossRef]
- Dong, S.; Jiang, J.; Chen, Y.C. Analysis of Synchronverter Self-Synchronization Dynamics to Facilitate Parameter Tuning. IEEE Trans. Energy Convers. 2020, 35, 11–23. [Google Scholar] [CrossRef]
- Rodriguez-Cabero, A.; Roldan-Perez, J.; Prodanovic, M. Virtual Impedance Design Considerations for Virtual Synchronous Machines in Weak Grids. IEEE J. Emerg. Sel. Top. Power Electron. 2020, 8, 1477–1489. [Google Scholar] [CrossRef]
- Ghosh, R.; Tummuru, N.R.; Rajpurohit, B.S.; Monti, A. Virtual Inertia from Renewable Energy Sources: Mathematical Representation and Control Strategy. In Proceedings of the 2020 IEEE International Conference on Power Electronics, Smart Grid and Renewable Energy (PESGRE2020), Cochin, India, 2–4 January 2020; IEEE: Piscataway, NJ, USA, 2020; pp. 1–6. [Google Scholar] [CrossRef]
- Ferreira, R.V.; Silva, S.M.; Antunes, H.M.A.; Venkataramanan, G. Dynamic Analysis of Grid-Connected Droop-Controlled Converters and Synchronverters. J. Control. Autom. Electr. Syst. 2019, 30, 741–753. [Google Scholar] [CrossRef]
- Rosso, R.; Engelken, S.; Liserre, M. Analysis of the Parallel Operation Between Synchronverters and PLL-Based Converters. In Proceedings of the 2019 IEEE Energy Conversion Congress and Exposition (ECCE), Baltimore, MD, USA, 29 September–3 October 2019; IEEE: Piscataway, NJ, USA, 2019; pp. 2583–2590. [Google Scholar] [CrossRef]
- Li, H.; Zhang, X.; Shao, T.; Zheng, T.Q. Flexible Inertia Optimization for Single-Phase Voltage Source Inverter Based on Hold Filter. IEEE J. Emerg. Sel. Top. Power Electron. 2019, 7, 1300–1310. [Google Scholar] [CrossRef]
- Roldan-Perez, J.; Rodriguez-Cabero, A.; Prodanovic, M. Harmonic Virtual Impedance Design for Parallel-Connected Grid-Tied Synchronverters. IEEE J. Emerg. Sel. Top. Power Electron. 2019, 7, 493–503. [Google Scholar] [CrossRef]
- Younis, T.; Ismeil, M.; Hussain, E.K.; Orabi, M. Improved single-phase self-synchronised synchronverter with enhanced dynamics and current limitation capability. IET Power Electron. 2019, 12, 337–344. [Google Scholar] [CrossRef]
- Shao, T.; Zheng, T.Q.; Li, H.; Zhang, X. Parameter design and hot seamless transfer of single-phase synchronverter. Electr. Power Syst. Res. 2018, 160, 63–70. [Google Scholar] [CrossRef]
- Natarajan, V.; Weiss, G. Almost global asymptotic stability of a grid-connected synchronous generator. Math. Control. Signals Syst. 2018, 30, 10. [Google Scholar] [CrossRef]
- Brahma, A.R.; Kumaravel, S.; Thomas, V.; Ashok, S. Impact of System Parameters on the Performance of Synchronverter. In Proceedings of the 2019 IEEE Region 10 Symposium (TENSYMP), Kolkata, India, 7–9 June 2019; IEEE: Piscataway, NJ, USA, 2019; pp. 120–125. [Google Scholar] [CrossRef]
- Zhang, Y.; Wu, S.; Yang, P.; Xiang, S.; Li, S.; He, S. Research on Parallel Operation of Virtual Synchronous Generators in Microgrid. In Proceedings of the 2019 14th IEEE Conference on Industrial Electronics and Applications (ICIEA), Xi’an, China, 19–21 June 2019; IEEE: Piscataway, NJ, USA, 2019; pp. 1659–1664. [Google Scholar] [CrossRef]
- He, L.; Huang, W.; Shuai, Z.; Shen, Z.J. An asymmetrical fault current calculation method of synchronverter. In Proceedings of the 2019 IEEE Applied Power Electronics Conference and Exposition (APEC), Anaheim, CA, USA, 17–21 March 2019; IEEE: Piscataway, NJ, USA, 2019; pp. 1805–1809. [Google Scholar] [CrossRef]
- Trujillo, M.D.; Mendez, S.; Ramos, G.; Camarillo-Penaranda, J.; Jurado, E. Real-time Simulation of Synchronverter Connected to the Main Grid. In Proceedings of the 2019 IEEE Workshop on Power Electronics and Power Quality Applications (PEPQA), Manizales, Colombia, 30–31 May 2019; IEEE: Piscataway, NJ, USA, 2019; pp. 1–7. [Google Scholar] [CrossRef]
- Kustanovich, Z.; Weiss, G. Synchronverter based photovoltaic inverter. In Proceedings of the 2018 IEEE International Conference on the Science of Electrical Engineering in Israel (ICSEE), Eilat, Israel, 12–14 December 2018; IEEE: Piscataway, NJ, USA, 2018; pp. 1–5. [Google Scholar] [CrossRef]
- Kumaravel, S.; Thomas, V.; Vijay Kumar, T.; Ashok, S. Development of the synchronverter for green energy integration. In Distributed Energy Resources in Microgrids; Elsevier: Amsterdam, The Netherlands, 2019; pp. 343–356. [Google Scholar] [CrossRef]
- Chowdhury, A.; Alam, M.S.; Dey, S.; Ayman, A. Design of a Compact 600VA Sinusoidal Inverter with Battery Storage System. In Proceedings of the 2018 International Conference on Innovations in Science, Engineering and Technology (ICISET), Chittagong, Bangladesh, 27–28 October 2018; IEEE: Piscataway, NJ, USA, 2018; pp. 13–18. [Google Scholar] [CrossRef]
- Barbosa, D.; Ramos, J.; Rodrigues, J.; Lopes, A.; Esteves Araujo, R. A Practical Comparison of Two Algorithms for Inverter Control with Virtual Inertia Emulation. In Proceedings of the 2018 Power Systems Computation Conference (PSCC), Dublin, Ireland, 11–15 June 2018; IEEE: Piscataway, NJ, USA, 2018; pp. 1–7. [Google Scholar] [CrossRef]
- Roldan-Perez, J.; Prodanovic, M.; Rodriguez-Cabero, A.; Guerrero, J.; Garcia-Cerrada, A. Finite-gain-current repetitive controller for synchronverters with harmonic-sharing capabilities. In Proceedings of the 2018 18th International Conference on Harmonics and Quality of Power (ICHQP), Ljubljana, Slovenia, 13–16 May 2018; IEEE: Piscataway, NJ, USA, 2018; pp. 1–6. [Google Scholar] [CrossRef]
- Younis, T.; Ismeil, M.; Orabi, M.; Hussain, E.K. A single-phase self-synchronized synchronverter with bounded droop characteristics. In Proceedings of the 2018 IEEE Applied Power Electronics Conference and Exposition (APEC), San Antonio, TX, USA, 4–8 March 2018; IEEE: Piscataway, NJ, USA, 2018; pp. 1624–1629. [Google Scholar] [CrossRef]
- Kumar, T.V.; Thomas, V.; Kumaravel, S.; Ashok, S. Performance of virtual synchronous machine in autonomous mode of operation. In Proceedings of the 2018 5th International Conference on Renewable Energy: Generation and Applications (ICREGA), Al Ain, United Arab Emirates, 25–28 February 2018; IEEE: Piscataway, NJ, USA, 2018; pp. 310–314. [Google Scholar] [CrossRef]
- Busada, C.A.; Jorge, S.G.; Solsona, J.A. Shaping the Transient Behavior of Synchronverters. IEEE Trans. Energy Convers. 2023, 38, 735–738. [Google Scholar] [CrossRef]
- Li, G.; Ma, F.; Wu, C.; Li, M.; Guerrero, J.M.; Wong, M.C. A Generalized Harmonic Compensation Control Strategy for Mitigating Subsynchronous Oscillation in Synchronverter Based Wind Farm Connected to Series Compensated Transmission Line. IEEE Trans. Power Syst. 2023, 38, 2610–2620. [Google Scholar] [CrossRef]
- Gawande, S.P.; Meshram, P.M.; Chaturvedi, P.; Daigavane, M.B. An Investigations on Design Dynamics of Synchronverter for P, Q and Frequency Control. In Proceedings of the 2022 IEEE International Conference on Power Electronics, Drives and Energy Systems (PEDES), Jaipur, India, 14–17 December 2022; IEEE: Piscataway, NJ, USA, 2022; pp. 1–6. [Google Scholar] [CrossRef]
- Pawar, R.R.; Jain, T. Controller Hardware-In-Loop Validation of Synchronverter in Islanded Microgrid. In Proceedings of the 2022 22nd National Power Systems Conference (NPSC), New Delhi, India, 17–19 December 2022; IEEE: Piscataway, NJ, USA, 2022; pp. 260–265. [Google Scholar] [CrossRef]
- Azuara-Grande, L.S.; Gonzalez-Longatt, F.; Tricarico, G.; Wagle, R.; Arnaltes, S.; Granizo, R. Real-Time Implementation of Two Grid-Forming Power Converter Controls to Emulate Synchronous Generators. In Proceedings of the 2022 IEEE Biennial Congress of Argentina (ARGENCON), San Juan, Argentina, 7–9 September 2022; IEEE: Piscataway, NJ, USA, 2022; pp. 1–6. [Google Scholar] [CrossRef]
- Sütő, B.; Divényi, D.; Raisz, D. Comparison and specification-based tuning of two grid-forming inverter controllers providing inertia. In Proceedings of the 2022 IEEE 13th International Symposium on Power Electronics for Distributed Generation Systems (PEDG), Kiel, Germany, 26–29 June 2022; IEEE: Piscataway, NJ, USA, 2022; pp. 1–6. [Google Scholar] [CrossRef]
- Farkas, C.; Divenyi, D.; Arnold, A.; Suto, B.; Raisz, D. Extended synchronverter model for PHIL simulation in grid-connected and islanded operation. In Proceedings of the 2022 IEEE 13th International Symposium on Power Electronics for Distributed Generation Systems (PEDG), Kiel, Germany, 26–29 June 2022; IEEE: Piscataway, NJ, USA, 2022; pp. 1–6. [Google Scholar] [CrossRef]
- Medina, G.N.I.; Bandeira, C.M.; Azevedo, G.M.S.; Limongi, L.R.; Bradaschia, F.; Barbosa, E.J. Comparative Study of Microgrid Power-Sharing Techniques Based on Synchronous Machine Emulation Carried Out in Real-Time Simulation. In Proceedings of the 2023 IEEE 8th Southern Power Electronics Conference and 17th Brazilian Power Electronics Conference (SPEC/COBEP), Florianopolis, Brazil, 26–29 November 2023; IEEE: Piscataway, NJ, USA, 2023; pp. 1–8. [Google Scholar] [CrossRef]
- Weber, P.; Schulze, W.; Pawlowski, P.; Suriyah, M.; Leibfried, T. Grid-forming synchronverter-based control method with current limiting method for grid-side converters of type 4 wind power plants. In Proceedings of the 22nd Wind and Solar Integration Workshop (WIW 2023), Copenhagen, Denmark, 26–28 September 2023; Institution of Engineering and Technology: London, UK, 2023; pp. 422–429. [Google Scholar] [CrossRef]
- Maurya, S.S.; Jain, T.; Umarikar, A.C. Small-Signal Stability Analysis of Synchronverter-Based AC Microgrid in Islanded Mode. In Lecture Notes in Electrical Engineering; Springer: Singapore, 2024; Volume 1099, pp. 315–334. [Google Scholar] [CrossRef]
- Zare Ghaleh Seyyedi, A.; Mahmoudi Rashid, S.; Akbari, E.; Nejati, S.A.; Khalafian, F.; Siano, P. Co-planning of generation and transmission expansion planning for network resiliency improvement against extreme weather conditions and uncertainty of resiliency sources. IET Gener. Transm. Distrib. 2022, 16, 4830–4845. [Google Scholar] [CrossRef]
- Yari, S.; Khatibi, M. Damping Improvement of Inter-Area Oscillations Using Large-Scale Wind Farms. In Proceedings of the 7th Iran Wind Energy Conference (IWEC2021), Shahrood, Iran, 17–18 May 2021; IEEE: Piscataway, NJ, USA, 2021; pp. 1–5. [Google Scholar] [CrossRef]
- Yan, W.; Cheng, L.; Yan, S.; Gao, W.; Gao, D.W. Enabling and Evaluation of Inertial Control for PMSG-WTG Using Synchronverter with Multiple Virtual Rotating Masses in Microgrid. IEEE Trans. Sustain. Energy 2020, 11, 1078–1088. [Google Scholar] [CrossRef]
- Karray, I.; Kilani, K.B.; Elleuch, M. Advanced Controls for Wind Power Plant Ancillary Services. In Lecture Notes in Electrical Engineering; Springer International Publishing: Berlin, Germany, 2019; Volume 522, pp. 277–292. [Google Scholar] [CrossRef]
- Ebrahimi, H.; Yazdaninejadi, A.; Golshannavaz, S. Transient stability enhancement in multiple-microgrid networks by cloud energy storage system alongside considering protection system limitations. IET Gener. Transm. Distrib. 2022, 17, 1816–1826. [Google Scholar] [CrossRef]
- Hansen, J.B.B.; Osterfelt, S.T.; Randewijk, P.J. The Use of Synchronverters for Fast Frequency Response and Automatic Voltage Regulation in Low Inertia Islanded Power Networks. In Proceedings of the 2021 56th International Universities Power Engineering Conference (UPEC), Middlesbrough, UK, 31 August–3 September 2021; IEEE: Piscataway, NJ, USA, 2021; pp. 1–6. [Google Scholar] [CrossRef]
- Vetoshkin, L.; Müller, Z. A comparative analysis of a power system stability with virtual inertia. Energies 2021, 14, 3277. [Google Scholar] [CrossRef]
- Vetoshkin, L.; Muller, Z. Dynamic Stability Improvement of Power System by Means of STATCOM with Virtual Inertia. IEEE Access 2021, 9, 116105–116114. [Google Scholar] [CrossRef]
- Elshenawy, M.A.; Abdelkader, S.M.; Amin, A.A.; Farghal, S.A. Improved plug–play SV with virtual inertia for enhancing the stability of high RES-penetrated grids. IET Smart Grid 2019, 2, 571–580. [Google Scholar] [CrossRef]
- Blau, M.; Weiss, G. Synchronverters used for damping inter-area oscillations in two-area power systems. Renew. Energy Power Qual. J. 2018, 1, 45–50. [Google Scholar] [CrossRef]
- Dong, S.; Chen, C. Analysis of Feasible Synchronverter Pole-Placement Region to Facilitate Parameter Tuning. IEEE Trans. Energy Convers. 2021, 36, 2782–2793. [Google Scholar] [CrossRef]
- Chowdhury, V.R.; Divan, D. Lyapunov energy function based direct power control of synchronverters under unbalanced grid voltage conditions. In Proceedings of the 2021 IEEE Energy Conversion Congress and Exposition (ECCE), Vancouver, BC, Canada, 10–14 October 2021; IEEE: Piscataway, NJ, USA, 2021; pp. 992–999. [Google Scholar] [CrossRef]
- Moulichon, A.; Debusschere, V.; Garbuio, L.; Rahmani, M.A.; Alamir, M.; Hadjsaid, N. Standardization tests for the industrialization of grid-friendly Virtual Synchronous Generators. Bull. Pol. Acad. Sci. Tech. Sci. 2020, 68, 679–688. [Google Scholar] [CrossRef]
- Karray, I.; Aouini, R.; Ben Kilani, K.; Elleuch, M.; Tran Quoc, T. Advanced Controls of HVDC Interconnection for Ancillary Services Support. In Proceedings of the 2020 17th International Multi-Conference on Systems, Signals & Devices (SSD), Monastir, Tunisia, 20–23 July 2020; IEEE: Piscataway, NJ, USA, 2020; pp. 59–64. [Google Scholar] [CrossRef]
- Pola, S.; Azzouz, M.A. Optimal Protection Coordination of Active Distribution Networks with Synchronverters. IEEE Access 2022, 10, 75105–75116. [Google Scholar] [CrossRef]
- de Oliveira, J.D.A.; Lima, F.K.d.A.; Tofoli, F.L.; Branco, C.G.C. Synchronverter-based frequency control technique applied in wind energy conversion systems based on the doubly-fed induction generator. Electr. Power Syst. Res. 2023, 214, 108820. [Google Scholar] [CrossRef]
- Chowdhury, V.R.; An, Z.; Kandula, R.P.; Divan, D.M. Operation and control of Soft Switching Solid State Transformer as a Virtual Synchronous Machine for Photovoltaic application. In Proceedings of the 2022 IEEE Energy Conversion Congress and Exposition (ECCE), Detroit, MI, USA, 9–13 October 2022; IEEE: Piscataway, NJ, USA, 2022; pp. 1–6. [Google Scholar] [CrossRef]
- Gonzalez-Longatt, F.M.; Rueda, J.L.; Palensky, P.; Chamorro, H. Investigations of the Virtual Impedance Control Mode of Synchronverter in the Power Swing. In Proceedings of the 2022 International Conference on Smart Energy Systems and Technologies (SEST), Eindhoven, The Netherlands, 5–7 September 2022; IEEE: Piscataway, NJ, USA, 2022; pp. 1–6. [Google Scholar] [CrossRef]
- Abid, M.S.; Ahshan, R.; Al Abri, R.; Al-Badi, A.; Albadi, M. Photovoltaic unit allocation in synchronverter-integrated microgrids. In Proceedings of the 2023 6th International Conference on Electrical Information and Communication Technology (EICT), Khulna, Bangladesh, 7–9 December 2023; IEEE: Piscataway, NJ, USA, 2023; pp. 1–5. [Google Scholar] [CrossRef]
- Araújo de Oliveira, J.D.; Lima, F.K.d.A.; Castelo Branco, C.G. Synchronverter with Virtual Resistor-Based Frequency Control Technique Applied in Doubly-Fed Induction Generator. In Proceedings of the 2023 IEEE 8th Southern Power Electronics Conference and 17th Brazilian Power Electronics Conference (SPEC/COBEP), Florianopolis, Brazil, 26–29 November 2023; IEEE: Piscataway, NJ, USA, 2023; pp. 1–7. [Google Scholar] [CrossRef]
- Alkhamis, B.T.; Al-Odienat, A. The Application of Synchronverter for the Enhancement of Power System Stability. In Proceedings of the 2023 IEEE Jordan International Joint Conference on Electrical Engineering and Information Technology (JEEIT), Amman, Jordan, 22–24 May 2023; IEEE: Piscataway, NJ, USA, 2023; pp. 44–49. [Google Scholar] [CrossRef]
- Akbari, E.; Zare Ghaleh Seyyedi, A. Improving Power Quality of a Hybrid Grid-Connected Photovoltaic–Wind Microgrid Using Shunt Active Power Filter and Distribution Static Synchronous Compensator. Int. Trans. Electr. Energy Syst. 2024, 2024. [Google Scholar] [CrossRef]
- Kim, K.R.; Lee, S.; Lee, J.P.; Kang, J. An Enhanced Control Strategy for Mitigation of State-Transition Oscillation Phenomena in Grid-Forming Self-Synchronized Converter System with Islanded Power System. Energies 2021, 14, 8453. [Google Scholar] [CrossRef]
- Dong, S.; Chen, Y.C. A Fast Self-synchronizing Synchronverter Design with Easily Tuneable Parameters. In Proceedings of the 2018 IEEE Power & Energy Society General Meeting (PESGM), Portland, OR, USA, 5–10 August 2018; IEEE: Piscataway, NJ, USA, 2018; pp. 1–5. [Google Scholar] [CrossRef]
- R, H.; Mishra, M. An Integrated Control of Enhanced-PLL and Synchronverter for Unbalanced Grid. IEEE Trans. Ind. Appl. 2022, 58, 2206–2216. [Google Scholar] [CrossRef]
- Naeem, M.; Ashraf, M.; Khan, U.A. A robust auto-synchronizer for synchronverter. Comput. Electr. Eng. 2022, 98, 107661. [Google Scholar] [CrossRef]
- Tan, Y.; Shen, X.; Xu, M. Pre-Synchronization Control Strategy for Grid Connection of Synchronverter Cluster. In Proceedings of the 2021 IEEE 4th International Electrical and Energy Conference (CIEEC), Wuhan, China, 28–30 May 2021; IEEE: Piscataway, NJ, USA, 2021; pp. 1–6. [Google Scholar] [CrossRef]
- Chandrakar, P.; Saha, S.; Das, P.; Singh, A.; Debbarma, S. Grid Integration of PV System Using Synchronverter. In Proceedings of the 2018 Internat2018 International Conference on Computation of Power, Energy, Information and Communication (ICCPEIC)ional conference on computation of power, energy, Information and Communication (ICCPEIC), Chennai, India, 28–29 March 2018; IEEE: Piscataway, NJ, USA, 2018; pp. 237–242. [Google Scholar] [CrossRef]
- Hariharan, R.; Mishra, M.K. An Inbuilt Synchronization Controller for Three-Phase Synchronverters. In Proceedings of the 2018 IEEE International Conference on Power Electronics, Drives and Energy Systems (PEDES), Chennai, India, 18–21 December 2018; IEEE: Piscataway, NJ, USA, 2018; pp. 1–6. [Google Scholar] [CrossRef]
- Manoj, S.; Pradeep Kumar, S.; Ashok Babu, N. Automatic Synchronverter: Inverter Lacking a Devoted Synchronization Unit. Int. J. Eng. Technol. 2018, 7, 20. [Google Scholar] [CrossRef]
- Rashid, U.; Muzzammel, R. Operational Analysis of a Power Electronic Converter as a Virtual Synchronous Machine. In Proceedings of the 2023 2nd International Conference on Emerging Trends in Electrical, Control, and Telecommunication Engineering (ETECTE), Lahore, Pakistan, 27–29 November 2023; IEEE: Piscataway, NJ, USA, 2023; pp. 1–6. [Google Scholar] [CrossRef]
- Vasudevan, K.R.; Ramachandaramurthy, V.K.; Venugopal, G.; Guerrero, J.M.; Ekanayake, J.B.; Tiong, S.K. Variable-Speed PICO Hydel Energy Storage with Synchronverter Control to Emulate Virtual Inertia in Autonomous Microgrids. IEEE Syst. J. 2022, 16, 452–463. [Google Scholar] [CrossRef]
- Vasudevan, K.R.; Ramachandaramurthy, V.K.; Venugopal, G.; Guerrero, J.M. Hybridization of battery with pico hydel for frequency regulation of microgrids using synchronverter control. IET Renew. Power Gener. 2022, 16, 274–286. [Google Scholar] [CrossRef]
- Silva Junior, G.P.d.; Barros, L.S.; Barros, C.M.V. Synchronverter coupled to a lithium-ion bank for grid frequency and voltage supports and controlled charge-discharge. Electr. Power Syst. Res. 2021, 197, 107352. [Google Scholar] [CrossRef]
- Chen, J.; Liu, M.; Guo, R.; Zhao, N.; Milano, F.; O’Donnell, T. Co-ordinated grid forming control of AC-side-connected energy storage systems for converter-interfaced generation. Int. J. Electr. Power Energy Syst. 2021, 133, 107201. [Google Scholar] [CrossRef]
- Høstmark, H.; Amin, M. Small-signal modeling and tuning of Synchronverter-based wind energy conversion systems. Int. Trans. Electr. Energy Syst. 2021, 31, 1–21. [Google Scholar] [CrossRef]
- V Marthi, P.R.; Debnath, S.; Xia, Q.; Crow, M.L. Model Based Predictive Control for Frequency Support in Multi-port Autonomous Reconfigurable Solar Plants. In Proceedings of the 2021 IEEE Power & Energy Society Innovative Smart Grid Technologies Conference (ISGT), Washington, DC, USA, 16–18 February 2021; IEEE: Piscataway, NJ, USA, 2021; pp. 1–5. [Google Scholar] [CrossRef]
- Sharma, N.; Buwa, O.N.; Thakre, M.P. Dynamic Phasor Modeling of Single Phase Roof Top PV with Synchronverter Control. In Proceedings of the 2020 Third International Conference on Advances in Electronics, Computers and Communications (ICAECC), Bengaluru, India, 11–12 December 2020; IEEE: Piscataway, NJ, USA, 2020; pp. 1–6. [Google Scholar] [CrossRef]
- Sharma, N.; Buwa, O.N.; Thakre, M.P. Transient Response Analysis of a Single Phase Roof Top PV with Synchronverter Control. In Proceedings of the 2020 International Conference on Power, Energy, Control and Transmission Systems (ICPECTS), Chennai, India, 10–11 December 2020; IEEE: Piscataway, NJ, USA, 2020; pp. 1–6. [Google Scholar] [CrossRef]
- Perveen, R.; Hassan, A.; Awais, M. A synchronverter-based static synchronous compensator approach to compensate nonlinear loads in wind integrated power system. Int. Trans. Electr. Energy Syst. 2020, 30, 1–15. [Google Scholar] [CrossRef]
- Gunther, K.; Sourkounis, C. Investigation of Virtual Synchronous Machine Control for the Grid-Side Converter of Wind Turbines with Permanently Excited Synchronous Generator. In Proceedings of the IECON 2019—45th Annual Conference of the IEEE Industrial Electronics Society, Lisbon, Portugal, 14–17 October 2019; IEEE: Piscataway, NJ, USA, 2019; pp. 2395–2401. [Google Scholar] [CrossRef]
- Nair, N.R.; Kanakasabapathy, D.P. A Three Phase Grid Connected SPV System using Synchronverter. In Proceedings of the 2018 8th IEEE India International Conference on Power Electronics (IICPE), Jaipur, India, 13–15 December 2018; IEEE: Piscataway, NJ, USA, 2018; pp. 1–6. [Google Scholar] [CrossRef]
- Chen, W.; Liu, B.; Nazir, M.S.; Abdalla, A.N.; Mohamed, M.A.; Ding, Z.; Bhutta, M.S.; Gul, M. An Energy Storage Assessment: Using Frequency Modulation Approach to Capture Optimal Coordination. Sustainability 2022, 14, 8510. [Google Scholar] [CrossRef]
- Neupane, D.; Gurung, S.; Neupane, S.; Bhattarai, N. Power Sharing in Solar PV: Microhydro Hybrid System Using Power Angle Control Strategy. J. Control. Autom. Electr. Syst. 2023, 34, 166–176. [Google Scholar] [CrossRef]
- Frasetyo, M.B.; Wijaya, F.D.; Ali, H.R. Islanded Wind Farm Microgrid Stability Control using Synchronverter Algorithm. IEEJ J. Ind. Appl. 2023, 12, 22007270. [Google Scholar] [CrossRef]
- Vilmann, B.; Randewijk, P.J.; Jóhannsson, H.; Hjerrild, J.; Khalil, A. Frequency and Voltage Compliance Capabilities of Grid-Forming Wind Turbines in Offshore Wind Farms in Weak AC Grids. Electronics 2023, 12, 1114. [Google Scholar] [CrossRef]
- Mohamed, M.; Dubuisson, F.; Beram, B.S.; Rezkallah, M.; Hamadi, A.; Chandra, A. Combination of the Synchronverter with Droop Control for Hybrid OFF-grid System. In Proceedings of the 2022 IEEE International Conference on Power Electronics, Drives and Energy Systems (PEDES), Jaipur, India, 14–17 December 2022; IEEE: Piscataway, NJ, USA, 2022; pp. 1–4. [Google Scholar] [CrossRef]
- Vilmann, B.; Hjerrild, J.; Randewijk, P.J.; Khalil, A. Frequency and Voltage Compliance Capability of Grid-Forming Wind Turbines in Offshore Wind Farms in Weak Grids with a Power Imbalance. In Proceedings of the 2022 57th International Universities Power Engineering Conference (UPEC), Istanbul, Turkey, 30 August–2 September 2022; IEEE: Piscataway, NJ, USA, 2022; pp. 1–8. [Google Scholar] [CrossRef]
- Frasetyo, M.B.; Danang Wijaya, F.; Firmansyah, E. Islanded Wind Farm Microgrid Stability Control Using Synchronverter Algorithm. In Proceedings of the 2022 International Power Electronics Conference (IPEC-Himeji 2022- ECCE Asia), Himeji, Japan, 15–19 May 2022; IEEE: Piscataway, NJ, USA, 2022; pp. 1567–1572. [Google Scholar] [CrossRef]
- Yap, K.Y.; Hon, H.Y.; Sarimuthu, C.R. Grid Integration of Solar Power System Using Synchronverter-Based Energy Storage System. Appl. Sol. Energy 2022, 58, 444–457. [Google Scholar] [CrossRef]
- Marthi, P.R.V.; Debnath, S.; Xia, Q. Fidelity Analysis of Complex Large-Scale Simulation Models of PEs (MARS) in Future Power Grids. In Proceedings of the 2023 IEEE 24th Workshop on Control and Modeling for Power Electronics (COMPEL), Ann Arbor, MI, USA, 25–28 June 2023; IEEE: Piscataway, NJ, USA, 2023; pp. 1–8. [Google Scholar] [CrossRef]
- Lorenzetti, P.; Kustanovich, Z.; Shivratri, S.; Weiss, G. The Equilibrium Points and Stability of Grid-Connected Synchronverters. IEEE Trans. Power Syst. 2022, 37, 1184–1197. [Google Scholar] [CrossRef]
- Franca, B.W.; Aredes, M.; Silva, L.F.d.; Gontijo, G.F.; Tricarico, T.C.; Posada, J. An Enhanced Shunt Active Filter Based on Synchronverter Concept. IEEE J. Emerg. Sel. Top. Power Electron. 2022, 10, 494–505. [Google Scholar] [CrossRef]
- Gonzalez-Longatt, F.; Rueda, J.L.; Palensky, P.; Chamorro, H.R.; Abdellah, K. Comparative Performance of Inverted-Based Generation using Synchonverter during Transient Stability Conditions. In Proceedings of the 2022 5th International Conference on Power Electronics and their Applications (ICPEA), Hail, Saudi Arabia, 29–31 March 2022; IEEE: Piscataway, NJ, USA, 2022; pp. 1–7. [Google Scholar] [CrossRef]
- Xu, R.; Wu, S.; Xiang, S.; Zhou, Y.; Xiang, B.; Huang, K. An Optimization Method of Virtual Synchronous Generators Parameter Design Based on Power Equivalent Model. In Proceedings of the 2022 5th International Conference on Energy, Electrical and Power Engineering (CEEPE), Chongqing, China, 22–24 April 2022; IEEE: Piscataway, NJ, USA, 2022; pp. 663–669. [Google Scholar] [CrossRef]
- Busada, C.A.; Gomez Jorge, S.; Solsona, J.A. Feedback Linearization of a grid-tied Synchronverter. IEEE Trans. Ind. Electron. 2022, 70, 147–154. [Google Scholar] [CrossRef]
- Lorenzetti, P.; Weiss, G. Saturating PI control of stable nonlinear systems using singular perturbations. IEEE Trans. Autom. Control 2022, 68, 867–882. [Google Scholar] [CrossRef]
- Skinder, K.S.; Kerdphol, T.; Mitani, Y.; Turschner, D. Frequency Stability Assessment of Multiple Virtual Synchronous Generators for Interconnected Power System. IEEE Trans. Ind. Appl. 2022, 58, 91–101. [Google Scholar] [CrossRef]
- Liu, J.; Miura, Y.; Bevrani, H.; Ise, T. A Unified Modeling Method of Virtual Synchronous Generator for Multi-Operation-Mode Analyses. IEEE J. Emerg. Sel. Top. Power Electron. 2021, 9, 2394–2409. [Google Scholar] [CrossRef]
- Hariharan, R.; Mishra, M.K. Analysis of Synchronverter Control with Virtual Impedance During Grid Voltage Variations. In Proceedings of the 2021 IEEE 2nd International Conference on Smart Technologies for Power, Energy and Control (STPEC), Bilaspur, India, 19–22 December 2021; IEEE: Piscataway, NJ, USA, 2021; pp. 1–6. [Google Scholar] [CrossRef]
- Zheng, Q.; Gao, F. An Enhanced Control Strategy of Bidirectional Interlinking Converters in a Hybrid AC/DC Microgrid. In Proceedings of the 2021 IEEE Energy Conversion Congress and Exposition (ECCE), Vancouver, BC, Canada, 10–14 October 2021; IEEE: Piscataway, NJ, USA, 2021; pp. 1087–1094. [Google Scholar] [CrossRef]
- Kustanovich, Z.; Reissner, F.; Shivratri, S.; Weiss, G. The Sensitivity of Grid-Connected Synchronverters with Respect to Measurement Errors. IEEE Access 2021, 9, 118985–118995. [Google Scholar] [CrossRef]
- Vetoshkin, L.; Muller, Z. A comparative study of synchronverter stability. In Proceedings of the 2020 21st International Scientific Conference on Electric Power Engineering (EPE), Prague, Czech Republic, 19–21 October 2020; IEEE: Piscataway, NJ, USA, 2020; pp. 1–6. [Google Scholar] [CrossRef]
- Unamuno, E.; Suul, J.A.; Molinas, M.; Barrena, J.A. Comparative Eigenvalue Analysis of Synchronous Machine Emulations and Synchronous Machines. In Proceedings of the IECON 2019—45th Annual Conference of the IEEE Industrial Electronics Society, Lisbon, Portugal, 14–17 October 2019; IEEE: Piscataway, NJ, USA, 2019; pp. 3863–3870. [Google Scholar] [CrossRef]
- Rosso, R.; Cassoli, J.; Buticchi, G.; Engelken, S.; Liserre, M. Robust Stability Analysis of LCL Filter Based Synchronverter Under Different Grid Conditions. IEEE Trans. Power Electron. 2019, 34, 5842–5853. [Google Scholar] [CrossRef]
- Dong, S.; Chen, Y.C. A Method to Directly Compute Synchronverter Parameters for Desired Dynamic Response. IEEE Trans. Energy Convers. 2018, 33, 814–825. [Google Scholar] [CrossRef]
- Deepak, D.; Raisz, D.; Musa, A.; Ponci, F.; Monti, A. Inertial Control Applied to Synchronverters to Achieve Linear Swing Dynamics. In Proceedings of the 2019 Electric Power Quality and Supply Reliability Conference (PQ) & 2019 Symposium on Electrical Engineering and Mechatronics (SEEM), Kärdla, Estonia, 12–15 June 2019; IEEE: Piscataway, NJ, USA, 2019; pp. 1–6. [Google Scholar] [CrossRef]
- Rosso, R.; Engelken, S.; Liserre, M. Analysis of the Behavior of Synchronverters Operating in Parallel by Means of Component Connection Method (CCM). In Proceedings of the 2018 IEEE Energy Conversion Congress and Exposition (ECCE), Portland, OR, USA, 23–27 September 2018; IEEE: Piscataway, NJ, USA, 2018; pp. 2228–2235. [Google Scholar] [CrossRef]
- Lewis, P.T.; Grainger, B.M. Electro-Thermal Transient Performance Assessment of SiC Based Distributed Generation Inverters when Governed by Virtual Synchronous Machine Control or Conventional dq Control. In Proceedings of the 2018 9th IEEE International Symposium on Power Electronics for Distributed Generation Systems (PEDG), Charlotte, NC, USA, 25–28 June 2018; IEEE: Piscataway, NJ, USA, 2018; pp. 1–6. [Google Scholar] [CrossRef]
- Lorenzetti, P.; Weiss, G. PI control of stable nonlinear plants using projected dynamical systems. Automatica 2022, 146, 110606. [Google Scholar] [CrossRef]
- Segundo Ramírez, J.; Hernández Ramírez, J.; Visairo Cruz, N.; Peña Gallardo, R. Bifurcation Stability Analysis of the Synchronverter in a Microgrid. Energies 2022, 15, 7992. [Google Scholar] [CrossRef]
- Kumar, R.; Chaudhari, M.A.; Chaturvedi, P.; Sekhar, K.S.R. Comparative Analysis of Direct Quadrature (DQ) and Synchonverter Techniques for the Control of 3 − ϕ VSI in AC Micro-Grid. In Proceedings of the 2022 IEEE International Conference on Power Electronics, Drives and Energy Systems (PEDES), Jaipur, India, 14–17 December 2022; IEEE: Piscataway, NJ, USA, 2022; pp. 1–6. [Google Scholar] [CrossRef]
- Yin, H.; Lin, J. Phillips-Heffron model and damping torque analysis of synchronverter. In Proceedings of the 2022 IEEE 20th International Power Electronics and Motion Control Conference (PEMC), Brasov, Romania, 25–28 September 2022; IEEE: Piscataway, NJ, USA, 2022; pp. 137–142. [Google Scholar] [CrossRef]
- Mahafzah, K.A.; Rabab’ah, H.A.; Al-Odienat, A.; Al-Momani, M.; Al-Maitah, K.; Al-Mbaideen, A. The Dynamic Response of SPWM vs. SVPWM Synchronverter. Wseas Trans. Power Syst. 2022, 17, 93–102. [Google Scholar] [CrossRef]
- Maurya, S.S.; Jain, T.; Umarikar, A.C. Small Signal Modelling of Compensator based Virtual Synchronous Generator in Islanded AC Microgrid. In Proceedings of the 2023 International Conference on Circuit Power and Computing Technologies (ICCPCT), Kollam, India, 28–31 October 2018; IEEE: Piscataway, NJ, USA, 2023; pp. 1609–1616. [Google Scholar] [CrossRef]
- Tebib, A.; Boudour, M. Optimal Design of Synchronverter Virtual Capacitor to Achieve Capacitive Output Impedance. In Proceedings of the 2018 International Conference on Electrical Sciences and Technologies in Maghreb (CISTEM), Algiers, Algeria, 28–31 October 2018; IEEE: Piscataway, NJ, USA, 2018; pp. 1–4. [Google Scholar] [CrossRef]
- Busada, C.A.; Jorge, S.G.; Solsona, J.A. Output Admittance Synthesizer for Synchronverters. IEEE Trans. Ind. Electron. 2022, 69, 4320–4328. [Google Scholar] [CrossRef]
- Hariharan, R.; Mishra, M.K. An Improved Synchronverter Control for DERs Under Grid Voltage Variations. In Proceedings of the 2021 IEEE 2nd International Conference on Smart Technologies for Power, Energy and Control (STPEC), Bilaspur, India, 19–22 December 2021; IEEE: Piscataway, NJ, USA, 2021; pp. 1–6. [Google Scholar] [CrossRef]
- da Silva Junior, G.P.; Barros, L.S. Using Synchronverter in Distributed Generation for Frequency and Voltage Grid Support. In Proceedings of the 2019 IEEE 15th Brazilian Power Electronics Conference and 5th IEEE Southern Power Electronics Conference (COBEP/SPEC), Santos, Brazil, 1–4 December 2019; IEEE: Piscataway, NJ, USA, 2019; pp. 1–6. [Google Scholar] [CrossRef]
- da Silva Junior, G.P.; Barros, L.S. Synchronverter Operation in Active and Reactive Support Mode. In Proceedings of the 2019 Workshop on Communication Networks and Power Systems (WCNPS), Brasilia, Brasil, 3–4 October 2019; IEEE: Piscataway, NJ, USA, 2019; pp. 1–5. [Google Scholar] [CrossRef]
- Sharmini, K.S. A Simplified Pulse Generation Control Algorithm Based upon the Concept of Synchronverter. In Advances in Intelligent Systems and Computing; Springer: Singapore, 2019; Volume 846, pp. 261–269. [Google Scholar] [CrossRef]
- Furqan, S.M.; Nasir, A.; Ashraf, A.; Shami, T.A.; Khalid, N. Design And Implementation of Virtual Synchronous Machine. In Proceedings of the 2018 International Conference on Computing, Electronic and Electrical Engineering (ICE Cube), Quetta, Pakistan, 12–13 November 2018; IEEE: Piscataway, NJ, USA, 2018; pp. 1–6. [Google Scholar] [CrossRef]
- Pandya, V.; Manjunath, K. A Preliminary Study for Realizing Frequency Control Loop of Grid-tied Synchronverter. In Proceedings of the 2022 International Conference on Breakthrough in Heuristics And Reciprocation of Advanced Technologies (BHARAT), Visakhapatnam, India, 7–8 April 2022; IEEE: Piscataway, NJ, USA, 2022; pp. 107–110. [Google Scholar] [CrossRef]
- Kumar, R.; Chaudhari, M.A.; Chaturvedi, P. A Three-Phase Nine-Level MLI for Grid-Tied AC Microgrid with Synchronverter Control. In Proceedings of the 2023 IEEE International Conference on Power Electronics, Smart Grid, and Renewable Energy (PESGRE), Trivandrum, India, 17–20 December 2023; IEEE: Piscataway, NJ, USA, 2023; pp. 1–7. [Google Scholar] [CrossRef]
- Chen, J.; Deng, C.; Lin, W.; Qi, Q.; Liu, S.; Sun, X. Calculation of Three-phase Fault Current in Synchronverters Considering Fault ride-through Strategies. In Proceedings of the 2022 5th International Conference on Energy, Electrical and Power Engineering (CEEPE), Chongqing, China, 22–24 April 2022; IEEE: Piscataway, NJ, USA, 2022; pp. 442–446. [Google Scholar] [CrossRef]
- Azzouz, M.A.; Zeineldin, H.H.; El-Saadany, E.F. Selective Phase Tripping for Microgrids Powered by Synchronverter-Interfaced Renewable Energy Sources. IEEE Trans. Power Deliv. 2021, 36, 3506–3518. [Google Scholar] [CrossRef]
- Habibullah, M.; Gonzalez-Longatt, F.; Acosta Montalvo, M.N.; Chamorro, H.R.; Rueda, J.L.; Palensky, P. On Short Circuit of Grid-Forming Converters Controllers: A glance of the Dynamic Behaviour. In Proceedings of the 2021 IEEE PES Innovative Smart Grid Technologies Conference—Latin America (ISGT Latin America), Lima, Peru, 15–17 September 2021; IEEE: Piscataway, NJ, USA, 2021; pp. 1–5. [Google Scholar] [CrossRef]
- Zakis, J.; Makovenko, E.; Zeng, H.; Husev, O.; Kutt, L. qZS Inverter as Synchronverter in Small-Scale Micro-Grid. Elektron. Elektrotech. 2018, 24, 58–62. [Google Scholar] [CrossRef]
- Gutierrez, M.; Zuniga, P.; Uribe, F.; Barocio, E.; Puerto-Flores, D.D. Analysis of Synchronverters and Droop Control Scheme During Microgrid Operation: A Performance Comparison Approach. In Proceedings of the 2018 IEEE International Autumn Meeting on Power, Electronics and Computing (ROPEC), Ixtapa, Mexico, 14–16 November 2018; IEEE: Piscataway, NJ, USA, 2018; pp. 1–6. [Google Scholar] [CrossRef]
- Ala, G.; Di Tommaso, A.; Miceli, R.; Nevoloso, C.; Scaglione, G.; Schettino, G.; Viola, F. Virtual Synchronous Generator: An application to Microgrid Stability. In Proceedings of the 2022 11th International Conference on Renewable Energy Research and Application (ICRERA), Istanbul, Turkey, 18–21 September 2022; IEEE: Piscataway, NJ, USA, 2022; pp. 151–157. [Google Scholar] [CrossRef]
- Chida, A.B.; Boukettaya, G.; Cherni, R. Synchronverter as Control Strategy of Grid-Forming Inverter. In Proceedings of the 2023 20th International Multi-Conference on Systems, Signals and Devices, SSD 2023, Mahdia, India, 28–30 May 2021; Institute of Electrical and Electronics Engineers Inc.: Piscataway, NJ, USA, 2023; pp. 61–66. [Google Scholar] [CrossRef]
- Yang, T.; Hu, W. Research on Variable Inertia Control Strategy of Electric Vehicle Based on Synchronverter. In Proceedings of the 2021 IEEE 4th International Electrical and Energy Conference (CIEEC), Wuhan, China, 28–30 May 2021; IEEE: Piscataway, NJ, USA, 2021; pp. 1–6. [Google Scholar] [CrossRef]
- Liu, D.; Zeng, X.; Liu, G. Control method for EV charging and discharging in V2G/V2H scenario based on the synchronvter technology and H ∞ repetitive control. J. Eng. 2019, 2019, 1350–1355. [Google Scholar] [CrossRef]
- Liu, D.; Zhong, Q.; Wang, Y.; Liu, G. Modeling and control of a V2G charging station based on synchronverter technology. CSEE J. Power Energy Syst. 2018, 4, 326–338. [Google Scholar] [CrossRef]
- Yin, H. Gasoline-electric hybrid propulsion system with synchronverter. In Proceedings of the 2022 25th International Conference on Mechatronics Technology (ICMT), Kaohsiung, Taiwan, 18–21 November 2022; IEEE: Piscataway, NJ, USA, 2022; pp. 1–4. [Google Scholar] [CrossRef]
- Zhang, J.F.; Yang, Z.; Liu, B.; Yin, X.; Zhang, Y.X. Design of Ship-applied Grid-Connected Synchronverter. In Proceedings of the 2022 7th International Conference on Power and Renewable Energy (ICPRE), Shangai, China, 23–26 September 2022; IEEE: Piscataway, NJ, USA, 2022; pp. 635–638. [Google Scholar] [CrossRef]
- Yin, H. Single-phase VSM based on dq coordinate. In Proceedings of the 2022 25th International Conference on Mechatronics Technology (ICMT), Kaohsiung, Taiwan, 18–21 November 2022; IEEE: Piscataway, NJ, USA, 2022; pp. 1–4. [Google Scholar] [CrossRef]
- Wei, J.; Wu, S.; Zhou, Y.; Yang, P.; Kong, Q. Research on Power Electronic Transformers Based on Virtual Synchronous Machine Control. In Proceedings of the 2020 15th IEEE Conference on Industrial Electronics and Applications (ICIEA), Kristiansand, Norway, 9–13 November 2020; IEEE: Piscataway, NJ, USA, 2020; pp. 669–674. [Google Scholar] [CrossRef]
- Wu, R.; Ran, L.; Weiss, G.; Yu, J. Control of a synchronverter-based soft open point in a distribution network. J. Eng. 2019, 2019, 720–727. [Google Scholar] [CrossRef]
- Oñate, M.; Posada, J.; López, J.; Quintero, J.; Aredes, M. Control of a back-to-back converter as a power transfer system using synchronverter approach. IET Gener. Transm. Distrib. 2018, 12, 1998–2005. [Google Scholar] [CrossRef]
- Arun, P.B.; Bose, K.C. Synchronverter Based HVDC Transmission For Stability Improvement. In Proceedings of the 2019 International Conference on Intelligent Computing and Control Systems (ICCS), Madurai, India, 15–17 May 2019; IEEE: Piscataway, NJ, USA, 2019; pp. 1312–1316. [Google Scholar] [CrossRef]
- Tebib, A.; Boudour, M. An Improved Synchronverter based HVDC System Considering Damper Windings Effect. In Proceedings of the 2018 International Conference on Electrical Sciences and Technologies in Maghreb (CISTEM), Algiers, Algeria, 28–31 October 2018; IEEE: Piscataway, NJ, USA, 2018; pp. 1–5. [Google Scholar] [CrossRef]
- Cunha, A.C.; Souza, M.J.; Alves, F.; Bernhardt, B.; Aredes, M.; Nunes, S.; Leal, G. Connection of Deep Water Oil Extraction Platforms to the Onshore Power Electric System by a VSC-HVDC System Based on Synchronverter Control. In Proceedings of the 2023 IEEE 8th Southern Power Electronics Conference and 17th Brazilian Power Electronics Conference (SPEC/COBEP), Florianopolis, SC, Brazil, 26–28 November 2023; IEEE: Piscataway, NJ, USA, 2023; pp. 1–6. [Google Scholar] [CrossRef]
- Sonawane, A.J.; Umarikar, A.C. Voltage and Reactive Power Regulation with Synchronverter-Based Control of PV-STATCOM. IEEE Access 2023, 11, 52129–52140. [Google Scholar] [CrossRef]







| Year | Conferences in Scopus | Journals in Scopus | Journals in ISI WoS | Books and Chapters in Scopus | 
|---|---|---|---|---|
| 2018 | 20 | 7 | 7 | 0 | 
| 2019 | 17 | 10 | 12 | 1 | 
| 2020 | 14 | 12 | 16 | 0 | 
| 2021 | 16 | 21 | 19 | 0 | 
| 2022 | 29 | 22 | 19 | 0 | 
| 2023 | 21 | 14 | 14 | 0 | 
| 2024 | 9 | 13 | 15 | 0 | 
| Switch | Switch | Switch | Mode | 
|---|---|---|---|
| 1 | ON | ON | N/A | 
| 1 | ON | OFF | Self-synchronization | 
| 1 | OFF | ON | N/A | 
| 1 | OFF | OFF | N/A | 
| 2 | ON | ON | P-mode, -mode | 
| 2 | ON | OFF | P-mode, Q-mode | 
| 2 | OFF | ON | -mode, -mode | 
| 2 | OFF | OFF | -mode, Q-mode | 
| Advantages | Disadvantages | 
|---|---|
| - Self-synchronizing to the grid frequency without the need of an extra unit such as a PLL or a FLL. | - There is no overcurrent protection because it behaves as a voltage source. | 
| - Easy parallel implementation to share real and reactive power. | - Numerical instability may exist due to the complexity of differential equation based on the synchronous machine swing equation. | 
| - Controlling a synchronverter may be done in the same way as a synchronous generator. | - Voltage-source control has no inherent protection against severe grid transient. | 
| - Robust control of real and reactive power, voltage phase, and frequency. | - External protection for safe operation is required. | 
| - The frequency derivative known for noise is absent. | - Some parameters must be changed to avoid deterioration during harsh events. | 
| - It is possible to operate under voltage imbalances. | - In case of voltage imbalances, synchronization with only the positive sequence may not be solid. | 
| - Virtual inertia can be changed to face power grid events. | - If the virtual impedance is not well suited, the oscillation in the system may increase. | 
| - Harmonic reduction is possible by adapting the output virtual filter. | - It is complicated to feed nonlinear loads, and the response to transient events may slow down. | 
| - Interesting approach to deal microgrid environments. | |
| - Dynamic current-limitation strategies can be used to ensure its operation. | 
| Disclaimer/Publisher’s Note: The statements, opinions and data contained in all publications are solely those of the individual author(s) and contributor(s) and not of MDPI and/or the editor(s). MDPI and/or the editor(s) disclaim responsibility for any injury to people or property resulting from any ideas, methods, instructions or products referred to in the content. | 
© 2025 by the authors. Licensee MDPI, Basel, Switzerland. This article is an open access article distributed under the terms and conditions of the Creative Commons Attribution (CC BY) license (https://creativecommons.org/licenses/by/4.0/).
Share and Cite
Quintero-Durán, M.J.; Candelo-Becerra, J.E.; González-Niño, M.E.; Hernández-Moreno, S.A.; Váz, R.F. Synchronverter Control Strategy: A Review of Different Improvements and Applications. Energies 2025, 18, 3574. https://doi.org/10.3390/en18133574
Quintero-Durán MJ, Candelo-Becerra JE, González-Niño ME, Hernández-Moreno SA, Váz RF. Synchronverter Control Strategy: A Review of Different Improvements and Applications. Energies. 2025; 18(13):3574. https://doi.org/10.3390/en18133574
Chicago/Turabian StyleQuintero-Durán, Michell J., John E. Candelo-Becerra, Mario Eduardo González-Niño, Saúl Andrés Hernández-Moreno, and Rodolpho Fernando Váz. 2025. "Synchronverter Control Strategy: A Review of Different Improvements and Applications" Energies 18, no. 13: 3574. https://doi.org/10.3390/en18133574
APA StyleQuintero-Durán, M. J., Candelo-Becerra, J. E., González-Niño, M. E., Hernández-Moreno, S. A., & Váz, R. F. (2025). Synchronverter Control Strategy: A Review of Different Improvements and Applications. Energies, 18(13), 3574. https://doi.org/10.3390/en18133574
 
        





 
       