Current Status, Challenges and Future Perspectives of Operation Optimization, Power Prediction and Virtual Synchronous Generator of Microgrids: A Comprehensive Review
Abstract
1. Introduction
2. Research Status of Operation Optimization Strategy of Microgrids
2.1. Optimization Objectives and Challenges
2.2. Classification and Review of Optimization Algorithms
2.3. Energy Management Systems and Case Studies
3. Research Status of Microgrid Power Prediction
3.1. Research Status of Wind and PV Generation Power Prediction Methods
3.2. Research Status of Microgrid Load Forecasting Methods
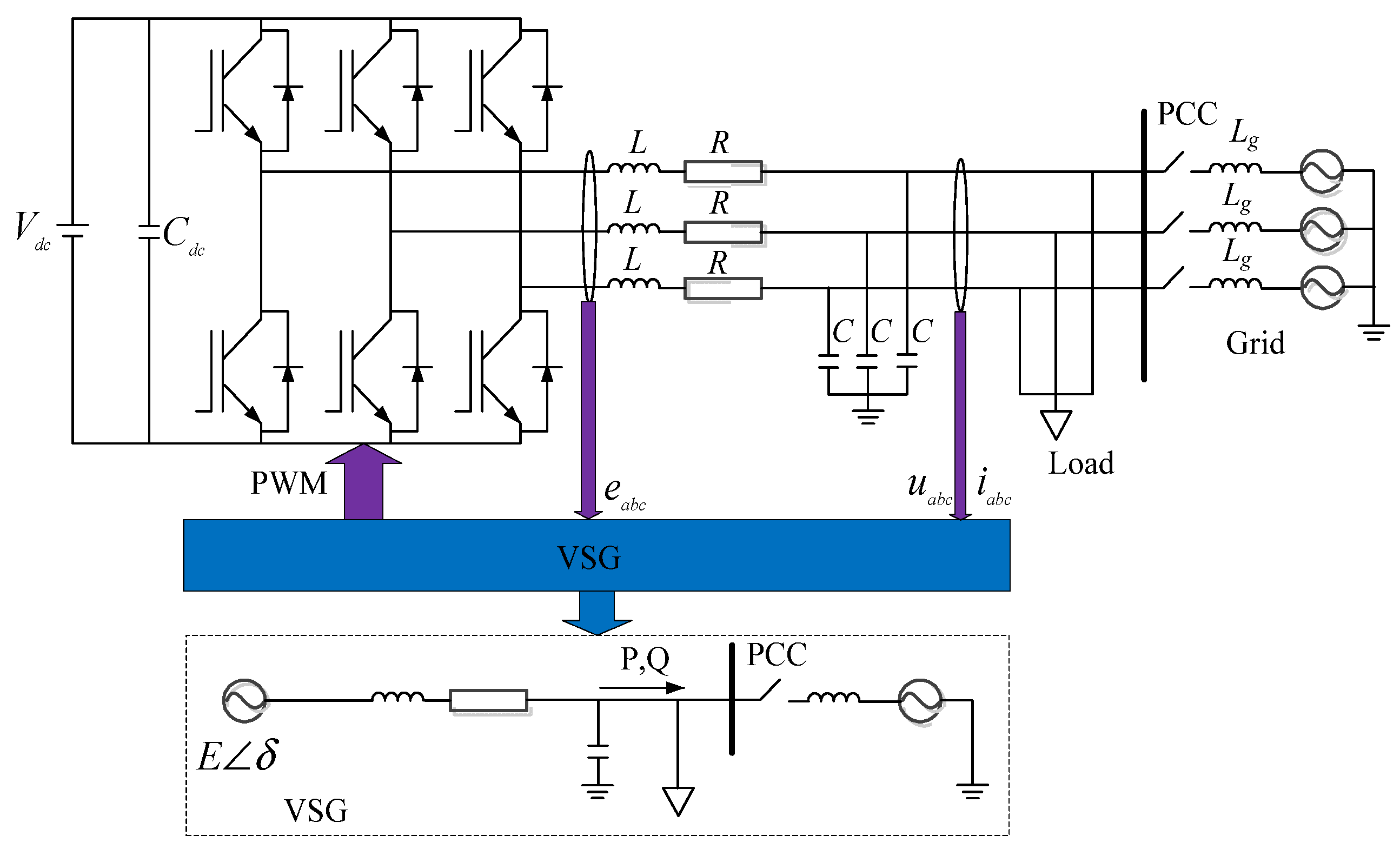
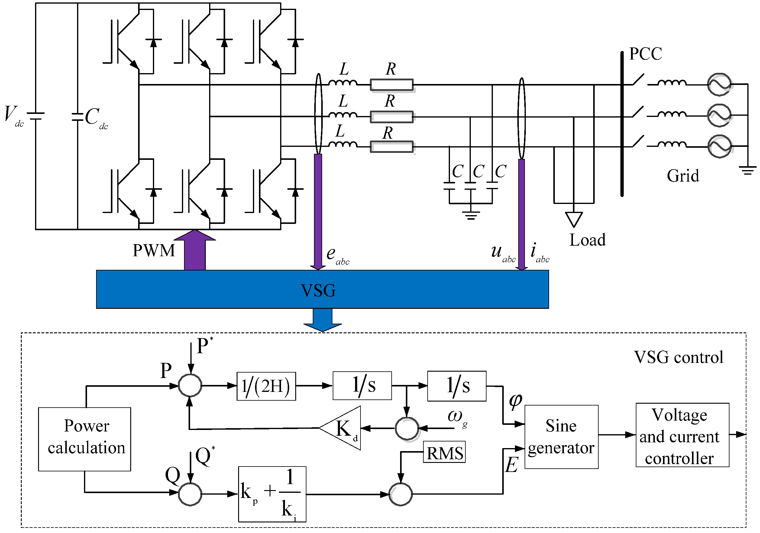
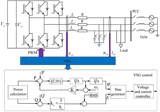
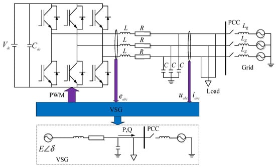
4. Research Status of Virtual Synchronous Active Support Control Technology
4.1. VSG Fundamentals and Control Strategies
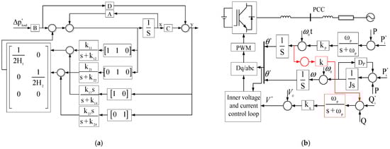
4.2. Advanced VSG Inverter Control Strategies
4.3. VSG Stability Mechanisms
5. Conclusions and Future Perspectives
5.1. Conclusions
- (1)
- Operation Optimization Strategies: Energy Management Systems (EMSs) leveraging heuristic algorithms (e.g., PSO, GWO), multi-objective optimization and AI-driven strategies significantly enhance economic efficiency and renewable energy utilization. Challenges remain in handling high-dimensional computations and real-time adaptability in complex scenarios.
- (2)
- Power Prediction Methods: Hybrid models integrating decomposition techniques (e.g., VMD, CEEMDAN) with deep learning (e.g., LSTM, GRU) improve the accuracy of wind/PV and load forecasting. Medium-term (3–10 days) prediction remains underdeveloped due to meteorological uncertainty and data resolution limitations.
- (3)
- VSG Control Technology: Voltage-type VSG technologies emulate synchronous generator characteristics, providing inertia support and frequency regulation. Stability mechanisms (e.g., impedance modeling, Lyapunov-based analysis) are established for grid-connected/islanded modes, yet multi-VSG coordination and transient stability require further validation.
5.2. Future Perspectives
- (1)
- Quantum Optimization for EMSs: Address computational bottlenecks in large-scale, high-dimensional microgrid optimization using quantum algorithms (e.g., leveraging superposition and entanglement [236]). This can reduce optimization time from minutes to seconds, enabling real-time EMSs for 24 h scheduling. Cross-energy coupling optimization (electricity, hydrogen, heat) across multiple timescales is also crucial.
- (2)
- There is an urgent need to deepen research in the field of automation and intelligence of microgrid systems. Advanced technologies such as AI, IoT and big data analytics are deeply integrated with microgrid technology to build a comprehensive “source–grid–load–storage” intelligent synergistic system. Intelligent microgrid systems have the ability to automatically identify load demand, make accurate power predictions and optimize dispatch. Through independent management and automatic control, efficient and low-carbon energy utilization is achieved. Through the close integration of AI technology and the IoT, the microgrid is shifting from a “passive response” to an “active sensing-decision-making” mode.
- (3)
- There is an urgent need to strengthen the in-depth research of multi-level hybrid microgrid technology, so as to promote the transformation process of regional multistage distribution systems of microgrids and realize the evolution of microgrids in the large-capacity and regional hybrid direction. At the same time, it is essential to deepen the research on application technology and integration technology, in order to promote the development of microgrids in the direction of integration. VSG technology faces a number of challenges, including high control complexity, dependence on energy storage systems and relatively high cost. These problems have become obstacles to the further development and wide application of VSG technology. However, with the continuous progress and innovation of technology, through the continuous optimization of algorithms, the in-depth application of hybrid energy storage technology and strong support from the policy level, VSG technology is expected to overcome these challenges in the future. Once these problems are properly solved, VSG technology will most likely become one of the core technologies in the field of smart grids, providing strong technical support for the stable operation of smart grids and the efficient use of energy.
- (4)
- There is an urgent need to strengthen the research on energy storage technology. As a core component of microgrids, energy storage systems play a crucial role in optimizing energy structure, improving energy efficiency and ensuring the stability of the energy supply. With the continuous expansion of the scale of microgrids, the energy regulation function of energy storage systems in time series has become the key to solving the inherent randomness and volatility of renewable energy and maintaining the stable operation of microgrids. The VSG itself does not have the function of energy storage and must be combined with battery energy storage systems or energy storage devices such as supercapacitors to provide actual power support. By effectively integrating VSGs with these storage devices, power distribution can be optimized to improve the stability and efficiency of the entire system. Therefore, the combination of energy storage systems and VSG technology is the key to promoting the development of more intelligent and efficient microgrids.
Funding
Conflicts of Interest
References
- Srikanth, M.; Venkata Pavan Kumar, Y.; Pradeep Reddy, C.; Mallipeddi, R. Multivariable control-based dq decoupling in voltage and current control loops for enhanced transient response and power delivery in microgrids. Energies 2024, 17, 3689. [Google Scholar] [CrossRef]
- Phani Raghav, L.; Seshu Kumar, R.; Koteswara Raju, D.; Singh, A.R. Analytic hierarchy process (AHP)-swarm intelligence based flexible demand response management of grid-connected microgrid. Appl. Energy 2022, 306, 118058. [Google Scholar] [CrossRef]
- García-Trivio, P.; de Oliveira-Assís, L.; Soares-Ramos, E.; Sarrias-Mena, R.; García-Vázquez, C.; Fernández-Ramírez, L. Supervisory control System for a grid-connected MVDC microgrid based on Z-Source converters with PV, battery storage, green hydrogen system and charging station of electric vehicles. IEEE Trans. Ind. Appl. 2023, 59, 2650–2660. [Google Scholar] [CrossRef]
- Zamanzad Ghavidel, B.; Liao, Y. A new power-sharing strategy with photovoltaic farms and concentrated diesel generators to increase power system resilience. Energies 2024, 17, 3742. [Google Scholar] [CrossRef]
- Rouabhi, R.; Herizi, A.; Djerioui, A. Performance of robust type-2 fuzzy sliding mode control compared to various conventional controls of doubly-fed induction generator for wind power conversion systems. Energies 2024, 17, 3778. [Google Scholar] [CrossRef]
- China Renewable Energy Development Report 2024: Wind Power Capacity Is Expected to Increase by Approximately 80 Million Kilowatts in 2025. Available online: https://baijiahao.baidu.com/s?id=1833417805276293481&wfr=spider&for=pc (accessed on 30 May 2025).
- The National Energy Administration: In 2024, the Newly Installed Capacity of Photovoltaic Power Across the Country Will Reach 278 Million Kilowatts, Representing a Year-On-Year Growth of 28%. Available online: https://mp.weixin.qq.com/s?__biz=MzI2NjQ0NzUxNA==&mid=2247533597&idx=2&sn=f34602fc683f8ae1b02f72a43c7a5900&chksm=ebcc75d06373759e8511670b0fe780d94ad0349d39a3144b03ab12823c94d2f57919164748e2&scene=27 (accessed on 30 January 2025).
- Alamir, N.; Kamel, S.; Hashim, F.A.; Bouaouda, A.; Safaraliev, M.; Abdelkader, S.M. Optimizing two-stage energy management in renewable-based multi-microgrid using a modified student psychology-based optimization with demand response and hydrogen storage. Int. J. Hydrogen Energy 2024, 63, 696–719. [Google Scholar] [CrossRef]
- Wu, Y.; Liu, J.; Li, S.; Jin, M. Physical model and long short-term memory-based combined prediction of photovoltaic power generation. J. Power Electron. 2024, 24, 1118–1128. [Google Scholar] [CrossRef]
- Wang, X.; Zhong, Z.; Jiang, W.; Zhao, X. Consensus-based secondary frequency control for parallel virtual synchronous generators. Sustain. Energy Grids Netw. 2024, 38, 101341. [Google Scholar] [CrossRef]
- Brem, A.; Adrita, M.; O’Sullivan, D.; Bruton, K. Industrial smart and micro grid systems-A systematic mapping study. J. Clean. Prod. 2019, 244, 118828. [Google Scholar] [CrossRef]
- Yolda, Y.; Nen, A.; Muyeen, S.; Vasilakos, A.; Alan, R. Enhancing smart grid with microgrids: Challenges and opportunities. Renew. Sustain. Energy Rev. 2017, 72, 205–214. [Google Scholar] [CrossRef]
- Ardriani, T.; Dahono, P.; Rizqiawan, A.; Garnia, E.; Sastya, P.; Arofat, A.; Ridwan, M. A DC microgrid system for powering remote areas. Energies 2021, 14, 493. [Google Scholar] [CrossRef]
- Pothireddy, K.; Vuddanti, S. Alternating direction method of multipliers based distributed energy scheduling of grid connected microgrid by considering the demand response. Discov. Appl. Sci. 2024, 6, 543–552. [Google Scholar] [CrossRef]
- Cai, S.; Xie, Y.; Zhang, Y.; Zhang, M.; Wu, Q.; Guo, J. A simulation-assisted proactive scheduling method for secure microgrid formation under static and transient islanding constraints. IEEE Trans. Smart Grid 2024, 15, 272–285. [Google Scholar] [CrossRef]
- Lou, H.; Fujimura, S. ADMM-based distributed algorithm for energy management in multi-microgrid system. IEEJ Trans. Electr. Electron. Eng. 2024, 19, 79–89. [Google Scholar] [CrossRef]
- Wang, C.; Han, J.; Jiang, D.; Zhang, W.; Yang, W.; Song, H.; Deng, Y.; Qu, Y. Research on autonomous operation and mutual aid strategy of AC/DC hybrid microgrid cluster. Electr. Power Syst. Res. 2024, 231, 1103. [Google Scholar] [CrossRef]
- Dou, C.; Liu, B. Multi-agent based hierarchical hybrid control for smart microgrid. IEEE Trans. Smart Grid 2013, 4, 771–778. [Google Scholar] [CrossRef]
- Dolatabadi, S.; Soleimani, A.; Ebtia, A.; Shafie-Khah, M.; Bhuiyan, T. Enhancing voltage profile in islanded microgrids through hierarchical control strategies. Electr. Power Syst. Res. 2024, 231, 5434. [Google Scholar] [CrossRef]
- Arou, A.; Tsuji, T. Coordinated Q-V/P-F control strategy using virtual power factor for autonomous AC microgrid with PV smart inverters. IEEJ Trans. Electr. Electron. Eng. 2024, 19, 327–341. [Google Scholar] [CrossRef]
- Wang, T.; Lin, C.; Zheng, K.; Zhao, W.; Wang, X. Research on grid-connected control strategy of photovoltaic (pv) energy storage based on constant power operation. Energies 2023, 16, 8056. [Google Scholar] [CrossRef]
- Pompodakis, E.; Orfanoudakis, G.; Yiannis, K.; Karapidakis, E. Robust secondary controller for islanded microgrids with unexpected electrical partitions under fault conditions. Energies 2024, 17, 3727. [Google Scholar] [CrossRef]
- Xu, H.; Sun, J.; Huang, J.; Lin, X.; Ma, C. Distributed optimization of islanded microgrids integrating multi-type VSG frequency regulation and integrated economic dispatch. Energies 2024, 17, 1618. [Google Scholar] [CrossRef]
- Orihara, D.; Taoka, H.; Otani, K. Influence of wind-turbine-generator power control on the performance of a virtual synchronous machine. Energies 2024, 17, 234. [Google Scholar] [CrossRef]
- Ma, C.; Sun, J.; Huang, J.; Wang, K. Transient stability enhancement strategy for islanded microgrids based on energy storage–virtual synchronous machine control. Energies 2023, 16, 6390. [Google Scholar] [CrossRef]
- Mrey, J.; Avera, G.; Acevedo-rueda, P.; Solano, J.; Amantilla, M.; Llanos, J.; Sáez, D. A review of microgrids in latin America: Laboratories and test systems. IEEE Latin Am. Trans. 2022, 20, 1000–1011. [Google Scholar]
- Ali, A.; Li, W.H.; Hussain, R. Overview of current microgrid policies, incentives and barriers in the European Union, United States and China. Sustainability 2017, 9, 1146. [Google Scholar] [CrossRef]
- Yokoyama, A. Toward deregulated, smart and resilient power systems with massive integration of renewable energy in Japan. IEEJ Trans. Electr. Electron. Eng. 2022, 17, 1242–1254. [Google Scholar] [CrossRef]
- Yoshida, Y.; Farzaneh, H. Optimal design of a stand-alone residential hybrid microgrid system for enhancing renewable energy deployment in Japan. Energies 2020, 13, 1737. [Google Scholar] [CrossRef]
- Zhang, L.; Yang, Y.; Li, Q.; Gao, W.; Qian, F.; Song, L. Economic optimization of microgrids based on peak shaving and CO2 reduction effect: A case study in Japan. J. Clean. Prod. 2021, 321, 128973. [Google Scholar] [CrossRef]
- Nosratabadi, S.; Hooshmand, R.; Gholipour, E. A comprehensive review on microgrid and virtual power plant concepts employed for distributed energy resources scheduling in power systems. Renew. Sustain. Energy Rev. 2017, 67, 341–363. [Google Scholar] [CrossRef]
- Meng, L.; Guerrero, J.; Sanseverino, E.; Luna, A. Microgrid supervisory controllers and energy management systems: A literature review. Renew. Sustain. Energy Rev. 2016, 60, 1263–1273. [Google Scholar] [CrossRef]
- Choudhury, S. Review of energy storage system technologies integration to microgrid: Types, control strategies, issues, and future prospects. J. Energy Storage 2022, 48, 103966. [Google Scholar] [CrossRef]
- Rana, M.; Uddin, M.; Sarkar, M.; Shafiullah, G.; Mo, H.; Atef, M. A review on hybrid photovoltaic-Battery energy storage system: Current status, challenges, and future directions. J. Energy Storage 2022, 51, 104597. [Google Scholar] [CrossRef]
- Kang, M.; Thanikanti, S.; Vigna, K.; Padmanathan, K.; Sunil, G.; Shangari, K. Empowering smart grid: A comprehensive review of energy storage technology and application with renewable energy integration. J. Energy Storage 2021, 39, 102591. [Google Scholar]
- Li, J.; Liu, Y.; Wu, L. Optimal operation for community based multi-party microgrid in grid-connected and islanded modes. IEEE Trans. Smart Grid 2016, 9, 756–765. [Google Scholar] [CrossRef]
- Belboul, Z.; Toual, B.; Kouzou, A.; Mokrani, L.; Bensalem, A.; Kennel, R.; Abdelrahem, M. Multiobjective optimization of a hybrid PV/Wind/Battery/Diesel generator system integrated in microgrid: A case study in Djelfa, Algeria. Energies 2022, 15, 3579. [Google Scholar] [CrossRef]
- Zhang, G.; Wang, W.; Du, J.; Sheng, H. Multi-objective economic optimal dispatch for the island isolated microgrid under uncertainty based on interval optimization. Math. Probl. Eng. 2021, 2021, 9983104. [Google Scholar]
- Hartmann, B.; Táczi, I.; Talamon, A.; Vokony, I. Island mode operation in intelligent microgrid-Extensive analysis of a case study. Int. Trans. Electr. Energy Syst. 2021, 31, e12950. [Google Scholar] [CrossRef]
- Liu, W.L.; Liu, C.L.; Lin, Y.J.; Bai, K.; Ma, L.Y.; Chen, W.Y. Multi-objective optimal scheduling method for a grid-connected redundant residential microgrid. Processes 2019, 7, 296. [Google Scholar] [CrossRef]
- Shreerajshakya, A.; Bajracharya, I.; Vaidya, R.; Prakashbhave, C.; Sharma, A.; Rupakheti, M.; Bajracharya, T. Estimation of air pollutant emissions from captive diesel generators and its mitigation potential through microgrid and solar energy. Energy Rep. 2022, 8, 3251–3262. [Google Scholar]
- Zhao, X.-G.; Zhang, Z.-Q.; Xie, Y.-M.; Meng, J. Economic-environmental dispatch of microgrid based on improved quantum particle swarm optimization. Energy 2020, 195, 117011–117014. [Google Scholar]
- Abhishek, A.; Ranjan, A.; Devassy, S.; Verma, B.; Dhakar, A. Review of hierarchical control strategies for DC microgrid. IET Renew. Power Gener. 2020, 14, 1631–1640. [Google Scholar] [CrossRef]
- Zhang, J.; Qin, D.; Ye, Y.; He, Y.; Fu, X.; Yang, J.; Shi, G.; Zhang, H. Multi-time scale economic scheduling method based on day-ahead robust optimization and intraday MPC rolling optimization for microgrid. IEEE Access 2021, 9, 140315–140324. [Google Scholar] [CrossRef]
- Li, D. Prediction of short-term load of microgrid based on multivariable and multistep long short-term memory. Sens. Mater. 2022, 34, 1275–1285. [Google Scholar] [CrossRef]
- Yue, D.; Zhang, H.; Dou, C. MAS-based distributed cooperative control for DC microgrid through switching topology communication network with time-varying delays. IEEE Syst. J. 2017, 13, 615–624. [Google Scholar]
- Khalid, M.; Ahmadi, A.; Savkin, A.; Agelidis, V. Minimizing the energy cost for microgrids integrated with renewable energy resources and conventional generation using controlled battery energy storage. Renew. Energy 2016, 97, 646–655. [Google Scholar] [CrossRef]
- Kumar Venayagamoorthy, G.; Sharma, R.K.; Gautam, P.K.; Ahmadi, A. Dynamic energy management system for a smart microgrid. IEEE Trans. Neural Netw. Learn. Syst. 2016, 27, 1643–1656. [Google Scholar] [CrossRef]
- Das, A.; Ni, Z. A computationally efficient optimization approach for battery Ssystems in islanded microgrid. IEEE Trans. Smart Grid 2017, 9, 6489–6499. [Google Scholar] [CrossRef]
- Cheng, C.-H. Implementation of a small type DC microgrid based on fuzzy control and dynamic programming. Energies 2016, 10, 781. [Google Scholar] [CrossRef]
- Ali, A.; Deldar, M.; Anwar, S. Optimal control of hydrostatic drive wind turbines for improved power output in low wind-speed regions. Energies 2021, 14, 5001. [Google Scholar] [CrossRef]
- Deldar, M.; Anwar, S. Optimal control of a hydrostatic wind turbine drivetrain for efficiency improvements. In Proceedings of the ASME 2017 Dynamic Systems and Control Conference, Tysons, VI, USA, 11–13 October 2017. [Google Scholar]
- Askarzadeh, A. A memory-based genetic algorithm for optimization of power generation in a microgrid. IEEE Trans. Sustain. Energy 2018, 9, 1081–1089. [Google Scholar] [CrossRef]
- Zheng, Z.; Yang, S.; Guo, Y.; Jin, X.; Wang, R. Meta-heuristic techniques in microgrid management: A survey. Swarm Evol. Comput. 2023, 78, 101256. [Google Scholar] [CrossRef]
- Torkan, R.; Ilinca, A.; Ghorbanzadeh, M. A genetic algorithm optimization approach for smart energy management of microgrid. Renew. Energy 2022, 197, 852–863. [Google Scholar] [CrossRef]
- Li, B.; Roche, R.; Miraoui, A. Microgrid sizing with combined evolutionary algorithm and MILP unit commitment. Appl. Energy 2017, 188, 547–562. [Google Scholar] [CrossRef]
- Hafez, A.; Abdelaziz, A.; Hendy, M.; Ali, A. Optimal sizing of off-line microgrid via hybrid multi-objective simulated annealing particle swarm optimizer. Comput. Electr. Eng. 2021, 94, 107294. [Google Scholar] [CrossRef]
- He, Y. Research on the optimal economic power dispatching of a multi-microgrid cooperative operation. Energies 2022, 15, 8194. [Google Scholar] [CrossRef]
- Sharma, S.; Bhattacharjee, S.; Bhattacharya, A. Grey wolf optimisation for optimal sizing of battery energy storage device to minimise operation cost of microgrid. IET Gener. Transm. Distrib. 2016, 10, 625–637. [Google Scholar] [CrossRef]
- Wang, Y.; Li, F.; Yu, H.; Wang, Y.; Qi, C.; Yang, J.; Song, F. Optimal operation of microgrid with multi-energy complementary based on moth flame optimization algorithm. Energy Sources 2020, 42, 758–806. [Google Scholar] [CrossRef]
- Pesaran, H.; Nazari-Heris, M.; Mohammadi-Ivatloo, B.; Seyedi, H. A hybrid genetic particle swarm optimization for distributed generation allocation in power distribution networks. Energy 2020, 209, 118218. [Google Scholar] [CrossRef]
- Dey, B.; Bhattacharyya, B.; Srivastava, A.; Shivam, K. Solving energy management of renewable integrated microgrid systems using crow search algorithm. Soft Comput. 2020, 24, 10433–10454. [Google Scholar] [CrossRef]
- Khalil, G.; Abbasi, M.; Ali, A.; Li, L. An efficient bi objective approach for dynamic economic emission dispatch of renewable integrated microgrids. J. Ambient. Intell. Humaniz. Comput. 2022, 14, 10695–10714. [Google Scholar]
- Barua, S.; Merabet, A.; Al-Durra, A.; El-Fouly, T.; El-Saadany, E. Lévy arithmetic optimization for energy management of solar wind microgrid with multiple diesel generators for off-grid communities. Appl. Energy 2024, 371, 123736. [Google Scholar] [CrossRef]
- Dey, B.; Bhattacharyya, B.; Marquez, F. A hybrid optimization-based approach to solve environment constrained economic dispatch problem on microgrid system. J. Clean. Prod. 2021, 307, 127196. [Google Scholar] [CrossRef]
- Abualigah, L.; Diabat, A.; Mirjalili, S.; Abd Elaziz, M.; Gandomi, A. The arithmetic optimization algorithm. Comput. Meth. Appl. Mech. Eng. 2021, 376, 113609. [Google Scholar] [CrossRef]
- Khadanga, R.; Das, D.; Kumar, A.; Panda, S. Sine augmented scaled arithmetic optimization algorithm for frequency regulation of a virtual inertia control based microgrid. ISA Trans. 2023, 138, 534–545. [Google Scholar] [CrossRef]
- Kharrich, M.; Abualigah, L.; Kamel, S.; Abdel-Sattar, H.; Tostado-Veliz, M. An improved arithmetic optimization algorithm for design of a microgrid with energy storage system: Case study of El Kharga Oasis, Egypt. J. Energy Storage 2022, 51, 104343. [Google Scholar] [CrossRef]
- Sujoy, B.; Adel, M. Lévy Arithmetic Algorithm: An enhanced metaheuristic algorithm and its application to engineering optimization. Expert Syst. 2024, 241, 122335. [Google Scholar]
- Elkholy, M.; Yona, A.; Senjyu, T.; Elsayed, L.; Elymany, M.; Takahashi, H. Experimental validation of an AI-embedded FPGA-based Real-Time smart energy management system using Multi-Objective Reptile search algorithm and gorilla troops optimizer. Energy Convers. Manag. 2023, 282, 116860. [Google Scholar] [CrossRef]
- Dey, B.; Bhattacharyya, B.; Basak, S. A comparative analysis between price-penalty factor method and fractional programming method for combined economic emission dispatch problem using novel hybrid CSA-JAYA algorithm. In Proceedings of the Michael Faraday IET International Summit 2020 (MFIIS 2020), Online Conference, 3–4 October 2021. [Google Scholar]
- Lotfi, H.; Khodaei, A. Hybrid AC/DC microgrid planning. Energy 2017, 118, 37–46. [Google Scholar] [CrossRef]
- Du, W.; Lasseter, R.; Khalsa, A. Survivability of autonomous microgrid during overload events. IEEE Trans. Smart Grid 2020, 4, 3515–3524. [Google Scholar]
- Liu, W. Research on frequency control of islanded microgrid with multiple distributed power sources. Processes 2020, 8, 193. [Google Scholar] [CrossRef]
- Prabaakaran, K.; Srividhya, R.; Senthil Kumar, R.; Hemanth Kumar, D.; Mohan Raj, D.; Sham Prabu, A. Energy management system for small-scale hybrid wind solar battery-based microgrid. IEEE Access 2022, 8, 8336–8345. [Google Scholar]
- Dhifli, M.; Lashab, A.; Guerrero, J.; Abusorrah, A.; Al-Turki, Y.; Cherif, A. Enhanced intelligent energy management system for a renewable energy-based AC microgrid. Energies 2020, 13, 3268. [Google Scholar] [CrossRef]
- Hossein, L.; Amin, K. AC versus DC microgrid planning. IEEE Trans. Smart Grid 2017, 8, 296–304. [Google Scholar]
- Jung, S.; Yoon, Y. Optimal operating schedule for energy storage system: Focusing on efficient energy management for microgrid. Processes 2019, 7, 80. [Google Scholar] [CrossRef]
- Vaka, S.; Matam, S. Optimal sizing and management of battery energy storage systems in microgrids for operating cost minimization. Electr. Power Compon. Syst. 2021, 49, 1319–1332. [Google Scholar] [CrossRef]
- Fouladfar, M.; Saeed, N.; Marzband, M.; Franchini, G. Home-microgrid energy management strategy considering EV’s participation in DR. Energies 2021, 14, 5971. [Google Scholar] [CrossRef]
- Li, B.; Wang, H.; Tan, Z. Capacity optimization of hybrid energy storage system for flexible islanded microgrid based on real-time price-based demand response. Int. J. Electr. Power Energy Syst. 2022, 136, 107581. [Google Scholar] [CrossRef]
- Yong, W.; Liew, P.; Woon, K.; Alwi, S.; Kleme, J. A pinch-based multi-energy targeting framework for combined chilling heating power microgrid of urban-industrial symbiosis. Renew. Sustain. Energy Rev. 2021, 150, 111482. [Google Scholar] [CrossRef]
- Abdulazizalanazi, A.; Hosseinlotfi, B.; Aminkhodaei, B. Market clearing in microgrid-integrated active distribution networks. Electr. Power Syst. Res. 2020, 183, 106263. [Google Scholar]
- Shuai, H.; He, H. Online scheduling of a residential microgrid via monte-carlo tree search and a learned model. IEEE Trans. Smart Grid 2021, 12, 1073–1087. [Google Scholar] [CrossRef]
- Ali, K.; Abusara, M.; Tahir, A.; Das, S. Dual-layer Q-learning strategy for energy management of battery storage in grid-connected microgrids. Energies 2023, 16, 1334. [Google Scholar] [CrossRef]
- Wang, Y.; Zhao, K.; Hao, Y.; Yao, Y. Short-term wind power prediction using a novel model based on butterfly optimization algorithm-variational mode decomposition-long short-term memory. Appl. Energy 2024, 366, 123313. [Google Scholar] [CrossRef]
- Xue, Y.; Yin, J.; Hou, X. Short-term wind power prediction based on multi-feature domain learning. Energies 2024, 17, 3313. [Google Scholar] [CrossRef]
- Louka, P.; Galanis, G.; Siebert, N.; Kariniotakis, G.; Katsafados, P.; Pytharoulis, I.; Kallos, G. Improvements in wind speed forecasts for wind power prediction purposes using Kalman filtering. J. Wind. Eng. Ind. Aerodyn. 2008, 96, 2348–2362. [Google Scholar] [CrossRef]
- Cutler, N.; Kay, M.; Jacka, K.; Nielsen, T. Detecting, categorizing and forecasting large romps in wind farm power output using meteorological observations and WPPT. Wind Energy 2007, 10, 453–470. [Google Scholar] [CrossRef]
- Smith, C.; Koracin, D.; Horvath, K. Day-Ahead Predictability of Complex Terrain Flows for Wind Resource Production: A Case Study of the Washoe Zephyr. Weather Forecast. 2014, 29, 1343–1355. [Google Scholar] [CrossRef]
- Giebel, G.; Landberg, L.; Kariniotakis, G.; Brownsword, R. State-of-the-Art on Methods and Software Tools for Short-Term Prediction of Wind Energy Production. Fidel. Fernández Bernal 2006, 23, 81–86. [Google Scholar]
- Lobo, M.; Sanchez, I. Aggregated wind power prediction methods based on distances between weather forecasting vectors. In Proceedings of the 2009 International Conference on Clean Electrical Power, Capri, Italy, 9–11 June 2009. [Google Scholar]
- Wang, X.; Guo, P.; Huang, X. A review of wind power forecasting models. Energy Procedia 2011, 12, 770–778. [Google Scholar] [CrossRef]
- Banakar, H.; Luo, C.; Ooi, B. Impacts of wind power minute-to-minute variations on power system operation. IEEE Trans. Power Syst. 2008, 23, 150–160. [Google Scholar] [CrossRef]
- Pope, K.; Naterer, G.; Dincer, I.; Tsang, E. Power correlation for vertical axis wind turbines with varying geometries. Int. J. Energy Res. 2011, 35, 423–435. [Google Scholar] [CrossRef]
- De Giorgi, M.; Campilongo, S.; Ficarella, A.; Congedo, P. Comparison between wind power prediction models based on wavelet decomposition with Least-Squares Support Vector Machine (LS-SVM) and Artificial Neural Network (ANN). Energies 2014, 7, 5251–5272. [Google Scholar] [CrossRef]
- Pirjan, A.; Carutasu, G.; Petrosanu, D.-M. Designing, developing, and implementing a forecasting method for the produced and consumed electricity in the case of small wind farms situated on quite complex hilly Terrain. Energies 2018, 11, 2623. [Google Scholar] [CrossRef]
- Kariniotakis, G.; Halliday, J.; Brownsword, R.; Marti, I.; Garrett, D. Next generation short-term forecasting of wind power-overview of the ANEMOS project. In Proceedings of the European Wind Energy Conference, EWEC 2006, Athens, Greece, 27 February–2 March 2006. [Google Scholar]
- Zhang, J.; Chowdhury, S.; Messac, A. A comprehensive measure of the energy resource: Wind power potential (WPP). Energy Conv. Manag. 2014, 86, 388–398. [Google Scholar] [CrossRef]
- Aggarwal, S.; Gupta, M. Wind Power Forecasting: A review of statistical models-wind power forecasting. Int. J. Energy 2013, 3, 1–10. [Google Scholar]
- Wang, W.; Liu, J.; Wu, H.; Liang, T.; Zhang, J. Investigation of application and maintenance of wind power forecasting system. Technol. Innov. Appl. 2013, 14, 55–57. [Google Scholar]
- Roberts, N. Assessing the spatial and temporal variation in the skill of precipitation forecasts from an NWP model. Meteorol. Appl. 2008, 15, 163–169. [Google Scholar] [CrossRef]
- Shan, Y.; Fu, Q.; Geng, X. Combined forecasting of photovoltaic power generation in microgrid based on the improved BP-SVM-ELM and SOM-LSF with particlization. Proc. CSEE 2016, 36, 3334–3342. [Google Scholar]
- Wai, R.-J.; Lai, P.-X. Design of Intelligent Solar PV power generation forecasting mechanism combined with weather information under lack of Real-Time power generation data. Energies 2022, 15, 3838. [Google Scholar] [CrossRef]
- Voyant, C.; Muselli, M.; Paoli, C.; Nivet, M.-L. Numerical weather prediction (NWP) and hybrid ARMA/ANN model to predict global radiation. Energy 2012, 39, 341–355. [Google Scholar] [CrossRef]
- Wang, C.; Li, M.; Cao, Y.; Lu, T. Gradient boosting dendritic network for ultra-short-term PV power prediction. Front. Energy 2024, 18, 785–798. [Google Scholar] [CrossRef]
- Yao, Z.; Pan, F.; Shen, Y. Short-term prediction of photovoltaic power generation output based on GA-BP and POS-BP neural network. Power Syst. Prot. Control 2015, 43, 83–89. [Google Scholar]
- Wang, H.; Zhang, N.; Du, E.; Yan, J.; Han, S.; Liu, Y. A comprehensive review for wind, solar, and electrical load forecasting methods. Glob. Energy Interconnect. 2022, 5, 9–30. [Google Scholar] [CrossRef]
- Liu, Z.; Guo, J.; Wang, X.; Wang, Y.; Li, W.; Wang, X.; Fan, Y.; Wang, W. Prediction of long-term photovoltaic power generation in the context of climate change. Renew. Energy 2024, 235, 121263. [Google Scholar] [CrossRef]
- Van der Meer, D.; Widen, J.; Munkhammar, J. Review on probabilistic forecasting of photovoltaic power production and electricity consumption. Renew. Sustain. Energy Rev. 2018, 81, 1484–1512. [Google Scholar] [CrossRef]
- Jsanjari, M.; Bgooi, H. Probabilistic forecast of PV power generation based on higher order Markov Chain. IEEE Trans. Power Syst. 2017, 32, 2942–2952. [Google Scholar] [CrossRef]
- Kodaira, D.; Tsukazaki, K.; Kure, T.; Kondoh, J. Improving forecast reliability for geographically distributed photovoltaic generations. Energies 2021, 14, 7340. [Google Scholar] [CrossRef]
- Li, Y.; Su, Y.; Shu, L. An ARMAX model for forecasting the power output of a grid connected photovoltaic system. Renew. Energy 2014, 66, 78–89. [Google Scholar] [CrossRef]
- Sfetsos, A. A comparison of various forecasting techniques applied to mean hourly wind speed time series. Renew. Energy 2000, 21, 23–35. [Google Scholar] [CrossRef]
- Sun, Z.; Zhao, S.; Zhang, J. Short-term wind power forecasting on multiple scales using VMD decomposition, K-Means clustering and LSTM principal computing. IEEE Access 2019, 7, 166917–166929. [Google Scholar] [CrossRef]
- Ko, M.; Lee, K.; Kim, J.; Hong, C.; Hur, K. Deep concatenated residual network with bidirectional LSTM for one-hour-ahead wind power forecasting. In Proceedings of the 2022 IEEE Power & Energy Society General Meeting (PESGM), Denver, CO, USA, 17–21 July 2022. [Google Scholar]
- Sun, Y.; Li, Z.; Yu, X.; Li, B.; Yang, M. Research on ultra-short-term wind power prediction considering source relevance. IEEE Access 2020, 8, 147703–147710. [Google Scholar] [CrossRef]
- Sun, Z.; Zhao, M. Short-term wind power forecasting based on VMD decomposition, ConvLSTM networks and error analysis. IEEE Access 2020, 8, 134422–134434. [Google Scholar] [CrossRef]
- Carrera, B.; Kim, K. Comparative analysis of machine learning techniques in predicting wind power generation: A case study of 2018–2021 data from Guatemala. Energies 2024, 17, 3158. [Google Scholar] [CrossRef]
- Sun, Y.; Zhang, S. A multiscale hybrid wind power prediction model based on least squares support vector regression-regularized extreme learning machine–multi-head attention–bidirectional gated recurrent unit and data decomposition. Energies 2024, 17, 2923. [Google Scholar] [CrossRef]
- Lin, Y.; Dai, B.; Li, Z. An ensemble method for short-term wind power prediction considering error correction strategy. Appl. Energy 2022, 322, 119475. [Google Scholar]
- Habib, M.A.; Hossain, M. Revolutionizing wind power prediction—The future of energy forecasting with advanced deep learning and strategic feature engineering. Energies 2024, 17, 1215. [Google Scholar] [CrossRef]
- Nikulins, A.; Sudars, K.; Edelmers, E.; Namatevs, I.; Ozols, K.; Komasilovs, V.; Zacepins, A.; Kviesis, A.; Reinhardt, A. Deep learning for wind and solar energy forecasting in hydrogen production. Energies 2024, 17, 1053. [Google Scholar] [CrossRef]
- Walczewski, M.; Wöhrle, H. Prediction of electricity generation using onshore wind and solar energy in Germany. Energies 2024, 17, 844. [Google Scholar] [CrossRef]
- Habtemariam, E.; Kekeba, K.; Martínez-Ballesteros, M.; Martínez-Álvarez, F. A bayesian optimization-based LSTM model for wind power forecasting in the adama district, ethiopia. Energies 2023, 16, 2317. [Google Scholar] [CrossRef]
- Zhou, B.; Ma, X.; Luo, Y.; Yang, D. Wind power prediction based on LSTM networks and nonparametric kernel density sstimation. IEEE Access 2019, 7, 165279–165292. [Google Scholar] [CrossRef]
- Rushdi, M.; Yoshida, S.; Watanabe, K.; Ohya, Y.; Ismaiel, A. Deep learning approaches for power prediction in wind-solar tower systems. Energies 2024, 17, 3630. [Google Scholar] [CrossRef]
- Yu, Y.; Cao, J.; Zhu, J. An LSTM short-term solar irradiance forecasting under complicated weather conditions. IEEE Access 2019, 7, 145651–145666. [Google Scholar] [CrossRef]
- Tastu, J.; Pinson, P.; Kotwa, E.; Madsen, H.; Nielsen, H. Spatio-temporal analysis and modeling of short-term wind power forecast errors. Wind Energy 2011, 14, 43–60. [Google Scholar] [CrossRef]
- Hossain, M.; Mahmood, H. Short-term photovoltaic power forecasting using an LSTM neural network and synthetic weather forecast. IEEE Access 2020, 8, 172524–172533. [Google Scholar] [CrossRef]
- Wang, C.; Liu, Z.; Wei, H.; Chen, L.; Zhang, H. Hybrid deep learning model for short-term wind speed forecasting based on time series decomposition and gated recurrent unit. Complex Syst. Model. Simul. 2021, 1, 14. [Google Scholar] [CrossRef]
- Mujeeb, S.; Alghamdi, T.; Ullah, S.; Fatima, A.; Saba, T. Exploiting deep learning for wind power forecasting based on big data analytics. Appl. Sci. 2019, 9, 4417. [Google Scholar] [CrossRef]
- Massaoudi, M.; Chihi, I.; Sidhom, L.; Trabelsi, M.; Oueslati, F. An effective hybrid NARX-LSTM model for point and interval PV power forecasting. IEEE Access 2021, 9, 36571–36588. [Google Scholar] [CrossRef]
- Cheng, H.-Y.; Yu, C.-C. Solar power generation forecast using multivariate convolution gated recurrent unit network. Energies 2024, 17, 3073. [Google Scholar] [CrossRef]
- Aksan, F.; Suresh, V.; Janik, P. Optimal capacity and charging scheduling of battery storage through forecasting of photovoltaic power production and electric vehicle charging demand with deep learning models. Energies 2024, 17, 2718. [Google Scholar] [CrossRef]
- Medina, S.; Ajenjo, U. Performance improvement of artificial neural network model in short-term forecasting of wind farm power output. J. Mod. Power Syst. Clean Energy 2020, 8, 484–490. [Google Scholar] [CrossRef]
- Wang, S.; Li, M.; Zhao, L.; Jin, C. Short-term wind power prediction based on improved small-world neural network. Neural Comput. Appl. 2018, 31, 3173–3185. [Google Scholar] [CrossRef]
- Buhan, S.; Cadirci, I. Multistage wind-electric power forecast by using a combination of advanced statistical methods. IEEE Trans. Ind. Inform. 2015, 11, 1231–1242. [Google Scholar] [CrossRef]
- Couto, A.; Estanqueiro, A. Wind power plants hybridised with solar power: A generation forecast perspective. J. Clean. Prod. 2023, 423, 138791–138793. [Google Scholar] [CrossRef]
- Shi, J.; Ding, Z.; Lee, W.; Yang, Y. Hybrid forecasting model for very-short term wind power forecasting based on grey relational analysis and wind speed distribution features. IEEE Trans. Smart Grid 2014, 5, 521–526. [Google Scholar] [CrossRef]
- Zhang, C.; Wei, H.; Xie, L.; Shen, Y. Direct interval forecasting of wind speed using radial basis function neural networks in a multi-objective optimization framework. Neuruting 2016, 205, 53–63. [Google Scholar] [CrossRef]
- Wu, W.; Peng, M. A data mining approach combining K-Means clustering with bagging neural network for short-term wind power forecasting. IEEE Internet Things J. 2017, 4, 979–986. [Google Scholar] [CrossRef]
- Liang, G.; Su, Y.; Chen, F.; Long, H.; Gan, Y. Wind power curve data cleaning by image thresholding based on class uncertainty and shape dissimilarity. IEEE Trans. Sustain. Energy 2020, 12, 1383–1393. [Google Scholar] [CrossRef]
- Zhou, B.; Duan, H.; Wu, Q.; Wang, H.; Meng, Y. Short-term prediction of wind power and its ramp events based on semi-supervised generative adversarial network. Int. J. Electr. Power Energy Syst. 2021, 125, 106411. [Google Scholar] [CrossRef]
- Tang, J.; Heng, J.; Deng, Y.; Hu, J.; Luo, Q. Conformalized temporal convolutional quantile regression networks for wind power interval forecasting. Energy 2022, 248, 214. [Google Scholar]
- Yang, D.; Guo, J.; Li, Y.; Sun, S.; Wang, S.; Lund, H.; Kaiser, M. Short-term load forecasting with an improved dynamic decomposition-reconstruction-ensemble approach. Energy 2023, 263, 125609. [Google Scholar] [CrossRef]
- Si, Z.; Yang, M.; Yu, Y.; Ding, T. Photovoltaic power forecast based on satellite images considering effects of solar position. Appl. Energy 2021, 302, 117514. [Google Scholar] [CrossRef]
- Liao, S.; Tian, X.; Liu, B.; Liu, T.; Su, H.; Zhou, B. Short-term wind power prediction based on LightGBM and meteorological reanalysis. Energies 2022, 15, 6287. [Google Scholar] [CrossRef]
- Yang, X.; Wang, S.; Meng, L. Short-term photovoltaic power prediction with similar-day integrated by BP-AdaBoost based on the Grey-Markov model. Electr. Power Syst. Res. 2023, 215 Pt A, 108961–108966. [Google Scholar] [CrossRef]
- Zhang, Z.; Deng, A.; Wang, Z.; Li, J.; Zhao, H.; Yang, X. Wind power prediction based on EMD-KPCA-BiLSTM-ATT model. Energies 2024, 17, 2568. [Google Scholar] [CrossRef]
- Famoso, F.; Oliveri, L.; Brusca, S.; Chiacchio, F. A dependability neural network approach for short-term production estimation of a wind power plant. Energies 2024, 17, 1627. [Google Scholar] [CrossRef]
- Zhou, W.; Xin, M.; Wang, Y.; Yang, C.; Liu, S.; Zhang, R.; Liu, X.; Zhou, L. An ultra-short-term wind power prediction method based on CNN-LSTM. In Proceedings of the 2024 IEEE 7th Advanced Information Technology, Electronic and Automation Control Conference (IAEAC), Chongqing, China, 15–17 March 2024. [Google Scholar]
- Sharma, S.; Majumdar, A.; Arregui, V.; Chouzenoux, E. Blind kalman filtering for short-term load forecasting. IEEE Trans. Power Syst. 2020, 35, 4916–4919. [Google Scholar] [CrossRef]
- Jiang, H.; Zhang, Y.; Muljadi, E.; Zhang, J.; Gao, W. A short-term and high-resolution distribution system load forecasting approach using support vector regression with hybrid parameters optimization. IEEE Trans. Smart Grid 2017, 9, 3341–3350. [Google Scholar] [CrossRef]
- Chitsaz, H.; Shaker, H.; Zareipour, H.; Wood, D.; Amjady, N. Short-term electricity load forecasting of buildings in microgrids. Energy Build. 2015, 99, 56. [Google Scholar] [CrossRef]
- Chen, K.; Chen, K.; Wang, Q.; He, Z.; Hu, J.; He, J. Short-term load forecasting with deep residual networks. IEEE Trans. Smart Grid 2019, 10, 3943–3952. [Google Scholar] [CrossRef]
- Talaat, M.; Farahat, M.; Mansour, N.; Hatata, A. Load forecasting based on grasshopper optimization and a multilayer feed-forward neural network using regressive approach. Energy 2020, 196, 117081–117087. [Google Scholar] [CrossRef]
- Spyridon, C.; Athanasios, N.; Petros, I.; Konstantinos, A.; Nikos, N.; Panagiotis, G.; Christos, Y.; Ioannis, A.; Emmanuel, K. Smart energy management algorithm for load smoothing and peak shaving based on load forecasting of an island’s power system. Appl. Energy 2019, 238, 627–642. [Google Scholar]
- Cai, Q.; Yan, B.; Su, B.; Liu, S.; Xiang, M.; Wen, Y.; Cheng, Y.; Feng, N. Short-term load forecasting method based on deep neural network with sample weights. Int. Trans. Electr. Energy Syst. 2020, 30, e12340. [Google Scholar] [CrossRef]
- Tan, Z.; De, G.; Li, M.; Lin, H.; Tan, Q. Combined electricity-heat-cooling-gas load forecasting model for integrated energy system based on multi-task learning and least square support vector machine. J. Clean. Prod. 2019, 248, 119252. [Google Scholar] [CrossRef]
- Wu, D.; Wang, B.; Precup, D.; Boulet, B. Multiple kernel learning-based transfer regression for electric load forecasting. IEEE Trans. Smart Grid 2019, 11, 1183–1192. [Google Scholar] [CrossRef]
- Jian, L.; Tao, H.; Meng, Y. Real-time anomaly detection for very short-term load forecasting. J. Mod. Power Syst. Clean Energy 2018, 6, 235–243. [Google Scholar]
- Lin, J.; Ma, J.; Zhu, J.; Cui, Y. Short-term load forecasting based on LSTM networks considering attention mechanism. Int. J. Electr. Power Energy Syst. 2022, 137, 107818. [Google Scholar] [CrossRef]
- Wang, Y.; Chen, Q.; Gan, D.; Yang, J.; Kirschen, D.; Kang, C. Deep larning-based socio-demographic information identification from smart meter data. IEEE Trans. Smart Grid 2018, 10, 2593–2602. [Google Scholar] [CrossRef]
- Zhang, B.; Wu, J.; Chang, P. A multiple time series-based recurrent neural network for short-term load forecasting. Soft Comput. 2017, 22, 4099–4112. [Google Scholar] [CrossRef]
- Kwon, B.; Park, R.; Song, K. Short-term load forecasting based on deep neural networks using LSTM layer. J. Electr. Eng. Technol. 2020, 15, 1501–1509. [Google Scholar] [CrossRef]
- Kiruthiga, D.; Manikandan, V. Levy flight-particle swarm optimization-assisted BiLSTM+dropout deep learning model for short-term load forecasting. Neural Comput. Appl. 2023, 35, 2679–2700. [Google Scholar] [CrossRef]
- Xue, P.; Jiang, Y.; Zhou, Z.; Chen, X.; Fang, X.; Liu, J. Multi-step ahead forecasting of heat load in district heating systems using machine learning algorithms. Energy 2019, 1, 116085. [Google Scholar] [CrossRef]
- Xu, C.; Li, C.; Zhou, X. Interpretable LSTM based on mixture attention mechanism for multi-step residential load forecasting. Electronics 2022, 11, 2189. [Google Scholar] [CrossRef]
- Zhang, L.; Shi, J.; Wang, L.; Xu, C. Electricity, heat, and gas load forecasting based on deep multitask learning in industrial-park integrated energy system. Entropy 2020, 22, 1355. [Google Scholar] [CrossRef]
- Cao, Z.; Wan, C.; Zhang, Z.; Li, F.; Song, Y. Hybrid ensemble deep learning for deterministic and probabilistic low-voltage load forecasting. IEEE Trans. Power Syst. 2019, 35, 1881–1897. [Google Scholar] [CrossRef]
- Massaoudi, M.; Refaat, S.; Chihi, I.; Trabelsi, M.; Oueslati, F.; Aburub, H.; Lund, H.; Kaiser, M. A novel stacked generalization ensemble-based hybrid LGBM-XGB-MLP model for Short-Term Load Forecasting. Energy 2021, 214, 118874. [Google Scholar] [CrossRef]
- Cai, M.; Pipattanasomporn, M.; Rahman, S. Day-ahead building-level load forecasts using deep learning vs. traditional time-series techniques. Appl. Energy 2019, 236, 1078–1088. [Google Scholar] [CrossRef]
- Aouad, M.; Hajj, H.; Shaban, K.; Jabr, R.; El-Hajj, W. A CNN-Sequence-to-Sequence network with attention for residential short-term load forecasting. Electr. Power Syst. Res. 2022, 211, 108152. [Google Scholar] [CrossRef]
- Zhang, G.; Bai, X.; Wang, Y. Short-time multi-energy load forecasting method based on CNN-Seq2Seq model with attention mechanism. Mach. Learn. Appl. 2021, 5, 100064. [Google Scholar] [CrossRef]
- Zheng, J.; Zhang, L.; Chen, J.; Wu, G.; Ni, S.; Hu, Z.; Weng, C.; Chen, Z. Multiple-load forecasting for integrated energy system based on Copula-DBiLSTM. Energies 2021, 14, 2188. [Google Scholar] [CrossRef]
- Wang, X.; Wang, S.; Zhao, Q.; Wang, S.; Fu, L. A multi-energy load prediction model based on deep multi-task learning and ensemble approach for regional integrated energy systems. Int. J. Electr. Power Energy Syst. 2021, 126, 106583. [Google Scholar]
- Imani, M. Electrical load-temperature CNN for residential load forecasting. Energy 2021, 227, 120480. [Google Scholar] [CrossRef]
- Alfieri, L.; Falco, P. Wavelet-based decompositions in probabilistic load forecasting. IEEE Trans. Smart Grid 2019, 11, 1367–1376. [Google Scholar] [CrossRef]
- Kassa, Y.; Zhang, J.; Zheng, D. EMD-PSO-ANFIS based hybrid approach for short-term load forecasting in microgrids. IET Gener. Transm. Distrib. 2019, 14, 470–475. [Google Scholar]
- Meng, Z.; Xie, Y.; Sun, J. Short-term load forecasting using neural attention model based on EMD. Electr. Eng. 2022, 104, 1857–1866. [Google Scholar] [CrossRef]
- Jin, Y.; Guo, H.; Wang, J.; Song, A. A hybrid system based on LSTM for short-term power load forecasting. Energies 2020, 13, 6241. [Google Scholar] [CrossRef]
- Edris, A.; Adapa, R.; Baker, M.; Bohmann, L.; Wood, R. Proposed terms and definitions for flexible AC transmission system (FACTS). IEEE Trans. Power Deliv. 1997, 12, 1848–1853. [Google Scholar]
- Morren, J.; Haan, S.; Ferreira, J. Contribution of DG units to primary frequency control. Eur. Trans. Electr. Power 2006, 16, 507–521. [Google Scholar] [CrossRef]
- Beck, H.; Hesse, R. Virtual synchronous machine. In Proceedings of the IEEE 2007 European Transactions on Electrical Power Electrical Power Quality and Utilisation, Barcelona, Spain, 9–11 October 2007. [Google Scholar]
- Visscher, K.; Haan, S. Virtual synchronous machines (VSG’S) for frequency stabilisation in future grids with a significant share of decentralized generation. In Proceedings of the IET-CIRED, CIRED Seminar SmartGrids for Distribution, Frankfurt, Germany, 23–24 June 2008. [Google Scholar]
- Zhong, Q.; Weiss, G. Synchronverters: Inverters that mimic synchronous generators. IEEE Trans. Ind. Electron. 2011, 58, 1259–1267. [Google Scholar] [CrossRef]
- D’arco, S.; Suul, J.A.; Fosso, O.B. Control system tuning and stability analysis of Virtual Synchronous Machines. In Proceedings of the 2013 IEEE Energy Conversion Congress and Exposition, Denver, CO, USA, 15–19 September 2013. [Google Scholar]
- Singh, S.; Singh, R.; Ashfaq, H.; Sharma, S. Virtual synchronous machine using ant colony optimization in inverter interfaced distributed generation (IIDG). J. Electr. Eng. Technol. 2023, 18, 167–179. [Google Scholar] [CrossRef]
- Orihara, D.; Taoka, H.; Kikusato, H.; Hashimoto, J.; Otani, K.; Takamatsu, T.; Oozeki, T.; Matsuura, T.; Miyazaki, S.; Hamada, H. Internal induced voltage modification for current limitation in virtual synchronous machine. Energies 2022, 15, 901. [Google Scholar] [CrossRef]
- Dai, Y.; Zhang, L.; Chen, Q.; Zhou, K.; Hua, T. Multi-VSG-based frequency regulation for uninterruptible power AC micro-grid with distributed electric vehicles. Int. J. Electr. Power Energy Syst. 2022, 137, 107785. [Google Scholar] [CrossRef]
- Choopani, M.; Hosseinain, S.; Vahidi, B. A novel comprehensive method to enhance stability of multi-VSG grids. Int. J. Electr. Power Energy Syst. 2019, 104, 502–514. [Google Scholar] [CrossRef]
- Hou, X.; Sun, Y.; Zhang, X.; Lu, J.; Wang, P.; Mguerrero, J. Improvement of frequency regulation in VSG-based AC microgrid via adaptive virtual inertia. IEEE Trans. Power Electron. 2020, 35, 1589–1602. [Google Scholar] [CrossRef]
- Xi, J.; Geng, H.; Yang, G.; Ma, S. Inertial response analysis of PMSG-based WECS with VSG control. J. Eng. 2017, 2017, 897–901. [Google Scholar] [CrossRef]
- Shintai, T.; Miura, Y.; Ise, T. Oscillation damping of a distributed generator using a virtual synchronous generator. IEEE Trans. Power Deliv. 2014, 29, 668–676. [Google Scholar] [CrossRef]
- Wang, F.; Zhang, L.; Feng, X.; Guo, H. An adaptive control strategy for virtual synchronous generator. IEEE Trans. Ind. Appl. 2018, 54, 5124–5133. [Google Scholar] [CrossRef]
- Zhou, L.; Liu, S.; Chen, Y.; Yi, W.; Wang, S.; Zhou, X.; Wu, W.; Zhou, J.; Xiao, C.; Liu, A. Harmonic current and inrush fault current coordinated suppression method for VSG under non-ideal grid condition. IEEE Trans. Power Electron. 2021, 36, 1030–1042. [Google Scholar] [CrossRef]
- Liu, J.; Miura, Y.; Bevrani, H.; Ise, T. Enhanced virtual synchronous generator control for parallel inverters in microgrids. IEEE Trans. Smart Grid 2017, 8, 2268–2277. [Google Scholar] [CrossRef]
- Wu, H.; Wang, X. A Mode-Adaptive Power-angle control method for transient stability enhancement of virtual synchronous generators. IEEE J. Emerg. Sel. Top. Power Electron. 2020, 8, 1034–1049. [Google Scholar] [CrossRef]
- Rchowdhury, V.; Divan, D. Lyapunov energy function based direct power control of synchronverters under unbalanced grid voltage conditions. In Proceedings of the 2021 IEEE Energy Conversion Congress and Exposition (ECCE), Vancouver, BC, Canada, 10–14 October 2021. [Google Scholar]
- Cai, Y.; Qi, D. A distributed VSG control method for a battery energy storage system with a cascaded H-bridge in a grid-connected mode. Glob. Energy Interconnect. 2022, 5, 343–352. [Google Scholar] [CrossRef]
- Wang, S.; Hu, J.; Yuan, X. Virtual synchronous control for grid-connected DFIG-based wind turbines. IEEE J. Emerg. Sel. Top. Power Electron. 2015, 3, 932–944. [Google Scholar] [CrossRef]
- Meng, J.; Sun, Y.; Wang, B. Cooperative adaptive inertial control for PV and energy storage units with multiple constraints. IET Renew. Power Gener. 2022, 16, 2076–2087. [Google Scholar] [CrossRef]
- Liu, K.; Qian, T.; Zhang, W.; Wu, S.; Han, R.; Hou, K.; Wu, Z.; Hu, Q. Review on small-signal stability of multiple virtual synchronous generators. Renew. Sustain. Energy Rev. 2025, 215, 115543. [Google Scholar] [CrossRef]
- Wang, X.; Wen, X.; Wang, S.; Zhao, X.; Niu, C. Stability analysis of multi-parallel inverters with different control strategies based on global admittance. Electr. Power Syst. Res. 2025, 241, 111373. [Google Scholar] [CrossRef]
- Long, B.; Yang, W.; Zhu, S.; Cao, T.; Guerrero, J.; Rodriguez, J.; Zang, X. Power-frequency admittance model of multi-VSGs grid-connected system considering power coupling. Int. J. Electr. Power Energy Syst. 2024, 155, 109513. [Google Scholar] [CrossRef]
- Lin, J.; Liu, S.; Tian, M.; Huang, M.; Wang, G. Power oscillation suppression of multi-VSG based on both consensus and model predictive control. Int. J. Electr. Power Energy Syst. 2024, 155, 109459. [Google Scholar] [CrossRef]
- Aaradwan, A.; Arimohamed, Y. Linear active stabilization of converter-dominated DC microgrids. IEEE Trans. Smart Grid 2012, 1, 203–216. [Google Scholar]
- Ahmadi, S.; Sadeghi, D.; Marzband, M.; Abusorrah, A.; Sedraoui, K. Decentralized bi-level stochastic optimization approach for multi-agent multi-energy networked micro-grids with multi-energy storage technologies. Energy 2022, 245, 123223. [Google Scholar] [CrossRef]
- Hu, C.; Chen, K.; Luo, S.; Zhou, B.; Ding, L. Small signal modeling and stability analysis of virtual synchronous generators. In Proceedings of the 2017 20th International Conference on Electrical Machines and Systems (ICEMS), Sydney, Australia, 11–14 August 2017. [Google Scholar]
- Turner, R.; Walton, S.; Duke, R. A Case Study on the Application of the nyquist stability criterion as applied to interconnected loads and sources on grids. IEEE Trans. Ind. Electron. 2013, 60, 2740–2749. [Google Scholar] [CrossRef]
- Wang, W.; Zhang, X.; Xiao, F. Effect of grid-connected solid oxide fuel cell power generation on power systems small-signal stability. IET Renew. Power Gener. 2012, 6, 24–37. [Google Scholar]
- Rodríguez-cabero, A.; Roldán-pérez, J.; Prodanovic, M. Virtual impedance design considerations for virtual synchronous machines in weak grids. IEEE J. Emerg. Sel. Top. Power Electron. 2020, 8, 1477–1489. [Google Scholar] [CrossRef]
- Wu, H.; Ruan, X.; Yang, D.; Chen, X.; Zhao, W.; Lv, Z.; Zhong, Q. Small-signal modeling and parameters design for virtual synchronous generators. IEEE Trans. Ind. Electron. 2016, 63, 4292–4303. [Google Scholar] [CrossRef]
- Chen, J.; O’donnell, T. Parameter constraints for virtual synchronous generator considering stability. IEEE Trans. Power Syst. 2019, 34, 2479–2481. [Google Scholar] [CrossRef]
- D’arco, S.; Suul, J.A.; Fosso, O.B. Small-signal modelling and parametric sensitivity of a Virtual Synchronous Machine. In Proceedings of the 2014 Power Systems Computation Conference, Wroclaw, Poland, 18–22 August 2014. [Google Scholar]
- Wang, S.; Liu, Z.; Liu, J. Modeling of D-Q small-signal impedance of Virtual Synchronous Generator. In Proceedings of the 2018 IEEE International Power Electronics and Application Conference and Exposition (PEAC), Shenzhen, China, 4–7 November 2018. [Google Scholar]
- Li, W.; Wei, J.; Shi, J.; Li, F. Full-band output impedance model of Virtual Synchronous Generator in dq framework. In Proceedings of the 2018 International Power Electronics Conference (IPEC-Niigata 2018-ECCE Asia), Niigata, Japan, 20–24 May 2018. [Google Scholar]
- Chen, M.; Zhou, D.; Blaabjerg, F. Active power oscillation damping based on acceleration control in paralleled Virtual Synchronous Generators system. IEEE Trans. Power Electron. 2021, 36, 9501–9510. [Google Scholar] [CrossRef]
- Jia, Y.; Xiao, J.; Jia, B.; Wang, Y.; Li, Z.; Pan, Y. Adaptive time constant control strategy for Micro-Grid based on improved droop control. In Proceedings of the 2020 IEEE/IAS Industrial and Commercial Power System Asia (I&CPS Asia), Weihai, China, 13–15 July 2020. [Google Scholar]
- Xiong, X.; Wu, C.; Blaabjerg, F. An improved synchronization stability method of Virtual Synchronous Generators based on frequency feedforward on reactive power control loop. IEEE Trans. Power Electron. 2021, 36, 9136–9148. [Google Scholar] [CrossRef]
- Lou, G.; Yang, Q.; Gu, W.; Quan, X.; Mguerrero, J.; Li, S. Analysis and design of hybrid harmonic suppression scheme for VSG considering nonlinear loads and distorted grid. IEEE Trans. Energy Convers. 2021, 36, 3096–3107. [Google Scholar] [CrossRef]
- D’Arco, S.; Suul, J.; Fosso, O. Small-signal modeling and parametric sensitivity of a virtual synchronous machine in islanded operation. Int. J. Electr. Power Energy Syst. 2015, 72, 3–15. [Google Scholar] [CrossRef]
- D’Arco, S.; Suul, J.; Fosso, O. A virtual synchronous machine implementation for distributed control of power converters in Smart Grids. Electr. Power Syst. Res. 2015, 122, 180–197. [Google Scholar] [CrossRef]
- Wu, H.; Wang, X. Design-oriented transient stability analysis of Grid-Connected converters with power synchronization control. IEEE Trans. Ind. Electron. 2019, 66, 6473–6482. [Google Scholar] [CrossRef]
- Choopani, M.; Hhosseinian, S.; Vahidi, B. New transient stability and LVRT improvement of Multi-VSG grids using the frequency of the center of inertia. IEEE Trans. Power Syst. 2020, 35, 527–538. [Google Scholar] [CrossRef]
- Alipoor, J.; Miura, Y.; Ise, T. Stability Assessment and optimization methods for microgrid with multiple VSG units. IEEE Trans. Smart Grid 2018, 9, 1462–1471. [Google Scholar] [CrossRef]
- Cheng, H.; Shuai, Z.; Shen, C.; Liu, X.; Li, Z.; Jshen, Z. Transient angle stability of paralleled synchronous and virtual synchronous generators in islanded microgrids. IEEE Trans. Power Electron. 2020, 35, 8751–8765. [Google Scholar] [CrossRef]
- Alipoor, J.; Miura, Y.; Ise, T. Power system stabilization using Virtual Synchronous Generator with alternating moment of inertia. IEEE J. Emerg. Sel. Top. Power Electron. 2015, 3, 451–458. [Google Scholar] [CrossRef]
- Pan, D.; Wang, X.; Liu, F.; Shi, R. Transient stability of voltage-source converters with Grid-Forming control: A design-oriented study. IEEE J. Emerg. Sel. Top. Power Electron. 2020, 8, 1019–1033. [Google Scholar] [CrossRef]
- Vetoshkin, L.; Müller, Z. Dynamic Stability improvement of power system by means of STATCOM with virtual inertia. IEEE Access 2021, 9, 116105–116114. [Google Scholar] [CrossRef]
- Yazdani, S.; Ferdowsi, M. Robust backstepping control of synchronverters under unbalanced grid condition. In Proceedings of the 2019 IEEE Power and Energy Conference at Illinois (PECI), Champaign, IL, USA, 28 February–1 March 2019. [Google Scholar]
- Ding, X.; Cao, J. Deep and reinforcement learning in Virtual Synchronous Generator: A Comprehensive Review. Energies 2024, 17, 2620. [Google Scholar] [CrossRef]
- Zhang, X.; Liu, H.; Cao, Y.; Fu, Y.; Huang, Y.; Li, Y. Virtual shaft control of Virtual Synchronous Generator with nonlinear stiffness for power oscillation suppression. IEEE Trans. Power Deliv. 2025, 40, 497–508. [Google Scholar] [CrossRef]
- Citro, C.; Al-Numay, M.; Siano, P. Extensive assessment of virtual synchronous generators in intentional island mode. Int. J. Electr. Power Energy Syst. 2024, 157, 109853. [Google Scholar] [CrossRef]
- Blekos, K.; Brand, D.; Ceschini, A.; Chou, C.-H.; Li, R.-H.; Pandya, K.; Summer, A. A review on Quantum approximate optimization algorithm and its variants. Phys. Rep. 2024, 1068, 1–66. [Google Scholar] [CrossRef]
- Dui, H.; Zhang, S.; Dong, X.; Wu, S. Digital twin-enhanced opportunistic maintenance of smart microgrids based on the risk importance measure. Reliab. Eng. Syst. Saf. 2025, 253, 110548. [Google Scholar] [CrossRef]
- Shi, J.; Liu, N.; Huang, Y.; Ma, L. An Edge Computing-oriented net power forecasting for PV-assisted charging station: Model complexity and forecasting accuracy trade-off. Appl. Energy 2022, 310, 118456. [Google Scholar] [CrossRef]
- Rajaguru, V.; Annapoorani, K. Virtual synchronous generator based superconducting magnetic energy storage unit for load frequency control of micro-grid using African vulture optimization algorithm. J. Energy Storage 2023, 65, 107343. [Google Scholar] [CrossRef]











| Prediction Model | Core Technology/Algorithm | Prediction Horizon | Key Strengths/Focus Area | Typical Input Data | Reference |
|---|---|---|---|---|---|
| Prediktor | Physical modeling (NWP + wake modeling) | Short-Medium | Physical accuracy, terrain effects | NWP, terrain data | Louka et al. [88] |
| WPPT | AR models, transfer functions (Statistical) | Short-Term | Computational efficiency, simplicity | Historical power, simple meteo | Cutler et al. [89] |
| Zephry | Mesoscale modeling (Phys) + Kalman filter (Stat) | Short-Term | Hybrid approach, data assimilation | NWP, SCADA data | Smith et al. [90] |
| Previento | CFD modeling (Phys) + Statistical post-proc | Short-Term | High spatial resolution, local effects | Detailed NWP, site specifics | Giebel et al. [91] |
| Sipreolico | Multi-scale meteo + ML + Data assimilation | Multi-scale | Multi-scale integration, optimization | Multi-source meteo, power data | Lobo et al. [92] |
| AWPPS | Fuzzy neural network (AI) | Short-Term | Handling uncertainty, non-linearity | Historical power, meteo data | Wang et al. [93] |
| LocalPred-RegioPred | Phys model + ML correction + Cross-scale | Multi-scale | Regional adaptation, error correction | NWP, regional power, ML features | Banakar et al. [94] |
| WEPROG-MSEPS | Deep integration phys models + Stat learning | Short-Medium | Robustness, hybrid performance | High-res NWP, historical stats | Pope et al. [95] |
| AWPT | Fuzzy neural network (AI) | Short-Term | Pattern recognition, adaptability | Historical power, meteo data | De Giorgi et al. [96] |
| GH-FORECASTER | Adaptive regression (Stat/AI) | Short-Term | Adaptability to changing conditions | Real-time data streams | Pirjan et al. [97] |
| ANEMOS | Hybrid model | All, esp. Extreme | Extreme weather forecasting | NWP, ensemble forecasts | Kariniotakis et al. [98] |
| WPP | Physical + statistical method | Short-Medium | General purpose, flexibility | NWP, historical data | Zhang et al. [99] |
| WPFS | B/S structure, cross-platform | Up to 144 h (Medium) | Practical deployment, long horizon | NWP, operational constraints | Aggarwal et al. [100] |
| NSF3100 | BP-ANN (AI) + Refined techniques | Short-Term | Statistical learning, data refinement | Historical power, processed meteo | Wang et al. [101] |
| Classification Angle | Predictive Classification | Core Methodology/Algorithm Examples | Key Characteristics/Applications | Reference |
|---|---|---|---|---|
| Methodological approach | Physical method | Sky imagery, irradiance modeling, PV cell physics | Based on first principles, good for clear sky | Roberts et al. [102] |
| Statistical method | ARIMA, Regression (linear, nonlinear) | Simpler, relies on historical patterns | Shan et al. [103] | |
| AI/Deep learning method | ANN (BP, RNN, LSTM, GRU), SVM, Ensemble Methods (RF, GBDT) | Handles non-linearity, complex patterns, big data | Wai et al. [104] | |
| Hybrid method | e.g., Phys + Stat, Phys + AI, AI ensemble | Combines strengths, aims for robustness and accuracy | Voyant et al. [105] | |
| Forecasting horizon | Ultra short-term prediction | Minutes to 6 h | Grid balancing, real-time dispatch | Wang et al. [106] |
| Short-term prediction | 6 h to 72 h | Unit commitment, market bidding | Yao et al. [107] | |
| Medium-term prediction | 3 days to 2 weeks | Maintenance planning, resource assessment | Wang et al. [108] | |
| Long-term prediction | Weeks to years | Investment planning, policy making | Liu et al. [109] | |
| Forecast output type | Point forecast | Single expected value | Most common, simple | Van der Meer et al. [110] |
| Probabilistic forecast | CDF, quantiles | Quantifies uncertainty, risk-aware decisions | Sanjari et al. [111] | |
| Interval forecast | Prediction intervals (e.g., PIs) | Provides range of likely values | Kodaira et al. [112] |
Disclaimer/Publisher’s Note: The statements, opinions and data contained in all publications are solely those of the individual author(s) and contributor(s) and not of MDPI and/or the editor(s). MDPI and/or the editor(s) disclaim responsibility for any injury to people or property resulting from any ideas, methods, instructions or products referred to in the content. |
© 2025 by the authors. Licensee MDPI, Basel, Switzerland. This article is an open access article distributed under the terms and conditions of the Creative Commons Attribution (CC BY) license (https://creativecommons.org/licenses/by/4.0/).
Share and Cite
Miao, L.; Zhou, N.; Ma, J.; Liu, H.; Zhao, J.; Wei, X.; Yin, J. Current Status, Challenges and Future Perspectives of Operation Optimization, Power Prediction and Virtual Synchronous Generator of Microgrids: A Comprehensive Review. Energies 2025, 18, 3557. https://doi.org/10.3390/en18133557
Miao L, Zhou N, Ma J, Liu H, Zhao J, Wei X, Yin J. Current Status, Challenges and Future Perspectives of Operation Optimization, Power Prediction and Virtual Synchronous Generator of Microgrids: A Comprehensive Review. Energies. 2025; 18(13):3557. https://doi.org/10.3390/en18133557
Chicago/Turabian StyleMiao, Ling, Ning Zhou, Jianwei Ma, Hao Liu, Jian Zhao, Xiaozhao Wei, and Jingyuan Yin. 2025. "Current Status, Challenges and Future Perspectives of Operation Optimization, Power Prediction and Virtual Synchronous Generator of Microgrids: A Comprehensive Review" Energies 18, no. 13: 3557. https://doi.org/10.3390/en18133557
APA StyleMiao, L., Zhou, N., Ma, J., Liu, H., Zhao, J., Wei, X., & Yin, J. (2025). Current Status, Challenges and Future Perspectives of Operation Optimization, Power Prediction and Virtual Synchronous Generator of Microgrids: A Comprehensive Review. Energies, 18(13), 3557. https://doi.org/10.3390/en18133557

