Multi-Mode Operation and Coordination Control Strategy Based on Energy Storage and Flexible Multi-State Switch for the New Distribution Network During Grid-Connected Operation
Abstract
1. Introduction
- (1)
- A coordinated control strategy based on the E-FMSS is proposed, with the objectives of improving the power supply reliability, realizing the load balance, and extending the power supply time for the fault feeder load.
- (2)
- Different working modes in the coordinated control strategy are established according to the working states of the transformers, the types and positions of fault feeders, as well as the battery’s state of charge (SOC) during the flexible interconnection and load transfer operational state.
- (3)
- Switching strategies for the planned and the unplanned feeder off-grids are proposed, respectively, to improve the DC bus voltage shock problem during feeder switching. For the former, a switching control sequence among different converters is developed. For the latter, a power feed-forward control strategy is introduced into the control strategy of the battery.
- (4)
- An improved drop control strategy of the battery with the off-grid phase-locked function is proposed to address the phase asynchronous problem quickly during the feeder off-grid.
2. Control Principle and Operational State Analysis of the New Distribution Network
2.1. Topological Structure of the New Distribution Network with E-FMSS
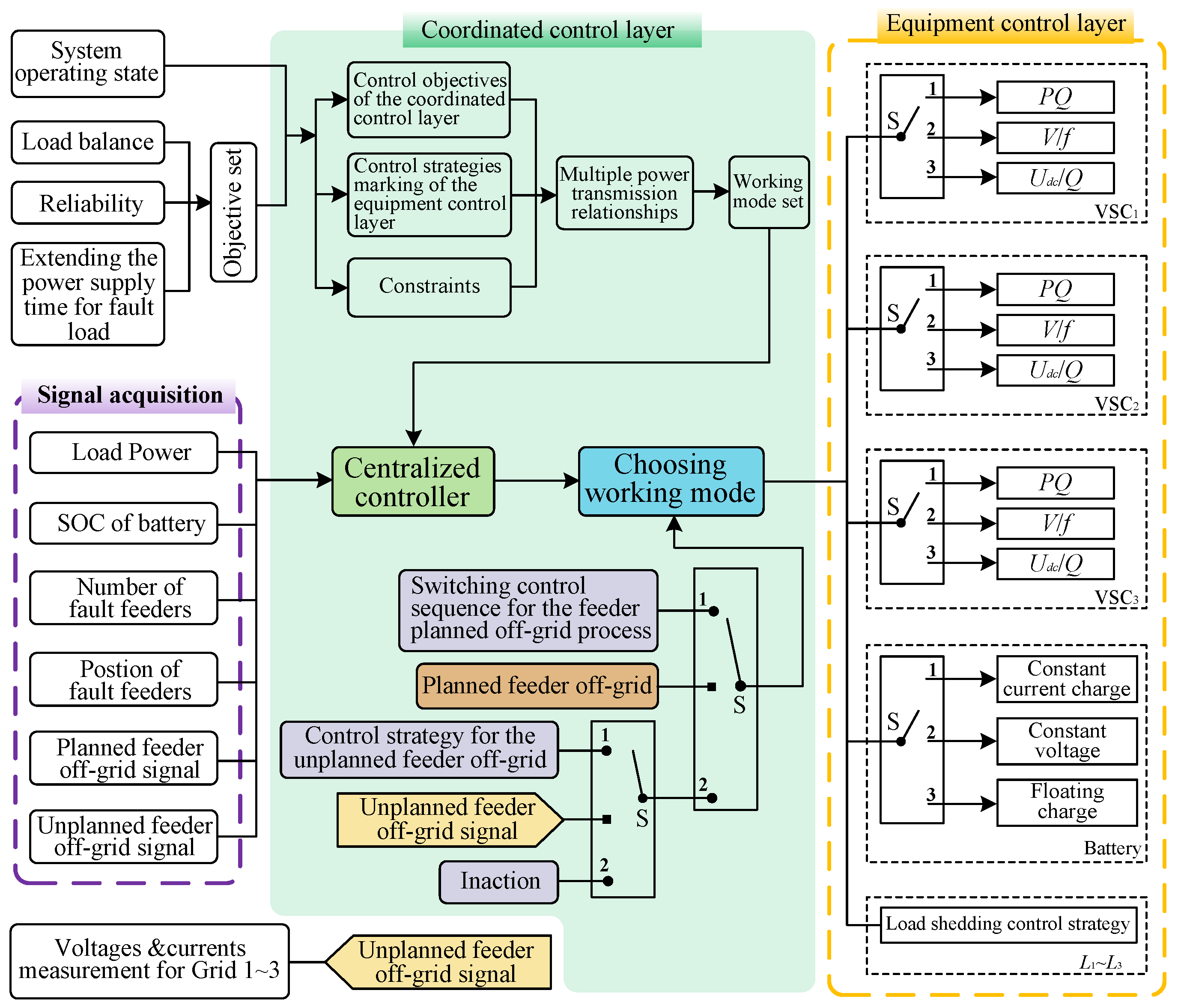
2.2. Control Principle of This System
2.3. Working Modes Analysis During the Grid-Connected Operational State
2.3.1. Working Modes Analysis for the Flexible Interconnection Operational State
2.3.2. Working Modes Analysis for the Load Transfer Operational State
2.4. Constraints of the System
2.4.1. Active Power Balance Constraint
2.4.2. Power and Charge-Discharge Constraints of the Battery
2.4.3. Operation Constraints of the Distribution Network
3. Control Objectives and Strategies During the Flexible Interconnection Operational State
3.1. Grid Integration-Free Mode
3.2. Grid Integration-Current Limiting Mode
3.3. Working Modes Set During the Flexible Interconnection Operational State
4. Control Objectives and Control Strategies During the Load Transfer Operational State
4.1. The Feeder Connected to the Steady-Voltage Port of FMSS Fails
4.1.1. The Feeder Connected to the Steady-Voltage Port Fails
- (1)
- Grid integration-free mode
| Working Modes | Control Objectives | Pg1 | Pg2 | Pg3 | PB | VSC1 | VSC2 | VSC3 | Battery |
|---|---|---|---|---|---|---|---|---|---|
| Mode 4 | 1 + 2 + 3 | 0 | Pg3 | −PBC | V/f | Constant voltage | PQ | constant current charging | |
| Mode 5 | 2 + 3 | 0 | Pg3 | −Pf | V/f | Constant voltage | PQ | Floating charge | |
| Mode 6 | 1 + 3 | 0 | V/f | PQ | PQ | Constant voltage | |||
| Mode 7 | 3 | 0 | V/f | PQ | PQ | Constant voltage | |||
| Mode 8 | 1 + 3 | 0 | 0 | −PBC | V/f | V/f | Constant voltage | constant current charging | |
| Mode 9 | 3 | 0 | 0 | −Pf | V/f | V/f | Constant voltage | Floating charge | |
| Mode 10 | 1 + 3 | 0 | 0 | V/f | V/f | PQ | Constant voltage | ||
| Mode 11 | 3 | 0 | 0 | V/f | V/f | PQ | Constant voltage |
- (2)
- Grid integration-current limiting mode
4.1.2. Two Feeders Fail, with One of Them Connected to the Steady-Voltage Port
- (1)
- Grid integration-free mode
- (2)
- Grid integration-current limiting mode
4.2. One or Two Feeders Connected to One or Two Unsteady-Voltage Ports Fail
4.2.1. A Feeder Connected with the Unsteady-Voltage Port Fails
- (1)
- Grid integration-free mode
| Working Modes | Control Objectives | Pg1 | Pg2 | Pg3 | PB | VSC1 | VSC2 | VSC3 | Battery |
|---|---|---|---|---|---|---|---|---|---|
| Mode 12 | 1 + 2 + 3 | Pg2 | 0 | −PBC | Constant voltage | PQ | V/f | constant current charging | |
| Mode 13 | 2 + 3 | Pg2 | 0 | −Pf | Constant voltage | PQ | V/f | Floating charge | |
| Mode 14 | 1 + 3 | 0 | PQ | PQ | V/f | Constant voltage | |||
| Mode 15 | 3 | 0 | PQ | PQ | V/f | Constant voltage | |||
| Mode 16 | 1 + 3 | 0 | 0 | −PBC | Constant voltage | V/f | V/f | constant current charging | |
| Mode 17 | 3 | 0 | 0 | −Pf | Constant voltage | V/f | V/f | Floating charge | |
| Mode 18 | 1 + 3 | 0 | 0 | PQ | V/f | V/f | Constant voltage | ||
| Mode 19 | 3 | 0 | 0 | PQ | V/f | V/f | Constant voltage |
- (2)
- Grid integration-current limiting mode
4.2.2. Two Feeders Fail, with Both Connected to the Unsteady-Voltage Ports
- (1)
- Grid integration-free mode
- (2)
- Grid integration-current limiting mode
4.3. Working Modes Set During the Load Transfer Operation State
5. Switching Strategy During Feeder Off-Grid
5.1. Classification of Switching Processes from Grid-Connected Operation to Off-Grid Operation
5.2. Switching Strategy for the Planned Feeder Off-Grid
5.3. Switching Strategy for the Unplanned Off-Grid
5.4. Off-Grid Phase-Locked Control Strategy
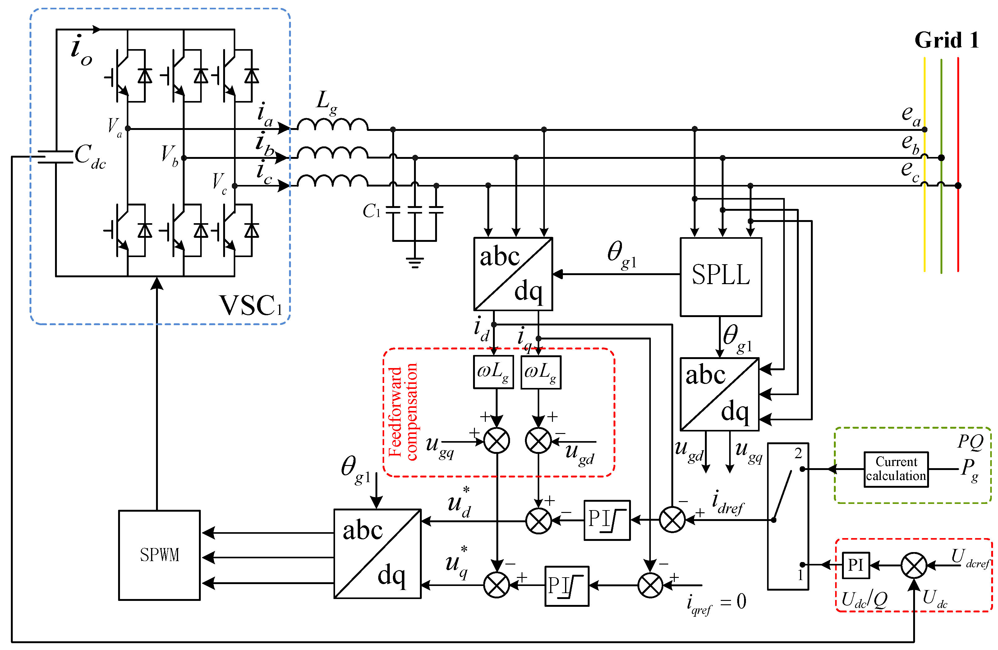
6. Control Strategies of the Convectors in the Equipment Layer
6.1. Control Strategies of the FMSS
6.1.1. Udc/Q and PQ Control Strategies of FMSS
6.1.2. The Improved V/f Control Strategy with the Off-Grid Phase-Locked Function
- (1)
- Power calculation unit
- (2)
- Droop control unit with the off-grid phase-locked function
- (3)
- Voltage synthesis unit
- (4)
- Voltage and current double loops controller
6.2. Control Strategy of the Energy Storage Converter
7. Simulation Analysis
7.1. Simulation Parameters
7.2. Simulation Result for the Off-Grid Phase-Locked Control Strategy
7.3. Simulation Results on the Flexible Interconnection Operation State
7.4. Simulation Result Analysis on the Load Transfer Operation State
7.4.1. AC Feeder Fault Connected to the Steady-Voltage Port of the FMSS
7.4.2. AC Feeders Fault at the Unsteady-Voltage Port of FMSS
8. Conclusions
- (1)
- For the complicated energy management problem of the new distribution network, the different control objectives and strategies are designed in the coordination and equipment control layers, respectively. They can not only assure power balance in the system but also realize a high-quality flexible power supply.
- (2)
- The switching control sequence for the converters can realize smooth switching during the planned feeder off-grid. The power feed-forward of the battery can make up for the energy loss quickly during the unplanned feeder off-grid. The related simulation result shows that the above two control strategies can reduce the bus voltage fluctuation, whether the feeder is planned or unplanned and off-grid.
- (3)
- The off-grid phase-locking control strategy can realize the normal grid phase tracking within two time periods, which ensures the fault load phase is synchronous with other loads during feeder faults.
- (4)
- According to simulation results, under the flexible interconnection mode, the proposed control strategy not only enhances the power supply reliability of the system but also realizes load balance. Under load transfer mode, the proposed control strategy extends the power supply time for the fault loads, improves the power supply reliability of the system as much as possible, and realizes load balance.
- (1)
- Establishing a real E-FMSS or an experimental platform and comparing the simulation results with the experimental or real running results to validate the effectiveness of the proposed coordination control Strategy in this paper.
- (2)
- Exploring the working modes and coordination control strategy when all feeders connected to the FMSS fail.
- (3)
- Conducting the research on the virtual inertial control strategy for the E-FMSS to further improve the fluctuation during the unplanned off-grid switching.
- (4)
- Improving the proposed control strategy by considering battery degradation, converter delays, etc.
Author Contributions
Funding
Data Availability Statement
Conflicts of Interest
References
- Djapic, P.; Strbac, G. Value of load transfer capacity in distribution network design. In Proceedings of the IET International Conference on Resilience of Transmission and Distribution Networks (RTDN 2017), Birmingbam, UK, 5–6 December 2017. [Google Scholar]
- Bloemink, J.M.; Green, T.C. Increasing Distributed Generation Penetration Using Soft Normally-Open Points. In Proceedings of the IEEE PES General Meeting, Providence, RI, USA, 25–29 July 2010. [Google Scholar]
- Oikonomou, K.; Parvania, M.; Khatami, R. Deliverable energy flexibility scheduling for active distribution neworks. IEEE Trans. Smart Grid 2020, 11, 655–664. [Google Scholar] [CrossRef]
- Jia, G.; Chen, M.; Zhao, B.; Lu, Y.; Yang, Y. Application of Flexible Muti-State Switch in Intelligent Distribution Network. Trans. China Electrotech. Soc. 2019, 34, 760–1798. [Google Scholar]
- Jiang, X.; Zhou, Y.; Ming, W.; Yang, P.; Wu, J. An overview of Soft Open Points in Electricity Distribution Networks. IEEE Trans. Smart Grid 2022, 13, 1899–1910. [Google Scholar] [CrossRef]
- Wang, Z.; Lin, X.; Tong, N.; Li, Z.; Sun, S.; Liu, C. Optimal planning of a 100% renewable energy island supply system based on the integration of a concentrating solar power plant and desalination units. Int. J. Electr. Power Energy Syst. 2020, 117, 105707. [Google Scholar] [CrossRef]
- Chen, Y.; Sun, J.; Zha, X.; Yang, Y.; Xu, F. A Novel Node Flexibility Evaluation Method of Active Distribution Network for SNOP Integration. IEEE J. Emerg. Sel. Top. Circuits Syst. 2021, 11, 188–198. [Google Scholar] [CrossRef]
- Cheng, Y.; Zhang, G.; Yu, C.; Peng, B.; Wu, X.; Xu, F. Application of Short-time Fourier Transform in Feeder Fault Detection of Flexible Multi-state Switch. J. Phys. Conf. Ser. 2021, 1754, 012106. [Google Scholar] [CrossRef]
- Chen, Z.; Yang, H.; Li, M.; Zhao, R.; Wang, C.; Xu, F. Topology Selection Analysis of Flexible Multi-state Switch for Distribution Network Multi-feeder Interconnection. J. Power Supply 2022, 20, 102–112. [Google Scholar]
- Li, Z.; Chen, W.; He, G.; Zhao, H. A Novel Modulation Method for Flexible Multi-State Switches with Shared Modules. Electr. Power Eng. Technol. 2023, 42, 35–42. [Google Scholar]
- Hou, Y.; Xu, Y.; Wang, Z.; Chen, X.; Cui, H. Research on Application of Three-Port SNOP Based on Dual Closed-Loop control in Distribution Network. In Proceedings of the 2017 IEEE International Conference on Smart Technologies and Management for Computing, Communication, Controls, Energy and Materials, Chennai, India, 2–4 August 2017. [Google Scholar]
- Wang, M.; Wei, R.; Liu, H.; Su, C.; Zhang, G.; Su, Q. Control Strategies and Prospects for Flexible Multi-State Switch in Intelligent Distribution Network. In Proceedings of the 2023 8th International Conference on Power and Renewable Energy (ICPRE), Shanghai, China, 22–25 September 2023. [Google Scholar]
- Ji, H.; Wang, C.; Li, P.; Zhao, J.; Song, G.; Ding, F.; Wu, J. An Enhanced SOCP-based Method for Feeder Load Balancing Using the Multi-terminal Soft Open Point in Active Distribution Networks. Appl. Energy 2017, 208, 986–995. [Google Scholar] [CrossRef]
- Sun, F.; Ma, J.; Yu, M.; Wei, W. Optimized Two-Time Scale Robust Dispatching Method for the Multi-terminal Soft Open Point in Unbalanced Active Distribution Networks. IEEE Trans. Sustain. Energy 2021, 12, 587–597. [Google Scholar] [CrossRef]
- Yuan, W.; Tu, C.; Zheng, L.; Fan, X.; Qi, G.; Xin, W. Flexible Interconnection Strategy Between DC Microgrid and AC Distribution Grid Based on Energy Storage Flexible Multi-State Switch. Electr. Power Autom. Equip. 2021, 41, 254–260. [Google Scholar]
- Huo, Q.; Su, M.; Wu, L.; Zhen, W.T.; Peng, W. Compound Control Strategy for Flexible Multi-state Switch. Autom. Electr. Power Syst. 2018, 42, 166–170. [Google Scholar]
- Xu, C.; Yuan, X.; Xu, Y.; Tan, Z.; Lin, C.; Chen, M. Research on Feeder Power Balancing Technology Based on SNOP Droop Control. In Proceedings of the 2019 IEEE 10th International Symposium on Power Electronics for Distributed Generation Systems (PEDG), Xi’an, China, 3–6 June 2019. [Google Scholar]
- Ehsanbakhsh, M.; Sepasian, M.S. Optimal Allocation of Soft Open Points in Active Distribution Networks Considering Wind Generation Uncertainty. In Proceedings of the 2023 27th International Electrical Power Distribution Networks Conference (EPDC), Mashhad, Iran, 2–4 May 2023. [Google Scholar]
- Wu, R.; Ran, L.; Weiss, G.; Yu, J. Control of a Synchronverter-based Soft Open Point in A Distribution Network. In Proceedings of the 14th IET International Conference on AC and DC Power Transmission (ACDC 2018), Chengdu, China, 21–22 February 2018. [Google Scholar]
- Tong, N.; Sun, K.; Li, K.J.; Zhu, X.; Lin, X.; Li, Z.; Lee, W.J. Online Load Transfer Criterion Using Soft Normally-open Points for Distribution Networks with Renewable Energies Integration. In Proceedings of the 2020 IEEE Industry Applications Society Annual Meeting, Detroit, MI, USA, 10–16 October 2020. [Google Scholar]
- Peng, B.; Zhang, G. Coordination Control Strategy for Three-port SNOP Based on FCS-MPC. In Proceedings of the 14th IET International Conference on AC and DC Power Transmission (ACDC 2018), Chengdu, China, 21–23 February 2018. [Google Scholar]
- Lin, J.; Kong, X.; Zheng, J.; Zhou, F.; Wang, C.; Zhang, L. A Smooth Operating-state-switching Method Used in Multi-terminal Flexible Interconnected Device. In Proceedings of the 2021 IEEE Sustainable Power and Energy Conference (ISPEC), Nanjing, China, 23–25 December 2021. [Google Scholar]
- Liu, Y.; Sun, M.; Hu, C.; Li, Z.; Ban, M. Smooth Switching Strategy for flexible multi-state switches based on linear active disturbance rejcetion control. Power Syst. Technol. 2024, 48, 1663–1671. [Google Scholar]
- Cao, W.; Wu, J.; Jenkins, N.; Wang, C.; Green, T. Operating Principle of Soft Open Points for Electrical Distribution Network Operation. Appl. Energy 2016, 164, 245–257. [Google Scholar] [CrossRef]
- Sarantakos, I.; Peker, M.; Zografou-Barredo, N.M.; Deakin, M.; Patsios, C.; Sayfutdinov, T.; Taylor, P.C.; Greenwood, D. A Robust Mixed-integer Convex Model for Optimal Scheduling of Integrated Energy Storage-Soft Open Point Devices. IEEE Trans. Smart Grid 2022, 13, 4072–4087. [Google Scholar] [CrossRef]
- Yao, C.; Zhou, C.; Yu, J.; Xu, K.; Li, P.; Song, G. A Sequential Optimization Method for Soft Open Point Integrated with Energy Storage in Active Distribution Networks. Energy Procedia 2018, 145, 528–533. [Google Scholar] [CrossRef]
- He, D.; Zhang, W.; Zou, Y.; Cai, X.; Lan, Z. Multi-objective Control Strategy for Flexible Multi-state Switch Based on Supercapacitor Energy Storage Under Grid Voltage Imbalance. High Volt. Eng. 2024, 50, 5482–5494. [Google Scholar]
- Attanasio, F.; Wasterlain, S.; Pidancier, T.; Marchesoni, M.; Favre-Perrod, P.; Carpita, M. Low Voltage Soft Open Point with Energy Storage: System Simulation and Prototype Preliminary Test Results. In Proceedings of the 2018 International Symposium on Power Electronics, Electrical Drives, Automation and Motion (SPEEDAM), Amalfi, Italy, 20–22 June 2018. [Google Scholar]
- Ge, P.; Tang, D.; Yuan, Y.; Guerrero, J.M.; Zio, E. A hierarchical multi-objective co-optimization framework for sizing and energy management of coupled hydrogen-electricity energy storage systems at ports. Appl. Energy 2025, 384, 125451. [Google Scholar] [CrossRef]
- Liu, J.; Cao, X.; Xu, Z.; Guan, X.; Dong, X.; Wang, C. Resilient Operation of Multi-energy Industrial Park Based on Integrated Hydrogen-electricity-heat Microgrids. Int. J. Hydrogen Energy 2021, 46, 28855–28869. [Google Scholar] [CrossRef]
- Duan, Q.; Sha, G.; Sheng, W. Multi-mode operation and its control strategy of flexible interconnected system for distribution network. Electr. Power Autom. Equip. 2020, 40, 9–24. [Google Scholar]
- Tang, D.; Tang, H.; Yuan, C.; Dong, M.; Diaz-Londono, C.; Agundis-Tinajero, G.D.; Guerrero, J.M.; Zio, E. Economic and resilience-oriented operation of coupled hydrogen-electricity energy systems at ports. Appl. Energy 2025, 390, 125825. [Google Scholar] [CrossRef]


















Disclaimer/Publisher’s Note: The statements, opinions and data contained in all publications are solely those of the individual author(s) and contributor(s) and not of MDPI and/or the editor(s). MDPI and/or the editor(s) disclaim responsibility for any injury to people or property resulting from any ideas, methods, instructions or products referred to in the content. |
© 2025 by the authors. Licensee MDPI, Basel, Switzerland. This article is an open access article distributed under the terms and conditions of the Creative Commons Attribution (CC BY) license (https://creativecommons.org/licenses/by/4.0/).
Share and Cite
Ma, Y.; Tao, J.; Xu, Y.; Hu, H.; Liu, G.; Qin, T.; Fu, X.; Liu, R. Multi-Mode Operation and Coordination Control Strategy Based on Energy Storage and Flexible Multi-State Switch for the New Distribution Network During Grid-Connected Operation. Energies 2025, 18, 3389. https://doi.org/10.3390/en18133389
Ma Y, Tao J, Xu Y, Hu H, Liu G, Qin T, Fu X, Liu R. Multi-Mode Operation and Coordination Control Strategy Based on Energy Storage and Flexible Multi-State Switch for the New Distribution Network During Grid-Connected Operation. Energies. 2025; 18(13):3389. https://doi.org/10.3390/en18133389
Chicago/Turabian StyleMa, Yuechao, Jun Tao, Yu Xu, Hongbin Hu, Guangchen Liu, Tao Qin, Xuchen Fu, and Ruiming Liu. 2025. "Multi-Mode Operation and Coordination Control Strategy Based on Energy Storage and Flexible Multi-State Switch for the New Distribution Network During Grid-Connected Operation" Energies 18, no. 13: 3389. https://doi.org/10.3390/en18133389
APA StyleMa, Y., Tao, J., Xu, Y., Hu, H., Liu, G., Qin, T., Fu, X., & Liu, R. (2025). Multi-Mode Operation and Coordination Control Strategy Based on Energy Storage and Flexible Multi-State Switch for the New Distribution Network During Grid-Connected Operation. Energies, 18(13), 3389. https://doi.org/10.3390/en18133389

