Dynamic Analysis of the Interconnection of a Set of FPSO Units to an Onshore System via HVDC
Abstract
1. Introduction
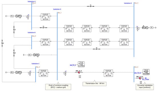
2. Case Study Description
2.1. Integration with the SIN
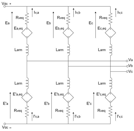
2.2. HVDC–VSC Link ± 150 kV
2.3. Distribution System
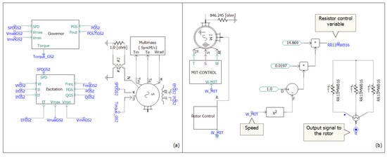
2.4. FPSO Units
3. Steady Power Flow: Benchmark
4. Simulation Results and Discussion
4.1. Events Associated with the 345 kV Substation
4.1.1. Interruption of Power Supply from the SIN
4.1.2. Short Circuit in the 345 kV Network
4.2. Events Associated with the HVDC Transmission System
Short Circuit in the Positive Pole of the DC Submarine Cable
4.3. Events Associated with the 66 kV Distribution Network
Power Supply Interruption for an FPSO Located 10 Km Away
4.4. Events Associated with FPSO Units
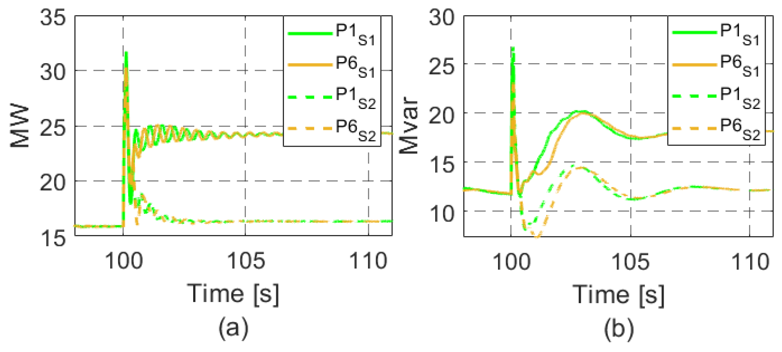
4.4.1. Startup of a Large Capacity Motor on the FPSO Unit Located at a Distance of 60 km
4.4.2. Loss of a Synchronous Generation Unit Located 60 Km Away
4.4.3. Three-Phase Short Circuit on the 13.8 kV Bus of the FPSO Unit Located 10 km Away
5. Conclusions
Author Contributions
Funding
Data Availability Statement
Acknowledgments
Conflicts of Interest
References
- DownToEarth. Available online: https://www.downtoearth.org.in/environment/stockholm-1972-united-nations-conference-on-the-human-environment-world-environment-day-2022-83215 (accessed on 9 November 2024).
- United Nations—Climate Change. Available online: https://unfccc.int/process/the-convention/history-of-the-convention#Climate-Change-in-context (accessed on 9 November 2024).
- United Nations—Climate Action. Available online: https://www.un.org/en/climatechange/reports (accessed on 9 November 2024).
- UNFCCC. Conference of the Parties Serving as the Meeting of the Parties to the Paris Agreement (CMA). In UN Climate Change Conference—United Arab Emirates Nov/Dec 2023. Available online: https://unfccc.int/documents/636608 (accessed on 9 November 2024).
- United Nations—COP 29. Available online: https://unfccc.int/event/cop-29#decisions_reports (accessed on 25 March 2025).
- International Energy Agency—IEA, World Energy Outlook. 2018. Available online: https://www.iea.org/reports/world-energy-outlook-2018/oil-and-gas-innovation (accessed on 10 September 2024).
- Ballari, A.; Østensen, J.S. Electrification of the Utsira Formation: Electric System Requirements for a Power Distribution Platform. Master’s Thesis, University of Agder, Kristiansand, Norway, 2013. Available online: http://hdl.handle.net/11250/136731 (accessed on 5 January 2023).
- Planalto—Latest News. Available online: https://www.gov.br/planalto/en/latest-news/2023/11/brazil-at-cop28-climate-leadership-and-expectations-for-a-sustainable-future (accessed on 12 November 2024).
- Diário Oficial da União—DOU 2022. Available online: https://www.jusbrasil.com.br/diarios/1189331435/dou-secao-3-23-06-2022-pg-84 (accessed on 20 December 2023).
- Oliveira, M.F. Metodologia para Aplicação de Fontes Renováveis de Energia. Master’s Thesis, Escola Politécnica da Universidade de São Paulo, São Paulo, Brazil, 2013. Available online: https://teses.usp.br/teses/ (accessed on 14 November 2022).
- Antunes, M.A.; Brandão, D.I.; Biajo, V.H.M.; Oliveira, F.S.; Silva, S.M. Floating, Production, Storage, and Offloading Unit: A Contingency Operating Mode Using Variable Frequency Drives. IEEE Access 2024, 12, 68149–68159. [Google Scholar]
- Amin, A.; Rygg, A.; Molinas, M. Active Power Flow Direction Effect on Stability in Multi-terminal VSC-HVDC Transmission System in Integrating Wind Farm. In Proceedings of the IEEE 17th Workshop on Control and Modeling for Power Electronics, Trondheim, Norway, 27–30 June 2016; pp. 1–8. [Google Scholar]
- Toro-Mendoza, M.A.; Segundo-Ramírez, J.; Esparza-Gurrola, A.; Visairo-Cruz, N.; Guitiérrez, C.A.N.; Pérez-negrón, C. Toward Adaptive Load Shedding Remedial Action Schemes in Modern Electrical Power Systems. IEEE Access 2023, 11, 111011–111033. [Google Scholar] [CrossRef]
- ABNT NBR: IEC 61892-1; Unidades Marítimas Fixas e Móveis—Instalações Elétricas—Parte 1: Requisitos e Condições Gerais. ABNT: Rio de Janeiro, Brazil, 2016.
- EPE—Empresa de Pesquisa Energética, Matriz Energética e Elétrica. Available online: https://www.epe.gov.br/pt/abcdenergia/matriz-energetica-e-eletrica (accessed on 20 September 2024).
- EPE—Empresa de Pesquisa Energética, Nota Informativa: Base de Dados de Curto-circuito. 2022. Available online: https://www.epe.gov.br/pt/leiloes-de-energia/leiloes-de-transmissao/bases-de-dados (accessed on 10 October 2024).
- PSCAD—Knowledge Based. Available online: https://www.pscad.com/knowledge-base/article/222 (accessed on 10 October 2023).
- CIGRE—Working Group B4.57. Guide for the Development of Models for HVDC Converters in a HVDC Grid; CIGRE: Paris, France, 2014. [Google Scholar]
- Ordono, A.; Sanchez-Ruiz, A.; Zubiaga, M.; Asensio, F.J.; Cortajarena, J.A. Current limiting strategies for grid forming inverters under low voltage ride through. Renew. Sustain. Energy Rev. 2024, 202, 114657. [Google Scholar] [CrossRef]
- Girona-Badia, J.; Prieto-Araujo, E.; Gomis-Bellmunt, O. Pairing grid-forming VSC filter topologies with voltage control structures. Int. J. Electr. Power Energy Syst. 2024, 155B, 109670. [Google Scholar] [CrossRef]
- Chien, C.H.; Bucknall, R.W.G. Analysis of Harmonics in Subsea Power Transmission Cables Used in VSC-HVDC Transmission Systems Operating Under Steady-State Conditions. IEEE Trans. Power Deliv. 2007, 22, 2489–2497. [Google Scholar]
- Wedepohl, L.M.; Wilcox, D.J. Transient Analysis of Underground Power Transmission System—System Model and Wave Propagation Characteristics. Proc. IEEE. 1973, 120, 253–260. [Google Scholar]
- Saad, O.; Gaba, G.; Giroux, M.A. Closed-form Approximation for Ground Return Impedance of Underground Cables. IEEE Trans. Power Deliv. 1996, 11, 1536–1545. [Google Scholar]
- Pollaczeck, J.F. On the Field Produced by an Infinitely Long Wire Carrying Alternating Current. Elektr. Nachrichtentechnik 1926, 3, 339–360. [Google Scholar]
- Prysmian Group. General Datasheet—66 kV Wet Design, EPR Insulation, Copper Conductor: Submarine Cable; Prysmian: Milan, Italy, 2021. [Google Scholar]
- Coello, J.A.C.; Nivelo, J.J.O.; Guerrero, C.A.; Passos, F.O.; Silveira, P.M.; Filho, J.M.C. Dynamic Control Validation of the Power Generation System of an Offshore Platform through Real-time Digital Simulation. In Proceedings of the 14th IEEE International Conference on Industry Applications (INDUSCON), São Paulo, Brazil, 15–18 August 2021; pp. 932–939. [Google Scholar] [CrossRef]
- IEEE Std 421.5-2016; IEEE Recommended Practice for Excitation System Models for Power System Stability Studies. (Revision of IEEE Std 421.5-2005). IEEE: Piscataway, NJ, USA, 2016; pp. 1–207. [CrossRef]
- Nivelo, J.J.O.; Coello, J.A.C.; Pereira, G.G.C.; Passos, F.O.; Filho, J.M.C.; Guerrero, C.A.V.; Silveira, P.M.; Silva, V.Z. Evaluating Voltage Drop Snapshot and Time Motor Starting Study Methodologies—An Offshore Platform Case Study. Electr. Power Syst. Res. 2021, 196, 107187. [Google Scholar] [CrossRef]

































| Operation | Voltage Deviation | Frequency Deviation |
|---|---|---|
| Maximum continuous deviation | +6%/−10% | ±5% |
| Maximum cyclical deviation | ±2% | ±0.5% |
| Maximum transient deviation | ±20% | ±10% |
| Maximum transient recovery time | 1.5 s | 5 s |
Disclaimer/Publisher’s Note: The statements, opinions and data contained in all publications are solely those of the individual author(s) and contributor(s) and not of MDPI and/or the editor(s). MDPI and/or the editor(s) disclaim responsibility for any injury to people or property resulting from any ideas, methods, instructions or products referred to in the content. |
© 2025 by the authors. Licensee MDPI, Basel, Switzerland. This article is an open access article distributed under the terms and conditions of the Creative Commons Attribution (CC BY) license (https://creativecommons.org/licenses/by/4.0/).
Share and Cite
Nivelo, J.O.; Guerrero, C.A.V.; da Motta, L.J.; Júnior, M.R.d.P.; Carvalho Filho, J.M.d.; Reis, A.; Oliveira, J.C.; Marinho, J.M.T.; Silva, V.Z.; Cavaliere, C.A.C. Dynamic Analysis of the Interconnection of a Set of FPSO Units to an Onshore System via HVDC. Energies 2025, 18, 3637. https://doi.org/10.3390/en18143637
Nivelo JO, Guerrero CAV, da Motta LJ, Júnior MRdP, Carvalho Filho JMd, Reis A, Oliveira JC, Marinho JMT, Silva VZ, Cavaliere CAC. Dynamic Analysis of the Interconnection of a Set of FPSO Units to an Onshore System via HVDC. Energies. 2025; 18(14):3637. https://doi.org/10.3390/en18143637
Chicago/Turabian StyleNivelo, Johnny Orozco, Carlos A. Villegas Guerrero, Lúcio José da Motta, Marcos R. de Paula Júnior, José M.d. Carvalho Filho, Alex Reis, José Carlos Oliveira, José Mauro T. Marinho, Vinicius Z. Silva, and Carlos A. C. Cavaliere. 2025. "Dynamic Analysis of the Interconnection of a Set of FPSO Units to an Onshore System via HVDC" Energies 18, no. 14: 3637. https://doi.org/10.3390/en18143637
APA StyleNivelo, J. O., Guerrero, C. A. V., da Motta, L. J., Júnior, M. R. d. P., Carvalho Filho, J. M. d., Reis, A., Oliveira, J. C., Marinho, J. M. T., Silva, V. Z., & Cavaliere, C. A. C. (2025). Dynamic Analysis of the Interconnection of a Set of FPSO Units to an Onshore System via HVDC. Energies, 18(14), 3637. https://doi.org/10.3390/en18143637

