Next Article in Journal
Transformer Oil Acid Value Prediction Method Based on Infrared Spectroscopy and Deep Neural Network
Previous Article in Journal
Enhancing the Energy Efficiency of a Proton Exchange Membrane Fuel Cell with a Dead-Ended Anode Using a Buffer Tank
 
 
Font Type:
Arial Georgia Verdana
Font Size:
Aa Aa Aa
Line Spacing:
Column Width:
Background:
Article

Enhanced Sliding Mode Control for Dual MPPT Systems Integrated with Three-Level T-Type PV Inverters

by
Farzaneh Bagheri
1,
Jakson Bonaldo
2,
Naki Guler
3,
Marco Rivera
4,5,*,
Patrick Wheeler
4 and
Rogerio Lima
2
1
Department of Electrical and Electronic Engineering, Antalya Bilim University, Antalya 07190, Turkey
2
Department of Electrical and Electronic Engineering, Federal University of Mato Grosso, Cuiaba 78060-900, Brazil
3
Electrical & Energy Department, Technical Science Vocational School, Gazi University, Ankara 06374, Turkey
4
Power Electronics, Machines and Control (PEMC) Research Institute, University of Nottingham, Nottingham NG7 2RD, UK
5
Laboratorio de Conversión de Energías y Electrónica de Potencia (LCEEP), Vicerrectoría Académica, Universidad de Talca, Talca 3460000, Chile
*
Author to whom correspondence should be addressed.
Energies 2025, 18(13), 3344; https://doi.org/10.3390/en18133344
Submission received: 20 May 2025 / Revised: 10 June 2025 / Accepted: 21 June 2025 / Published: 26 June 2025
(This article belongs to the Section A2: Solar Energy and Photovoltaic Systems)

Abstract

Dual Maximum Power Point Tracking (MPPT) inverters are essential in residential and small commercial solar power systems, optimizing power extraction from two independent solar panel arrays to enhance efficiency and energy harvesting. On the other hand, the Three-Level T-Type Voltage Source Inverter (3L T-Type VSI) is known for its reduced switching losses, improved harmonic distortion, and reduced part count in comparison to other three-level topologies. In this paper, a novel architecture is proposed to integrate the dual MPPT structure directly to each DC-side split capacitor of the 3L T-Type VSI, taking advantage of the intrinsic characteristics of the inverter’s topology. Further performance enhancement is achieved by integrating a classical MPPT strategy to the control framework to make it feasible for a real-case grid integration. The combination of these methods ensures faster and stable tracking under dynamic irradiance conditions. Considering that strategies dedicated to balancing the DC-link capacitor’s voltage slightly affect the AC-side current waveform, an enhanced sliding mode control (SMC) strategy tailored for dual MPPT and 3L T-Type VSI is deployed, combining the simplicity of conventional PI controllers used in the independent MPPT-based DC-DC converters with the superior robustness and dynamic performance of SMC. Real-time results obtained using the OPAL-RT Hardware-in-the-Loop platform validated the performance of the proposed control strategy under realistic test scenarios. The current THD was maintained below 4.8% even under highly distorted grid conditions, and the controller achieved a steady state within approximately 15 ms following perturbations in the DC-link voltage, sudden irradiance variations, and voltage sags and swells. Additionally, the power factor remained unitary, enhancing power transfer from the renewable source to the grid. The proposed system was able to achieve efficient power extraction while maintaining high power quality (PQ) standards for the output, positioning it as a practical and flexible solution for advanced solar PV systems.

1. Introduction

Photovoltaic (PV) panels have become a cornerstone of renewable energy generation, offering a sustainable and environmentally friendly alternative to fossil fuels [1,2,3]. With the growing global demand for clean energy, maximizing the efficiency and reliability of PV systems is more crucial than ever. Advanced methods for controlling and transferring the harvested energy to the grid are essential to ensure seamless integration, reduce losses, and maintain grid stability [4,5,6,7]. Innovations in control strategies and inverter technologies play a pivotal role in meeting these demands, paving the way for a more resilient and efficient renewable energy infrastructure.
The unequal power generation of different PV modules, caused by partial shading and other PV panel degradation factors such as temperature variations, results in a reduction in overall energy yield, especially when centralized inverters are used [8,9]. This scenario is particularly challenging when centralized inverters are applied. On the other hand, as discussed in [10], the use of distributed microinverters can improve energy harvesting under such conditions. However, this approach increases the overall system complexity due to the large number of inverters operating in parallel. A cost-effective alternative to distributed microinverters is the use of Dual Maximum Power Point Tracking (MPPT) systems, which have proven effective in mitigating partial shading and mismatch losses in photovoltaic (PV) arrays [11,12,13].
Recent research highlights that integrating advanced control algorithms with dual MPPT systems not only enhances power extraction but also improves inverter reliability [14,15,16] and the power quality indicators in the grid side. Dual MPPT systems have been implemented in various applications, such as the efficiency optimization of a DSP-based standalone PV system [17], a dual-discrete model predictive control-based MPPT for PV systems [18], and a novel dual MPPT control strategy for wind generators [19].
The two-level VSI (2L-VSI) grid-tied topology is commonly used to interface the PV arrays with the AC grid; however, it suffers from high electrical stress and harmonics. On the other hand, multi-level inverters are able to produce current waveforms with low harmonic distortion and reduced switching losses. Today, many three-level VSI (3L-VSI) topologies have been extensively discussed in the literature, such as the neutral-point-clamped (NPC) VSI, flying-capacitor VSI, and cascaded H-bridge VSI. However, especially when low-voltage applications are considered, such as the case of commercial dual MPPT converters, the T-Type Three-Level Three-Phase inverter (3L T-Type VSI) becomes an interesting alternative, since it combines the positive aspects of the two-level converter—such as low conduction losses, small part count, and a simple operation principle—with the advantages of the three-level converter, such as low switching losses and superior output current quality [20]. The 3L T-Type VSI can reduce six power diodes in comparison to the 3L-NPC VSI, while maintaining reduced harmonic distortion and better thermal performance [21], as well as reducing the common-mode voltage [15,22,23].
The intrinsic characteristic of the 3L T-Type VSI of splitting capacitors is suitable for the straightforward integration of dual MPPT PV systems consisting of two independent PV string arrays, since each array can be direct connected to each 3L T-Type VSI’s DC-link capacitors. This kind of implementation has not been reported in the literature yet and represents an original contribution of the present work.
However, the connection of independent MPPT converters to each DC-link capacitor raises the problem of capacitor voltage balance [24,25,26], the solution to which is considered in this paper. Nevertheless, using standard methods for DC-link capacitor balance has some impact on the output current waveform, since the common balancing methods consist of summing a controlled DC signal to the PWM references.
Therefore, to improve the output current waveform produced by the 3L T-Type VSI, the sliding mode control (SMC) technique is implemented, since it is well known to yield a low distortion current [27]. This effect of the SMC is further magnified by the low distortion characteristic of the 3L T-Type topology discussed above.
It is worth highlighting that SMC has gained widespread adoption in renewable energy and photovoltaic (PV) systems due to its robustness against parameter variations and external disturbances. Recent advancements include enhancing solar PV panel efficiency using double-integral sliding mode MPPT control [28] and employing SMC for the control of boost converters in PV systems [29]. In [27], a proportional–integral (PI) and an SMC controller were applied in the three-phase grid-tied 3L T-Type quasi-Z-source inverter with an LCL filter.
An adaptive dynamic surface sliding mode control strategy is proposed in [30] to enhance energy extraction from photovoltaic panels while mitigating current and voltage fluctuations caused by irradiance variations. Although the simulation results are promising, the study does not provide Hardware-In-the-Loop (HIL) validation or experimental verification. Similarly, Ref. [31] proposed a generalized sliding mode control technique with adaptive gain scheduling to enhance the convergence speed of the grid current and to improve overshoot and steady-state performance in a three-phase, two-level inverter. In [32], a fuzzy controller was deployed to dynamically adjust the SMC gains, aiming to provide a fast transient response with reduced overshoot and improved steady-state performance. In [33], a robust SMC based on the PV power curve was proposed to control a single-phase, single-stage, quasi Z-source inverter connected to the utility grid.
In [34], a voltage controller based on SMC was investigated, leveraging its disturbance observer capability to enhance robustness and eliminate current sensors. Furthermore, Ref. [35] proposes an improved disturbance observer based on fixed-time SMC and an optimal state observer for standalone 3L T-Type inverters; however, focus is given to state observer performance, to the detriment of enhancing the SMC technique.
In the aforementioned works, the Perturb and Observe (P&O) MPPT method was employed in a classical PV integrated grid that suffered from steady-state oscillations under rapidly changing irradiance conditions. Therefore, applying an enhanced nonlinear SMC alongside the Notable P&O observer not only enhances the whole system’s robustness but also helps the DC side regulate faster under dynamic changes.
Based on the discussion above, and to the best of the authors’ knowledge, the integration of dual MPPT systems with 3L T-Type inverters represents an unexplored area in the literature. Therefore, this paper aims to bridge this gap by introducing an enhanced SMC strategy leveraging a super-twisting control algorithm to overcome the limitations of traditional SMC, which are specifically high chattering and discontinuous control input, by effectively mitigating the intrinsic chattering of the conventional SMC while maintaining independence between the two DC inputs and simultaneously ensuring high dynamic performance. Furthermore, by integrating an enhanced nonlinear sliding mode controller with the Perturb and Observe (P&O) MPPT algorithm, the steady-state oscillations commonly observed in the aforementioned approaches under rapidly changing irradiance conditions are effectively mitigated by the proposed method.
This novel approach not only optimizes power extraction from dual PV arrays but also provides stable and efficient grid power injection under varying operating conditions. In this paper, a comprehensive design and analysis of the proposed control strategy are provided, supported by detailed real-time simulations based on the Hardware-In-the-Loop platform Opal-RT. The results demonstrate its potential to advance the state of the art in PV system control, under various abnormal grid conditions, paving the way for robust, high-performance solutions in modern solar energy systems. In contrast to recent publications on PV integrated inverters that focus on system modeling [36] or the development of disturbance observers to reduce steady-state error and improve dynamic response, the proposed method is model-independent and demonstrates strong robustness under uncertainties such as parameter variations.
The main contributions of this paper are summarized below:
  • Proposal of an architecture that directly connects two independent PV arrays to the split DC-link capacitors of a 3L T-Type inverter, enabling a compact and efficient configuration not previously addressed in the literature.
  • An enhanced sliding mode control strategy based on the super-twisting algorithm is developed specifically for the proposed topology to improve the current quality and eliminate high-frequency chattering while maintaining independent control of each MPPT channel.
  • A comprehensive design and real-time Hardware-in-the-Loop (HIL) simulation using the Opal-RT platform to validate the performance and robustness of the proposed system are introduced, which are tested under various grid disturbances and parameter variations.
The rest of this paper is organized as follows: Section 2 presents the modeling of the power converter, while the control design considering the DC-side MPPT controller, AC-side SMC controller, and the strategy used to avoid voltage mismatch between the split DC-link capacitors are discussed in Section 3. The effectiveness of the overall control strategy for the grid-tied dual MPPT with 3L T-Type inverter is demonstrated through real-time HIL results discussed in Section 4. Finally, in Section 5, the main achievements and conclusions are presented.

2. Mathematical Model of the System

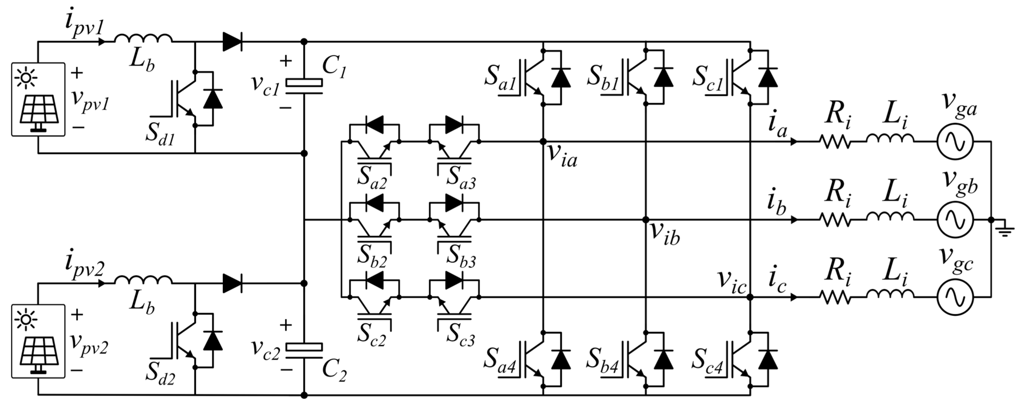
An overview of the grid connected to a three-phase 3L T-Type inverter with dual MPPT inputs is illustrated in Figure 1. The topology includes dual MPPT solar panels, each equipped with a dedicated boost DC-DC converter. These converters independently feed the three-phase 3L T-Type inverter that interfaces with the grid. The DC-DC converters are used to step up the voltage from the solar panels while performing MPPT operations. In this topology, each phase features three switching states, as detailed in Table 1 for phase a.

2.1. Modeling of the PV Panels with the Boost Converters

Let v c 1 and v c 2 represent the output voltages of the boost converters, i.e., the voltage across the DC-link split capacitors. The combined voltage, v d c , is the summation of v c 1 and v c 2 , and it serves as the input voltage to the T-Type inverter.
v d c = v c 1 + v c 2
v d c = v p v 1 1 d 1 + v p v 2 1 d 2
Equation (2) establishes the relationship among the duty cycles of the boost converters ( d 1 and d 2 ), the generated voltages of the PV panels ( v p v 1 and v p v 2 ), and v d c . To ensure maximum power extraction from both PV arrays, an MPPT algorithm based on the classical Perturb and Observe (P&O) method [37] is implemented, due to its simplicity and widespread use in PV systems. The P&O MPPT method takes the PV array voltage ( v p v ) and current ( i p v ) as inputs, calculates the power, and inserts a small change in the operating voltage or current to observe the resulting change in power. Based on this change, the algorithm adjusts the operating point to move toward the maximum power point (MPP).
Since a DC-DC boost converter is used to step up the voltage from the PV array to match the required DC-link voltage, the P&O algorithm is employed to determine the optimal duty cycle of the boost converter for MPPT. The algorithm takes the voltage and current from the PV panel as inputs, calculates the power, and then adjusts the duty cycle based on the observed change in power. If the power increases, the algorithm increases the duty cycle; if the power decreases, it reduces the duty cycle. This adjustment ensures that the boost converter operates at the maximum power point (MPP), thereby optimizing the energy harvested from the PV array.

2.2. Modeling of the 3L T-Type Grid Connected Inverter

The grid-tied 3L T-Type VSI of Figure 1 can be modeled using the equivalent single-phase circuit, in which the inverter is represented by a controlled voltage source v i . Applying the Kirchhoff voltage law yields Equation (3) considering the grid voltage v g , and the voltage drops across the inductive output filter ( v R i and v L i ), where x denotes the phases of the system and can take the values a, b, or c:
v i x = R i i x + L i d i x d t + v g x
Equation (3) can be rewritten explicating the state equation, as follows:
d i x d t = 1 L i v i x v g x R i L i i x

3. Controller Design

The design of the control framework ensures optimal system performance by managing the DC and AC sides of the energy conversion process. This section elaborates on the methodologies used to achieve these objectives according to the general control architecture shown in Figure 2.
The DC-side control is designed to maximize power extraction from the solar panels and regulate the output voltage of the boost converters. By leveraging the Perturb and Observe method, the control dynamically adjusts the duty cycle of each boost converter to extract maximum power under varying environmental conditions. The output voltage regulation aligns with the broader control strategy, ensuring seamless integration with the AC-side control.
The AC-side control focuses on ensuring efficient and accurate power transfer into the grid. It employs a dual-loop structure: the first is a slow dynamic loop that regulates the DC-link voltage of the T-type inverter, while the second loop governs the sinusoidal current injection into the grid, presenting a fast transient response. By representing the system equations from the natural abc reference frame to the synchronous reference frame (dq reference frame) using Park transformation, the control design is greatly simplified. Within this transformed frame, the sliding mode control method regulates the direct (d) and quadrature (q) components of the inverter’s output current. An overview of the control strategy discussed in this work is shown in Figure 2.
Lastly, a third controller is used to ensure that the voltage across the DC-link split capacitors of the 3L T-Type VSI is balanced. Nevertheless, this controller exhibits negligible influence over the performance of the conventional dual-loop strategy discussed above. This comprehensive control strategy, summarized in Figure 2, enables the system to adapt effectively to dynamic conditions, ensuring optimal energy utilization and reliable grid operation.

3.1. DC-Side Control

The DC-side control consists of two primary components: The first component focuses on extracting maximum power from the solar panels. Each panel exhibits distinct photovoltaic (PV) characteristics that determine the maximum power that it can generate under specific irradiation and temperature conditions. Using the Perturb and Observe method proposed in [37], the control strategy ensures maximum power extraction by dynamically adjusting the duty cycle applied to the switch of each boost converter.
The second component, which manages the output voltage control of each boost converter, is integrated into the AC-side control framework as shown in the block diagram of Figure 2. This aspect of the control methodology will be detailed in the subsequent chapter.
The d-axis reference current i d _ r e f determines the power transfer between the PV arrays and the grid, which is derived based on the DC-link voltage of the 3L T-Type inverter. The power balance between the input power in the DC link and the grid is ensured if the DC-link voltage is maintained and regulated at the reference value v d c _ r e f . If there is a surplus of power being injected by the PV arrays, the DC-link voltage tends to increase, and the PI controller will increase the value of i d _ r e f , increasing the output power injected into the grid and leading to a decrease in the DC-link voltage. The reference current i d _ r e f is given by
i d _ r e f = k p v d c _ r e f v d c + k i v d c _ r e f v d c d t
Since the main aim of PV inverters is to transfer the real power to the grid and operate with a unitary power factor, the current reference i q _ r e f is set to zero.
The DC-link voltage controller is modeled as shown in the block diagram of Figure 3, obtained by using a small-signal analysis [38]; it establishes a relationship between the DC-link voltage, v d c , and the current at the inverter output, i.e., the current control variable i d , as discussed in the previous section.
Since the DC-link voltage control is expected to exhibit a slower dynamic response in order to avoid interaction with the fast current controller, it is tuned considering the damping factor ζ and the desired natural oscillation frequency ω n . Based on these parameters and on the value of the DC-link capacitor ( C e ), the following equations can be used to estimate the proportional ( k p ) and integral ( k i ) gains of the DC voltage controller, as given by Equations (6) and (7). Note that from the DC-link voltage controller perspective, the total capacitance consists of the series connection of C 1 and C 2 ; since these capacitors have the same values, it results in C e q = C 1 / 2 :
k p _ d c = ω n 2 C 1 / 2
k i _ d c = ζ ω n C 1
Although direct measurement of the total DC-link voltage v d c is commonly required for voltage regulation, in the proposed control architecture this measurement can be effectively avoided. Given that the individual voltages across the split capacitors v c 1 and v c 2 are already sensed for implementing the auxiliary control loop that will be introduced in Section 3.5, the total DC-link voltage can be accurately reconstructed in real time by summing the voltages of the split capacitors, as expressed in Equation (1). This strategy reduces the number of required voltage sensors, thereby simplifying the hardware implementation without degrading the control performance.

3.2. Grid Current Control

The AC-side current control focuses on ensuring the injection of sinusoidal current into the grid. The control strategy employs two interconnected loops. The first loop regulates the DC-side input voltage of the T-Type inverter, while the second loop controls the current injected into the grid.
As discussed above, for the sake of simplicity, the control of the grid current is performed using a sliding mode controller implemented using the synchronous reference frame. Therefore, applying the Park transformation to Equation (4) results in Equations (8) and (9) considering the orthogonal d and q axes of the synchronous reference frame, respectively:
d i d d t = 1 L i v i d v g d R i L i i d + ω g i q
d i q d t = 1 L i v i q v g q R i L i i q + ω g i d
where the subscripts d and q represent the direct and quadrature components, respectively, and ω g is the frequency of the grid.
Then, based on Equations (8) and (9), the sliding functions for the SMC approach are defined in Equations (10) and (11) considering the primary objective of current reference tracking in the dq frame. The reference value for the i d current is given by i d _ r e f , while i q _ r e f denotes the reference value for i q .
S d = i d i d _ r e f
S q = i q i q _ r e f
The super-twisting control law is expressed as follows:
v i d = α d s i g n S d S d β d s i g n S d d t
v i q = α q s i g n S q S q β q s i g n S q d t
where α d , β d , α q , and β q are the positive gains of the reaching law, which determine the behavior of the controller and are tuned based on system dynamics. It can be observed from the reaching laws defined in Equations (12) and (13) that, although the proposed SMC law is a second-order sliding mode control method, it requires only the sliding function and not its derivative. On the other hand, it provides finite-time convergence to the sliding surface and ensures robustness against matched uncertainties and disturbances.
The derivative of the sliding surfaces ( S ˙ d and S ˙ q ) yields
S ˙ d = f 1 + u d
S ˙ q = f 2 + u q
where f 1 and f 2 are defined as follows:
f 1 = v g d L i R i L i i d + ω g i q
f 2 = v g q L i R i L i i q + ω g i d
The terms v g d / L i and v g q / L i are treated as bounded uncertainties subject to fluctuations and can be expressed as follows:
v g d L i δ 1
v g q L i δ 2

3.3. Stability Analysis of the Grid Current Controller

To ensure the stability of the current controller under the proposed control scheme, the following Lyapunov functions are considered for both the d - and q -axis reference frames:
V i d = 1 2 S d 2 + 1 2 α v i d α
V i q = 1 2 S q 2 + 1 2 α v i q α
where α = 2/3, as proposed in [39]; 0.5 S d 2 and 0.5 S d q 2 are the quadratic energy terms to monitor the sliding surface; v i d α / ( 2 α ) and v i q α / ( 2 α ) are power terms to handle the internal dynamics of the controller; and finally, v i d and v i q are the integral terms of the SMC reaching law and defined as follows:
v i d = β d s i g n S d d t
v i q = β q s i g n S q d t
To verify the satisfaction of the Lyapunov stability criterion, the time derivatives of the Lyapunov functions along the system trajectories in both the d - and q -axis reference frames must be negative-definite, as shown below:
V ˙ i d = S d S ˙ d + v i d α 1 s i g n v i d v ˙ d
V ˙ q = S q S ˙ q + v i q α 1 s i g n v i q v ˙ q
By substituting Equations (12)–(15) into Equations (24) and (25), the following expressions are obtained:
V ˙ i d = S d f 1 α d S d 3 2 + S d v i d β d v i d α 1 s i g n v i d s i g n ( S d )
V ˙ i q = S q f 2 α q S q 3 2 + S q v i q β q v i q α 1 s i g n v i q s i g n S q
Considering the worst-case arrangement of the sign terms is employed, the derivatives of Equations (26) and (27) become
V ˙ d S d f 1 + S d v i d α d S d 3 2 β d v i d α 1
V ˙ q S q f 2 + S q v i q α q S q 3 2 β q v i q α 1
Assuming f 1 δ 1 , f 2 δ 2 , Equations (28) and (29) can be rewritten as follows:
V ˙ d S d δ 1 α d S d 3 2 + S d v i d β d v i d α 1
V ˙ q S q δ 2 α q S q 3 2 + S q v i q β q v i q α 1
In order to ensure that the Lyapunov function in both the d - and q -axes is decreasing, the conditions specified in Equations (28) and (29) must be satisfied. Assuming v i d μ 1 , v i q μ 2 , S d m i n S d S d m a x , and S q m i n S q S q m a x , the SMC gains can be defined by the inequalities of Equations (32) and (33), providing finite-time stability of the closed-loop system under the action of the SMC.
α d > δ 1 + μ 1 S d m i n ;       β d > ( δ 1 + μ 1 ) S d m a x μ 1 α 1 ;
α d > δ 1 + μ 2 S d m i n ;       β d > ( δ 1 + μ 2 ) S d m a x μ 2 α 1 ;
If the parameters are selected exactly as specified in Equations (32) and (33), the Lyapunov functions are strictly decreasing for all sliding functions, rather than zero. However, if the parameters are not exactly equal to the mentioned terms but are instead chosen to be sufficiently larger, the damping terms α d S d 3 2 and β d v d α 1 s i g n v i d s i g n ( S d ) found in Equation (28), along with the damping terms α q S q 3 2 and β q v q α 1 s i g n v i q s i g n S q of Equation (29), are sufficiently greater than the terms S d f 1 , S q f 2 , S d v i d , and S q v i q , thereby ensuring their dominance in the overall dynamic behavior. Hence, the analysis of the sliding surfaces derivatives is simplified to
V ˙ i d γ 1 S d 3 2 + v i d α 1
V ˙ i q γ 2 S q 3 2 + v i q α 1
Given that the terms γ 1 and γ 2 are always positive values, the Lyapunov functions decrease in finite time; hence, the origin is finite-time stable.

3.4. Parameter Selection in SMC Reaching Law

The tuning of the SMC coefficients depends on the bounds of the system’s uncertainties. According to the Lyapunov-based analysis carried out in the last section, the gains must satisfy Equations (34) and (35) to guarantee the robustness and stability of the system. If the assumptions are reframed as S d ε due to the strong feature of the super-twisting SMC method in chattering reduction, Equations (34) and (35) can be rewritten as follows:
α d > δ 1 + μ 1 ε a n d       β d > ( δ 1 + μ 1 ) ε μ 1 α 1
α q > δ 2 + μ 2 ε a n d       β q > ( δ 2 + μ 2 ) ε μ 2 α 1
where δ 1 and δ 2 represents the bounds of the uncertainties in the derivative of the sliding variable ;   ε reflects the chattering magnitude and influences the selection of the control parameters.
Notably, there is an inverse relationship between ε and the gains α d and α q , which makes the tuning particularly challenging. While increasing the gains enhances the stability margin and guarantees the satisfaction of the Lyapunov function, it may also reduce the effectiveness of chattering mitigation. Therefore, selecting optimal values for α d and α q requires a careful balance between stability and chattering suppression, typically achieved through detailed simulations. Nevertheless, these bounds only show the minimum required values for the parameters that guarantee the system’s stability, while the optimized values are defined based on the empirical and iterative tuning. For the iterative tuning, the robustness and stability of the system are the first goal. The tuning process starts from the best values for the parameters to make the system robust and stable. Then, the values of α d and α q   are gradually adjusted to reduce the chattering. The coefficients   β d and   β q are adjusted afterwards to manage the integral action for overshoot and smoothness.

3.5. Split Capacitors’ Voltage Balance Control

The connection of independent MPPT converters to each DC-link capacitor raises the problem of capacitors’ voltage balance. Given that the DC-DC converter used to implement the dual MPPT functionality is based on the boost topology, any significant imbalance between the capacitor voltages could lead to a situation in which one of the capacitor voltages exceeds the corresponding PV array voltage. This condition would inhibit effective power transfer from the photovoltaic modules to the DC link.
Many approaches have been proposed in the literature to solve the intrinsic problem of DC voltage imbalance that affects the 3L T-Type inverter. In this work, we applied a simple method based on summing a controlled DC signal to the modulating signal of the PWM [25]. The technique consists of calculating the difference between the split capacitors’ voltages, i.e., v c 1 and v c 2 —see Equation (32)—and applying this error to a PI controller, as shown in the simplified block diagram of Figure 4.
v c 1 c 2 = v c 1 v c 2
This controller is designed in a similar form to the PI controller discussed in Section 3.1. However, unlike that approach, the DC-link capacitors are series-connected, and C 1 = C 2 = C , changing the design equations to
k p _ b = ω n b 2 C
k i _ b = 2 ζ ω n b C
It should be highlighted that the effect of the individual DC-link capacitor voltage balancing may conflict with the v d c control loop discussed in Section 3.1, which determines the current reference i d . To avoid interactions between these two control loops, the voltage-balancing loop (Figure 4) is tuned to exhibit a slower dynamic response than the control loop presented in Figure 3. In this work, it is proposed that the natural oscillation frequency of the capacitor’s voltage-balancing loop, denoted as ω n b , be set one decade lower than the natural frequency of the DC-link voltage control loop of Section 3.1, i.e., ω n b = ω n / 10 .

4. Real-Time Evaluation and Results

The effectiveness of the enhanced sliding mode control method presented in the previous sections was validated through real-time simulation of the dual MPPT systems integrated with Three-Level T-Type PV Inverters, as depicted in Figure 1. The system parameters are listed in Table 2. The simulations were conducted using the Opal-RT OP5600 Hardware-in-the-Loop (HIL) platform, following a predefined sequence of programmed events designed to highlight the key characteristics of the proposed grid-tied inverter.

4.1. Real-Time Simulation Workflow

The workflow for generating the real-time results is illustrated in Figure 5. The real-time simulation approach employed in this study is based on the Software-in-the-Loop (SIL) concept, enabling rapid prototyping of the controllers. The linear PI controllers were implemented using MATLAB/Simulink control blocks, while the sliding mode controller was integrated through an S-function block.
The power stage, consisting of the power converter, output inductive filter, PV panels, and the main grid, was modeled within the power block, as shown in Figure 5. To accurately replicate the behavior of a DSP-based control implementation, all measurements transferred from the power block to the control block were delayed by one sampling step. Similarly, a one-step delay was introduced in the control signals transmitted from the control block to the power block. While this delay mimics the real-world conditions of experimental implementations, it is also a fundamental requirement to ensure proper data exchange between the power and control blocks. This is necessary because each block operates on a separate microprocessor within the Opal-RT OP5600 hardware, effectively decoupling the power and control sections, similar to conventional experimental setups.
Before deployment, both the control and power models underwent offline validation through MATLAB/Simulink simulations. Subsequently, they were compiled using the RT-Lab software, version 2022, provided by Opal-RT, generating two distinct real-time execution codes—one for the control block and another for the power block. These codes were then uploaded onto separate microprocessors within the OP5600 hardware to ensure independent execution.
Finally, the output waveforms generated by the HIL platform were acquired using an oscilloscope. The results obtained for each test scenario are presented and analyzed in detail in the following subsections, providing a comprehensive evaluation of the proposed control strategy’s performance.

4.2. Real-Time Performance Assessment Test Cases

The simulation results were structured to emphasize the key characteristics of the proposed control approach under both steady-state and transient conditions. The analysis focused on critical performance indicators, considering AC-side parameters such as the total harmonic distortion of current (THDi), settling time ( t s ), and power factor (PF). Additionally, DC-side parameters were evaluated, including DC-link voltage ripple, settling time, and voltage balance between the two input ports ( v c 1 and v c 2 ).
To assess the effectiveness of the proposed controller and validate its practical applicability, a series of real-world test cases were conducted, as detailed below. This structured evaluation provides a comprehensive assessment of the controller’s dynamic and steady-state performance under realistic operating conditions:
  • Test Case A: DC-link voltage reference step change;
  • Test Case B: Step change in irradiance;
  • Test Case C: Shadowing effect with independent irradiance variations at each MPPT input;
  • Test Case D: Grid voltage sag and swell;
  • Test Case E: Grid voltage distortion;
  • Test Case F: Sensitivity to parameter variations.

4.2.1. DC-Link Voltage Disturbance

In order to validate the design of the DC-link voltage controller, a DC voltage reference step is shown in Figure 6. The controller is able to achieve a steady state in less than one grid cycle, with a settling time of 15 ms and overshot of 5%, showing fast disturbance rejection. A detailed view DC-link voltage and its reference signal are shown in Figure 7, as well as the current in phase a superimposed onto the current reference.

4.2.2. Effect of Temperature Variation

The sensitivity of the proposed control approach considering variations in the temperature of the PV array cells is depicted in Figure 8. The solar cells that compose each of the PV arrays were subjected to a step-up temperature variation from 25 °C to 45 °C. Although this condition is uncommon in practical applications due to the low dynamics of the temperature, it represents a worst-case scenario that is interesting for assessing the performance of the controller. The sudden change in temperature leads to a decrease in the power generated by the PVs, thereby reducing the current injected into the grid. Before the temperature change, the power injected into the grid was 15.74 kW, with a power factor of 0.999. During the temperature increase and consequently current reduction, the power injected into the grid decreased to 14.8 kW; however, the power factor remained unchanged. The balance of the DC link was ensured by the external control loop, and the THD of the current remained at 4.5%.

4.2.3. Effect of Irradiance Variation

Figure 9 shows the DC-link voltage ( v d c ), the voltage in both of the DC-link capacitors ( v c 1 and v c 2 ), and the grid currents for phases a and b considering a step change in the overall irradiance seen by the PVs from 1000 W/m2 to 500 W/m2. The DC-link voltage controller was able to rapidly track ( t s = 15 ms) the reference voltage with 5% overshoot, demonstrating the robustness of the proposed approach against setting-point variations and intermittency of the renewable source. As expected, changes in irradiation resulted in a displacement of the maximum power point, thereby reducing the active power injected into the grid from 15.74 kW to 8.4 kW. This is reflected in the current waveforms, which decreased during the irradiance step.

4.2.4. Shadowing Condition

Shadowing is a common and highly probable condition in real-world MPPT inverter applications. To assess its impact on the proposed dual-MPPT 3L T-Type grid-tied inverter with MSC control, various shadowing scenarios were tested. These conditions resulted in different irradiance levels across the PV groups connected to each input port, as detailed in Table 3 for the six stages highlighted in Figure 10.
The results presented in Figure 10a demonstrate the behavior of the voltage across the split capacitors if the voltage balance control was not deployed. In step 3, in which the difference in irradiance between the two PV groups was higher (300 W/m2), the voltage across the second DC-link capacitor v c 2 reached 300 V, whilst the voltage v c 1 was 450 V. The active power flowing into the grid and the power factor index are highlighted in Table 3 for each of the irradiance conditions.
On the other hand, Figure 10b shows the behavior of the DC voltages when the balancing controller is activated. It should be noted that even for the highest irradiance difference between the PV arrays, the DC voltage remains balanced. In this case, the voltage rating of the switches at the midpoint of the 3L T-Type VSI shown in Figure 1 is half the DC-link voltage, since the split capacitors’ voltage balance is ensured. In addition, as shown in Table 3, the unitary power factor is maintained for any irradiance condition.

4.2.5. Grid Voltage Sag and Swell

The robustness of the proposed system considering non-ideal grid conditions was evaluated considering two additional scenarios in which sudden changes were introduced in the grid voltage. The voltage sags and swells could be caused by grid faults or due to sudden changes in load or generated power flowing through the main grid. The first scenario consists of a voltage sag of 40%, i.e., the phase-to-neutral grid voltage experiences a sudden drop from 220 V rms to 132 V rms. The grid currents during the voltage sag are shown in Figure 11, along with the voltage in phase a ( v g a ), where it can be seen that the currents take approximately half a cycle to achieve a steady state.
An additional and particularly challenging scenario is illustrated in Figure 12, showing a 20% voltage swell. The grid voltage was intentionally increased to an unusually high level to evaluate the controller’s performance, considering the maximum overvoltage tolerance. According to IEEE Std. 1547-2018 [40], grid-tied inverters must withstand overvoltage up to 20% of the nominal grid voltage. For voltages exceeding this threshold, the inverter must be disconnected from the grid. Despite this extreme condition, the current waveforms maintain high quality, while the amplitude is reduced to ensure constant power injection into the grid. During the events of voltage sag and swell, the power injected into the grid remained constant at 15.75 kW, along with the power factor of 0.999.

4.2.6. Grid Voltage Distortion

Inverters with the rated power discussed in this work are commonly used in residential and commercial buildings, environments often dominated by nonlinear loads that cause voltage distortions due to the interaction of harmonic currents with the grid impedance. Therefore, it is important to ensure that the inverters can handle distorted voltage. A representative test case was implemented considering 10% of the fifth harmonic component superimposed on the grid voltage, as shown in Figure 13. The inverter’s output current exhibits low sensitivity to the grid voltage, since a positive sequence PLL is used to extract the fundamental component of the grid voltage, which is used to generate the current reference along with the error of the v d c voltage processed by the PI controller, as depicted in the control block diagram shown in Figure 1.
Without any distortion in the grid voltage, the ripple of v d c is 21 V peak-to-peak. Otherwise, the fifth harmonic increases the v d c ripple to 28 V. However, the practical effect on the grid current waveform is negligible, as shown in Figure 13b and in the spectra shown in Figure 14. The amplitude of the fundamental current component is 34 A, while the amplitude of the fifth harmonic is 0.31 A, representing 0.9% distortion for this specific harmonic. The overall THDi is 4.5% in the event that the grid voltage is sinusoidal, while it is 4.8% for distorted grid voltage.

4.2.7. Parameters’ Sensitivity

Finally, the SMC is widely recognized for its simple implementation, fast dynamic response, and robustness against parameter uncertainties. This work evaluates these attributes by analyzing variations in the output filter inductance, which may occur due to aging, heating, or imprecise manufacturing processes. Additionally, since the grid inductance is typically unknown, it effectively adds to the total filter inductance.
Figure 15a illustrates the grid current waveforms when the filter inductance is reduced to half of its nominal value, decreasing from 2.8 mH to 1.4 mH. As expected, this reduction increases the current ripple and degrades THDi from 4.5% to 9%. On the other hand, when the nominal output filter inductance is increased threefold, from 2.8 mH to 8.4 mH (see Figure 15b), the current waveform improves, reflecting a reduced ripple and lower THDi of 2.5%.

4.2.8. Comparison of Proposed SMC with Conventional PI Controller

Linear current control of power inverters is a well-known approach, especially considering proportional–integral (PI) controllers in the synchronous reference frame. In this section, a comprehensive comparative analysis is performed between the proposed SMC and the conventional PI controller. The parameters of the system are presented in Table 2 and are the same for both controllers. The control architecture is the one presented in Figure 1, with the SMC block replaced by PI controllers.
Th PI current controller is designed based on the desired crossover frequency ( ω o i ) of the current loop [1] and the desired phase margin ( ϕ m i ), aiming to regulate the dq-frame currents. Therefore, the gains of the current PI controller can be designed according to Equation s (41) and (42). Considering the crossover frequency sevenfold below the switching frequency (700 Hz) and the desired phase margin of 60°, the PI gains are obtained as k i p = 0.1 and k i i = 7.0.
k i p = 2 V d c 1 + ω o i 2 L 2
k i i = ω o i k i p / tan 90 ° + ϕ m i + tan 1 ω o i L
The comparison of SMC- and PI-controlled systems is presented in Figure 16 and Figure 17. A step change in the DC-link voltage reference from 750 V to 900 V is presented in Figure 16. The transient response, specifically the settling time and overshoot, is similar for both approaches, as presented in Table 4. The current THD is lower for the SMC controller (4.5%) than for the PI controller (6%). However, the ripple seen in the voltage of the split capacitors is remarkably high for the PI controller (45 V), whilst it is 20 V for the SMC. The higher DC-voltage ripple of the PI controller approach results in a higher fifth-harmonic current distortion of 3%, as seen in Figure 18, whilst this specific component shows a negligible value for the SMC. The power factor is the same for both approaches. Figure 17 shows the behavior of both approaches for a step variation in irradiance from 1000 W/m2 to 500 W/m2. When the irradiance is half the initial value, the power injected into the grid decreases, as does the amplitude of the injected current, resulting in an increase in THD values, which is verified for both approaches.
Therefore, in spite of the similarity between the two approaches, the proposed SMC controller yields a slightly higher current quality and lower ripple.

5. Conclusions

Dual Maximum Power Point Tracking (MPPT) inverters play a crucial role in residential and small commercial solar power systems by optimizing energy extraction from two independent photovoltaic arrays, thereby enhancing overall efficiency and energy yield. In this work, an enhanced sliding mode control (SMC) strategy was proposed, specifically designed for dual MPPT and Three-Level T-Type PV inverters.
This approach integrates the simplicity of conventional PI controllers with the superior robustness and dynamic performance of sliding mode control, ensuring reliable operation under varying conditions. The combination of conventional MPPT with the advanced SMC-based AC-side control results in improved dynamic response, higher power quality, and increased robustness under realistic operating conditions. The proposed control strategy was validated through HIL real-time simulations, leveraging the Software-In-the-Loop (SIL) concept, where the controller is implemented directly within the HIL system. The performance of the dual MPPT Three-Level inverter and the proposed SMC was extensively tested under various scenarios, including normal and abnormal grid voltage conditions, sudden irradiance changes at each MPPT input, and significant parameter variations to assess robustness.
The results demonstrate that the inverter’s output current and DC-link voltages exhibit a fast transient response. In the presence of perturbations in the DC link and variations in irradiance, the steady-state condition was reached within 15 ms, with an overshoot of less than 5%. In steady-state operation, the current THD complied with international standards, as defined by IEEE Std. 519 [41] and IEC 61000-2-2 [42]. The current THD was maintained below 4.8%, even under highly distorted grid voltage conditions. The controller effectively maintained active power injection into the grid even under fault conditions or abnormal voltage levels, while also sustaining a unity power factor throughout these conditions, further validating its robustness and reliability.
Despite the simplicity of real-time implementation, the tuning of the control gains in the proposed SMC technique remains nontrivial, particularly when extended to more complex power converter topologies. Therefore, several challenges persist, especially concerning the scalability of the method to advanced converter architectures. For instance, future work may explore the extension of the control strategy to systems incorporating higher-order passive filters, such as LCL filters in Three-Level T-Type inverters, or its application to modular multi-level converters (MMCs), which present additional control and stability complexities. Furthermore, while the present study focuses on a PV inverter operating in a grid-following mode, the proposed control strategy could be extended to voltage-controlled grid-forming or standalone configurations. These directions, along with the experimental validation of the proposed technique on a hardware prototype under realistic operating conditions (such as noise, measurement uncertainties, and switching non-idealities), represent important areas for future investigation. Finally, a detailed performance assessment of the proposed architecture could be conducted in comparison with conventional two-level voltage source inverters commonly employed in micro and mini distributed generation systems.

Author Contributions

Conceptualization, J.B., F.B. and M.R.; methodology, J.B., F.B. and M.R.; software, J.B. and M.R.; validation, J.B.; formal analysis, J.B., F.B., M.R. and R.L.; investigation, J.B., F.B. and M.R.; resources, J.B., M.R. and P.W.; data curation, J.B. and M.R.; writing—original draft preparation, J.B., F.B. and M.R.; writing—review and editing, J.B., F.B., M.R., R.L., N.G. and P.W.; visualization, J.B. and M.R.; supervision, J.B., M.R. and P.W.; project administration, M.R. and P.W.; funding acquisition, J.B., M.R., and P.W. All authors have read and agreed to the published version of the manuscript.

Funding

This research was funded by the National Research and Development Agency (ANID) through the FONDECYT Regular grant number 1220556 and SERC Chile FONDAP 1523A0006; National Council for Scientific and Technological Development (CNPq), Brazil Grant 441715/2023-0; and Mato Grosso Research Foundation Grant FAPEMAT.01047/2022. Additional funding was provided by the Research Project PINV01-743 of the National Council of Science and Technology (CONACYT); and by the British Council under the IND/CONT/G/23-24/14—Going Global Partnerships Industry-Academia Collaborative Grant.

Data Availability Statement

Data will be available upon request.

Conflicts of Interest

The authors declare no conflicts of interest.

References

  1. Hassan, Q.; Algburi, S.; Sameen, A.Z.; Salman, H.M.; Jaszczur, M. A review of hybrid renewable energy systems: Solar and wind-powered solutions: Challenges, opportunities, and policy implications. Results Eng. 2023, 20, 101621. [Google Scholar] [CrossRef]
  2. Maka, A.O.M.; Alabid, J.M. Solar energy technology and its roles in sustainable development. Clean Energy 2022, 6, 476–483. [Google Scholar] [CrossRef]
  3. Chen, L.; Hu, Y.; Wang, R.; Li, X.; Chen, Z.; Hua, J.; Osman, A.I.; Farghali, M.; Huang, L.; Li, J.; et al. Green building practices to integrate renewable energy in the construction sector: A review. Environ. Chem. Lett. 2024, 22, 751–784. [Google Scholar] [CrossRef]
  4. Landera, Y.G.; Zevallos, O.C.; Neto, R.C.; da Costa Castro, J.F.; Neves, F.A.S. A Review of Grid Connection Requirements for Photovoltaic Power Plants. Energies 2023, 16, 2093. [Google Scholar] [CrossRef]
  5. Ghafoor, A.; Aldahmashi, J.; Apsley, J.; Djurović, S.; Ma, X.; Benbouzid, M. Intelligent Integration of Renewable Energy Resources: Generation and Grid Level Opportunities and Challenges. Energies 2024, 17, 4399. [Google Scholar] [CrossRef]
  6. Chrifi-Alaoui, L.; Drid, S.; Ouriagli, M.; Mehdi, D. Overview of Photovoltaic and Wind Electrical Power Hybrid Systems. Energies 2023, 16, 4778. [Google Scholar] [CrossRef]
  7. Kumar, P.; Singh, S.; Mishra, Y.; Tiwari, S.; Tripathi, S. A Comprehensive Review of the Current Status of Smart Grid Technologies for Renewable Energies Integration and Future Trends. Energies 2024, 17, 4128. [Google Scholar] [CrossRef]
  8. Rabbani, M.A.; Qureshi, M.B.; Al Qahtani, S.A.; Khan, M.M.; Pathak, P. Enhancing MPPT Performance in Partially Shaded PV Systems under Sensor Malfunctioning with Fuzzy Control. Energies 2023, 16, 4665. [Google Scholar] [CrossRef]
  9. Jamshidi, F.; Salehizadeh, M.R.; Yazdani, R.; Azzopardi, B.; Jately, V. An Improved Sliding Mode Controller for MPP Tracking of Photovoltaics. Energies 2023, 16, 2473. [Google Scholar] [CrossRef]
  10. Alharbi, Y.; Darwish, A.; Ma, X. A Comprehensive Review of Distributed MPPT for Grid-Tied PV Systems at the Sub-Module Level. Energies 2023, 16, 5468. [Google Scholar] [CrossRef]
  11. Zhang, L.; Sun, K.; Li, Y.W.; Lu, X.; Zhao, J. A Distributed Power Control of Series-Connected Module-Integrated Inverters for PV Grid-Tied Applications. IEEE Trans. Power Electron. 2018, 33, 7698–7707. [Google Scholar] [CrossRef]
  12. Babu, N.P.; Guerrero, J.M.; Siano, P.; Peesapati, R.; Panda, G. An Improved Adaptive Control Strategy in Grid-Tied PV System With Active Power Filter for Power Quality Enhancement. IEEE Syst. J. 2021, 15, 2859–2870. [Google Scholar] [CrossRef]
  13. Tazay, A.F.; Ibrahim, A.M.A.; Noureldeen, O.; Hamdan, I. Modeling, Control, and Performance Evaluation of Grid-Tied Hybrid PV/Wind Power Generation System: Case Study of Gabel El-Zeit Region, Egypt. IEEE Access 2020, 8, 96528–96542. [Google Scholar] [CrossRef]
  14. Debdouche, N.; Zarour, L.; Chebabhi, A.; Bessous, N.; Benbouhenni, H.; Colak, I. Genetic algorithm-super-twisting technique for grid-connected PV system associate with filter. Energy Rep. 2023, 10, 4252. [Google Scholar] [CrossRef]
  15. Grandi, G.; Rossi, C.; Fantini, G. Modular Photovoltaic Generation Systems Based on a Dual-Panel MPPT Algorithm. In Proceedings of the 2007 IEEE International Symposium on Industrial Electronics, Vigo, Spain, 4–7 June 2007; pp. 2432–2436. [Google Scholar] [CrossRef]
  16. Park, J.-H.; Ahn, J.-Y.; Cho, B.-H.; Yu, G.-J. Dual-Module-Based Maximum Power Point Tracking Control of Photovoltaic Systems. IEEE Trans. Ind. Electron. 2006, 53, 1036–1047. [Google Scholar] [CrossRef]
  17. Farhat, M.; Barambones, O.; Sbita, L. Efficiency optimization of a DSP-based standalone PV system using a stable single input fuzzy logic controller. Renew. Sustain. Energy Rev. 2015, 49, 917–920. [Google Scholar] [CrossRef]
  18. Lashab, A.; Sera, D.; Guerrero, J.M. A Dual-Discrete Model Predictive Control-Based MPPT for PV Systems. IEEE Trans. Power Electron. 2019, 34, 9686–9697. [Google Scholar] [CrossRef]
  19. Luo, X.; Niu, S. A Novel Contra-Rotating Power Split Transmission System for Wind Power Generation and Its Dual MPPT Control Strategy. IEEE Trans. Power Electron. 2017, 32, 6924–6935. [Google Scholar] [CrossRef]
  20. Schweizer, M.; Kolar, J.W. Design and Implementation of a Highly Efficient Three-Level T-Type Converter for Low-Voltage Applications. IEEE Trans. Power Electron. 2013, 28, 899–907. [Google Scholar] [CrossRef]
  21. Yang, Y.; Wen, H.; Fan, M.; Xie, M.; Chen, R. Fast Finite-Switching-State Model Predictive Control Method Without Weighting Factors for T-Type Three-Level Three-Phase Inverters. IEEE Trans. Ind. Inform. 2019, 15, 1298–1310. [Google Scholar] [CrossRef]
  22. Fernão Pires, V.; Sousa, D.M.; Martins, J.F. Controlling a grid-connected T-type three level inverter system using a sliding mode approach. In Proceedings of the 2014 IEEE 23rd International Symposium on Industrial Electronics (ISIE), Istanbul, Turkey, 1–4 June 2014; pp. 2002–2007. [Google Scholar] [CrossRef]
  23. Altin, N.; Sefa, I.; Komurcugil, H.; Ozdemir, S. Three-phase three-level T-type grid-connected inverter with reduced number of switches. In Proceedings of the 2018 6th International Istanbul Smart Grids and Cities Congress and Fair (ICSG), Istanbul, Turkey, 25–26 April 2018; pp. 58–62. [Google Scholar] [CrossRef]
  24. Choi, U.-M.; Lee, H.-H.; Lee, K.-B. Simple Neutral-Point Voltage Control for Three-Level Inverters Using a Discontinuous Pulse Width Modulation. IEEE Trans. Energy Convers. 2013, 28, 434–443. [Google Scholar] [CrossRef]
  25. Newton, C.; Sumner, M. Neutral point control for multi-level inverters: Theory, design and operational limitations. In Proceedings of the IAS ’97. Conference Record of the 1997 IEEE Industry Applications Conference Thirty-Second IAS Annual Meeting, New Orleans, LA, USA, 5–9 October 1997; Volume 2, pp. 1336–1343. [Google Scholar] [CrossRef]
  26. Choi, U.-M.; Lee, J.-S.; Lee, K.-B. New Modulation Strategy to Balance the Neutral-Point Voltage for Three-Level Neu-tral-Clamped Inverter Systems. IEEE Trans. Energy Convers. 2014, 29, 91–100. [Google Scholar] [CrossRef]
  27. Komurcugil, H.; Bayhan, S. PI and Sliding Mode Based Control Strategy for Three-Phase Grid-Tied Three-Level T-Type qZSI. In Proceedings of the IECON 2019—45th Annual Conference of the IEEE Industrial Electronics Society, Lisbon, Portugal, 14–17 October 2019; pp. 5020–5025. [Google Scholar] [CrossRef]
  28. Rahul, I.; Hariharan, R. Enhancement of Solar PV Panel Efficiency Using Double Integral Sliding Mode MPPT Control. Tsinghua Sci. Technol. 2024, 29, 271–283. [Google Scholar] [CrossRef]
  29. Inomoto, R.S.; Monteiro, J.R.B.D.A.; Filho, A.J.S. Boost Converter Control of PV System Using Sliding Mode Control With Integrative Sliding Surface. IEEE J. Emerg. Sel. Top. Power Electron. 2022, 10, 5522–5530. [Google Scholar] [CrossRef]
  30. Alnami, H.; Hakmi, S.H.; Abdelwahab, S.A.M.; Abdellatif, W.S.E.; Hegazy, H.Y.; Mohamed, W.I.; Mohamed, M. Enhanced Adaptive Dynamic Surface Sliding Mode Control for Optimal Performance of Grid-Connected Photovoltaic Systems. Sustainability 2024, 16, 5590. [Google Scholar] [CrossRef]
  31. Gulzar, M.M. Maximum Power Point Tracking of a Grid Connected PV Based Fuel Cell System Using Optimal Control Technique. Sustainability 2023, 15, 3980. [Google Scholar] [CrossRef]
  32. Ran, H.; Li, L.; Li, A.; Wang, X. Enhanced MPPT in Permanent Magnet Direct-Drive Wind Power Systems via Improved Sliding Mode Control. Energies 2024, 17, 4622. [Google Scholar] [CrossRef]
  33. Ahangarkolaei, J.M.; Izadi, M.; Nouri, T. Applying a Sliding Mode Controller to Maximum Power Point Tracking in a Quasi Z-Source Inverter Based on the Power Curve of a Photovoltaic Cell. Electronics 2022, 11, 2164. [Google Scholar] [CrossRef]
  34. Fu, C.; Zhang, C.; Zhang, G.; Zhang, Z. Current Sensorless Sliding-Mode Voltage Control for LC Filtered Three-Level T-Type Inverters. IEEE Trans. Circuits Syst. II: Express Briefs 2024, 71, 2264–2268. [Google Scholar] [CrossRef]
  35. Duong, A.T.; Pham, T.L.; Giap, V.N.; Vu, P. Disturbance Observer Based on Fixed Time Sliding Mode Control and Optimal State Observer for Three-Phase Three-Level T-Type Inverters. IEEE Access 2023, 11, 62091–62108. [Google Scholar] [CrossRef]
  36. Chiang, S.J.; Shieh, H.-J.; Chen, M.-C. Modeling and Control of PV Charger System With SEPIC Converter. IEEE Trans. Ind. Electron. 2009, 56, 4344–4353. [Google Scholar] [CrossRef]
  37. Irmak, E.; Güler, N. A model predictive control based hybrid MPPT method for boost converters. Int. J. Electron. 2019, 107, 1–16. [Google Scholar] [CrossRef]
  38. Karimi-Ghartemani, M.; Khajehoddin, S.A.; Jain, P.; Bakhshai, A. A Systematic Approach to DC-Bus Control Design in Single-Phase Grid-Connected Renewable Converters. IEEE Trans. Power Electron. 2013, 28, 3158–3166. [Google Scholar] [CrossRef]
  39. Levant, A. Higher-order sliding modes, differentiation and output-feedback control. Int. J. Control 2003, 76, 924–941. [Google Scholar] [CrossRef]
  40. IEEE Std 1547-2018 Revis. IEEE Std 1547-2003; IEEE Standard for Interconnection and Interoperability of Distributed Energy Resources with Associated Electric Power Systems Interfaces. IEEE Std: Piscataway, NJ, USA, April 2018; pp. 1–138. [CrossRef]
  41. IEEE Std 519-2014 Revis. IEEE Std 519-1992; IEEE Recommended Practice and Requirements for Harmonic Control in Electric Power Systems. IEEE Std: Piscataway, NJ, USA, June 2014; pp. 1–29. [CrossRef]
  42. IEC 61000-2-2:2002; Electromagnetic Compatibility (EMC)—Part 2-2: Environment—Compatibility Levels for Low-Frequency Conducted Disturbances and Signaling in Public Low-Voltage Power Supply Systems. IEC: Geneva, Switzerland, 2002.
Figure 1. Overview of the dual MPPT Three-Level T-Type VSI connected to the grid.
Figure 1. Overview of the dual MPPT Three-Level T-Type VSI connected to the grid.
Energies 18 03344 g001
Figure 2. Overview of the control architecture.
Figure 2. Overview of the control architecture.
Energies 18 03344 g002
Figure 3. Block diagram of DC-link voltage control loop.
Figure 3. Block diagram of DC-link voltage control loop.
Energies 18 03344 g003
Figure 4. Block diagram of split capacitors’ voltage balance control loop.
Figure 4. Block diagram of split capacitors’ voltage balance control loop.
Energies 18 03344 g004
Figure 5. Overview of the real-time simulation architecture.
Figure 5. Overview of the real-time simulation architecture.
Energies 18 03344 g005
Figure 6. Waveforms of split capacitor’s voltage, DC-link voltage, and grid currents for a voltage reference step-up from 750 V to 900 V. Ch1: grid current i a (50 A/div); Ch2: grid current i b (50 A/div); Ch3: v c 1 (100 V/div); Ch4: v c 2 (100 V/div); ChM: v d c (200 V/div).
Figure 6. Waveforms of split capacitor’s voltage, DC-link voltage, and grid currents for a voltage reference step-up from 750 V to 900 V. Ch1: grid current i a (50 A/div); Ch2: grid current i b (50 A/div); Ch3: v c 1 (100 V/div); Ch4: v c 2 (100 V/div); ChM: v d c (200 V/div).
Energies 18 03344 g006
Figure 7. Waveforms of DC-link voltage and grid current in phase a, superimposed on the respective reference signals for a DC-link voltage step-up from 750 V to 900 V. Ch1: grid current reference i a _ r e f (20 A/div); Ch2: grid current i a (20 A/div); Ch3: DC-link voltage reference v d c _ r e f (200 V/div); Ch4: DC-link voltage v d c _ r e f (200 V/div).
Figure 7. Waveforms of DC-link voltage and grid current in phase a, superimposed on the respective reference signals for a DC-link voltage step-up from 750 V to 900 V. Ch1: grid current reference i a _ r e f (20 A/div); Ch2: grid current i a (20 A/div); Ch3: DC-link voltage reference v d c _ r e f (200 V/div); Ch4: DC-link voltage v d c _ r e f (200 V/div).
Energies 18 03344 g007
Figure 8. Waveforms of split capacitor’s voltage and grid currents for a step change in the temperature of the solar cells that compose each of the PV arrays (25 °C to 45 °C). Ch1: grid current i a (10 A/div); Ch2: grid current i b (10 A/div); Ch3: v c 1 (200 V/div); Ch4: v c 2 (200 V/div).
Figure 8. Waveforms of split capacitor’s voltage and grid currents for a step change in the temperature of the solar cells that compose each of the PV arrays (25 °C to 45 °C). Ch1: grid current i a (10 A/div); Ch2: grid current i b (10 A/div); Ch3: v c 1 (200 V/div); Ch4: v c 2 (200 V/div).
Energies 18 03344 g008
Figure 9. Waveforms of split capacitors’ voltage, DC-link voltage, and grid currents for a step change in irradiance of both MPPT inputs (1000 to 500 W/m2). Ch1: grid current i a (50 A/div); Ch2: grid current i b (50 A/div); Ch3: v c 1 (100 V/div); Ch4: v c 2 (100 V/div); ChM: v d c (200 V/div).
Figure 9. Waveforms of split capacitors’ voltage, DC-link voltage, and grid currents for a step change in irradiance of both MPPT inputs (1000 to 500 W/m2). Ch1: grid current i a (50 A/div); Ch2: grid current i b (50 A/div); Ch3: v c 1 (100 V/div); Ch4: v c 2 (100 V/div); ChM: v d c (200 V/div).
Energies 18 03344 g009
Figure 10. System response due to different irradiance values at each MPPT input ( P V 1 i r is the irradiance for PV array 1 and P V 2 i r is the irradiance for PV array 2) emulating the shadow effect: (a) capacitor’s voltage balance disabled; (b) capacitor’s voltage balance enabled. Ch1: irradiance PV array 1 P V i r 1 (500 W/m2/div); Ch2: irradiance PV array 2 P V i r 2 (500 W/m2/div); Ch3: v c 1 (100 V/div); Ch4: v c 2 (100 V/div); ChM: v d c (200 V/div). The vertical dotted arrows indicate the reference level of each oscilloscope channel.
Figure 10. System response due to different irradiance values at each MPPT input ( P V 1 i r is the irradiance for PV array 1 and P V 2 i r is the irradiance for PV array 2) emulating the shadow effect: (a) capacitor’s voltage balance disabled; (b) capacitor’s voltage balance enabled. Ch1: irradiance PV array 1 P V i r 1 (500 W/m2/div); Ch2: irradiance PV array 2 P V i r 2 (500 W/m2/div); Ch3: v c 1 (100 V/div); Ch4: v c 2 (100 V/div); ChM: v d c (200 V/div). The vertical dotted arrows indicate the reference level of each oscilloscope channel.
Energies 18 03344 g010
Figure 11. Waveforms of the three-phase grid-injected currents and voltage in phase a during a 40% voltage sag: (a) grid voltage drop from 220 V rms to 132 V rms; (b) grid voltage recovery to nominal value (132 V rms to 220 V rms). Ch1: grid current i a (20 A/div); Ch2: grid current i b (20 A/div); Ch3: grid current i c (20 A/div); Ch4: grid voltage v g a (150 V/div).
Figure 11. Waveforms of the three-phase grid-injected currents and voltage in phase a during a 40% voltage sag: (a) grid voltage drop from 220 V rms to 132 V rms; (b) grid voltage recovery to nominal value (132 V rms to 220 V rms). Ch1: grid current i a (20 A/div); Ch2: grid current i b (20 A/div); Ch3: grid current i c (20 A/div); Ch4: grid voltage v g a (150 V/div).
Energies 18 03344 g011
Figure 12. Waveforms of the three-phase grid-injected currents and voltage in phase a during a 20% voltage swell: (a) grid voltage step-up from 220 V rms to 264 V rms; (b) grid voltage recovery to nominal value (264 V rms to 220 V rms). Ch1: grid current i a (20 A/div); Ch2: grid current i b (20 A/div); Ch3: grid current i c (20 A/div); Ch4: grid voltage v g a (150 V/div).
Figure 12. Waveforms of the three-phase grid-injected currents and voltage in phase a during a 20% voltage swell: (a) grid voltage step-up from 220 V rms to 264 V rms; (b) grid voltage recovery to nominal value (264 V rms to 220 V rms). Ch1: grid current i a (20 A/div); Ch2: grid current i b (20 A/div); Ch3: grid current i c (20 A/div); Ch4: grid voltage v g a (150 V/div).
Energies 18 03344 g012
Figure 13. Three-phase grid current waveform superimposed on the phase a grid voltage waveform under distorted grid voltage conditions (10% of 5th harmonic): (a) the grid voltage distortion is introduced at t1; (b) zoomed view of the waveforms; (c) detailed waveforms of grid currents in phases a and b, split-capacitor voltages, and DC-link voltage considering distorted grid voltage condition.
Figure 13. Three-phase grid current waveform superimposed on the phase a grid voltage waveform under distorted grid voltage conditions (10% of 5th harmonic): (a) the grid voltage distortion is introduced at t1; (b) zoomed view of the waveforms; (c) detailed waveforms of grid currents in phases a and b, split-capacitor voltages, and DC-link voltage considering distorted grid voltage condition.
Energies 18 03344 g013
Figure 14. Grid current spectra considering sinusoidal and distorted grid (10% of 5th harmonic) voltage. THDi = 4.5% for sinusoidal grid and 4.8% for distorted grid.
Figure 14. Grid current spectra considering sinusoidal and distorted grid (10% of 5th harmonic) voltage. THDi = 4.5% for sinusoidal grid and 4.8% for distorted grid.
Energies 18 03344 g014
Figure 15. Waveform of grid-injected current: (a) filter inductance decreased from 2.8 mH to 1.4 mH (THDi = 10.0%; (b) filter inductance increased from 2.8 mH to 8.6 mH (THDi = 2.5%). Ch1: grid current i a (20 A/div); Ch2: grid current i b (20 A/div); Ch3: grid current i c (20 A/div); Ch4: grid voltage v g a (150 V/div).
Figure 15. Waveform of grid-injected current: (a) filter inductance decreased from 2.8 mH to 1.4 mH (THDi = 10.0%; (b) filter inductance increased from 2.8 mH to 8.6 mH (THDi = 2.5%). Ch1: grid current i a (20 A/div); Ch2: grid current i b (20 A/div); Ch3: grid current i c (20 A/div); Ch4: grid voltage v g a (150 V/div).
Energies 18 03344 g015
Figure 16. Comparison of waveforms considering a step-up variation in v d c voltage: (a) SMC controller; (b) PI controller. Ch1: grid current i a (20 A/div); Ch2: grid current i b (20 A/div); Ch3: v c 1 (200 V/div); Ch4: v c 2 (200 V/div); ChM: v d c (200 V/div).
Figure 16. Comparison of waveforms considering a step-up variation in v d c voltage: (a) SMC controller; (b) PI controller. Ch1: grid current i a (20 A/div); Ch2: grid current i b (20 A/div); Ch3: v c 1 (200 V/div); Ch4: v c 2 (200 V/div); ChM: v d c (200 V/div).
Energies 18 03344 g016
Figure 17. Comparison of waveforms considering a step-up variation in irradiance: (a) SMC controller; (b) PI controller. Ch1: grid current i a (20 A/div); Ch2: grid current i b (20 A/div); Ch3: v c 1 (200 V/div); Ch4: v c 2 (200 V/div); ChM: v d c (200 V/div).
Figure 17. Comparison of waveforms considering a step-up variation in irradiance: (a) SMC controller; (b) PI controller. Ch1: grid current i a (20 A/div); Ch2: grid current i b (20 A/div); Ch3: v c 1 (200 V/div); Ch4: v c 2 (200 V/div); ChM: v d c (200 V/div).
Energies 18 03344 g017
Figure 18. Comparison of current spectra in the condition of full load (current peak of 34 A) obtained for SMC and PI control approaches.
Figure 18. Comparison of current spectra in the condition of full load (current peak of 34 A) obtained for SMC and PI control approaches.
Energies 18 03344 g018
Table 1. Switching states for phase a.
Table 1. Switching states for phase a.
StateviaSa1Sa2Sa3Sa4
PVdc/2ONONOFFOFF
O0OFFONONOFF
NVdc/2OFFOFFONON
Table 2. Power converter and control parameters.
Table 2. Power converter and control parameters.
Description and SymbolValue
Grid voltage (Vg)380 V/50 Hz
DC-link voltage reference (vdc_ref)750 V
Filter inductance per phase (L)2.8 mH
Resistance of filter inductor (R)0.5 Ω
DC-link capacitance (C1 and C2)470 µF
PI controller gains (kp_dc, ki_dc)—DC link0.15, 60.0
PI controller gains (kp_b, ki_b)—split capacitors’ voltage balance0.075, 1.0
SMC gains (αd = αq and βd = βq)0.025, 300
PV panels (10 modules per string and 2 parallel strings)320 VMPP, 8000 WMPP
Table 3. Irradiance variation due to shadowing (DC voltage balancing activated).
Table 3. Irradiance variation due to shadowing (DC voltage balancing activated).
Irradiance PV 1 (W/m2)Irradiance PV 1 (W/m2)Power
(kW)
Power
Factor
11000100015.750.999
2100080014.370.998
3100070013.600.998
490070012.970.998
580090013.770.998
61000100015.750.999
Table 4. Performance comparison between SMC and PI current controllers.
Table 4. Performance comparison between SMC and PI current controllers.
Performance IndexSMCPI
Current distortion (THD) (at full load)4.5%6.0%
Current distortion (THD) (at half load)9.0%12.0%
Distortion at 5th harmonic0.2%3%
Settling time ( v d c step-up)15 ms16 ms
Overshoot ( v d c step-up)5%6%
Split capacitors’ voltage ripple20 Vpp35 Vpp
Power factor (at full load)0.9990.999
Disclaimer/Publisher’s Note: The statements, opinions and data contained in all publications are solely those of the individual author(s) and contributor(s) and not of MDPI and/or the editor(s). MDPI and/or the editor(s) disclaim responsibility for any injury to people or property resulting from any ideas, methods, instructions or products referred to in the content.

Share and Cite

MDPI and ACS Style

Bagheri, F.; Bonaldo, J.; Guler, N.; Rivera, M.; Wheeler, P.; Lima, R. Enhanced Sliding Mode Control for Dual MPPT Systems Integrated with Three-Level T-Type PV Inverters. Energies 2025, 18, 3344. https://doi.org/10.3390/en18133344

AMA Style

Bagheri F, Bonaldo J, Guler N, Rivera M, Wheeler P, Lima R. Enhanced Sliding Mode Control for Dual MPPT Systems Integrated with Three-Level T-Type PV Inverters. Energies. 2025; 18(13):3344. https://doi.org/10.3390/en18133344

Chicago/Turabian Style

Bagheri, Farzaneh, Jakson Bonaldo, Naki Guler, Marco Rivera, Patrick Wheeler, and Rogerio Lima. 2025. "Enhanced Sliding Mode Control for Dual MPPT Systems Integrated with Three-Level T-Type PV Inverters" Energies 18, no. 13: 3344. https://doi.org/10.3390/en18133344

APA Style

Bagheri, F., Bonaldo, J., Guler, N., Rivera, M., Wheeler, P., & Lima, R. (2025). Enhanced Sliding Mode Control for Dual MPPT Systems Integrated with Three-Level T-Type PV Inverters. Energies, 18(13), 3344. https://doi.org/10.3390/en18133344

Note that from the first issue of 2016, this journal uses article numbers instead of page numbers. See further details here.

Article Metrics

Back to TopTop