Series Resonant LED Driver with Current Equalization Based on the Differential-Mode Transformer
Abstract
1. Introduction
1.1. LED Future
1.2. LED Current Equalization
1.3. Active Type
1.4. Passive Type Without Soft Switching
1.5. Passive Type with Soft Switching
1.6. Purpose of This Research
1.7. Contents of This Paper
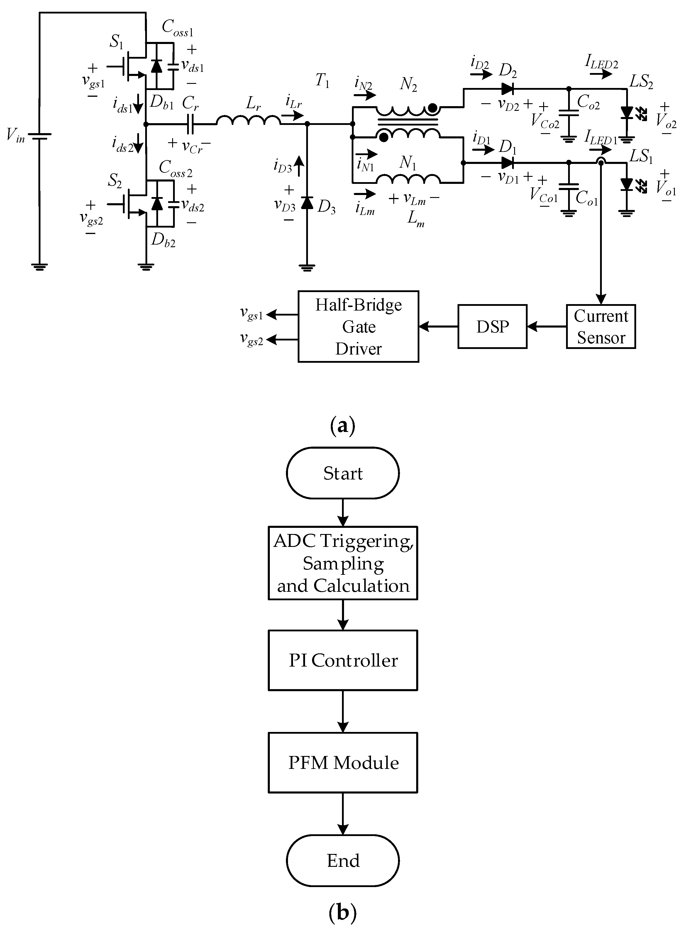
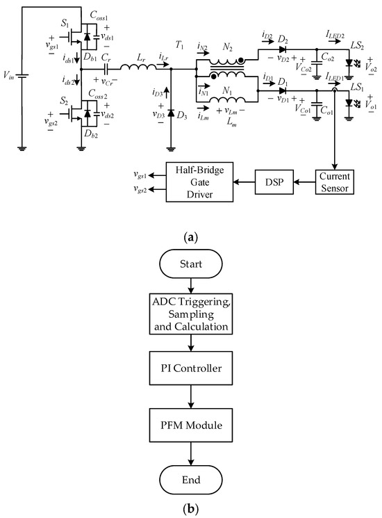
2. System Configuration
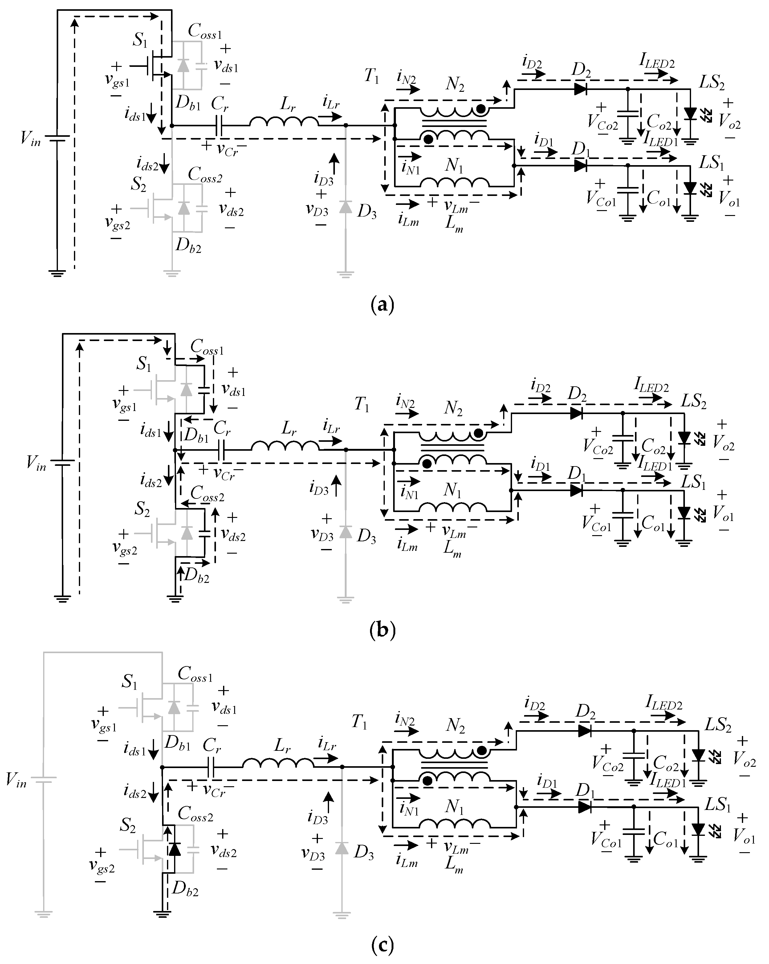
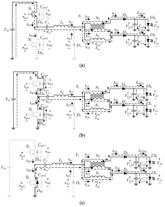
3. Operating Principle
- (1)
- Vin is the input voltage; LS1 and LS2 are the output LED strings and the voltages on them are equal to the output voltages Vo1 and Vo2, respectively.
- (2)
- S1 and S2 are the switches of the upper and lower switches of the half-bridge, Db1 and Db2 are the body diodes of the switches S1 and S2, respectively, Coss1 and Coss2 are the output capacitances of the switches S1 and S2, respectively, and the corresponding forward conduction voltages are assumed to be zero.
- (3)
- The characteristics of rectifier diodes D1 and D2 and magnetic resetting diode D3 are ideal.
- (4)
- The coupling coefficient of the differential-mode transformer is one, i.e., only the magnetizing inductance Lm is taken into account, and the leakage inductances Llk1 and Llk2 are ignored.
- (5)
- The output capacitors Co1 and Co2 are large enough to be considered as constant.
- (6)
- The current through the resonant inductor Lr is iLr, and the voltage on the resonant capacitor Cr is vCr.
- (7)
- vds1 is the voltage on the switch S1, vds2 is the voltage on the switch S2, vD1 is the voltage on the diode D1, vD2 is the voltage on the diode D2, vD3 is the voltage on the diode D3, and vLm is the voltage on the magnetizing inductance Lm.
- (8)
- ids1 is the current flowing through the switch S1, ids2 is the current flowing through the switch S2, iD1 is the current flowing through the diode D1, iD2 is the current flowing through the diode D2, iD3 is the current flowing through the diode D3, iN1 is the primary-side current of the differential-mode transformer T1, iN2 is the secondary-side current of the differential-mode transformer, iLm is the current flowing through the magnetizing inductance Lm, ILED1 is the current flowing through the first LED string LS1, and ILED2 is the current through the second LED string LS2.
- (9)
- vgs1 and vgs2 are the driving signals for the upper arm of switches S1 and S2, respectively.
- (10)
- Ts is the switching period, and fs is the switching frequency.
Voltage Gain
4. Design Considerations
4.1. Equivalent Output AC Load Resistance Ro,ac
4.2. Resonant Components Lr and Cr
4.3. Magnetizing Inductance Lm
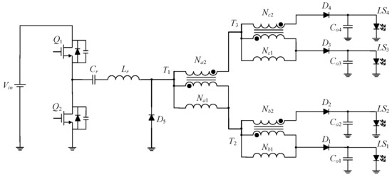
4.4. Channel Extension
5. Experimental Results
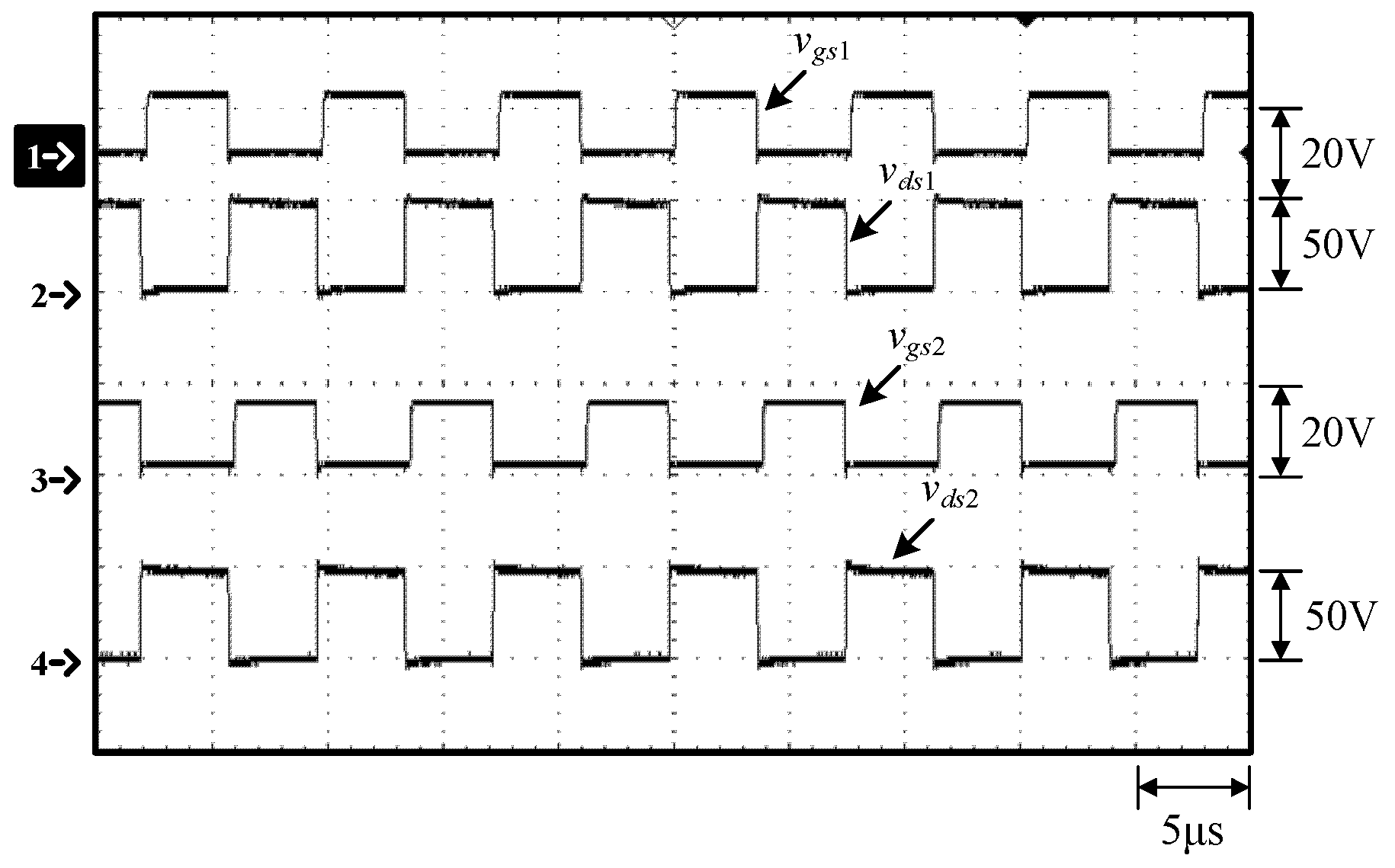
5.1. Waveforms at 100% Load
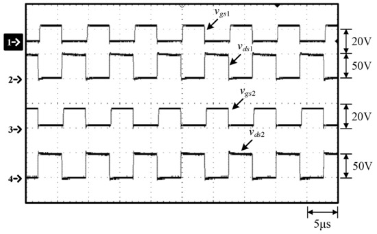
5.2. Waveforms at 25% Load
5.3. Waveforms at Startup
5.4. Experimental Comments
5.5. Current Error Percentage of LED Strings
5.6. Efficiency Measurement
5.7. Switching Frequency Measurement
6. Literature Comparison
7. Conclusions
Author Contributions
Funding
Data Availability Statement
Conflicts of Interest
References
- De Almeida, A.; Santos, B.; Paolo, B.; Quicheron, M. Solid state lighting review–Potential and challenges in Europe. Renew. Sustain. Energy Rev. 2014, 34, 30–48. [Google Scholar] [CrossRef]
- Ng, S.K.; Loo, K.H.; Lai, Y.M.; Mok, K.T.; Tse, C.K. Variable bi-level phase-shifted driving method for high-power RGB LED lamps. In Proceedings of the IEEE International Conference on Power Electronics—ECCE Asia, Jeju, Republic of Korea, 30 May–3 June 2011; pp. 782–787. [Google Scholar]
- Burgyan, L.; Prinz, F. High Efficiency LED Driver. U.S. Patent 6690146B2, 10 February 2004. [Google Scholar]
- Hu, Y.; Jiang, L.; Wen, W.; Yan, W.; Ding, R. A new adaptive drive voltage approach for LED Driver. In Proceedings of the IEEE Applied Power Electronics Conference and Exposition (APEC), Anaheim, CA, USA, 17–21 March 2019; pp. 721–726. [Google Scholar]
- Qu, X.; Wong, S.-C.; Tse, C.K. Noncascading structure for electronic ballast design for multiple LED lamps with independent brightness control. IEEE Trans. Power Electron. 2010, 25, 331–340. [Google Scholar]
- Hu, Q.; Zane, R. LED driver circuit with series-input-connected converter cells operating in continuous conduction mode. IEEE Trans. Power Electron. 2010, 25, 574–582. [Google Scholar]
- Kim, H.-C.; Yoon, C.S.; Jeong, D.-K.; Kim, J. A single-inductor, multiple-channel current-balancing LED driver for display backlight applications. IEEE Trans. Ind. Appl. 2014, 50, 4077–4081. [Google Scholar] [CrossRef]
- Qu, X.; Wong, S.-C.; Tse, C.K. A current balancing scheme with high luminous efficiency for high power LED lighting. In Proceedings of the IECON 2013—39th Annual Conference of the IEEE Industrial Electronics Society, Vienna, Austria, 10–13 November 2013; pp. 169–174. [Google Scholar]
- Liu, P.-J.; Hsu, Y.-C.; Hsu, S.-R. Drain-voltage balance and phase-shifted PWM control schemes for high-efficiency parallel-string dimmable LED drivers. IEEE Trans. Ind. Electron. 2018, 65, 6168–6176. [Google Scholar] [CrossRef]
- Wang, J.; Zhang, J.; Huang, X.; Xu, L. A family of capacitive current balancing methods for multi-output LED drivers. In Proceedings of the 2011 Twenty-Sixth Annual IEEE Applied Power Electronics Conference and Exposition (APEC), Fort Worth, TX, USA, 6–11 March 2011; pp. 2040–2046. [Google Scholar]
- Do, D.-T.; Cha, H.; Nguyen, B.L.-H.; Kim, H.-G. Two-channel interleaved buck LED driver using current-balancing capacitor. IEEE J. Emerg. Sel. Top. Power Electron. 2018, 6, 1306–1313. [Google Scholar] [CrossRef]
- Hwu, K.I.; Chou, S.-C. A simple current-balancing converter for LED lighting. In Proceedings of the 2009 Twenty-Fourth Annual IEEE Applied Power Electronics Conference and Exposition, Washington, DC, USA, 15–19 February 2009; pp. 587–590. [Google Scholar]
- Hwu, K.I.; Tu, W.C.; Hong, M.J. A dimmable LED driver based on current balancing transformer with magnetizing energy recycling considered. J. Disp. Technol. 2014, 10, 388–395. [Google Scholar] [CrossRef]
- Chen, X.; Huang, D.; Li, Q.; Lee, F.C. Multichannel LED driver with LCC resonant converter. IEEE J. Emerg. Sel. Top. Power Electron. 2015, 3, 589–598. [Google Scholar] [CrossRef]
- Zhang, X.; Cai, H.; Guan, Y.; Han, S.; Wang, Y.; Dalla, C.; Marco, A.; Alonso, J.M.; Xu, D. A soft-switching transformer-less step-down converter based on resonant current balance module. IEEE Trans. Power Electron. 2021, 7, 8206–8218. [Google Scholar] [CrossRef]
- Zhang, X.; Cai, H.; Sun, L.; Liu, H.; Wang, Y.; Xu, D. A two-channel LED driver with automatic current balance and soft-switching. In Proceedings of the 2020 IEEE 9th International Power Electronics and Motion Control Conference (IPEMC2020-ECCE Asia), Nanjing, China, 29 November–2 December 2020; pp. 2594–2598. [Google Scholar]
- Jiang, W.-Z.; Hwu, K.-I.; Yau, Y.-T.; Chen, H.-H. Two-channel LLC resonant LED driver based on current sharing capacitor. In Proceedings of the 2021 IEEE International Future Energy Electronics Conference (IEFFC), Taipei, Taiwan, 16–19 November 2021; pp. 1–7. [Google Scholar]
- Molavi, N.; Farzanehfard, H. A nonisolated wide-range resonant converter for LED driver applications. IEEE Trans. Ind. Electron. 2023, 70, 8939–8946. [Google Scholar] [CrossRef]
- Hsieh, Y.-C.; Cheng, H.-L.; Chang, E.-C.; Huang, W.-D. A soft-switching interleaved buck–boost LED driver with coupled inductor. IEEE Trans. Power Electron. 2022, 37, 577–587. [Google Scholar] [CrossRef]
- Lee, S.-W.; Choe, H.-J.; Yun, J.-J. Performance improvement of a boost LED driver with high voltage gain for edge-lit LED backlights. IEEE Trans. Circuits Syst. II Express Briefs 2018, 65, 481–485. [Google Scholar] [CrossRef]
- Jiang, W.-Z.; Hwu, K.-I. A dimmable LED driver based on H-bridge and differential-mode transformer. In Proceedings of the 2018 7th International Symposium on Next Generation Electronics (ISNE), Taipei, Taiwan, 7–9 May 2018; pp. 1–3. [Google Scholar]





























| Rated Input Voltage (Vin) | 48 V |
| Rated Output Voltage (Vo,rated) | 32 V (10 units in a string) |
| Rated Output Current (Io,rated) | 0.7 A |
| Rated Output Power (Po,rated) | 22.4 W (10 LEDs,10 LEDs) |
| Unbalanced Output Power (Po,unbalanced) | 20.16 W (10 LEDs, 8 LEDs) |
| Resonant Frequency (fr) | 100 kHz |
| Quality Factor (Q) | 2 |
| ) | <1% |
| LS1 | LS2 | |
|---|---|---|
| ILED (mA) | 351.2 | 353.1 |
| VLED (V) | 31.68 | 25.3 |
| LS1 | LS2 | |
|---|---|---|
| ILED (mA) | 85.50 | 87.10 |
| VLED (V) | 28.06 | 22.48 |
| [12] | [13] | [21] | [14] | Proposed Circuit | |
|---|---|---|---|---|---|
| Number of LED strings | 4 | 4 | 4 | 4 | 4 |
| Number of diodes for four LED strings | 8 | 8 | 2 | 4 | 4 |
| Wide adjustable load range | No | No | Yes | Yes | Yes |
| Current equalization method | Transformer | Transformer | Transformer | Transformer and Capacitor | Transformer |
| Number of transformers for four LED strings | 3 | 3 | 3 | 2 | 3 |
| Soft switching | No | No | No | ZVS | ZVS |
| Extension of the number of LED strings | Yes | Yes | Yes | No | Yes |
Disclaimer/Publisher’s Note: The statements, opinions and data contained in all publications are solely those of the individual author(s) and contributor(s) and not of MDPI and/or the editor(s). MDPI and/or the editor(s) disclaim responsibility for any injury to people or property resulting from any ideas, methods, instructions or products referred to in the content. |
© 2025 by the authors. Licensee MDPI, Basel, Switzerland. This article is an open access article distributed under the terms and conditions of the Creative Commons Attribution (CC BY) license (https://creativecommons.org/licenses/by/4.0/).
Share and Cite
Hwu, K.-I.; Lee, J.-Y. Series Resonant LED Driver with Current Equalization Based on the Differential-Mode Transformer. Energies 2025, 18, 3071. https://doi.org/10.3390/en18123071
Hwu K-I, Lee J-Y. Series Resonant LED Driver with Current Equalization Based on the Differential-Mode Transformer. Energies. 2025; 18(12):3071. https://doi.org/10.3390/en18123071
Chicago/Turabian StyleHwu, Kuo-Ing, and Jun-Yi Lee. 2025. "Series Resonant LED Driver with Current Equalization Based on the Differential-Mode Transformer" Energies 18, no. 12: 3071. https://doi.org/10.3390/en18123071
APA StyleHwu, K.-I., & Lee, J.-Y. (2025). Series Resonant LED Driver with Current Equalization Based on the Differential-Mode Transformer. Energies, 18(12), 3071. https://doi.org/10.3390/en18123071

