Abstract
Extreme weather events present some of the most severe natural threats to the electric grid, and accurate load forecasting during those events is essential for grid management and disaster preparedness. In this study, we evaluate the effectiveness of hybrid deep learning (DL) models for electrical load forecasting in the IEEE 118-bus system. Our analysis focuses on the Connecticut region during extreme weather. In addition, we determine multivariate models capable of multi-input and multi-output forecasting while incorporating weather data to improve forecasting accuracy. This research is divided into two case studies that analyze different combined DL model architectures. Case Study 1 conducts CNN-Recurrent (RNN, LSTM, GRU, BiRNN, BiGRU, and BiLSTM) models with fully connected dense layers, which combine convolution and recurrent neural networks to capture both spatial and temporal dependencies in the data. Case Study 2 evaluates Hybrid CNN-Recurrent models with a fully connected dense layer model that incorporates a flattening step before the recurrent layers to increase the temporal learning process. Based on the results obtained from our simulations, the hybrid CNN-GRU-FC (using BiGRU) model in Case Study 2 obtained the best performance with an RMSE of 9.112 MW and MAPE of 11.68% during the hurricane period. The Hybrid CNN-GRU-FC model presents a better accuracy of bidirectional recurrent models for load forecasting under extreme weather conditions.
1. Introduction
Extreme wind events such as hurricanes, tornadoes, and severe thunderstorms represent some of the most severe natural threats to the electric grid. They are characterized by high winds, heavy rainfall, and storm surges, which contribute to widespread power outages and infrastructure damage. Extensive damage to power systems consists of downed power lines, damaged substations, and flooded infrastructure. These impacts require a comprehensive analysis of how hurricanes affect the electric grid to improve system resilience and response strategies [1]. Hurricanes Irene (2011), Sandy (2012), Isaias (2020), and Henri (2021) each had significant impacts on the regions they affected. They caused widespread damage, power outages, and flooding [2]. Other severe weather conditions, such as heatwaves, extreme cold, and storms, have also presented significant challenges to power infrastructure. Studies have shown that extreme temperatures increase electricity demand and prices [3], while thunderstorms, hurricanes, blizzard, and severe windstorms can disrupt grid operations, leading to outages [4]. Studying these events helps transmission and distribution system operators better understand hurricane behavior and its impact on infrastructure. Therefore, it is essential for developing predictive models. Accurately forecasting the impact of these events is crucial for grid resilience. However, forecasting remains difficult due to the unpredictable nature of weather patterns and the limited availability of extreme event data.
Due to severe weather conditions and the dynamic, unpredictable nature of hurricanes, traditional forecasting models struggle to make accurate predictions. Therefore, recent advancements in forecasting methodologies have focused on integrating historical data and advanced modeling techniques to enhance prediction accuracy [5]. Extreme events are characterized by high variability, sudden environmental changes, and nonlinear behavior. They often result in anomalies and outliers within meteorological and load datasets. These challenges require preprocessing methods, such as outlier detection, normalization, and imputation techniques to increase data quality and improve model accuracy [6,7,8]. In addition, uncertainty quantification techniques are essential for determining the confidence of model predictions under unpredictable and strong impact conditions [9,10,11]. This review paper [12] shows the importance of detection, prediction, and impact assessment of extreme weather events for increasing forecasting accuracy and risk mitigation strategies. Furthermore, obtaining and modeling extreme weather data is challenging due to limited data availability and complexity. The Generalized Pareto Distribution (GPD) [13] is used to model extreme events that exceed a certain threshold, while copula-based [14] models capture dependencies between variables, such as temperature and electricity demand and price. The Generalized Extreme Value (GEV) distribution [15] is effective for block maxima, such as peak loads or wind speed (WS). Furthermore, the modified Weibull distribution [16,17] is commonly used for WS modeling, and can be modified to capture extreme wind events. In addition, load forecasting models integrate weather data, such as WS, rainfall, precipitation, atmospheric pressure, and temperature, to improve forecasting. Weather features are treated as exogenous variables, when they are external to the load system but strongly influence demand patterns [12,18]. Exogenous variables are suitable for multi-input multi-output (MIMO) forecasting models that use different types of input data. Therefore, weather attributes are essential for increasing the performance of predictive learning models in load forecasting.
Researchers have applied numerous methods to solve the load forecasting problem in the literature. These methods are traditional statistical techniques such as autoregressive integrated moving average (ARIMA) and regression analysis, machine learning (ML) approaches such as support vector machines (SVMs), random forests (RF), and ensemble methods [19,20]. The authors of this study [5] proposed a Bagging–XGBoost-based model for short-term load forecasting of distribution transformers during extreme weather. This study [21] adopted the Gradient Boosting Machine (GBM) for load forecasting and proposed a data-driven feeder-level approach that accounts for Behind-the-Meter (BTM) PV generation under extreme hot and cold weather conditions. In recent years, in addition to the traditional load forecasting methods, deep learning (DL) methods have been applied to load forecasting. For example, deep neural networks (DNNs), recurrent neural network (RNN), convolutional neural network (CNN), long short-term memory (LSTM), and gated recurrent unit (GRU) have been commonly utilized [22,23,24,25]. In this study [20], the authors evaluated models’ bias and variance using 10-fold cross-validation in a single family house in the United States. Their results showed that LSTM outperformed the other techniques. Furthermore, bidirectional architectures such as bidirectional recurrent neural network (BiRNN), bidirectional long short-term memory (BiLSTM), and bidirectional gated recurrent unit (BiGRU) have gained attention for processing information from both past and future time steps to increase forecasting accuracy. This review manuscript [26] demonstrates that BiLSTM and BiGRU obtain higher forecasting accuracy for single and in hybrid configurations. These bidirectional models enhance sequence learning by capturing dependencies in both directions. Therefore, they improve accuracy in handling seasonality, irregular consumption patterns, and the effects of extreme weather on load forecasting.
Physics-Informed Neural Networks (PINNs) use physical constraints in learning models and can potentially improve load forecasting by incorporating grid dynamics into predictions. In recent research, the authors of [27] introduced a model using graph attention and physics-informed meta-learning to improve EV charging demand forecasting under dynamic price conditions. In addition, PINNs have been applied to industrial nonintrusive load monitoring, increasing physical relationships and time encoding to improve appliances’ energy disaggregation [28].
Related Works
Hybrid models have shown significant potential in improving forecast accuracy. DL-based hybrid techniques, which combine physical and statistical methods or multiple statistical methods, generally outperform standalone models for improving accuracy in load forecasting [25,29,30,31,32,33]. In the literature, hybrid models demonstrate improved accuracy under complex forecasting scenarios, such as small datasets, peak demand, and extreme weather conditions [34,35,36]. Recently, most new methods have considered combining convolution layers with recurrent architectures to capture both spatial and temporal dependencies in the data [37,38,39]. Many recent studies incorporate advanced techniques such as multi-head attention, transfer learning, and adaptive decomposition to improve accuracy and address information leakage [37,38,39,40]. Models that stack deep learners with traditional machine learning have shown strong generalization, when integrated with preprocessing steps such as hierarchical clustering [35,37].
Despite recent forecasting advancement, there are still key challenges that remain. Many models depend on computationally expensive training process and are very sensitive to hyperparameter tuning. In addition, the accuracy of those models depends on different geographical areas, and their performance under extreme conditions remains limited, although they perform well under certain conditions [36,39]. However, their transferability to different climate zones or grid structures is not guaranteed. Moreover, bidirectional architectures often outperform unidirectional models in capturing complex patterns; they increase model complexity and training time [36,37,38].
A summary of key hybrid and bidirectional DL models for short-term load forecasting is presented in Table 1. It shows model configurations, input features, forecast horizons, and findings of diverse datasets. The table presents that many recent models have integrated hybrid frameworks. These models obtain high accuracy when combined with techniques, such as feature decomposition, attention mechanisms, and ensemble learning. There is still growing interest in developing forecasting frameworks that are both accurate and adaptable for varying conditions.
Table 1.
Summary of related works on hybrid and bidirectional deep learning models for load forecasting under normal and extreme weather conditions.
The first two studies in the table focus on forecasting during extreme weather conditions, such as wildfires and seasonal extremes. The rest of the studies are based on normal weather conditions and do not include any specific consideration of climate-related events. Most existing studies have been conducted under normal weather conditions. The growing impact of extreme weather on power systems creates a need for models that are better at handling these scenarios.
Our study focuses on comparison of hybrid DL methods to handle large datasets and capture complex patterns in extreme weather electricity load forecasting. Load forecasting under normal weather conditions using DL methods has been explored in the literature. However, there is still a significant gap in understanding and forecasting the impact of extreme weather conditions on load forecasting. The major contribution of this paper as follows:
- Addressed the challenge of forecasting electricity load during extreme weather conditions.
- Implemented multi-input, multi-output forecasting models to predict the load for all buses in a single run rather than separately for complex power systems.
- Generated synthetic load and extreme weather data for simulations.
- Compared various hybrid DL models to identify the most effective approaches for load forecasting under extreme weather conditions.
The rest of this article is organized as follows: Section 2 outlines the procedure for generating synthetic load profiles for IEEE 118 test systems. Section 3 presents extreme weather impact and utilization for system load weather data generation. Section 4 demonstrates DL model architectures. Section 5 illustrates the studied deep learning models, the data descriptions, and the performance metrics. Section 6 shows the results and discussion. Finally, Section 7 concludes the study.
2. Generation of Synthetic Load Profiles
We have adapted the conventional IEEE 118 test systems to generate time-series datasets, unlike the original datasets, which only provide steady-state network parameters. Load profiles that incorporate dynamic data to represent time-varying conditions were generated. Furthermore, we have partitioned the power system into eight distinct regions for illustrating the ISO New England (ISO-NE) load zones to enable more granular analysis of regional dependencies. For further information on generating load data, we refer readers to [41], which provides comprehensive methodology and equations for load data generation, renewable energy forecasting, and time-series optimal power flow (TSOPF) under various conditions.
Figure 1 illustrates the data processing workflow to generate the experiment data for load forecasting using ISO-NE time-series datasets. The process begins with obtaining historical time-series data from ISO-NE by the partitioning of the power system into regional load zones. The next steps contain statistical analysis and weight or load contribution for each state determination and the assignment of bus numbers to the IEEE test system. Later, the load contribution for each region is calculated and compared against IEEE benchmark weights to determine a scale factor.
Figure 1.
The flowchart of obtaining, analyzing, and scaling ISO-NE time-series data to an IEEE test system for regional load forecasting.
The scaled time-series is then used for further forecasting. In addition, external weather data from National Solar Radiation Database (NSRDB) and National Oceanic and Atmospheric Administration (NOAA) are integrated to improve accuracy. Finally, the last steps involve identifying load distributions at the bus level, forecasting loads, and evaluating the performance of various DL models for predictive accuracy.
Table 2 presents the IEEE 118-bus test system studied in this research. It demonstrates the number of buses, generators, and loads and the total load in MW and MVAR. This data show an overview of the scale and electrical demand within the IEEE 118-bus system. Figure 2 illustrates the historical time-series datasets over 5 years for Connecticut (CT) and Maine (ME) demand territory.
Table 2.
Overall IEEE 118 test systems.
Figure 2.
Hourly historical load profiles for CT and ME from 2017 to 2022.
ISO-NE releases yearly reports that include hourly historical demand and electricity pricing data for each demand zone [42]. The distinct characteristic of our case study is the input data, which is apart from the standard test case. In this study, we have utilized ISO-NE’s public demand data start from 1 January 2017 to 31 December 2021 to create hourly load profiles for all demand regions within the ISO-NE territory. The dataset contains CT, Rhode Island (RI), Southeastern Massachusetts (SEMA), Northeastern Massachusetts (NEMA), Western and Central Massachusetts (WCMA), Vermont (VT), New Hampshire (NH), and ME electricity demand for the IEEE 118 test system.
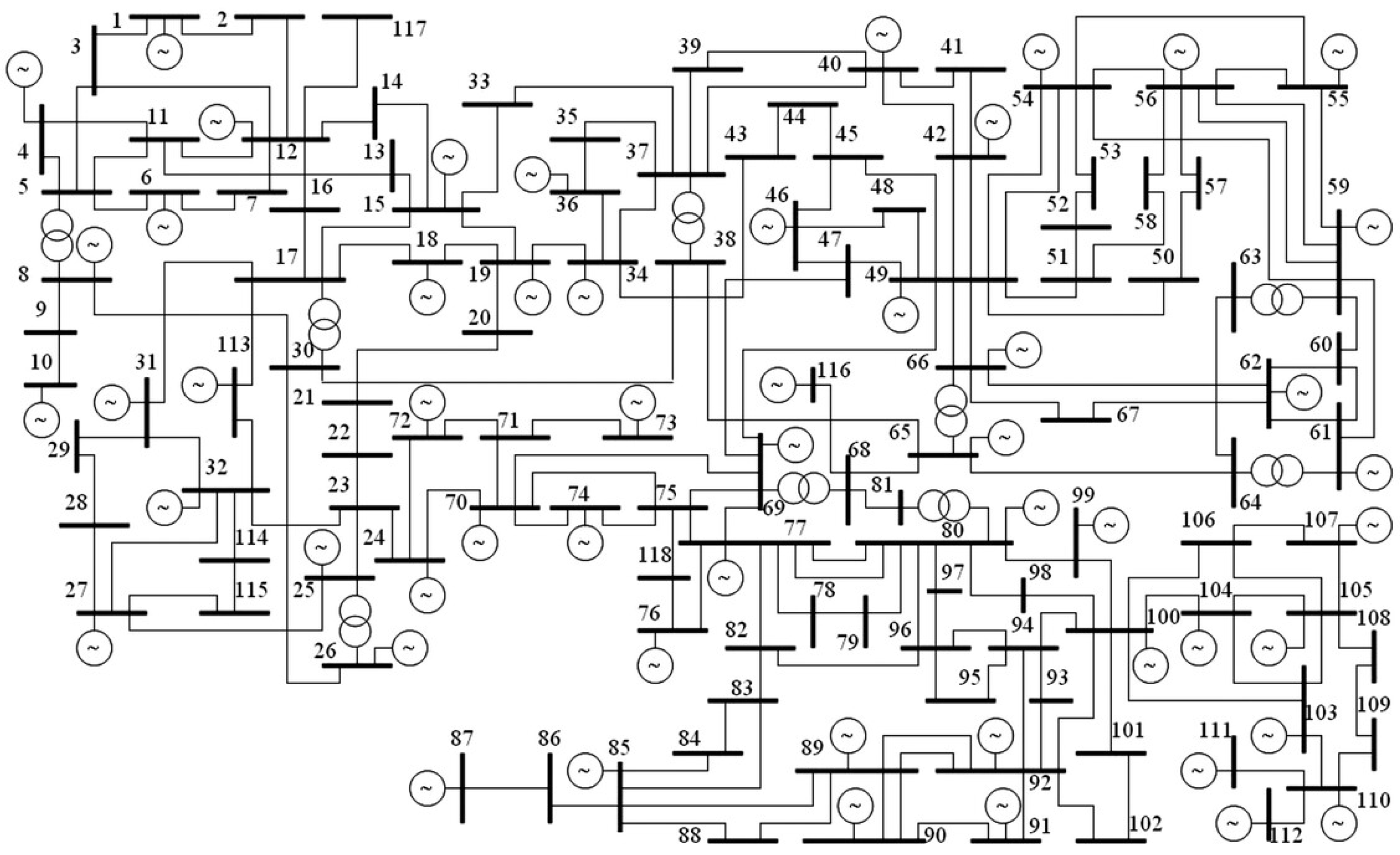
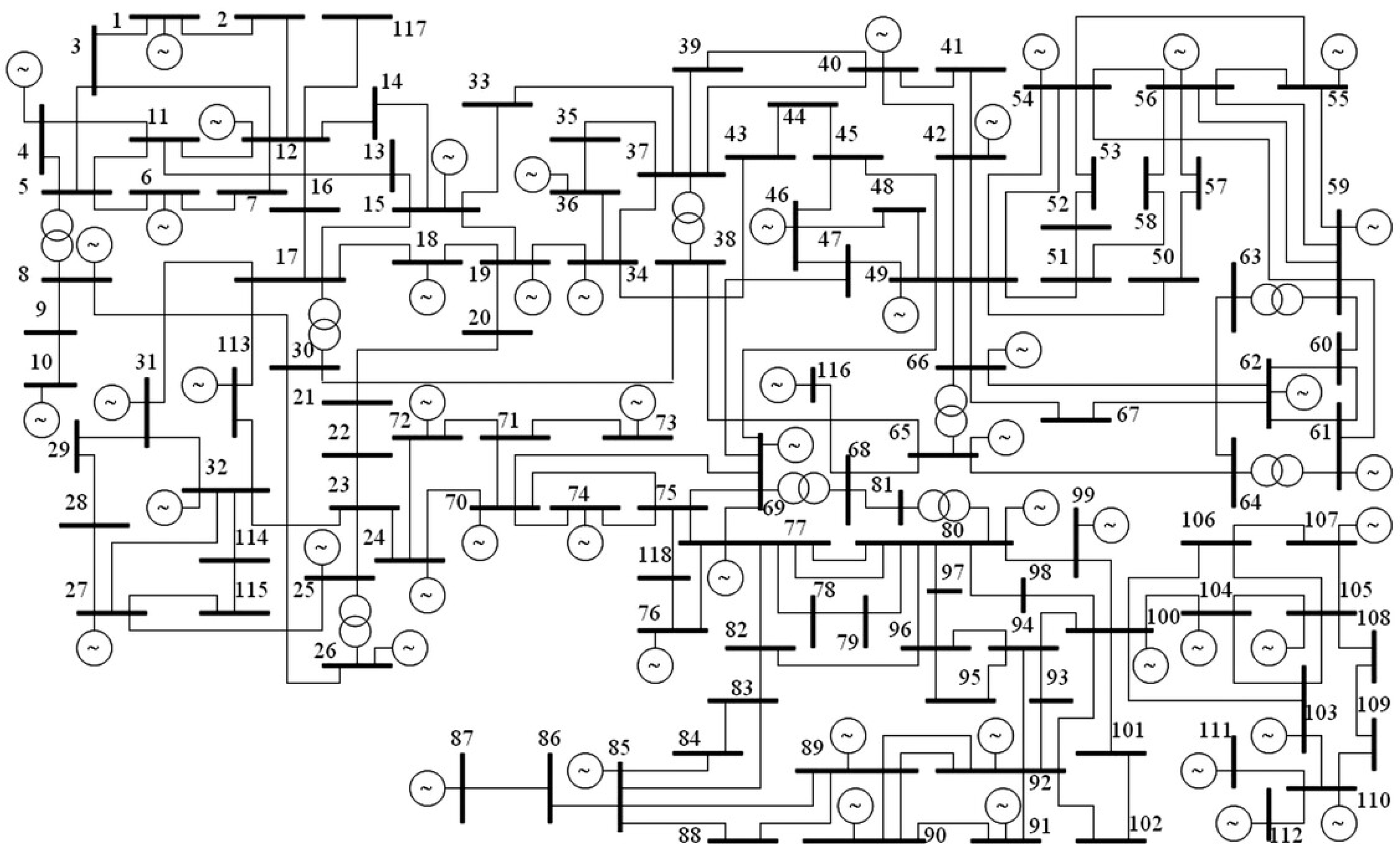
Figure 3 represents the IEEE 118-bus test systems [43]. Table 3 and Table 4 demonstrate the region-bus group assignment within the IEEE 118-bus test system. This assignment categorizes the buses into different regions, each identified by a unique grouping.
Table 3.
Region-bus group assignment for CT, RI, NH, and VT.
Table 4.
Region-bus group assignment for SEMA, NEMA, WCMA, and ME.
3. Extreme Weather Impact and Utilization for Data Generation
Extreme Wind Scenarios
To simulate WS for the hurricane model, we utilized the Weibull distribution for modeling WS variability due to its flexibility in representing different types of WS distributions. The Weibull distribution is characterized by its shape parameter k and scale parameter . The probability density function (PDF) of the Weibull distribution is given by
WS during extreme weather events may not be fully captured by the Weibull distribution. To address this, we utilized shape and scale parameters by adjusting the Weibull distribution parameters on a day-to-day basis. These synthetic WSs were then integrated into the subset data, adjusting the dataset to represent the modeled WS based on the defined distribution for each day. Our load time-series data cover the years 2017 to 2021 for the ISO-NE region. To simulate extreme conditions, we adjust the normal weather data in 2018 same-event periods to represent the impact of Hurricane Sandy. For instance, during the Sandy event in October 2011 and a hypothetical scenario where Hurricane Sandy was assumed to have occurred in 2018, we modified the shape and scale parameters for each specific date to demonstrate the observed WS patterns. We modeled WS for each day under extreme conditions observed on peak days. The generated WS data are presented in Figure 4, illustrating the variation and intensity of the WS throughout the event.
Figure 4.
Illustration of synthetic wind speed for hurricane Isaias.
For our model, specific Weibull parameters were defined for each day during the hurricane period. To simulate the impact of high WS on various weather variables during hurricane conditions, we utilized combining the Weibull distribution with NOAA time-series data [44].
Figure 5 illustrates the weather conditions during Hurricane Isaias showed significant changes in atmospheric variables, such as pressure, precipitable water, and dew point temperature. These changes represent strong wind conditions, where a drop in pressure is associated with an increase in WS. In addition, precipitable water increased, showing higher moisture levels in the atmosphere. The dew point temperature also rose, showing warm, humid air associated with the storm. As Hurricane Isaias lost intensity, pressure increased, WS decreased, and moisture levels declined.
Figure 5.
Hurricane Isaias weather plots for illustrating atmospheric changes during 2020.
In addition, historical time-series data obtained from the NSRDB and NOAA were used. WS values were generated using the Weibull distribution to provide a realistic representation of hurricane behavior in weather parameters. The following equation was applied to adjust the remaining weather variables:
In this equation, shows the original time-series value of the weather parameter obtained from NOAA data. represents the WS values generated using the Weibull distribution, and is a scaling factor specific to each weather variable. The scaling factor shows the sensitivity of the variable to changes in WS. Then, the equation was applied to several key weather variables with appropriate values, illustrating the physical relationships between WS and each variable. For example, pressure decreases with higher WS, making negative.
Figure 6 represents the hurricane Isaias load behavior during normal and extreme wind event conditions. The vertical dotted lines illustrate different event phases, such as pre-event, during the hurricane, restoration, and end of event. To model the load reduction pattern during the hurricane period, we used the this report [45] to represent the varying degrees of load reduction over time. This can be expressed using an equation incorporating a reduction factor , which varies to represent the impact and recovery phases of the hurricane. represents the original load at time t, and represents the adjusted load at time t after applying the reduction factor. The adjusted load can be modeled as follows:
where ranges between 0 and 1, 0 represents a complete load reduction, and 1 represents no reduction. The function shows the peak reduction during the hurricane’s impact and the gradual restoration of load over time [45]. This factor was modeled as a function of time to represent the initial significant impact, followed by incremental recovery. The load reduction pattern is applied uniformly across all bus loads in the electrical network. Each load column represents different buses and is adjusted by multiplying the original load values and the corresponding reduction factor for each day.
Figure 6.
Hurricane Isaias (2020) load behavior during normal and hurricane conditions.
4. Deep Learning Models
4.1. Recurrent Neural Network
Recurrent Neural Networks (RNNs) are a class of neural architectures designed to handle sequential and time-dependent data. Unlike traditional feed forward neural networks, RNNs maintain a hidden state that carries information across time steps for the network to learn temporal dependencies. In the next subsections, the standard RNN, LSTM, and GRU models are discussed.
4.1.1. RNN
RNN is designed to process sequential data by maintaining a hidden state that captures temporal dependencies. However, they encounter challenges with long-term dependencies due to the vanishing gradient problem. Therefore, a limitation of simple RNN is their short-term memory, which restricts their ability to retain information over long sequences [46]. To overcome this issue, more advanced RNN variants, such as LSTM, BiLSTM, GRU, and BiGRU, have been demonstrated [47]. Figure 7 represents the structure of a RNN, where the unit is unfolded over time to capture temporal dependencies in sequential data.
Figure 7.
RNN unit network structure.
The computations in an RNN consist of updating the hidden state at each time step and computing the corresponding output. The equations of a simple RNN are as follows:
In these equations, represents the hidden state, which is computed using the previous hidden state , the current input , and the respective weight matrices and with a bias term . The activation function tanh introduces non-linearity for the model to learn complex temporal dependencies. Once the hidden state is updated, the output is computed as a linear transformation of the hidden state using the weight matrix and bias .
4.1.2. LSTM
LSTM addresses the short-term memory limitations of traditional RNN through gating mechanisms, by the input, forget, and output gates [48]. These gates regulate the flow of information between cells, allowing the network to maintain necessary dependencies in sequential data. The gates work with nonlinear activation functions, such as hyperbolic tangent (tanh), rectified linear unit (ReLU), and sigmoid functions. Figure 8 shows the LSTM unit network structure with the cell state, forget, input, and output gate.
Figure 8.
LSTM unit network structure.
In a LSTM neural network, the gates determine whether to write, store, or read from a memory cell to allow the network to keep information over long sequences [49]. Each gate has its own weights and biases, which are learned during training using gradient descent. The LSTM equations are given follows:
In these equations, represents the forget gate and determines which parts of the previous cell state should be deleted based on the previous hidden state and the current input . Next, is the input gate that controls what new information should be written to the cell state. Later, shows the candidate cell state by using a tanh activation function. The actual cell state is updated by combining the previous cell state and the new candidate information by and . Furthermore, is the output gate that decides how much of the cell state should be used to the next time step. Finally, represents the output of the LSTM unit at time step t by a hidden state.
4.1.3. GRU
GRU is a more advanced type of RNN architecture designed to handle sequential data and remember important information over time [50]. One of the key advantages of GRU over traditional RNN and LSTM is their computational efficiency as GRU uses fewer gates compared with the more complex LSTM architecture. By combining a memory and output state into a single state, GRU enables faster processing and requires less computational power.
The computations in a GRU network controls the information flow using two gating mechanisms. They are the update gate and the reset gate. The GRU equations are given as follows:
In these equations, represents the update gate and determines how much of the past hidden state should be kept. Next, the reset gate considers how much of the previous hidden state should be forgotten before computing the candidate hidden state . Later, the final hidden state is a combination of the previous hidden state and the candidate hidden state . In this stage, the update gate controls that the model remembers’ past information while incorporating new information. Figure 9 illustrates the internal structure of GRU, which shows reset and update gates that control the flow of information over time.
Figure 9.
GRU unit network structure.
4.2. Bidirectional Recurrent Networks
While traditional RNNs process information in a single temporal direction, bidirectional networks extend this capability by incorporating both forward and backward passes through the sequence. This bidirectional processing allows the model to access both past and future information at each time step to improve performance in many sequential tasks.
Figure 10 illustrates the general architecture of bidirectional recurrent networks, which is applicable to BiRNN, BiLSTM, and BiGRU models. In the next subsections, the specific characteristics of each model are discussed in detail.
Figure 10.
General structure of a bidirectional recurrent network for BiRNN, BiLSTM, and BiGRU models.
4.2.1. BiRNN
BiRNN extends traditional RNNs by processing input sequences in both forward and backward directions and combining their outputs. In a BiRNN, the forward and backward hidden states are treated as independent units that process the input sequence in opposite temporal directions, allowing the model to access both past and future information [51].
The BiRNN network contains two RNN units that process the input sequence in opposite directions. The forward RNN calculates the hidden state using past information, while the backward RNN calculates using future information. These hidden states are calculated at each time step in Equations (16) and (17). The final hidden representation at time t is obtained by concatenating the forward and backward hidden states in Equation (18).
4.2.2. BiLSTM
The BiLSTM network contains two LSTM units that process the input sequence in opposite directions. The forward LSTM calculates the hidden state using the past information, while the backward LSTM calculates using future information [51,52].
4.2.3. BiGRU
The BiGRU network consists of two GRU units operating in opposite directions [53]. The hidden state of the forward GRU is represented by , and the hidden state of the backward GRU is shown as [51].
4.3. CNN
CNN is a type of neural network architectures designed to exploit local feature patterns effectively [54]. Typically, CNN models consist of three fundamental layers. These layers contain convolution, max-pooling, and fully connected (dense) layers. The convolution layer uses spatial filters to extract local correlations within the input data. The max-pooling layer reduces the dimensionality of the data while conserving the most crucial features identified by the convolution filters. Finally, the fully connected layer processes this obtained information to generate forecasting.
5. Studied Deep Learning Models
In this study, we utilized six different DL methods to compare the performances of various DL frameworks and determine model effectiveness. CNN provides a fast and efficient way to extract local functional correlations in input layers, while stacked RNN, LSTM, GRU, BiRNN, BiLSTM, and BiGRU with fully connected dense layers are designed to capture dependencies in time-series input sequences.The models were evaluated in two case studies. In Case Study 1 Section 6.1, three sets of models were studied, each consisting of stacked CNN combined with stacked RNN, LSTM, GRU, BiRNN, BiGRU, and BiLSTM with a fully connected layer (CNN-RNN-FC, CNN-LSTM-FC, CNN-GRU-FC). In Case Study 2 Section 6.2, each of these sets was further modified by adding additional flattening layers after the CNN, resulting in six distinct models. In addition, we have implemented hyperparameter optimization to identify the best performing models. All deep learning models were implemented in Python 3.11.13 using the TensorFlow 2.18.0 [55] and Keras 3.8.0 [56] libraries. The experiments were conducted using Google Colab with GPU acceleration, which uses NVIDIA Tesla T4 GPUs. Data preprocessing and visualization were performed using standard Python libraries, such as NumPy 2.0.2 [57], Pandas 2.2.2 [58], and Matplotlib 3.10.0 [59].
5.1. Load and Weather Data
In this study, we generated hourly resolution load data (as detailed in Section 2) and obtained hourly weather data from two sources spanning from 1 January 2017 to 31 December 2021. We also incorporated weather conditions and improved load forecasting accuracy. The NSRDB [60] and the NOAA [44] have been utilized for weather data, and several weather variables have been used for forecasting. For instance, we used global horizontal irradiation (GHI), diffuse horizontal irradiation (DHI), and direct normal irradiance (DNI) as solar-related weather features, which were extracted from the NSRDB database. In addition, we considered several meteorological variables, such as humidity, pressure, precipitable water, dew point temperature, dry bulb temperature, visibility, wind direction, and WS. These weather variables were extracted from the NOAA database and integrated into the forecasting models to improve the accuracy. Furthermore, we included additional attributes for the features, such as day of the week, weekend indicators, hour of the day, and previous day’s total system load. The data used in this article will be available and uploaded to this location [61]. The target variables for the extreme weather load forecasting were the load values for each bus. The standardization process for feature transformation was obtained by subtracting the mean and dividing it by the standard deviation for each weather feature column. The initial 4 years of hourly data serves as our training set, while the data from the fifth year is equally divided into two halves, the first half for validation and the second for the test set.
Figure 11 shows the correlation between the load at one of the system buses and auxiliary exogenous variables using Pearson, Spearman, and Kendall correlation coefficients. Total load previous day and hour of day have the highest correlation values in all three methods (Pearson: 0.88 and 0.51, Spearman: 0.88 and 0.55, Kendall: 0.71 and 0.38). Several weather variables such as precipitable water, DHI, and GHI show moderate correlation (Pearson: 0.21, 0.17, and 0.15, respectively). In contrast, features such as visibility, wind direction, and pressure have low correlation for all methods.
Figure 11.
Correlation coefficients between one of the system buses and exogenous variables using (a) Pearson, (b) Spearman, and (c) Kendall methods. Different colors are used to show each correlation type, such as blue for Pearson, green for Spearman, and orange for Kendall.
5.2. Performance Metrics
To evaluate the effectiveness of the combined and hybrid DL methods, we utilized three performance metrics, root mean squared error (RMSE), mean absolute error (MAE), and mean absolute percentage error (MAPE). The mathematical formulations for these metrics are given in Equations (25)–(27). In addition, we considered the coefficient of determination (R2) and the normalized root mean square error (nRMSE) to further assess model performance. The formulations are provided in the following Equations (28) and (29):
where represents the actual observed values, denotes the predicted values at time t, is the mean of the actual values, and N is the total number of observations in the dataset.
5.3. Model Hyperparameter Tuning
To improve model performance, hyperparameter tuning was experimented using the BayesianOptimization tuner from the keras-tuner library [62]. This method was selected because it explores the hyperparameter space more efficiently than traditional grid search technique. The same tuning process was applied across all six models. Key parameters were considered, such as the number of filters and kernel sizes in convolutional layers, the number of units and bidirectionality in recurrent layers, dropout rates, the use of layer normalization, the number and size of dense layers, and the learning rate for the optimizer.
Table 5 shows the hyperparameter search space used for CNN-RNN-FC, CNN-GRU-FC, and CNN-LSTM-FC models. For the convolutional layers, different filter sizes and kernel sizes were tested, with MaxPooling applied after each Conv1D layer. The recurrent layers varied in the number of units and included options for RNN, GRU, or LSTM cells. Each recurrent layer could be a bidirectional and optionally dropout and layer normalization. The dense layers following the recurrent blocks were tuned for both the number of layers and the number of units per layer. Finally, the Adam optimizer was used, with tuning focused on the learning rate. For a fair comparison among all the models presented in Case Study 1 Section 6.1 and Case Study 2 Section 6.2, the same hyperparameter search space was used across all architectures.
Table 5.
Hyperparameter search space for CNN-RNN-FC, CNN-GRU-FC, and CNN-LSTM-FC models.
6. Results and Discussion
In this section, the results of our studies on hybrid DL models presented for extreme weather on electrical load forecasting in the IEEE 118-bus system in the CT region while considering the weather data as input. We focused on multivariate DL models designed for multi-input, multi-output forecasting of system bus loads. Instead of forecasting each load separately, our method forecasts all system loads in a single run to improve efficiency and capture dependencies between different bus loads. Using data from the previous twenty-four steps, these models forecast electricity load consumption 1 h ahead. In our method, the models were trained on a continuous long sequence containing both normal and extreme weather conditions. Normal weather data came from the majority of the test set, while extreme events contained only a small part. The models tried to learn typical load patterns and handling the unusual changes caused by hurricanes. Therefore, they can forecast during both normal and disrupted conditions. To evaluate our DL models incorporated in extreme weather conditions, we have used data from previous hurricanes, such as Irene, Sandy, Isaias, and Henri. By training on these past events, the models tried to forecast hurricane potential impacts on load forecasting. To evaluate the performance of the various DL methods RMSE, MAE, MAPE, R2, and nRMSE, performance metrics were calculated. Furthermore, we evaluated the computational efficiency of various DL models. This section is divided into two case studies and a discussion of results to analyze different DL model architectures. Case Study 1 focuses on the use of combined CNN-Recurrent with fully connected layers. Case Study 2 presents hybrid CNN-Recurrent with fully connected layers. The final section provides a comparative discussion of the models’ performance for training, validation, testing, and hurricane conditions.
6.1. Case Study 1: Combined CNN-Recurrent with Fully Connected Models
This case study focused on the performance of CNN combined with RNN, LSTM, GRU, BiRNN, BiGRU, and BiLSTM with fully connected neural networks. These models integrated convolution layers for spatial feature extraction and recurrent layers for capturing temporal dependencies. The models tried to increase the strengths of both CNN and recurrent networks to maintain spatiotemporal relationships in the input data. Figure 12 shows the combined CNN-Recurrent with fully connected network architecture. The input data used for this study contain a combination of meteorological and temporal features for the forecasting of electricity load during extreme weather conditions. The input variables contained wind speed and direction, atmospheric pressure, dry bulb and dew point temperature, precipitable water, relative humidity, and visibility. In addition, temporal features were utilized to increase the forecasting accuracy, such as the day of the week, weekend indicator, hour of the day, and total load from the previous day.
Figure 12.
Architecture of the combined deep learning model for short-term load forecasting. The model integrates CNN for feature extraction and RNN-based stacked layers (RNN, GRU, LSTM, BiRNN, BiGRU, or BiLSTM) for temporal modeling and process, using weather, calendar, and historical load data as inputs. A dense output layer provides the hour-ahead forecast.
After the input layer, the architecture started two one-dimensional convolution layers with 256 and 128 filters; ReLU activation was applied for both convolution layers and a kernel size of 3. Later, a Conv1D layer and MaxPooling1D layers were used with a pool size of 2. Table 6 presents the hyperparameters of DL models for extreme weather load forecasting.
Table 6.
Best-performing combined model architecture.
After convolution and pooling layers, the model incorporated two recurrent layers implemented using either RNN, LSTM, GRU, BiRNN, BiGRU, or BiLSTM. The first recurrent layer contained 256 neurons and was configured as BiLSTM with a dropout rate of 0.3 and return sequences enabled. The second recurrent layer was also a BiLSTM that consisted of 128 neurons and a dropout rate of 0.2 with return sequences disabled. The model further included three dense layers, each with 32 neurons and ReLU activation. Training parameters such as step size, number of features, epochs, batch size, optimizer, learning rate, loss function, beta values, and epsilon are also shown in the table. The output size was 17, which shows multiple forecasting for all the system’s buses for the load values. Load buses with zero load values for all time steps were removed from the analysis in the CT region. For example, buses 61, 63, and 64 were excluded due to having zero load during the entire observation period.
Figure 13 demonstrates the actual and forecasted load values under extreme weather conditions, one of the system buses for load forecasting. The actual load in the green line is presented with the forecasted values from the combined DL models. The start of the disturbance and the restoration the end phase are shown with vertical red and gray lines. Before the event, all models’ forecasting and actual values were close to each other. This period represents normal weather conditions, in which the models demonstrated high forecasting accuracy during this period. However, when the hurricane occurred, significant variations were observed between the actual and forecasted values among the models. The disturbance caused substantial fluctuations in both actual and predicted loads for a few days. Finally, the models’ forecasts and actual values returned to normal after the restoration period.
Figure 13.
Forecast and actual load for Hurricane Henri.
Figure 14 illustrates the errors RMSE for the training, validation, testing, and hurricane datasets for each load bus in the CT region. The three combined DL models convolutional neural network with recurrent neural network and fully connected layer (CNN-RNN-FC), convolutional neural network with long short-term memory and fully connected layer (CNN-LSTM-FC), and convolutional neural network with gated recurrent unit and fully connected layer (CNN-GRU-FC) were evaluated to compare the RMSE errors across all system load buses. The figure shows that the RMSE errors are significantly higher for the hurricane dataset than the others. According to the RMSE error for each combined model and system load buses, CNN-RNN-FC presented the highest RMSE errors during the hurricane period, while CNN-LSTM-FC had the lowest RMSE errors during the hurricane for combined models.
Figure 14.
Train, validation, test and hurricane dataset errors for each bus.
6.2. Case Study 2: Hybrid CNN-Recurrent with Fully Connected Models
This case study evaluated a hybrid model that incorporates an additional flattening step between the convolution and recurrent layers. Flattening converts the multi-dimensional output of convolution layers into a one-dimensional vector, which is then reshaped to fit the input requirements of the recurrent models for their layers. This modification might support the temporal learning process by transforming the spatial features into a more suitable format for the recurrent layers. Figure 15 illustrates the hybrid CNN-Recurrent architecture with a fully connected network, while maintaining the same input features as described in Case Study 1.
Figure 15.
Architecture of the hybrid deep learning model. The model combines CNN for feature extraction with RNN-based stacked layers (RNN, GRU, LSTM, BiRNN, BiGRU, or BiLSTM) for temporal modeling and processing, using weather, calendar, and historical load data as inputs. A dense output layer provides the hour-ahead forecast.
The hybrid model architecture is demonstrated in Table 7. The overall model architectures were kept the same as in Case Study 1 with additional flattened layers after the CNN layers to compare the results of multi-dimensional and one-dimensional configurations.
Table 7.
Best-performing Hybrid CNN–GRU-FC model architecture.
Table 7 presents the architecture and hyperparameters of the proposed hybrid CNN-GRU-FC model. This model contains two 1D convolutional layers with 128 filters each. After the convolutional layers, max-pooling and a flattening operation are applied to prepare the data for the recurrent layers. The first GRU layer uses 128 units with return sequences enabled and is a bidirectional and used layer normalization; meanwhile, the second GRU layer also has 128 units but is unidirectional and used layer normalization. Dropout was 0.2 for the first GRU layer. The fully connected part of the network consists of three dense layers with 64, 32, and 128 units with ReLU activation. The model was trained for 100 epochs with a batch size of 32, using the Adam optimizer and a learning rate of 0.001. Other training parameters, including the step size, number of input features, and loss function, are consistent with those used in the previously described combined model and are summarized in the table.
Figure 16 illustrates the forecasted and actual load during the hurricane period for the hybrid models. The period before the event represents normal weather conditions, when the actual and forecasted load values from all models were close. During the hurricane, the actual load started to fluctuate more, and the difference between actual and forecasted values increased. After the event, the model predictions gradually came back in line with the actual values.
Figure 16.
Forecast and actual load for hurricane Henri.
Figure 17 figure demonstrates the hybrid model train, validation, test, and hurricane dataset errors for each bus. In Case Study 2, the RMSE values were similar to that in Case Study 1, and the flattening step slightly improved performance due to the smaller or very similar RMSE errors for each bus in Case Study 2.
Figure 17.
Train, validation, test, and hurricane dataset errors for each bus.
6.3. Discussion
This section presents and discusses the results shown in Table 8, Table 9, Table 10, Table 11 and Table 12, which summarize the performance of six different models evaluated with two separate case studies. Each case study used a different model configuration, and comparisons were previously presented in the individual case study sections. The evaluations were conducted under four evaluation scenarios for training, validation, testing, and the hurricane Henri period. For each case study scenario within the case studies, standard metrics were utilized, such as RMSE, MAE, MAPE, R2, and nRMSE. The results are used to compare model performances under normal and extreme weather conditions.
Table 8.
Training metrics for all case studies.
Table 9.
Validation metrics for all case studies.
Table 10.
Test metrics for all Case studies.
Table 11.
Hurricane period metrics for all case studies.
Table 12.
Model efficiency for all case studies.
Table 8 shows the training performances of all models in the two case studies based on RMSE, MAE, MAPE, R2, and nRMSE. In Case Study 2, the CNN-GRU-FC-based hybrid model (using BiGRU after hyperparameter tuning) had the lowest error values with an RMSE of 1.3777 MW, MAPE of 1.725%, and the highest R2 value of 0.99. The second best-performing model was CNN-LSTM-FC (with BiLSTM after hyperparameter tuning) with an R2 of 0.987 and showed similar low values for the other metrics. On the other hand, in Case Study 1, the CNN-LSTM-FC (with BiLSTM after hyperparameter tuning) model had the lowest RMSE and MAE with the highest R2. The worst-performing model was the CNN-RNN-FC model in both Case Studies 1 and 2 on the training set.
Table 9 shows the validation performance of these models. In Case Study 2, the CNN-GRU-FC model (using BiGRU after hyperparameter tuning) presented the best results for two cases with a validation RMSE of 3.727 MW, MAPE of 4.542%, and R2 of 0.907. The CNN-LSTM-FC model (using BiLSTM) also performed similarly with an RMSE of 3.767 MW, MAPE of 4.706%, and R2 of 0.906. In Case Study 1, the CNN-LSTM-FC model (using BiLSTM) showed the best performance, with a validation RMSE of 3.727 MW, MAPE of 4.636%, and R2 of 0.908. The CNN-RNN-FC model showed the weakest performance in both case studies, with the highest error values and the lowest R2.
Table 10 presents the test performance of the models. The test set primarily used normal weather conditions, except for the period affected by Hurricane Henri. Therefore, a small portion of the test set represented assessment under both typical and abnormal scenarios. In Case Study 2, the CNN-LSTM-FC model (using BiLSTM after hyperparameter tuning) demonstrated the best results, with a test RMSE of 5.382 MW, MAPE of 6.178%, and R2 of 0.842. The CNN-GRU-FC model (using BiGRU) performed as the second-best model, while the CNN-RNN-FC model illustrated the worst performance. In Case Study 1, the CNN-LSTM-FC model (using BiLSTM) showed the best performance, with a test RMSE of 5.452 MW, MAPE of 6.493%, and R2 of 0.838. The CNN-GRU-FC model presented similar results, whereas the CNN-RNN-FC model again demonstrated the lowest accuracy.
Table 11 presented the model performance during the Hurricane Henri period. In Case Study 2, the CNN-GRU-FC model (using BiGRU after hyperparameter tuning) illustrated the best performance among models, with an hurricane-period RMSE of 9.112 MW, MAPE of 11.680%, and R2 of 0.741. The CNN-LSTM-FC model (using BiLSTM) produced the second-best model, while the CNN-RNN-FC model demonstrated the poorest performance. In Case Study 1, the CNN-LSTM-FC model (using BiLSTM) showed the best performance, with a RMSE of 9.469 MW, MAPE of 12.478%, and R2 of 0.721. The CNN-GRU-FC model presented slightly higher error values, and the CNN-RNN-FC model still showed the poorest results, with a significantly higher RMSE and lower R2.
Table 12 presents the time required by each model for total run, training, validation, and testing time. All models were trained using early stopping, which helped limit training time by ending the process when improvements stopped. Therefore, variation in training durations was observed across the models. In both case studies, the CNN-RNN-FC model was the fastest, showing the shortest times across all three phases. In Case Study 1, its training time was 58.68 s, with validation and test times of 0.74 and 0.34 s, respectively. In Case Study 2, it trained in 149.70 s and completed validation and testing in 0.71 and 0.31 s. While CNN-RNN-FC was the most time-efficient, the CNN-GRU-FC model showed a more balanced trade-off, with moderate training times and more accurate forecasting performance. CNN-LSTM-FC models required the longest training times in both case studies, though they consistently performed well in earlier evaluations. In summary, CNN-RNN-FC was the most efficient in terms of training, validation, and test time, whereas CNN-GRU-FC and CNN-LSTM-FC were slower but generally more accurate.
The bidirectional models, such as CNN-BiLSTM-FC and CNN-BiGRU-FC, performed well under normal and extreme conditions. When comparing the test sets, the CNN-BiLSTM-FC model was the best-performing model. For the hurricane period, the CNN-GRU-FC model performed best. This is due to the fact that they considered information from both the previous and the following time steps in a sequence. This helped the models capture important patterns more effectively, when the data varied over time. During the hurricane period, the data showed sudden changes, and these models provided more accurate forecasting than the others. Although their training time was slightly longer than that of the CNN-BiRNN-FC-based hybrid models, the improvement in accuracy showed better choice for this type of task.
7. Conclusions
This study presented a comparative analysis of CNN-combined/hybrid unidirectional and bidirectional recurrent with fully connected DL models for multi-input and multi-output extreme and normal weather condition electricity load forecasting. The models incorporate historical environmental conditions by focusing on the IEEE 118-bus power grid and the CT region’s demand territory.
The results from Case Study 2 demonstrated that the CNN-GRU-FC (using BiGRU) hybrid model outperformed all other models for the highest performance metrics on hurricane datasets during extreme weather conditions. In addition, the CNN-LSTM-FC (using BiLSTM) model performed the best under normal weather conditions for a test set except during the hurricane period. These two models presented better capturing sequential dependencies and adapting to the complexities of extreme and normal weather conditions for load forecasting. The next best-performing model under extreme weather conditions was CNN-LSTM-FC, which is slightly behind the BiGRU version of a hybrid model. On the other hand, the CNN-RNN-FC connected layer model performed the poorest; while convolution architectures may capture spatial patterns, they are less effective than recurrent models in handling temporal dependencies in extreme weather scenarios.
In addition, the findings from Case Studies 1 and 2 showed that maintaining the spatiotemporal relationships as in the models with CNN-Recurrent with fully connected layers resulted in better forecasting accuracy for normal weather conditions in Case study 1. On the other hand, the hybrid model’s approach with a flattened layer before the Recurrent model increased the temporal learning process for Case Study 2 for the extreme weather condition.
In terms of model efficiency, CNN-RNN-FC was the most efficient, with the lowest total runtime and the least computational resource requirements in Case Studies 1 and 2. This is because early stopping has been implemented. Therefore, the model did not improve performance. In addition, CNN-BiGRU-FC demonstrated the second-highest efficiency and required fewer computational resources in Case Studies 1 and 2 for a combined and hybrid model. In addition, they provided the best accuracy for the extreme weather conditions.
Future work will focus on more advanced techniques such as temporal graph neural network for integrating weather data that effect electricity consumption. Next, integrating renewable energy sources will be studied to evaluate their impact on electricity consumption, while uncertainty quantification for probabilistic forecasting might improve forecasting. In addition, Physics-Informed Neural Networks (PINNs) will be considered to incorporate physical constraints into data-driven modeling. PINNs may provide a way to represent system dynamics more accurately.
Author Contributions
Conceptualization, A.U. and M.P.; methodology, A.U. and M.P.; software, A.U.; validation, A.U.; formal analysis, A.U.; investigation, A.U.; resources, A.U.; data curation, A.U.; writing—original draft preparation, A.U.; writing—review and editing, A.U. and M.P.; visualization, A.U.; supervision, M.P.; project administration, M.P.; funding acquisition, M.P. All authors have read and agreed to the published version of the manuscript.
Funding
This research was funded by the Eversource Energy Center at the University of Connecticut.
Data Availability Statement
Data are contained within the article.
Acknowledgments
A.U. and M.P. sincerely acknowledge and thank the support of Eversource Inc. to carry out this research. The authors thank Okan Ciftci for reviewing and providing feedback on this manuscript.
Conflicts of Interest
The authors declare no conflicts of interest. The funders had no role in the design of the study; in the collection, analyses, or interpretation of data; in the writing of the manuscript; or in the decision to publish the results.
Abbreviations
The following abbreviations are used in this manuscript:
| ML | machine learning |
| DL | deep learning |
| MIMO | multiple-input multiple-output |
| CNN | convolutional neural network |
| RNN | recurrent neural network |
| GRU | gated recurrent unit |
| LSTM | long short-term memory |
| BiRNN | bidirectional recurrent neural network |
| BiGRU | bidirectional gated recurrent unit |
| BiLSTM | bidirectional long short-term memory |
| CNN-RNN-FC | convolutional neural network with recurrent neural network and fully connected layer |
| CNN-GRU-FC | convolutional neural network with gated recurrent unit and fully connected layer |
| CNN-LSTM-FC | convolutional neural network with long short-term memory and fully connected layer |
| WS | wind speed |
| RMSE | root mean squared error |
| MAE | mean absolute error |
| MAPE | mean absolute percentage error |
| R2 | coefficient of determination |
| nRMSE | normalized root mean squared error |
| ISO-NE | ISO New England |
| RE | renewable energy |
| ISO | independent system operator |
| CT | Connecticut |
| RI | Rhode Island |
| SEMA | Southeastern Massachusetts |
| NEMA | Northeastern Massachusetts |
| WCMA | Western and Central Massachusetts |
| VT | Vermont |
| NH | New Hampshire |
| ME | Maine |
| NSRDB | National Solar Radiation Database |
| NOAA | National Oceanic and Atmospheric Administration |
| GHI | global horizontal irradiation |
| DHI | diffuse horizontal irradiation |
| DNI | direct normal irradiance |
References
- Panteli, M.; Mancarella, P. Modeling and evaluating the resilience of critical electrical power infrastructure to extreme weather events. IEEE Syst. J. 2015, 11, 1733–1742. [Google Scholar] [CrossRef]
- Khaira, U.; Astitha, M. Exploring the real-time WRF forecast skill for four tropical storms, Isaias, Henri, Elsa and Irene, as they impacted the Northeast United States. Remote Sens. 2023, 15, 3219. [Google Scholar] [CrossRef]
- Pechan, A.; Eisenack, K. The impact of heat waves on electricity spot markets. Energy Econ. 2014, 43, 63–71. [Google Scholar] [CrossRef]
- Wanik, D.; Anagnostou, E.; Hartman, B.; Frediani, M.; Astitha, M. Storm outage modeling for an electric distribution network in Northeastern USA. Nat. Hazards 2015, 79, 1359–1384. [Google Scholar] [CrossRef]
- Deng, X.; Ye, A.; Zhong, J.; Xu, D.; Yang, W.; Song, Z.; Zhang, Z.; Guo, J.; Wang, T.; Tian, Y.; et al. Bagging–XGBoost algorithm based extreme weather identification and short-term load forecasting model. Energy Rep. 2022, 8, 8661–8674. [Google Scholar] [CrossRef]
- Jeenanunta, C.; Abeyrathna, K.D.; Dilhani, M.S.; Hnin, S.W.; Phyo, P.P. Time series outlier detection for short-term electricity load demand forecasting. Int. Sci. J. Eng. Technol. (ISJET) 2018, 2, 37–50. [Google Scholar]
- Kim, Y.S.; Kim, M.K.; Fu, N.; Liu, J.; Wang, J.; Srebric, J. Investigating the impact of data normalization methods on predicting electricity consumption in a building using different artificial neural network models. Sustain. Cities Soc. 2025, 118, 105570. [Google Scholar] [CrossRef]
- Yin, Y.; Peña, M. An Imputing Technique for Surface Water Extent Timeseries with Streamflow Discharges. Water 2024, 16, 250. [Google Scholar] [CrossRef]
- Tan, B.; Zhao, J.; Chen, Y. Scalable Risk Assessment of Rare Events in Power Systems with Uncertain Wind Generation and Loads. IEEE Trans. Power Syst. 2024, 40, 1374–1388. [Google Scholar] [CrossRef]
- Dab, K.; Nagarsheth, S.; Amara, F.; Henao, N.; Agbossou, K.; Dubé, Y.; Sansregret, S. Uncertainty Quantification in Load Forecasting for Smart Grids Using Non-parametric Statistics. IEEE Access 2024, 12, 138000–138017. [Google Scholar] [CrossRef]
- Xu, L.; Wang, S.; Tang, R. Probabilistic load forecasting for buildings considering weather forecasting uncertainty and uncertain peak load. Appl. Energy 2019, 237, 180–195. [Google Scholar] [CrossRef]
- Shering, T.; Alonso, E.; Apostolopoulou, D. Investigation of load, solar and wind generation as target variables in LSTM Time Series forecasting, using exogenous Weather variables. Energies 2024, 17, 1827. [Google Scholar] [CrossRef]
- Browell, J.; Fasiolo, M. Probabilistic forecasting of regional net-load with conditional extremes and gridded NWP. IEEE Trans. Smart Grid 2021, 12, 5011–5019. [Google Scholar] [CrossRef]
- Ouyang, T.; He, Y.; Li, H.; Sun, Z.; Baek, S. Modeling and forecasting short-term power load with copula model and deep belief network. IEEE Trans. Emerg. Top. Comput. Intell. 2019, 3, 127–136. [Google Scholar] [CrossRef]
- Li, Y.; Jones, B. The use of extreme value theory for forecasting long-term substation maximum electricity demand. IEEE Trans. Power Syst. 2019, 35, 128–139. [Google Scholar] [CrossRef]
- Muraleedharan, G.; Rao, A.; Kurup, P.; Nair, N.U.; Sinha, M. Modified Weibull distribution for maximum and significant wave height simulation and prediction. Coast. Eng. 2007, 54, 630–638. [Google Scholar] [CrossRef]
- Unlu, A.; Peña, M. Assessment of Line Outage Prediction using ensemble learning and gaussian processes during Extreme Meteorological events. Wind 2024, 4, 342–362. [Google Scholar] [CrossRef]
- Jawad, M.; Nadeem, M.S.A.; Shim, S.O.; Khan, I.R.; Shaheen, A.; Habib, N.; Hussain, L.; Aziz, W. Machine learning based cost effective electricity load forecasting model using correlated meteorological parameters. IEEE Access 2020, 8, 146847–146864. [Google Scholar] [CrossRef]
- Aguilar Madrid, E.; Antonio, N. Short-term electricity load forecasting with machine learning. Information 2021, 12, 50. [Google Scholar] [CrossRef]
- Cordeiro-Costas, M.; Villanueva, D.; Eguía-Oller, P.; Martínez-Comesaña, M.; Ramos, S. Load forecasting with machine learning and deep learning methods. Appl. Sci. 2023, 13, 7933. [Google Scholar] [CrossRef]
- Sun, M.; Feng, C.; Zhang, J. Factoring behind-the-meter solar into load forecasting: Case studies under extreme weather. In Proceedings of the 2020 IEEE Power & Energy Society Innovative Smart Grid Technologies Conference (ISGT), Washington, DC, USA, 17–20 February 2020; pp. 1–5. [Google Scholar]
- Hong, Y.; Zhou, Y.; Li, Q.; Xu, W.; Zheng, X. A deep learning method for short-term residential load forecasting in smart grid. IEEE Access 2020, 8, 55785–55797. [Google Scholar] [CrossRef]
- Ungureanu, S.; Topa, V.; Cziker, A.C. Deep learning for short-term load forecasting—Industrial consumer case study. Appl. Sci. 2021, 11, 10126. [Google Scholar] [CrossRef]
- Nichiforov, C.; Stamatescu, G.; Stamatescu, I.; Calofir, V.; Fagarasan, I.; Iliescu, S.S. Deep learning techniques for load forecasting in large commercial buildings. In Proceedings of the 2018 22nd International Conference on System Theory, Control and Computing (ICSTCC), Sinaia, Romania, 10–12 October 2018; pp. 492–497. [Google Scholar]
- Massaoudi, M.; Refaat, S.S.; Chihi, I.; Trabelsi, M.; Abu-Rub, H.; Oueslati, F.S. Short-term electric load forecasting based on data-driven deep learning techniques. In Proceedings of the IECON 2020 The 46th Annual Conference of the IEEE Industrial Electronics Society, Singapore, 18–21 October 2020; pp. 2565–2570. [Google Scholar]
- Asghar, R.; Fulginei, F.R.; Quercio, M.; Mahrouch, A. Artificial neural networks for photovoltaic power forecasting: A review of five promising models. IEEE Access 2024, 12, 90461–90485. [Google Scholar] [CrossRef]
- Qu, H.; Kuang, H.; Wang, Q.; Li, J.; You, L. A physics-informed and attention-based graph learning approach for regional electric vehicle charging demand prediction. IEEE Trans. Intell. Transp. Syst. 2024, 25, 14284–14297. [Google Scholar] [CrossRef]
- Huang, G.; Zhou, Z.; Wu, F.; Hua, W. Physics-informed time-aware neural networks for industrial nonintrusive load monitoring. IEEE Trans. Ind. Inform. 2022, 19, 7312–7322. [Google Scholar] [CrossRef]
- Bian, H.; Wang, Q.; Xu, G.; Zhao, X. Load forecasting of hybrid deep learning model considering accumulated temperature effect. Energy Rep. 2022, 8, 205–215. [Google Scholar] [CrossRef]
- Unlu, A.; Peña, M.; Wang, Z. Comparison of the Combined Deep Learning Methods for Load Forecasting. In Proceedings of the 2023 IEEE Power & Energy Society Innovative Smart Grid Technologies Conference (ISGT), Washington, DC, USA, 16–19 January 2023; pp. 1–5. [Google Scholar]
- Yang, W.; Shi, J.; Li, S.; Song, Z.; Zhang, Z.; Chen, Z. A combined deep learning load forecasting model of single household resident user considering multi-time scale electricity consumption behavior. Appl. Energy 2022, 307, 118197. [Google Scholar] [CrossRef]
- Rafi, S.H.; Deeba, S.R.; Hossain, E.; Nahid-Al-Masood. A short-term load forecasting method using integrated CNN and LSTM network. IEEE Access 2021, 9, 32436–32448. [Google Scholar] [CrossRef]
- Hachache, R.; Labrahmi, M.; Grilo, A.; Chaoub, A.; Bennani, R.; Tamtaoui, A.; Lakssir, B. Energy Load Forecasting Techniques in Smart Grids: A Cross-Country Comparative Analysis. Energies 2024, 17, 2251. [Google Scholar] [CrossRef]
- Ahmad, N.; Ghadi, Y.; Adnan, M.; Ali, M. Load forecasting techniques for power system: Research challenges and survey. IEEE Access 2022, 10, 71054–71090. [Google Scholar] [CrossRef]
- Lee, J.; Cho, Y. National-scale electricity peak load forecasting: Traditional, machine learning, or hybrid model? Energy 2022, 239, 122366. [Google Scholar] [CrossRef]
- Yang, W.; Sparrow, S.N.; Wallom, D.C. A comparative climate-resilient energy design: Wildfire Resilient Load Forecasting Model using multi-factor deep learning methods. Appl. Energy 2024, 368, 123365. [Google Scholar] [CrossRef]
- Luo, S.; Wang, B.; Gao, Q.; Wang, Y.; Pang, X. Stacking integration algorithm based on CNN-BiLSTM-Attention with XGBoost for short-term electricity load forecasting. Energy Rep. 2024, 12, 2676–2689. [Google Scholar] [CrossRef]
- Chen, H.; Huang, H.; Zheng, Y.; Yang, B. A load forecasting approach for integrated energy systems based on aggregation hybrid modal decomposition and combined model. Appl. Energy 2024, 375, 124166. [Google Scholar] [CrossRef]
- Guo, Y.; Wang, J.; Zhong, Y.; Wang, T.; Sui, Z. A Novel Electrical Load Forecasting Model for Extreme Weather Events Based on Improved Gated Spiking Neural P Systems and Frequency Enhanced Channel Attention Mechanism. IEEE Access 2025, 13, 4884–4911. [Google Scholar] [CrossRef]
- Wang, W.; Zhou, G.; Mo, J.; Zhang, J.; Zhang, M. Load Forecasting Algorithm for Small Sample Datasets Based on Ensemble Learning and Transfer Learning. In Proceedings of the 2024 IEEE 25th China Conference on System Simulation Technology and its Application (CCSSTA), Tianjin, China, 21–23 July 2024; pp. 727–731. [Google Scholar]
- Unlu, A.; Dorado-Rojas, S.A.; Pena, M.; Wang, Z. Weather-Informed Forecasting for Time Series Optimal Power Flow of Transmission Systems with Large Renewable Share. IEEE Access 2024, 12, 92652–92662. [Google Scholar] [CrossRef]
- ISO New England. ISO New England (ISONE). Available online: https://www.iso-ne.com/ (accessed on 15 April 2022).
- Al-Roomi, A.R. Power Flow Test Systems Repository; Electrical and Computer Engineering, Dalhousie University: Halifax, NS, Canada, 2015; Available online: https://al-roomi.org/power-flow/118-bus-system (accessed on 15 July 2024).
- National Centers for Environmental Information. NOAA National Centers for Environmental Information. Available online: https://www.ncei.noaa.gov/ (accessed on 1 May 2024).
- Available online: https://www.eversource.com/content/docs/default-source/storm-updates/isaias-30-day-report.pdf?sfvrsn=4584d162_2 (accessed on 10 June 2024).
- Sherstinsky, A. Fundamentals of recurrent neural network (RNN) and long short-term memory (LSTM) network. Phys. D Nonlinear Phenom. 2020, 404, 132306. [Google Scholar] [CrossRef]
- Shiri, F.M.; Perumal, T.; Mustapha, N.; Mohamed, R. A comprehensive overview and comparative analysis on deep learning models: CNN, RNN, LSTM, GRU. arXiv 2023, arXiv:2305.17473. [Google Scholar]
- Hochreiter, S.; Schmidhuber, J. Long short-term memory. Neural Comput. 1997, 9, 1735–1780. [Google Scholar] [CrossRef]
- Olah, C. Understanding LSTM Networks. 2015. Available online: http://colah.github.io/posts/2015-08-Understanding-LSTMs/ (accessed on 15 July 2024).
- Cho, K.; Van Merriënboer, B.; Gulcehre, C.; Bahdanau, D.; Bougares, F.; Schwenk, H.; Bengio, Y. Learning phrase representations using RNN encoder-decoder for statistical machine translation. arXiv 2014, arXiv:1406.1078. [Google Scholar]
- Schuster, M.; Paliwal, K. Bidirectional recurrent neural networks. IEEE Trans. Signal Process. 1997, 45, 2673–2681. [Google Scholar] [CrossRef]
- Graves, A.; Schmidhuber, J. Framewise phoneme classification with bidirectional LSTM and other neural network architectures. Neural Netw. 2005, 18, 602–610. [Google Scholar] [CrossRef] [PubMed]
- Wang, S.; Shi, J.; Yang, W.; Yin, Q. High and low frequency wind power prediction based on Transformer and BiGRU-Attention. Energy 2024, 288, 129753. [Google Scholar] [CrossRef]
- Aggarwal, C.C. Neural Networks and Deep Learning; Springer: Berlin/Heidelberg, Germany, 2018; Volume 10. [Google Scholar]
- Abadi, M.; Barham, P.; Chen, J.; Chen, Z.; Davis, A.; Dean, J.; Devin, M.; Ghemawat, S.; Irving, G.; Isard, M.; et al. {TensorFlow}: A system for {Large-Scale} machine learning. In Proceedings of the 12th USENIX Symposium on Operating Systems Design and Implementation (OSDI 16), Savannah, GA, USA, 2–4 November 2016; pp. 265–283. [Google Scholar]
- Chollet, F. Keras. 2015. Available online: https://keras.io (accessed on 5 May 2025).
- Harris, C.R.; Millman, K.J.; Van Der Walt, S.J.; Gommers, R.; Virtanen, P.; Cournapeau, D.; Wieser, E.; Taylor, J.; Berg, S.; Smith, N.J.; et al. Array programming with NumPy. Nature 2020, 585, 357–362. [Google Scholar] [CrossRef] [PubMed]
- McKinney, W. Data structures for statistical computing in Python. SciPy 2010, 445, 51–56. [Google Scholar]
- Hunter, J.D. Matplotlib: A 2D graphics environment. Comput. Sci. Eng. 2007, 9, 90–95. [Google Scholar] [CrossRef]
- National Renewable Energy Laboratory. National Solar Radiation Database (NSRDB). Available online: https://nsrdb.nrel.gov/ (accessed on 2 May 2024).
- IEEE Dataport. Comparative Analysis of Hybrid Deep Learning Models for Electricity Load Forecasting during Extreme Weather. 2025. Available online: https://ieee-dataport.org/topic-tags/power-and-energy (accessed on 5 April 2025).
- O’Malley, T.; Bursztein, E.; Long, J.; Chollet, F.; Jin, H.; Invernizzi, L. KerasTuner. 2019. Available online: https://github.com/keras-team/keras-tuner (accessed on 5 May 2024).
Disclaimer/Publisher’s Note: The statements, opinions and data contained in all publications are solely those of the individual author(s) and contributor(s) and not of MDPI and/or the editor(s). MDPI and/or the editor(s) disclaim responsibility for any injury to people or property resulting from any ideas, methods, instructions or products referred to in the content. |
© 2025 by the authors. Licensee MDPI, Basel, Switzerland. This article is an open access article distributed under the terms and conditions of the Creative Commons Attribution (CC BY) license (https://creativecommons.org/licenses/by/4.0/).
















