Distributed Time-Varying Optimal Resource Management for Microgrids via Fixed-Time Multiagent Approach
Abstract
1. Introduction
- (1)
- An FXT distributed optimization algorithm is proposed to solve penalized TV RMPs, guaranteeing fixed-time convergence to a tunable neighborhood of the original optimal solution, as well as asymptotic convergence to the exact optimum. Theoretical guarantees are established under both identical and nonidentical Hessian conditions. Compared with [3,9,10,11,12,13,21,22,23,24,25], the proposed algorithm exhibits improved efficiency and enhanced practical applicability.
- (2)
- Unlike prior studies that have primarily considered either equality or inequality constraints separately [21,22,23,24,25,26,27], the proposed algorithm is designed to handle TV RMPs in MGs with both local inequality and global equality constraints, enabling effective adaptation to dynamic resource and constraint variations [30,31].
- (3)
- To ensure robust performance in dynamic environments, the algorithm is designed to operate over switching communication topologies, thereby enhancing the resilience and adaptability of MASs under intermittent communication conditions.
2. Preliminaries
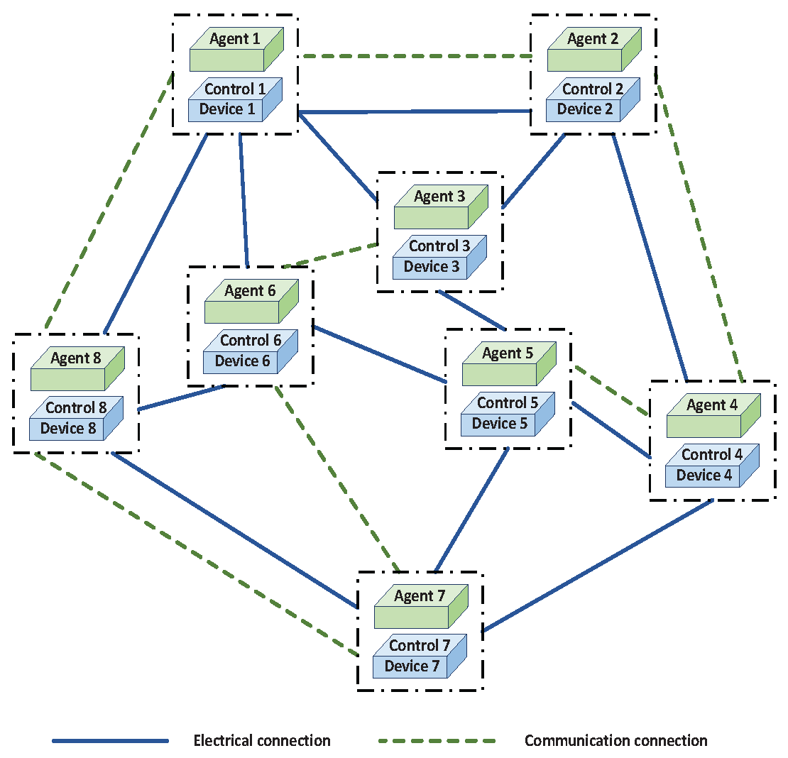
2.1. MAS Framework
2.2. Graph Theory
2.3. Definitions and Lemmas
3. Problem Formulation
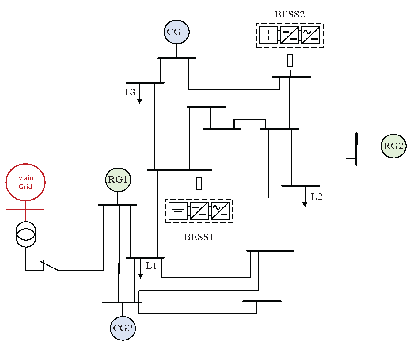
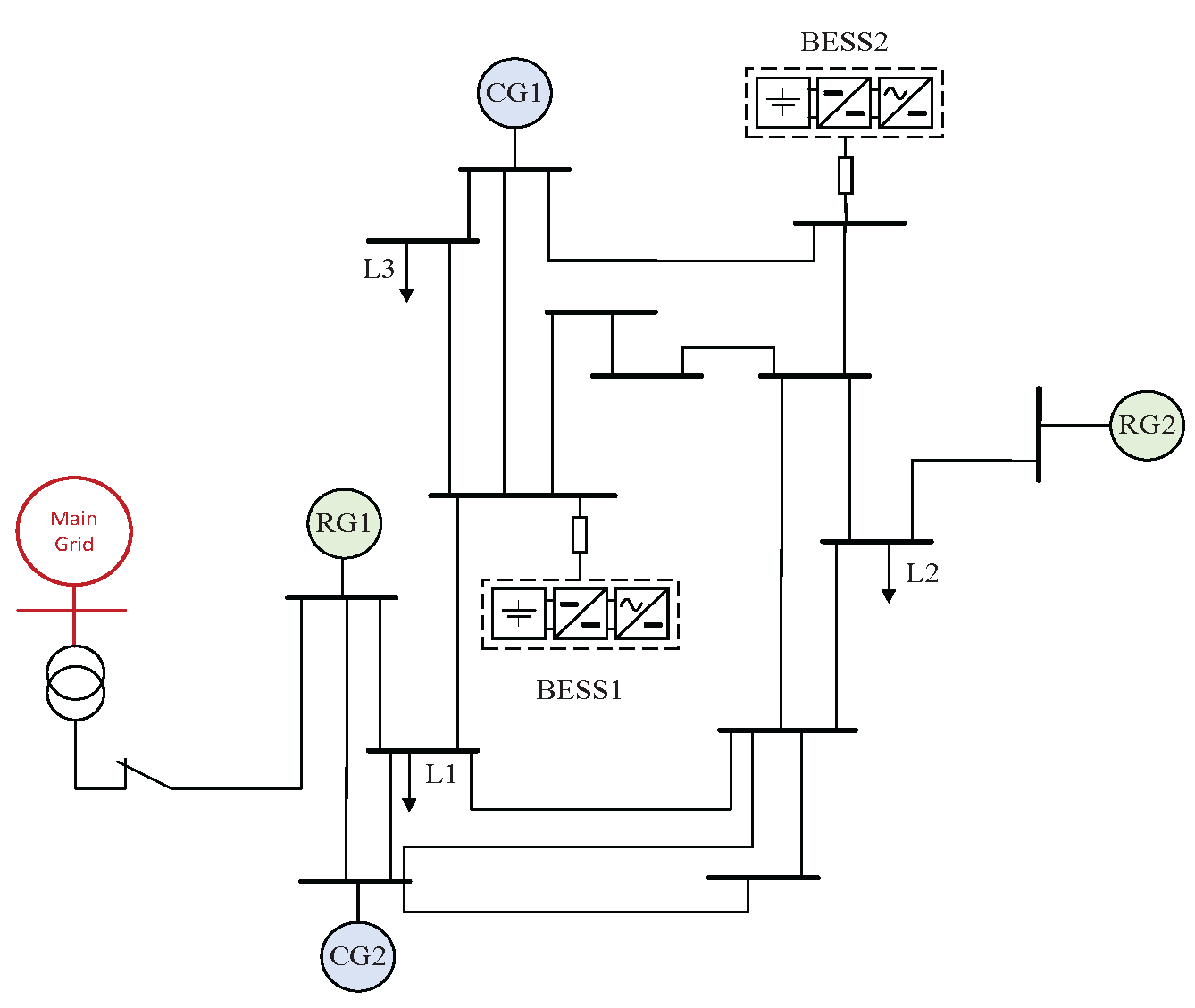
3.1. Conventional Generator Agents
3.2. RG Agents
3.3. Energy Storage Agents
3.4. Load Agents
3.5. Utility Agents
3.6. Formulation of the TV RMP
4. Main Results
4.1. Design of the FXT Distributed Algorithm
- (1)
- , which implies ;
- (2)
- Primal feasibility: .In addition, the strong convexity of each ensures that the optimal solution is unique.
4.2. Convergence Analysis
4.2.1. Identical Hessian Case
4.2.2. Nonidentical Hessian Case
5. Simulation Results
5.1. Effectiveness Test
5.2. Plug-and-Play Capability Test
5.3. Comparative Experiment
5.4. Effectiveness of Smooth Approximations to the Sign Function
6. Conclusions
Author Contributions
Funding
Data Availability Statement
Conflicts of Interest
Nomenclature
| Symbol | Meaning |
| Switching signal mapping time to graph index | |
| Laplacian matrix under the current switching graph | |
| Second smallest eigenvalue of L | |
| Neighbor set of agent i | |
| Binary mode indicator: 1 for grid-connected, 0 for islanded | |
| Time-varying penalty parameter, | |
| Smooth penalty function for agent i | |
| Hessian of penalized cost for agent i | |
| Gradient of the penalized local cost: | |
| Lagrange multiplier | |
| Auxiliary scalar representing a shared gradient value across agents | |
| Optimal solution of the constrained RMP | |
| Optimal solution of the penalized RMP | |
| Error variable of agent i | |
| Fixed-time settling time | |
| Upper bound estimate of the fixed-time |
References
- De Azevedo, R.; Cintuglu, M.; Ma, T.; Mohammed, O. Multiagent-Based Optimal Microgrid Control Using Fully Distributed Diffusion Strategy. IEEE Trans. Smart Grid 2017, 8, 1997–2008. [Google Scholar] [CrossRef]
- Wu, J.; Ji, Y.; Sun, X.; Fu, W.; Zhao, S. Anonymous Flocking With Obstacle Avoidance via the Position of Obstacle Boundary Point. IEEE Internet Things J. 2025, 12, 2002–2013. [Google Scholar] [CrossRef]
- Zhao, T.; Ding, Z. Distributed Finite-Time Optimal Resource Management for Microgrids Based on Multi-Agent Framework. IEEE Trans. Ind. Electron. 2018, 65, 6571–6580. [Google Scholar] [CrossRef]
- Xu, Y.; Li, Z. Distributed optimal resource management based on the consensus algorithm in a microgrid. IEEE Trans. Ind. Electron. 2015, 62, 2584–2592. [Google Scholar] [CrossRef]
- Duan, Y.; Zhao, Y.; Hu, J. An initialization-free distributed algorithm for dynamic economic dispatch problems in microgrid: Modeling, optimization and analysis. Sustain. Energy Grids Netw. 2023, 34, 101004. [Google Scholar] [CrossRef]
- Wu, K.; Li, Q.; Chen, Z.; Lin, J.; Yi, Y.; Chen, M. Distributed optimization method with weighted gradients for economic dispatch problem of multi-microgrid systems. Energy 2021, 222, 119898. [Google Scholar] [CrossRef]
- Li, Q.; Liao, Y.; Wu, K.; Zhang, L.; Lin, J.; Chen, M.; Guerrero, J.; Abbott, D. Parallel and distributed optimization method with constraint decomposition for energy management of microgrids. IEEE Trans. Smart Grid 2021, 12, 4627–4640. [Google Scholar] [CrossRef]
- Wang, A.; Liu, W. Distributed incremental cost consensus-based optimization algorithms for economic dispatch in a microgrid. IEEE Access 2020, 8, 12933–12941. [Google Scholar] [CrossRef]
- Mao, S.; Dong, Z.; Schultz, P.; Tang, Y.; Meng, K.; Dong, Z.; Qian, F. A finite-time distributed optimization algorithm for economic dispatch in smart grids. IEEE Trans. Syst. Man Cybern. Syst. 2021, 51, 2068–2079. [Google Scholar] [CrossRef]
- Cao, Q.; Xie, W. Optimal Frequency Control for Inverter-Based Micro-Grids Using Distributed Finite-Time Consensus Algorithms. IEEE Access 2020, 8, 185243–185252. [Google Scholar] [CrossRef]
- Liu, L.; Yang, G. Distributed fixed-time optimal resource management for microgrids. IEEE Trans. Autom. Sci. Eng. 2023, 20, 404–412. [Google Scholar] [CrossRef]
- Li, Y.; Dong, P.; Liu, M.; Yang, G. A distributed coordination control based on finite-time consensus algorithm for a cluster of DC microgrids. IEEE Trans. Power Syst. 2019, 34, 2205–2215. [Google Scholar] [CrossRef]
- Zaery, M.; Wang, P.; Huang, R.; Wang, W.; Xu, D. Distributed economic dispatch for islanded DC microgrids based on finite-time consensus protocol. IEEE Access 2020, 8, 192457–192468. [Google Scholar] [CrossRef]
- Wang, B.; Fei, Q.; Wu, Q. Distributed time-varying resource allocation optimization based on finite-time consensus approach. IEEE Control Syst. Lett. 2021, 5, 599–604. [Google Scholar] [CrossRef]
- Liu, R.; Wang, D.; Han, Y.; Fan, X.; Luo, Z. Adaptive low-rank subspace learning with online optimization for robust visual tracking. Neural Netw. 2017, 88, 90–104. [Google Scholar] [CrossRef]
- Sun, C.; Feng, Z.; Hu, G. Distributed time-varying formation and optimization with inequality constraints of a multi-robot system. In Proceedings of the 2019 IEEE/ASME International Conference on Advanced Intelligent Mechatronics (AIM), Hong Kong, 8–12 July 2019; pp. 629–634. [Google Scholar]
- Xiao, Y.; Krunz, M. AdaptiveFog: A modelling and optimization framework for fog computing in intelligent transportation systems. IEEE Trans. Mob. Comput. 2022, 21, 4187–4200. [Google Scholar] [CrossRef]
- Jafarzadeh, S.; Mirheidari, R.; Motlagh, M.J.; Barkhordari, M. Designing PID and BELBIC controllers in path tracking and collision problem in automated highway systems. Int. J. Comput. Commun. Control 2009, 3, 343–348. [Google Scholar]
- Liao, S.; Li, S.; Liu, J.; Huang, H.; Xiao, X. A zeroing neural dynamics based acceleration optimization approach for optimizers in deep neural networks. Neural Netw. 2022, 150, 440–461. [Google Scholar] [CrossRef]
- Lee, S.G.; Egerstedt, M. Controlled coverage using time-varying density functions. IFAC Proc. Vol. 2013, 46, 220–226. [Google Scholar] [CrossRef]
- Huang, B.; Zou, Y.; Meng, Z.; Ren, W. Distributed time-varying convex optimization for a class of nonlinear multiagent systems. IEEE Trans. Autom. Control 2020, 65, 801–808. [Google Scholar] [CrossRef]
- Ning, B.; Han, Q.; Zuo, Z. Distributed optimization for multiagent systems: An edge-based fixed-time consensus approach. IEEE Trans. Cybern. 2019, 49, 122–132. [Google Scholar] [CrossRef] [PubMed]
- Huang, B.; Zou, Y.; Chen, F.; Meng, Z. Distributed time-varying economic dispatch via a prediction-correction method. IEEE Trans. Circuits Syst. I Regul. Pap. 2022, 69, 4215–4224. [Google Scholar] [CrossRef]
- Wang, B.; Sun, S.; Ren, W. Distributed time-varying quadratic optimal resource allocation subject to nonidentical time-varying hessians with application to multiquadrotor hose transportation. IEEE Trans. Syst. Man Cybern. Syst. 2022, 52, 6109–6119. [Google Scholar] [CrossRef]
- Sun, C.; Ye, M.; Hu, G. Distributed time-varying quadratic optimization for multiple agents under undirected graphs. IEEE Trans. Autom. Control 2017, 62, 3687–3694. [Google Scholar] [CrossRef]
- Li, H.; Yue, X.; Qin, S. Distributed time-varying optimization control protocol for multi-agent systems via finite-time consensus approach. Neural Netw. 2024, 171, 73–84. [Google Scholar] [CrossRef]
- Liu, H.; Zheng, W.; Yu, W. Continuous-time algorithm based on finite-time consensus for distributed constrained convex optimization. IEEE Trans. Autom. Control 2022, 67, 2552–2559. [Google Scholar] [CrossRef]
- Zhu, W.; Wang, Q. Distributed finite-time optimization of multi-agent systems with time-varying cost functions under digraphs. IEEE Trans. Netw. Sci. Eng. 2024, 11, 556–565. [Google Scholar] [CrossRef]
- Huang, Y.; Werner, S.; Huang, J.; Kashyap, N.; Gupta, V. State estimation in electric power grids: Meeting new challenges presented by the requirements of the future grid. IEEE Signal Process. Mag. 2012, 29, 33–43. [Google Scholar] [CrossRef]
- Kantamneni, A.; Brown, L.E.; Parker, G.; Weaver, W.W. Survey of multi-agent systems for microgrid control. Eng. Appl. Artif. Intell. 2015, 45, 192–203. [Google Scholar] [CrossRef]
- Molzahn, D.K.; Dörfler, F.; Sandberg, H.; Low, S.H.; Chakrabarti, S.; Baldick, R.; Lavael, J. A survey of distributed optimization and control algorithms for electric power systems. IEEE Trans. Smart Grid 2017, 8, 2941–2962. [Google Scholar] [CrossRef]
- Bhat, S.; Bernstein, D.S. Finite-time stability of continuous autonomous systems. Siam J. Control Optim. 2000, 38, 751–766. [Google Scholar] [CrossRef]
- Hu, C.; He, H.; Jiang, H. Fixed/Preassigned-time synchronization of complex network via improving fixed-time stability. IEEE Trans. Cybern. 2020, 51, 2882–2892. [Google Scholar] [CrossRef]
- Filippov, A.F. Differential Equations with Discontinuous Righthand Sides; Kluwer Academic: Boston, MA, USA, 1988. [Google Scholar]
- Firouzbahrami, M.; Nobakhti, A. Cooperative fixed-time/finite-time distributed robust optimization of multi-agent systems. Automatica 2022, 142, 110358. [Google Scholar] [CrossRef]
- Rodriguez, S.; AI-Sumaiti, A.; Alsumaiti, T. Quantification of Uncertainty Cost Functions for Controllable Solar Power Modeling. Wseas Trans. Power Syst. 2024, 19, 88–95. [Google Scholar] [CrossRef]
- Liu, L.; Yang, G.; Wasly, S. Distributed predefined-time dual-mode energy management for a microgrid over event-triggered communication. IEEE Trans. Ind. Inform. 2024, 20, 3295–3305. [Google Scholar] [CrossRef]
- Pinar, M.; Zenios, S. On smoothing exact penalty functions for convex constrained optimization. Siam J. Optim. 1994, 4, 486–511. [Google Scholar] [CrossRef]
- Kia, S. Distributed optimal resource allocation over networked systems and use of an e-exact penalty function. IFAC—PapersOnLine 2016, 49, 13–18. [Google Scholar] [CrossRef]
- Liu, L.; Yang, G. Distributed optimal economic environmental dispatch for microgrids over time-varying directed communication graph. IEEE Trans. Netw. Sci. Eng. 2021, 8, 1913–1924. [Google Scholar] [CrossRef]
- Zhou, Z.; Guo, G.; Zhang, R. A fixed-time convergent distributed algorithm for time-varying optimal resource allocation problem. IEEE Trans. Signal Inf. Process. Over Netw. 2025, 11, 48–58. [Google Scholar] [CrossRef]
- Jin, L.; Qi, Y.; Luo, X.; Li, S.; Shang, M. Distributed competition of multi-robot coordination under variable and switching topologies. IEEE Trans. Autom. Sci. Eng. 2022, 19, 3575–3586. [Google Scholar] [CrossRef]
- Zhao, Y.; Guo, G.; Ding, L. Guaranteed cost control of mobile sensor networks with Markov switching topologies. ISA Trans. 2015, 58, 206–213. [Google Scholar] [CrossRef] [PubMed]
- Xiao, S.; Ge, X.; Han, Q.; Zhang, Y. Dynamic event-triggered platooning control of automated vehicles under random communication topologies and various spacing policies. IEEE Trans. Cybern. 2022, 52, 11477–11490. [Google Scholar] [CrossRef] [PubMed]








| Unit | |||||
|---|---|---|---|---|---|
| RG1 | 1 | 20 | 45 | ||
| RG2 | 1 | 5 | 20 | 50 | |
| CG1 | 1 | 2 | 20 | 45 | |
| CG1 | 1 | 3 | 11 | 20 | 42 |
| BESS1 | 17 | 30 | |||
| BESS1 | 1.2 | 0 | 10 | 30 | |
| L1 | 0 | 10 | 25 | ||
| L2 | 1 | 6 | 4 | 37 | |
| L3 | 11 | 1 | 20 | ||
| PCC | 6 | 2 | 35 |
Disclaimer/Publisher’s Note: The statements, opinions and data contained in all publications are solely those of the individual author(s) and contributor(s) and not of MDPI and/or the editor(s). MDPI and/or the editor(s) disclaim responsibility for any injury to people or property resulting from any ideas, methods, instructions or products referred to in the content. |
© 2025 by the authors. Licensee MDPI, Basel, Switzerland. This article is an open access article distributed under the terms and conditions of the Creative Commons Attribution (CC BY) license (https://creativecommons.org/licenses/by/4.0/).
Share and Cite
Zhou, T.; Laghrouche, S.; Ait-Amirat, Y. Distributed Time-Varying Optimal Resource Management for Microgrids via Fixed-Time Multiagent Approach. Energies 2025, 18, 2616. https://doi.org/10.3390/en18102616
Zhou T, Laghrouche S, Ait-Amirat Y. Distributed Time-Varying Optimal Resource Management for Microgrids via Fixed-Time Multiagent Approach. Energies. 2025; 18(10):2616. https://doi.org/10.3390/en18102616
Chicago/Turabian StyleZhou, Tingting, Salah Laghrouche, and Youcef Ait-Amirat. 2025. "Distributed Time-Varying Optimal Resource Management for Microgrids via Fixed-Time Multiagent Approach" Energies 18, no. 10: 2616. https://doi.org/10.3390/en18102616
APA StyleZhou, T., Laghrouche, S., & Ait-Amirat, Y. (2025). Distributed Time-Varying Optimal Resource Management for Microgrids via Fixed-Time Multiagent Approach. Energies, 18(10), 2616. https://doi.org/10.3390/en18102616

