A Review of Hybrid Three-Level ANPC Inverters: Topologies, Comparison, Challenges and Improvements in Applications
Abstract
1. Introduction
2. Analysis of HT-ANPC Topologies
2.1. Topology Deduction
2.2. SiC-Based Topologies
2.2.1. Regular Topologies
2.2.2. Miscellaneous Topologies
2.3. GaN-Based Topologies
2.4. Modulation Strategies
- (1)
- CBM is the most basic modulation strategy. The biggest feature of it applied to HT-ANPC topologies is that the generated modulation signals are injected into the WBG power devices in a targeted manner. In the early experimental verification of the HT-ANPC topology or when the system does not need to add additional complex control for potential challenges, this modulation strategy is more suitable for simple open-loop verification of the proposed topology.
- (2)
- Compared with CBM, SVM is much more complex in the implementation, but the former is less flexible. The advantages of this modulation strategy are even more significant when additional controls need to be considered. Therefore, the application of the SVM strategy is often combined with the improvement of other issues.
- (3)
- In addition, for HT -NPC inverters, there are some additional modulation strategies based on the above two modulation strategies [55,63]. S.M. Maaz proposed the dynamic-phase-shift PWM (DPSPWM) strategy to attenuate common-mode voltage, while A. Kouchaki et al. chose to apply the third-harmonic-injection PWM (THIPWM) strategy to improve the quality of output power. Some researchers have also proposed hybrid modulation methods based on the above two modulation strategies. The hybrid modulation can refer to the combination of different modulation strategies as the carrier-based space vector modulation (CB-SVM) strategy [75,76]. It can also refer to the mixed application of different modulation strategies in the same system. For example, in order to reduce the losses of switching devices, H. Liu et al. proposed that the same topology should apply for different modulation strategies under normal operation and overload conditions [40]. Most studies use a modulation strategy based on a carrier comparison combined with additional control. This modulation strategy has a lower degree of control freedom but it is more convenient to apply and can significantly reduce the complexity of the system control. For example, H. Xu et al. investigated the problem of the limited control degree of freedom for hybrid topologies and proposed a multistep soft-switching modulation that utilizes multiple switching states to achieve the soft switching of all SiIGBTs [77].
2.5. Summary of Topology Derivation
- (1)
- Topologies involving SiC devices: These topologies are the most widely studied in the current research and include A-type topologies with two SiC MOSFETs, B-type topologies with four SiC MOSFETs, E-type topologies applying the hybrid switch consisting of a parallel connection of Si IGBT and SiC MOSFET (with SiC Schottky diode), and G-type topologies with an interleaved output structure or a parallel connection of high-frequency branches. Figure 5 exhibits the evolution path of these topologies.
- (2)
- Topologies involving GaN devices: Based on the comparison of Figure 5 and Figure 7, it can be seen that there is a lack of research on HT-ANPC inverters involving GaN devices, mainly due to the maturity of the current research on GaN devices as compared to SiC devices. GaN devices have lower voltage ratings and thus are not suitable for applications in high-power scenarios. However, similar to the G3-type topology, the F2-type and H-type topologies also apply multiple high-frequency branches to improve the power level of the system while also increasing the cost and control complexity of the system. For H-type, which is a hybrid topology with all WBG devices, the application of GaN devices enhances the overall switching frequency level, and both the loss issue and system performance are optimized. However, the feasibility of practical applications in industry has to be further investigated.
3. Potential Challenges and Improvements
3.1. Devices
3.1.1. Open-Circuit Fault
3.1.2. Over-Voltage Risk
3.2. Low Output Power Quality
3.2.1. Imbalance of Neutral-Point (NP) Voltage
3.2.2. Harmonic Distortion
- (1)
- To provide sufficient damping at the switching frequency and keep the resonant frequency away from the inverter switching frequency, the required attenuation was selected as 0.01.
- (2)
- The output ripple current was selected as 20% of the peak output current to limit the switching current of the maximum power device and keep the inverter output current ripple at a reasonable level.
3.2.3. EMI
3.2.4. Zero-Crossing Distortion
3.3. Other Challenges
3.3.1. Power Unbalancing
3.3.2. Circulating Current
4. Comparison and Discussion of Various HT-ANPC Inverters
4.1. Cost
4.2. Research Status
4.3. Performance
4.3.1. THD
4.3.2. Efficiency
4.3.3. Power Density
4.3.4. Junction Temperature
4.3.5. Rated Power Operation (RPO)
4.4. The Selection Procedure of the Specific Application Topology
- (1)
- Efficiency of system operation: In different application scenarios, the topology and modulation strategy should be reasonably selected. In addition, in order to minimize the interference of stray impedance in the loop, the PCB layout of the device should be taken seriously.
- (2)
- Reliability of system operation: Since the damage to switching devices has a significant impact on the system, the switch faults that may occur during the operation of the power converter should be predicted. The corresponding detection and fault-tolerant control methods should be reasonably applied to ensure the system can operate safely and stably.
- (3)
- Quality of system output power: improve the quality of output power, including the reasonable design of the heat sink, electromagnetic interference, filter, etc.
5. Future Prospects
5.1. Power Module Application and Its Packaging, Layout Technology
5.2. Device Integration Technology
5.3. Bidirectional Isolated DC/DC Converter
6. Conclusions
- (1)
- Classification and evolution of HT-ANPC topologies: according to the material types of the devices, this paper comprehensively classifies the HT-ANPC topologies and summarizes their evolution.
- (2)
- Analysis of challenges and improvements: It provides a comprehensive analysis of the potential challenges of HT-ANPC topologies in applications. It then presents a comparative analysis of current reported improvements regarding various major challenges.
- (3)
- Comprehensive performance comparison of HT-ANPC inverters: According to the main evaluation factors of the HT-ANPC inverters, this paper conducts a comprehensive analysis of various topologies, including their performance, research status, etc. In addition, it briefly summarizes the selection and design process of topologies for specific application scenarios and indicates important design points that should be focused on in the application.
- (4)
- Key future trends of HT-ANPC inverters: it discusses the future development trends of the HT-ANPC inverter.
- (1)
- In high-frequency and high-power applications, topologies involving SiC devices should be given priority. Topologies involving GaN devices should be given priority in high-frequency and medium–low-voltage applications. If the application has high requirements for power density, the B-type HT-ANPC topologies should be given priority.
- (2)
- The performance improvement methods of each part should consist of the following: reduce additional control, avoid adding devices, and reduce the increase in system cost and volume.
- (3)
- Temperature-monitoring equipment can be added to avoid irreversible thermal damage to switching devices.
Author Contributions
Funding
Data Availability Statement
Conflicts of Interest
Abbreviations
| WBG | Wide bandgap |
| T-ANPC | Three-level active neutral-point clamped |
| HT-ANPC | Hybrid T-ANPC |
| MLI | Multilevel inverter |
| VSI | Voltage source inverter |
| CSI | Current source inverter |
| T-TNPC | T-Type neutral-point clamped |
| T-NPC | Diode neutral-point clamped |
| VGC | Voltage generation cell |
| SNC | Lf selection network cell |
| CSC | Hf commutation switch cell |
| CBM | Carrier-based modulation |
| SVM | Space vector modulation |
| NP | Neutral point |
| DPSPWM | Dynamic phase-shift PWM |
| THIPWM | Third-harmonic injection PWM |
| CB-SVM | Carrier-based space vector modulation |
| id, iq | Current on the d-q coordinate axis |
| CNNs | Convolution neural networks |
| SNN | Siamese neural network |
| THD | Total harmonic distortion |
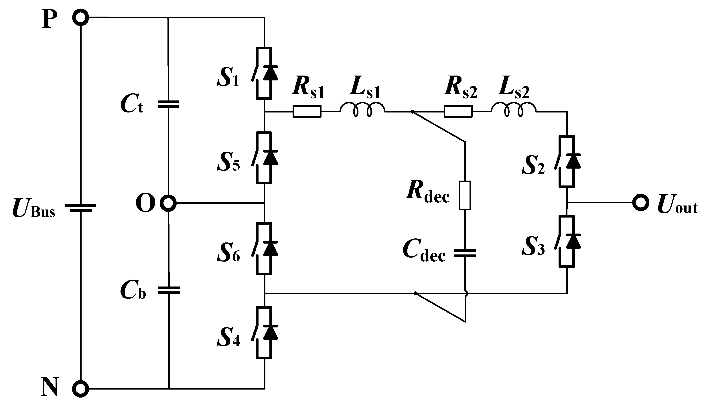
| HDT-ANPC | HT-ANPC with a decoupling capacitor |
| Cdec | Decoupling capacitor |
| EMI | Electromagnetic interference |
| FS-MPC | Finite-set model predictive control |
| FPGA | Field programmable gate array |
| Udc | DC bus voltage |
| DAB | Dual active bridge |
References
- Wang, J.; Peng, F.Z. Unified power flow controller using the cascade multilevel inverter. IEEE Trans. Power Electron. 2004, 19, 1077–1084. [Google Scholar] [CrossRef]
- Rodriguez, J.; Bernet, S.; Steimer, P.K.; Lizama, I.E. A Survey on Neutral-Point-Clamped Inverters. IEEE Trans. Ind. Electron. 2010, 57, 2219–2230. [Google Scholar] [CrossRef]
- Belkhode, S.; Shukla, A.; Doolla, S. Analysis of antiparallel diode connection for hybrid Si/SiC-based ANPC for PV applications. In Proceedings of the 2019 IEEE Energy Conversion Congress and Exposition, Baltimore, MD, USA, 29 September–3 October 2019; pp. 1905–1910. [Google Scholar]
- Belkhode, S.; Shahane, R.; Shukla, A.; Wang, J. A Split-Phase Enhanced Hybrid Active NPC Topology for PV Applications with Short-circuit Fault Tolerant Capability. In Proceedings of the 2022 IEEE Energy Conversion Congress and Exposition, Detroit, MI, USA, 9–13 October 2022; pp. 1–7. [Google Scholar]
- Zhang, D.; He, J.; Pan, D. A Megawatt-Scale Medium-Voltage High-Efficiency High Power Density “SiC+Si” Hybrid Three-Level ANPC Inverter for Aircraft Hybrid-Electric Propulsion Systems. IEEE Trans. Ind. Appl. 2019, 55, 5971–5980. [Google Scholar] [CrossRef]
- Xu, X.; Liu, N.; Wang, K.; Zheng, Z.; Li, Y. Modulation and Control of an ANPC/H-Bridge Hybrid Inverter for Ship Electric Propulsion Drives. In Proceedings of the 2019 22nd International Conference on Electrical Machines and Systems (ICEMS), Harbin, China, 11–14 August 2019; pp. 1–5. [Google Scholar]
- Beye, M.L.; Bimmel, L.; Bier, A.; Martin, J. Multilayer busbars for medium voltage ANPC converter dedicated to battery energy storage systems. In Proceedings of the 2022 24th European Conference on Power Electronics and Applications (EPE’22 ECCE Europe), Hanover, Germany, 5–9 September 2022; pp. 1–8. [Google Scholar]
- Gurpinar, E.; De, D.; Castellazzi, A.; Barater, D.; Buticchi, G.; Francheschini, G. Performance analysis of SiC MOSFET based 3-level ANPC grid-connected inverter with novel modulation scheme. In Proceedings of the 2014 IEEE 15th Workshop on Control and Modeling for Power Electronics (COMPEL), Santander, Spain, 22–25 June 2014; pp. 1–7. [Google Scholar]
- Kwon, B.H.; Kim, S.-H.; Kim, S.-M.; Lee, K.-B. Fault diagnosis of open-switch failure in a grid-connected three-level Si/SiC hybrid ANPC inverter. Electron 2020, 9, 399. [Google Scholar] [CrossRef]
- Anthon, A.; Zhang, Z.; Andersen, M.A.E.; Holmes, D.G.; McGrath, B.; Teixeira, C.A. The Benefits of SiC mosfets in a T-Type Inverter for Grid-Tie Applications. IEEE Trans. Power Electron. 2017, 32, 2808–2821. [Google Scholar] [CrossRef]
- Bruckner, T.; Bemet, S. Loss balancing in three-level voltage source inverters applying active NPC switches. In Proceedings of the 2001 IEEE 32nd Annual Power Electronics Specialists Conference (IEEE Cat. No.01CH37230), Vancouver, BC, Canada, 17–21 June 2001; Volume 2, pp. 1135–1140. [Google Scholar]
- Teichmann, R.; Bernet, S. A comparison of three-level converters versus two-level converters for low-voltage drives, traction, and utility applications. IEEE Trans. Ind. Appl. 2005, 41, 855–865. [Google Scholar] [CrossRef]
- Schweizer, M.; Friedli, T.; Kolar, J.W. Comparative Evaluation of Advanced Three-Phase Three-Level Inverter/Converter Topologies Against Two-Level Systems. IEEE Trans. Ind. Electron. 2013, 60, 5515–5527. [Google Scholar] [CrossRef]
- Najjar, M.; Nymand, M.; Kouchaki, A. Efficiency Comparisons of Two-level and Three-level GaN/SiC based Converters. In Proceedings of the 2021 IEEE 12th Energy Conversion Congress & Exposition—Asia (ECCE-Asia), Singapore, 24–27 May 2021; pp. 13–18. [Google Scholar]
- Millán, J.; Godignon, P.; Perpiñà, X.; Pérez-Tomás, A.; Rebollo, J. A Survey of Wide Bandgap Power Semiconductor Devices. IEEE Trans. Power Electron. 2014, 29, 2155–2163. [Google Scholar] [CrossRef]
- Emon, A.I.; Mustafeez-ul-Hassan; Mirza, A.B.; Kaplun, J.; Vala, S.S.; Luo, F. A Review of High-Speed GaN Power Modules: State of the Art, Challenges, and Solutions. IEEE J. Emerg. Sel. Top. Power Electron. 2023, 11, 2707–2729. [Google Scholar] [CrossRef]
- Barater, D.; Concari, C.; Buticchi, G.; Gurpinar, E.; De, D.; Castellazzi, A. Performance Evaluation of a Three-Level ANPC Photovoltaic Grid-Connected Inverter With 650-V SiC Devices and Optimized PWM. IEEE Trans. Ind. Appl. 2016, 52, 2475–2485. [Google Scholar] [CrossRef]
- Gurpinar, E.; Castellazzi, A. Tradeoff Study of Heat Sink and Output Filter Volume in a GaN HEMT Based Single-Phase Inverter. IEEE Trans. Power Electron. 2018, 33, 5226–5239. [Google Scholar] [CrossRef]
- Gurpinar, E.; Iannuzzo, F.; Yang, Y.; Castellazzi, A.; Blaabjerg, F. Design of Low-Inductance Switching Power Cell for GaN HEMT Based Inverter. IEEE Trans. Ind. Appl. 2018, 54, 1592–1601. [Google Scholar] [CrossRef]
- Soeiro, T.B.; Park, K.-B.; Canales, F. High voltage photovoltaic system implementing Si/SiC-based active neutral-point-clamped converter. In Proceedings of the IECON 2017—43rd Annual Conference of the IEEE Industrial Electronics Society, Beijing, China, 29 October–1 November 2017; pp. 1220–1225. [Google Scholar]
- Guan, Q.X.; Li, C.; Zhang, Y.; Wang, S.; Xu, D.D.; Li, W.; Ma, H. An Extremely High Efficient Three-Level Active Neutral-Point-Clamped Converter Comprising SiC and Si Hybrid Power Stages. IEEE Trans. Power Electron. 2018, 33, 8341–8352. [Google Scholar] [CrossRef]
- Zhang, D.; He, J.; Madhusoodhanan, S. Three-Level Two-Stage Decoupled Active NPC Converter with Si IGBT and SiC MOSFET. IEEE Trans. Ind. Appl. 2018, 54, 6169–6178. [Google Scholar] [CrossRef]
- Floricau, D.; Floricau, E.; Dumitrescu, M. Natural doubling of the apparent switching frequency using three-level ANPC converter. In Proceedings of the 2008 International School on Nonsinusoidal Currents and Compensation, Lagow, Poland, 10–13 June 2008; pp. 1–6. [Google Scholar]
- Li, C.; Lu, R.; Li, W.; Wang, Y. Space Vector Modulation for SiC & Si Hybrid Active Neutral Point Clamped Converter. In Proceedings of the 2018 IEEE International Power Electronics and Application Conference and Exposition (PEAC), Shenzhen, China, 4–7 November 2018; pp. 1–6. [Google Scholar]
- Li, C.; Lu, R.; Li, C.; Li, W.; Gu, X.; Fang, Y.; Ma, H.; He, X. Space Vector Modulation for SiC and Si Hybrid ANPC Converter in Medium-Voltage High-Speed Drive System. IEEE Trans. Power Electron. 2020, 35, 3390–3401. [Google Scholar] [CrossRef]
- He, J.; Zhang, D.; Pan, D. An Improved PWM Strategy for “SiC+Si” Three-Level Active Neutral Point Clamped Converter in High-Power High-Frequency Applications. In Proceedings of the 2018 IEEE Energy Conversion Congress and Exposition, Portland, OR, USA, 23–27 September 2018; pp. 5235–5241. [Google Scholar]
- Zhang, D.; She, X. Hybrid Multilevel Converter with Silicon and Silicon Carbide Devices: Impact to Aviation Industry and Beyond. IEEE Trans. Power Electron. 2023, 38, 6806–6810. [Google Scholar] [CrossRef]
- Zhang, D.; He, J.; Pan, D.; Schutten, M.; Dame, M. High Power Density Medium-Voltage Megawatt-Scale Power Converter for Aviation Hybrid-Electric Propulsion Applications. In Proceedings of the 2019 IEEE Energy Conversion Congress and Exposition, Baltimore, MD, USA, 29 September–3 October 2019; pp. 582–588. [Google Scholar]
- He, J.; Zhang, D.; Pan, D. PWM Strategy for MW-Scale “SiC+Si” ANPC Converter in Aircraft Propulsion Applications. IEEE Trans. Ind. Appl. 2021, 57, 3077–3086. [Google Scholar] [CrossRef]
- Belkhode, S.; Shukla, A.; Doolla, S. Enhanced Hybrid Active-Neutral-Point-Clamped Converter with Optimized Loss Distribution-Based Modulation Scheme. IEEE Trans. Power Electron. 2021, 36, 3600–3612. [Google Scholar] [CrossRef]
- Belkhode, S.; Shukla, A.; Doolla, S. A Highly Efficient Si-/SiC-Based Hybrid Active NPC Converter With a Novel Modulation Scheme. IEEE Trans. Ind. Appl. 2022, 58, 7445–7456. [Google Scholar] [CrossRef]
- Zhao, S.; Feng, Z.; Sun, Z.; Zhang, X.; Zhao, Z.; Zhao, T.; Cao, Q. A efficiency optimization and loss balancing method for hybrid three-level active neutral point clamped inverter. Electr. Eng. 2025, 1–12. [Google Scholar] [CrossRef]
- Zhang, L.; Lou, X.; Li, C.; Wu, F.; Gu, Y.; Chen, G.; Xu, D. Evaluation of Different Si/SiC Hybrid Three-Level Active NPC Inverters for High Power Density. IEEE Trans. Power Electron. 2020, 35, 8224–8236. [Google Scholar] [CrossRef]
- Lei, Z.; Zhuge, H.; Lou, X.; Zhang, L.; Tao, J. Performance Comparison of 4-SiC and 2-SiC Hybrid Three-phase Three-level ANPC Inverters. In Proceedings of the 2021 IEEE Sustainable Power and Energy Conference (iSPEC), Nanjing, China, 23–25 December 2021; pp. 3204–3209. [Google Scholar]
- Deshpande, A.; Luo, F. Practical Design Considerations for a Si IGBT + SiC MOSFET Hybrid Switch: Parasitic Interconnect Influences, Cost, and Current Ratio Optimization. IEEE Trans. Power Electron. 2019, 34, 724–737. [Google Scholar] [CrossRef]
- Rahimo, M.; Canales, F.; Minamisawa, R.A.; Papadopoulos, C.; Vemulapati, U.; Mihaila, A.; Kicin, S.; Drofenik, U. Characterization of a Silicon IGBT and Silicon Carbide MOSFET Cross-Switch Hybrid. IEEE Trans. Power Electron. 2015, 30, 4638–4642. [Google Scholar] [CrossRef]
- Woldegiorgis, D.; Hossain, M.M.; Wei, Y.; Mhiesan, H.; Mantooth, A. A High Efficiency Three-level Active Neutral Point Clamped Inverter Using Hybrid Si/SiC Switches. In Proceedings of the 2020 IEEE 9th International Power Electronics and Motion Control Conference (IPEMC2020-ECCE Asia), Nanjing, China, 29 November–2 December 2020; pp. 284–289. [Google Scholar]
- Woldegiorgis, D.; Wu, Y.; Wei, Y.; Mantooth, H.A. A High Efficiency and Low Cost ANPC Inverter Using Hybrid Si/SiC Switches. IEEE Open J. Ind. Appl. 2021, 2, 154–167. [Google Scholar] [CrossRef]
- Liu, H.; Zhao, T. Performance Evaluation of Si/SiC Hybrid Switch-Based Three-Level Active NPC Converter. In Proceedings of the 2021 IEEE Applied Power Electronics Conference and Exposition (APEC), Phoenix, AZ, USA, 14–17 June 2021; pp. 2058–2064. [Google Scholar]
- Liu, H.; Zhao, T. Optimal Gate Driving Strategy for Si/SiC Hybrid Switch-Based 3L-ANPC Inverter with Improved Output Capacity. In Proceedings of the 2021 IEEE Applied Power Electronics Conference and Exposition (APEC), Phoenix, AZ, USA, 14–17 June 2021; pp. 741–746. [Google Scholar]
- Liu, H.; Zhao, T.; Gafford, J.; Essakiappan, S.; Manjrekar, M. Design of a 1500V Si IGBT/SiC MOSFET Hybrid Switch-Based Three-Level Active NPC Inverter. In Proceedings of the 2021 IEEE Energy Conversion Congress and Exposition, Vancouver, BC, Canada, 10–14 October 2021; pp. 168–173. [Google Scholar]
- Liu, H.; Zhao, T.; Wu, X. Performance Evaluation of Si/SiC Hybrid Switch-Based Three-Level Active Neutral-Point-Clamped Inverter. IEEE Open J. Ind. Appl. 2022, 3, 90–103. [Google Scholar] [CrossRef]
- Jin, D.; Liu, H.; Hu, A.; Zhou, Y.; Guo, Q. Research of Three-Level ANPC Converter Based on Si/SiC Hybrid Switches. PCIM Asia 2024. In Proceedings of the International Exhibition and Conference for Power Electronics, Intelligent Motion, Renewable Energy and Energy Management, Shenzhen, China, 28–30 August 2024; pp. 252–258. [Google Scholar]
- Liu, P.; Jiao, M.; Long, L.; Tu, C. A High Performance Si/SiC Hybrid Switch-Based ANPC Converter with a Novel Configuration Optimization Algorithm. In Proceedings of the 2024 IEEE Energy Conversion Congress and Exposition (ECCE), Phoenix, AZ, USA, 20–24 October 2024; pp. 3606–3611. [Google Scholar]
- Jiao, M.; Liu, P.; Tu, C.; Long, L.; Liu, X. Efficiency Evaluation of Si/SiC Hybrid Switches-Based Three-level ANPC Converter. In Proceedings of the 2024 IEEE 10th International Power Electronics and Motion Control Conference (IPEMC2024-ECCE Asia), Chengdu, China, 17–20 May 2024; pp. 953–958. [Google Scholar]
- Xia, T.; Wang, Q.; Yang, H.; Li, C.; Li, W.; He, X. Investigation of Hybrid Three-Level Hybrid Device (Hybrid2) Active Neutral-Point-Clamped Converter. In Proceedings of the 2022 IEEE Transportation Electrification Conference and Expo, Asia-Pacific (ITEC Asia-Pacific), Haining, China, 28–31 October 2022; pp. 1–5. [Google Scholar]
- Xia, T.; Feng, X.; Li, C.; Han, R.; Wang, C.; Zhang, M.; Yang, H.; Li, W.; Zhao, R.; He, X. A Hybrid Three-Level Hybrid Switch (Hybrid2) Active Neutral-Point-Clamped Converter with Optimal Switching Strategy. IEEE J. Emerg. Sel. Top. Power Electron. 2025. Early Access. [Google Scholar] [CrossRef]
- Belkhode, S.; Shukla, A.; Doolla, S. Split-Output Hybrid Active Neutral-Point-Clamped Converter for MV Applications. IEEE J. Emerg. Sel. Top. Ind. Electron. 2021, 2, 184–195. [Google Scholar] [CrossRef]
- Najjar, M.; Johansen, F.; Nielsen, H.R.; Rasmussen, L.B. Digital Control Implementation for a Rapid Control Prototyping of a 200kW Hybrid Interleaved ANPC Active Rectifier. In Proceedings of the 2023 25th European Conference on Power Electronics and Applications (EPE’23 ECCE Europe), Aalborg, Denmark, 4–8 September 2023; pp. 1–6. [Google Scholar]
- Najjar, M.; Nielsen, H.R.; Rasmussen, L.B. A High Power Density Three-Phase Three-Level Hybrid IGBT/SiC Interleaved Active Neutral Point Clamped Voltage Source Converter. In Proceedings of the 2023 25th European Conference on Power Electronics and Applications (EPE’23 ECCE Europe), Aalborg, Denmark, 4–8 September 2023; pp. 1–6. [Google Scholar]
- Chen, H.; Chen, C.; Xiang, X.; Zhang, W.; Li, W.; He, X. Coordinated Control Strategy of Zero-Sequence Circulating Currents and Neutral-Point Potential for Parallel Hybrid Three-Level ANPC Converters. In Proceedings of the 2022 IEEE International Power Electronics and Application Conference and Exposition (PEAC), Guangzhou, Guangdong, China, 4–7 November 2022; pp. 1011–1015. [Google Scholar]
- Yang, Q.; Chen, C.; Chen, H.; Zhang, R.; Xiang, X.; Li, W. A Coordinated Strategy to Suppress Zero-Sequence Circulating Currents and Balance Neutral-Point Potential of Parallel 3L-ANPC Converters. In Proceedings of the 2024 CPSS & IEEE International Symposium on Energy Storage and Conversion (ISESC), Xi’an, China, 8–11 November 2024; pp. 471–476. [Google Scholar]
- Sahan, B.; Mueller, C.R.; Lenze, A.; Czichon, J.; Slawinski, M. Combining the benefits of SiC T-MOSFET and Si IGBT in a novel ANPC power module for highly compact 1500-V grid-tied inverters. In Proceedings of the PCIM Europe 2019; International Exhibition and Conference for Power Electronics, Intelligent Motion, Renewable Energy and Energy Management, Nuremberg, Germany, 7–9 May 2019; pp. 1–6. [Google Scholar]
- Kapino, G.; Kouchaki, A.; Nielsen, J.; Nymand, M. Simple digital model-based design and implementation of carrier-based PWM for high frequency hybrid 3-L active NPC inverter. In Proceedings of the 2018 IEEE 12th International Conference on Compatibility, Power Electronics and Power Engineering (CPE-POWERENG 2018), Doha, Qatar, 10–12 April 2018; pp. 1–6. [Google Scholar]
- Kouchaki, A.; Kapino, G.; Nymand, M. Design of a High Frequency 3-Phase 3-Level Hybrid Active-NPC Inverter. In Proceedings of the 2018 20th European Conference on Power Electronics and Applications (EPE’18 ECCE Europe), Riga, Latvia, 17–21 September 2018; pp. 1–10. [Google Scholar]
- Fauth, L.; Beckemeier, C.; Friebe, J. A Hybrid Active Neutral Point Clamped Converter consisting of Si IGBTs and GaN HEMTs for Auxiliary Systems of Electric Aircraft. In Proceedings of the 2021 IEEE Energy Conversion Congress and Exposition, Vancouver, BC, Canada, 10–14 October 2021; pp. 1917–1923. [Google Scholar]
- Zhang, Y.; Li, K.; Zhang, L. Hybrid ANPC Grid-Tied Inverter Design with Passivity-Based Sliding Mode Control Strategy. Energies 2024, 17, 3655. [Google Scholar] [CrossRef]
- Beckemeier, C.; Friebe, J. Novel current balancing method for HF interleaved converters with reduced control effort. In Proceedings of the 2022 24th European Conference on Power Electronics and Applications (EPE’22 ECCE Europe), Hanover, Germany, 5–9 September 2022; pp. 1–7. [Google Scholar]
- Deshpande, A.V.; Wang, S.; Pool-Mazun, E.I.; Garza-Arias, E.; Sandoval, R.; Gnegy-Davidson, C.; Byrd, T.; Enjeti, P. A Highly Efficient GaN and SiC Hybrid Active Neutral Point Clamped (ANPC) Inverter for High-Speed Electric Traction Applications. In Proceedings of the 2024 IEEE 11th Workshop on Wide Bandgap Power Devices & Applications (WiPDA), Dayton, OH, USA, 4–6 November 2024; pp. 1–6. [Google Scholar]
- Song, M.-G.; Kim, S.-M.; Lee, K.-B. Elimination of Abnormal Output Voltage in a Hybrid Active NPC Inverter. IEEE Trans. Power Electron. 2021, 36, 5348–5361. [Google Scholar] [CrossRef]
- Najjar, M.; Nymand, M.; Kouchaki, A. Mitigation Zero-crossing Distortion of Active Neutral-Point-Clamped Rectifier with Improved Hybrid PWM Technique. In Proceedings of the 2020 IEEE 29th International Symposium on Industrial Electronics (ISIE), Delft, The Netherlands, 17–19 June 2020; pp. 744–749. [Google Scholar]
- Kim, S.-H.; Kim, S.-M.; Lee, K.-B. Open-Switch Fault Detection for Hybrid ANPC Inverter Based on Current Distortion. In Proceedings of the 2019 IEEE Student Conference on Electric Machines and Systems (SCEMS 2019), Busan, Republic of Korea, 1–3 November 2019; pp. 1–5. [Google Scholar]
- Prabaharan, N.; Palanisamy, K. A comprehensive review on reduced switch multilevel inverter topologies, modulation techniques and applications. Renew. Sustain. Energy Rev. 2017, 76, 1248–1282. [Google Scholar] [CrossRef]
- Kim, Y.-J.; Kim, S.-M.; Lee, K.-B. A Switching Method for Improving Lifetime of DC-Link Capacitors in Hybrid ANPC Inverters. In Proceedings of the 2019 IEEE Student Conference on Electric Machines and Systems (SCEMS 2019), Busan, Republic of Korea, 1–3 November 2019; pp. 1–4. [Google Scholar]
- Sun, Z.; Xu, S.; Ren, G.; Yao, C.; Ma, G.; Jatskevich, J. Weighting-Factor-Less Model Predictive Control with Multiobjectives for Three-Level Hybrid ANPC Inverter Drives. IEEE J. Emerg. Sel. Top. Power Electron. 2023, 11, 4726–4738. [Google Scholar] [CrossRef]
- Xiao, D.; Akter, M.P.; Alam, K.; Dutta, R.; Mekhilef, S.; Rahman, M.F. Cascaded Predictive Flux Control for a 3-L Active NPC Fed IM Drives Without Weighting Factor. IEEE Trans. Energ. Convers. 2021, 36, 1797–1807. [Google Scholar] [CrossRef]
- Cai, Z.; Du, Y.; Su, J.; Yang, X.; Shi, Y.; Zhang, J. Comprehensive optimization of ZVS variable frequency control for SiC/Si HANPC Converter. IEEE Trans. Ind. Appl. 2024, 60, 1160–1171. [Google Scholar] [CrossRef]
- Li, M.; Zhou, D.; Zou, J.; Shen, Z.; Liu, L.; Fu, X. A Hybrid Si/GaN-Based Quasi-Single-Stage Converter for Microgrid Applications with Simplified Space-Vector Modulation. In Proceedings of the IECON 2022—48th Annual Conference of the IEEE Industrial Electronics Society, Brussels, Belgium, 17–20 October 2022; pp. 1–6. [Google Scholar]
- Halabi, L.M.; Alsofyani, I.M.; Lee, K.-B. Multiple-Fault-Tolerant Strategy for Three-Phase Hybrid Active Neutral Point Clamped Converters Using Enhanced Space Vector Modulation Technique. IEEE Access 2020, 8, 180113–180123. [Google Scholar] [CrossRef]
- Halabi, L.M.; Alsofyani, I.M.; Lee, K.-B. An Improved Space Vector Modulation for Short-Circuit Fault-Tolerance in Multi-Level Hybrid-ANPC. In Proceedings of the 2021 24th International Conference on Electrical Machines and Systems (ICEMS), Gyeongju, Republic of Korea, 31 October–3 November 2021; pp. 197–201. [Google Scholar]
- Halabi, L.M.; Alsofyani, I.M.; Lee, K.-B. Multi Open-/Short-Circuit Fault-Tolerance Using Modified SVM Technique for Three-Level HANPC Converters. IEEE Trans. Power Electron. 2021, 36, 13621–13633. [Google Scholar] [CrossRef]
- Vilerá, K.V.; Rech, C.; Teston, S.A. Analysis of Neutral-Point Voltage Balancing in Three-Ports Active Neutral-Point-Clamped Converter. In Proceedings of the 2019 IEEE 15th Brazilian Power Electronics Conference and 5th IEEE Southern Power Electronics Conference (COBEP/SPEC), Santos, Brazil, 1–4 December 2019; pp. 1–6. [Google Scholar]
- Najjar, M.; Kouchaki, A.; Nymand, M. FPGA Implementation of Modified Space Vector Modulation (SVM) for High-Frequency Hybrid Active Neutral-Point-Clamped (NPC) Power Factor Correction Rectifier. In Proceedings of the 2020 22nd European Conference on Power Electronics and Applications (EPE’20 ECCE Europe), Lyon, France, 7–11 September 2020; pp. 1–8. [Google Scholar]
- Maaz, S.M.; Lee, D.-C. Common-Mode Voltage Mitigation for Dual Three-Phase Three-Level ANPC Inverters Using Dynamic Phase-Shift PWM. IEEE Access 2023, 11, 104234–104243. [Google Scholar] [CrossRef]
- Hakami, S.S.; Halabi, L.M.; Lee, K.-B. Dual-Carrier-Based PWM Method for DC-Link Capacitor Lifetime Extension in Three-Level Hybrid ANPC Inverters. IEEE Trans. Ind. Electron. 2023, 70, 3303–3314. [Google Scholar] [CrossRef]
- Belkhode, S.; Shukla, A.; Doolla, S. A Carried-based Space Vector Modulation Scheme for Si and SiC based Enhanced Hybrid-ANPC Converter. In Proceedings of the 2021 IEEE Energy Conversion Congress and Exposition, Vancouver, BC, Canada, 10–14 October 2021; pp. 3247–3252. [Google Scholar]
- Xu, H.; Dong, J.; Li, C.; Wang, L.; Li, W.; Zhao, M.; He, X. A Dual-Current-Path State-Based Multistep Soft-Switching Modulation Scheme for Hybrid Device Multilevel Converters. IEEE J. Emerg. Sel. Top. Power Electron. 2024, 12, 2419–2430. [Google Scholar] [CrossRef]
- Kwak, J.; Castellazzi, A. Inverter-machine parametric co-design for energy efficient electric drives. In Proceedings of the 2022 24th European Conference on Power Electronics and Applications (EPE’22 ECCE Europe), Hanover, Germany, 5–9 September 2022; pp. 1–10. [Google Scholar]
- Jo, H.-R.; Ko, Y.; Lee, K.-B. Influence of Open Switch Failure on Normal Devices in HANPC Inverters. In Proceedings of the 2021 24th International Conference on Electrical Machines and Systems (ICEMS), Gyeongju, Republic of Korea, 31 October–3 November 2021; pp. 506–509. [Google Scholar]
- Kwon, B.-H.; Bae, K.-C.; Kim, S.-M.; Lee, K.-B. Detecting Method for an Open-Switch Fault of SiC MOSFET and Si IGBT in Hybrid ANPC Inverter System. In Proceedings of the 2019 IEEE Energy Conversion Congress and Exposition, Baltimore, MD, USA, 29 September–3 October 2019; pp. 2928–2932. [Google Scholar]
- Kim, S.-H.; Yoo, D.-Y.; An, S.-W.; Park, Y.-S.; Lee, J.-W.; Lee, K.-B. Fault Detection Method Using a Convolution Neural Network for Hybrid Active Neutral-Point Clamped Inverters. IEEE Access 2020, 8, 140632–140642. [Google Scholar] [CrossRef]
- Kim, Y.-J.; Kim, S.-H.; Kim, S.-M.; Lee, K.-B. Open Fault Diagnosis and Tolerance Control for Grid-Connected Hybrid Active Neutral-Point- Clamped Inverters with Optimized Carrier-Based Pulse Width Modulation. IEEE Access 2020, 8, 145542–145551. [Google Scholar] [CrossRef]
- de Oliveira, L.M.; da Silva, F.E.M.; da Cunha Pereira, G.M.; Oliveira, D.S.; Marcelo Antunes, F.L. Siamese Neural Network Architecture for Fault Detection in a Voltage Source Inverter. In Proceedings of the 2021 Brazilian Power Electronics Conference (COBEP), João Pessoa, Brazil, 7–10 November 2021; pp. 1–4. [Google Scholar]
- Wu, W.; Liu, Y.; He, Y.; Chung, H.S.-H.; Liserre, M.; Blaabjerg, F. Damping Methods for Resonances Caused by LCL-Filter-Based Current-Controlled Grid-Tied Power Inverters: An Overview. IEEE Trans. Ind. Electron. 2017, 64, 7402–7413. [Google Scholar] [CrossRef]
- Jo, H.-R.; Ko, Y.; Lee, K.-B. Open Fault Tolerant Method Using DPWM for Reducing Switching Loss in Three-Level Hybrid ANPC Inverter. In Proceedings of the 2021 IEEE Conference on Energy Conversion (CENCON), Johor Bahru, Malaysia, 25 October 2021; pp. 80–84. [Google Scholar]
- To, P.H.T.; Eckel, H.-G. Oscillation Damping in a 500kW Hybrid Si/SiC Three-Level ANPC Inverter with Decoupling Capacitor. In Proceedings of the 2022 24th European Conference on Power Electronics and Applications (EPE’22 ECCE Europe), Hanover, Germany, 5–9 September 2022; pp. 1–10. [Google Scholar]
- Wang, C.; Pang, J.; Wang, K.; Zhang, X.; Zheng, Z.; Li, Y. Design and Evaluation of a SiC and Si IGBT Hybrid Three-Level ANPC Power Module. In Proceedings of the 2023 IEEE PELS Students and Young Professionals Symposium (SYPS), Shanghai, China, 27–29 August 2023; pp. 1–7. [Google Scholar]
- Guo, Z.; Li, H.; Dong, X. A Self-Voltage Balanced Hybrid Three-Level MV Inverter Using 3.3-kV SiC MOSFET Module With False-Trigger-Proof Design. IEEE J. Emerg. Sel. Top. Power Electron. 2022, 10, 6854–6864. [Google Scholar] [CrossRef]
- Najjar, M.; Kouchaki, A.; Nielsen, J.; Lazar, R.D.; Nymand, M. Design Procedure and Efficiency Analysis of a 99.3% Efficient 10 kW Three-Phase Three-Level Hybrid GaN/Si Active Neutral Point Clamped Converter. IEEE Trans. Power Electron. 2022, 37, 6698–6710. [Google Scholar] [CrossRef]
- Novak, M.; Ferreira, V.; Andresen, M.; Dragicevic, T.; Blaabjerg, F.; Liserre, M. FS-MPC Based Thermal Stress Balancing and Reliability Analysis for NPC Converters. IEEE Open J. Power Electron. 2021, 2, 124–137. [Google Scholar] [CrossRef]
- Novak, M.; Ferreira, V.N.; Andresen, M.; Dragicevic, T.; Blaabjerg, F.; Liserre, M. FS-MPC Algorithm for Optimized Operation of a Hybrid Active Neutral Point Clamped Converter. In Proceedings of the 2019 IEEE Energy Conversion Congress and Exposition, Baltimore, MD, USA, 29 September–3 October 2019; pp. 1447–1453. [Google Scholar]
- Wang, J.; Yang, R.; Yao, Z. Efficiency Optimization Design of Three-Level Active Neutral Point Clamped Inverter Based on Deep Reinforcement Learning. In Proceedings of the 2022 IEEE 6th Conference on Energy Internet and Energy System Integration (EI2), Chengdu, China, 11–13 November 2022; pp. 605–610. [Google Scholar]
- Zhang, B.; Wang, S. A Survey of EMI Research in Power Electronics Systems With Wide-Bandgap Semiconductor Devices. IEEE J. Emerg. Sel. Top. Power Electron. 2020, 8, 626–643. [Google Scholar] [CrossRef]
- Wang, J.; Liu, X.; Peng, Q.; Xun, Y.; Yu, S.; Jiang, N.; Wang, W.; Hou, F. Co-Reduction of Common Mode Noise and Loop Current of Three-Level Active Neutral Point Clamped Inverters. IEEE J. Emerg. Sel. Top. Power Electron. 2021, 9, 1088–1103. [Google Scholar] [CrossRef]
- Wang, J.; Wang, R.; Gao, Z.; Sun, F.; Hu, W. A Case Study of Multiobjective Automatic Design for Active Neutral Point Clamped Inverter Based on Machine Learning. IEEE Trans. Ind. Electron. 2024. Early Access. [Google Scholar] [CrossRef]
- Yu, Y.; Pei, X.; Zhou, P.; Chen, Q.; Zhao, D. Analysis and Decoupling of Multisource EMI in High-Power PV Inverter. IEEE Trans. Power Electron. 2024, 39, 13096–13106. [Google Scholar] [CrossRef]
- Shao, Z.; Zhang, X.; Wang, F.; Cao, R. Modeling and Elimination of Zero-Sequence Circulating Currents in Parallel Three-Level T-Type Grid-Connected Inverters. IEEE Trans. Power Electron. 2015, 30, 1050–1063. [Google Scholar] [CrossRef]
- Chen, H.; Chen, C.; Xiang, X.; Aminfu, W.; He, X. Analysis and Solution of Zero-Sequence Circulating Current and Neutral Point Potential Balance in Parallel 3L-ANPC Converters. In Proceedings of the 2023 IEEE 2nd International Power Electronics and Application Symposium (PEAS), Guangzhou, China, 10–13 November 2023; pp. 470–475. [Google Scholar]
- Available online: https://www.ti.com.cn/cn/lit/ug/zhcu762a/zhcu762a.pdf?ts=1745805723426 (accessed on 30 March 2021).
- Schittler, A.C.; Mueller, C. Loss-optimized active neutral-point clamped inverter in a low inductive power-module design. PCIM Europe digital days 2020. In Proceedings of the International Exhibition and Conference for Power Electronics, Intelligent Motion, Renewable Energy and Energy Management, Nuremberg, Germany, 7–8 July 2020; pp. 1–7. [Google Scholar]
- Zhao, M.; Zhang, Y.; Chen, Y.; Li, Z. Modulation Strategy for 2-SiC Hybrid Devices ANPC-DAB Converter Through Dual-Path Zero-State. In Proceedings of the 2024 IEEE 10th International Power Electronics and Motion Control Conference (IPEMC2024-ECCE Asia), Chengdu, China, 17–20 May 2024; pp. 1313–1318. [Google Scholar]
- Zhao, Y.; Wang, G.; Dong, X.; Jin, H.; Li, A.; Chen, J.; Zhang, H.; Wang, L.; Gao, K. Insulation Optimization of PCB Busbar for an ANPC Converter Using 15 kV SiC Module. In Proceedings of the 2024 CPSS & IEEE International Symposium on Energy Storage and Conversion (ISESC), Xi’an, China, 8–11 November 2024; pp. 813–817. [Google Scholar]
- Gao, N.; Zhang, Y.; Wu, X.; Yang, J.; Guan, Q.; Li, Z. A Si/SiC Hybrid Five-Level ANPC Full-Bridge DAB Converter with Dedicated Modulation Strategy. In Proceedings of the 2022 IEEE Energy Conversion Congress and Exposition, Detroit, MI, USA, 9–13 October 2022; pp. 1–8. [Google Scholar]
- Patil, N.S.; Belkhode, S.; Shukla, A. Analysis and Current Stress Optimization of Novel Active Neutral Point Clamped DAB Converter with Optimal Switch Utilization. In Proceedings of the 2023 IEEE Industry Applications Society Annual Meeting (IAS), Nashville, TN, USA, 29 October–2 November 2023; pp. 1–8. [Google Scholar]
- Wu, J.; Liu, D.; Wang, Y.; Pereira, T.; Liserre, M.; Chen, Z. Hybrid-Bridge-Based Dual-Active-Bridge Converter with an Asymmetric Active-Neutral-Point-Clamped Three-Level Bridge. IEEE Trans. Circuits Syst. I Regul. Pap. 2024, 71, 4873–4886. [Google Scholar] [CrossRef]












| Type | Product | Rated Voltage (V) | Rated Current (A) @25 °C | Price per Unit | |
|---|---|---|---|---|---|
| Si IGBT | Discrete | IKWH30N65WR6 | 650 | 60 | USD 2.74 |
| IKZA40N120CH7 | 1200 | 95 | USD 7.59 | ||
| Half-bridge | F3L50R06W1E3_B11 | 600 | 50 | USD 39.63 | |
| FF150R12KE3G | 1200 | 150 | USD 102.83 | ||
| SiC MOSFET | Discrete | IMLT65R040M2H | 650 | 57 | USD 9.98 |
| AIMZH120R020M1T | 1200 | 100 | USD 28.73 | ||
| Half-bridge | FF08MR12W1MA1_B11A | 1200 | 150 | USD 256.5 | |
| GaN FET/HEMT | Discrete | GS66516T | 650 | 60 | USD 52.43 |
| IGOT65R025D2 | 650 | 61 | USD 13.30 | ||
| Half-bridge | IGI60F2020A1L | 600 | 5 | USD 12.98 | |
| SiC Schottky Diode | Discrete | IDW40G65C5 | 650 | 40 | USD 13.33 |
| IDWD30G120C5 | 1200 | 30 | USD 13.1 | ||
| T-ANPC module | all-Si IGBTs | F3L400R10W3S7_B11 | 950 V | 400 A | USD 153.44 |
| HT-ANPC module | 4-Si IGBTs + 2-SiC MOSFETs | F3L11MR12W2M1_B74 | 1200 V | 100 A | USD 145.74 |
| F3L3MR12W3M1H_H11 | 1200 V | 200 A | USD 308.32 | ||
| Cell 1 | Cell 2 | Cell 3 | Type | ||
|---|---|---|---|---|---|
| Material type of devices | Si IGBT | Si IGBT | SiC MOSFET | A1 | A |
| SiC MOSFET | Si IGBT | Si IGBT | A2 | ||
| SiC MOSFET | SiC MOSFET | Si IGBT | B1 | B | |
| Si IGBT | SiC MOSFET | SiC MOSFET | B2 | ||
| SiC MOSFET | Si IGBT | SiC MOSFET | B3 | ||
| Si IGBT | Si IGBT | HyS | E1 | E | |
| HyS | HyS | Si IGBT | E2 | ||
| HyS | Si IGBT | HyS | E3 | ||
| HyS | Si IGBT | Si IGBT | E4 | ||
| Si IGBT | HyS | HyS | E5 | ||
| Si MOSFET | Si MOSFET | GaN FET | F1 | F | |
| Si IGBT | Si IGBT | GaN HEMT | F2 | ||
| Si IGBT | SJ MOSFET | GaN HEMT | F3 | ||
| GaN HEMT | Si IGBT | GaN HEMT | F4 | ||
| SiC MOSFET | SiC MOSFET | GaN HEMT | H | H | |
| Reference | Applied Method | Category | Complexity | Additional Control | Additional Device |
|---|---|---|---|---|---|
| [62,80] | abc-dq axis current | Fault diagnosis | L | NR | NR |
| [81] | CNN | M | R | ||
| [83] | SNN | ||||
| [82] | Optimized CBM | Combined | L | NR | NR |
| [69,71] | Enhanced SVM | Fault tolerant control | H | NR | R |
| [85] | DPWM-SVM | Fault tolerant control | M | R | NR |
| Reference | [22] | [50] | [88] | [89] | [86] |
|---|---|---|---|---|---|
| Category | HF- resonance | Inrush current | Inrush current | Combined | HF- resonance |
| Additional Device | NR | R | NR | R | R |
| Additional Control | R | R | R | NR | NR |
| Cost | L | H | L | M | M |
| Complexity | M | H | M | L | L |
| Main idea | Active turn-off of switching devices | Elimination of inrush current excitations | Dynamically increasing the impedance of the loop | An additional resistor in series on the branch where Cdec is located | Additional ferrite cores in series in the loop |
| Method | Effect | Complexity | Negative Impact | Additional Control | Additional Device | Reference |
|---|---|---|---|---|---|---|
| Optimization of the commutation path | Significant | H | L | R | NR | [22,29,56,89] |
| Additional decoupling capacitor | Significant | L | H | NR | R |
| Reference | Applied Method | Performance | Complexity | Additional Control | Additional Device |
|---|---|---|---|---|---|
| [25] | SVM | L | M | NR | R |
| [64,75] | CBM-SVM | L | H | NR | NR |
| [73] | Modified SVM | H | H | NR | R |
| [90,92] | FS-MPC | M | H | R | NR |
| [66] | FS-MPC | H | H | R | R |
| [65] | FS-MPC | Hr * | H | R | R |
| [6] | - | - | M | R | NR |
| [51] | SVM | - | M | R | NR |
| Method | Reference | Applied Method | Complexity | Additional Control | Reported THD (Line Voltage) |
|---|---|---|---|---|---|
| Software-based | [25] | SVM | M | NR | 37.63% @m = 0.8 |
| [54] | CBM | L | NR | 5.84% @m = 0.9567 (line current) | |
| [76] | CB-SVM | M | NR | <20% @m = 0.8 | |
| [78] | - | H | R | - | |
| Hardware-based | [18] | LC filter | L | NR | - |
| [5] | RLC filter | L | NR | 4.6% @m = 0.6875 (line current) | |
| [21] | LCL filter | H | R | - | |
| [92] | LCL filter | H | R | - | |
| [7] | LCL filter | L | NR | - | |
| Combined | [68] | SVM + LC filter | H | R | - |
| [67] | SVM + LCL filter | H | NR | - |
| Method | Reference | Applied Method | Complexity | Additional Control | Reported THD (Phase Current) |
|---|---|---|---|---|---|
| Software-based | [75] | SVM | H | NR | <2% @m = 0.8 |
| [63] | DPSPWM | H | NR | 0.79% @m = 1 | |
| Hardware-based | [19] | PCB layout | M | NR | - |
| [89] | EMI filter | H | NR | 1.58% @m = 0.4 | |
| [5] | EMI filter | L | NR | 4.6% @m = 0.6875 (line current) | |
| [94] | Impedance balance (LC filter (middle-line)) | M | NR | - |
| Reference | Potential Challenges | Influencing Factors | Improvement Techniques |
|---|---|---|---|
| [9,79,80,81,82,83,84,85] | Faults of switches | - | (1) Improved modulation |
| [13,22,29,56,86,87,88] | Over-voltage of switches | (1) Long commutation loop (2) dv/dt, di/dt | (1) Improved switching states (2) Optimized devices layout |
| [6,25,51,64,65,66,73,75,90,92] | Imbalance of NP voltage | (1) Modulation (2) Parasitic impedance (3) Load | (3) Improved modulation |
| [5,7,18,19,21,25,54,60,67,76,78,79,84,89,92] | Harmonic distortion of output voltage | (1) Process of switching (2) Modulation | (1) Optimized filter design (2) Improved modulation |
| [5,19,61,63,75,89,93,94] | EMI | (1) WBG device applied (2) Layout, package | (1) Filter (middle-line) (2) Optimized PCB layout (3) Improved modulation |
| [26,60,61] | Zero-crossing distortion | (1) Switching states | (1) Improved modulation |
| [49,56,57,58] | Current unbalancing | (1) Multi-output structure | (1) Improved control method |
| [51,63,97,98] | Circulating current | (1) Parallel structure | (1) Improved control strategy |
| Topologies | Number of WBG Devices | Modulation | fsw (kHz) | RPO Capability Verified in the Experiment | RMS Voltages(V) | Power Density | Rated Power | THD of Output Voltage *1 | Peak Efficiency *2 | Applications | ||
|---|---|---|---|---|---|---|---|---|---|---|---|---|
| Type | Reference | DC Side | AC Side | |||||||||
| A1 | [20] | SiC MOSFET ×2 | CBM | 16 | Yes | 1.1 k | 690 *3 | M | 200 kW | - | >98.5% @1.1 kV | PV |
| [21] | CBM | 45 | Yes | 650 | 208 | M | 4.2 kW | - | >99% @650 V | Grid-tied | ||
| [25] | SVM | 3.6 | No | 5 k | 3.3 k *3 | M | 2000 kVA | 37.63% @m = 0.8 | - | Adjustable speed drive | ||
| HDT-ANPC | [22] | SiC MOSFET ×2 | - | 16.8 | Yes | 2.4 k | - | H | 1 MW | - | >99% @2400 V | - |
| [86] | - | 10 | Yes | 1500 | 1000 *3 | M | 500 kW | - | 99.25% @1500 V | - | ||
| A2 | [30] | SiC MOSFET ×2 | CBM | 40 | No | 1.5 k | 450 | H | 11.25 kW | - | >98% @500 V | - |
| [76] | CB-SVM | 20 | No | 1 k | - | H | - | <20% @m = 0.8 | >99% @250 V | - | ||
| B1 | [5] | SiC MOSFET ×4 | - | 20 | Yes | 2.4 k | 480 | 12 kVA/kg | 1 MW | 4.6% @m = 0.6875 (output current) | >99% @2400 V | Aircraft propulsion |
| [67] | SVM | 200 | Yes | 800 | 230 | H | 10 kW | - | ≈99% @800 V | - | ||
| B2 | [31] | SiC MOSFET ×4 | CBM | 50 | No | 1.5 k | - | H | 10.6 kW | - | >99% @500 V | - |
| B3 | [34] | SiC MOSFET ×4 | CBM | 40 | Yes | 800 | 220 | H | 6 kW | - | ≈98.4% @800 V | - |
| E | [41] | HyS ×2 | CBM | 18 | No | 1.5 k | 480 | 36.2 W/in3 | 40 kW | - | 98.9% @900 V | PV |
| [43] | HyS ×4 | CBM | 20 | Yes | 400 | - | L | 0.91 kW | - | 98.14% @400 V | - | |
| F1 | [55] | GaN FET ×2 | THIPWM | 100 | No | 565–700 | 230 | M | 10 kW | <5% @m≈0.71 (output current) | - @650 V | - |
| [89] | GaN FET ×2 | CBM | 140 | Yes | 570 | 230 | 2.4 kW/dm3 | 10 kW | 1.58% (output current) | 99.34% @570 V | - | |
| F2 | [56] | GaN HEMT ×2 | - | 200 | Yes | 800 | 230 | M | 3 kW *2 * two parallel GaN stages | - | 98.6% @800 V | Auxiliary systems of electric aircraft |
| F3 | GaN HEMT ×2 | - | 200 | No | 800 | 230 | M | - | 98.8% @800 V | |||
| F4 | [57] | GaN HEMT ×4 | PS-PWM | 10 | No | 800 | 220 | H | - | - | - | Grid-tied |
| H | [59] | SiC MOSFET ×4 GaN HEMT ×2 | CBM | ≥30 | No | 800 | 265 | H | 50 kW | - | - | Adjustable speed drive |
| G1 | [48] | SiC MOSFET ×2 SiC Schottky diode ×2 | CBM | 50 | No | 1.5 k | 450 | 1246 cm3 | - | - | 98.11% @600 V | - |
| G2 | [4] | SiC MOSFET ×2 SiC Schottky diode ×2 | CBM | 50 | No | 1 k | - | M | - | - | >97% @500 V | PV |
| G3 | [49,50] | SiC MOSFET ×4 | Hybrid modulation | 32/ 48 | Yes | 700–1.5 k | 400–690 | 7.5 kW/dm3 | 200 kW- 350 kW | <1.9% (output current) | 98.66% @750 V | - |
| G4 | [98] | Parallel structure | SVM | 30 | Yes | 1.4 k | 690 | M | 160 kW | - | - | - |
| [47] | CBM | 48 | Yes | 1.2 k | 600 | 4.1 kW/dm3 | 200 kW | - | - | PV/Grid-tied/ Energy storage systems | ||
| Bus Voltage | Maximum Individual Harmonic Component (%) | Maximum THD (%) |
|---|---|---|
| 69 kV and below | 3 | 5 |
| 115 kV–161 kV | 1.5 | 2.5 |
| Above 161 kV | 1 | 1.5 |
Disclaimer/Publisher’s Note: The statements, opinions and data contained in all publications are solely those of the individual author(s) and contributor(s) and not of MDPI and/or the editor(s). MDPI and/or the editor(s) disclaim responsibility for any injury to people or property resulting from any ideas, methods, instructions or products referred to in the content. |
© 2025 by the authors. Licensee MDPI, Basel, Switzerland. This article is an open access article distributed under the terms and conditions of the Creative Commons Attribution (CC BY) license (https://creativecommons.org/licenses/by/4.0/).
Share and Cite
Mu, X.; Chen, H.; Wang, X.; Wu, W.; Wang, H.; Yuan, L.; Chung, H.S.-H.; Blaabjerg, F. A Review of Hybrid Three-Level ANPC Inverters: Topologies, Comparison, Challenges and Improvements in Applications. Energies 2025, 18, 2613. https://doi.org/10.3390/en18102613
Mu X, Chen H, Wang X, Wu W, Wang H, Yuan L, Chung HS-H, Blaabjerg F. A Review of Hybrid Three-Level ANPC Inverters: Topologies, Comparison, Challenges and Improvements in Applications. Energies. 2025; 18(10):2613. https://doi.org/10.3390/en18102613
Chicago/Turabian StyleMu, Xiaobin, Hao Chen, Xiang Wang, Weimin Wu, Houqing Wang, Liang Yuan, Henry Shu-Hung Chung, and Frede Blaabjerg. 2025. "A Review of Hybrid Three-Level ANPC Inverters: Topologies, Comparison, Challenges and Improvements in Applications" Energies 18, no. 10: 2613. https://doi.org/10.3390/en18102613
APA StyleMu, X., Chen, H., Wang, X., Wu, W., Wang, H., Yuan, L., Chung, H. S.-H., & Blaabjerg, F. (2025). A Review of Hybrid Three-Level ANPC Inverters: Topologies, Comparison, Challenges and Improvements in Applications. Energies, 18(10), 2613. https://doi.org/10.3390/en18102613

