Composite Sliding Mode Control of Phase Circulating Current for the Parallel Three-Phase Inverter Systems
Abstract
1. Introduction
- An inter- and intra-classification model is proposed for the parallel, three-phase inverter.
- In order to suppress the inter-PCC, an improved virtual impedance droop control approach is proposed by introducing SMC for the control of bus voltage, Q-U loop, P-f loop, and the virtual induced reactance.
- In order to suppress the intra-PCC, a SMC-based approach is proposed by introducing a regulation factor for SVPWM to eliminate the zero-sequence voltage.
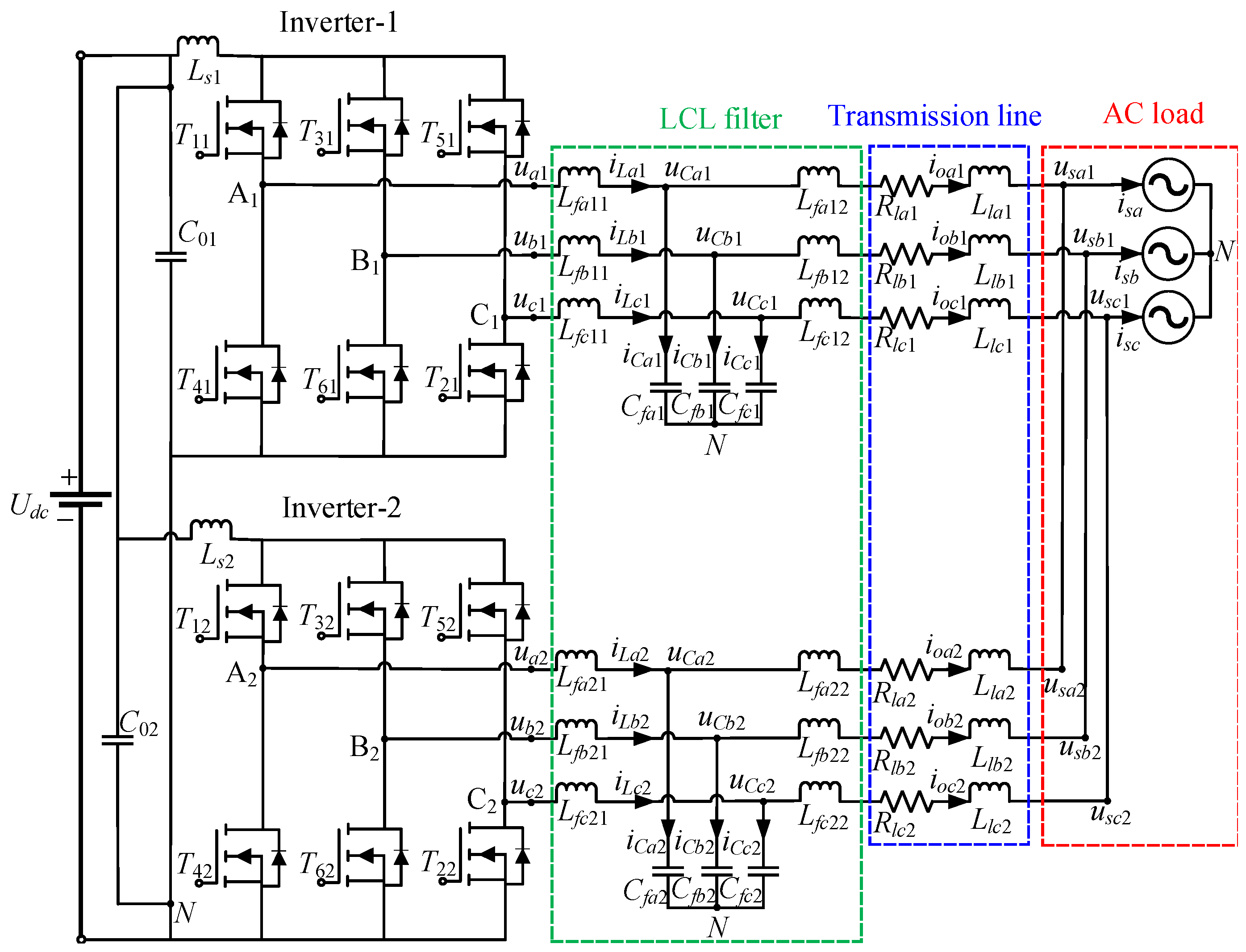
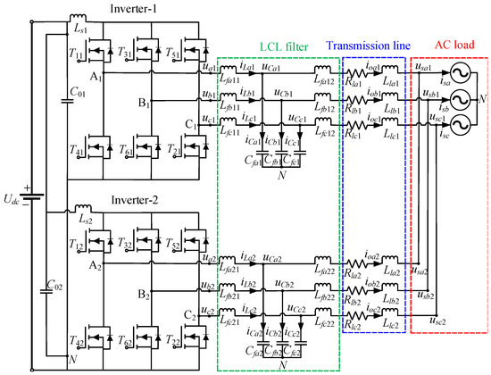
2. Inter- and Intra-Classification Model of the Parallel Three-Phase Inverter
2.1. Sub-Model of the Inter-PCC
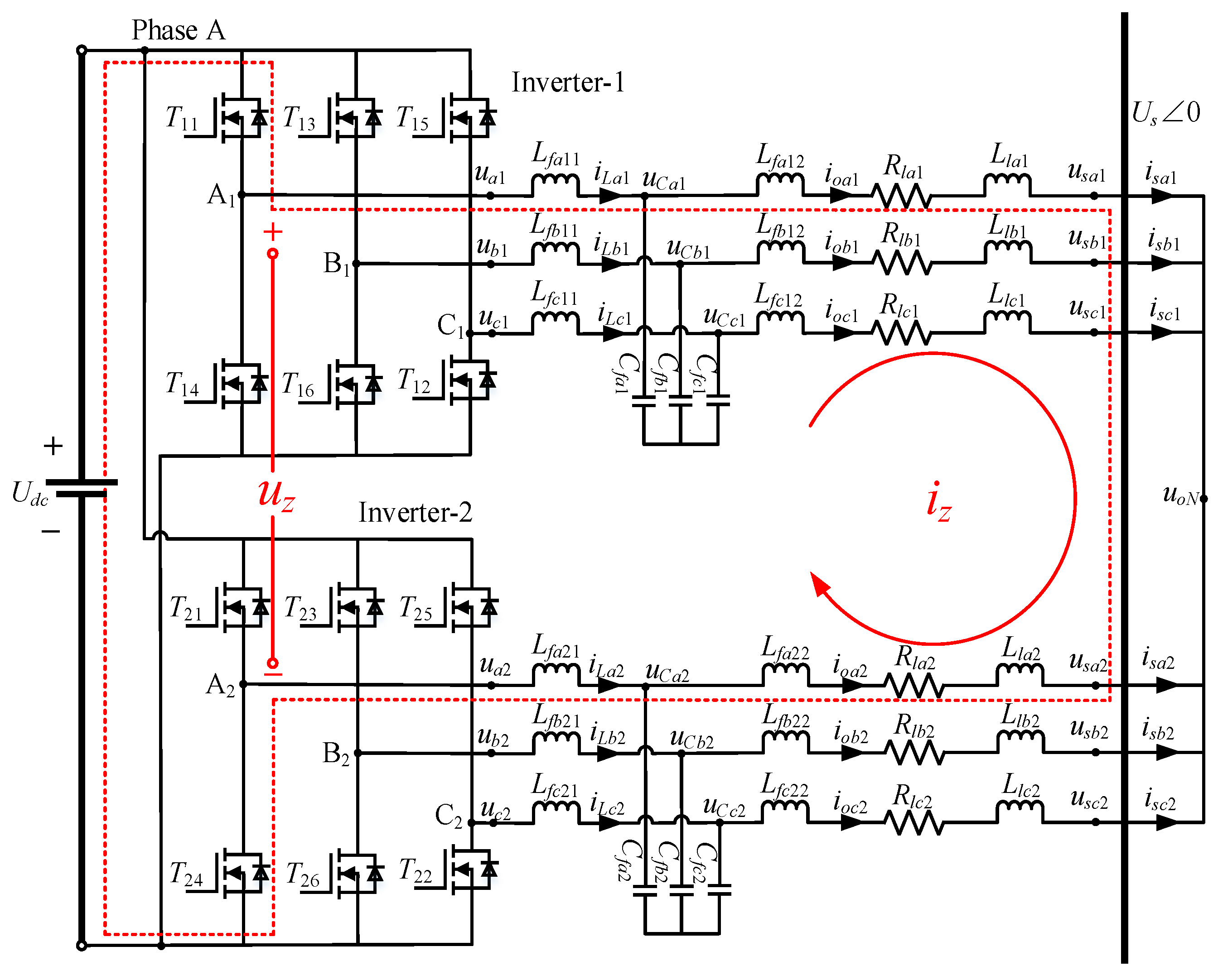
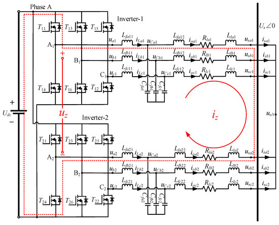
2.2. Sub-Model of the Intra-PCC
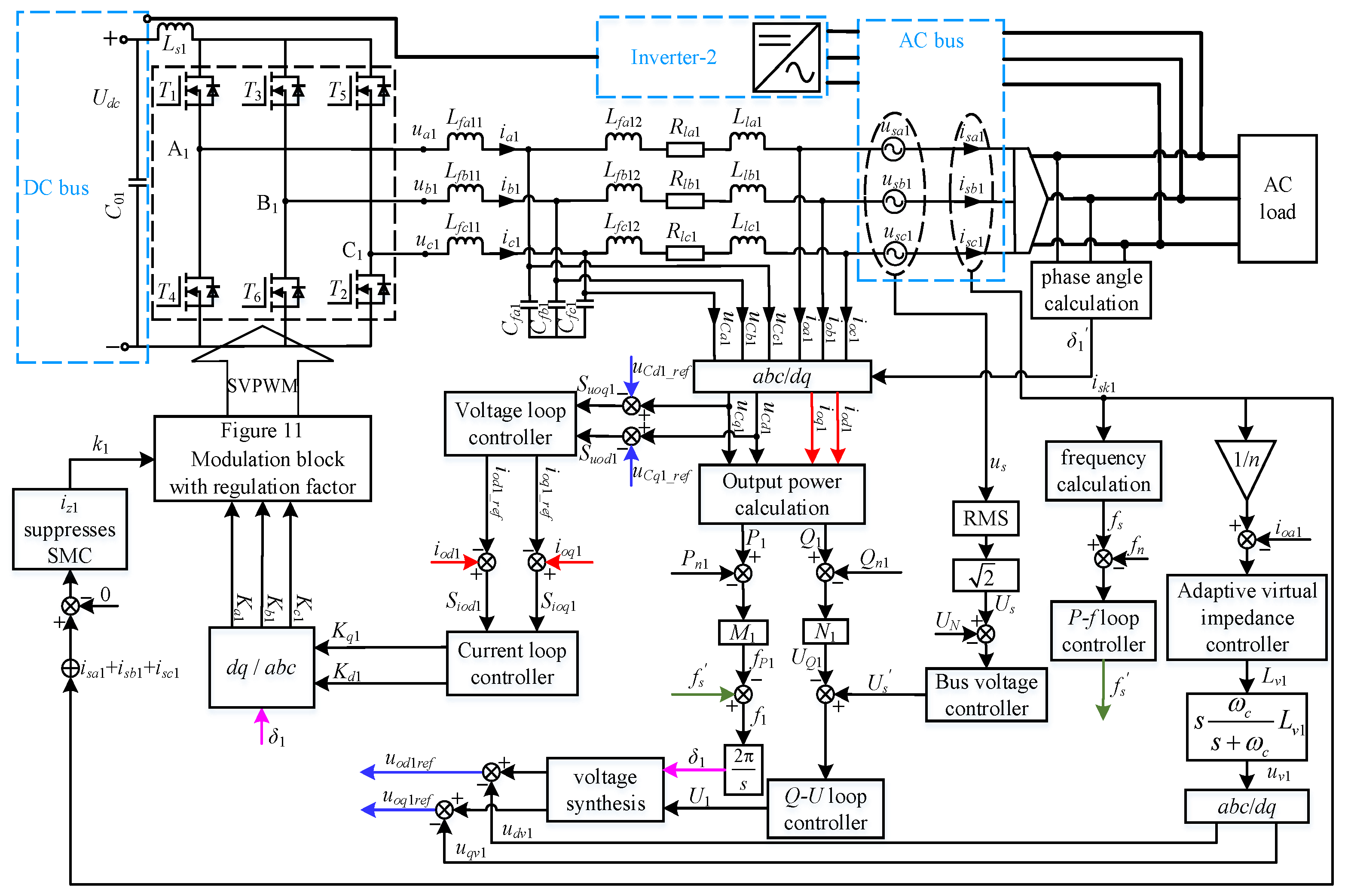
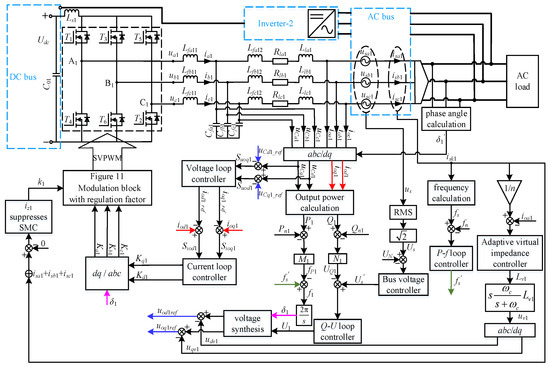
2.3. Control Scheme of the Composite SMC
- (1)
- For the sub-model of inter-PCC in (4), the inter-PCC issue can be solved by adjusting the output power distribution accuracy of the paralleled inverter. However, if the traditional virtual impedance droop control is applied in practice, some problems will arise, namely, unstable input voltage of the Q-U loop, low accuracy of the output of the Q-U and P-f loops, slow response speed, and fixed virtual impedance, which affect the inter-PCC of the parallel system. Therefore, this paper focuses on the four aspects of improvement: the bus voltage controller, Q-U loop controller, P-f loop controller, and adaptive virtual impedance controller.
- (2)
- For the sub-model of intra-PCC in (7), the intra-PCC issue can be solved by eliminating the ZSV. For the traditional SVPWM, the ZSV is mainly caused by the average distribution of the action time for the zero voltage vector. Innovatively, this paper will introduce a regulatory factor based on SMC to realize the dynamic distribution of the action time for the zero voltage vector, and an improved SVPWM is proposed.
3. Inter-PCC Suppression Control
3.1. Traditional Virtual Impedance Droop Control
- The total equivalent output inductance Xem needs to be proportional to Nm.
- The phase angle of the output voltage θm is the same for the contained parallel inverters.
3.2. Improved Virtual Impedance Droop Control
3.2.1. Design of the Bus Voltage Controller
3.2.2. Design of the Q-U Loop Controller
3.2.3. Design of the P-f Loop Controller
3.2.4. Design of the Adaptive Virtual Impedance Controller
3.3. Stability Analysis of the Improved Virtual Impedance Droop Control
4. Intra-PCC Suppression Control
5. Simulation and Experiment
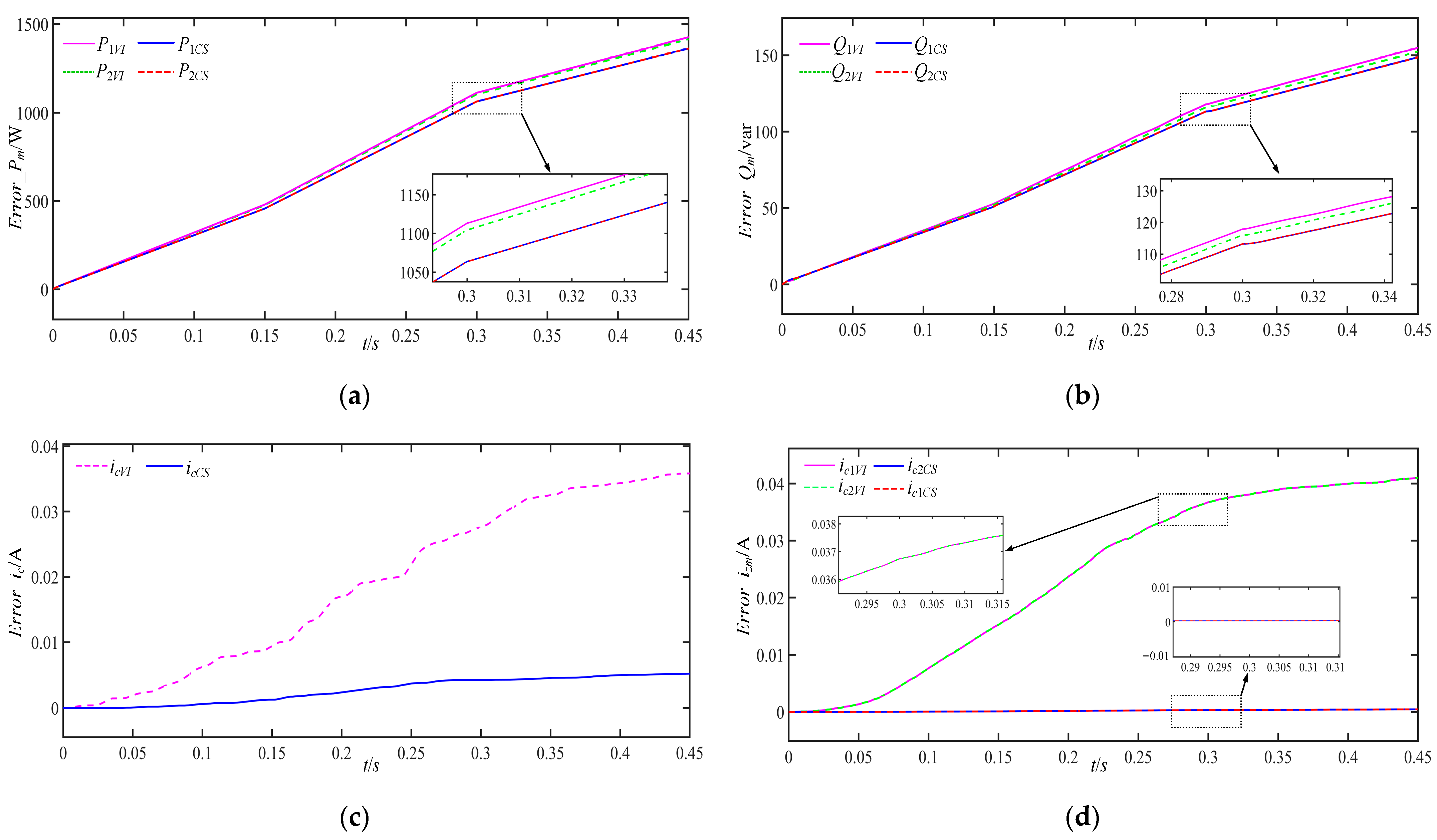
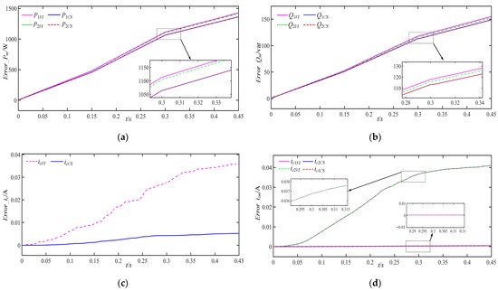
5.1. Simulation Results
5.1.1. Case 1: Rated Working Case
- (1)
- Phase 1: Set the load power to be consistent with the rated power at t = 0.
- (2)
- Phase 2: Increase the total load power to PL = 8 kW and QL = 800 var at t = 0.15 s.
- (3)
- Phase 3: Decrease the total load power to PL = 4 kW and QL = 400 var at t = 0.3 s.
5.1.2. Case 2: Working Conditions with Disturbances
- (1)
- Phase 1: The transmission line Zlm = 0.101 + j0.231 Ω/km at t = 0.
- (2)
- Phase 2: Zlm decreases to 0.051 + j0.116 Ω/km at t = 0.15 s.
- (3)
- Phase 3: Zlm increases to 0.202 + j0.462 Ω/km at t = 0.3 s.
5.2. Experiment Results
6. Conclusions
Author Contributions
Funding
Data Availability Statement
Conflicts of Interest
References
- Hu, J.; Yuan, H.; Yuan, X. Modeling of Dfig-Based WTS for Small-Signal Stability Analysis in DVC Timescale in Power Electronized Power Systems. IEEE Trans. Energy Convers. 2017, 32, 1151–1165. [Google Scholar] [CrossRef]
- Cano, T.C.; Castro, I.; Rodriguez, A.; Lamar, D.G.; Khalil, Y.F.; Albiol-Tendillo, L.; Kshirsagar, P. Future of Electrical Aircraft Energy Power Systems: An Architecture Review. IEEE Trans. Transp. Electrif. 2021, 7, 1915–1929. [Google Scholar] [CrossRef]
- Jain, H.; Mather, A.; Jain, A.K.; Baldwin, S.F. Grid-Supportive Loads—A New Approach to Increasing Renewable Energy in Power Systems. IEEE Trans. Smart Grid 2022, 13, 2959–2972. [Google Scholar] [CrossRef]
- Ma, D.; Chen, W.; Shu, L.; Qu, X.; Hou, K. A Mmc-Based Multiport Power Electronic Transformer with Shared Medium-Frequency Transformer. IEEE Trans. Circuits Syst. II-Express Briefs 2020, 68, 727–731. [Google Scholar] [CrossRef]
- Qanbari, T.; Tousi, B. Single-Source Three-Phase Multilevel Inverter Assembled by Three-Phase Two-Level Inverter and Two Single-Phase Cascaded H-Bridge Inverters. IEEE Trans. Power Electron. 2021, 36, 5204–5212. [Google Scholar] [CrossRef]
- Alenius, H.; Roinila, T.; Luhtala, R.; Messo, T.; Burstein, A.; de Jong, E.; Fabian, A. Hardware-in-the-Loop Methods for Stability Analysis of Multiple Parallel Inverters in Three-Phase AC Systems. IEEE J. Emerg. Sel. Top. Power Electron. 2021, 9, 7149–7158. [Google Scholar] [CrossRef]
- Fu, Y.; Li, Y.; Huang, Y.; Lu, X.; Zou, K.; Chen, C.; Bai, H. Imbalanced Load Regulation Based on Virtual Resistance of a Three-Phase Four-Wire Inverter for EV Vehicle-to-Home Applications. IEEE Trans. Transp. Electrif. 2019, 5, 162–173. [Google Scholar] [CrossRef]
- Hu, X.; Tseng, K.J. Integration of Multiple Modularized Distributed Energy Resource Devices into Ac Grid of Buildings: Issue of Active Power Circulation. IEEE Trans. Ind. Electron. 2014, 61, 6118–6127. [Google Scholar] [CrossRef]
- Zhang, C.; Wang, Z.; Xing, X.; Li, X.; Liu, X. Modeling and Suppression of Circulating Currents Among Parallel Single-Phase Three-Level Grid-Tied Inverters. IEEE Trans. Ind. Electron. 2022, 69, 12967–12979. [Google Scholar] [CrossRef]
- Fan, B.; Li, Q.; Wang, W.; Yao, G.; Ma, H.; Zeng, X.; Guerrero, J. A Novel Droop Control Strategy of Reactive Power Sharing Based on Adaptive Virtual Impedance in Microgrids. IEEE Trans. Ind. Electron. 2022, 69, 11335–11347. [Google Scholar] [CrossRef]
- Guo, C.; Wu, S.; Yang, S.; Hu, J. Overcurrent Suppression Control for Hybrid LCC/VSC Cascaded HVDC System Based on Fuzzy Clustering and Identification Approach. IEEE Trans. Power Deliv. 2022, 37, 1745–1753. [Google Scholar] [CrossRef]
- Si, Y.; Wang, R.; Zhang, S. Fault Diagnosis Based on Attention Collaborative LSTM Networks for NPC Three-Level Inverters. IEEE Trans. Instrum. Meas. 2022, 71, 3512416. [Google Scholar] [CrossRef]
- Judewicz, M.G.; González, S.A.; Fischer, J.R.; Martínez, J.F.; Carrica, D.O. Inverter-Side Current Control of Grid-Connected Voltage Source Inverters with LCL Filter Based on Generalized Predictive Control. IEEE J. Emerg. Sel. Top. Power Electron. 2018, 6, 1732–1743. [Google Scholar] [CrossRef]
- Wei, B.; Marzàbal, A.; Ruiz, R.; Guerrero, J.M.; Vasquez, J.C. DAVIC: A New Distributed Adaptive Virtual Impedance Control for Parallel-Connected Voltage Source Inverters in Modular UPS System. IEEE Trans. Power Electron. 2019, 34, 5953–5968. [Google Scholar] [CrossRef]
- Yeam, T.; Hu, H.; Ge, Y. Design of Sliding-Mode Speed Controller with Active Damping Control for Single-Inverter Dual-Pmsm Drive Systems. IEEE Trans. Power Electron. 2021, 36, 5794–5801. [Google Scholar] [CrossRef]
- Yang, X.; Hu, H.; Ge, Y.; Aatif, S.; He, Z.; Gao, S. An Improved Droop Control Strategy for VSC-Based Mvdc Traction Power Supply System. IEEE Trans. Ind. Appl. 2018, 54, 5173–5186. [Google Scholar] [CrossRef]
- Liu, J.; Sun, X.; Ren, B.; Zhang, Q. Dynamic Circulating Current Suppression Method for Multiple Hybrid Power Parallel Grid-Connected Inverters with Model Reference Adaptive System. IEEE Trans. Ind. Electron. 2022, 69, 4364–4375. [Google Scholar] [CrossRef]
- Zhang, M.; Song, B.; Wang, J. Circulating Current Control Strategy Based on Equivalent Feeder for Parallel Inverters in Islanded Microgrid. IEEE Trans. Power Syst. 2019, 34, 595–605. [Google Scholar] [CrossRef]
- Zhou, S.; Liu, K.; Wu, J.; Li, K.; Huang, C.; Zhang, D. Differential-Mode Circulating Current Suppression for Paralleled Inverters Fed PMSM Drives Considering Dead Time Compensation. IEEE Trans. Power Electron. 2023, 38, 8742–8753. [Google Scholar] [CrossRef]
- Choi, H.; Lee, K. Circulating Current Reduction for Parallel-Connected Modular Inverters Based on Suppression of Common-Mode Voltage. IEEE Trans. Power Electron. 2023, 38, 11091–11101. [Google Scholar] [CrossRef]
- Yang, Y.; Wai, R. Design of Adaptive Fuzzy-Neural-Network-Imitating Sliding-Mode Control for Parallel-Inverter System in Islanded Micro-Grid. IEEE Access 2021, 9, 56376–56396. [Google Scholar] [CrossRef]
- Yang, X.; Li, Z.; Zheng, T.Q.; You, X.; Kobrle, P. Virtual Impedance Sliding Mode Control-Based MMC Circulating Current Suppressing Strategy. IEEE Access 2021, 7, 26229–26240. [Google Scholar] [CrossRef]
- Zorig, A.; Belkheiri, M.; Barkat, S.; Rabhi, A.; Blaabjerg, F. Sliding Mode Control and Modified SVM for Suppressing Circulating Currents in Parallel-Connected Inverters. Electr. Power Compon. Syst. 2018, 46, 1061–1071. [Google Scholar] [CrossRef]
- Chen, J.; Sha, D.; Zhang, J.; Liao, X. A Variable Switching Frequency Space Vector Modulation Technique for Zero-Voltage Switching in Two Parallel Interleaved Three-Phase Inverters. IEEE Trans. Power Electron. 2019, 34, 6388–6398. [Google Scholar] [CrossRef]
- Lee, J.; Nam, K. A Power Circulation Method Using Two Frequencies in Motor Emulator System. IEEE Trans. Energy Convers. 2020, 35, 1868–1876. [Google Scholar] [CrossRef]
- Mohammed, N.; Ciobotaru, M. Adaptive Power Control Strategy for Smart Droop-Based Grid-Connected Inverters. IEEE Trans. Smart Grid 2022, 13, 2075–2085. [Google Scholar] [CrossRef]
- Sun, Y.; Li, L.; Shi, G.; Hou, X.; Su, M. Power Factor Angle Droop Control—A General Decentralized Control of Cascaded Inverters. IEEE Trans. Power Deliv. 2021, 36, 465–468. [Google Scholar] [CrossRef]
- Zhong, Q.C.; Zeng, Y. Universal Droop Control of Inverters With Different Types of Output Impedance. IEEE Access 2016, 4, 702–712. [Google Scholar] [CrossRef]
- Khanabdal, S.; Banejad, M.; Blaabjerg, F.; Hosseinzadeh, N. Adaptive Virtual Flux Droop Control Based on Virtual Impedance in Islanded AC Microgrids. IEEE J. Emerg. Sel. Top. Power Electron. 2022, 10, 1095–1107. [Google Scholar] [CrossRef]
- Chen, X.; Li, Y.; Ma, H.; Tang, H.; Xie, Y. A Novel Variable Exponential Discrete Time Sliding Mode Reaching Law. IEEE Trans. Circuits Syst. II-Express Briefs 2021, 68, 2518–2522. [Google Scholar] [CrossRef]
- Alcala, J.; Castilla, M.; de Vicuña, L.G.; Miret, J.; Vasquez, J.C. Virtual Impedance Loop for Droop-Controlled Single-Phase Parallel Inverters Using a Second-Order General-Integrator Scheme. IEEE Trans. Power Electron. 2010, 25, 2993–3002. [Google Scholar] [CrossRef]
- Deng, W.; Dai, N.; Lao, K.W.; Guerrero, J.M. A Virtual-Impedance Droop Control for Accurate Active Power Control and Reactive Power Sharing Using Capacitive-Coupling Inverters. IEEE Trans. Ind. Appl. 2020, 56, 6722–6733. [Google Scholar] [CrossRef]
- Ashtiani, N.; Sheykhi, A.; Khajehoddin, S. Modified Droop Strategy for Wide Load Range Efficiency Improvement of Parallel Inverter Systems. IEEE Trans. Power Electron. 2022, 37, 8433–8446. [Google Scholar] [CrossRef]
- Leitner, S.; Yazdanian, M.; Sani, A.M.; Muetze, A. Small-Signal Stability Analysis of an Inverter-Based Microgrid with Internal Model-Based Controllers. IEEE Trans. Smart Grid 2018, 9, 5393–5402. [Google Scholar] [CrossRef]
- Sakthisudhursun, B.; Pandit, J.; Aware, M. Simplified Three-Level Five-Phase SVPWM. IEEE Trans. Power Electron. 2016, 31, 2429–2436. [Google Scholar] [CrossRef]
- IEEE Std 48-2020; IEEE Draft Standard for Test Procedures and Requirements for Alternating Current Cable Terminations Used on Shielded Cables Having Laminated Insulation Rated 2.5 kV through 765 kV or Extruded Insulation Rated 2.5 kV through 500 kV (Revision of IEEE 48-1996). IEEE: Piscataway, NJ, USA, 2008.
- Zhang, N.; Ni, J.; Chen, J.; Li, Z. Steady-State Mean-Square Error Performance Analysis of the Tensor LMS Algorithm. IEEE Trans. Circuits Syst. II-Express Briefs 2021, 68, 1043–1047. [Google Scholar] [CrossRef]
- Jalilian, A.; Muttaqi, K.M.; Sutanto, D.; Robinson, D.A. Distance Protection of Transmission Lines in Presence of Inverter-Based Resources: A New Earth Fault Detection Scheme During Asymmetrical Power Swings. IEEE Trans. Ind. Appl. 2022, 58, 1899–1909. [Google Scholar] [CrossRef]





















| Circuit Parameter | Value | Circuit Parameter | Value |
|---|---|---|---|
| Input DC voltage Udc | 700 V | Rated active power of load PLN | 6000 W |
| Filtering capacitance C0m | 1000 μF | Rated reactive power of load QLN | 600 var |
| Bus parasitic inductance Lsm | 1.54 μH | Initial value of virtual reactance Xvm(0) | 0.314 Ω |
| Filter capacitor Cfkm | 100 μF | Maximum of Virtual impedance XvmMAX | 0.565 Ω |
| Filtering inductance Lfk1m | 8 mH | Maximum of regulation factor km | 0.52 |
| Filtering inductance Lfk2m | 6 mH | Minimum of km | 0.48 |
| Line resistance Rl | 0.202 Ω | P-f loop droop coefficient Mm | 1 × 10−5 |
| Line inductance Ll | 1.471 mH | Q-U loop droop coefficient Nm | 1 × 10−5 |
| Rated voltage of bus UN | 311 V | Rated switching frequency of the inverter | 10 kHz |
| Rated frequency fN | 50 Hz | Rated carrier frequency | 10 kHz |
| Parameter | Value | Parameter | Value | Parameter | Value | Parameter | Value |
|---|---|---|---|---|---|---|---|
| cU1 | 50 | cE2 | 1 × 10−4 | εf | 1230 | kc | 1 × 10−6 |
| cU2 | 0.1 | εE | 0.98 | kf | 1 × 10−8 | cz1 | 1 × 10−2 |
| εU | 0.48 | kE | 9.02 | cc1 | 5 | cz2 | 10 |
| kU | 1 × 10−8 | cf1 | 3000 | cc2 | 0.1 | εz | 1 × 10−6 |
| cE1 | 1 × 10−4 | cf2 | 500 | εc | 1 × 10−8 | kz | 1 × 10−3 |
| Parameter | Value | Parameter | Value | Parameter | Value | Parameter | Value |
|---|---|---|---|---|---|---|---|
| kP_ud | 2 | kP_uq | 0.1 | kP_id | 10 | kP_iq | 9.9 |
| kI_ud | 1 | kI_uq | 0.01 | kI_id | 0.01 | kI_iq | 0.01 |
| Variable | Convergence Time | Maximum Overshoot | Average Response Time | Mean Steady-State Error |
|---|---|---|---|---|
| P1VI | 0.036 s | 8.374% | 0.034 s | 129.214 W |
| P1CS | 0.012 s | 6.561% | 0.014 s | 19.671 W |
| Q1VI | 0.054 s | 77.993% | 0.019 s | 40.475 var |
| Q1CS | 0.015 s | 39.373% | 0.013 s | 25.362 var |
| icVI | - | 15.408% | - | 0.984 A |
| icCS | - | 13.784% | - | 0.191 A |
| iz1VI | - | 10.956% | - | 0.782 A |
| iz1CS | - | 9.121% | - | 0.093 A |
| f1VI | 0.042 s | 0.015% | 0.022 s | 0.033 Hz |
| f1CS | 0.011 s | 0.009% | 0.010 s | 0.030 Hz |
| U1VI | 0.047 s | 3.864 × 10−4% | 0.021 s | 3.516 mV |
| U1CS | 0.016 s | 3.811 × 10−4% | 0.014 s | 3.337 mV |
| Variable | Convergence Time | Maximum Error | Mean Steady-State Error |
|---|---|---|---|
| P1VI | 0.045 s | 225.324 W | 149.644 W |
| P1CS | 0.015 s | 49.544 W | 22.323 W |
| Q1VI | 0.051 s | 132.785 var | 52.631 var |
| Q1CS | 0.016 s | 64.153 var | 30.667 var |
| icVI | - | 3.715 A | 1.083 A |
| icCS | - | 1.101 A | 0.491 A |
| iz1VI | - | 2.339 A | 1.715 A |
| iz1CS | - | 0.447 A | 0.149 A |
| Variable | Convergence Time | Amplitude Error | Mean Steady-State Error |
|---|---|---|---|
| P1VI | 0.099 s | 59.482 W | 138.031 W |
| P1CS | 0.071 s | 42.002 W | 21.947 W |
| Q1VI | 0.102 s | 153.170 var | 58.439 var |
| Q1CS | 0.079 s | 53.385 var | 28.226 var |
| iz1VI | - | 1.937 A | 0.941 A |
| iz1CS | - | 0.397 A | 0.123 A |
| icVI | - | 3.312 A | 1.227 A |
| icCS | - | 0.458 A | 0.216 A |
| P2VI | 0.097 s | 60.485 W | 137.883 W |
| P2CS | 0.069 s | 43.320 W | 22.253 W |
| Q2VI | 0.104 s | 153.171 var | 57.864 var |
| Q2CS | 0.081 s | 54.704 var | 27.731 var |
| iz2VI | - | 1.934 A | 0.962 A |
| iz2CS | - | 0.398 A | 0.127 A |
Disclaimer/Publisher’s Note: The statements, opinions and data contained in all publications are solely those of the individual author(s) and contributor(s) and not of MDPI and/or the editor(s). MDPI and/or the editor(s) disclaim responsibility for any injury to people or property resulting from any ideas, methods, instructions or products referred to in the content. |
© 2024 by the authors. Licensee MDPI, Basel, Switzerland. This article is an open access article distributed under the terms and conditions of the Creative Commons Attribution (CC BY) license (https://creativecommons.org/licenses/by/4.0/).
Share and Cite
Zhang, W.; Wang, Y.; Han, F.; Yang, R. Composite Sliding Mode Control of Phase Circulating Current for the Parallel Three-Phase Inverter Systems. Energies 2024, 17, 1389. https://doi.org/10.3390/en17061389
Zhang W, Wang Y, Han F, Yang R. Composite Sliding Mode Control of Phase Circulating Current for the Parallel Three-Phase Inverter Systems. Energies. 2024; 17(6):1389. https://doi.org/10.3390/en17061389
Chicago/Turabian StyleZhang, Weiqi, Yanmin Wang, Fengling Han, and Rebeca Yang. 2024. "Composite Sliding Mode Control of Phase Circulating Current for the Parallel Three-Phase Inverter Systems" Energies 17, no. 6: 1389. https://doi.org/10.3390/en17061389
APA StyleZhang, W., Wang, Y., Han, F., & Yang, R. (2024). Composite Sliding Mode Control of Phase Circulating Current for the Parallel Three-Phase Inverter Systems. Energies, 17(6), 1389. https://doi.org/10.3390/en17061389

