Modeling and Simulation Analysis of Photovoltaic Photothermal Modules in Solar Heat Pump Systems
Abstract
1. Introduction
2. Establishment of Mathematical Model for PV/T Modules
2.1. Mathematical Modeling of PV/T Module
- The temperature of each layer of the PV/T photovoltaic thermal module is uniform, and there is no temperature gradient within the same horizontal layer;
- The heat transfer process only occurs in the direction perpendicular to the PV/T module;
- The contact between different layers inside the module is good, without thermal conductivity or contact resistance;
- The absorption and transmittance of the EVA adhesive to solar radiation is negligible;
- The thermal properties of each layer of material are stable and do not change with temperature;
- The insulation material has good insulation performance, without heat dissipation from the frame and back panel.
2.2. Optoelectronic Effect Model
3. Dynamic Simulation Model of PV/T Modules and Heat Pump System
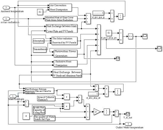
3.1. Models of PV/T Modules and Heat Pump System
3.2. Model Verification
4. Analysis of Simulation Results
4.1. Simulation Analysis under Summer Heating Conditions
4.2. Simulation Analysis under Winter Heating Conditions
5. Conclusions
Author Contributions
Funding
Data Availability Statement
Conflicts of Interest
References
- Dubey, S.; Sarvaiya, J.N.; Seshadri, B. Temperature dependent photovoltaic (PV) efficiency and its effect on PV production in the world—A review. Energy Procedia 2013, 33, 311–321. [Google Scholar] [CrossRef]
- Wolf, M. Performance analyses of combined heating and photovoltaic power systems for residences. Energy Convers. 1976, 16, 79–90. [Google Scholar] [CrossRef]
- Kern, J.E.C.; Russell, M.C. Combined Photovoltaic and Thermal Hybrid Collector Systems. In Proceedings of the IEEE Photovoltaic Specialists, Washington, DC, USA, 5 June 1978. [Google Scholar]
- Ito, S.; Miura, N.; Takano, Y. Studies of heat pumps using direct expansion type solar collectors. J. Sol. Energy Eng. 2005, 127, 60–64. [Google Scholar] [CrossRef]
- Pei, G.; Jie, J.; Wei, H.; Liu, K. Performance of photovoltaic solar assisted heat pump system in typical climate zone. J. Energy Environ. 2007, 6, 1–9. [Google Scholar]
- Ji, J.; Pei, G.; Chow, T.T.; Liu, K.; He, H.; Lu, J.; Han, C. Experimental study of photovoltaic solar assisted heat pump system. Sol. Energy 2008, 82, 43–52. [Google Scholar] [CrossRef]
- Zhang, X.; Zhao, X.; Smith, S.; Xu, J.; Yu, X. Review of R&D progress and practical application of the solar photovoltaic/thermal (PV/T) technologies. Renew. Sustain. Energy Rev. 2012, 16, 599–617. [Google Scholar]
- Solanki, S.C.; Dubey, S.; Tiwari, A. Indoor simulation and testing of photovoltaic thermal (PV/T) air collectors. Appl. Energy 2009, 86, 2421–2428. [Google Scholar] [CrossRef]
- Shyam, A.; Tiwari, G.N.; Al-Helal, I.M. Analytical expression of temperature dependent electrical efficiency of N-PVT water collectors connected in series. Sol. Energy 2015, 114, 61–76. [Google Scholar] [CrossRef]
- Jouhara, H.; Milko, J.; Danielewicz, J.; Sayegh, M.A.; Szulgowska-Zgrzywa, M.; Ramos, J.B.; Lester, S.P. The performance of a novel flat heat pipe based thermal and PV/T (photovoltaic and thermal systems) solar collector that can be used as an energy-active building envelope material. Energy 2016, 108, 148–154. [Google Scholar] [CrossRef]
- Li, H.; Sun, Y.; Fu, X.S. A novel solar photovoltaic loop heat pipe/heat pump water heating system. Acta Energ. Sol. Sin. 2020, 41, 59–66. [Google Scholar]
- Chen, H.B.; Zhang, X.K.; Wang, C.C.; Li, S.Q.; Yao, H.N.; Gong, Y.T. An experimental research on energy-saving efficiency of a solar PV/T heat pump system based on micro heat pipe array. Renew. Energy Resour. 2021, 39, 611–617. [Google Scholar]
- Chu, L.C.; Zhao, S.G.; Gao, Y.Z.; Liu, C.; Zhang, X.S. Experimental study on performance of photovoltaic direct-driven PV/T dual-source heat pump hot water system. Acta Energ. Sol. Sin. 2023, 44, 188–194. [Google Scholar]
- Fu, L.; Ding, G.L.; Zhang, C.L. Dynamic Simulation of Air-to-Water Dual-Mode Heat Pumps. J. Eng. Thermophys. 2003, 24, 725–728. [Google Scholar]
- Mastrullo, R.; Renno, C.A. Thermoeconomic model of a photovoltaic heat pump. Appl. Therm. Eng. 2010, 30, 1959–1966. [Google Scholar] [CrossRef]
- Khelifa, A.; Touafek, K.; Moussa, H.B.; Tabet, I. Modeling and detailed study of hybrid photovoltaic thermal (PV/T) solar collector. Sol. Energy 2016, 135, 169–176. [Google Scholar] [CrossRef]
- Zhang, H.; Liu, H.; Chen, H.; Guo, X.; Liang, K.; Yao, P. Research on the Performance of Flat-Box Photovoltaic/ Thermal Collector with Cooling Channels. J. Sol. Energy Eng. 2017, 140, 021002. [Google Scholar]
- Zhou, J.; Ke, H.; Deng, X. Experimental and CFD investigation on temperature distribution of a serpentine tube type photovoltaic/thermal collector. Sol. Energy 2018, 174, 735–742. [Google Scholar] [CrossRef]
- Dannemand, M.; Sifnaios, I.; Tian, Z.; Furbo, S. Simulation and optimization of a hybrid unglazed solar photovoltaic-thermal collector and heat pump system with two storage tanks. Energy Convers. Manag. 2020, 206, 112429. [Google Scholar] [CrossRef]
- Kavian, S.; Aghanajafi, C.; Mosleh, H.J.; Nazari, A.; Nazari, A. Exergy, economic and environmental evaluation of an optimized hybrid photovoltaic-geothermal heat pump system. Appl. Energy 2020, 276, 115469. [Google Scholar] [CrossRef]
- Yerdesh, Y.; Abdulina, Z.; Aliuly, A.; Belyayev, Y.; Mohanraj, M.; Kaltayev, A. Numerical simulation on solar collector and cascade heat pump combi water heating systems in Kazakhstan climates. Renew. Energy 2020, 145, 1222–1234. [Google Scholar] [CrossRef]
- El-Hamid, M.A.; Wei, G.; Sherin, M.; Cui, L.; Du, X. Comparative study of different photovoltaic/thermal hybrid configurations from energetic and exergetic points of view: A numerical analysis. J. Sol. Energy Eng. 2021, 143, 061006. [Google Scholar] [CrossRef]
- Heinz, A.; Rieberer, R. Energetic and economic analysis of a PV-assisted air-to-water heat pump system for renovated residential buildings with high-temperature heat emission system. Appl. Energy 2021, 293, 116953. [Google Scholar] [CrossRef]
- Ma, X.F. Study on Dynamic Simulation and Optimization of PV/T-Heat Pump System. Master’s Thesis, Qingdao University of Technological, Qingdao, China, 2018. [Google Scholar]
- Guo, G.Z.; Gou, Y.J. Simulation and Experimental Research on Integrated System of Photovoltaic and Photothermal Based on High-Efficiency Collector. Master’s Thesis, North China University of Science and Technology, Tangshan, China, 2021. [Google Scholar]
- Wang, X.; Hao, X.J. Dynamic simulation of heating effect of different heat sources based on Simulink. Gas Heat 2023, 43, 35–42. [Google Scholar]
- Ji, M.D.; Gou, Y.J.; Zhong, X.H. Performance simulation and analysis of photovoltaic photothermal integrated system in Baiyin area. Integr. Intell. Energy 2023, 45, 43–52. [Google Scholar]
- Tao, W.X. Heat Transfer; Higher Education Press: Beijing, China, 2019. [Google Scholar]
- Zhou, C. Investigation on the Heating, Power and Cooling Tri-Generation Performance for the Household Roll-Bond Photovoltaic Thermal Heat Pump System. Ph.D. Thesis, Dalian University of Technology, Dalian, China, 2020. [Google Scholar]
- Da, X. Energy Weather Platform; North Daxian Wind Power Technology: Beijing, China, 2023; Available online: http://windgrid.dxwind.com/ (accessed on 27 March 2020).










| Symbols | Meaning | Unit |
|---|---|---|
| The solar radiation energy absorbed by the PV/T photovoltaic thermal module per unit area | W·m−2 | |
| The power generation of photovoltaic cells per unit area | W·m−2 | |
| The heat absorbed by the cooling working fluid per unit heat exchange area in the collector | W·m−2; | |
| The average density of a collector [10] | kg·m−3 | |
| The specific heat capacity of the collector | J·kg−1·K−1 | |
| The thickness of the PV/T module | m | |
| The convective heat transfer of air per unit area of glass cover plate | W·m−2 | |
| The radiant heat transfer per unit area of glass cover plate to the sky | W·m−2 | |
| The heat transfer coefficient between glass and air | W·m−2·K−1 | |
| The glass cover plate temperature | K | |
| The ambient temperature | K | |
| The emissivity of the glass cover plate | - | |
| The Stefan Boltzmann constant, 5.67 × 10−8 | W·m−2·K−4 | |
| The sky background temperature | K | |
| The absorption rate of solar radiation by the glass cover plate | - | |
| The solar radiation intensity projected onto the surface of the PV/T photovoltaic thermal module | W·m−2; | |
| The heat transfer coefficient between the upper EVA adhesive and the glass cover plate | W·m−2·K−1 | |
| The temperature of the upper EVA adhesive | K | |
| The heat transfer coefficient between the photovoltaic panel and the upper EVA adhesive | W·m−2·K−1 | |
| The temperature of the photovoltaic panel | K | |
| The transmittance of the glass cover plate to solar radiation | - | |
| The heat transfer coefficient between the photovoltaic panel and the lower EVA adhesive | W·m−2·K−1 | |
| The temperature of the lower EVA adhesive | K | |
| The heat transfer coefficient between the lower EVA adhesive and the collector aluminum plate | W·m−2·K−1 | |
| The temperature of the collector aluminum plate | K | |
| The heat transfer coefficient between the collector aluminum plate and the cooling medium | W·m−2·K−1 | |
| The temperature of the cooling working fluid inside the PV/T photovoltaic thermal module | K | |
| The mass of the cooling working fluid inside the collector | kg | |
| The temperature of the cooling medium entering and exiting the collector | K | |
| The area of the collector aluminum plate | m2 | |
| The average heat transfer temperature difference between the collector aluminum plate and the cooling working fluid of the collector | K | |
| The mass flow rate of the cooling working fluid inside the PV/T photovoltaic thermal module | kg·s−1 | |
| The actual photovoltaic conversion efficiency of photovoltaic cells | - | |
| The photoelectric conversion efficiency of photovoltaic cells under a standard laboratory environment | - | |
| The temperature coefficient for monocrystalline silicon and polycrystalline silicon photovoltaic cells, with its value generally taken as 0.0045 | K−1 | |
| The testing temperature under standard conditions for photovoltaic cells, generally 25 °C, which is 298.15 K | K | |
| The rate of solar radiation absorption by the glass cover plate of the PV/T module | - |
| Basic Parameters | Value |
|---|---|
| Absorptivity | 0.9 |
| Transmittance | 0.9 |
| The initial temperature of the cooling fluid (°C) | 6.85 |
| Wind velocity (m/s) | 2.68 |
| Specific heat capacity of cooling medium | 3000 |
| The quality of the water in the pipe (kg) | 1000 |
| Hot plate area (m2) | 432 |
Disclaimer/Publisher’s Note: The statements, opinions and data contained in all publications are solely those of the individual author(s) and contributor(s) and not of MDPI and/or the editor(s). MDPI and/or the editor(s) disclaim responsibility for any injury to people or property resulting from any ideas, methods, instructions or products referred to in the content. |
© 2024 by the authors. Licensee MDPI, Basel, Switzerland. This article is an open access article distributed under the terms and conditions of the Creative Commons Attribution (CC BY) license (https://creativecommons.org/licenses/by/4.0/).
Share and Cite
Sun, T.; Li, Z.; Gou, Y.; Guo, G.; An, Y.; Fu, Y.; Li, Q.; Zhong, X. Modeling and Simulation Analysis of Photovoltaic Photothermal Modules in Solar Heat Pump Systems. Energies 2024, 17, 1042. https://doi.org/10.3390/en17051042
Sun T, Li Z, Gou Y, Guo G, An Y, Fu Y, Li Q, Zhong X. Modeling and Simulation Analysis of Photovoltaic Photothermal Modules in Solar Heat Pump Systems. Energies. 2024; 17(5):1042. https://doi.org/10.3390/en17051042
Chicago/Turabian StyleSun, Tianbao, Zhun Li, Yujun Gou, Guangzheng Guo, Yue An, Yongqi Fu, Qingan Li, and Xiaohui Zhong. 2024. "Modeling and Simulation Analysis of Photovoltaic Photothermal Modules in Solar Heat Pump Systems" Energies 17, no. 5: 1042. https://doi.org/10.3390/en17051042
APA StyleSun, T., Li, Z., Gou, Y., Guo, G., An, Y., Fu, Y., Li, Q., & Zhong, X. (2024). Modeling and Simulation Analysis of Photovoltaic Photothermal Modules in Solar Heat Pump Systems. Energies, 17(5), 1042. https://doi.org/10.3390/en17051042

