A Comprehensive Review on Space Vector Based-PWM Techniques for Common Mode Voltage Mitigation in Photovoltaic Multi-Level Inverters
Abstract
1. Introduction
- To discuss the SVPWM techniques for CMV reduction in 3-phase-3L-NPC inverter.
- To examine the advantages and drawbacks of each approach.
- To provide recommendations for future research and development.
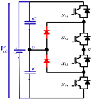
2. Three-Phase Three-Level NPC Inverter Topology and Its Operating Principle
- In State P, both upper switches are in the ON state, as illustrated in Figure 5a. Consequently, the pole voltage Vxo (x = a, b, c) is equal to .
- In State N, both lower switches are in the ON state, as shown in Figure 5b. As a result, the pole voltage Vxo (x = a, b, c) is equal to .
- In State O, the two middle switches are in the ON state, as illustrated in Figure 5c. Therefore, the pole voltage Vxo (x = a, b, c) is equal to 0.
3. CMV Issue in 3L-NPC Inverter and Conventional 2L and 3L SVPWM
3.1. CMV Issue in 3L-NPC Inverter
3.2. Conventional 2L and 3L SVPWM
3.2.1. Conventional 2L SVPWM
- The power semiconductors should not undergo more than two transitions between their ON and OFF states during one switching period.
- The neutral point voltage must be maintained near to zero.
3.2.2. Conventional 3L SVPWM
- NTV SVPWM
- b.
- SVPWM based hexagon method
4. CMVR Methods Based SVPWM
4.1. Modified Conventional 3L-SVPWM
4.2. 3L-SVPWM CMVR Methods Based on Vectors Type
4.2.1. VCMV Methods
Large, Medium and Zero (LMZ) Method
4.2.2. ZCMV Methods
- Two Medium One Zero (2M1Z) Method
- Three medium (3M) method
- Three Medium (3M120) Method
4.2.3. PCMV and NCMV Methods
4.3. 3L-SVPWM CMVR Methods Based on Virtual Vectors
4.3.1. VSVPWM 1
4.3.2. VSVPWM 2
4.3.3. VSVPWM 3
4.4. 3L-SVPWM CMVR Methods Based on 2L-SVPWM
5. Challenges in MLI-RCMV-SVPWM Approaches
6. Future Trends
7. Conclusions
Author Contributions
Funding
Institutional Review Board Statement
Data Availability Statement
Conflicts of Interest
Nomenclature
| PV | Photovoltaic | SVD | Space Vector Diagram |
| MLIs | Multi-Level Inverters | VSVPWM | Virtual Space Vector PWM |
| CMV | Common Mode Voltage | NPV | Neutral Point Voltage |
| CMVR | CMV Reduction | ANPV | Active Neutral Point Voltage |
| NPC | Neutral Point Clamped | AZS-PWM | Active-Zero-State PWM |
| FC | Flying Capacitor | VCMV | Variable CMV |
| CHB | Cascaded H-Bridge | ZCMV | Zero CMV |
| SVPWM | Space Vector Pulse Width Modulation | PCMV | Positive CMV |
| EMI | Electromagnetic Interference | NCMV | Negative CMV |
| NTV | Nearest Three Vectors | THD | Total Harmonic Distortion |
References
- Verbytskyi, I.; Lukianov, M.; Nassereddine, K.; Pakhaliuk, B.; Husev, O.; Strzelecki, R.M. Power Converter Solutions for Industrial PV Applications—A Review. Energies 2022, 15, 3295. [Google Scholar] [CrossRef]
- ElNozahy, M.S.; Salama, M.M.A. Technical impacts of grid-connected photovoltaic systems on electrical networks—A review. J. Renew. Sustain. Energy 2013, 5, 032702. [Google Scholar] [CrossRef]
- Dabour, S.M.; El-hendawy, N.; Aboushady, A.A.; Farrag, M.E.; Rashad, E.M. A Comprehensive Review on Common-Mode Voltage of Three-Phase Quasi-Z Source Inverters for Photovoltaic Applications. Energies 2023, 16, 269. [Google Scholar] [CrossRef]
- Duong, T.-D.; Nguyen, M.-K.; Tran, T.-T.; Vo, D.-V.; Lim, Y.-C.; Choi, J.-H. Topology Review of Three-Phase Two-Level Transformerless Photovoltaic Inverters for Common-Mode Voltage Reduction. Energies 2022, 15, 3106. [Google Scholar] [CrossRef]
- Vemuganti, H.P.; Sreenivasarao, D.; Ganjikunta, S.K.; Suryawanshi, H.M.; Abu-Rub, H. A Survey on Reduced Switch Count Multilevel Inverters. IEEE Open J. Ind. Electron. Soc. 2021, 2, 80–111. [Google Scholar] [CrossRef]
- Jayakumar, V.; Chokkalingam, B.; Munda, J.L. A Comprehensive Review on Space Vector Modulation Techniques for Neutral Point Clamped Multi-Level Inverters. IEEE Access 2021, 9, 112104–112144. [Google Scholar] [CrossRef]
- Stonier, A.A.; Lehman, B. An Intelligent-Based Fault-Tolerant System for Solar-Fed Cascaded Multilevel Inverters. IEEE Trans. Energy Convers. 2018, 33, 1047–1057. [Google Scholar] [CrossRef]
- Harbi, I.; Rodriguez, J.; Poorfakhraei, A.; Vahedi, H.; Guse, M.; Trabelsi, M.; Abdelrahem, M.; Ahmed, M.; Fahad, M.; Lin, C.-H.; et al. Common DC-Link Multilevel Converters: Topologies, Control and Industrial Applications. IEEE Open J. Power Electron. 2023, 4, 512–538. [Google Scholar] [CrossRef]
- Gu, W.; Liao, H.; Lin, J.; Li, Z.; Jin, T. Control Strategy of Three-Level NPC Inverter Based on Variable Coefficient Virtual Vector Model Predictive Control. IEEE Open J. Circuits Syst. 2022, 3, 288–297. [Google Scholar] [CrossRef]
- Majumdar, S.; Jana, K.C.; Pal, P.K.; Sangwongwanich, A.; Blaabjerg, F. Design and Implementation of a Single-Source 17-Level Inverter for a Single-Phase Transformer-Less Grid-Connected Photovoltaic Systems. IEEE J. Emerg. Sel. Top. Power Electron. 2022, 10, 4469–4485. [Google Scholar] [CrossRef]
- Robles, E.; Fernandez, M.; Zaragoza, J.; Aretxabaleta, I.; De Alegria, I.M.; Andreu, J. Common-Mode Voltage Elimination in Multilevel Power Inverter-Based Motor Drive Applications. IEEE Access 2022, 10, 2117–2139. [Google Scholar] [CrossRef]
- Harbi, I.; Rodriguez, J.; Liegmann, E.; Makhamreh, H.; Heldwein, M.L.; Novak, M.; Rossi, M.; Abdelrahem, M.; Trabelsi, M.; Ahmed, M.; et al. Model-Predictive Control of Multilevel Inverters: Challenges, Recent Advances, and Trends. IEEE Trans. Power Electron. 2023, 38, 10845–10868. [Google Scholar] [CrossRef]
- Vijeh, M.; Rezanejad, M.; Samadaei, E.; Bertilsson, K. A General Review of Multilevel Inverters Based on Main Submodules: Structural Point of View. IEEE Trans. Power Electron. 2019, 34, 9479–9502. [Google Scholar] [CrossRef]
- Ben Mahmoud, Z.; Hamouda, M.; Khedher, A. Direct power control with common mode voltage reduction of grid-connected three-level NPC inverter. IET Power Electron. 2019, 12, 400–409. [Google Scholar] [CrossRef]
- Ardashir, J.F.; Ghassemi, M.; Rozmeh, B.; Blaabjerg, F.; Peyghami, S. A Five-Level Transformer-Less Grid-Tied Inverter Structure with Capacitive Voltage Divider Concept with Leakage Current Elimination. IEEE Trans. Ind. Appl. 2023, 59, 6025–6036. [Google Scholar] [CrossRef]
- Samadaei, E.; Gholamian, S.A.; Sheikholeslami, A.; Adabi, J. An envelope type (E-Type) module: Asymmetric multilevel inverters with reduced components. IEEE Trans. Ind. Electron. 2016, 63, 7148–7156. [Google Scholar] [CrossRef]
- Trabelsi, M.; Vahedi, H.; Abu-Rub, H. Review on Single-DC-Source Multilevel Inverters: Topologies, Challenges, Industrial Applications, and Recommendations. IEEE Open J. Ind. Electron. Soc. 2021, 2, 112–127. [Google Scholar] [CrossRef]
- Khan, A.A.; Khan, U.A.; Ahmed, H.F.; Cha, H.; Ahmed, S. Improved NPC Inverters Without Short-Circuit and Dead-Time Issues. IEEE Trans. Power Electron. 2022, 37, 2180–2190. [Google Scholar] [CrossRef]
- Sahoo, M.; Keerthipati, S. A Three-Level LC-Switching-Based Voltage Boost NPC Inverter. IEEE Trans. Ind. Electron. 2017, 64, 2876–2883. [Google Scholar] [CrossRef]
- Baker, R.H. Switching Circuit. U.S. Patent 4210826, 1 July 1980. [Google Scholar]
- Nabae, A.; Takahashi, I.; Akagi, H. A new neutral-point-clamped PWM inverter. IEEE Trans. Ind. Appl. 1981, IA-17, 518–523. [Google Scholar] [CrossRef]
- Vosoughi, N.; Hosseini, S.H.; Sabahi, M. A New Transformer-Less Five-Level Grid-Tied Inverter for Photovoltaic Applications. IEEE Trans. Energy Convers. 2020, 35, 106–118. [Google Scholar] [CrossRef]
- Zhu, X.; Wang, H.; Zhang, W.; Wang, H.; Deng, X.; Yue, X. A novel single-phase five-level transformer-less photovoltaic (PV) inverter. CES Trans. Electr. Mach. Syst. 2020, 4, 329–338. [Google Scholar] [CrossRef]
- Zhu, X.; Wang, H.; Zhang, W.; Wang, H.; Deng, X.; Yue, X. A Single-Phase Five-Level Transformer-Less PV Inverter for Leakage Current Reduction. IEEE Trans. Ind. Electron. 2022, 69, 3546–3555. [Google Scholar] [CrossRef]
- Faraji, F.; Birjandi, A.A.M.; Mousavi, S.M.; Zhang, G.J.; Wang, B.; Guo, X. An Improved Multilevel Inverter for Single-Phase Transformerless PV System. IEEE Trans. Energy Convers. 2021, 36, 281–290. [Google Scholar] [CrossRef]
- Kumari, S.; Sandeep, N.; Verma, A.; Yaragatti, U.R.; Pota, H. Design and Implementation of Transformer-less Common-Ground Inverter with Reduced Components. IEEE Trans. Ind. Appl. 2022. [Google Scholar] [CrossRef]
- Jahan, S.; Kibria, M.F.; Biswas, S.P.; Islam, M.R.; Rahman, M.A.; Muttaqi, K.M. H9 and H10 Transformer-Less Solar Photovoltaic Inverters for Leakage Current Suppression and Harmonic Current Reduction. IEEE Trans. Ind. Appl. 2023, 59, 2446–2457. [Google Scholar] [CrossRef]
- Zhou, L.; Gao, F.; Xu, T. Implementation of Active NPC Circuits in Transformer-Less Single-Phase Inverter with Low Leakage Current. IEEE Trans. Ind. Appl. 2017, 53, 5658–5667. [Google Scholar] [CrossRef]
- Rojas, C.A.; Aguirre, M.; Kouro, S.; Geyer, T.; Gutierrez, E. Leakage Current Mitigation in Photovoltaic String Inverter Using Predictive Control with Fixed Average Switching Frequency. IEEE Trans. Ind. Electron. 2017, 64, 9344–9354. [Google Scholar] [CrossRef]
- Karugaba, S.; Muetze, A.; Ojo, O. On the Common-Mode Voltage in Multilevel Multiphase Single- and Double-Ended Diode-Clamped Voltage-Source Inverter Systems. IEEE Trans. Ind. Appl. 2012, 48, 2079–2091. [Google Scholar] [CrossRef]
- Xie, Z.; Peng, L.; Zhao, S.; Yang, S.; Zhang, X. An Improved Reference Voltage Decomposition Method Based on Three-Level NPC Converters with Neutral-Point Voltage Balancing and Common-Mode Voltage Reduction. IEEE J. Emerg. Sel. Top. Power Electron. 2023, 11, 4618–4629. [Google Scholar] [CrossRef]
- Chen, X.; Xu, D.; Liu, F.; Zhang, J. A novel inverter-output passive filter for reducing both differential- and common-mode dv/dt at the motor terminals in PWM drive systems. IEEE Trans. Ind. Electron. 2007, 54, 419–426. [Google Scholar] [CrossRef]
- Hota, A.; Agarwal, V. Novel three-phase H10 inverter topology with zero or constant common-mode voltage for three-phase induction motor drive applications. IEEE Trans. Ind. Electron. 2022, 69, 7522–7525. [Google Scholar] [CrossRef]
- Mittal, N.; Singh, B.; Singh, S.P.; Dixit, R.; Kumar, D. Multilevel inverters: A literature survey on topologies and control strategies. In Proceedings of the 2012 2nd International Conference on Power, Control and Embedded Systems, Allahabad, India, 17–19 December 2012; pp. 1–11. [Google Scholar]
- Waware, M.; Agarwal, P. A review of multilevel inverter based active power filter. Int. J. Comput. Electr. Eng. 2011, 3, 196. [Google Scholar] [CrossRef]
- Mahmoud, Z.; Hamouda, M.; Khedher, A. A comparative study between the Nearest Three Vectors and two-level hexagons based space vector modulation algorithms for three-level NPC inverters. Int. J. Renew. Energy Res. 2017, 7, 1074–1084. [Google Scholar]
- Lahouar, F.Z.; Kraiem, S.; Hamouda, M.; Ben Hadj Slama, J. DSP based real-time implementation of a space vector modulation scheme for three-phase three-level NPC converter. In Proceedings of the International Renewable Energy Congress (IREC 2015), Sousse, Tunisia, 24–26 March 2015. [Google Scholar]
- Hava, A.M.; Ün, E. Performance analysis of reduced common-mode voltage PWM methods and comparison with standard PWM methods for three-phase voltage-source inverters. IEEE Trans. Power Electron. 2009, 24, 241–252. [Google Scholar] [CrossRef]
- Hava, A.M.; Ün, E. A high-performance PWM algorithm for common mode voltage reduction in three-phase voltage source inverters. IEEE Trans. Power Electron. 2011, 26, 1998–2008. [Google Scholar] [CrossRef]
- Qin, C.; Zhang, C.; Xing, X.; Li, X.; Chen, A.; Zhang, G. Simultaneous Common-Mode Voltage Reduction and Neutral-Point Voltage Balance Scheme for the Quasi-Z-Source Three-Level T-Type Inverter. IEEE Trans. Ind. Electron. 2020, 67, 1956–1967. [Google Scholar] [CrossRef]
- Choudhury, A.; Pillay, P.; Williamson, S.S. Modified DC-bus voltage balancing algorithm for a three-level neutral-point-clamped PMSM inverter drive with reduced common-mode voltage. IEEE Trans. Ind. Appl. 2016, 52, 278–292. [Google Scholar] [CrossRef]
- Ezzeddine, K.; Hamouda, M.; Al-Haddad, K. Comparative study between different SVPWM algorithms for NPC inverters in terms of common mode voltage reduction. In Proceedings of the Annual Conference of the IEEE Industrial Electronics Society (IECON), Beijing, China, 29 October–1 November 2017; pp. 6458–6463. [Google Scholar]
- Lee, J.S.; Lee, K.B. New Modulation Techniques for a Leakage Current Reduction and a Neutral-Point Voltage Balance in Transformerless Photovoltaic Systems Using a Three-Level Inverter. IEEE Trans. Power Electron. 2014, 29, 1720–1732. [Google Scholar] [CrossRef]
- Cavalcanti, M.C.; Farias, A.M.; Oliveira, K.C.; Neves, F.A.; Afonso, J.L. Eliminating leakage currents in neutral point clamped inverters for photovoltaic systems. IEEE Trans. Ind. Electron. 2012, 59, 435–443. [Google Scholar] [CrossRef]
- Hu, C.; Yu, X.; Holmes, D.G.; Shen, W.; Wang, Q.; Luo, F.; Liu, N. An Improved Virtual Space Vector Modulation Scheme for Three-Level Active Neutral-Point-Clamped Inverter. IEEE Trans. Power Electron. 2017, 32, 7419–7434. [Google Scholar] [CrossRef]
- Jiang, W.; Wang, P.; Ma, M.; Wang, J.; Li, J.; Li, L.; Chen, K. A Novel Virtual Space Vector Modulation with Reduced Common-Mode Voltage and Eliminated Neutral Point Voltage Oscillation for Neutral Point Clamped Three-Level Inverter. IEEE Trans. Ind. Electron. 2020, 67, 884–894. [Google Scholar] [CrossRef]
- Xia, S.; Wu, X.; Zheng, J.; Li, X.; Wang, K. A Virtual Space Vector PWM with Active Neutral Point Voltage Control and Common Mode Voltage Suppression for Three-Level NPC Converters. IEEE Trans. Ind. Electron. 2021, 68, 11761–11771. [Google Scholar] [CrossRef]
- Zhang, X.; Wu, X.; Geng, C.; Ping, X.; Chen, S.; Zhang, H. An Improved Simplified PWM for Three-Level Neutral Point Clamped Inverter Based on Two-Level Common-Mode Voltage Reduction PWM. IEEE Trans. Power Electron. 2020, 35, 11143–11154. [Google Scholar] [CrossRef]
- Rodriguez, J.; Bernet, S.; Steimer, P.K.; Lizama, I.E. A survey on neutral-point-clamped inverters. IEEE Trans. Ind. Electron. 2010, 57, 2219–2230. [Google Scholar] [CrossRef]
- Salem, A.; Van Khang, H.; Robbersmyr, K.G.; Norambuena, M.; Rodriguez, J. Voltage Source Multilevel Inverters with Reduced Device Count: Topological Review and Novel Comparative Factors. IEEE Trans. Power Electron. 2021, 36, 2720–2747. [Google Scholar] [CrossRef]
- Muhamed Shereef, P.; Shiny, G. A Simplified Space Vector PWM Scheme for any N-Level Inverter. In Proceedings of the IEEE Students’ Technology Symposium (TechSym), Kharagpur, India, 28 February–2 March 2014; pp. 176–181. [Google Scholar]
- Kerekes, T.; Teodorescu, R.; Liserre, M. Common mode voltage in case of transformerless PV inverters connected to the grid. In Proceedings of the IEEE International Symposium on Industrial Electronics, Cambridge, UK, 30 June–2 July 2008; pp. 2390–2395. [Google Scholar]
- Cha, W.; Kim, K.; Cho, Y.; Lee, S.; Kwon, B. Evaluation and analysis of transformerless photovoltaic inverter topology for efficiency improvement and reduction of leakage current. IET Power Electron. 2015, 8, 255–267. [Google Scholar] [CrossRef]
- Chen, H.; Zhao, H. Review on pulse-width modulation strategies for common-mode voltage reduction in three-phase voltage-source inverters. IET Power Electron. 2016, 9, 2611–2620. [Google Scholar] [CrossRef]
- Lak, M.; Tsai, Y.-T.; Chuang, B.-R.; Lee, T.-L.; Moradi, M.H. A Hybrid Method to Eliminate Leakage Current and Balance Neutral Point Voltage for Photovoltaic Three-Level T-Type Inverter. IEEE Trans. Power Electron. 2021, 36, 12070–12089. [Google Scholar] [CrossRef]
- Yu, T.; Wan, W.; Duan, S. A Modulation Method to Eliminate Leakage Current and Balance Neutral-Point Voltage for Three-Level Inverters in Photovoltaic Systems. IEEE Trans. Ind. Electron. 2023, 70, 1635–1645. [Google Scholar] [CrossRef]
- DIN VDE V 0126-1-1; Automatic Disconnection Device between a Generator and the Public Low-Voltage Grid. Deutsche Kommission Elektrotechnik Elektronik Informationstechnik in DIN und VDE: Offenbach, Germany, 2013.
- Kerekes, T.; Teodorescu, R.; Liserre, M.; Klumpner, C.; Sumner, M. Evaluation of three-phase transformerless photovoltaic inverter topologies. IEEE Trans. Power Electron. 2009, 24, 2202–2211. [Google Scholar] [CrossRef]
- Hou, C.-C.; Shih, C.-C.; Cheng, P.-T.; Hava, A.M. Common-Mode Voltage Reduction Pulsewidth Modulation Techniques for Three-Phase Grid-Connected Converters. IEEE Trans. Power Electron. 2012, 28, 1971–1979. [Google Scholar] [CrossRef]
- Kumar, A.; Chatterjee, D. A survey on space vector pulse width modulation technique for a two-level inverter. In Proceedings of the National Power Electronics Conference (NPEC), Pune, India, 18–20 December 2017; pp. 78–83. [Google Scholar]
- Vural, A.M. PSCAD modeling of a two-level space vector pulse width modulation algorithm for power electronics education. J. Electr. Syst. Inf. Technol. 2016, 3, 333–347. [Google Scholar] [CrossRef][Green Version]
- Bosnic, J.A.; Despalatovic, M.; Petrovic, G.; Majic, G. Non sinusoidal voltage generator controlled by space vector PWM. Measurement 2020, 150, 107088. [Google Scholar] [CrossRef]
- Das, S.; Narayanan, G. Novel switching sequences for a space-vector modulated three-level inverter. IEEE Trans. Ind. Electron. 2012, 59, 1477–1487. [Google Scholar] [CrossRef]
- Ben Mahmoud, Z.; Hamouda, M.; Khedher, A. Space vector modulation of multilevel inverters: A simple and fast method of two-level hexagon’s selection. Int. J. Power Electron. 2017, 8, 107–123. [Google Scholar] [CrossRef]
- Kai, L.; Zhao, J.; Wu, W.; Li, M.; Ma, L.; Zhang, G. Performance analysis of zero common-mode voltage pulse-width modulation techniques for three-level neutral point clamped inverters. IET Power Electron. 2016, 9, 2654–2664. [Google Scholar] [CrossRef]
- Choudhury, A.; Pillay, P.; Williamson, S.S. DC-Bus Voltage Balancing Algorithm for Three-Level Neutral-Point-Clamped (NPC) Traction Inverter Drive with Modified Virtual Space Vector. IEEE Trans. Ind. Appl. 2016, 52, 3958–3967. [Google Scholar] [CrossRef]
- AbolqasemiKharanaq, F.; Poorfakhraei, A.; Emadi, A.; Bilgin, B. An Improved-Carrier Based PWM Strategy with Reduced Common-Mode Voltage for a Three-Level NPC Inverter. Electronics 2023, 12, 1072. [Google Scholar] [CrossRef]
- Weidong, J.; Wang, L.; Wang, J.; Zhang, X.; Wang, P. A Carrier-Based Virtual Space Vector Modulation with Active Neutral-Point Voltage Control for a Neutral-Point-Clamped Three-Level Inverter. IEEE Trans. Ind. Electron. 2018, 65, 8687–8696. [Google Scholar] [CrossRef]
- Chen, K.-Y.; Hsieh, M.-S. Generalized Minimum Common-Mode Voltage PWM for Two-Level Multiphase VSIs Considering Reference Order. IEEE Trans. Power Electron. 2017, 32, 6493–6509. [Google Scholar] [CrossRef]
- Jayakumar, V.; Chokkalingam, B.; Munda, J.L. Performance Analysis of Multi-Carrier PWM and Space Vector Modulation Techniques for Five-Phase Three-Level Neutral Point Clamped Inverter. IEEE Access 2022, 10, 34883–34906. [Google Scholar] [CrossRef]




























| MLI Topology | Schematic Representation | Features | Limitations |
|---|---|---|---|
| Cascaded H-Bridge (CHB) | ![]() | -Modular -No floating capacitors -High reliability -Simple control | -More power devices -Isolated DC sources are required |
| Flying Capacitor (FC) | ![]() | -Cost-effective in high level structure | -High number of floating capacitors -Complicated control -High stored energy in capacitors -High voltage ripple -Bulky and weighty -More voltage sensors are needed -Low reliability |
| Neutral Point Clamped (NPC) | ![]() | -No floating capacitors -Good dynamic response -Simple design -Compact 3L structure with low cost | -Unequal losses among switches -Low reliability in high-level structure |
| Space Vector States | Type | Amplitude |
|---|---|---|
| Vo (PPP, NNN, OOO) | Zero | 0 |
| V1 (POO/ONN); V2 (PPO/OON); V3 (OPO/NON); V4 (OPP/NOO); V5 (OOP/NNO); V6 (POP/ONO) | Small | |
| V8 (PON); V10 (OPN); V12 (NPO) V14 (NOP); V16 (ONP); V18 (PNO) | Medium | |
| V7 (PNN); V9 (PPN), V11 (NPN); V13 (NPP); V15 (NNP); V17 (PNP) | Large |
| Vector’s Type | Voltage Vector | CMV Level |
|---|---|---|
| Zero | NNN | |
| OOO | ||
| PPP | ||
| Small | ONN, NON, NNO | |
| OON, NOO, ONO | ||
| POO, OPO, OOP | ||
| PPO, OPP, POP | ||
| Medium | PON, OPN, NPO, NOP, ONP, PNO | |
| Large | PNN, NPN, NNP | |
| PPN, NPP, PNP |
| Sector Number | Switching Sequence |
|---|---|
| 1 | V7-V1-V2-V0-V2-V1-V7 |
| 2 | V7-V2-V3-V0-V3-V2-V7 |
| 3 | V7-V4-V3-V0-V3-V4-V7 |
| 4 | V7-V4-V5-V0-V5-V4-V7 |
| 5 | V7-V6-V5-V0-V5-V6-V7 |
| 6 | V7-V6-V1-V0-V1-V6-V7 |
| T = 1 | |||
| T = 2 | |||
| T = 3 | |||
| T = 4 | |||
| T = 1 | |||
| T = 2 | |||
| T = 3 | |||
| T = 4 |
| Small Hexagon Number | |
|---|---|
| /6 < θ < /6 | 1 |
| /6 < θ < /2 | 2 |
| /2 < θ < /6 | 3 |
| /6 < θ < /6 | 4 |
| /6 < θ < /2 | 5 |
| /6 < θ < /6 | 6 |
| Small Hexagon Number | Region Number | Small Hexagon Number | Region Number |
|---|---|---|---|
| H1 | R3 and R4 | H4 | R6 and R1 |
| H2 | R4 and R5 | H5 | R1 and R2 |
| H3 | R5 and R6 | H6 | R2 and R3 |
| CMVR Method | Sector Number | Applied Vectors |
|---|---|---|
| NCMV | 1 | OON-ONO-PNN |
| 3 | NOO-OON-NPN | |
| 5 | ONO-NOO-NNP | |
| PCMV | 2 | PPN-OPO-POO |
| 4 | NPP-OOP-OPO | |
| 6 | PNP-POO-OOP |
| Region Number | Applied Vectors | Associated States |
|---|---|---|
| R1 | V0, V1, V2 | PPP, OOO, NNN, POO, ONN, PPO, OON |
| R2 | V1, Vv1, V7 | POO, ONN, PON, PPO, OON, PNN |
| R3 | V1, Vv1, V2 | POO ONN PON PPO OON |
| R4 | V2, Vv1, V7 | PPO OON PON POO ONN PPN |
| R5 | V7, Vv1, V9 | PNN PON POO ONN PPO OON PPN |
| Region | Region Judgment |
|---|---|
| Subsector | Switching Sequences |
|---|---|
| 1 | OON-PON-PNN-PNO-PNN-PON-OON |
| 2 | OOO-OON-PON-PNN-PON-OON-OOO |
| 3 | ONO-OOO-OON-PON-OON-OOO-ONO |
| 4 | PNO-ONO-OOO-OON-OOO-ONO-PNO |
| 5 | PNN-PNO-ONO-OOO-ONO-PNO-PNN |
| 6 | PON-PNN-PNO-ONO-PNO-PNN-PON |
| Max m | CMV Level | CMV Variation | Capability of | THDi | Complexity | |||||
|---|---|---|---|---|---|---|---|---|---|---|
| NPVC | SL-R | IL-S | ||||||||
| Conventional SVPWMs | NTV-SVPWM | 1.154 | Variable | Yes | Yes | NO | Low | High | ||
| SVPWM based small hexagon | 1.154 | Variable | Yes | Yes | NO | Low | Low | |||
| CMVR-SVPWM based on vectors type | VCMV | LMZ | 1.154 | Variable | No | No | No | Medium | Low | |
| ZCMV | 2M1Z | 0.866 | 0 | Constant | No | No | Yes | Medium | Low | |
| 3M | 0.866 | Constant | No | No | Yes | High | Medium | |||
| 3M120 | 0.577 | Constant | No | No | Yes | High | Medium | |||
| NCMV and PCMV | 1.154 | Constant | Yes | No | Yes | Medium | High | |||
| CMVR-SVPWM based on virtual vectors | VSVPWM1 | 1.154 | Variable | Yes | Yes | No | Medium | High | ||
| VSVPWM2 | 1.154 | Variable | Yes | No | No | Low | High | |||
| VSVPWM3 | 1.154 | Variable | Yes | Yes | No | High | High | |||
| CMVR-SVPWM based on small hexagon | 1.154 | Variable | Yes | Yes | No | Medium | Low | |||
| 2L-Inverter | 3L-Inverter | 5L-Inverter | ||||
|---|---|---|---|---|---|---|
| Level of CMV | 3-Phase | 5-Phase | 3-Phase | 5-Phase | 3-Phase | 5-Phase |
| 1 | ||||||
| 2 | ||||||
| 3 | - | |||||
| 4 | - | - | ||||
| 5 | - | - | - | |||
| 6 | - | - | - | |||
| 7 | - | - | - | - | ||
| 8 | - | - | - | - | - | |
| 9 | - | - | - | - | - | |
| 10 | - | - | - | - | - | |
| 11 | - | - | - | - | - | |
Disclaimer/Publisher’s Note: The statements, opinions and data contained in all publications are solely those of the individual author(s) and contributor(s) and not of MDPI and/or the editor(s). MDPI and/or the editor(s) disclaim responsibility for any injury to people or property resulting from any ideas, methods, instructions or products referred to in the content. |
© 2024 by the authors. Licensee MDPI, Basel, Switzerland. This article is an open access article distributed under the terms and conditions of the Creative Commons Attribution (CC BY) license (https://creativecommons.org/licenses/by/4.0/).
Share and Cite
Ben Mahmoud, Z.; Khedher, A. A Comprehensive Review on Space Vector Based-PWM Techniques for Common Mode Voltage Mitigation in Photovoltaic Multi-Level Inverters. Energies 2024, 17, 916. https://doi.org/10.3390/en17040916
Ben Mahmoud Z, Khedher A. A Comprehensive Review on Space Vector Based-PWM Techniques for Common Mode Voltage Mitigation in Photovoltaic Multi-Level Inverters. Energies. 2024; 17(4):916. https://doi.org/10.3390/en17040916
Chicago/Turabian StyleBen Mahmoud, Zouhaira, and Adel Khedher. 2024. "A Comprehensive Review on Space Vector Based-PWM Techniques for Common Mode Voltage Mitigation in Photovoltaic Multi-Level Inverters" Energies 17, no. 4: 916. https://doi.org/10.3390/en17040916
APA StyleBen Mahmoud, Z., & Khedher, A. (2024). A Comprehensive Review on Space Vector Based-PWM Techniques for Common Mode Voltage Mitigation in Photovoltaic Multi-Level Inverters. Energies, 17(4), 916. https://doi.org/10.3390/en17040916



