Adaptive Control of VSG Inertia Damping Based on MADDPG
Abstract
1. Introduction
2. Introduction to the Principles
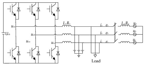
2.1. VSG Overall Topology
2.2. Control Strategies for VSG
2.3. The Impact of Rotational Inertia and Damping Coefficient on the Dynamic Characteristics of the VSG
3. Optimization of VSG Parameters Based on MADDPG
3.1. Principles of MADDPG
3.2. Adaptive Control Strategy Based on MADDPG-VSG
3.3. Pre-Training Stage
4. Case Study
5. Conclusions
- (1)
- The analysis examined the impact of J and D on active power. As the damping ratio increases, the system exhibits reduced active power overshoot, faster response speed, and longer control time.
- (2)
- Compared to traditional constant J and D control, as well as adaptive control methods and DDPG control, the MADDPG control method proposed in this study exhibits smaller frequency amplitudes and shorter settling times when tackling active power fluctuations. This effectively enhances the response curves of active power and frequency compared to traditional methods.
- (3)
- When confronted with large power grid fluctuations, the frequency deviation produced by the MADDPG control method proposed in this paper is smaller than that of traditional methods, and the return-to-steady time is also shorter.
Author Contributions
Funding
Data Availability Statement
Conflicts of Interest
References
- Liu, J.; Miura, Y.; Bevrani, H.; Ise, T. A Unified Modeling Method of Virtual Synchronous Generator for Multi-Operation-Mode Analyses. IEEE J. Emerg. Sel. Top. Power Electron. 2021, 9, 2394–2409. [Google Scholar] [CrossRef]
- Wu, Q.H.; Zhang, C.J.; Zhao, X.J.; Lin, H.W.; Zhang, X.Y.; Wang, F.X. Comparative Analysis and Improvement of Generalized Droop Control and Virtual Synchronous Generator for Rate of Change of Frequency Constraint and Transient Power Suppression. Int. J. Circuit Theory Appl. 2024. [Google Scholar] [CrossRef]
- Chen, Y.; Wang, K.; Tang, H.L.; Qi, Z.Y.; Tang, H.Y. Energy storage quasi-Z source photovoltaic grid-connected virtual impedance VSG control strategy considering secondary frequency regulation. J. Power Electron. 2024. [Google Scholar] [CrossRef]
- Zhang, Y.; Li, S.C.; Liu, Y.H.; Tang, Z.J.; Luo, B. Unconstrained optimization MPC method for qZSI-VSG grid-connected wind power system. Int. J. Electr. Power Energy Syst. 2024, 162, 110276. [Google Scholar] [CrossRef]
- Li, K.X.; Wei, Y.Q.; Zhang, J.R. Adaptive Virtual Synchronous Generator Control Strategy Based on Frequency Integral Compensation. Electronics 2024, 13, 4318. [Google Scholar] [CrossRef]
- Xing, D.F.; Tian, M.X. Analysis and Fuzzy Neural Networks-Based Inertia Coefficient Adjustment Strategy of Power Converters. Concurr. Comput. Pract. Exp. 2024, 37, e8311. [Google Scholar]
- Liu, J.; Liu, X.Y.; Liu, J.J.; Li, X.J.; Wang, J.S. Adaptive-Droop-Coefficient VSG Control for Cost-Efficient Grid Frequency Support. IEEE Trans. Power Syst. 2024, 39, 6768–6771. [Google Scholar] [CrossRef]
- Wang, M.J.; Cen, H.L.; Lu, M.; Li, J.B.; Zhao, M.; Li, J.Y. An Adaptive Control Strategy for VSG Parameters With Perturbation Segmentation. Int. J. Circuit Theory Appl. 2024, 52. [Google Scholar] [CrossRef]
- Gurski, E.; Kuiava, R.; Perez, F.; Benedito, R.; Damm, G. A Novel VSG with Adaptive Virtual Inertia and Adaptive Damping Coefficient to Improve Transient Frequency Response of Microgrids. Energies 2024, 17, 4370. [Google Scholar] [CrossRef]
- Behera, S.K.; Panda, A.K.; Naik, N. An Adaptive Control Approach for Improved Power Quality and Power Ripple Mitigation in a Self-Synchronized Grid-Tied VSG. IEEE Trans. Ind. Electron. 2024, 1–12. [Google Scholar] [CrossRef]
- Li, M.Y.; Huang, W.T.; Tai, N.L.; Yang, L.Q.; Duan, D.L.; Ma, Z.J. A Dual-Adaptivity Inertia Control Strategy for Virtual Synchronous Generator. IEEE Trans. Power Syst. 2020, 35, 594–604. [Google Scholar] [CrossRef]
- Li, L.L.; Li, H.Y.; Tseng, M.L.; Feng, H.; Chiu, A. Renewable Energy System on Frequency Stability Control Strategy Using Virtual Synchronous Generator. Symmetry 2020, 12, 1697. [Google Scholar] [CrossRef]
- Sun, X.S.; Cai, J.M.; Wang, D.S.; Lin, J.W.; Li, K. Small-disturbance stability analysis and control-parameter optimization of grid-connected virtual synchronous generator. Front. Energy Res. 2024, 12, 1428748. [Google Scholar] [CrossRef]
- Yao, F.J.; Zhao, J.B.; Li, X.J.; Mao, L.; Qu, K.Q. RBF Neural Network Based Virtual Synchronous Generator Control With Improved Frequency Stability. IEEE Trans. Ind. Inform. 2021, 17, 4014–4024. [Google Scholar] [CrossRef]
- Chen, P.; Zhao, J.F.; Liu, K.L.; Zhou, J.Y.; Dong, K.; Li, Y.F.; Guo, X.R.; Pan, X. A Review on the Applications of Reinforcement Learning Control for Power Electronic Converters. IEEE Trans. Ind. Appl. 2024, 60, 8430–8450. [Google Scholar] [CrossRef]
- Egbomwan, O.E.; Liu, S.C.; Chaoui, H. Twin Delayed Deep Deterministic Policy Gradient (TD3) Based Virtual Inertia Control for Inverter-Interfacing DGs in Microgrids. IEEE Syst. J. 2023, 17, 2122–2132. [Google Scholar] [CrossRef]
- Yang, M.; Wu, X.; Loveth, M.C. A Deep Reinforcement Learning Design for Virtual Synchronous Generators Accommodating Modular Multilevel Converters. Appl. Sci. 2023, 13, 5879. [Google Scholar] [CrossRef]
- Oboreh-Snapps, O.; She, B.; Fahad, S.; Chen, H.; Kimball, J.; Li, F.; Cui, H.; Bo, R. Virtual Synchronous Generator Control Using Twin Delayed Deep Deterministic Policy Gradient Method. IEEE Trans. Energy Convers. 2024, 39, 214–228. [Google Scholar] [CrossRef]
- Li, C. Applications of Reinforcement Learning in Three-phase Grid-connected Inverter. In Proceedings of the 2023 IEEE 13th International Conference on CYBER Technology in Automation, Control, and Intelligent Systems (CYBER), Qinhuangdao, China, 11–14 July 2023; pp. 580–585. [Google Scholar]
- Oboreh-Snapps, O.; A Strathman, S.; Saelens, J.; Fernandes, A.; W Kimball, J. Addressing Reactive Power Sharing in Parallel Inverter Islanded Microgrid Through Deep Reinforcement Learning. In Proceedings of the 2024 IEEE Applied Power Electronics Conference and Exposition (APEC), Long Beach, CA, USA, 25–29 February 2024; pp. 2946–2953. [Google Scholar]
- Benhmidouch, Z.; Moufid, S.; Ait-Omar, A.; Abbou, A.; Laabassi, H.; Kang, M.; Chatri, C.; Hammou Ou Ali, I.; Bouzekri, H.; Baek, J. A novel reinforcement learning policy optimization based adaptive VSG control technique for improved frequency stabilization in AC microgrids. Electr. Power Syst. Res. 2024, 230, 110269. [Google Scholar] [CrossRef]
- Chen, L.; Tang, J.G.; Qiao, X.F.; Chen, H.K.; Zhu, J.H.; Jiang, Y.Q.; Zhao, Z.K.; Hu, R.Z.; Deng, X.Y. Investigation on Transient Stability Enhancement of Multi-VSG System Incorporating Resistive SFCLs Based on Deep Reinforcement Learning. IEEE Trans. Ind. Appl. 2024, 60, 1780–1793. [Google Scholar] [CrossRef]
- Xiong, K.; Hu, W.H.; Zhang, G.Z.; Zhang, Z.Y.; Chen, Z. Deep reinforcement learning based parameter self-tuning control strategy for VSG. Energy Rep. 2022, 8, 219–226. [Google Scholar] [CrossRef]
- Oboreh-Snapps, O.; Strathman, S.A.; Saelens, J.; Fernandes, A.; Morris, L.; Uddarraju, P.; Kimball, J.W. Simultaneous Frequency Regulation and Active Power Sharing in Islanded Microgrid Using Deep Reinforcement Learning. In Proceedings of the 2024 IEEE Kansas Power and Energy Conference (KPEC), Manhattan, KS, USA, 25–26 April 2024. [Google Scholar]
- Xie, Y.J.; Zhang, Y.C.; Lee, W.J.; Lin, Z.L.; Shamash, Y.A. Virtual Power Plants for Grid Resilience: A Concise Overview of Research and Applications. IEEE CAA J. Autom. Sin. 2024, 11, 329–343. [Google Scholar] [CrossRef]
- Yang, Q.F.; Yan, L.F.; Chen, X.; Chen, Y.; Wen, J.Y. A Distributed Dynamic Inertia-Droop Control Strategy Based on Multi-Agent Deep Reinforcement Learning for Multiple Paralleled VSGs. IEEE Trans. Power Syst. 2023, 38, 5598–5612. [Google Scholar] [CrossRef]
- Hammad, E.; Farraj, A.; Kundur, D. On Effective Virtual Inertia of Storage-Based Distributed Control for Transient Stability. IEEE Trans. Smart Grid 2019, 10, 327–336. [Google Scholar] [CrossRef]
- Fan, L.; Zhang, J.; He, Y.; Liu, Y.; Hu, T.; Zhang, H. Optimal Scheduling of Microgrid Based on Deep Deterministic Policy Gradient and Transfer Learning. Energies 2021, 14, 584. [Google Scholar] [CrossRef]
- Wilk, P.; Wang, N.; Li, J. Multi-Agent Reinforcement Learning for Smart Community Energy Management. Energies 2024, 17, 5211. [Google Scholar] [CrossRef]
- Gong, Z.; Su, Y.F.; Cai, R.B.; Rao, B.; Zhou, J. An adaptive control strategy for vsg based on energy storage capacity optimization of MMC-BESS. Electr. Eng. 2024. [Google Scholar] [CrossRef]












| Control Method | Frequency Nadir | Settling Time | Scenario Applicability | Model Dependency | Design Complexity | Synergy | References |
|---|---|---|---|---|---|---|---|
| MADDPG | √ | √ | √ | √ | √ | √ | [26,27] |
| DDPG | √ | √ | √ | √ | √ | [21,23] | |
| Intelligent algorithm optimization | √ | √ | √ | √ | [12,13] | ||
| Function-based adaptive control | √ | √ | √ | [6,7,8] | |||
| Fixed-parameter control | √ | √ | [3] |
| Nomenclature | Nomenclature | ||
|---|---|---|---|
| Udc | DC input power source | LS, RS | stator armature resistance |
| RS | synchronous inductance of the synchronous generator | uoa,uob,uoc | induced electromotive force of the VSG |
| ea,eb,ec | three-phase output terminal voltage | ia,ib,ic | grid-connected current |
| J | virtual moment of inertia | D | damping coefficient |
| D | damping coefficient | Pe | VSG output power |
| output angular frequency | rated angular frequency | ||
| Kq | reactive power voltage droop coefficient | Ku | voltage regulation coefficient |
| Z | impedance of the filter circuit | Tm | mechanical torque |
| Te | electromagnetic torque | TD | damping torque |
| ts | settling time | overshoot percentage | |
| parameters of the target critic network | target actor network | ||
| gradient for the parameters | si | state at the current time step | |
| ai | action at the current time step | yi | Q-value estimated via the Bellman equation |
| discount factor | gradient for the parameters | ||
| maximum active power deviation | maximum angular frequency deviation |
| Parameter | Value | Parameter | Value |
|---|---|---|---|
| DC voltage | 800 V | Filter capacitor | 30 |
| Line voltage | 310 V | Filter inductor | 3 |
| Rated frequency | 50 | Resistance | 0.1 |
| t/s | Control Strategy | Frequency Nadir | Settling Time | Overshoot |
|---|---|---|---|---|
| 0.5 | MADDPG | 49.938 | 0.406 | 12.40% |
| DDPG | 49.921 | 0.383 | 15.80% | |
| adaptive control | 49.913 | 0.260 | 17.40% | |
| Constant J and D control | 49.909 | 0.464 | 18.20% | |
| 1 | MADDPG | 50.112 | 0.364 | −22.40% |
| DDPG | 50.135 | 0.398 | −27.00% | |
| adaptive control | 50.117 | 0.375 | −23.40% | |
| Constant J and D control | 50.151 | 0.446 | −30.20% | |
| 1.5 | MADDPG | 49.907 | 0.364 | 18.60% |
| DDPG | 49.903 | 0.390 | 19.40% | |
| adaptive control | 49.898 | 0.358 | 20.40% | |
| Constant J and D control | 49.891 | 0.407 | 21.80% |
| t/s | Control Strategy | Frequency Nadir | Settling Time | Overshoot |
|---|---|---|---|---|
| 1 | MADDPG | 50.101 | 0.140 | 0.2% |
| DDPG | 50.110 | 0.295 | 2% | |
| adaptive control | 50.102 | 0.197 | 0.4% | |
| Constant J and D control | 50.107 | 0.367 | 2.14% | |
| 1.4 | MADDPG | 49.998 | 0.172 | −0.4% |
| DDPG | 49.989 | 0.187 | −2.2% | |
| adaptive control | 49.993 | 0.272 | −1.4% | |
| Constant J and D control | 49.987 | 0.384 | −2.6% |
Disclaimer/Publisher’s Note: The statements, opinions and data contained in all publications are solely those of the individual author(s) and contributor(s) and not of MDPI and/or the editor(s). MDPI and/or the editor(s) disclaim responsibility for any injury to people or property resulting from any ideas, methods, instructions or products referred to in the content. |
© 2024 by the authors. Licensee MDPI, Basel, Switzerland. This article is an open access article distributed under the terms and conditions of the Creative Commons Attribution (CC BY) license (https://creativecommons.org/licenses/by/4.0/).
Share and Cite
Zhang, D.; Zhang, J.; He, Y.; Shen, T.; Liu, X. Adaptive Control of VSG Inertia Damping Based on MADDPG. Energies 2024, 17, 6421. https://doi.org/10.3390/en17246421
Zhang D, Zhang J, He Y, Shen T, Liu X. Adaptive Control of VSG Inertia Damping Based on MADDPG. Energies. 2024; 17(24):6421. https://doi.org/10.3390/en17246421
Chicago/Turabian StyleZhang, Demu, Jing Zhang, Yu He, Tao Shen, and Xingyan Liu. 2024. "Adaptive Control of VSG Inertia Damping Based on MADDPG" Energies 17, no. 24: 6421. https://doi.org/10.3390/en17246421
APA StyleZhang, D., Zhang, J., He, Y., Shen, T., & Liu, X. (2024). Adaptive Control of VSG Inertia Damping Based on MADDPG. Energies, 17(24), 6421. https://doi.org/10.3390/en17246421

