Next Article in Journal
Exploring the Effects of Synergistic Combustion of Alcohols and Biodiesel on Combustion Performance and Emissions of Diesel Engines: A Review
Next Article in Special Issue
High-Frequency Model of the Toroidal Powder Core and Winding of a Litz Wire
Previous Article in Journal
Numerical Simulation of Climate Change Impact on Energy, Environmental and Economic Performances of Small Single-Family Houses Equipped with Trombe Walls and Fixed Horizontal Overhangs
Previous Article in Special Issue
A New Voltage-Doubler Rectifier for High-Efficiency LLC Resonant Converters
 
 
Font Type:
Arial Georgia Verdana
Font Size:
Aa Aa Aa
Line Spacing:
Column Width:
Background:
Article

Control Method for Improving Dynamic Characteristics of a DM-Coupled Inductor Boost Converter Using a 2D Look-Up Table

by
Seong-Wook Jeong
,
Dong-In Lee
,
Gyeong-Hyun Kwon
and
Han-Shin Youn
*
Department of Electrical Engineering, Incheon National University, Incheon 22012, Republic of Korea
*
Author to whom correspondence should be addressed.
Energies 2024, 17(24), 6276; https://doi.org/10.3390/en17246276 (registering DOI)
Submission received: 17 October 2024 / Revised: 13 November 2024 / Accepted: 21 November 2024 / Published: 12 December 2024
(This article belongs to the Special Issue Recent Development in DC-DC Converter)

Abstract

This paper proposes a control method to improve the dynamic performance of a two-phase DM (Differential Mode)-coupled boost converter designed for applications such as hybrid vehicles and railway systems. A conventional boost converter can be modified to a two-phase interleaved configuration to reduce current ripple and incorporate a differential mode (DM)-coupled inductor to reduce the volume of magnetic components, thereby achieving a decrease in cost and volume. However, when this converter is operated using a conventional PI controller, significant issues arise, particularly in the discontinuous conduction mode (DCM), where dynamic characteristics and response times are considerably slow. For a conventional boost converter, the steady-state duty cycle during DCM operation can be calculated analytically and used for feedforward compensation in a current-duty controller. In contrast, the duty cycle of a two-phase DM-coupled boost converter during DCM operation exhibits non-linear behavior depending on input/output voltages and load conditions, making analytical computation infeasible. To address this, steady-state duty cycle data is extracted through experiments and simulations, and a Look-Up Table is constructed to perform feedforward compensation. Given the multiple input and output specifications, multiple Look-Up Tables are required, leading to excessive MCU (Micro Controller Unit) computation load. The proposed correction algorithm enables feedforward compensation in the DCM region with a single Look-Up Table for all input and output specifications, achieving improvements in dynamic characteristics and reducing MCU computational load. This method achieves a reduction in settling time by up to 77 ms, with a minimum improvement of 10 ms, thereby significantly enhancing the responsiveness of the converter.

1. Introduction

In response to global warming, carbon emission regulations are being strengthened globally. In November 2015, at the 21st Conference of the Parties (COP21) to the United Nations Framework Convention on Climate Change (UNFCCC), over 150 world leaders announced plans to reduce greenhouse gas and carbon emissions, which were more stringent than those outlined in the 1997 Kyoto Protocol. During this conference, each country set its own targets for combating climate change. For example, the European Union set a goal to reduce greenhouse gas emissions by 55% by 2030. Similarly, South Korea proposed a plan to cut carbon emissions by 40% from projected levels by 2030. As these regulations become more stringent, research into eco-friendly energy sources to replace fossil fuels has accelerated.
Among these, hydrogen fuel cells are gaining attention due to several advantages. First, they have an efficiency exceeding 50%, which is significantly higher than the 30% efficiency of conventional internal combustion engines [1,2,3,4]. Second, they operate with low noise, can generate power independently, and utilize hydrogen as a readily available fuel while emitting no harmful exhaust gases. Unlike fossil fuels, which are geographically concentrated, hydrogen fuel cell technology—where technological capability translates directly to energy—presents a valuable research opportunity, particularly for countries like South Korea with limited fossil fuel resources.
Due to these advantages, interest in hydrogen fuel cell technology is increasing among domestic companies in various transportation sectors. In particular, the railway industry faces a critical need for alternatives as diesel trains contribute to global warming by emitting harmful gases, and the depletion of fossil fuels is an ever-looming threat. Several countries, including Germany and the United Kingdom, have already developed and deployed hydrogen fuel cell-powered trains to replace aging diesel trains. South Korea is also following this trend by developing hydrogen fuel cell technology for railway vehicles as an alternative to diesel trains [5].
In addition to the railway industry, the automotive sector has also turned its focus to hydrogen fuel cells. Hydrogen-powered vehicles offer not only higher energy efficiency compared to internal combustion engine vehicles but also zero emissions, making them a key solution for eco-friendly transportation. Domestic companies, such as Hyundai Motor Company, have already commercialized hydrogen fuel cell vehicles, and this technology is expected to become a cornerstone of the future automotive industry, alongside electric vehicles [6,7]. In line with this trend, hydrogen fuel cell technology is actively being developed for both railway and automotive applications in South Korea, positioning it as a viable alternative to diesel trains and internal combustion engine vehicles.
The structure of the railway propulsion system and the hydrogen fuel cell electric vehicle system is as shown in Figure 1. Due to the high cost of hydrogen fuel cells, it is challenging to directly supply the high DC voltage required for driving traction motor inverters. As a result, a boost DC-DC converter is necessary to step up the low voltage from the hydrogen fuel cell to the high voltage needed for the drive inverter, and the interleaved boost converter is widely employed for this purpose [8,9]. The two-phase interleaved boost converter reduces inductor current ripple, thereby lowering current stress on power semiconductor devices, improving system efficiency, and enabling smaller and cost-effective components, making it suitable for providing a stable and efficient energy supply in railway vehicles. Furthermore, hydrogen fuel cell vehicles also require a similar boost converter configuration. The low-voltage output from hydrogen fuel cells must be stepped up to the high DC voltage required by electric propulsion systems. By utilizing a two-phase interleaved boost converter, current ripple is minimized and thermal stress on power components is reduced, resulting in improved overall efficiency. This leads to enhanced performance, reduced component size, and lower system costs, making it a critical technology for hydrogen fuel cell applications in both railway and automotive sectors.
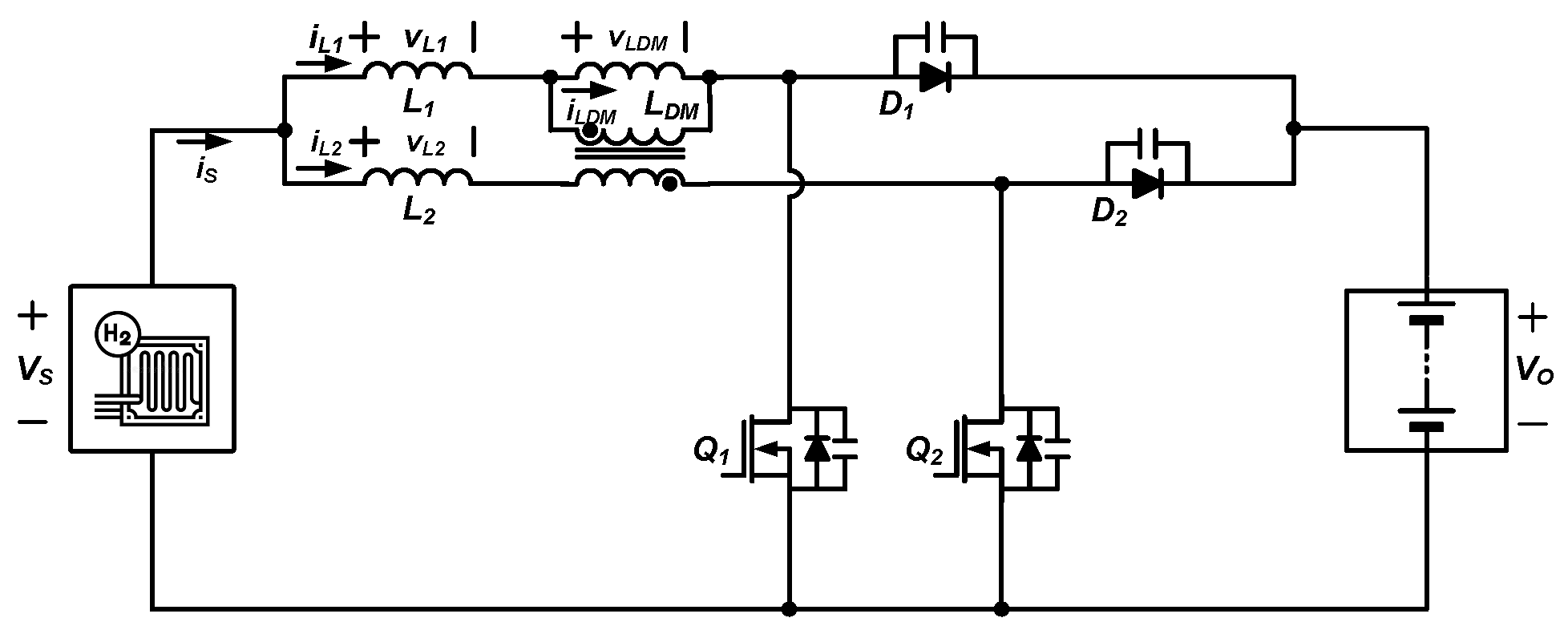
In a two-phase interleaved operation, where two single-phase boost converters are connected in parallel, the phases of the switches are set 180 degrees apart. As a result, each phase carries half the current compared to a single-phase configuration, and the current ripple is reduced due to the cancellation of currents from each phase. Since the two-phase interleaved structure is implemented, two inductors per module are required to drive the converter. While the interleaved boost converter allows for reduced magnetic volume compared to single-phase configurations, recent developments in ultra-high-density converter design have led to the coupling of interleaved inductors, further reducing volume through the DM-coupled method [10,11,12]. In the two-phase interleaved boost converter used in this study, two inductors are coupled and utilized as a single coupled inductor. The Differential Mode (DM) method is adopted for coupling. By applying the DM method, the magnetic flux generated inside the core by the current in each phase flows in opposite directions, canceling each other out. This eliminates the magnetization current offset, preventing magnetic saturation and allowing for a reduction in the inductor’s volume. The circuit diagram reflecting these considerations is shown in Figure 2.
In previous studies, various control strategies have been applied to enhance the performance of two-phase interleaved boost converters [13]. For instance, one study developed a two-phase dual interleaved buck-boost converter aimed at providing stable performance and high efficiency for automotive applications. This approach employed a dual interleaved configuration to optimize the DC-DC converter’s output characteristics and achieve high efficiency. However, the design is limited in its ability to reduce MCU computational load. Specifically, it is optimized for a particular frequency band, which may restrict its performance in real-time environments where a broader frequency response is required. Another study proposed a tri-state boost converter to reduce current ripple and improve the dynamic response of two-phase interleaved converters [14]. While the tri-state structure effectively minimizes current ripple, it increases hardware complexity, which may hinder scalability for commercial applications. Additionally, tri-state control may experience reduced efficiency in discontinuous conduction mode (DCM), presenting challenges in maintaining optimal performance across varying load conditions. An alternative approach involves applying Model Predictive Control (MPC) to a two-phase interleaved boost converter to enhance dynamic response [15]. Although MPC offers high control accuracy, it requires substantial computational resources from the MCU, resulting in increased computational load. This high processing demand can render MPC unsuitable for real-time control environments, where rapid response times are critical. Another study explored the use of coupled inductors to achieve high step-up ratios in two-phase interleaved boost converters [16]. While coupled inductors improve system efficiency and reduce ripple under high-output conditions, the physical size of the inductor can increase to prevent magnetic saturation. This size constraint can limit the miniaturization of the system, making it challenging to apply coupled inductor designs in compact applications. Additionally, a separate study employed an optimization-based control strategy using Particle Swarm Optimization (PSO) to enhance the dynamic characteristics of two-phase interleaved boost converters [17]. Although PSO optimization improves control performance, the algorithm’s computational demands consume substantial MCU resources, resulting in reduced real-time responsiveness.
This paper proposes a control method to improve the dynamic characteristics of a two-phase DM-coupled boost converter in the DCM region by extracting the steady-state duty cycle through simulations and applying feedforward compensation using a Look-Up Table. The Look-Up Table is constructed in a three-dimensional format, with input voltage, output voltage, and inductor phase current as variables. To reduce the computational load on the microcontroller, a simple correction is applied to transform the two-dimensional Look-Up Table into a three-dimensional one, fixing the output voltage as a constant variable and using a single table for feedforward compensation.

2. Operation Analysis of a Two-Phase DM-Coupled Boost Converter

2.1. Steady-State CCM Analysis of a Two-Phase DM-Coupled Boost Converter

The operation of the two-phase DM-coupled boost converter is divided into two cases depending on the duty cycle: when the duty cycle is below 0.5 and when it is above 0.5. For the analysis of the converter, the coupled inductor is represented by an equivalent circuit consisting of leakage inductances, magnetizing inductance, and a transformer. VS and VO denote the input and output voltages, respectively. Llkg1 and Llkg2 represent the primary and secondary leakage inductances of the coupled inductor, LDM is the magnetizing inductance of the coupled inductor, and k is the coupling coefficient. Llkg1 and Llkg2 have the same inductance value, denoted as Llkg. When the turns ratio between the primary and secondary windings of the coupled inductor is 1:1, the coupling coefficient can be expressed as shown in Equation (1). The voltage and current waveforms for duty cycles above 0.5 and below 0.5 are as shown in Figure 3.
L l k g 1 = L l k g 2 = L l k g , k = L D M L l k g + L D M
The input-output voltage relationship in the CCM (Continuous Conduction Mode) operation of the proposed converter can be derived using the voltage-second balance equation of the leakage inductance. The analysis can be divided into two cases based on the duty cycle, and the input-output voltage relationship for each condition has been derived. When the duty cycle is greater than 0.5, the switching state can be divided into two (1 − D) intervals and two (D − 0.5) intervals. Similarly, when the duty cycle is less than 0.5, the intervals are divided into two D intervals and two (0.5 − D) intervals. By applying the voltage-second balance equation to the primary-side leakage inductance, the following equation can be derived:
2 ( D 0.5 ) V S = ( 1 D ) ( V S 1 1 + k V O ) + ( 1 D ) ( V S k 1 + k V O )
2 ( 0.5 D ) ( V O V S ) = ( D ) ( V S 1 1 + k V O ) + ( D ) ( V S k 1 + k V O )
D = 1 V S V O
Equation (2) corresponds to the case where the duty cycle is greater than 0.5, and Equation (3) applies when the duty cycle is less than 0.5. Upon rearranging both equations in terms of the duty cycle, they can be simplified and derived as shown in Equation (4). This reveals that the CCM duty cycle equation for the two-phase DM-coupled boost converter is identical to that of a conventional boost converter operating in CCM.

2.2. Steady-State DCM Analysis of a Two-Phase DM-Coupled Boost Converter

In the DCM operation of the two-phase DM-coupled boost converter, depending on the magnitude of the load current and phase current, there may be one or two intervals where the inductor current remains at zero. Additionally, the analysis must consider cases where the duty cycle is greater than or less than 0.5. For duty cycles less than 0.5, the operation is analyzed sequentially for cases with one interval and two intervals where the inductor current reaches zero. The waveforms for the case where the inductor current has one interval at zero are as shown in Figure 4.
Mode 1 (t0t1): When switch Q1 is turned on, a conduction path is formed as shown in Figure 5a. In this mode, the secondary leakage inductor transfers its stored energy to the output, while the primary leakage inductor experiences a positive voltage. This voltage is the difference between the input voltage, reflected to the secondary side by the coupling coefficient, and the magnetizing inductor voltage. As a result, the current in the primary leakage inductor increases. The voltage applied to the primary leakage inductor (vLlkg1) is given by the following equation:
v L l k g 1 = V S k 1 + k V O
Mode 2 (t1t2): When switches Q1 and Q2 are turned off, a conduction path is formed as shown in Figure 5b. The energy stored in the primary and secondary leakage inductors (Llkg2) is transferred to the output along with the input. In this mode, the primary leakage inductor experiences a negative voltage, which is the difference between the input voltage and the output voltage, causing the current to decrease. The voltage applied to the primary leakage inductor is given by the following equation:
v L l k g 1 = V S V O
Mode 3 (t2t3): As switches Q1 and Q2 remain off and the energy stored in the secondary inductor is fully discharged, a conduction path is formed as shown in Figure 5c. When the secondary leakage inductor current reaches zero, the current flowing through the secondary diode also becomes zero. In the primary leakage inductor, based on the voltage division principle, a portion of the voltage is applied, which is the difference between the input and output voltages, scaled by the ratio of the primary leakage inductance to the sum of the primary leakage inductance and the magnetizing inductance. The voltage applied to the primary leakage inductor is given by the following equation:
v L l k g 1 = ( V S V O ) ( L l k g L l k g + L D M ) = ( V S V O ) ( 1 k )
Mode 4 (t3t4): When switch Q2 is turned on, a conduction path is formed as shown in Figure 5d. The energy stored in the primary leakage inductor, along with the input, is transferred to the output. In this mode, the primary leakage inductor experiences a positive voltage, which is the input voltage minus the magnetizing inductor voltage, which accounts for the output voltage reflected by the coupling coefficient. As a result, the current in the primary leakage inductor increases. The voltage applied to the primary leakage inductor is given by the following equation:
v L l k g 1 = V S 1 1 + k V O
Mode 5 (t4t5): When switch Q2 is turned off, a conduction path is formed as shown in Figure 5e. This mode is analyzed in the same manner as Mode 2.
Mode 6 (t5t6): When switch Q2 turns off, the energy stored in the primary leakage inductor is fully released, forming a conduction path as illustrated in Figure 5f. As the current through the primary leakage inductor drops to zero, the current through the primary diode also becomes zero. Consequently, a voltage of 0 V is applied across the primary leakage inductor.
Interpretation of the Case with Two Intervals Where the Inductor Current is Zero: The waveforms for the case where the inductor current has two intervals at zero are as shown in Figure 6.
Mode 1 (t0t1): When switch Q1 is turned on, a conduction path is formed as shown in Figure 7a. In this phase, the secondary leakage inductor transfers its stored energy to the output side. At the same time, the primary leakage inductor has a voltage applied to it that is the difference between the input voltage (after accounting for the coupling coefficient) and the magnetizing inductor voltage from the output voltage. This results in a positive voltage being applied across the primary leakage inductor, causing the current through it to increase. The voltage applied to the primary leakage inductor is as follows:
v L l k g 1 = V S k 1 + k V O
Mode 2 (t1t2): When switches Q1 and Q2 are turned off, a conduction path is established as shown in Figure 7b. The energy stored in the primary and secondary leakage inductors (Llkg2) is transferred to the output side along with the input. Meanwhile, a negative voltage, which is the difference between the input voltage and the output voltage, is applied across the primary leakage inductor, causing its current to decrease. The voltage applied to the primary leakage inductor is as follows:
v L l k g 1 = V S V O
Mode 3 (t2t3): When switches Q1 and Q2 are turned off, the energy stored in the secondary inductor is fully released, and a conduction path is established as shown in Figure 7c. As the current through the secondary leakage inductor drops to 0 A, the current through the secondary diode also becomes 0 A. According to the voltage division principle, the voltage applied to the primary leakage inductor is the difference between the input voltage and the output voltage, scaled by the ratio of the primary leakage inductance to the sum of the primary leakage inductance and the magnetizing inductance. The voltage applied to the primary leakage inductor is as follows:
v L l k g 1 = ( V S V O ) ( L l k g L l k g + L D M ) = ( V S V O ) ( 1 k )
Mode 4 (t3t4): When switches Q1 and Q2 are turned off, the energy stored in the primary inductor is fully released, and a conduction path is established as shown in Figure 7d. As the current through the primary leakage inductor drops to 0 A, the current through the primary diode also becomes 0 A. A voltage of 0 V is applied across the primary leakage inductor. Similarly, the current through the secondary leakage inductor is also 0 A, and the applied voltage is 0 V.
Mode 5 (t4t5): When switch Q2 is turned on, a conduction path is established as shown in Figure 7e. The energy stored in the primary leakage inductor is transferred to the output side along with the input. The primary leakage inductor is subjected to a positive voltage, which is the difference between the input voltage, adjusted for the coupling coefficient, and the magnetizing inductor voltage from the output voltage. This results in an increase in current through the primary leakage inductor. The voltage applied to the primary leakage inductor is as follows:
v L l k g 1 = V S 1 1 + k V O
Mode 6 (t5t6): When switch Q2 turns off, a conduction path is established as shown in Figure 7f. In this mode, the interpretation is the same as in Mode 2.
Mode 7 (t6t7): When switch Q2 turns off, the energy stored in the primary leakage inductor is fully released, and a conduction path is established as shown in Figure 7g. As the current through the primary leakage inductor drops to 0 A, the current through the primary diode also becomes 0 A. A voltage of 0 V is applied across the primary leakage inductor.
Mode 8 (t7t8): When switch Q2 turns off, the energy stored in the secondary leakage inductor is fully released, and a conduction path is established as shown in Figure 7h. As the currents through both the primary and secondary leakage inductors drop to 0 A, the currents through both the primary and secondary diodes also become 0 A. A voltage of 0 V is applied across both the primary and secondary leakage inductors.
The relationship between input and output voltages in the DCM operation of the proposed converter is derived using the voltage-time balance condition of the leakage inductors. Depending on the load current, the analysis can be divided into two cases. For the case where the duty cycle is 0.5 or less, and there is one interval with zero current, the analysis can be divided into two D intervals, two DA intervals, and two 0.5–(D + DA) intervals. Here, DA refers to the interval from the moment switch Q1 turns off until the secondary leakage inductor fully releases its stored energy. By applying the voltage-time balance condition to the primary leakage inductor, the input-output relationship can be derived as follows:
V S V O = 0.5 ( k 1 ) + D ( k ) D A ( 1 + k ) 0.5 ( k 1 ) + D ( 1 + k ) D A ( 1 k )
When there are two intervals with zero current, the analysis can be divided into two D intervals, two DA intervals, two DB intervals, and two 0.5–(D + DA + DB) intervals, depending on the switching states. Here, DB refers to the interval from the moment the secondary leakage inductor has fully released its energy until the primary leakage inductor also fully releases its energy. By applying the voltage-time balance condition to the primary leakage inductor, the input-output voltage relationship can be derived as follows:
V S V O = D 2 D A 2 D B ( 1 + k ) 2 { D + D A + D B ( 1 k ) }
In the case of a two-phase DM coupled boost converter operating in DCM, as mentioned earlier, the number of intervals where the current reaches 0 A varies depending on the load current. Accordingly, DA and DB intervals are added, with DA and DB depending on factors such as the switching frequency of each phase, the leakage inductance of the coupled inductor, the magnetizing inductance, the duty cycle, and the load current. Additionally, since both cases where the duty cycle is greater than or equal to 0.5 and less than or equal to 0.5 must be considered, it is difficult to analyze this as simply as the DCM duty cycle relationship of a conventional boost converter.

2.3. Conventional Duty Feedforward Compensation Method

The conventional control method for a boost converter operating in CCM is average current control. The plant modeling for average current control of a boost converter is based on the average inductor voltage during CCM operation. The inductor current equation in the s-domain for CCM operation can be expressed as shown in Equation (15). When represented as current-input voltage, current-output voltage, and current-duty transfer functions, it is given by Equation (16). Figure 8 shows a block representation of the current controller, and the equations for such a feedback system are given by Equation (18).
i L ( s ) = 1 s L v i n ( s ) ( 1 D ) s L v O ( s ) + V o s L d ( s )
i L ( s ) = G i v i n ( s ) v i n ( s ) + G i v o ( s ) v O ( s ) + G i d ( s ) d ( s )
G i d ( s ) = i L ( s ) d ( s ) = V O s L , T i ( s ) = G i c ( s ) × G i d ( s )
i L ( s ) = G i v i n ( s ) 1 + T i ( s ) v i n ( s ) + G i v o ( s ) 1 + T i ( s ) v o ( s ) + T i ( s ) 1 + T i ( s ) i L r e f ( s )
The current-duty transfer function Gid(s) can be approximated as shown in Equation (17). Since the input voltage and output voltage are uncontrollable values, they can be considered as disturbance components. To minimize the effect of these disturbances, the loop gain Ti(s) should be kept high. However, due to phase delays caused by Sample & Hold and computation time delays in digital systems, it is challenging to design a controller with sufficient phase margin and high loop gain compared to analog systems. To eliminate disturbance components caused by input and output voltages, a feedforward compensation duty is added to the output of the current controller. The expression for the feedforward compensation duty in CCM operation is given by Equation (19).
d f f . C C M = 1 v i n v o d f f . C C M ( s ) = V i n V o 2 v o ( s ) 1 V o v i n ( s )
i L ( s ) = 1 s L v i n ( s ) ( 1 D ) s L v o ( s ) + V o s L d ( s ) + V o s L V i n V o 2 v o ( s ) 1 V o v i n ( s ) = V o s L d ( s )
Equation (20) represents the inductor current equation when feedforward compensation is applied in CCM operation. As can be seen from Equation (20), applying feedforward compensation duty offsets the effects of disturbances caused by the input and output voltages. It can be observed that the feedforward compensation duty in Equation (19) is the same as the duty expression derived from the input-output relationship of the boost converter. However, when the inductor current operates in DCM, using the CCM feedforward compensation duty at the controller output can generate excessive duty, leading to overcurrent and current distortion phenomena. Therefore, in DCM operation, it is necessary to use a feedforward compensation duty derived from the input-output relationship based on inductance, switching period, and load conditions, such as the one given in Equation (21), instead of the CCM feedforward compensation duty.
d f f . D C M = 2 G e L T v o v i n v o
Ge represents the input equivalent conductance, which is 1/Re. As shown in Figure 9, when the load is small, Ge decreases, leading to DCM operation. The dff,DCM value becomes smaller than the dff,CCM value. Conversely, when the load is large, Ge increases, resulting in CCM operation. In this case, the dff,DCM value becomes larger than the dff,CCM value. To prevent current distortion due to excessive duty compensation, it is necessary to compare the two feedforward compensation values and apply the appropriate duty compensation according to the inductor current operation, as shown in Figure 10.

2.4. DCM Feedforward Compensation Method Using a Look-Up Table

In the DCM intervals of a two-phase DM coupled boost converter, duty calculation must consider not only the intervals where the inductor current drops to zero based on the output current but also the operational changes when the duty value is either above or below 0.5. Therefore, deriving the duty cycle using traditional analytical input-output relationships is not feasible. Instead, feedforward compensation should be performed using steady-state duty data obtained from experiments and simulations in the DCM intervals, organized in a Look-Up Table format. Figure 11 illustrates the method of extracting duty cycle data to construct a 2D Look-Up Table during the experimental process. In this setup, a conventional PI(Proportional-Integral) controller without feedforward compensation is used to control the two-phase DM-coupled boost converter. Duty cycle data is recorded as the system reaches steady-state operation in the Discontinuous Conduction Mode (DCM). For each specified output voltage level (e.g., 450 V, 650 V, and 828 V), duty cycle values are gathered, capturing the system’s behavior under different conditions. These values are organized into a 2D Look-Up Table to reflect the nonlinear duty cycle characteristics during DCM, especially as the system transitions to Continuous Conduction Mode (CCM). This Look-Up Table provides the necessary reference duty values for feedforward compensation, enabling accurate adjustments that align with the converter’s real-world non-linear dynamics.
The Look-Up Table is constructed with input voltage, output voltage, and inductor peak current as variables. When the output voltage variable is fixed at the maximum output voltage of 828 V, the Y-axis of the table is configured to account for the nonlinear transition of inductor peak current from DCM to CCM based on input voltage, ensuring that the duty in steady-state CCM operation differs by 0.125. The X-axis of the table consists of the inductor peak current values transitioning from DCM to CCM for each input voltage. The Look-Up Table based on an output voltage of 828 V is shown in Table 1. The nonlinearity of the duty cycle, as demonstrated in Figure 12, substantiates the necessity of employing a Look-Up Table for feedforward compensation, rather than relying on analytical derivations. This approach ensures more accurate compensation in response to the system’s non-linear characteristics. Given that the input-output voltage conditions involve multiple variables rather than a single condition, multiple Look-Up Tables are required.
This results in a large amount of data that must be processed by the MCU, leading to increased computational burden. To address this issue, a correction algorithm is proposed that reduces the dimensionality by fixing the output voltage as a variable, thereby converting the 3D Look-Up Table into a 2D Look-Up Table. With this approach, it is possible to perform feedforward compensation for all input-output voltage conditions using a single Look-Up Table based on the maximum output voltage of 828 V. The correction algorithm can be represented as a block diagram, as shown in Figure 13.
The ratio of the maximum output voltage to the sensed output voltage is calculated as shown in Equation (22).
K D F F G A I N = V O u t . M a x V O u t . S e n
VOut.Max represents the maximum output voltage (828 V), and VOut.Sen represents the sensed output voltage. The inductor peak current and input voltage, which are the X-axis and Y-axis of the table, are corrected by multiplying them by KDFFGAIN, as derived in Equation (22), and are adjusted as shown in Equation (23).
V I n . C o r r = V I n . S e n × K D F F G A I N i L . C o r r = i L . S e n × K D F F G A I N
VIn.Corr represents the corrected input voltage, VIn.Sen represents the sensed input voltage, iL.Corr represents the corrected inductor current, and iL.Sen represents the sensed inductor current. By reflecting the corrected input voltage and inductor current, the duty is selected from the Look-Up Table and feedforward compensation is performed with the corresponding duty. For example, with an input voltage of 207 V, an output voltage of 414 V, and a phase current of 5 A, multiplying each by KDFFGAIN results in an input voltage of 414 V, an output voltage of 828 V, and a phase current of 10 A. The duty corresponding to these conditions is then selected from the Look-Up Table for feedforward compensation. In the DCM interval, feedforward compensation is performed using the Look-Up Table, while in the CCM interval, the duty compensation is performed using the duty relationship for the two-phase DM coupled boost converter in CCM operation as described by Equation (4). The algorithm is set to apply the smaller of the two duty values. The block diagram of the current controller with the applied correction algorithm is shown in Figure 14.
By applying the proposed correction algorithm to the 2D Look-Up Table, the dynamic characteristics of the two-phase DM coupled boost converter in the DCM interval can be improved. Additionally, with a single Look-Up Table, feedforward compensation in the DCM interval can be performed for all input-output voltage conditions, which reduces the computational load on the MCU.

3. Simulation and Experiment

Simulation

Table 2 shows the input-output specifications and key component parameters of the converter with the proposed control technique applied. For the current controller’s plant modeling, the gain was designed based on the leakage inductance of the DM coupled inductor and the typical boost converter plant model.
Figure 15a shows the sensed inductor current and duty cycle waveforms during CCM operation with an input voltage of 330 V, an output voltage of 590 V, and a commanded current of 40 A. Similarly, Figure 16a illustrates the waveforms with an input voltage of 330 V and an output voltage of 828 V. Under typical PI control without feedforward compensation, it can be observed that the current command is followed more slowly during the DCM interval of the transient response. In contrast, Figure 15b and Figure 16b depict the waveforms with the proposed feedforward compensation control technique, demonstrating a more rapid tracking of the current command compared to when feedforward compensation is not applied. Figure 17a presents the sensed inductor current and duty cycle waveforms during DCM operation with an input voltage of 330 V, an output voltage of 590 V, and a commanded current of 15 A. Similarly, Figure 18a illustrates the waveforms with an input voltage of 330 V and an output voltage of 828 V. As in CCM operation, it can be observed that the current command is followed more slowly in these cases. In contrast, Figure 17b and Figure 18b show the sensed inductor current and duty cycle waveforms with the proposed feedforward compensation technique applied during DCM operation. It can be observed that the feedforward compensation adjusts the duty cycle appropriately without excessive compensation, allowing the current command to be tracked immediately and without time delay upon input.
Figure 19, Figure 20, Figure 21 and Figure 22 present the experimental waveforms obtained under the same input-output voltage conditions as those used in the CCM and DCM operation simulations. The experiment was conducted using a TI 28377D (Texas Instrument, Dallas, TX, USA) microcontroller on the control board. Similar to the simulation results, Figure 19, Figure 20, Figure 21 and Figure 22a show delayed response and slower dynamic performance in the absence of feedforward compensation. In contrast, Figure 19, Figure 20, Figure 21 and Figure 22b demonstrate that the dynamic performance is significantly improved when feedforward compensation is applied.

4. Conclusions

In this paper, a feedforward compensation control technique in the form of a Look-Up Table is proposed to reduce the computational burden on the MCU and improve the dynamic characteristics of a two-phase DM-coupled boost converter developed for a hydrogen fuel cell hybrid railway propulsion system. The effectiveness of this technique has been validated through simulations and experiments. For the two-phase DM-coupled boost converter designed to reduce inductor current ripple and magnetic component volume, conventional PI controllers exhibit time delays during the steady-state entry process in DCM operation. While a general boost converter can derive the steady-state duty in DCM operation through formula calculations, the two-phase DM-coupled boost converter presents non-linear behavior in DCM operation due to varying input-output voltages and loads, making formula-based duty derivation impractical. Although feedforward compensation can be achieved using Look-Up Tables composed of duty data extracted from experiments and simulations, multiple Look-Up Tables are needed due to varying input-output specifications, which increases the MCU’s computational load. Simple corrections allow for feedforward compensation using a single Look-Up Table for all input-output conditions, thereby achieving improvements in dynamic characteristics and reductions in MCU computational burden. The proposed control technique enhances controller performance by enabling fast tracking of the commanded current without time delay in both DCM and CCM operations. Furthermore, this feedforward compensation technique offers the potential for application across a variety of DC-DC converter configurations and power systems beyond the current study’s focus. Its flexible design allows for adaptation to converters with different operating characteristics, making it particularly suited for hybrid vehicles and railway systems, solar power systems, and battery storage systems, where precise control and efficient power conversion are essential. For instance, in solar power systems, where output voltage is highly variable depending on environmental conditions, a Look-Up Table-based feedforward approach can ensure more stable and efficient performance. Similarly, in battery storage systems, this technique can support optimal power conversion across diverse load and charge conditions. Future research will explore the extension of this method to other converter structures and power systems to fully realize its versatility and further enhance its applicability in high-efficiency power systems.

Author Contributions

Conceptualization, S.-W.J. and H.-S.Y.; Methodology, S.-W.J.; Software, S.-W.J.; Validation, D.-I.L. and G.-H.K.; Formal analysis, S.-W.J.; Writing—original draft preparation, S.-W.J. and H.-S.Y.; Writing—review and editing, S.-W.J. and H.-S.Y.; Visualization, D.-I.L. and G.-H.K.; Supervision, H.-S.Y.; Project administration, H.-S.Y. All authors have read and agreed to the published version of the manuscript.

Funding

This research was funded by the Innovative Human Resource Development for Local Intellectualization program through the Institute of Information & Communications Technology Planning & Evaluation (IITP) grant funded by the Korea government (MSIT) (IITP-2024-RS-2023-00259678).

Data Availability Statement

The original contributions presented in the study are included in the. Further inquiries can be directed to the corresponding author.

Acknowledgments

This work was supported by the Innovative Human Resource Development for Local Intellectualization program through the Institute of Information & Communications Technology Planning & Evaluation (IITP) grant funded by the Korea government (MSIT) (IITP-2024-RS-2023-00259678).

Conflicts of Interest

The authors declare no conflicts of interest.

References

  1. Heo, S.-K.; Yoon, S.-B.; Kim, B.-S.; Lee, S.-H. Trends of Diffusion and Development of Hydrogen Filling Stations and Fuel Cell Electronic Vehicles at Domestic and Overseas. J. Korean Soc. Automot. Eng. 2018, 40, 72–76. [Google Scholar]
  2. Kim, C.-H.; Kim, G.-W.; Kim, H.-S. Analysis of Domestic and Foreign Policy and Technology Trends for Hydogen Industry Development. J. Hydrog. New Energy 2023, 34, 122–131. [Google Scholar] [CrossRef]
  3. Greenhouse Gas Emissions from a Typical Passenger Vehicle. Greenhouse Gas Emissions from a Typical Passenger Vehicle|US EPA. Available online: https://www.epa.gov/greenvehicles/greenhouse-gas-emissions-typical-passenger-vehicle (accessed on 12 June 2023).
  4. Global EV Outlook 2024. April 2024. Available online: https://www.iea.org/reports/global-ev-outlook-2024 (accessed on 12 April 2024).
  5. Ding, D.; Wu, X.-Y. Hydrogen fuel cell electric trains: Technologies, current status, and future. Appl. Energy Combusion Sci. 2024, 17, 100255. [Google Scholar] [CrossRef]
  6. Hyundai NEXO Retains Fuel Cell EV Leadership; Toyota Mirai Follows Fast. Hyundai NEXO Retains Fuel Cell EV Leadership; Toyota Mirai Follows Fast—KED Global. Available online: https://www.kedglobal.com/electric-vehicles/newsView/ked202309110019 (accessed on 11 September 2023).
  7. How Do Fuel Cell Electric Vehicles Work Using Hydrogen? Alternative Fuels Data Center: How Do Fuel Cell Electric Vehicles Work Using Hydrogen? Available online: https://afdc.energy.gov/vehicles/how-do-fuel-cell-electric-cars-work (accessed on 15 October 2016).
  8. Rahavi, J.-S.A.; Kanagapriya, T.; Seyezhai, R. Design and analysis of Interleaved Boost Converter for renewable energy source. In Proceedings of the 2012 International Conference on Computing, Electronics and Electrical Technologies (ICCEET), Nagercoil, India, 21–22 March 2012; pp. 447–451. [Google Scholar]
  9. Lee, J.-S.; Hwang, Y.-S.; Kang, S.-H.; Kwon, M.-J.; Jang, E.-S.; Lee, B.-K. Multi-Phase Interleaved ZVT Boost Converter With a Single Soft-Switching Cell. Trans. Korean Inst. Power Electron. 2022, 27, 247–255. [Google Scholar]
  10. Swamy, H.-M.-M.; Guruswamy, K.-P.; Singh, S.-P. Modeling and Analysis of Two Level Interleaved Boost Converter. In Proceedings of the 2013 International Conference on Machine Intelligence and Research Advancement, Katra, India, 21–23 December 2013; pp. 509–514. [Google Scholar]
  11. Kosai, H.; McNeal, S.; Jordan, B.; Scofield, J.; Ray, B.; Turgut, Z. Coupled Inductor Characterization for a High Performance Interleaved Boost Converter. IEEE Trans. Magn. 2009, 45, 4812–4815. [Google Scholar] [CrossRef]
  12. Ray, B.; Kosai, H.; McNeal, S.; Jordan, B.; Scofield, J. A comprehensive multi-mode performance analysis of interleaved boost converters. In Proceedings of the 2010 IEEE Energy Conversion Congress and Exposition, Atlanta, GA, USA, 12–16 September 2010; pp. 3014–3021. [Google Scholar]
  13. Granados-Luna, T.R.; Araujo-Vargas, I.; Forsyth, A.J.; Cano-Pulido, K.; Velázquez-Elizondo, P.E.; Cervantes, I.; Gómez-Olguín, F.; Villarruel-Parra, A. Two-Phase, Dual Interleaved Buck–Boost DC–DC Converter for Automotive Applications. IEEE Trans. Ind. Appl. 2020, 56, 390–402. [Google Scholar] [CrossRef]
  14. Rana, N.; Kumar, M.; Ghosh, A.; Banerjee, S. A Novel Interleaved Tri-State Boost Converter with Lower Ripple and Improved Dynamic Response. IEEE Trans. Ind. Electron. 2018, 65, 5456–5465. [Google Scholar] [CrossRef]
  15. Samad, M.-A.; Xia, Y.; Manzoor, T.; Mehmood, K.; Saleem, A.; Milyani, A.-H.; Azhari, A.-A. Composite model predictive control for the boost converter and two-phase interleaved boost converter. Front. Energy Res. 2023, 10, 1009812. [Google Scholar] [CrossRef]
  16. Vaghela, M.-A.; Mulla, M.-A. Improved Dynamic Response of Coupled Inductor-Based High-Step-Up-Gain DC–DC Converter Using Interleaved Technique. Arab. J. Sci. Eng. 2023, 48, 14913–14926. [Google Scholar] [CrossRef]
  17. Banerjee, S.; Ghosh, A.; Rana, N. An Improved Interleaved Boost Converter With PSO-Based Optimal Type-III Controller. IEEE J. Emerg. Sel. Top. Power Electron. 2017, 5, 323–337. [Google Scholar] [CrossRef]
Figure 1. Hydrogen fuel cell system in the transportation sector. (a) Railway propulsion system. (b) Fuel cell electric vehicle system.
Figure 1. Hydrogen fuel cell system in the transportation sector. (a) Railway propulsion system. (b) Fuel cell electric vehicle system.
Energies 17 06276 g001
Figure 2. Fuel cell DC-DC converter for the proposed control method.
Figure 2. Fuel cell DC-DC converter for the proposed control method.
Energies 17 06276 g002
Figure 3. Key waveform of the proposed DC-DC converter. (a) Key waveform for D > 0.5. (b) Key waveform for D < 0.5.
Figure 3. Key waveform of the proposed DC-DC converter. (a) Key waveform for D > 0.5. (b) Key waveform for D < 0.5.
Energies 17 06276 g003
Figure 4. Key waveform of the proposed DCDC converter with one interval of zero current (D < 0.5).
Figure 4. Key waveform of the proposed DCDC converter with one interval of zero current (D < 0.5).
Energies 17 06276 g004
Figure 5. Current flow of the proposed DCDC converter with one interval of zero current (D < 0.5). (a) Mode 1 (t0t1). (b) Mode 2 (t1t2). (c) Mode 3 (t2t3). (d) Mode 4 (t3t4). (e) Mode 5 (t4t5). (f) Mode 6 (t5t6).
Figure 5. Current flow of the proposed DCDC converter with one interval of zero current (D < 0.5). (a) Mode 1 (t0t1). (b) Mode 2 (t1t2). (c) Mode 3 (t2t3). (d) Mode 4 (t3t4). (e) Mode 5 (t4t5). (f) Mode 6 (t5t6).
Energies 17 06276 g005
Figure 6. Current flow of the proposed DCDC converter with one interval of zero current.
Figure 6. Current flow of the proposed DCDC converter with one interval of zero current.
Energies 17 06276 g006
Figure 7. Current flow of the proposed DCDC converter with one interval of zero current (D < 0.5). (a) Mode 1 (t0t1). (b) Mode 2 (t1t2). (c) Mode 3 (t2t3). (d) Mode 4 (t3t4). (e) Mode 5 (t4t5). (f) Mode 6 (t5t6). (g) Mode 7 (t5t6). (h) Mode 8 (t5t6).
Figure 7. Current flow of the proposed DCDC converter with one interval of zero current (D < 0.5). (a) Mode 1 (t0t1). (b) Mode 2 (t1t2). (c) Mode 3 (t2t3). (d) Mode 4 (t3t4). (e) Mode 5 (t4t5). (f) Mode 6 (t5t6). (g) Mode 7 (t5t6). (h) Mode 8 (t5t6).
Energies 17 06276 g007
Figure 8. Current control block diagram.
Figure 8. Current control block diagram.
Energies 17 06276 g008
Figure 9. Normalized feedforward duty for input voltage.
Figure 9. Normalized feedforward duty for input voltage.
Energies 17 06276 g009
Figure 10. Current controller with CCM, DCM duty feedforward.
Figure 10. Current controller with CCM, DCM duty feedforward.
Energies 17 06276 g010
Figure 11. Experimental Duty Cycle Extraction Method for the 2D Look-Up Table Construction.
Figure 11. Experimental Duty Cycle Extraction Method for the 2D Look-Up Table Construction.
Energies 17 06276 g011
Figure 12. 3D Plot of inductor current, input voltage, and duty cycle.
Figure 12. 3D Plot of inductor current, input voltage, and duty cycle.
Energies 17 06276 g012
Figure 13. Correction algorithm for the Look-Up Table.
Figure 13. Correction algorithm for the Look-Up Table.
Energies 17 06276 g013
Figure 14. PI controller with the proposed feedforward compensation method.
Figure 14. PI controller with the proposed feedforward compensation method.
Energies 17 06276 g014
Figure 15. Waveform of a controller in CCM operation without feedforward (I/O: 330 V/590 V). (a) Without feedforward. (b) With feedforward.
Figure 15. Waveform of a controller in CCM operation without feedforward (I/O: 330 V/590 V). (a) Without feedforward. (b) With feedforward.
Energies 17 06276 g015
Figure 16. Waveform of a controller in DCM operation without feedforward (I/O: 330 V/828 V). (a) Without feedforward. (b) With feedforward.
Figure 16. Waveform of a controller in DCM operation without feedforward (I/O: 330 V/828 V). (a) Without feedforward. (b) With feedforward.
Energies 17 06276 g016
Figure 17. Waveform of a controller in DCM operation without feedforward (I/O: 330 V/590 V). (a) Without feedforward. (b) With feedforward.
Figure 17. Waveform of a controller in DCM operation without feedforward (I/O: 330 V/590 V). (a) Without feedforward. (b) With feedforward.
Energies 17 06276 g017
Figure 18. Waveform of a controller in DCM operation without feedforward (I/O: 330 V/828 V). (a) Without feedforward. (b) With feedforward.
Figure 18. Waveform of a controller in DCM operation without feedforward (I/O: 330 V/828 V). (a) Without feedforward. (b) With feedforward.
Energies 17 06276 g018
Figure 19. Waveform of a controller in CCM operation in the experiment (I/O: 330 V/590 V). (a) Without feedforward. (b) With feedforward.
Figure 19. Waveform of a controller in CCM operation in the experiment (I/O: 330 V/590 V). (a) Without feedforward. (b) With feedforward.
Energies 17 06276 g019
Figure 20. Waveform of a controller in CCM operation in the experiment (I/O: 330 V/828 V). (a) Without feedforward. (b) With feedforward.
Figure 20. Waveform of a controller in CCM operation in the experiment (I/O: 330 V/828 V). (a) Without feedforward. (b) With feedforward.
Energies 17 06276 g020
Figure 21. Waveform of a controller in DCM operation in the experiment (I/O: 330 V/590 V). (a) Without feedforward. (b) With feedforward.
Figure 21. Waveform of a controller in DCM operation in the experiment (I/O: 330 V/590 V). (a) Without feedforward. (b) With feedforward.
Energies 17 06276 g021
Figure 22. Waveform of a controller in DCM operation in the experiment (I/O: 330 V/828 V). (a) Without feedforward. (b) With feedforward.
Figure 22. Waveform of a controller in DCM operation in the experiment (I/O: 330 V/828 V). (a) Without feedforward. (b) With feedforward.
Energies 17 06276 g022
Table 1. 2D Look-Up Table based on maximum output voltage of 828 V.
Table 1. 2D Look-Up Table based on maximum output voltage of 828 V.
Inductor Current (A)
5.1310.919.721.525.1528.1830
Input Voltage (V)1000.6370.7350.8530.880.880.880.88
103.50.6340.7230.85150.8750.8750.8750.875
2070.55990.6230.6880.6990.7210.73920.75
310.50.5130.5630.6050.6110.6250.6250.625
4140.250.50.50.50.50.50.5
517.50.1570.2280.3080.3240.3520.3750.375
6210.10.1470.20.210.2270.2420.25
724.50.0650.09440.1250.1250.1250.1250.125
8280000000
Table 2. Simulation specifications for the proposed control method.
Table 2. Simulation specifications for the proposed control method.
ParametersSimulation Specification
Output power (PO)110 kW
Output voltage (VO)330–620 V
Input voltage (Vin)330–828 V
Output current (IO)132–333 A
Switching frequency (fs)50 kHz
DM coupled inductance (LDM)80 μH
Leakage inductance (Llkg1, Llkg2)15 μH
Disclaimer/Publisher’s Note: The statements, opinions and data contained in all publications are solely those of the individual author(s) and contributor(s) and not of MDPI and/or the editor(s). MDPI and/or the editor(s) disclaim responsibility for any injury to people or property resulting from any ideas, methods, instructions or products referred to in the content.

Share and Cite

MDPI and ACS Style

Jeong, S.-W.; Lee, D.-I.; Kwon, G.-H.; Youn, H.-S. Control Method for Improving Dynamic Characteristics of a DM-Coupled Inductor Boost Converter Using a 2D Look-Up Table. Energies 2024, 17, 6276. https://doi.org/10.3390/en17246276

AMA Style

Jeong S-W, Lee D-I, Kwon G-H, Youn H-S. Control Method for Improving Dynamic Characteristics of a DM-Coupled Inductor Boost Converter Using a 2D Look-Up Table. Energies. 2024; 17(24):6276. https://doi.org/10.3390/en17246276

Chicago/Turabian Style

Jeong, Seong-Wook, Dong-In Lee, Gyeong-Hyun Kwon, and Han-Shin Youn. 2024. "Control Method for Improving Dynamic Characteristics of a DM-Coupled Inductor Boost Converter Using a 2D Look-Up Table" Energies 17, no. 24: 6276. https://doi.org/10.3390/en17246276

APA Style

Jeong, S.-W., Lee, D.-I., Kwon, G.-H., & Youn, H.-S. (2024). Control Method for Improving Dynamic Characteristics of a DM-Coupled Inductor Boost Converter Using a 2D Look-Up Table. Energies, 17(24), 6276. https://doi.org/10.3390/en17246276

Note that from the first issue of 2016, this journal uses article numbers instead of page numbers. See further details here.

Article Metrics

Back to TopTop