Next Article in Journal
Formation and Evolution of Multi-Genetic Overpressure and Its Effect on Hydrocarbon Accumulation in the Dabei Area, Kuqa Depression, Tarim Basin, China
Next Article in Special Issue
Control Method for Improving Dynamic Characteristics of a DM-Coupled Inductor Boost Converter Using a 2D Look-Up Table
Previous Article in Journal
Algal-Mediated Carbon Dioxide Separation in Biological Hydrogen Production
Previous Article in Special Issue
Comparison of Bi-Directional Topologies for On-Board Charger: A 10.9 kW High-Efficiency High Power Density of DC-DC Stage
 
 
Font Type:
Arial Georgia Verdana
Font Size:
Aa Aa Aa
Line Spacing:
Column Width:
Background:
Article

A New Voltage-Doubler Rectifier for High-Efficiency LLC Resonant Converters

1
Department of Railroad Electrical and Electronics Engineering, Korea National University of Transportation, Uiwang 16106, Republic of Korea
2
Department of Railroad Electrical and Information Engineering, Korea National University of Transportation, Uiwang 16106, Republic of Korea
*
Author to whom correspondence should be addressed.
Energies 2024, 17(24), 6262; https://doi.org/10.3390/en17246262
Submission received: 8 October 2024 / Revised: 28 November 2024 / Accepted: 10 December 2024 / Published: 11 December 2024
(This article belongs to the Special Issue Recent Development in DC-DC Converter)

Abstract

The LLC resonant converter is widely recognized as an effective solution for achieving high efficiency in high-frequency operations. This is primarily due to its ability to perform zero-voltage switching (ZVS) on primary switches and zero-current switching (ZCS) on secondary rectifier switches. However, implementing the secondary rectifier of an LLC resonant converter often requires the use of jumpers on the PCB to construct circuit topologies such as the center-tap rectifier (CTR), full-bridge rectifier, and voltage-doubler rectifier (VDR). In conventional VDR configurations, the source voltage of the high-side FET fluctuates according to the switching operation of the primary switch. This fluctuation necessitates auxiliary windings or bootstrap circuits to provide a floating voltage source, adding significant complexity to gate drive circuits in high-power-density applications. This complexity poses a major barrier to the practical adoption of VDRs. To address these challenges, this paper proposes a novel rectification circuit based on the VDR topology, specifically designed for LLC resonant converters, offering simplified gate drive circuitry and improved suitability for high-power-density applications.

1. Introduction

Recent advancements in semiconductor technologies, particularly silicon carbide (SiC) and gallium nitride (GaN) devices, have facilitated the development of high-frequency power modules without compromising efficiency [1,2,3]. Among various converter topologies, the LLC resonant converter is notable for achieving zero-voltage switching (ZVS) on the primary-side switches across the entire load range and zero-current switching (ZCS) on the secondary rectifier diodes, thereby reducing the size of magnetic components [4,5,6,7,8].
The LLC resonant converter is highly suited for high-efficiency and high-power-density power conversion systems [9]. Moreover, the resonant tank generates a nearly sinusoidal current waveform, minimizing power losses caused by harmonic currents compared to pulse-width-modulated (PWM) converters [10,11,12]. However, the LLC resonant converter encounters challenges in controlling the output voltage under no-load conditions. This limitation, which is more pronounced at high operating frequencies, arises from the junction capacitance (Cj) of the secondary rectifier diodes [13,14].
Furthermore, when secondary rectifiers utilize field-effect transistors (FETs) in low-voltage, high-current power modules, the larger equivalent output capacitance (Coss) of FETs compared to Schottky diodes exacerbates the issue. Although several methods have been proposed to address light-load voltage regulation, these approaches often compromise overall efficiency [15,16].
This paper proposes a novel rectification circuit based on the voltage-doubler rectifier (VDR) topology for LLC resonant converters to address these challenges effectively.
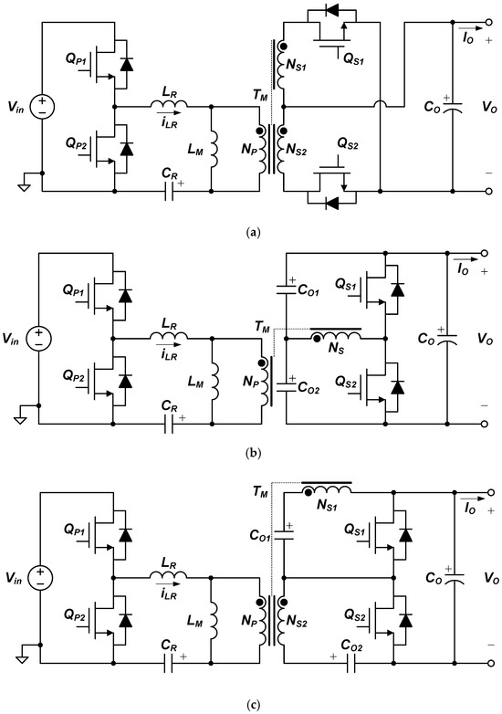
Meanwhile, instead of a CTR shown in Figure 1a, the LLC resonant converter utilizing a VDR shown in Figure 1b exhibits a lower equivalent Coss value reflected to the primary resonant circuit, as analyzed in [11]. Consequently, the VDR-based LLC converter demonstrates superior regulation characteristics under light-load conditions. However, conventional VDR implementations require a high-side gate drive circuit, often involving a bootstrap or auxiliary transformer windings, which complicate the design of high-current, high-frequency power modules. To resolve these issues, a novel VDR circuit for LLC resonant converters is proposed, as shown in Figure 1c.

2. LLC Converter with New VDR

2.1. Operation Principles

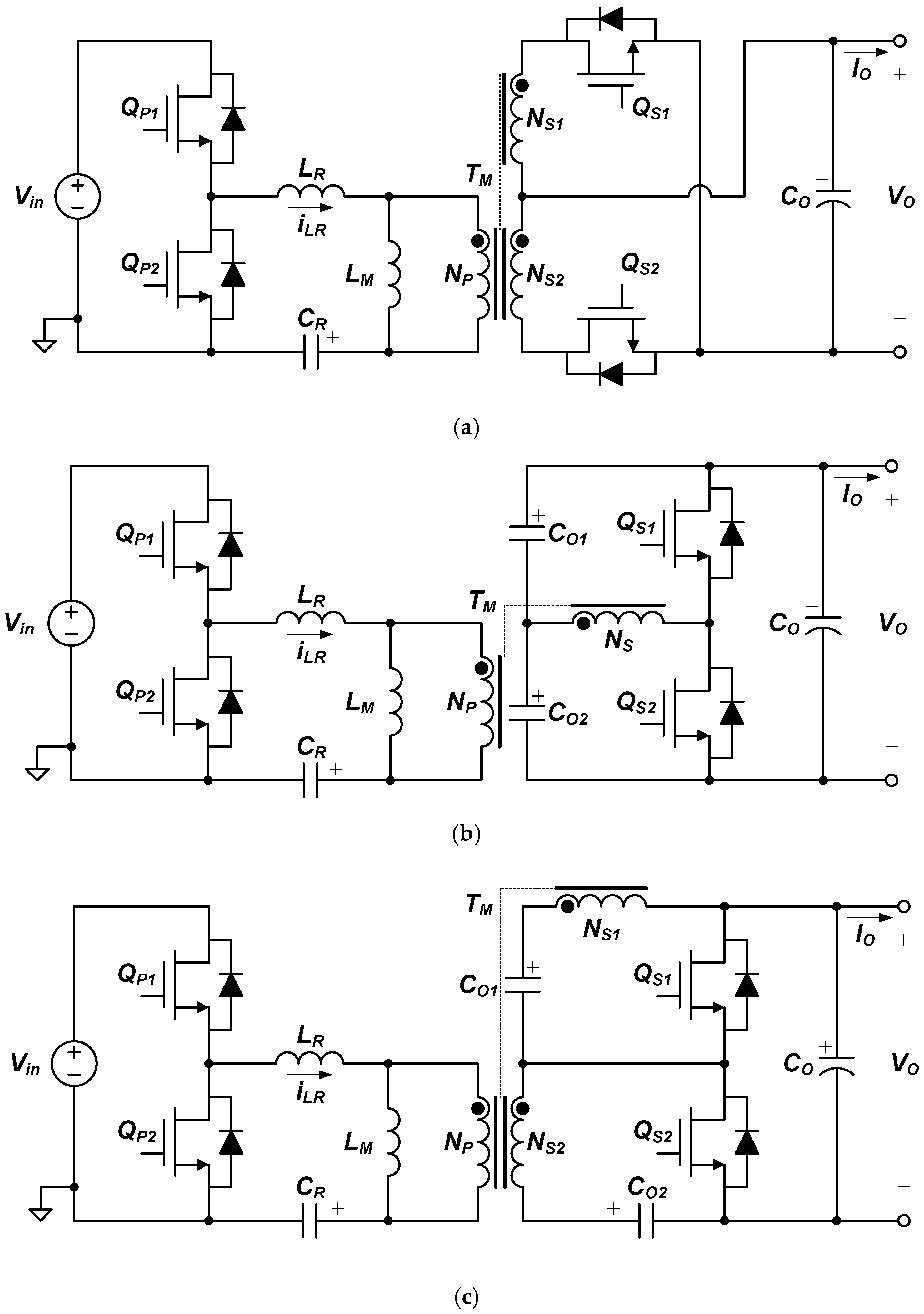
A circuit diagram of the proposed converter is shown in Figure 2. The primary circuit is the same as a conventional Half-Bridge LLC resonant converter, while the secondary rectifier adopts the proposed VDR structure. The proposed VDR consists of two capacitors and two rectifier diodes, similar to the conventional VDR, but with a split secondary winding, as described in [13]. The operation of the proposed converter can be divided into two symmetrical modes, akin to the conventional LLC resonant converter. In Mode 1, when Qp1 turns on, DS1 conducts, charging CO1 and discharging CO2, as shown in Figure 2a. Conversely, when QP2 is triggered, mode 2 enables the discharging current of CO1 and the charging current of CO2 to flow through QS2, as shown in Figure 2b.
The main current waveforms, depicted in Figure 3, demonstrate that the resonant current flows through the two secondary windings of the transformer during both modes, resulting in a low RMS value. Assuming that NS1 = NS2, during mode 1, the voltage across NS1 is equal to VCO1, and the voltage across NS2 equal to VOVCO2. In Mode 2, the voltage relationships are reversed. Therefore, it follows that VCO1 = VCO2 = VO/2.
The proposed VDR exhibits the same low voltage stress VO as the conventional VDR. Furthermore, the proposed converter retains the fundamental operating characteristics of the conventional VDR, including the primary current and diode current waveforms. The input/output relationship equation for the LLC converter with the proposed VDR remains identical to that of the LLC converter with a conventional VDR and can be expressed as follows:
M = k × f n 2 k + 1 × f n 2 1 2 + f n 2 × f n 2 1 2 × k 2 × Q 2 ( f n = f s w f r   ,   f r = 1 2 π L r C r   ,   k = L m L r   ,   Q = 1 n 2 R e L r C r   ,   R e = 2 R o π 2 )
The normalized voltage gain M of the LLC resonant converter is described by the equation shown above. This equation is fundamental for analyzing the input/output relationship of both the proposed VDR and the conventional VDR configurations. It highlights that the proposed VDR retains the same operational characteristics as the conventional VDR, ensuring consistent performance under various operating conditions.
In the equation, the normalized switching frequency f n is defined as the ratio of the switching frequency f s w to the resonant frequency f r . The resonant frequency f r is determined by the resonant inductance L r and resonant capacitance C r , calculated as f r = 1 2 π L r C r . The inductance ratio k represents the ratio of the magnetizing inductance L m to the resonant inductance L r , while the quality factor Q quantifies the energy transfer efficiency in the resonant tank, defined as Q = 1 n 2 R e L r C r , where nnn is the transformer turns ratio and ReR_eRe is the equivalent load resistance. The equivalent load resistance R e is further expressed as R e = 2 R o π 2 with R o being the actual load resistance.
The parameters k , Q , and f n collectively determine the voltage gain M of the LLC converter. This equation ensures that the output voltage behavior of the proposed VDR remains identical to that of the conventional VDR under the same conditions, thus validating the compatibility of the proposed structure with standard LLC converter designs. Furthermore, the stable operating range provided by this equation supports the practical implementation of the proposed design in various power module applications.

2.2. Convenience of PCB Implementation with Planar Transformer

In conventional CTR and VDR methods, jumpers are necessary to establish connections between the secondary winding and the device. This is due to the requirement for PCB traces to accommodate high-current applications with fewer layers and narrower widths. However, the proposed VDR method eliminates the need for jumpers by enabling direct connections between the secondary winding and the device. The secondary circuit can be implemented using a planar transformer with a UU Core, thereby simplifying circuit design and improving PCB manufacturing efficiency [17].
The integration of a planar transformer into the proposed VDR facilitates PCB design by eliminating jumpers and optimizing PCB layer utilization. Conventional VDR-based LLC resonant converters often encounter challenges in PCB layout due to jumper usage, which increases conduction losses resulting from pattern resistance. In contrast, the proposed VDR-based LLC resonant converter directly connects the secondary winding and rectifier diodes using a planar transformer, simplifying the design and minimizing conduction losses.
As shown in Figure 4, the differences between the conventional VDR and the proposed VDR using a planar transformer with a UU Core are demonstrated. In the conventional VDR design (Figure 4a), jumpers are required to connect the secondary winding to the rectifier diodes, which complicates the PCB layout and increases conduction losses. Moreover, the narrow PCB traces required for high-current applications further constrain overall circuit efficiency and reliability. In contrast, the proposed VDR design (Figure 4b) eliminates the need for jumpers, allowing for direct connections and reducing layout complexity. The optimized PCB layout further improves layer utilization and facilitates more efficient manufacturing processes.
As shown in Figure 5, the layout of the proposed VDR-based LLC resonant converter using a planar transformer demonstrates these advantages. Unlike conventional VDR designs, which require jumpers and complicated PCB implementation, the proposed approach simplifies the layout while reducing complexity. This improvement not only enhances overall efficiency but also maximizes the effective utilization of PCB layers.

2.3. Simple Driving of SR FETs

The conventional VDR configuration presents a significant challenge due to variations in the source voltage of the high-side FET caused by the switching operation of the primary-side FET, complicating gate voltage application. In the conventional rectifier configuration, the anode terminals of the rectifier diodes DS1 and DS2 are connected to the negative terminals of CO1 and CO2, respectively. This configuration increases the complexity of driving the high-side FET, necessitating additional circuits or techniques such as a bootstrap diode and a capacitor to manage the gate voltage effectively, as shown in Figure 6a.
In contrast, the proposed VDR structure simplifies SR FET driving when implementing the rectifier circuits for low-voltage, high-current power modules. The upper and lower FETs can be driven more easily by utilizing the voltages across CO1 and CO2 as power sources for the gate drive operation. This eliminates the need for a bootstrap circuit or auxiliary winding. The doubler capacitors CO1 and CO2 provide a stable DC voltage that can directly supply a self-driving IC for the SR FET, ensuring efficient operation without additional floating voltage sources. This novel design streamlines the system and improves efficiency in driving the SR FETs. The proposed system supports an output voltage range of 12 V to 36 V, providing sufficient gate voltage to meet the threshold voltage requirements while staying within the absolute maximum gate voltage limits.
Additionally, by using advanced SR FET gate drivers, such as the TEA2093TS (NXP Semiconductors, Eindhoven, The Netherlands) or UCC24630 (Texas Instruments, Dallas, TX, USA), the proposed VDR design can drive SR FETs more directly and efficiently compared to the conventional VDR configuration. These drivers are well suited for the simplified structure shown in Figure 6b, as they utilize the stable voltage supplied by CO1 and CO2 to directly operate the gates of QS1 and QS2. This direct driving capability not only enhances system performance but also reduces the complexity of gate driving circuits. Consequently, the proposed design offers a more robust and easily implementable solution for low-voltage, high-current power module applications.
As shown in Figure 6, the SR FET driving circuits of both converters are compared. While the driving circuit for the low-side SR FET is identical in both configurations, the high-side SR FET driving circuit in the conventional VDR (Figure 6a) additionally requires a bootstrap diode and a capacitor, increasing circuit complexity. In contrast, the proposed configuration (Figure 6b) eliminates this requirement, relying instead on the doubler capacitors CO1 and CO2 to supply the gate drive voltage directly, simplifying the design and improving reliability.

3. Experimental Results

To evaluate the effectiveness of the proposed VDR, a 24 V/240 W output prototype was implemented for both the conventional VDR LLC and the proposed VDR LLC converters. The key components used in the prototypes are listed in Table 1. For the 24 V/240 W output power module, the design specifications are Vin = 355~408 V, PO,max = 240 W, VO = 24 V. The experimental results obtained with the prototypes confirm the validity of the proposed circuit. As shown in Figure 7, the prototype consists of the primary side, which includes the resonant tank circuit and transformer, and the secondary side, which incorporates the synchronous rectifier SR FETs and doubler capacitors. The layout highlights the integration of essential components in a compact design for efficient operation. This physical implementation validates the compatibility of the proposed topology with the design specifications and demonstrates its capability to achieve the intended performance under experimental conditions.
The proposed converter achieves the same DC gain as a conventional VDR LLC resonant converter, and its resonant tank design is comparable to that of an LLC converter with a CTR. Moreover, the proposed VDR LLC resonant converter shares common parameters with the conventional VDR LLC resonant converter, including the same turn ratio, secondary SR FETs, and doubler capacitors. The control strategy to verify the operational principles of the proposed VDR LLC resonant converter is general voltage control, as shown in Figure 8.
As shown in Figure 9 and Figure 10, the experimental waveform of the proposed VDR converter, measured under an input voltage of 400 V, closely resembles those of the conventional VDR converter in terms of current and voltage characteristics. The performance of the proposed converter was tested under varying load conditions, specifically at 10% and 100% loads. In both cases, the primary current and rectifier diode current waveforms aligned with the theoretical predictions. Furthermore, an analysis of the resonant circuit revealed that the resonant current and voltage observed during the experiments were consistent with theoretical expectations, demonstrating reliable performance across different load conditions. Therefore, while the proposed converter shares basic operating characteristics with the conventional VDR, it distinguishes itself through simplified SR FET driving.
The simplification of SR FET driving significantly enhances the convenience of circuit design by eliminating the need for jumpers during PCB manufacturing, reducing circuit complexity, and minimizing potential manufacturing errors. Additionally, the use of SR FETs improves overall system efficiency. Unlike the conventional VDR method, which relies on complex driving circuits for high-speed switching, the proposed method simplifies the driving circuits, reducing switching losses. The reduction in switching losses translates directly to the minimization of power losses, which is a crucial factor in enhancing system efficiency.
In addition to its design advantages, the proposed converter is expected to demonstrate superior performance compared to the conventional VDR method. Simplified SR FET driving facilitates stable operation at high frequencies, enabling increased power density. Moreover, it ensures stable operation under high-voltage and high-current conditions, making it highly applicable across various fields. In conclusion, the proposed converter offers significant improvements over the conventional VDR method. The simplification of the PCB manufacturing process, increased efficiency, and ease of design through the simplification of the driving circuit are key advantages. These benefits collectively highlight the proposed converter’s potential to provide a notable performance enhancement compared to the conventional VDR.
Figure 9 and Figure 10 illustrate the measured SR switching waveform variations under different load conditions for both the conventional VDR and the proposed VDR, with measurements conducted at an input voltage of 400 V. Following this, Figure 11 and Figure 12 present the SR switching waveforms obtained at an input voltage of 355 V in the respective VDRs.
Figure 13 and Figure 14 show primary ZVS waveforms with output voltage and primary resonant current waveforms under 355 V and 400 V inputs, respectively. Figure 15 shows the results of comparing the efficiency of the proposed and the conventional converters under different input voltage conditions. Efficiency measurements were conducted under two input voltage levels: a 400 V nominal input voltage and a 355 V minimum input voltage. Figure 15a illustrates the efficiency results at the nominal input voltage of 400 V, while Figure 15b presents the results at the minimum input voltage of 355 V. These measurements provide a comprehensive evaluation of the converters’ performance across varying load conditions.
As shown in Figure 15a, at a 400 V input, the proposed VDR LLC converter consistently outperforms the conventional VDR LLC converter across all load conditions. At light loads, the efficiency of the proposed converter starts at 89.17%, compared to 88.64% for the conventional converter. This efficiency advantage becomes more pronounced as the load increases, with the proposed converter peaking at 95.92% efficiency at full load, while the conventional converter reaches a maximum of 95.68%. The reduced conduction losses in the proposed converter, achieved by eliminating jumpers during PCB implementation, significantly contribute to this improvement. Similarly, Figure 15b shows the efficiency comparison under a lower input voltage of 355 V. While both converters experience a slight decrease in overall efficiency due to higher conduction losses at lower input voltages, the proposed VDR LLC converter still demonstrates superior performance. At a 10% load, the efficiency of the proposed converter is 88.40%, slightly higher than the conventional converter’s 88.14%. At full load, the proposed converter achieves 94.77%, compared to 94.13% for the conventional design. These results highlight the robustness of the proposed VDR design, maintaining higher efficiency across a wide range of operating conditions.
The improvement in efficiency can be attributed to the elimination of jumpers and the simplified PCB design of the proposed VDR circuit. By widening and optimizing high-current flow paths, conduction losses are minimized, leading to enhanced overall system performance. This benefit is particularly significant under high-output and high-voltage conditions, as shown in Figure 15a. Moreover, the consistent efficiency advantage at lower input voltages, as depicted in Figure 15b, demonstrates the versatility of the proposed design for applications requiring stable performance across varying voltage levels.
Furthermore, the elimination of jumpers not only reduces power losses but also enhances the convenience and flexibility of PCB implementation. This advantage allows for simplified circuit design, making the proposed converter a practical solution for high-efficiency power conversion in a wide range of applications. These results underline the potential of the proposed VDR LLC converter as a significant advancement in the design and implementation of power conversion systems.

4. Conclusions

In this paper, the performance improvements of LLC resonant converters adopting the new VDR method are investigated. The proposed VDR structure simplifies SR FET driving and enhances power conversion efficiency while optimizing PCB design. By incorporating UU-type planar transformers, the complexity of the PCB layout is significantly reduced, enabling greater integration and reliability. The experimental results confirm that the proposed VDR-based LLC resonant converter retains the fundamental operating characteristics of conventional VDR LLC converters while achieving improved overall system performance. These structural enhancements demonstrate improved efficiency without compromising the inherent high efficiency and voltage stability of LLC converters.
In particular, the proposed converter exhibits excellent performance in low-voltage, high-current power module applications, indicating its potential to effectively replace conventional VDR LLC resonant converters. Furthermore, the proposed VDR-based LLC resonant converter provides a promising solution for applications requiring high-efficiency power conversion. In conclusion, the proposed VDR method significantly improves the performance of LLC resonant converters by offering a simplified structure and high implementation efficiency. These characteristics make it suitable for low-voltage, high-current power systems, underscoring its potential for broader applications in modern power electronics.

Author Contributions

Conceptualization, C.-E.K.; methodology, C.-E.K.; validation, J.-H.Y.; formal analysis, J.-H.Y. and C.-E.K.; investigation, J.-H.Y.; resources, C.-E.K.; data curation, J.-H.Y.; writing—original draft preparation, J.-H.Y.; writing—review and editing, C.-E.K.; visualization, J.-H.Y.; supervision, C.-E.K.; project administration, C.-E.K.; funding acquisition, C.-E.K. All authors have read and agreed to the published version of the manuscript.

Funding

This work was supported by Korea National University of Transportation Industry-Academy Cooperation Foundation in 2024.

Data Availability Statement

Data are contained within the article.

Conflicts of Interest

The authors declare no conflicts of interest.

References

  1. Yang, B.; Lee, F.C.; Zhang, A.J.; Huang, G. LLC resonant converter for front end DC/DC conversion. In Proceedings of the APEC. Seventeenth Annual IEEE Applied Power Electronics Conference and Exposition (Cat. No.02CH37335), Dallas, TX, USA, 10–14 March 2002; pp. 1108–1112. [Google Scholar]
  2. Yang, B.; Lee, F.C.; Concannon, M. Over current protection methods for LLC resonant converter. In Proceedings of the Eighteenth Annual IEEE Applied Power Electronics Conference and Exposition, 2003. APEC ‘03, Miami Beach, FL, USA, 9–13 February 2003; pp. 605–609. [Google Scholar]
  3. Zhang, G.; Zhang, J.; Chen, Z.; Wu, X.; Qian, Z. LLC Resonant DC/DC Converter with Current-Driven Synchronized Voltage-Doubler Rectifier. In Proceedings of the 2009 IEEE Energy Conversion Congress and Exposition, San Jose, CA, USA, 20–24 September 2009. [Google Scholar]
  4. Lu, B.; Liu, W.; Liang, Y.; Lee, F.C.; van Wyk, J.D. Optimal design methodology for LLC resonant converter. In Proceedings of the Twenty-First Annual IEEE Applied Power Electronics Conference and Exposition, 2006. APEC ‘06, Dallas, TX, USA, 19–23 March 2006; pp. 533–538. [Google Scholar]
  5. Fang, X.; Hu, H.; Shen, Z.J.; Batarseh, I. Operation Mode Analysis and Peak Gain Approximation of the LLC Resonant Converter. Proc. IEEE 2012, 27, 1985–1995. [Google Scholar] [CrossRef]
  6. Fu, D.; Liu, Y.; Lee, F.C.; Xu, M. A Novel Driving Scheme for Synchronous Rectifiers in LLC Resonant Converters. Proc. IEEE 2009, 24, 1321–1329. [Google Scholar] [CrossRef]
  7. Lin, B.-R.; Yang, W.-R.; Chen, J.-J.; Huang, C.-L.; Yu, M.-H. Interleaved LLC Series Converter with Output Voltage Doubler. In Proceedings of the 2010 International Power Electronics Conference -ECCE ASIA-, Sapporo, Japan, 21–24 June 2010. [Google Scholar]
  8. Peng, H.; Wang, C.; Fang, X.; Cao, L.; Li, L. An Input-Coupling LLC Converter with Wide Input Voltage Range and High Efficiency. Proc. IEEE 2024, 39, 11948–11954. [Google Scholar] [CrossRef]
  9. Jiao, L.; Li, L.; Wang, C.; Zhang, S.; Liu, B.; Fang, X. High-Precision Time-Domain Analysis Method Based on the Superposition Principle for CLLC Converter in Above-Resonant-Frequency Mode. Proc. IEEE 2024, 39, 14550–14564. [Google Scholar] [CrossRef]
  10. Jung, J.-H.; Kwon, J.-G. Theoretical analysis and optimal design of LLC resonant converter. In Proceedings of the 2007 European Conference on Power Electronics and Applications, Aalborg, Denmark, 2–5 September 2007. [Google Scholar]
  11. Shahzad, M.I.; Iqbal, S.; Taib, S. Interleaved LLC Converter with Cascaded Voltage-Doubler Rectifiers for Deeply Depleted PEV Battery Charging. Proc. IEEE 2017, 4, 89–98. [Google Scholar] [CrossRef]
  12. Choi, H.-S. Design Consideration of Half-Bridge LLC Resonant Converter. J. Power Electron. 2007, 7, 13–20. [Google Scholar]
  13. Kim, C.-E. Minimization of Abnormal Output Voltage Rising for LLC Resonant Converter at Very Light Load. Proc. IEEE 2020, 67, 10295–10303. [Google Scholar] [CrossRef]
  14. Zeng, J.; Liao, J.; Wang, J.; Qian, Z. A Current-Driving Synchronous Rectifier for an LLC Resonant Converter With Voltage-Doubler Rectifier Structure. Proc. IEEE 2012, 27, 1894–1904. [Google Scholar]
  15. Amiri, P.; Botting, C.; Craciun, M.; Eberle, W.; Wang, L. Analytic–Adaptive LLC Resonant Converter Synchronous Rectifier Control. Proc. IEEE 2021, 36, 5941–5953. [Google Scholar] [CrossRef]
  16. Lee, B.-H.; Kim, M.-Y.; Kim, C.-E.; Park, K.-B.; Moon, G.-W. Analysis of LLC Resonant Converter Considering Effects of Parasitic Components. In Proceedings of the INTELEC 2009-31st International Telecommunications Energy Conference, Incheon, Republic of Korea, 18–22 October 2009. [Google Scholar]
  17. Pathipati, V.K.; Azeez, N.A.; Aditya, K.; Williamson, S.S. Performance Analysis of a High-efficiency Multi-winding Wireless EV Charging System Using U-U and U-I Core Geometries. In Proceedings of the 2016 IEEE Transportation Electrification Conference and Expo (ITEC), Dearborn, MI, USA, 27–29 June 2016. [Google Scholar]
Figure 1. (a) Conventional CTR, (b) conventional VDR, and (c) proposed VDR with SR FET.
Figure 1. (a) Conventional CTR, (b) conventional VDR, and (c) proposed VDR with SR FET.
Energies 17 06262 g001
Figure 2. Current path of (a) mode 1 and (b) mode 2.
Figure 2. Current path of (a) mode 1 and (b) mode 2.
Energies 17 06262 g002
Figure 3. Main current waveforms of the proposed converter.
Figure 3. Main current waveforms of the proposed converter.
Energies 17 06262 g003
Figure 4. (a) Conventional VDR and (b) proposed VDR with planar transformer using UU core.
Figure 4. (a) Conventional VDR and (b) proposed VDR with planar transformer using UU core.
Energies 17 06262 g004
Figure 5. PCB implementation of (a) conventional VDR and (b) proposed VDR.
Figure 5. PCB implementation of (a) conventional VDR and (b) proposed VDR.
Energies 17 06262 g005
Figure 6. SR FET driving circuit of (a) conventional VDR and (b) proposed VDR.
Figure 6. SR FET driving circuit of (a) conventional VDR and (b) proposed VDR.
Energies 17 06262 g006
Figure 7. Prototype of proposed VDR LLC resonant converter module.
Figure 7. Prototype of proposed VDR LLC resonant converter module.
Energies 17 06262 g007
Figure 8. Control strategy for proposed VDR LLC resonant converter.
Figure 8. Control strategy for proposed VDR LLC resonant converter.
Energies 17 06262 g008
Figure 9. SR switching waveforms of conventional VDR under 400 V input at (a) 10% and (b) 100% loads.
Figure 9. SR switching waveforms of conventional VDR under 400 V input at (a) 10% and (b) 100% loads.
Energies 17 06262 g009
Figure 10. SR switching waveforms of proposed VDR under 400 V input VDR at (a) 10% and (b) 100% loads.
Figure 10. SR switching waveforms of proposed VDR under 400 V input VDR at (a) 10% and (b) 100% loads.
Energies 17 06262 g010
Figure 11. SR switching waveforms of conventional VDR under 355 V input at (a) 10% and (b) 100% loads.
Figure 11. SR switching waveforms of conventional VDR under 355 V input at (a) 10% and (b) 100% loads.
Energies 17 06262 g011
Figure 12. SR switching waveforms of proposed VDR under 355 V input at (a) 10% and (b) 100% loads.
Figure 12. SR switching waveforms of proposed VDR under 355 V input at (a) 10% and (b) 100% loads.
Energies 17 06262 g012
Figure 13. Primary ZVS and output voltage waveforms of proposed VDR under 355 V input at (a) 10% load and (b) 100% load.
Figure 13. Primary ZVS and output voltage waveforms of proposed VDR under 355 V input at (a) 10% load and (b) 100% load.
Energies 17 06262 g013
Figure 14. Primary ZVS and output voltage waveforms of proposed VDR under 400 V input at (a) 10% load and (b) 100% load.
Figure 14. Primary ZVS and output voltage waveforms of proposed VDR under 400 V input at (a) 10% load and (b) 100% load.
Energies 17 06262 g014
Figure 15. Measured efficiency of proposed and conventional VDR LLC converters under (a) nominal input voltage (400 V) and (b) minimum input voltage (355 V).
Figure 15. Measured efficiency of proposed and conventional VDR LLC converters under (a) nominal input voltage (400 V) and (b) minimum input voltage (355 V).
Energies 17 06262 g015
Table 1. Experimental Parameters of 240 W prototype.
Table 1. Experimental Parameters of 240 W prototype.
ParametersValue
Input voltage, Vin355 V~408 V (nominal 400 V)
24 V
Output voltage, Vo
Output current, Io0~10 A
Switching frequencyFs = 87~105 kHz
Transformer turns ratioNP:NS = 34:2
Magnetizing inductanceLM = 700 μH
Resonant inductanceLR = 58 μH
Resonant capacitorCR = 44 nF
Doubler capacitorCO1, CO2 = 88 μF
Output capacitorCO = 1200 μF
Primary FET, QP1 and QP2TK290P60Y
SR FET, QS1 and QS2BSC016N06NST
SR driverTEA1999TS
Disclaimer/Publisher’s Note: The statements, opinions and data contained in all publications are solely those of the individual author(s) and contributor(s) and not of MDPI and/or the editor(s). MDPI and/or the editor(s) disclaim responsibility for any injury to people or property resulting from any ideas, methods, instructions or products referred to in the content.

Share and Cite

MDPI and ACS Style

Yeo, J.-H.; Kim, C.-E. A New Voltage-Doubler Rectifier for High-Efficiency LLC Resonant Converters. Energies 2024, 17, 6262. https://doi.org/10.3390/en17246262

AMA Style

Yeo J-H, Kim C-E. A New Voltage-Doubler Rectifier for High-Efficiency LLC Resonant Converters. Energies. 2024; 17(24):6262. https://doi.org/10.3390/en17246262

Chicago/Turabian Style

Yeo, Jung-Hyun, and Chong-Eun Kim. 2024. "A New Voltage-Doubler Rectifier for High-Efficiency LLC Resonant Converters" Energies 17, no. 24: 6262. https://doi.org/10.3390/en17246262

APA Style

Yeo, J.-H., & Kim, C.-E. (2024). A New Voltage-Doubler Rectifier for High-Efficiency LLC Resonant Converters. Energies, 17(24), 6262. https://doi.org/10.3390/en17246262

Note that from the first issue of 2016, this journal uses article numbers instead of page numbers. See further details here.

Article Metrics

Back to TopTop