Adaptive Disturbance Rejection and Power Smoothing Control for Offshore Hydraulic Wind Turbines Based on Pitch and Motor Tilt Angles
Abstract
1. Introduction
2. Modeling of Hydraulic Wind Turbine
2.1. Mathematical Models of Wind Turbine
2.2. Mathematical Models of the Hydraulic Main Transmission System
2.3. Mathematical Model of Synchronous Generator
2.4. Mathematical Model of System
3. Smooth Power Control Process
3.1. HWT Smooth Power Control Target
3.2. Dynamic Disturbance of Wind Turbine Torque and Speed
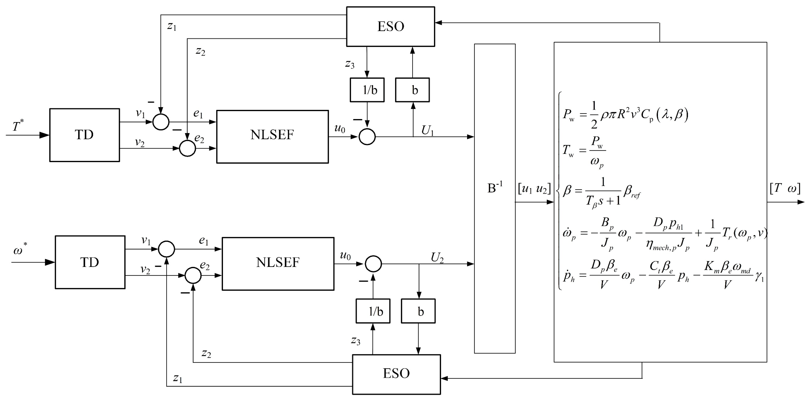
3.3. ADRC Control Strategy
4. Simulation of Smooth Power Control Strategy
5. Experiment of Smooth Power Control Strategy
6. Conclusions
Author Contributions
Funding
Data Availability Statement
Conflicts of Interest
References
- IEA. World Energy Outlook. 2023. Available online: https://www.iea.org/reports/world-energy-outlook-2023 (accessed on 15 October 2024).
- Global Wind Energy Council (GWEC). Global Offshore Wind Report; Global Wind Energy Council (GWEC): Brussels, Belgium, 2024. [Google Scholar]
- Ahmed, S.D.; Al-Ismail, F.S.M.; Shafiullah, M.; Al-Sulaiman, F.A.; El-Amin, I.M. Grid Integration Challenges of Wind Energy: A Review. IEEE Access 2020, 8, 10857–10878. [Google Scholar] [CrossRef]
- Roggenburg, M.; Esquivel-Puentes, H.A.; Vacca, A.; Evans, H.B.; Garcia-Bravo, J.M.; Warsinger, D.M.; Ivantysynova, M.; Castillo, L. Techno-economic analysis of a hydraulic transmission for floating offshore wind turbines. Renew. Energy 2020, 153, 1194–1204. [Google Scholar] [CrossRef]
- Carroll, J.; McDonald, A.; McMillan, D. Failure rate, repair time and unscheduled O&M cost analysis of offshore wind turbines. Wind Energy 2016, 19, 1107–1119. [Google Scholar]
- Artigao, E.; Martín-Martínez, S.; Honrubia-Escribano, A.; Gómez-Lázaro, E. Wind turbine reliability: A comprehensive review towards effective condition monitoring development. Appl. Energy 2018, 228, 1569–1583. [Google Scholar] [CrossRef]
- Reder, M.D.; Gonzalez, E.; Melero, J.J. Wind Turbine Failures—Tackling current Problems in Failure Data Analysis. In Proceedings of the Conference on Science of Making Torque from Wind (TORQUE), Munich, Germany, 5–7 October 2016. [Google Scholar]
- Spinato, F.; Tavner, P.J.; van Bussel, G.J.W.; Koutoulakos, E. Reliability of wind turbine subassemblies. IET Renew. Power Gener. 2009, 3, 387–401. [Google Scholar] [CrossRef]
- Lin, Y.G.; Tu, L.; Liu, H.W.; Li, W. Fault analysis of wind turbines in China. Renew. Sustain. Energy Rev. 2016, 55, 482–490. [Google Scholar] [CrossRef]
- Lin, S.Y.; Zhao, X.W.; Tong, X. Feasibility Studies of a Converter-Free Grid-Connected Offshore Hydrostatic Wind Turbine. IEEE Trans. Sustain. Energy 2020, 11, 2494–2503. [Google Scholar] [CrossRef]
- Zhu, Y.; Zang, H.X.; Cheng, L.X.; Gao, S.Y. Output Power Smoothing Control for a Wind Farm Based on the Allocation of Wind Turbines. Appl. Sci. 2018, 8, 980. [Google Scholar] [CrossRef]
- da Silva, P.L.T.; Rosas, P.A.C.; Castro, J.F.C.; Marques, D.D.; Aquino, R.R.B.; Rissi, G.F.; Neto, R.C.; Barbosa, D. Power Smoothing Strategy for Wind Generation Based on Fuzzy Control Strategy with Battery Energy Storage System. Energies 2023, 16, 6017. [Google Scholar] [CrossRef]
- Zhu, Y.; Wang, Z.; Guo, X.; Wei, Z. An improved kinetic energy control strategy for power smoothing of PMSG-WECS based on low pass filter and fuzzy logic controller. Electr. Power Syst. Res. 2023, 214, 108816. [Google Scholar] [CrossRef]
- Zhang, J.; Liu, L.; Liu, Y.; Zhu, Y.; Yan, J. Research on Robust Model Predictive Control Strategy of Wind Turbines to Reduce Wind Power Fluctuation. Electr. Power Syst. Res. 2022, 213, 108809. [Google Scholar] [CrossRef]
- Lyu, X.; Jia, Y.; Xu, Z.; Ostergaard, J. Mileage-Responsive Wind Power Smoothing. IEEE Trans. Ind. Electron. 2020, 67, 5209–5212. [Google Scholar] [CrossRef]
- Gao, W.; Zhang, Y.; Zhang, L.; Ai, C.; Chen, L. Research on a power smoothing control strategy for energy storage hydraulic wind turbines. Energy Sci. Eng. 2023, 11, 989–1004. [Google Scholar] [CrossRef]
- Ai, C.; Wu, C.; Zhao, F.; Kong, X. Optimal power tracking control of a hydraulic wind turbine based on active disturbance rejection control methodology. Trans. Can. Soc. Mech. Eng. 2020, 44, 461–470. [Google Scholar] [CrossRef]
- Ai, C.; Bai, W.; Zhang, T.; Kong, X. Research on the key problems of MPPT strategy based on active power control of hydraulic wind turbines. Renew. Sustain. Energy 2019, 11, 013301. [Google Scholar] [CrossRef]
- Li, Y.L.; Huang, Y.; Ma, J.; Wang, B.S. Active Disturbance Rejection Controller for Hydraulic Turbine Generator System. In Proceedings of the 31st Chinese Control Conference, Hefei, China, 25–27 July 2012; pp. 4684–4688. [Google Scholar]
- Wang, Q.W.; Du, Z.L.; Chen, W.T.; Ai, C.; Kong, X.D.; Zhang, J.R.; Liu, K.Y.; Chen, G.X. Maximum Power Point Tracking Control of Offshore Hydraulic Wind Turbine Based on Radial Basis Function Neural Network. Energies 2024, 17, 449. [Google Scholar] [CrossRef]
- Bakarac, P.; Horvathova, M.; Galcikova, L.; Oravec, J.; Bakosova, M. Approximated MPC for embedded hardware: Recursive random shooting approach. Comput. Chem. Eng. 2022, 165, 107928. [Google Scholar] [CrossRef]
- Do, M.H.; Soeffker, D. Wind turbine robust disturbance accommodating control using non-smooth H∞ optimization. Wind Energy 2022, 25, 107–124. [Google Scholar] [CrossRef]
- Zhang, T.G.; Yu, H.H.; Yu, B.; Ai, C.; Lou, X.X.; Xiang, P.J.; Li, R.L.; Li, J.C. Electro-Hydraulic Servo-Pumped Active Disturbance Rejection Control in Wind Turbines for Enhanced Safety and Accuracy. Processes 2024, 12, 908. [Google Scholar] [CrossRef]
- Wang, X.J.; Feng, Y.M.; Sun, Y.W. Research on improved active disturbance rejection control of continuous rotary motor electro-hydraulic servo system. J. Cent. South Univ. 2020, 27, 3733–3743. [Google Scholar] [CrossRef]
- Gao, B.W.; Guan, H.; Zhang, W.; Shen, W.; Ye, Y.T. Three kinds of improved designs and comparative analysis based on active disturbance rejection controller. J. Mech. Sci. Technol. 2023, 37, 965–976. [Google Scholar] [CrossRef]
- Ma, T.B.; Guo, X.X.; Su, G.Y.; Deng, H.S.; Yang, T. Research on Synchronous Control of Active Disturbance Rejection Position of Multiple Hydraulic Cylinders of Digging-Anchor-Support Robot. Sensors 2023, 23, 4092. [Google Scholar] [CrossRef] [PubMed]
- Zhang, K.G.; Liu, Y.J.; Jia, H.; Yan, F.; Xue, G. Research on a Three-Dimensional Fuzzy Active Disturbance Rejection Controller for the Mechanical Arm of an Iron Roughneck. Processes 2023, 11, 1409. [Google Scholar] [CrossRef]













| Controller | Parameter Code | Numerical Value |
|---|---|---|
| TD | r0 | 4 |
| h | 0.05 | |
| ESO | β01 | 20 |
| β02 | 133.3 | |
| β03 | −400 | |
| NLSEF | c | 1 |
| r | 200 | |
| h1 | 0.25 |
| Variable Name | Value | Unit |
|---|---|---|
| Rated power | 24 | kW |
| Rated wind speed | 13 | m/s |
| Total diameter of wind turbine | 7.48 | m |
| Maximum wind energy utilization factor | 0.4496 | / |
| Optimum tip speed ratio | 22.77 | / |
| Optimum tip speed ratio | 762 | r/min |
| Converted total inertia of hydraulic pump and rotor | 400 | Kg·m2 |
| Viscous damping coefficient of hydraulic pump | 0.4 | N·m·s/rad |
| Displacement of hydraulic pump | 63 | mL/r |
| Total leakage coefficient of hydraulic transmission system | 2.8 × 10−11 | m3/(s Pa) |
| Displacement gradient of variable motor | 40 | mL/r |
| Viscous damping coefficient of variable motor | 0.0345 | N·m·s/rad |
| Total inertia of hydraulic Motor | 0.462 | kg·m2 |
| Volumetric elastic modulus of oil | 743 × 106 | Pa |
| Volume of high-pressure pipeline cavity | 2.8 × 10−3 | m3 |
| Effective diameter of energy storage system pipeline | 0.025 | m |
| Effective length of energy storage system pipeline | 1.5 | m |
| Dynamic viscosity of oil | 1.1725 × 10−2 | kg/(m·s) |
Disclaimer/Publisher’s Note: The statements, opinions and data contained in all publications are solely those of the individual author(s) and contributor(s) and not of MDPI and/or the editor(s). MDPI and/or the editor(s) disclaim responsibility for any injury to people or property resulting from any ideas, methods, instructions or products referred to in the content. |
© 2024 by the authors. Licensee MDPI, Basel, Switzerland. This article is an open access article distributed under the terms and conditions of the Creative Commons Attribution (CC BY) license (https://creativecommons.org/licenses/by/4.0/).
Share and Cite
Yang, G.; Chen, L.; Cai, P.; Gao, W.; Ai, C. Adaptive Disturbance Rejection and Power Smoothing Control for Offshore Hydraulic Wind Turbines Based on Pitch and Motor Tilt Angles. Energies 2024, 17, 6244. https://doi.org/10.3390/en17246244
Yang G, Chen L, Cai P, Gao W, Ai C. Adaptive Disturbance Rejection and Power Smoothing Control for Offshore Hydraulic Wind Turbines Based on Pitch and Motor Tilt Angles. Energies. 2024; 17(24):6244. https://doi.org/10.3390/en17246244
Chicago/Turabian StyleYang, Guisheng, Lijuan Chen, Pengyang Cai, Wei Gao, and Chao Ai. 2024. "Adaptive Disturbance Rejection and Power Smoothing Control for Offshore Hydraulic Wind Turbines Based on Pitch and Motor Tilt Angles" Energies 17, no. 24: 6244. https://doi.org/10.3390/en17246244
APA StyleYang, G., Chen, L., Cai, P., Gao, W., & Ai, C. (2024). Adaptive Disturbance Rejection and Power Smoothing Control for Offshore Hydraulic Wind Turbines Based on Pitch and Motor Tilt Angles. Energies, 17(24), 6244. https://doi.org/10.3390/en17246244

