An FPGA-Based Trigonometric Kalman Filter Approach for Improving the Measurement Quality of a Multi-Head Rotational Encoder
Abstract
1. Introduction
2. Methods
2.1. Kalman Filter
2.1.1. Prediction
2.1.2. Correction
2.2. Geometric Processor
3. Proposed Method—Trigonometric Kalman Filter Application
3.1. Four-Head Position Sensor System
3.2. Measurement Modeling
3.3. State-Space Trigonometric Model of One Head
3.4. Trigonometric Kalman Filter Idea
4. Laboratory Results
4.1. Laboratory Setup
4.1.1. Telescope Mount
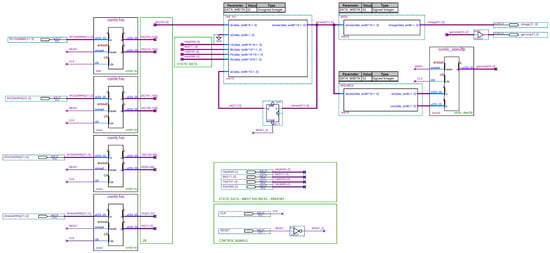
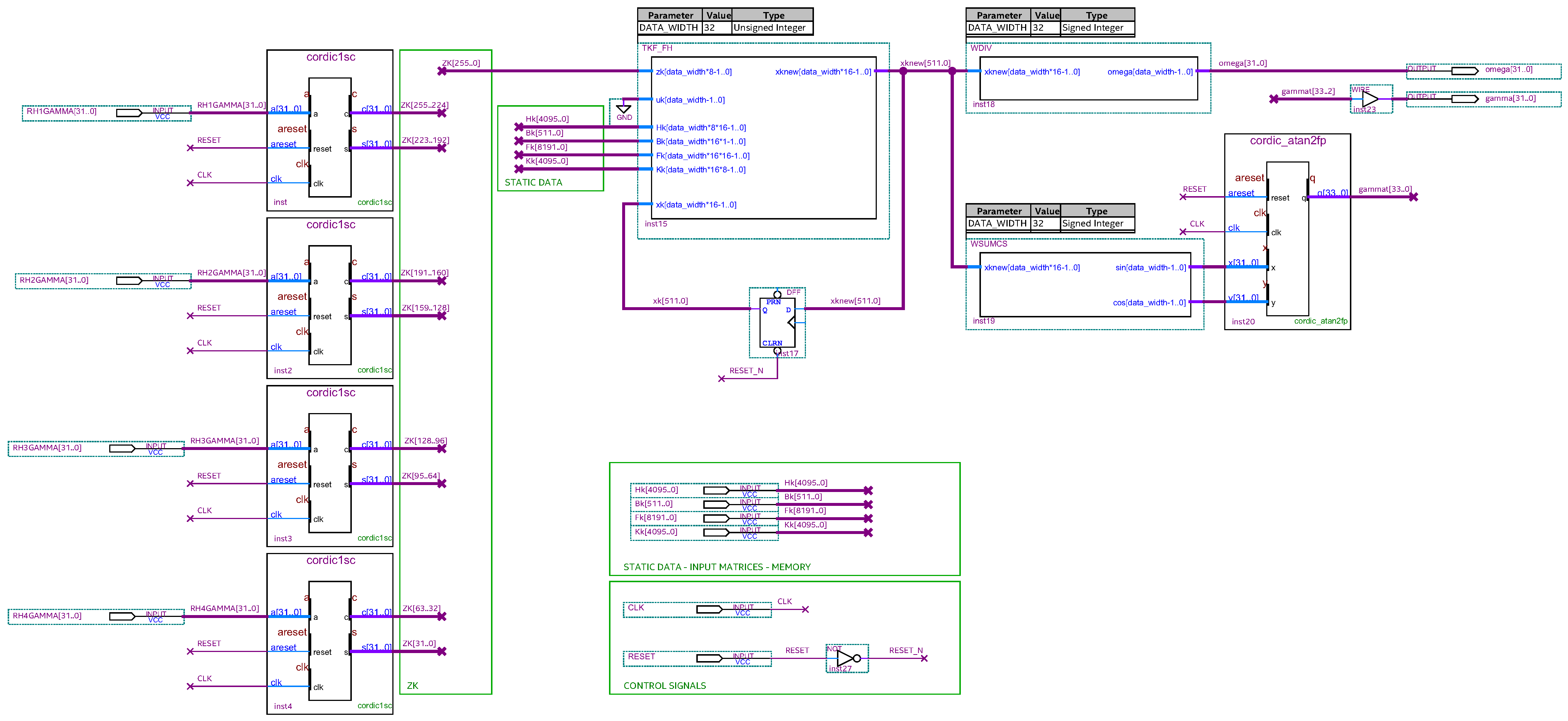
4.1.2. FPGA Controller
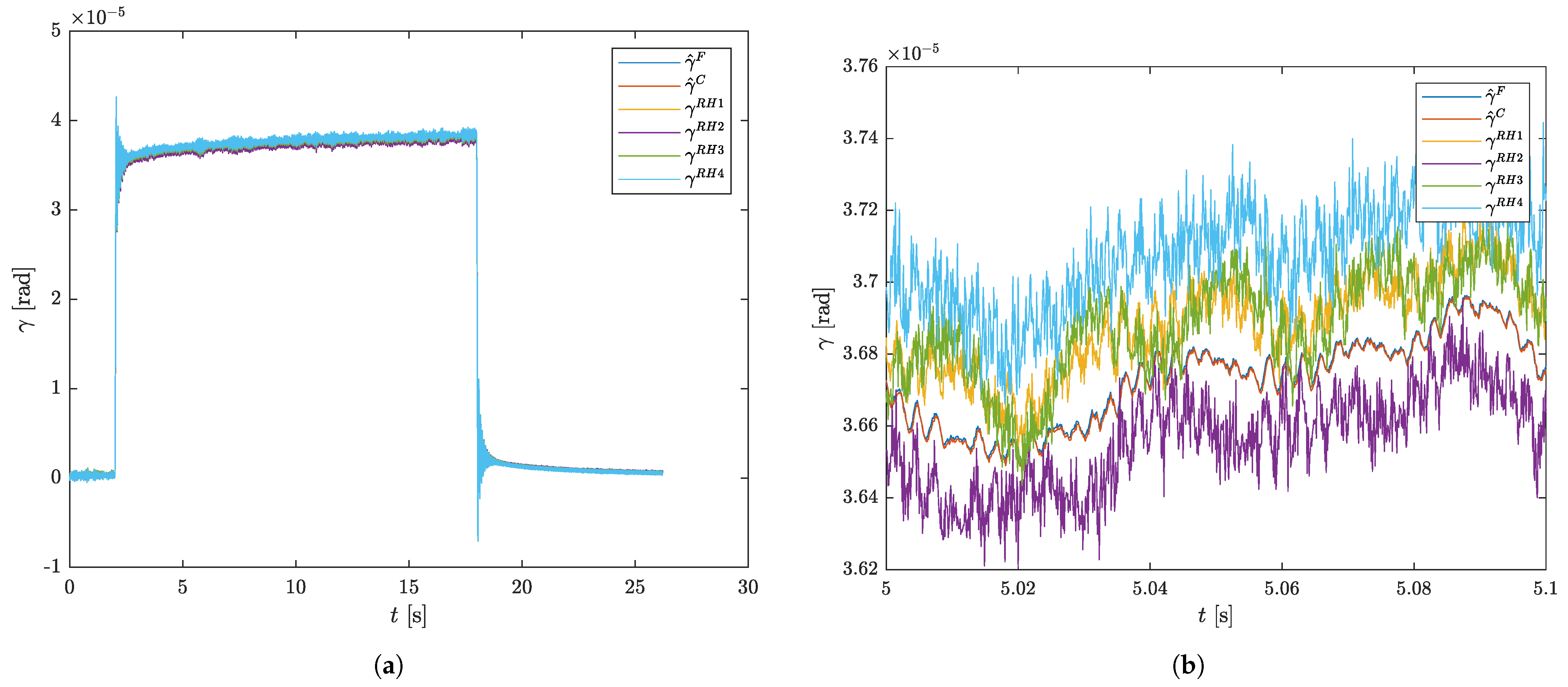
4.2. Experiment During Small Speed Changes’ Analysis
4.3. Discussion of Results
5. Conclusions
Funding
Data Availability Statement
Conflicts of Interest
Abbreviations
| FPGA | Field-programmable gate array |
| KF | Kalman filter |
| TKF | Trigonometric Kalman filter |
| EKF | Extended Kalman filter |
| UKF | Unscented Kalman filter |
| PMSM | Permanent-magnet synchronous motor |
Appendix A. Setup Parameters
| Description | Value | Unit |
|---|---|---|
| Motor type | 300STK1M custom | Alxion |
| Nominal drive torque | 50 | [Nm] |
| Maximal drive torque | 110 | [Nm] |
| Nominal current | 20 | [A] |
| Nominal voltage | 33 | [V] |
| Supply voltage | 24 | [V] |
| Encoder ring | REXA30USA300B | Renishaw |
| Ring diameter | 300 | [mm] |
| Optical resolution (pitch) | 30 | [μm] |
| Read heads | RA32BEA300B50F | Renishaw |
| Interface | BISS-C | |
| Resolution | 32 | bits |
References
- Bely, P.Y. The Design and Construction of Large Optical Telescopes; Astronomy and Astrophysics Library; Springer: New York, NY, USA, 2003. [Google Scholar] [CrossRef]
- Janiszewski, D.; Kielczewski, M. Kalman filter sensor fusion for multi-head position encoder. In Proceedings of the 19th European Conf. Power Electronics and Applications (EPE’17 ECCE Europe), Warsaw, Poland, 11–14 September 2017; pp. 1–7. [Google Scholar] [CrossRef]
- Bartkowiak, P.; Pazderski, D.; Mieszala, P. Gradient-Based Algorithm for Optimal Positioning of an Optical Instrument used for Laser Data Transmission. In Proceedings of the 2024 13th International Workshop on Robot Motion and Control (RoMoCo), Poznan, Poland, 2–4 July 2024; pp. 205–210. [Google Scholar] [CrossRef]
- Kozlowski, K.; Pazderski, D.; Krysiak, B.; Jedwabny, T.; Piasek, J.; Kozlowski, S.; Brock, S.; Janiszewski, D.; Nowopolski, K. High Precision Automated Astronomical Mount. In Proceedings of the Automation 2019, Warsaw, Poland, 27–29 March 2019; Szewczyk, R., Zieliński, C., Kaliczyńska, M., Eds.; Springer: Cham, Switzerland, 2020; pp. 299–315. [Google Scholar] [CrossRef]
- Laas-Bourez, M.; Coward, D.; Klotz, A.; Boër, M. A robotic telescope network for space debris identification and tracking. Adv. Space Res. 2011, 47, 402–410. [Google Scholar] [CrossRef]
- Abe, K.; Abe, S.; Aguasca-Cabot, A.; Agudo, I.; Alvarez Crespo, N.; Antonelli, L.A.; Aramo, C.; Arbet-Engels, A.; Cornelia, A.; Artero, M.; et al. Star tracking for pointing determination of Imaging Atmospheric Cherenkov Telescopes. Application to the Large-Sized Telescope of the Cherenkov Telescope Array. Astron. Astrophys. 2023, 679, A90. [Google Scholar] [CrossRef]
- Mayer, J. High-resolution of rotary encoder analog quadrature signals. IEEE Trans. Instrum. Meas. 1994, 43, 494–498. [Google Scholar] [CrossRef]
- Kalman, R.E. A New Approach to Linear Filtering and Prediction Problems. J. Basic Eng. 1960, 82, 35–45. [Google Scholar] [CrossRef]
- Sabatelli, S.; Galgani, M.; Fanucci, L.; Rocchi, A. A double stage Kalman filter for sensor fusion and orientation tracking in 9D IMU. In Proceedings of the IEEE Sensors Applications Symposium (SAS), Brescia, Italy, 7–9 February 2012; pp. 1–5. [Google Scholar] [CrossRef]
- Jung, S.H.; Moon, B.; Ahn, J.; Han, D. Comparative study of sensor fusion methods for hybrid positioning systems. In Proceedings of the URSI Asia-Pacific Radio Science Conference (URSI AP-RASC), Seoul, Republis of Korea, 21–25 August 2016; pp. 1669–1671. [Google Scholar] [CrossRef]
- Olofsson, B.; Antonsson, J.; Kortier, H.G.; Bernhardsson, B.; Robertsson, A.; Johansson, R. Sensor Fusion for Robotic Workspace State Estimation. IEEE/ASME Trans. Mechatron. 2016, 21, 2236–2248. [Google Scholar] [CrossRef]
- Hall, D.L.; Llinas, J. An introduction to multisensor data fusion. Proc. IEEE 1997, 85, 6–23. [Google Scholar] [CrossRef]
- Xu, S.S.; Lin, X.G. Asynchronous multi-sensor hierarchical adaptive data fusion algorithm. In Proceedings of the IEEE/ICME International Conference Complex Medical Engineering, Harbin, China, 22–25 May 2011; pp. 285–288. [Google Scholar] [CrossRef]
- Luo, R.C.; Chang, C.C.; Lai, C.C. Multisensor Fusion and Integration: Theories, Applications, and its Perspectives. IEEE Sens. J. 2011, 11, 3122–3138. [Google Scholar] [CrossRef]
- Yousefi, S.M.M.; Mohseni, S.S.; Dehbovid, H.; Ghaderi, R. Tracking of moving human in different overlapping cameras using Kalman filter optimized. EURASIP J. Adv. Signal Process. 2023, 2023, 114. [Google Scholar] [CrossRef]
- Vargas-Meléndez, L.; Boada, B.L.; Boada, M.J.L.; Gauchía, A.; Díaz, V. A Sensor Fusion Method Based on an Integrated Neural Network and Kalman Filter for Vehicle Roll Angle Estimation. Sensors 2016, 16, 1400. [Google Scholar] [CrossRef]
- Kavanagh, R. Performance analysis and compensation of M/T-type digital tachometers. IEEE Trans. Instrum. Meas. 2001, 50, 965–970. [Google Scholar] [CrossRef]
- Brock, S.; Zawirski, K. Improved Digital Speed Measurement Method. In Proceedings of the International Conference on Electrical Drives and Power Electronics, Stará Lesná, Slovakia, 5–7 October 1999; pp. 170–174. [Google Scholar]
- Zhang, X.; Gao, Q.; Gao, Q.; Yu, X.; Cheng, T.; Wang, Z.L. Triboelectric Rotary Motion Sensor for Industrial-Grade Speed and Angle Monitoring. Sensors 2021, 21, 1713. [Google Scholar] [CrossRef]
- Janiszewski, D. Real-time control of drive with elestic coupling based on motor position measured only. In Proceedings of the Industrial Electronics (ISIE), 2011 IEEE International Symposium, Gdansk, Poland, 27–30 June 2011; pp. 1931–1936. [Google Scholar] [CrossRef]
- Bretschneider, J.; Wilde, A.; Schneider, P.; Hohe, H.P.; Koehler, U. Design of multi-dimensional magnetic position sensor systems based on HallinOne® technology. In Proceedings of the 2010 IEEE International Symposium on Industrial Electronics, Bari, Italy, 4–7 July 2010; pp. 422–427. [Google Scholar] [CrossRef]
- Kavanagh, R. Shaft encoder characterization via theoretical model of differentiator with both differential and integral nonlinearities. IEEE Trans. Instrum. Meas. 2000, 49, 795–801. [Google Scholar] [CrossRef]
- Aguado-Rojas, M.; Pasillas-Lépine, W.; Loría, A.; De Bernardinis, A. Acceleration Estimation Using Imperfect Incremental Encoders in Automotive Applications. IEEE Trans. Control. Syst. Technol. 2020, 28, 1058–1065. [Google Scholar] [CrossRef]
- Hoang, H.V.; Jeon, J.W. An Efficient Approach to Correct the Signals and Generate High-Resolution Quadrature Pulses for Magnetic Encoders. IEEE Trans. Ind. Electron. 2011, 58, 3634–3646. [Google Scholar] [CrossRef]
- Martínez, R.; Zamora, E.; Sossa, H.; Arce, F.; Soriano, L.A. Orientation Modeling Using Quaternions and Rational Trigonometry. Machines 2022, 10, 749. [Google Scholar] [CrossRef]
- Wu, L.; Xu, S.; Zhong, Z.; Mou, C.; Wang, X. An Inductive Sensor for Two-Dimensional Displacement Measurement. Sensors 2020, 20, 1819. [Google Scholar] [CrossRef]
- Liu, Z.; Yang, M.; Long, J.; Xu, D. Speed measurement error reduction via adaptive strong tracking Kalman filters. In Proceedings of the 2017 IEEE Transportation Electrification Conference and Expo, Asia-Pacific (ITEC Asia-Pacific), Harbin, China, 7–10 August 2017; pp. 1–5. [Google Scholar] [CrossRef]
- Hagiwara, N.; Suzuki, Y.; Murase, H. A method of improving the resolution and accuracy of rotary encoders using a code compensation technique. IEEE Trans. Instrum. Meas. 1992, 41, 98–101. [Google Scholar] [CrossRef]
- Ren, B.; Jia, T.; Liu, H.; Wang, Y.; Yan, J. Efficient Estimation for Sensor Biases and Target States in the Presence of Sensor Position Errors. IEEE Sens. J. 2024, 24, 16551–16562. [Google Scholar] [CrossRef]
- Janiszewski, D. Sensorless Model Predictive Control of Permanent Magnet Synchronous Motors Using an Unscented Kalman Filter. Energies 2024, 17, 2387. [Google Scholar] [CrossRef]
- Urbanski, K.; Janiszewski, D. Sensorless Control of the Permanent Magnet Synchronous Motor. Sensors 2019, 19, 3546. [Google Scholar] [CrossRef]
- Romaniuk, S.; Gosiewski, Z. Kalman Filter Realization for Orientation and Position Estimation on Dedicated Processor. Acta Mech. Autom. 2014, 8, 88–94. [Google Scholar] [CrossRef]
- Spaulding, C.P. Sine-Cosine Angular Position Encoders. IRE Trans. Instrum. 1956, PGI-5, 161–167. [Google Scholar] [CrossRef]
- Alcázar Vargas, M.; Pérez Fernández, J.; Velasco García, J.M.; Cabrera Carrillo, J.A.; Castillo Aguilar, J.J. A Novel Method for Determining Angular Speed and Acceleration Using Sin-Cos Encoders. Sensors 2021, 21, 577. [Google Scholar] [CrossRef] [PubMed]
- Wang, Y.; Zhu, Z.; Zuo, Z. A Novel Design Method for Resolver-to-Digital Conversion. IEEE Trans. Ind. Electron. 2015, 62, 3724–3731. [Google Scholar] [CrossRef]
- Volder, J.E. The CORDIC Trigonometric Computing Technique. IRE Trans. Electron. Comput. 1959, EC-8, 330–334. [Google Scholar] [CrossRef]
- Meher, P.K.; Park, S.Y. Design of Cascaded CORDIC Based on Precise Analysis of Critical Path. Electronics 2019, 8, 382. [Google Scholar] [CrossRef]
- Wang, J.; Wang, J.; Zhang, D.; Shao, X.; Chen, G. Kalman filtering through the feedback adaption of prior error covariance. Signal Process. 2018, 152, 47–53. [Google Scholar] [CrossRef]
- Afshari, H.; Gadsden, S.; Habibi, S. Gaussian filters for parameter and state estimation: A general review of theory and recent trends. Signal Process. 2017, 135, 218–238. [Google Scholar] [CrossRef]
- Meher, P.K.; Valls, J.; Juang, T.B.; Sridharan, K.; Maharatna, K. 50 Years of CORDIC: Algorithms, Architectures, and Applications. IEEE Trans. Circuits Syst. Regul. Pap. 2009, 56, 1893–1907. [Google Scholar] [CrossRef]
- Zheng, D.; Zhang, S.; Zhang, Y.; Fan, C. Application of CORDIC in capacitive rotary encoder signal demodulation. In Proceedings of the 2012 8th IEEE International Symposium on Instrumentation and Control Technology (ISICT) Proceedings, London, UK, 11–13 July 2012; pp. 61–65. [Google Scholar] [CrossRef]
- Timmermann, D.; Hahn, H.; Hosticka, B.; Schmidt, G. A programmable CORDIC chip for digital signal processing applications. IEEE J. Solid-State Circuits 1991, 26, 1317–1321. [Google Scholar] [CrossRef]
- Rajan, S.; Wang, S.; Inkol, R.; Joyal, A. Efficient approximations for the arctangent function. IEEE Signal Process. Mag. 2006, 23, 108–111. [Google Scholar] [CrossRef]
- Ukil, A.; Shah, V.H.; Deck, B. Fast computation of arctangent functions for embedded applications: A comparative analysis. In Proceedings of the 2011 IEEE International Symposium on Industrial Electronics, Gdansk, Poland, 27–30 June 2011; pp. 1206–1211. [Google Scholar] [CrossRef]
- Hu, Y. The quantization effects of the CORDIC algorithm. IEEE Trans. Signal Process. 1992, 40, 834–844. [Google Scholar] [CrossRef] [PubMed]
- Deprettere, E.; Dewilde, P.; Udo, R. Pipelined cordic architectures for fast VLSI filtering and array processing. In Proceedings of the ICASSP ’84. IEEE International Conference on Acoustics, Speech, and Signal Processing, San Diego, CA, USA, 19–21 March 1984; Volume 9, pp. 250–253. [Google Scholar] [CrossRef]
- Pilato, L.; Fanucci, L.; Saponara, S. Real-Time and High-Accuracy Arctangent Computation Using CORDIC and Fast Magnitude Estimation. Electronics 2017, 6, 22. [Google Scholar] [CrossRef]
- Janiszewski, D. Extended Kalman Filter Based Speed Sensorless PMSM Control with Load Reconstruction. In Proceedings of the IECON 2006—32nd Annual Conference on IEEE Industrial Electronics, Paris, France, 6–10 November 2006; pp. 1465–1468. [Google Scholar] [CrossRef]
- Nandayapa, M.; Mitsantisuk, C.; Ohishi, K. High resolution position estimation for advanced motion control based on FPGA. In Proceedings of the IECON 2012—38th Annual Conference on IEEE Industrial Electronics Society, Montreal, QC, Canada, 25–28 October 2012; pp. 3808–3813. [Google Scholar] [CrossRef]
- Kalata, P.R. The Tracking Index: A Generalized Parameter for α − β and α − β − γ Target Trackers. IEEE Trans. Aerosp. Electron. Syst. 1984, AES-20, 174–182. [Google Scholar] [CrossRef]












| Observer Type | σγ [10−6] | σω [10−6] | f0 [HZ] | Comments |
|---|---|---|---|---|
| Direct RH1 | 364,000 | |||
| Direct RH2 | 686,000 | |||
| Direct RH3 | 583,000 | |||
| Direct RH4 | 852,000 | |||
| – RH1 | 470 | , | ||
| RH1 | 363 | , | ||
| TKF CPU | , , unstable | |||
| TKF CPU | 890 | , | ||
| TKF CPU | 860 | , | ||
| TKF CPU | 830 | , | ||
| TKF FPGA | 890 | , |
Disclaimer/Publisher’s Note: The statements, opinions and data contained in all publications are solely those of the individual author(s) and contributor(s) and not of MDPI and/or the editor(s). MDPI and/or the editor(s) disclaim responsibility for any injury to people or property resulting from any ideas, methods, instructions or products referred to in the content. |
© 2024 by the author. Licensee MDPI, Basel, Switzerland. This article is an open access article distributed under the terms and conditions of the Creative Commons Attribution (CC BY) license (https://creativecommons.org/licenses/by/4.0/).
Share and Cite
Janiszewski, D. An FPGA-Based Trigonometric Kalman Filter Approach for Improving the Measurement Quality of a Multi-Head Rotational Encoder. Energies 2024, 17, 6122. https://doi.org/10.3390/en17236122
Janiszewski D. An FPGA-Based Trigonometric Kalman Filter Approach for Improving the Measurement Quality of a Multi-Head Rotational Encoder. Energies. 2024; 17(23):6122. https://doi.org/10.3390/en17236122
Chicago/Turabian StyleJaniszewski, Dariusz. 2024. "An FPGA-Based Trigonometric Kalman Filter Approach for Improving the Measurement Quality of a Multi-Head Rotational Encoder" Energies 17, no. 23: 6122. https://doi.org/10.3390/en17236122
APA StyleJaniszewski, D. (2024). An FPGA-Based Trigonometric Kalman Filter Approach for Improving the Measurement Quality of a Multi-Head Rotational Encoder. Energies, 17(23), 6122. https://doi.org/10.3390/en17236122
