A Compact and High-Power Rectenna Array for Wireless Power Transmission Applications
Abstract
1. Introduction
2. Design of Rectifier with Serpentine Microstrip-Line Filter
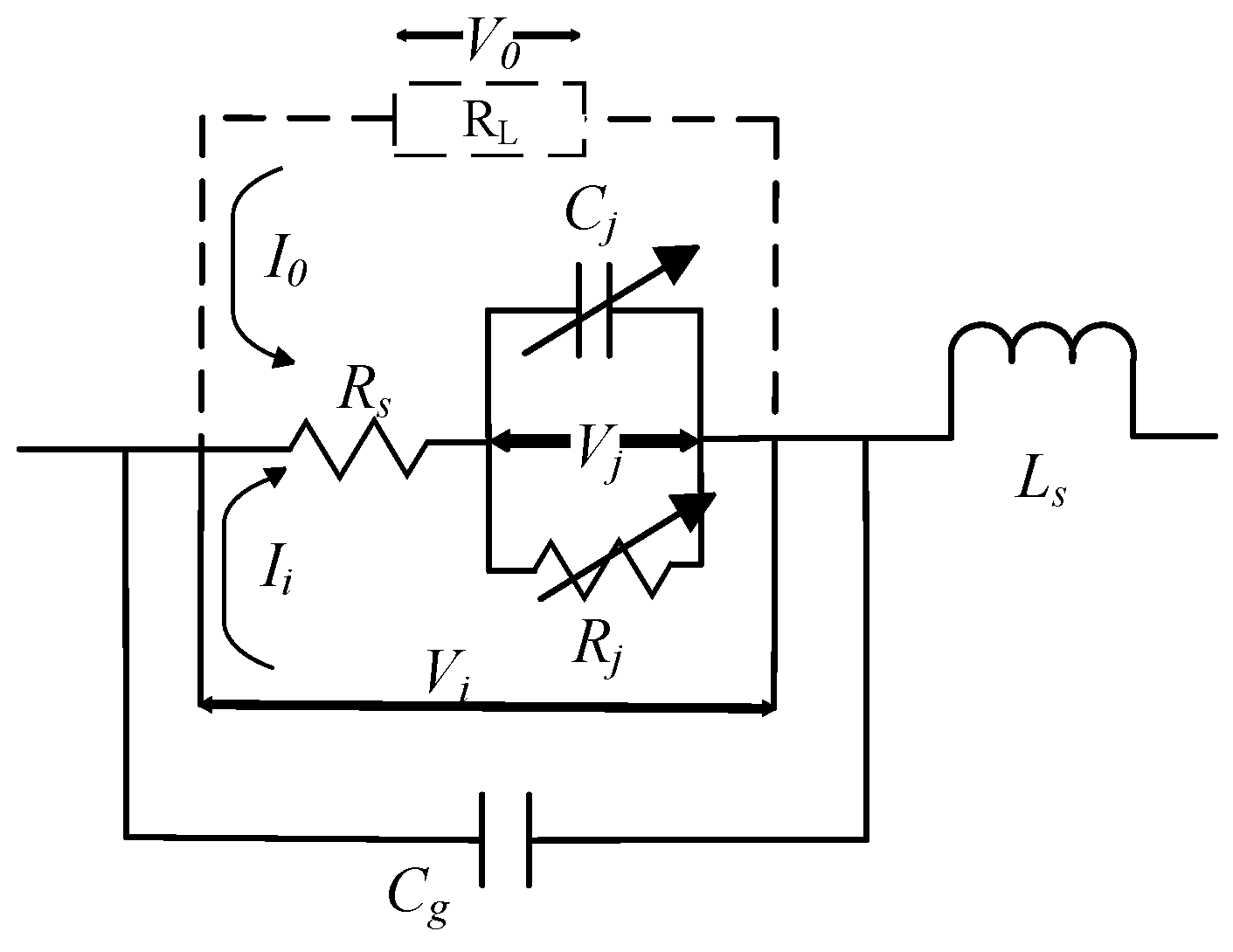
2.1. Principle of Recitfiers
2.2. Design and Analysis of Desired Rectifier
3. Design of Compact Rectangular Patch Rectenna Array
3.1. Antenna Design
3.1.1. Antenna Unit Design
3.1.2. Antenna Array Design
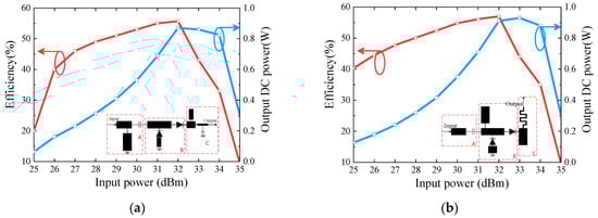
3.2. Experiment and Analysis of the Proposed Compact Rectenna Array
4. Wireless Power Transmission Experiments and Results
5. Conclusions
Author Contributions
Funding
Data Availability Statement
Conflicts of Interest
References
- Martin, T.C.; Tesla, N. The Inventions, Researches, and Writing of Nikola Tesla, with Special Reference to His Work in Polyphase Currents and High Potential Lighting; Angriff Press: Los Angeles, CA, USA, 1894. [Google Scholar]
- Fan, G.; Duan, B.; Zhang, Y.; Li, X.; Ji, X. Full-spectrum selective thin film-based photonic cooler for solar cells of space solar power station. Acta Astronaut. 2021, 180, 196–204. [Google Scholar] [CrossRef]
- Takano, T. Antennas for a Space Solar Power System and Technical Challenges. In Proceedings of the 16th European Conference on Antennas and Propagation (EuCAP), Madrid, Spain, 11 May 2022. [Google Scholar] [CrossRef]
- Wang, Y.; Wei, G.; Dong, Y.; Dong, S.; Yu, X.; Li, X. Analysis of Receiving Array and Rectifier for Megawatt SSPS. In Proceedings of the 2020 IEEE Wireless Power Transfer Conference (WPTC), Seoul, Republic of Korea, 24 December 2020. [Google Scholar] [CrossRef]
- Huo, Y.; Dong, X.; Lu, T.; Xu, W.; Yuen, M. Distributed and Multilayer UAV Networks for Next-Generation Wireless Communication and Power Transfer: A Feasibility Study. IEEE Internet Things J. 2019, 6, 7103–7115. [Google Scholar] [CrossRef]
- Miwatashi, K.; Shinohara, N.; Mitani, T. Design of Rectifier Circuit for Wireless Power Transfer to Pipeline Inspection Robots. In Proceedings of the 2020 IEEE Wireless Power Transfer Conference (WPTC), Seoul, Republic of Korea, 24 December 2020. [Google Scholar] [CrossRef]
- Zhou, Y.; Zhou, H.; Zhou, F.; Wu, Y.; Leung, V.C.M. Resource Allocation for a Wireless Powered Integrated Radar and Communication System. IEEE Wirel. Commun. Lett. 2019, 8, 253–256. [Google Scholar] [CrossRef]
- Liu, C.; Tan, F.; Zhang, H.; He, Q. A Novel Single-Diode Microwave Rectifier With a Series Band-Stop Structure. IEEE Trans. Microw. Theory Tech. 2017, 65, 600–606. [Google Scholar] [CrossRef]
- Roberg, M.; Falkenstein, E.; Popović, Z. High-efficiency harmonically-terminated rectifier for wireless powering applications. In Proceedings of the 2012 IEEE/MTT-S International Microwave Symposium Digest, Montreal, QC, Canada, 17–22 June 2012; pp. 1–3. [Google Scholar] [CrossRef]
- Liu, J.; Zhang, X.Y.; Yang, C.-L. Analysis and Design of Dual-Band Rectifier Using Novel Matching Network. IEEE Trans. Circuits Syst. II Express Briefs 2018, 65, 431–435. [Google Scholar] [CrossRef]
- Lu, J.-J.; Yang, X.-X.; Mei, H.; Tan, C. A Four-Band Rectifier With Adaptive Power for Electromagnetic Energy Harvesting. IEEE Microw. Wirel. Compon. Lett. 2016, 26, 819–821. [Google Scholar] [CrossRef]
- Kimionis, J.; Collado, A.; Tentzeris, M.M.; Georgiadis, A. Octave and Decade Printed UWB Rectifiers Based on Nonuniform Transmission Lines for Energy Harvesting. IEEE Trans. Microw. Theory Tech. 2017, 65, 4326–4334. [Google Scholar] [CrossRef]
- He, Z.; Lan, J.; Liu, C. Compact Rectifiers With Ultra-wide Input Power Range Based on Nonlinear Impedance Characteristics of Schottky Diodes. IEEE Trans. Power Electron. 2021, 36, 7407–7411. [Google Scholar] [CrossRef]
- Marian, V.; Vollaire, C.; Verdier, J.; Allard, B. Potentials of an Adaptive Rectenna Circuit. IEEE Antennas Wirel. Propag. Lett. 2011, 10, 1393–1396. [Google Scholar] [CrossRef]
- Hu, Y.-Y.; Sun, S.; Su, H.-J.; Yang, S.; Hu, J. Dual-Beam Rectenna Based on a Short Series-Coupled Patch Array. IEEE Trans. Antennas Propag. 2021, 69, 5617–5630. [Google Scholar] [CrossRef]
- Liu, C.; Lin, H.; He, Z.; Chen, Z. Compact Patch Rectennas Without Impedance Matching Network for Wireless Power Transmission. IEEE Trans. Microw. Theory Tech. 2022, 70, 2882–2890. [Google Scholar] [CrossRef]
- Sun, H.; Guo, Y.-X.; He, M.; Zhong, Z. A Dual-Band Rectenna Using Broadband Yagi Antenna Array for Ambient RF Power Harvesting. IEEE Antennas Wirel. Propag. Lett. 2013, 12, 918–921. [Google Scholar] [CrossRef]
- He, Z.; Lin, H.; Liu, C. Codesign of a Schottky Diode’s and Loop Antenna’s Impedances for Dual-Band Wireless Power Transmission. IEEE Antennas Wirel. Propag. Lett. 2020, 19, 1813–1817. [Google Scholar] [CrossRef]
- Nakashima, N.; Sumiyoshi, T. A prototype of a 900 MHz band integrated rectenna by using a planar monopole antenna with feeder. Radio Sci. 2024, 59, 1–12. [Google Scholar] [CrossRef]
- Zhang, X.; Cao, C.; Song, C. A Compact Dual-Band Dual-Circular-Polarization Wideband Rectenna Using Reverse Wilkinson Power Divider for Wireless Information and Power Transfer. IEEE Antennas Wirel. Propag. Lett. 2024, 23, 2728–2732. [Google Scholar] [CrossRef]
- Khodaei, M.; Boutayeb, H.; Talbi, L. A High Efficiency and Ultra-Wideband Rectenna For RF Energy Harvesting Application. In Proceedings of the 18th European Conference on Antennas and Propagation (EuCAP), Glasgow, UK, 17–22 March 2024; pp. 1–4. [Google Scholar] [CrossRef]
- Fernandez-Munoz, M.; Missous, M.; Sadeghi, M.; Lopez-Espi, P.L.; Sanchez-Montero, R.; Martinez-Rojas, J.A.; Diez-Jimenez, E. Fully Integrated Miniaturized Wireless Power Transfer Rectenna for Medical Applications Tested inside Biological Tissues. Electronics 2024, 13, 3159. [Google Scholar] [CrossRef]
- Tiberi, T.; Fazzini, E.; Costanzo, A.; Masotti, D. Exploitation of Harmonic Generation in Time-Controlled Frequency-Diverse Arrays for WPT. IEEE Trans. Antennas Propag. 2024, 72, 497–505. [Google Scholar] [CrossRef]
- Dhull, P.; Schreurs, D.; Paolini, G.; Costanzo, A.; Abolhasan, M.; Shariati, N. Multitone PSK Modulation Design for Simultaneous Wireless Information and Power Transfer. IEEE Trans. Microw. Theory Tech. 2024, 72, 446–460. [Google Scholar] [CrossRef]
- Bolos, F.; Blanco, J.; Collado, A.; Georgiadis, A. RF Energy Harvesting From multi-Tone and Digitally Modulated Signals. IEEE Trans. Microw. Theory Tech. 2016, 64, 1918–1927. [Google Scholar] [CrossRef]
- Ciccia, S.; Scionti, A.; Franco, G.; Giordanengo, G.; Terzo, O.; Vecchi, G. A Multi-Tone Rectenna System for Wireless Power Transfer. Energies 2020, 13, 2374. [Google Scholar] [CrossRef]
- Pozar, D.M. Microwave Engineering; John Wiley and Sons: Hoboken, NJ, USA, 2006. [Google Scholar]
- He, Z.; Yan, L.; Liu, C. An Adaptive Power Division Strategy for Nonlinear Components in Rectification. IEEE Trans. Power Electron. 2024, 39, 15436–15440. [Google Scholar] [CrossRef]
- Niu, S.; Lyu, R.; Lyu, J.; Chau, K.T.; Liu, W.; Jian, L. Optimal Resonant Condition for Maximum Output Power in Tightly-Coupled WPT Systems Considering Harmonics. IEEE Trans. Power Electron. 2024, 1–5. [Google Scholar] [CrossRef]
- Yoo, T.-W.; Chang, K. Theoretical and experimental development of 10 and 35 GHz rectennas. IEEE Trans. Microw. Theory Tech. 1992, 40, 1259–1266. [Google Scholar] [CrossRef]
- Lee, D.; Oh, J. Broad Dual-Band Rectifier With Wide Input Power Ranges for Wireless Power Transfer and Energy Harvesting. IEEE Microw. Wirel. Compon. Lett. 2022, 32, 599–602. [Google Scholar] [CrossRef]
- He, Z.; Lin, H.; Zhu, H.; Liu, C. A Compact High-Efficiency Rectifier With a Simple Harmonic Suppression Structure. IEEE Microw. Wirel. Compon. Lett. 2020, 30, 1177–1180. [Google Scholar] [CrossRef]
- Du, Z.-X.; Zhang, X.Y. High-Efficiency Microwave Rectifier With Less Sensitivity to Input Power Variation. IEEE Microw. Wirel. Compon. Lett. 2017, 27, 1001–1003. [Google Scholar] [CrossRef]
- Li, X.; Yang, L.; Huang, L. Novel Design of 2.45-GHz Rectenna Element and Array for Wireless Power Transmission. IEEE Access 2019, 7, 28356–28362. [Google Scholar] [CrossRef]
- Zhang, B.H.; Zhang, J.W.; Wu, Z.P.; Liu, C.G.; Zhang, B. A 2.45 GHz dielectric resonator rectenna for wireless power transmission. In Proceedings of the 2017 Sixth Asia-Pacific Conference on Antennas and Propagation (APCAP), Xi’an, China, 16–19 October 2017; pp. 1–3. [Google Scholar] [CrossRef]
- Sun, H.; Geyi, W. A New Rectenna With All-Polarization-Receiving Capability for Wireless Power Transmission. IEEE Antennas Wirel. Propag. Lett. 2016, 15, 814–817. [Google Scholar] [CrossRef]
















| Reverse Break Voltage | Junction Capacitance | Series Resistance | |
|---|---|---|---|
| Symbol | Vbr | Cj0 | Rs |
| Value | 25 V | 6.7 pF | 0.65 Ω |
| Maximum DC Output Power | Maximum Rectification Efficiency | Size | Maximum Output DC Power per Unit Area | |
|---|---|---|---|---|
| Rectifier with a capacitor as output filter | 0.89 W | 57.0% | 35.4 × 25.0 mm2 | 100.6 mW/cm2 |
| Proposed rectifier | 0.93 W | 57.6% | 27.3 × 28.0 mm2 | 121.7 mW/cm2 |
| Center Frequency | Maximum Rectification Efficiency | Input Power at Best Efficiency | Maximum DC Output Power | Consistency | |
|---|---|---|---|---|---|
| [31] | 2.45 GHz | 67.7% | 27.5 dBm | 0.72 W | Not Considered |
| [32] | 2.45 GHz | 80.2% | 25 dBm | 0.5 W | Not Considered |
| [33] | 2.45 GHz | 80% | 27 dBm | 0.76 W | Not Considered |
| This work | 2.45 GHz | 57.6% | 32 dBm | 0.93 W | Considered |
| L | W | W0 | W1 | L1 | |
|---|---|---|---|---|---|
| Calculated | 28.8 mm | 47.3 mm | 5.4 mm | - | - |
| Simulation optimized | 28 mm | 46 mm | 5.4 mm | 1 mm | 7.5 mm |
| Center Frequency | Maximum Rectification Efficiency | Power Density at Best Efficiency | Maximum DC Output Power | Number of Elements | |
|---|---|---|---|---|---|
| [34] | 2.45 GHz | 77.7% | 0.5 mW/cm2 | 0.097 W | 2 × 2 |
| [35] | 2.45 GHz | 60% | 0.20 mW/cm2 | NM | Single |
| [36] | 2.45 GHz | 61% | 0.29 mW/cm2 | NM | Single |
| This work | 2.45 GHz | 47.6% | 49.28 mW/cm2 | 14.03 W | 4 × 4 |
Disclaimer/Publisher’s Note: The statements, opinions and data contained in all publications are solely those of the individual author(s) and contributor(s) and not of MDPI and/or the editor(s). MDPI and/or the editor(s) disclaim responsibility for any injury to people or property resulting from any ideas, methods, instructions or products referred to in the content. |
© 2024 by the authors. Licensee MDPI, Basel, Switzerland. This article is an open access article distributed under the terms and conditions of the Creative Commons Attribution (CC BY) license (https://creativecommons.org/licenses/by/4.0/).
Share and Cite
Huang, D.; Li, J.; Du, Z.; Liu, C.; He, Z.; Zhang, J. A Compact and High-Power Rectenna Array for Wireless Power Transmission Applications. Energies 2024, 17, 6008. https://doi.org/10.3390/en17236008
Huang D, Li J, Du Z, Liu C, He Z, Zhang J. A Compact and High-Power Rectenna Array for Wireless Power Transmission Applications. Energies. 2024; 17(23):6008. https://doi.org/10.3390/en17236008
Chicago/Turabian StyleHuang, Dajiu, Jincheng Li, Ziqiang Du, Changjun Liu, Zhongqi He, and Ji Zhang. 2024. "A Compact and High-Power Rectenna Array for Wireless Power Transmission Applications" Energies 17, no. 23: 6008. https://doi.org/10.3390/en17236008
APA StyleHuang, D., Li, J., Du, Z., Liu, C., He, Z., & Zhang, J. (2024). A Compact and High-Power Rectenna Array for Wireless Power Transmission Applications. Energies, 17(23), 6008. https://doi.org/10.3390/en17236008

