Next Article in Journal
The Design and Implementation of an Intelligent Carbon Data Management Platform for Digital Twin Industrial Parks
Previous Article in Journal
The Impact of the Shunt Reactor(s) Location on Offshore Wind Farm Power Export System on Zero-Missing Phenomenon and Switching Overvoltages—The Case of a Polish Power System
 
 
Font Type:
Arial Georgia Verdana
Font Size:
Aa Aa Aa
Line Spacing:
Column Width:
Background:
Article

Prediction of Pollutant Emissions from a Low-Speed Marine Engine Based on Harris Hawks Optimization and Lightgbm

1
Guangxi Yuchai Marine and Genset Power Co., Ltd., Yulin 537005, China
2
Hainan Branch, China Classification Society, Haikou 570102, China
3
Shanghai Rules & Research Institute, China Classification Society, NO.1234, Pudong Avenue, Shanghai 200135, China
4
China Shipbuilding Power Engineering Institute Co., Ltd., Shanghai 201206, China
5
School of Naval Architecture, Ocean and Energy Power Engineering, Wuhan University of Technology, Wuhan 430063, China
*
Author to whom correspondence should be addressed.
Energies 2024, 17(23), 5973; https://doi.org/10.3390/en17235973
Submission received: 15 October 2024 / Revised: 11 November 2024 / Accepted: 20 November 2024 / Published: 27 November 2024
(This article belongs to the Section B: Energy and Environment)

Abstract

With the rapid development of data science, machine learning has been widely applied to research on pollutant emission prediction in internal combustion engines due to its excellent responsiveness and generalization ability. This article introduces Lightgbm (LGB), which belongs to ensemble learning, to predict the pollutant emissions from a low-speed two-stroke marine engine. The dataset used to train LGB was derived from a one-dimensional performance simulation model of the engine, which was rigorously verified for its reliability by experimental data. To further improve the forecast performance of the LGB model, we used Harris Hawks Optimization (HHO) to automatically optimize the hyperparameters of the model, and finally, we analyzed the importance of the model features. The results show that changes in engine control parameters have significant influences on NOx and soot emissions from the engine, which can serve as the basis for the selection of the LGB model features; the LGB model was able to accurately predict pollutant concentrations from the engine with much higher accuracy than a single decision tree (DT) model; combining with HHO, the predictive ability of the LGB model was significantly improved, such as for the validation set prediction results, the mean absolute error (MAE) was reduced by about 20%, the mean squared error (MSE) was reduced by about 30%, and the coefficient of determination (R2) was increased by about 0.005; and the importance analysis of the model features indicated that the combustion condition of the fuel was highly correlated with the generation of the pollutants, and the fuel injection phases can be adjusted in practice to achieve highly efficient and low-emission processes of combustion. The results of this study can provide references for the development of a new generation of highly efficient and low-pollution marine engines.

1. Introduction

More than 80% of global trade is carried out through shipping [1], and with the continuous development of human society, shipping transportation will still play a vital role in the future economic activities of mankind. Due to the immaturity of the technologies, green energy such as ammonia, hydrogen, and electric propulsion are still unable to be applied commercially in the short to medium term. Currently, most oceangoing ships in operation are still powered by traditional large diesel engines [2]; however, the combustion of diesel fuel generates a large amount of pollutant emissions, such as nitrogen oxide (NOx), sulfur oxide (SOx), and particulate matter (PM). International shipping activities are estimated to generate about 18.6 million tons of NOx emissions (as NO2) and 10.6 million tons of SOx (as SO2) emissions annually. Global shipping contributes 13% and 12% of total global NOx and SOx emissions, respectively [3], and from 2000 to 2020, NOx and SOx emissions from shipping increased by about 40%. By 2030, emissions of both are expected to continue to increase by 35% and 32%, respectively [4]. NOx and SOx emissions into the atmosphere cause acid rain, as well as the formation of photochemical smog, which would cause severe damage to atmospheric and marine ecology. It is estimated that the shipping industry will generate between 0.9 and 1.7 million tons of PM per year [5], of which nearly 70% are generated within 400 km of land [6,7]. And soot, the main component in PM, is also known as black carbon (BC). Its negative impact on the Arctic environment (BC is extremely light-absorbing, reducing the albedo of snow and ice and accelerating the melting of Arctic glaciers) has attracted much attention from the International Maritime Organization (IMO) [8,9,10]. In addition, ship pollutants are highly susceptible to entering the human body through the respiratory tract, which leads to serious lung, as well as cardiovascular, diseases and even induces cancer. Additionally, studies have shown international shipping’s impact on air quality leads to about 400,000 premature deaths per year globally [11]. Combating air pollution caused by ship emissions has become one of the most important public issues in many coastal and port cities [12,13].
In view of the current severe situation, IMO has enacted a series of stringent emission regulations to limit the emissions of pollutants from ships. IMO Tier III emission standards have been implemented since 2016, in which the emission limits for NOx have been reduced by 70% compared with IMO Tier II [14]. To reduce SOx emissions from ships, from 2020 onwards, MARPOL 73/78 (“MARPOL” is short for “marine pollution”; “73/78” is short for the years 1973 and 1978) aims to minimize pollution of the seas, including dumping, oil, and exhaust pollution.) provides for a reduction in the sulfur content limit in fuel from 3.5% to 0.5% (outside of the SOx emission control area) [4]. Shipowners are also encouraged to reduce gaseous pollutant emissions through various approaches, such as switching to liquefied natural gas (LNG), methanol fuels, or the use of selective catalytic reduction or exhaust gas cleaning systems. As for BC emissions from ships in the Arctic region, IMO member states are also working on feasibility studies on control measures, such as the use of clean fuels, the setting of emission limits, or the establishment of Arctic emission control areas [15,16,17].
To meet the increasingly stringent marine emissions regulations, the development of the new generation of marine diesel engines will place greater emphasis on improving engine efficiency and controlling direct emissions of pollutants (in the case of no after-treatment devices). Emission tests and electronic control unit calibration during the development phase of marine engines are labor-intensive, so engineers usually incorporate engine numerical simulation techniques in addition to conducting tests to predict and optimize the engine’s performance. Numerical simulation techniques for engines are generally based on a series of realistic physical and chemical models involved in engine operation, such as spraying, fuel oxidation, and wall heat transfer [18,19], and although such models can achieve high prediction accuracy, they are less responsive and difficult to analyze the complex nonlinear relationships among variables [20]. The significance of the engine emission performance prediction model is to provide interpretable engine optimization solutions and to shorten the engine development period while reducing resource consumption. With the rise of artificial intelligence and data science, machine learning techniques have been widely applied to internal combustion (IC) engine performance prediction studies due to the advantages of quick response, accurate prediction, and robustness [21,22,23]. Shin et al. [24] constructed a deep neural network (DNN) model and a long short-term memory (LSTM) model to predict NOx emissions from a diesel engine under transient working conditions and showed that the prediction accuracy of the LSTM model was higher than that of the DNN model but required more computational cost. Yu et al. [25] applied the deep kernel learning (DKL, a combination of DNN and Gaussian process) approach to soot and NOx emission prediction of a compression ignition engine and showed that the root mean square error and computational cost of DKL are lower compared with ordinary DNN and Gaussian process regression. Leo et al. [26] used random forest (RF) to predict the performance and emissions of a homogeneous charge compression ignition (HCCI)–direct injection engine, and the results show that RF exhibited broad accuracy and that the prediction model was able to capture the complex nonlinear relationship between input parameters and the engine emissions. Liu et al. [27] conducted a prediction study on the exhaust temperature (ET) of a heavy-duty LNG engine using different machine learning algorithms and reported that the artificial neural network (ANN) model had better prediction accuracy than the computational model based on physical rules. Castresana et al. [28] used an ANN to predict 35 performance and emission parameters of a six-cylinder marine engine, and the results show that the mean absolute percentage error of the prediction results for almost all parameters was less than 8.5%, and the prediction computation time for the 24 test samples was only 0.109 s, which fully proved the excellent prediction ability of the ANN model. Dhahad et al. [29] also conducted a predictive study of the emission performance of diesel engines with metal oxide nanoparticles blended in the fuel using an ANN model, and the results indicate that their model was well suited to a more limited sample size and that the model predictions were in good agreement with the experimental data. Zhang et al. [30] proposed a machine learning prediction model based on stacked generalization for predicting BC emissions from a marine engine, and the results show that the fusion model achieved higher prediction accuracy for the same dataset compared with the traditional models.
Recently, machine learning techniques have been more widely studied and achieved remarkable accomplishments in the field of emission performance prediction and optimization of IC engines; however, the limitations of the current studies mainly include the following: The performance of machine learning predictive models is highly correlated with the quality and quantity of available training data, and unlike automotive diesel engines, marine engines have a limited sample size from experimentation due to long-term operation under steady-state conditions (in which case, the use of deep learning or shallow ANNs is highly susceptible to overfitting), an issue that has not been well addressed in many studies. Most of the existing studies are on high-speed diesel engines, and there is a lack of predictive studies on the emission performance of low-speed two-stroke marine engines in oceangoing vessels. Due to the large differences in the working characteristics of low-speed and high-speed engines, it is extremely important to select model features with a strong correlation with pollutants when modeling for the pollutant emissions of low-speed marine engines.
In view of the imperfections in the current studies, we first constructed a one-dimensional (1D) performance simulation model of a low-speed two-stroke marine engine using the software GT-SUITE v2016 and verified the credibility of the simulation model based on the engine’s steady-state working condition test data. Secondly, we analyzed the influence of different engine control parameters on NOx and soot emissions based on the simulation model and used it as the basis for feature selection of the machine learning prediction model. To make up for the insufficient amount of test data, we acquired the dataset used to train the prediction model by using the design of experiment (DOE) function and randomly divided a separate dataset to validate the prediction performance of the model. In addition, to improve the prediction performance of machine learning prediction models, the adjustment of the hyperparameters of the prediction model is also vitally important. To avoid the complexity of the grid search method (which is still commonly used), we adopted the swarm intelligence algorithm to automatically optimize the hyperparameters of the prediction model, highlighting the uniqueness of this study. Finally, we analyzed the feature importance of the prediction model. This study can provide references for the development of a new generation of marine engines with high efficiency and low pollution.

2. Materials and Methods

2.1. Steady-State Tests of the Engine

The object of this study is a low-speed two-stroke marine engine model, MAN 6S35ME-B9 (MAN Diesel & Turbo SE, Augsburg, Germany), the main technical specifications of which are shown in Table 1.
Figure 1 presents a physical picture of the test engine located in the laboratory.
Here, we only describe the testing details related to this study. For more detailed information, please refer to our previously published article [31]. The low-speed engine tests were conducted under the propulsion characteristic cycles, during which engine performance parameters, such as ambient temperature and humidity, intake temperature (IntakeT) and ET, scavenging pressure, fuel consumption, and in-cylinder pressure (CP) profiles were simultaneously collected, and gaseous pollutants and soot concentrations were measured using a gas analyzer and a filter-type smoke meter for each steady-state test condition.
Table 2 lists the test conditions.
Table 3 shows the properties of the fuel used in the test.
The main instruments used in the tests are listed in Table 4.
Figure 2 illustrates the schematic diagram of the test setup for the low-speed marine engine.

2.2. Establishment and Calibration of 1D Performance Simulation Model of the Engine

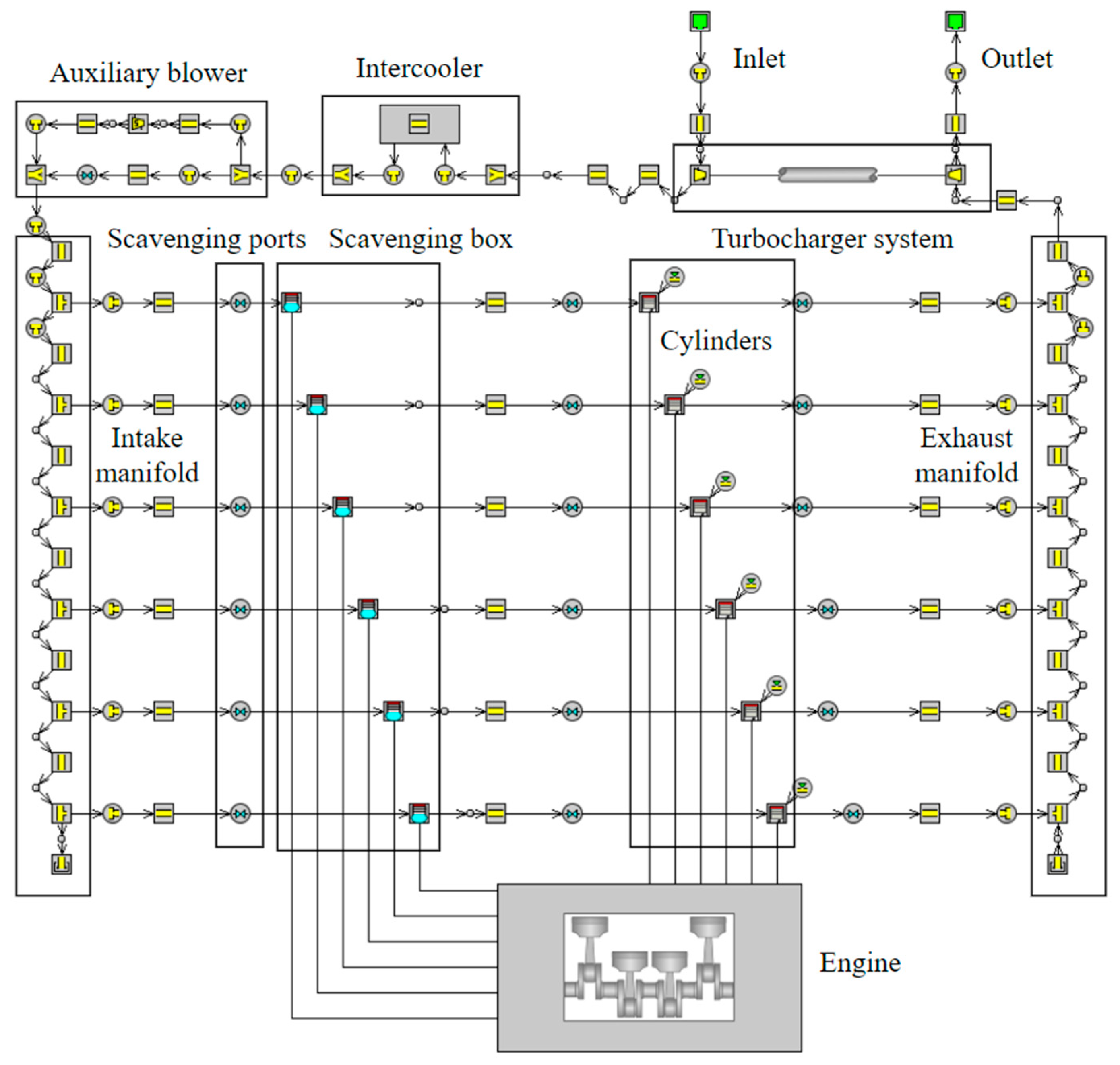
To analyze the influence of changes in engine control parameters on the pollutant emissions and to acquire a dataset for training the pollutants prediction model, a computer simulation study of the 6S35ME-B9 low-speed marine engine was conducted using GT-Power. We simulated the processes of fuel combustion and pollutant generation in the engine cylinders using the DIJet model in GT-Power and the heat transfer from the cylinders using the Hohenberg model. In addition, it is worth noting that since the test engine is a two-stroke engine, we simulated the intake process of the engine by using scavenging ports as well as scavenging boxes template, and since the pressure ratio of the compressor is lower when the engine is under low to medium load, the auxiliary blower needs to be turned on to increase the amount of fresh charge into the cylinders to get the fuel to burn as fully as possible. Figure 3 shows the schematic of the simulation model of the working process of the engine.
Figure 4 and Figure 5 illustrate the CP profiles (varying with crank angle), engine performance parameters, and NOx and soot emission concentrations, respectively, for the engine under different steady-state test conditions, where the simulation results are compared with the test results. The results show that the simulation results are in high agreement with the test results, and the calculation errors are within the acceptable range, which demonstrates that the established model can accurately predict the performance of the engine.

2.3. Algorithmic Principle

2.3.1. Decision Tree

Decision trees (DTs) are a common class of machine learning models. DT implementation algorithms include ID3, C4. 5, and CART (Classification and Regression Trees), of which ID3 (splitting attributes based on the information gain) and C4.5 (splitting attributes based on the information gain ratio) can only be used to solve the classification problems, whereas CART (Classification tree algorithm based on Gini index) can be used for both classification and regression [32]. A brief description of regression trees is given below.
The DT construction process can be summarized as building binary trees in a recursive manner. The regression tree algorithm uses a top-down greedy recursive approach, which means that each division of the dataset only considers the current optimum without considering the results of the previous steps of the division. First, traverse all features J and cut-off point t and select the optimal feature J and cut-off point t by Equation (1):
min J , t min c 1 x i D 1 ( J , t ) y i c 1 2 + min c 2 x i D 2 ( J , t ) y i c 2 2
where D1(J, t) and D2(J, t) are the datasets obtained after determining the current optimal feature J and cut-off point t:
D 1 J , t = x x J t
D 2 J , t = x x J > t
c1 and c2 are the output values of the corresponding regions:
c ^ m = 1 N m x i D m ( J , t ) y i , x D m , m = 1 , 2
Continue to repeat the above steps for the partitioned sub-datasets until the stopping condition is satisfied. Finally, the input space is partitioned into M regions D1, D2, …, DM, and a decision tree is generated:
f x = m = 1 M c ^ m I ( x D m )
Figure 6 illustrates the model structure of a regression tree and the spatial partitioning of the training dataset; this DT contains a total of two features, four cut-points, and five leaf nodes.

2.3.2. LightGBM

Ensemble learning is one of the most widely used algorithms in the field of machine learning, the essence of which is to integrate multiple weak learners into one strong learner (the tree model is the most used weak learner) through the method of bagging or boosting, to achieve better prediction results in solving complex problems. Being one of the most representative GBDT (Gradient Boosting Decision Tree) algorithms, XGBoost (XGB) is often used to solve problems such as house price and stock price prediction, spam categorization, search engine ranking, and natural language processing [33]. XGB, based on the presorting algorithm, can find the cut-points accurately; however, the algorithm saves the feature values of the data along with the results of the feature sorting, which will take up twice as much memory as the training data, and moreover, the algorithm needs to carry out the computation of the splitting gain when traversing each cut-point, which will undoubtedly consume a large amount of training time. To avoid the defects of XGB, the main optimizations of LightGBM (LGB) based on GBDT include the following [34]: 1. the histogram algorithm is used, which divides the dataset into different discrete regions and then traverses the discrete data to find the optimal cut-off points; 2. gradient-based one-side sampling (GOSS) is introduced to retain all high-gradient sample data while retaining partial low-gradient sample data through random sampling; 3. multiple sparse features are bonded by using exclusive feature bundling (EFB), thereby increasing the speed of computation; and 4. the leaf-wise leaf growth strategy with depth restriction splits the leaf nodes with the largest splitting gain at each iteration, as shown in Figure 7. This strategy leads to smaller errors and faster learning of the algorithm than level-wise splitting.

2.3.3. Harris Hawks Optimizer

Harris Hawks Optimizer (HHO) is a swarm intelligence optimization algorithm proposed by Heidari et al. [35] in 2019, which is designed to draw on the hunting habits of Harris Hawk populations in nature, which can be used to solve various types of optimization problems existing in mathematics and industry. HHO consists of three main phases, which are as follows: 1. Detection phase: probing within the territory to search for prey when no prey is detected. 2. Transition phase: transition from the detection phase to the hunting phase based on the prey’s escape energy, and then adjust between different hunting strategies. 3. Hunting phase: After detecting the prey and determining its escape energy, the algorithm executes the hunting phase, which contains four different hunting strategies, soft besiege, hard besiege, soft besiege with progressive rapid dives, and hard besiege with progressive rapid dives. In general, the HHO algorithm process can be summarized as follows: firstly, randomly generate the Harris Hawk population, set the perching position of each individual according to the perching strategy, and then determine the encirclement strategy for the prey according to the prey’s escape energy and whether it escapes successfully or not, and then the prey’s escape energy continues to decrease during the iteration process, and the algorithm is terminated when it reaches the maximum number of iterations. The algorithm flow of HHO is shown in Figure 8.

2.3.4. Metrics for the Evaluation of the Predictive Model

Three common regression model evaluation metrics were selected to assess the performance of the prediction model, which are mean square error (MSE), mean absolute error (MAE), and coefficient of determination (R2), as shown in Equations (6)–(8), where MSE is the average of the sum of squares of the errors of the predicted and true values, and MAE is the degree of approximation of the predicted and true values; the smaller the value of these two metrics, the better the model’s prediction, and R2 is the variance score of the prediction model, with a range of [0, 1]. The closer the R2 is to 1, the more the independent variable explains the variation in the variance of the dependent variable.
M S E = 1 n i = 1 n y ^ i y i 2
M A E = 1 n i = 1 n y ^ i y i
R 2 = i = 1 n y ^ i y ¯ 2 i = 1 n y i y ¯ 2
where y ^ i is the model predicted value, y i is the true value, and y ¯ is the mean value of the samples.

3. Results and Discussion

3.1. Influence of Engine Control Parameters Changes on Pollutant Emissions

The selection of appropriate features is crucial for improving the performance of pollutant emission prediction models for marine engines, so we studied the influence of changes in different engine control parameters on NOx and soot emissions from the low-speed engine based on the 1D engine performance simulation model. In practice, the overall engine performance is usually optimized by adjusting the fuel injection and intake control parameters of the engine; moreover, for pollutant emissions, the organization of the fuel–gas mixing and in-cylinder combustion is of paramount importance, and therefore, the engine control parameters used for this study included IntakeT (after intercooling), injection timing (IT), exhaust valve closing timing, and injection duration, and the test condition chosen was 100% load (engine speed and cyclic injection quantity were kept constant).
The results of the variable parameters simulation study are shown in Figure 9. It can be seen from Figure 9a that the NOx emission increased by 3.3%, while the soot emission increased by 22.4% as the IntakeT increased from 298 K to 313 K. As the air density decreased with increasing temperature, which resulted in reduced circulating intake, the reduced overall air–fuel ratio thus led to an increased concentration of soot emissions. From Figure 9b, the variation in this parameter also directly leads to a reduction in the peak of compression pressure (Pcomp) and the peak of combustion pressure (Pmax) in the cylinder. Moreover, the increase in IntakeT led to the overall leftward shift of the phases of the heat release rate (HRR) profiles, shortened the ignition delay period, and increased the maximum combustion temperature, thus leading to an increase in the NOx emission concentrations.
As can be seen in Figure 9c, the NOx emissions decreased with the delay of the IT (about 6.6% from −0.5° CA to 1.6° CA), whereas the soot emissions increased by about 48.4% in this period. From Figure 9d, the delay in the IT led to the phase delay in the CP and HRR profiles, which implied that the fuel ignition delay period was shortened and the combustion duration period extended, and the proportion of diffusion combustion was significantly increased, at which time the anoxic combustion dominated and the energy utilization of the fuel was reduced, and thus, the NOx emissions reduced, while the soot emissions increased. The extension of the injection duration caused a similar influence on the emission concentration of the pollutants; from Figure 9e, the NOx emissions decreased by about 12.8% when the injection duration was extended from 10 °CA to 14 °CA, while the soot emissions increased by nearly three times, at which time more fuel was involved in combustion during the expansion stroke, the energy conversion was inefficient, and a large amount of heat was not converted to mechanical energy in time, but instead was discharged from the cylinder as residual heat with the exhaust gas, resulting in an increase in the exhaust gas temperature. And NOx emissions decreased because of the reduction in the duration of high temperature in the cylinder. The overall rightward shift of the phases of the HRR profiles in Figure 9f was accompanied by a gradual disappearance of the premixed combustion HRR peak and the increase in the proportion of the post-combustion period in the combustion duration, resulting in the generation of significant amounts of unoxidized soot particles in the cylinder.
The exhaust valve timing in the simulation model is controlled by the angle multiplier (AM), which was set to vary from 0.8 to 1.2 (that is, 80% to 120% of the default closing timing). As shown in Figure 9g, the engine NOx emission increased and then decreased with the delay of the exhaust valve closing moment, while the soot emissions increased significantly. The test engine utilizes uniflow scavenge. When the piston moves up the scavenging ports, and the exhaust valves are open, the exhaust gas and fresh charge are discharged from the cylinder together, delaying the closing timing of the exhaust valves in a minor range. The main component in the exhaust is waste gas. The residual exhaust gas coefficient in the cylinder decreased, the proportion of fresh charge increased, and consequently, the NOx emissions increased. However, in the case of larger delay ranges, the exhaust gases have been almost completely expelled, and the fresh charge has also been discharged out of the cylinder in large quantities. The in-cylinder volumetric efficiency and the air–fuel ratio were reduced, with a consequent decrease in NOx emissions and a significant increase in soot emissions.

3.2. Predictions for Pollutants from the Engine

3.2.1. Feature Selection for Predictive Models and Acquisition of Training Data

According to the analysis in Section 3.1, in addition to the selection of the four control parameters mentioned above, engine power, brake-specific fuel consumption (BSFC), ET, Pcomp, and Pmax (which characterizes the in-cylinder intake and combustion conditions) were added as the features of the machine learning-based pollutant prediction models. By using the DOE function in the 1D engine performance simulation software, four control parameters were used as test variables to calculate the performance and emission data of the engine under different working conditions, and a total of 3240 groups of effective samples were finally acquired, as shown in Table 5.

3.2.2. Partitioning of the Dataset

We modeled DT as well as LGB based on python language and the scikit-learn machine learning library. Figure 10 illustrates the R2 scores obtained by the DT and LGB models when predicting NOx and soot emissions in the test set when the training set capacity varied. The total number of samples was set to 3000, and the capacity of the training set was gradually increased from 100; the remaining samples were allocated to the test set from the figure. With the increase in the capacity of the training set, the prediction ability of the two models on the pollutant emissions was gradually improved until it stabilized, and it is obvious that the predictive performance of the LGB model was higher than that of the DT model for the vast majority of different dataset partitioning ratios. For further analysis of the prediction performance of the two models, the ratio of the training set to the test set was fixed at 4:1, that is, the two contain 2400 and 600 randomly divided independent samples, respectively, while the remaining 240 samples were designated as the validation set for verifying the prediction ability of the models.

3.2.3. Predicted Results

Figure 11 illustrates the results of the DT model and the LGB model (with the model hyperparameters set to default values) for the prediction of NOx and soot emissions, respectively (test and training sets), in the form of scatter plots. From the figure, it can be seen that the prediction accuracies of both models for NOx emissions are better than those for soot emissions, and their prediction errors on NOx samples in both the training and test sets are less than 5%. Comparing Figure 11a,c or Figure 11b,d reveals that the LGB model, despite not being as effective as the DT model in predicting the training set, shows significant superiority in predicting samples from the test set, which means that the DT model is more prone to overfitting, while the LGB model achieves better results with noise data or outliers by combining multiple weak learners, enhancing the model’s ability to generalize while reducing the risk of overfitting or underfitting.
Since the validation set is not involved in the training processes of the models, analyzing the prediction results of it can provide a more intuitive picture of the predictive performance of the models. Figure 12 illustrates the results of the DT model and LGB model for the prediction of NOx emissions and soot emissions from the validation set, from which it can be seen that the prediction ability of the LGB model for the validation set is still significantly higher than that of the DT model, with the relative errors in the prediction of NOx emissions being lower than 1.5% and those for the soot samples being lower than 15%, whereas the relative errors of the two pollutant emissions predicted by the DT model reached a maximum of 6% and 20%, respectively.
Table 6 lists the results of the evaluation metrics on the prediction performance of each model, which shows that the MAE and MSE scores achieved by the LGB by predicting NOx and soot from the validation set are much lower than those of the DT, while the R2 scores of the LGB are higher than those of the DT by 0.0399 and 0.0034, respectively.

3.3. Hyperparameter Optimization of the Predictive Model (Based on the HHO Method)

To further improve the prediction ability of the LGB model, the hyperparameters of the model need to be adjusted. The HHO algorithm based on swarm intelligence was chosen, which belongs to the metaheuristic algorithms, and it can automatically find the optimization of the hyperparameters of the machine learning prediction models to reduce the redundant adjustment steps. The population size of the HHO was set to 20, and the maximum number of iterations was 1000. In addition, the fitness function was defined as the sum of the MSE scores achieved by the LGB model to predict the training and test sets (which helps to avoid overfitting of the model), as shown in Equation (9):
F i t n e s s = M S E T r a i n + M S E T e s t
Figure 13 shows the optimization process of HHO for the hyperparameters of the LGB model. Three independent optimization processes were carried out for the hyperparameters of the LGB model, with NOx and soot as the prediction objects, respectively; as can be seen in the figure, the HHO has a superior optimization ability, the MSE scores achieved by the LGB model for the prediction of pollutants were substantially reduced compared with the preparameter optimization periods, and the final objective function values obtained from the three optimization processes were close to each other. However, although the swarm intelligence optimization method is convenient to implement, has excellent optimization ability, and can realize automatic optimization, the method also has obvious defects, that is, it is hard for the optimization results to be recurrent, and they have a high degree of randomness, and they may be susceptible to falling into the local optimum when dealing with special optimization problems.
Table 7 lists the optimization ranges, default values, and HHO-optimized values for the hyperparameters of the LGB model (the best of the three optimization results).
Figure 14 demonstrates the prediction results of the HHO-optimized LGB model on the training and test sets, which reveals that compared with the prediction results before the parameter adjustment in Figure 11c,d, the prediction ability of the LGB on the samples was remarkably improved, which further reduced the relative error between the true values and the model predictions, and only a very small number of samples are located outside of the 5% error line.
Figure 15 presents the prediction results of the HHO-LGB model for the validation set samples, which show that the parameter-adjusted LGB model can more accurately capture the mapping relationship between the features and the prediction targets, and the relative error of prediction on the validation set samples significantly decreased: the prediction results of LGB for the NOx emissions are closer to the diagonal, while the relative error of prediction for the soot emissions was reduced by about 5%.
The comparison results of the evaluation metrics before and after the optimization for the hyperparameters of the LGB model are listed in Table 8, which shows that the MAE score achieved by the optimized LGB for prediction on the validation set was reduced by about 20%, the MSE score by about 30%, and the R2 score was increased by about 0.005.

3.4. Importance Analysis of Model Features

One of the important characteristics of ensemble learning is its ability to analyze the correlation between features and the targets and thus output importance scores for the features, which can be used for model interpretation or feature selection. The methods used in the LGB model to calculate the importance scores of features include the following: (1) the total gain from segmenting the dataset using a particular feature (gain-based); (2) the total number of times a particular feature was used as a cut-off point in all the trees (split-based). Among them, although the split-based method is more susceptible to noise data compared with the gain-based method, it consumes less computational resources and can rapidly obtain more interpretable computational results (the LGB is a combination of several independent decision trees, the decision tree construction process requires multiple traversals of the features and feature values to partition the dataset, and when a feature is selected as a cut point more times, it means that the feature is more important for the prediction target). Therefore, we used this method to calculate the feature importance of the LGB model and normalize it, and the results are presented in Figure 16. From the figure, the importance ratings of each feature for the two different pollutants are ranked similarly, where the top four features with higher ratings are Pmax, ET, Pcomp, and BSFC, which proves that the combustion condition of the fuel in the cylinder (such as volume efficiency, oil/gas mixing, combustion rate, and energy utilization efficiency, etc.) is highly correlated with the pollutants’ generation. Secondly, EOI and IT are the most important features after the above four features. Although the fuel injection timing is not one of the combustion indication parameters, it still has an important influence on the development of in-cylinder combustion processes, and in practice, fuel injection phasing is usually adjusted to achieve high efficiency and low emission forms of combustion, such as HCCI, reactive controlled compression ignition (RCCI), and premixed charge compression ignition (PCCI).

4. Conclusions

A prediction study of pollutant emissions (NOx and soot) from a low-speed, two-stroke marine engine was conducted based on an LGB of ensemble learning, and the dataset used to train the LGB was derived from a 1D performance simulation model of the engine that we developed. Firstly, we studied the influence of changes in engine control parameters on pollutant emission concentrations based on the simulation model, which was used as the basis for the selection of LGB model features. Then, to further improve the predictive ability of the LGB, we used the swarm intelligence HHO for automatic optimization of the hyperparameters of the LGB and finally analyzed the feature importance of the predictive model based on the split-based method. The main conclusions drawn from this study are as follows:
  • Changes in the four engine control parameters, IntakeT, IT, EOI, and exhaust valve timing, have different influences on the combustion process in the engine cylinders, as well as on the generation of pollutants, which can serve as the basis for the modeling of the pollutant emissions prediction model.
  • The DT model is more prone to overfitting, while the LGB model achieves better results with noise data or outliers by combining multiple weak learners. The relative errors of the LGB prediction on NOx samples in the validation set were all less than 1.5%, while on the soot samples, they were all less than 15%, whereas the DT model predicted two pollutant emissions with the maximum relative errors of 6% and 20%, respectively. The MAE and MSE scores achieved by the LGB by predicting NOx and soot in the validation set were much lower than those of the DT, while the R2 values of the LGB were higher than those of the DT by 0.0399 and 0.0034, respectively.
  • The parameter-adjusted LGB model can more accurately capture the mapping relationship between the features and the prediction targets, and the relative error of prediction on the validation set samples significantly decreased: the prediction results of HHO-LGB for the NOx emissions were closer to the diagonal, while the relative error of prediction for the soot emissions was reduced by about 5%. The MAE score achieved by the optimized LGB for prediction on the validation set was reduced by about 20%, the MSE score by about 30%, and the R2 score was increased by about 0.005.
  • The top four features with higher ratings are Pmax, ET, Pcomp, and BSFC, which proves that the combustion condition of the fuel in the cylinder is highly correlated with pollutant generation. Secondly, EOI and IT are the most important features after the above four features. Although the fuel injection moment is not one of the combustion indication parameters, it still has an important influence on the development of in-cylinder combustion processes, and in practice, fuel injection phasing is often adjusted to achieve high efficiency and low emission forms.

5. Outlooks

The application of engine pollutant emission prediction models contributes to shortening the engine development period and reducing the cost of trials. In this study, a pollutant prediction model based on machine learning and swarm intelligence algorithms was developed for a low-speed, two-stroke marine engine. Below, we list proposed studies on this topic, including the following: 1. The applicability of the prediction model when the engine is fueled with different fuels. Fuel composition also has a significant influence on engine performance, and when it changes, the hyperparameters of the model might need to be re-adjusted to suit the new prediction tasks. 2. Due to time and length constraints, the sensitivity of model hyperparameters was not discussed in this paper, as the determination of hyperparameters for machine learning models is highly correlated with the dataset, and there is no definitive pattern to rely on, which makes this work extremely challenging. 3. Predictive modeling of real-world ship emissions. This has positive implications for the protection of the natural environment; however, there is a need to accumulate a large amount of test data and simulate ship power trains to support this work.

Author Contributions

Conceptualization, Y.C. and Y.S. (Ying Sun); methodology, Y.C., Y.S. (Yulong Shen), M.W., C.W., J.L., and Y.S. (Ying Sun); software, C.W. and Y.S. (Ying Sun); validation, Y.C., Y.S. (Yulong Shen), C.W., and Y.S. (Ying Sun); formal analysis, Y.C., J.L., and Y.S. (Ying Sun); investigation, Y.C.; resources, M.W., Y.L., C.W., and Y.S. (Ying Sun); data curation, Y.C., M.W., and Y.S. (Ying Sun); writing—original draft preparation, Y.C., Y.S. (Yulong Shen), J.L., and Y.S. (Ying Sun); writing—review and editing, Y.C., Y.S. (Yulong Shen), C.W., and Y.S. (Ying Sun); visualization, Y.C. and Y.S. (Ying Sun); supervision, Y.S. (Yulong Shen) and Y.L.; project administration, Y.S. (Yulong Shen), M.W., Y.L., J.L., and Y.S. (Ying Sun) All authors have read and agreed to the published version of the manuscript.

Funding

This research received no external funding.

Data Availability Statement

The datasets generated and analyzed during the current study are available from the corresponding author upon reasonable request.

Acknowledgments

The authors are thankful to all the personnel who either provided technical support or helped with data collection. We also acknowledge all the reviewers for their useful comments and suggestions.

Conflicts of Interest

Authors Yue Chen and Yuanqiang Li were employed by the Guangxi Yuchai Marine and Genset Power Co., Ltd. Author Cunfeng Wei was employed by the China Shipbuilding Power Engineering Institute Co., Ltd. The remaining authors declare that the research was conducted in the absence of any commercial or financial relationships that could be construed as a potential conflict of interest.

Abbreviations

1DOne-dimensional
AMAngle multiplier
ANNArtificial neural network
BCBlack carbon
BSFCBrake specific fuel consumption
CARTClassification and regression trees
CPIn-cylinder pressure
DKLDeep kernel learning
DNNDeep neural network
DOEDesign of experiment
DTDecision tree
EFBExclusive feature bundling
EOIEnd of injection
ETExhaust temperature
GBDTGradient boosting decision tree
GOSSGradient-based one side sampling
HCCIHomogenous charge compression ignition
HHOHarris Hawks Optimizer
HRRHeat release rate
ICInternal combustion
IMOInternational Maritime Organization
IntakeTIntake temperature
ITInjection timing
LGBLightGBM
LNGLiquefied natural gas
LSTMLong short-term memory
MAEMean absolute error
MSEMean square error
NOxNitrogen oxide
PCCIpremixed charge compression ignition
PcompPeak of compression pressure
PMParticulate matter
PmaxPeak of combustion pressure
R2coefficient of determination
RCCIReactive controlled compression ignition
RFRandom forest
SOxSulfur oxide
XGBXGBoost

References

  1. UNVTAD. Review of Maritime Transports: 2013; United Nations: New York, NY, USA, 2013. [Google Scholar]
  2. Barreiro, J.; Zaragoza, S.; Diaz-Casas, V. Review of ship energy efficiency. Ocean Eng. 2022, 257, 111594. [Google Scholar] [CrossRef]
  3. International Maritime Organization. Third IMO GHG Study 2014. Available online: https://www.imo.org/en/ourwork/environment/pages/greenhouse-gas-studies-2014.aspx (accessed on 11 October 2024).
  4. Deng, J.; Wang, X.; Wei, Z.; Wang, L.; Wang, C.; Chen, Z. A review of NOx and SOx emission reduction technologies for marine diesel engines and the potential evaluation of liquefied natural gas fuelled vessels. Sci. Total Environ. 2021, 766, 144319. [Google Scholar] [CrossRef] [PubMed]
  5. Moldanová, J.; Fridell, E.; Popovicheva, O.; Demirdjian, B.; Tishkova, V.; Faccinetto, A.; Focsa, C. Characterisation of particulate matter and gaseous emissions from a large ship diesel engine. Atmos. Environ. 2009, 43, 2632–2641. [Google Scholar] [CrossRef]
  6. Endresen, Ø.; Sørgård, E.; Sundet, J.K.; Dalsøren, S.B.; Isaksen, I.S.A.; Berglen, T.F.; Gravir, G. Emission from international sea transportation and environmental impact. J. Geophys. Res. 2003, 108, 4560. [Google Scholar] [CrossRef]
  7. Eyring, V.; Köhler, H.W.; van Aardenne, J.; Lauer, A. Emissions from international shipping: 1. The last 50 years. J. Geophys. Res. 2005, 110, D17305. [Google Scholar] [CrossRef]
  8. Comer, B. Maritime Shipping: Black Carbon Issues at the International Maritime Organization. In Transportation Air Pollutants: Black Carbon and Other Emissions, Brewer, T., Ed.; Springer International Publishing: Cham, Switzerland, 2021; pp. 13–25. [Google Scholar]
  9. Messner, S. Chapter 11—Future Arctic shipping, black carbon emissions, and climate change. In Maritime Transport and Regional Sustainability; Ng, A.K.Y., Monios, J., Jiang, C., Eds.; Elsevier: Amsterdam, The Netherlands, 2020; pp. 195–208. [Google Scholar]
  10. Aakko-Saksa, P.; Kuittinen, N.; Murtonen, T.; Koponen, P.; Aurela, M.; Järvinen, A.; Teinilä, K.; Saarikoski, S.; Barreira, L.M.F.; Salo, L.; et al. Suitability of Different Methods for Measuring Black Carbon Emissions from Marine Engines. Atmosphere 2022, 13, 31. [Google Scholar] [CrossRef]
  11. Winebrake, J.J.; Corbett, J.J.; Green, E.H.; Lauer, A.; Eyring, V. Mitigating the Health Impacts of Pollution from Oceangoing Shipping: An Assessment of Low-Sulfur Fuel Mandates. Environ. Sci. Technol. 2009, 43, 4776–4782. [Google Scholar] [CrossRef]
  12. Viana, M.; Hammingh, P.; Colette, A.; Querol, X.; Degraeuwe, B.; Vlieger, I.d.; van Aardenne, J. Impact of maritime transport emissions on coastal air quality in Europe. Atmos. Environ. 2014, 90, 96–105. [Google Scholar] [CrossRef]
  13. Song, S.-K.; Shon, Z.-H. Current and future emission estimates of exhaust gases and particles from shipping at the largest port in Korea. Environ. Sci. Pollut. Res. 2014, 21, 6612–6622. [Google Scholar] [CrossRef]
  14. Chu Van, T.; Ramirez, J.; Rainey, T.; Ristovski, Z.; Brown, R.J. Global impacts of recent IMO regulations on marine fuel oil refining processes and ship emissions. Transport. Res. D-Tr. E. 2019, 70, 123–134. [Google Scholar] [CrossRef]
  15. Qi, X.; Li, Z.; Zhao, C.; Li, J.; Zhang, Q. International governance of Arctic shipping black carbon emissions: Current situation and impediments to progress. Mar. Policy 2024, 161, 106043. [Google Scholar] [CrossRef]
  16. Azzara, A.; Minjares, R.; Rutherford, D. Needs and opportunities to reduce black carbon emissions from maritime shipping. Assessment 2015, 118, 5380–5552. [Google Scholar]
  17. Comer, B.; Olmer, N.; Mao, X.; Roy, B.; Rutherford, D. Black Carbon Emissions and Fuel Use in Global Shipping; ICCT: Washington, DC, USA, 2017. [Google Scholar]
  18. Merker, G.P.; Schwarz, C.; Stiesch, G.; Otto, F. Simulating Combustion: Simulation of Combustion and Pollutant Formation for Engine-Development; Springer Science & Business Media: Berlin/Heidelberg, Germany, 2005. [Google Scholar]
  19. Lalić, B.; Poljak, A.; Radica, G.; Mišura, A. Low-Speed Marine Diesel Engine Modeling for NOx Prediction in Exhaust Gases. Energies 2021, 14, 4442. [Google Scholar] [CrossRef]
  20. Karunamurthy, K.; Janvekar, A.A.; Palaniappan, P.L.; Adhitya, V.; Lokeswar, T.T.K.; Harish, J. Prediction of IC engine performance and emission parameters using machine learning: A review. J. Therm. Anal. Calorim. 2023, 148, 3155–3177. [Google Scholar] [CrossRef]
  21. Khurana, S.; Saxena, S.; Jain, S.; Dixit, A. Predictive modeling of engine emissions using machine learning: A review. Mater. Today Proc. 2021, 38, 280–284. [Google Scholar] [CrossRef]
  22. Aliramezani, M.; Koch, C.R.; Shahbakhti, M. Modeling, diagnostics, optimization, and control of internal combustion engines via modern machine learning techniques: A review and future directions. Prog. Energ. Combust. Sci. 2022, 88, 100967. [Google Scholar] [CrossRef]
  23. Sadeq, A.M.; Moghaddam, A.H.; Sleiti, A.K.; Ahmed, S.F. Development of Machine Learning Models for Studying the Premixed Turbulent Combustion of Gas-To-Liquids (GTL) Fuel Blends. Korean J. Chem. Eng. 2024, 41, 479–494. [Google Scholar] [CrossRef]
  24. Shin, S.; Lee, Y.; Park, J.; Kim, M.; Lee, S.; Min, K. Predicting transient diesel engine NOx emissions using time-series data preprocessing with deep-learning models. Proc. Inst. Mech. Eng. Part D J. Automob. Eng. 2021, 235, 3170–3184. [Google Scholar] [CrossRef]
  25. Yu, C.; Seslija, M.; Brownbridge, G.; Mosbach, S.; Kraft, M.; Parsi, M.; Davis, M.; Page, V.; Bhave, A. Deep kernel learning approach to engine emissions modeling. Data-Centric Eng. 2020, 1, e4. [Google Scholar] [CrossRef]
  26. Lionus Leo, G.M.; Jayabal, R.; Srinivasan, D.; Chrispin Das, M.; Ganesh, M.; Gavaskar, T. Predicting the performance and emissions of an HCCI-DI engine powered by waste cooking oil biodiesel with Al2O3 and FeCl3 nano additives and gasoline injection—A random forest machine learning approach. Fuel 2024, 357, 129914. [Google Scholar] [CrossRef]
  27. Liu, J.; Huang, Q.; Ulishney, C.; Dumitrescu, C.E. Machine learning assisted prediction of exhaust gas temperature of a heavy-duty natural gas spark ignition engine. Appl. Energ. 2021, 300, 117413. [Google Scholar] [CrossRef]
  28. Castresana, J.; Gabiña, G.; Martin, L.; Basterretxea, A.; Uriondo, Z. Marine diesel engine ANN modelling with multiple output for complete engine performance map. Fuel 2022, 319, 123873. [Google Scholar] [CrossRef]
  29. Dhahad, H.A.; Hasan, A.M.; Chaichan, M.T.; Kazem, H.A. Prognostic of diesel engine emissions and performance based on an intelligent technique for nanoparticle additives. Energy 2022, 238, 121855. [Google Scholar] [CrossRef]
  30. Zhang, Y.; Wen, M.; Sun, Y.; Chen, H.; Cai, Y. Black Carbon Emission Prediction of Diesel Engine Using Stacked Generalization. Atmosphere 2022, 13, 1855. [Google Scholar] [CrossRef]
  31. Sun, Y.; Lyu, L.; Wen, M. Experimental study on reducing BC emissions from a low-speed marine engine by using blended biodiesel and a nitro additive. Process Saf. Environ. 2024, 185, 1232–1249. [Google Scholar] [CrossRef]
  32. Singh, S.; Gupta, P. Comparative study ID3, cart and C4. 5 decision tree algorithm: A survey. Int. J. Adv. Inf. Sci. Technol. 2014, 3, 47–52. [Google Scholar] [CrossRef]
  33. Chen, T.; Guestrin, C. XGBoost: A Scalable Tree Boosting System. In Proceedings of the Proceedings of the 22nd ACM SIGKDD International Conference on Knowledge Discovery and Data Mining, San Francisco, CA, USA, 13–17 August 2016; pp. 785–794.
  34. Ke, G.; Meng, Q.; Finley, T.; Wang, T.; Chen, W.; Ma, W.; Ye, Q.; Liu, T.-Y. Lightgbm: A highly efficient gradient boosting decision tree. In Proceedings of the 31st Conference on Neural Information Processing Systems, Long Beach, CA, USA, 4–9 December 2017; pp. 3149–3157. [Google Scholar]
  35. Heidari, A.A.; Mirjalili, S.; Faris, H.; Aljarah, I.; Mafarja, M.; Chen, H. Harris hawks optimization: Algorithm and applications. Future Gener. Comput. Syst. 2019, 97, 849–872. [Google Scholar] [CrossRef]
Figure 1. Physical diagram of MAN 6S35ME-B9 low-speed engine.
Figure 1. Physical diagram of MAN 6S35ME-B9 low-speed engine.
Energies 17 05973 g001
Figure 2. Schematic diagram of the test setup for the low-speed marine engine.
Figure 2. Schematic diagram of the test setup for the low-speed marine engine.
Energies 17 05973 g002
Figure 3. One-dimensional performance simulation model of the low-speed marine engine.
Figure 3. One-dimensional performance simulation model of the low-speed marine engine.
Energies 17 05973 g003
Figure 4. Comparison of tested and simulated cylinder pressure profiles.
Figure 4. Comparison of tested and simulated cylinder pressure profiles.
Energies 17 05973 g004
Figure 5. Comparison of engine performance parameters between tested and simulated under different working conditions.
Figure 5. Comparison of engine performance parameters between tested and simulated under different working conditions.
Energies 17 05973 g005aEnergies 17 05973 g005b
Figure 6. Schematic diagram of the DT.
Figure 6. Schematic diagram of the DT.
Energies 17 05973 g006
Figure 7. Schematic diagram of leaf-wise leaf node growth strategy.
Figure 7. Schematic diagram of leaf-wise leaf node growth strategy.
Energies 17 05973 g007
Figure 8. Schematic diagram of the HHO algorithm flow.
Figure 8. Schematic diagram of the HHO algorithm flow.
Energies 17 05973 g008
Figure 9. Influence of changes in engine control parameters on the pollutant emissions.
Figure 9. Influence of changes in engine control parameters on the pollutant emissions.
Energies 17 05973 g009aEnergies 17 05973 g009b
Figure 10. Relationship between training set capacity and the predictive ability of the models.
Figure 10. Relationship between training set capacity and the predictive ability of the models.
Energies 17 05973 g010
Figure 11. Prediction results of DT and LGB on the training and test sets.
Figure 11. Prediction results of DT and LGB on the training and test sets.
Energies 17 05973 g011aEnergies 17 05973 g011b
Figure 12. Prediction results of DT and LGB on the validation set.
Figure 12. Prediction results of DT and LGB on the validation set.
Energies 17 05973 g012aEnergies 17 05973 g012b
Figure 13. Optimization processes for hyperparameters of the LGB based on the HHO method.
Figure 13. Optimization processes for hyperparameters of the LGB based on the HHO method.
Energies 17 05973 g013
Figure 14. Prediction results of HHO-LGB on the training and test sets.
Figure 14. Prediction results of HHO-LGB on the training and test sets.
Energies 17 05973 g014
Figure 15. Prediction results of HHO-LGB on the validation set.
Figure 15. Prediction results of HHO-LGB on the validation set.
Energies 17 05973 g015
Figure 16. Feature importance results of the LGB.
Figure 16. Feature importance results of the LGB.
Energies 17 05973 g016
Table 1. MAN 6S35ME-B9 Marine engine technical specifications.
Table 1. MAN 6S35ME-B9 Marine engine technical specifications.
ItemsParameters
Rated speed142 rpm
Rated Power3570 kW
Common rated power3250 kW
Bore × stroke350 mm × 1550 mm
No. of cylinders6
Connecting rod ratio0.5
Compression ratio21:1
Table 2. Engine test conditions.
Table 2. Engine test conditions.
LoadPower (kW)Speed (rpm)Torque (kN·m)
25%32508987.18
50%2437.5113137.33
75%1625129180.45
100%812.5142218.57
Table 3. Fuel properties.
Table 3. Fuel properties.
PropertyUnitValue
Density (293.15 K)kg/m3837.3
Kinematic viscosity (313.15 K)mm2/s3.287
Flash point (closed cup)K70.0
Pour pointK−6
Acid numbermg KOH/g0.136
Condensation pointK−10
Cetane index-49.5
Water content% (V/V)<0.03
PAH content% (m/m)2.0
Net calorific valueMJ/kg42.652
Table 4. Test instruments.
Table 4. Test instruments.
InstrumentTypeManufacturerDeviation
Measurement and control systemNCK 2000Liantong Dynamometer Co., Ltd. (Jiangsu, China)0.5%
Fuel consumption meterRHE 08Rheonik (Odelzhausen, Germany)±0.1%
Cylinder pressure sensor6613CQ13Kistler Group (Winterthur, Switzerland)±1%
Gas analyzerCAI 700 HFIDCalifornia Analytical Instruments, Inc. (Orange, CA, USA)±1%
Filter-type smoke meterAVL 415SAVL (Gaggenau, Germany)±0.05%
Table 5. Variables in DOE and their values.
Table 5. Variables in DOE and their values.
Control ParametersUnitValues
Intake temperature (IntakeT)K298, 302, 305, 309, 313
Injection timing (IT)°Crank Angle−0.5, −0.2, 0.1–0.4, 0.7, 1.0, 1.3, 1.6
End of injection (EOI)°Crank Angle10.8, 11.3, 11.8, 12.3, 12.8, 13.3, 13.8, 14.3, 14.8
Angle multiplier (AM)-0.8, 0.85, 0.9, 0.95, 1.00, 1.05, 1.1, 1.15, 1.2
Effective sample size-5 × 8 × 9 × 9 = 3240
Table 6. Evaluation results of the predictive performance of the models.
Table 6. Evaluation results of the predictive performance of the models.
DT Model PollutantsLGB Model Pollutants
DatasetMetricsNOxSootNOxSoot
TrainMAE01.21 × 1073.862.72 × 102
MSE01.11 × 10723.473.41 × 103
R2110.99720.9984
TestMAE15.605.23 × 1026.374.56 × 102
MSE395.351.04 × 10264.439.74 × 103
R20.95310.99530.99230.9956
ValidationMAE14.645.00 × 1026.243.72 × 102
MSE357.751.01 × 10262.614.00 × 103
R20.95170.99430.99160.9977
Table 7. Hyperparameters optimization results for LGB based on HHO.
Table 7. Hyperparameters optimization results for LGB based on HHO.
HyperparametersTypeSearch RangeDefault ValueOptimal Value
(NOx)
Optimal Value
(Soot)
num_leavesint[2, 100]31988
max_depthint[−1, 7]−150
learning_ratefloat[1 × 105, 0.3]0.10.2290.055
n_estimatorsint[100, 2000]10013801290
min_child_weightfloat[1 × 105, 0.1]0.0010.0710.002
min_child_samplesint[0, 100]20142
subsamplefloat[1 × 105, 1]10.4360.017
colsample_bytreefloat[1 × 105, 1]10.6890.887
reg_alphafloat[0, 1]00.0530.025
reg_lambdafloat[0, 1]000.360
Table 8. Evaluation results of the LGB predictive performance before and after optimization.
Table 8. Evaluation results of the LGB predictive performance before and after optimization.
LGB Model PollutantsHHO-LGB Model Pollutants
DatasetMetricsNOxSootNOxSoot
TrainMAE3.862.72 × 1021.062.69 × 103
MSE23.473.41 × 1031.851.39 × 105
R20.99720.99840.99980.9999
TestMAE6.374.56 × 1024.683.47 × 102
MSE64.439.74 × 10334.305.28 × 103
R20.99230.99560.99590.9976
ValidationMAE6.243.72 × 1025.322.89 × 102
MSE62.614.00 × 10345.482.62 × 103
R20.99160.99770.99390.9985
Disclaimer/Publisher’s Note: The statements, opinions and data contained in all publications are solely those of the individual author(s) and contributor(s) and not of MDPI and/or the editor(s). MDPI and/or the editor(s) disclaim responsibility for any injury to people or property resulting from any ideas, methods, instructions or products referred to in the content.

Share and Cite

MDPI and ACS Style

Chen, Y.; Shen, Y.; Wen, M.; Wei, C.; Liang, J.; Li, Y.; Sun, Y. Prediction of Pollutant Emissions from a Low-Speed Marine Engine Based on Harris Hawks Optimization and Lightgbm. Energies 2024, 17, 5973. https://doi.org/10.3390/en17235973

AMA Style

Chen Y, Shen Y, Wen M, Wei C, Liang J, Li Y, Sun Y. Prediction of Pollutant Emissions from a Low-Speed Marine Engine Based on Harris Hawks Optimization and Lightgbm. Energies. 2024; 17(23):5973. https://doi.org/10.3390/en17235973

Chicago/Turabian Style

Chen, Yue, Yulong Shen, Miaomiao Wen, Cunfeng Wei, Junjie Liang, Yuanqiang Li, and Ying Sun. 2024. "Prediction of Pollutant Emissions from a Low-Speed Marine Engine Based on Harris Hawks Optimization and Lightgbm" Energies 17, no. 23: 5973. https://doi.org/10.3390/en17235973

APA Style

Chen, Y., Shen, Y., Wen, M., Wei, C., Liang, J., Li, Y., & Sun, Y. (2024). Prediction of Pollutant Emissions from a Low-Speed Marine Engine Based on Harris Hawks Optimization and Lightgbm. Energies, 17(23), 5973. https://doi.org/10.3390/en17235973

Note that from the first issue of 2016, this journal uses article numbers instead of page numbers. See further details here.

Article Metrics

Back to TopTop