Experimental Study on Heuristics Energy Management Strategy for Hybrid Energy Storage System
Abstract
1. Introduction
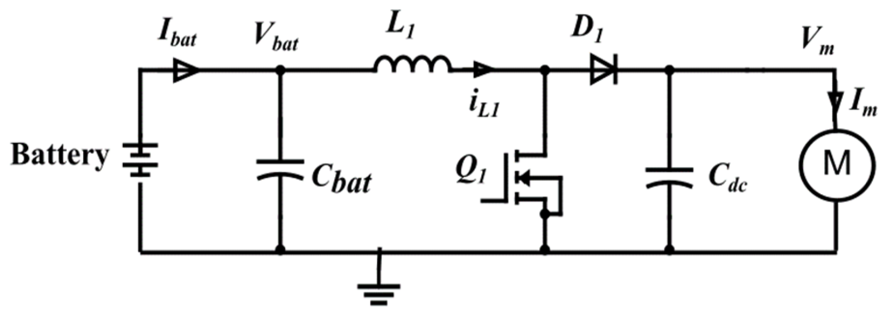
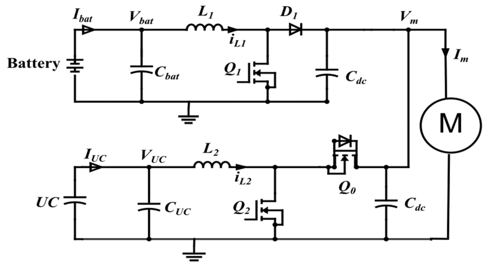
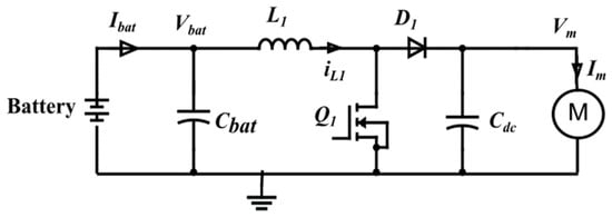
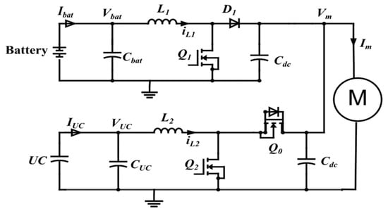
2. Topology and Modes of Operation
2.1. Mode I—Low-Power Demand Mode (LPDM)
2.2. Mode II—High-Power Demand Mode (HPDM)
3. Energy Management Strategy
4. Rating Selection and Design
4.1. Selection of Battery Rating
4.2. UC Rating Selection
4.3. Converter Rating Selection
5. Experimental Setup
6. Performance Analysis
6.1. Analysis for Low-Power Demand Mode
6.2. Analysis for High-Power Demand Mode
7. Conclusions
Author Contributions
Funding
Data Availability Statement
Conflicts of Interest
Nomenclatures
| BEV | Battery electric vehicle |
| Cbat | Input capacitor |
| Cdc | DC-link capacitor |
| D | Duty cycle |
| DRAM | Dynamic random-access memory |
| dQ1, dQ2 | Duty ratio for Q1 and Q2 |
| EMS | Energy management strategy |
| Expression of energy | |
| F | Falling slew rate |
| FC | Fuel cell |
| fs | Switching frequency |
| HESS | Hybrid energy storage system |
| HPDM | High-power demand mode |
| Ibat | Battery current |
| Ibat* | Battery signal current |
| iL1, iL2 | Inductor currents in converters |
| Im | Load current |
| Maximum output current | |
| IUC | Ultracapacitor current |
| IUC* | UC signal current |
| L1, L2 | Inductors |
| LPDM | Low-power demand mode |
| MRB-EMS | A modified rule-based EMS |
| Pbat | Power delivered by the battery |
| Pm | Required load power |
| PUC | Power delivered by the UC |
| Q0, Q1, Q2 | Power switches |
| R | Rising slew rate |
| Ra | Load resistance |
| RTI | Real-time interface |
| SOC | State of charge |
| UC | Ultracapacitor |
| Battery power at the current step | |
| Vbat | Battery voltage |
| Vdc* | DC-link signal |
| Input voltage | |
| Minimum input voltage | |
| Desired output voltage | |
| WUC | The total energy required by the UC |
| Battery power in the previous step | |
| Sample time | |
| Ripple current in the inductor | |
| Ripple voltage |
References
- Sutikno, T.; Arsadiando, W.; Wangsupphaphol, A.; Yudhana, A.; Facta, M. A Review of Recent Advances on Hybrid Energy Storage System for Solar Photovoltaics Power Generation. IEEE Access 2022, 10, 42346–42364. [Google Scholar] [CrossRef]
- Timilsina, L.; Badr, P.R.; Hoang, P.H.; Ozkan, G.; Papari, B.; Edrington, C.S. Battery Degradation in Electric and Hybrid Electric Vehicles: A Survey Study. IEEE Access 2023, 11, 42431–42462. [Google Scholar] [CrossRef]
- Ranjith Kumar, R.; Bharatiraja, C.; Udhayakumar, K.; Devakirubakaran, S.; Sekar, K.S.; Mihet-Popa, L. Advances in Batteries, Battery Modeling, Battery Management System, Battery Thermal Management, SOC, SOH, and Charge/Discharge Characteristics in EV Applications. IEEE Access 2023, 11, 105761–105809. [Google Scholar] [CrossRef]
- Ankar, S.J.; Pinkymol, K.P. Optimal Sizing and Energy Management of Electric Vehicle Hybrid Energy Storage Systems With Multi-Objective Optimization Criterion. IEEE Trans. Veh. Technol. 2024, 73, 11082–11096. [Google Scholar] [CrossRef]
- Mohammad, J.S.S.; Bhanabhagvanwala, D. Simulation Analysis of Battery/Ultracapacitor Hybrid Energy Storage System for Electric Vehicle. In Proceedings of the 2019 International Conference on Intelligent Sustainable Systems (ICISS), Palladam, India, 21–22 February 2019; pp. 494–498. [Google Scholar] [CrossRef]
- Etxandi-Santolaya, M.; Mora-Pous, A.; Canals Casals, L.; Corchero, C.; Eichman, J. Quantifying the Impact of Battery Degradation in Electric Vehicle Driving through Key Performance Indicators. Batteries 2024, 10, 103. [Google Scholar] [CrossRef]
- Meng, X.; Mei, J.; Tang, X.; Jiang, J.; Sun, C.; Song, K. The Degradation Prediction of Proton Exchange Membrane Fuel Cell Performance Based on a Transformer Model. Energies 2024, 17, 3050. [Google Scholar] [CrossRef]
- Tang, X.; Zhang, Y.; Xu, S. Experimental Study of PEM Fuel Cell Temperature Characteristic and Corresponding Automated Optimal Temperature Calibration Model. Energy 2023, 283, 128456. [Google Scholar] [CrossRef]
- Xu, J.; Sun, C.; Ni, Y.; Lyu, C.; Wu, C.; Zhang, H.; Yang, Q.; Feng, F. Fast Identification of Micro-Health Parameters for Retired Batteries Based on a Simplified P2D Model by Using Padé Approximation. Batteries 2023, 9, 64. [Google Scholar] [CrossRef]
- Tang, X.; Shi, L.; Zhang, Y.; Li, B.; Xu, S.; Song, Z. Degradation Adaptive Energy Management Strategy for FCHEV Based on the Rule-DDPG Method: Tailored to the Current SOH of the Powertrain. IEEE Trans. Transp. Electrif. 2024, 1. [Google Scholar] [CrossRef]
- Zhang, R.; Li, X.; Sun, C.; Yang, S.; Tian, Y.; Tian, J. State of Charge and Temperature Joint Estimation Based on Ultrasonic Reflection Waves for Lithium-Ion Battery Applications. Batteries 2023, 9, 335. [Google Scholar] [CrossRef]
- Naseri, F.; Farjah, E.; Ghanbari, T. An Efficient Regenerative Braking System Based on Battery/Supercapacitor for Electric, Hybrid, and Plug-in Hybrid Electric Vehicles with BLDC Motor. IEEE Trans. Veh. Technol. 2017, 66, 3724–3738. [Google Scholar] [CrossRef]
- Garg, R.; Yadav, K.; Babber, A.; Jaggi, A.; Sharma, A.; Bijlwan, S. Energy Storage System Analysis Based on State of Charge for Hybrid Electric Vehicle. In Proceedings of the 2023 9th International Conference on Smart Computing and Communications: Intelligent Technologies and Applications, ICSCC, Kochi, India, 17–19 August 2023. [Google Scholar]
- Zhang, Q.; Wang, L.; Li, G.; Liu, Y. A Real-Time Energy Management Control Strategy for Battery and Supercapacitor Hybrid Energy Storage Systems of Pure Electric Vehicles. J. Energy Storage 2020, 31, 101721. [Google Scholar] [CrossRef]
- Zahedi, A.; Babaeiyazdi, I.; Ostadian, R.; Rezaei-Zare, A. Globally Optimal Energy Management in a Battery-Ultracapacitor Electric Vehicle. In Proceedings of the 2022 IEEE International Conference on Environment and Electrical Engineering and 2022 IEEE Industrial and Commercial Power Systems Europe (EEEIC/I and CPS Europe), Prague, Czech Republic, 28 June–1 July 2022. [Google Scholar]
- Choudhary, M.K.; Sharma, A.K. Integration of PV, Battery and Supercapacitor in Islanded Microgrid. In Proceedings of the 2020 International Conference on Emerging Frontiers in Electrical and Electronic Technologies (ICEFEET), Patna, India, 10–11 July 2020. [Google Scholar] [CrossRef]
- Reddy, R.M.; Das, M.; Chauhan, N. Novel Battery-Supercapacitor Hybrid Energy Storage System for Wide Ambient Temperature Electric Vehicles Operation. IEEE Trans. Circuits Syst. II Express Briefs 2023, 70, 2580–2584. [Google Scholar] [CrossRef]
- Sidorov, D.; Muftahov, I.; Tomin, N.; Karamov, D.; Panasetsky, D.; Dreglea, A.; Liu, F.; Foley, A. A Dynamic Analysis of Energy Storage with Renewable and Diesel Generation Using Volterra Equations. IEEE Trans. Ind. Inform. 2020, 16, 3451–3459. [Google Scholar] [CrossRef]
- Karamov, D.N.; Muftahov, I.R. Mathematical Modeling of Battery Energy Storage System Operating Modes Using Volterra Integral Equations. Vestn. IzhGTU Im. M.T. Kalashnikova 2022, 25, 92–99. [Google Scholar] [CrossRef]
- Ostadian, R.; Ramoul, J.; Biswas, A.; Emadi, A. Intelligent Energy Management Systems for Electrified Vehicles: Current Status, Challenges, and Emerging Trends. IEEE Open J. Veh. Technol. 2020, 1, 279–295. [Google Scholar] [CrossRef]
- Jarraya, I.; Abdelhedi, F.; Rizoug, N. An Innovative Power Management Strategy for Hybrid Battery–Supercapacitor Systems in Electric Vehicle. Mathematics 2024, 12, 50. [Google Scholar] [CrossRef]
- Hosseini, S.M.; Soleymani, M.; Kelouwani, S.; Amamou, A.A. Energy Recovery and Energy Harvesting in Electric and Fuel Cell Vehicles, a Review of Recent Advances. IEEE Access 2023, 11, 83107–83135. [Google Scholar] [CrossRef]
- Modu, B.; Abdullah, M.P.B.; Alkassem, A.; Garni, H.Z.A.; Alkabi, M. Optimal Design of a Grid-Independent Solar-Fuel Cell-Biomass Energy System Using an Enhanced Salp Swarm Algorithm Considering Rule-Based Energy Management Strategy. IEEE Access 2024, 12, 23914–23929. [Google Scholar] [CrossRef]
- Ravada, B.R.; Tummuru, N.R. Control of a Supercapacitor-Battery-PV Based Stand-Alone DC-Microgrid. IEEE Trans. Energy Convers. 2020, 35, 1268–1277. [Google Scholar] [CrossRef]
- Djilali, A.B.; Yahdou, A.; Bounadja, E.; Benbouhenni, H.; Zellouma, D.; Colak, I. Energy Management of the Hybrid Power System Based on Improved Intelligent Perturb and Observe Control Using Battery Storage Systems. Energy Rep. 2024, 11, 1611–1626. [Google Scholar] [CrossRef]
- Li, H.; Liu, Z.; Yang, Y.; Yang, H.; Shu, B.; Liu, W. A Proactive Energy Management Strategy for Battery-Powered Autonomous Systems. Appl. Energy 2024, 363, 122995. [Google Scholar] [CrossRef]
- Han, Y.; Xie, X.; Deng, H.; Ma, W. Central Energy Management Method for Photovoltaic DC Micro-Grid System Based on Power Tracking Control. IET Renew. Power Gener. 2017, 11, 1138–1147. [Google Scholar] [CrossRef]
- Abeywardana, D.B.W.; Hredzak, B.; Agelidis, V.G.; Demetriades, G.D. Supercapacitor Sizing Method for Energy-Controlled Filter-Based Hybrid Energy Storage Systems. IEEE Trans. Power Electron. 2017, 32, 1626–1637. [Google Scholar] [CrossRef]
- Zhang, Q.; Deng, W.; Zhang, S.; Wu, J. A Rule Based Energy Management System of Experimental Battery/Supercapacitor Hybrid Energy Storage System for Electric Vehicles. J. Control Sci. Eng. 2016, 2016, 18–20. [Google Scholar] [CrossRef]
- Akar, F.; Tavlasoglu, Y.; Vural, B. An Energy Management Strategy for a Concept Battery/Ultracapacitor Electric Vehicle with Improved Battery Life. IEEE Trans. Transp. Electrif. 2017, 3, 191–200. [Google Scholar] [CrossRef]
- Trovao, J.P.F.; Roux, M.A.; Menard, E.; Dubois, M.R. Energy- and Power-Split Management of Dual Energy Storage System for a Three-Wheel Electric Vehicle. IEEE Trans. Veh. Technol. 2017, 66, 5540–5550. [Google Scholar] [CrossRef]
- Sellali, M.; Betka, A.; Drid, S.; Djerdir, A.; Malik, O.P. Hardware Implementation of an Improved Control Strategy for Battery–Supercapacitor Hybrid System in Electric Vehicles. IET Electr. Syst. Transp. 2020, 10, 204–212. [Google Scholar] [CrossRef]
- Raveendhra, D.; Poojitha, R.; Narasimharaju, B.L.; Domyshev, A.; Dreglea, A.; Dao, M.H.; Pathak, M.; Liu, F.; Sidorov, D. Part II: State-of-the-Art Technologies of Solar-Powered DC Microgrid with Hybrid Energy Storage Systems: Converter Topologies. Energies 2023, 16, 6194. [Google Scholar] [CrossRef]
- Ranjan, A.; Bodkhe, S.B. Energy Management Strategy for Hybrid Energy Storage Systems in Electric Vehicle—A Review. Int. J. Electr. Electron. Eng. Telecommun. 2022, 11, 88–101. [Google Scholar] [CrossRef]
- Al Takrouri, M.; Md Ayob, S.; Nik Idris, N.R.; Aziz, M.J.A.; Ayop, R.; Said, M.F.B.M. Comparative Analysis of Passive and Semi-Active Hybrid Energy Storage System Topologies for Electric Vehicle. In Proceedings of the 2023 IEEE Conference on Energy Conversion, CENCON, Kuching, Malaysia, 23–24 October 2023. [Google Scholar]
- Badawy, M.O.; Husain, T.; Sozer, Y.; De Abreu-Garcia, J.A. Integrated Control of an IPM Motor Drive and a Novel Hybrid Energy Storage System for Electric Vehicles. IEEE Trans. Ind. Appl. 2017, 53, 5810–5819. [Google Scholar] [CrossRef]
- Fathabadi, H. Plug-In Hybrid Electric Vehicles: Replacing Internal Combustion Engine with Clean and Renewable Energy Based Auxiliary Power Sources. IEEE Trans. Power Electron. 2018, 33, 9611–9618. [Google Scholar] [CrossRef]
- Gan, C.; Jin, N.; Sun, Q.; Kong, W.; Hu, Y.; Tolbert, L.M. Multiport Bidirectional SRM Drives for Solar-Assisted Hybrid Electric Bus Powertrain with Flexible Driving and Self-Charging Functions. IEEE Trans. Power Electron. 2018, 33, 8231–8245. [Google Scholar] [CrossRef]
- RANJAN, A.; BODKHE, S.B.; GOYAL, G.N.; AWARE, M.V. Heuristics EMS for HESS of Electric Vehicle to Extended Battery Operation Using Rate Limiter. Adv. Electr. Comput. Eng. 2022, 22, 11–22. [Google Scholar] [CrossRef]
- Denis, N.; Dubois, M.R.; Trovao, J.P.F.; Desrochers, A. Power Split Strategy Optimization of a Plug-in Parallel Hybrid Electric Vehicle. IEEE Trans. Veh. Technol. 2018, 67, 315–326. [Google Scholar] [CrossRef]
- Singh, A.; Pattnaik, S. Design of a Efficient Power Sharing Strategy for a Battery-Ultracapacitor Hybrid Energy Storage System. In Proceedings of the 2016 IEEE 1st International Conference on Power Electronics, Intelligent Control and Energy Systems (ICPEICES), Delhi, India, 4–6 July 2016. [Google Scholar] [CrossRef]
- Ranjan, A. Hybrid Energy Storage System for Electric Vehicle. Helix 2019, 9, 5801–5805. [Google Scholar] [CrossRef]
- Ranjan, A.; Bodkhe, S.B. Modified Energy Management Strategy for HESS in Electric Vehicle. In Proceedings of the 2021 9th IEEE International Conference on Power Systems (ICPS), Kharagpur, India, 16–18 December 2021; IEEE: Piscateville, NJ, USA, 2021; pp. 1–6. [Google Scholar]
- Ranjan, A.; Bodkhe, S.B. Fuzzy Logic Controller Based Modified Energy Management Strategy for Battery and UC with Improved Battery Performance. ECS Trans. 2022, 107, 2457–2469. [Google Scholar] [CrossRef]
- Wong, D.; Shrestha, B.; Wetz, D.A.; Heinzel, J.M. Impact of High Rate Discharge on the Aging of Lithium Nickel Cobalt Aluminum Oxide Batteries. J. Power Sources 2015, 280, 363–372. [Google Scholar] [CrossRef]
- Hauke, B. Basic Calculation of a Boost Converter’s Power Stage; Application Report November; Texas Instruments: Dallas, TX, USA, 2009; pp. 1–9. [Google Scholar]
- MicroLabBox MicroLabBox. 2020, 1–12. Available online: https://www.dspace.com/shared/data/pdf/2020/dSPACE-MicroLabBox_Product-Brochure_2020-01_EN.pdf (accessed on 1 November 2024).
















| Pm\Pbat | High | Right |
|---|---|---|
| Bp | 0 | True |
| Hp | Bp | Bp |
| Parameters | Rating | Parameters | Rating |
|---|---|---|---|
| Single-cell rating | 2.7 V, 500 F. | Main UC | 24.3 V, 55.55 F |
| Total cells | 9 | Capacity | kJ |
| Parameters | Values | Parameters | Values |
|---|---|---|---|
| Minimum input voltage (Vin_min) | 24 V. | Current ripple (ΔiL2) | 20% of Ia |
| Load voltage (Vm) | 48 V. | Voltage ripple (ΔVm) | ±2% |
| Converter efficiency (ηc) | 80%. | Load resistance (Ra) | 2.5 Ohm |
| Switching period (Ts) | 1/10,000 s | CUC | 1200 μF |
| Rated motor current (Im) | 25 A. | (Cbat) | 1200 μF |
| DC-link voltage (Vdc) | 48 V. | Boost converter inductor (L1) | 14.44 μH |
| Bi-directional converter inductor (L2) | 40.32 μH. | Switching frequency (fs) | 10 kHz |
| Sr. No | Component | Description | Unit |
|---|---|---|---|
| 01 | dSPACE MicroLabBox and auxiliary assembly |
| 01 |
| 06 | ||
| 02 | ||
| 01 | ||
| 04 | ||
| 04 | ||
| 03 | ||
| 02 | Battery | 12 V, 100 Ah battery | 02 |
| 03 | Ultracapacitor | 24.3 V, 250 F | 01 |
| 04 | Converter module |
| 02 |
| 02 | ||
| 02 | ||
| 02 | ||
| 05 | Load | 500 watts (resistive) | 01 |
Disclaimer/Publisher’s Note: The statements, opinions and data contained in all publications are solely those of the individual author(s) and contributor(s) and not of MDPI and/or the editor(s). MDPI and/or the editor(s) disclaim responsibility for any injury to people or property resulting from any ideas, methods, instructions or products referred to in the content. |
© 2024 by the authors. Licensee MDPI, Basel, Switzerland. This article is an open access article distributed under the terms and conditions of the Creative Commons Attribution (CC BY) license (https://creativecommons.org/licenses/by/4.0/).
Share and Cite
Ranjan, A.; Bodkhe, S.; Goyal, G.; Belge, A.; Tibude, S. Experimental Study on Heuristics Energy Management Strategy for Hybrid Energy Storage System. Energies 2024, 17, 5850. https://doi.org/10.3390/en17235850
Ranjan A, Bodkhe S, Goyal G, Belge A, Tibude S. Experimental Study on Heuristics Energy Management Strategy for Hybrid Energy Storage System. Energies. 2024; 17(23):5850. https://doi.org/10.3390/en17235850
Chicago/Turabian StyleRanjan, Alok, Sanjay Bodkhe, Gaurav Goyal, Archana Belge, and Sneha Tibude. 2024. "Experimental Study on Heuristics Energy Management Strategy for Hybrid Energy Storage System" Energies 17, no. 23: 5850. https://doi.org/10.3390/en17235850
APA StyleRanjan, A., Bodkhe, S., Goyal, G., Belge, A., & Tibude, S. (2024). Experimental Study on Heuristics Energy Management Strategy for Hybrid Energy Storage System. Energies, 17(23), 5850. https://doi.org/10.3390/en17235850

