Review of Voltage Balancing Techniques for Series-Connected SiC Metal–Oxide–Semiconductor Field-Effect Transistors
Abstract
1. Introduction
2. Models of SiC MOSFET
2.1. Behavioral Model
2.2. Physical Analytical Model
2.3. Numerical Model
2.4. Hybrid Model
3. Voltage Balancing Technique for Series-Connected SiC MOSFETs
3.1. Voltage Balancing Technology at the Power Side
3.1.1. Snubber Circuit
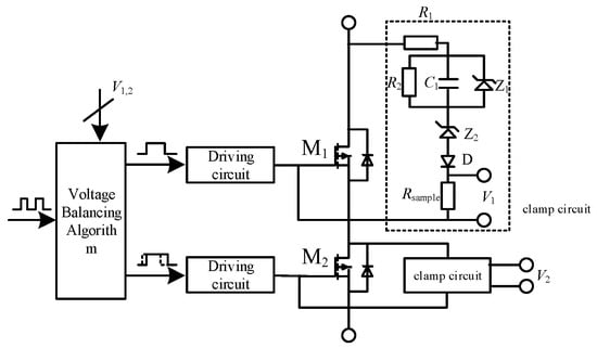
3.1.2. Clamp Circuit
3.2. Voltage Balancing Technology at the Driver Side
3.2.1. Voltage Balancing Technique for Drive Delay
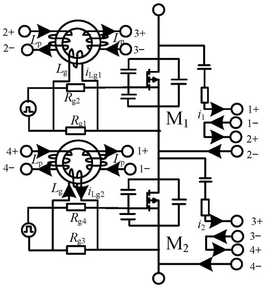
3.2.2. Voltage Balancing Technique Based on Coupled Inductors
3.2.3. Voltage Balancing Technique for Closed-Loop Drive Signal
3.3. Other Voltage Balancing Techniques
3.3.1. Voltage Balancing Technique for Single Drive Signal
3.3.2. Voltage Balancing Technique Based on SiC MOSFETs in Series with JEFTs
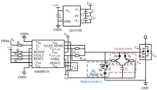
4. Study of SiC MOSFET Driver Circuit
5. Comparison and Perspectives of Voltage Balancing Techniques for Series Connected SiC MOSFETs
5.1. Comparison of Voltage Balancing Techniques for Series-Connected SiC MOSFETs
5.2. Challenges and Prospects of Voltage Balancing Techniques for Series-Connected SiC MOSFETs
6. Conclusions
Author Contributions
Funding
Data Availability Statement
Conflicts of Interest
References
- Sakulphaisan, G.; Chayakulkheeree, K. Loss Minimization for Bipolar DC Distribution Grid Considering Probabilistic EV Charging Load Using Load Balancing Method. IEEE Access 2023, 11, 66995–67012. [Google Scholar] [CrossRef]
- Saat, J.; Fürst, R.; Stein, S.; Müllender, M.; Ulbig, A. Impact of Structural Design of DC Distribution Grids on Reliability of Supply. In Proceedings of the 2023 IEEE Belgrade PowerTech, Belgrade, Serbia, 25–29 June 2023; pp. 1–6. [Google Scholar]
- Stieneker, M.; De Doncker, R.W. Medium-voltage DC distribution grids in urban areas. In Proceedings of the 2016 IEEE 7th International Symposium on Power Electronics for Distributed Generation Systems (PEDG), Vancouver, BC, Canada, 27–30 June 2016; pp. 1–7. [Google Scholar]
- Mackay, L.; van der Blij, N.H.; Ramirez-Elizondo, L.; Bauer, P. Toward the Universal DC Distribution System. Electr. Power Compon. Syst. 2017, 45, 1032–1042. [Google Scholar] [CrossRef]
- Yu, Y.; Masumoto, K.; Wada, K.; Kado, Y. A DC Power Distribution System in a Data Center using a Triple Active Bridge DC-DC Converter. IEEJ J. Ind. Appl. 2018, 7, 202–209. [Google Scholar] [CrossRef]
- Shrestha, B.R.; Tamrakar, U.; Hansen, T.M.; Bhattarai, B.P.; James, S.; Tonkoski, R. Efficiency and Reliability Analyses of AC and 380 V DC Distribution in Data Centers. IEEE Access 2018, 6, 63305–63315. [Google Scholar] [CrossRef]
- Yu, H.; Wang, Y.; Chen, Z. A Novel Renewable Microgrid-Enabled Metro Traction Power System-Concepts, Framework, and Operation Strategy. IEEE Trans. Transp. Electrif. 2021, 7, 1733–1749. [Google Scholar] [CrossRef]
- Sun, X.; Qiu, J.; Tao, Y.; Liu, H.; Zhao, J. Customized Coordinated Voltage Regulation and Voyage Scheduling for All-Electric Ships in Seaport Microgrids. IEEE Trans. Sustain. Energy 2024, 15, 1515–1527. [Google Scholar] [CrossRef]
- Saito, W. A Future Outlook of Power Devices from the Viewpoint of Power Electronics Trends. IEEE Trans. Electron. Devices 2024, 71, 1356–1364. [Google Scholar] [CrossRef]
- Katsuya, S.; Keiji, W. Voltage Balancing Control Based on Gate Signal Delay in Series Connection of SiC-MOSFET. IEEJ Trans. Ind. Appl. 2019, 138, 864–970. [Google Scholar]
- Shao, S.; Wang, X.; Zhang, J.; Chen, H.; Zhang, J. Series voltage equalization of power devices based on active clamping. Electr. Power Autom. Equip. 2024, 44, 164–170. [Google Scholar]
- Zhang, Y.; Li, R.; Meng, R.; Ren, Y.; Ma, Y.; Chen, J. Series-Connected SiC MOSFETs Module with a Single Gate Driver. In Proceedings of the 2022 IEEE 6th Conference on Energy Internet and Energy System Integration (EI2), Chengdu, China, 11–13 November 2022; pp. 2431–2434. [Google Scholar]
- Li, C.; Chen, S.; Li, W.G.; Yang, H.; He, X. An Active Voltage Balancing Method for Series Connection of SiC MOSFETs with Coupling Inductor. IEEE Trans. Power Electron. 2021, 36, 9731–9736. [Google Scholar] [CrossRef]
- Ren, Y.; Yang, X.; Zhang, F.; Wang, K.; Chen, W.; Wang, L.; Pei, Y. A Compact Gate Control and Voltage-Balancing Circuit for Series-Connected SiC MOSFETs and Its Application in a DC Breaker. IEEE Trans. Ind. Electron. 2017, 64, 8299–8309. [Google Scholar] [CrossRef]
- Zhou, Y.; Wang, X.; Xian, L.; Yang, D. Active Gate Drive with Gate-Drain Discharge Compensation for Voltage Balancing in Series-Connected SiC MOSFETs. IEEE Trans. Power Electron. 2019, 66, 5858–5873. [Google Scholar] [CrossRef]
- Son, M.; Cho, Y. A New Gate Driver Technique for Voltage Balancing in Series-Connected Switching Devices. Trans. Korean Inst. Power Electron. 2022, 27, 9–17. [Google Scholar]
- Baliga, B.J. Fundamentals of Power Semiconductor Devices; Springer Science & Business Media: New York, NY, USA, 2010. [Google Scholar]
- Li, C. Behavioral Modeling and Electromagnetic Compatibility Study of Silicon Carbide Mosfets in Motor Drive Systems; University of Electronic Science and Technology of China: Chengdu, China, 2018. [Google Scholar]
- Zhang, A. Research on Common Mode Electromagnetic Interference Characteristics and Suppression Strategy of Permanent Magnet Synchronous Electric Drive System Based on Sic MOSFET; Chongqing University: Chongqing, China, 2022. [Google Scholar]
- Hao, B. Electromagnetic Transient Modeling of High-Voltage High-Power IGBT Devices and Its Application; North China Electric Power University (Beijing): Beijing, China, 2023. [Google Scholar]
- Christen, D.; Biela, J. Analytical switching loss modeling based on datasheet parameters for MOSFETs in a half-bridge. IEEE Trans. Power Electron. 2018, 34, 3700–3710. [Google Scholar] [CrossRef]
- Xu, G. Device Modeling and Simulation Verification Based on Silicon Carbide MOSFET Variable Temperature Parameter Model; North China Electric Power University: Beijing, China, 2015. [Google Scholar]
- Chen, Z. Characterization and Modeling of High-Switching-Speed Behavior of SiC Active Devices; Virginia Polytechnic Institute and State University: Blacksburg, VA, USA, 2009. [Google Scholar]
- Ke, J.; Zhao, Z.; Xie, Z.; Xu, P.; Cui, X. Analytical model of silicon carbide MOSFET switching transient considering the effect of parasitic parameters. Trans. China Electrotech. Soc. 2018, 33, 1762–1774. [Google Scholar]
- Du, W. Behavioral Modeling of Silicon Carbide MOSFET Power Modules and EMI Prediction for Low-Voltage Auxiliary Power Supplies; Chongqing University of Technology: Chongqing, China, 2024. [Google Scholar]
- Mantooth, H.A.; Peng, K.; Santi, E.; Hudgins, J.L. Modeling of wide bandgap semiconductor devices—Part I. IEEE Trans. Electron. Devices 2015, 62, 434–442. [Google Scholar] [CrossRef]
- Turzynski, M.; Kulesza, W.J. A Simplified Behavioral MOSFET Model Based on Parameters Extraction for Circuit Simulations. IEEE Trans. Power Electron. 2016, 31, 3096–3105. [Google Scholar] [CrossRef]
- Leonardi, C.; Raciti, A.; Frisina, F.; Letor, R. A new PSpice power MOSFET model with temperature dependent parameters: Evaluation of performances and comparison with available models. In Proceedings of the IAS ‘97. Conference Record of the 1997 IEEE Industry Applications Conference Thirty-Second IAS Annual Meeting, New Orleans, LA, USA, 5–9 October 1997; pp. 1174–1181. [Google Scholar]
- Yu, Q.; Zhao, Z.; Sun, P.; Zhao, B. Optimization method of SiC MOSFET model based on segment fitting. Semicond. Technol. 2021, 46, 866–874. [Google Scholar]
- Li, H.; Zhao, X.; Sun, K.; Zhao, Z.; Cao, G.; Zheng, T.Q. A non-segmented PSpice model of SiC MOSFET with temperature-dependent parameters. IEEE Trans. Power Electron. 2019, 34, 4603–4612. [Google Scholar] [CrossRef]
- Tan, Y.; Zhang, M.; Liu, Y.; Wu, J. A high-precision SiC MOSFET model with continuous function description. Trans. China Electrotech. Soc. 2024, 39, 5719–5731. [Google Scholar]
- Tang, X.; Zhang, Y.; Zhang, Y.; Wang, Y. Numerical-analytical modeling of 6H-SiC Schottky source-drain n-channel MOSFETs. J. Semicond. 2004, 9, 1159–1163. [Google Scholar]
- Zhou, Y.; Jiang, B.; Chen, Z.; Wang, B. Numerical modeling of short-circuit failure of field-effect transistors. J. Xidian Univ. 2019, 46, 66–73. [Google Scholar]
- Li, Y.; Zhang, Z.; Li, W.; Li, Y.; Chen, Z.; Miao, L. Numerical modeling of surface potential distribution of short-channel n-MOSFETs considering quantum effect. Microelectron. Comput. 2011, 28, 75–78. [Google Scholar]
- McNutt, T.R.; Hefner, A.R.; Mantooth, H.A.; Berning, D.; Ryu, S.-H. Silicon Carbide Power MOSFET Model and Parameter Extraction Sequence. IEEE Trans. Power Electron. 2007, 22, 353–363. [Google Scholar] [CrossRef]
- Mudholkar, M.; Ahmed, S.; Ericson, M.N.; Frank, S.S.; Britton, C.L.; Mantooth, H.A. Datasheet Driven Silicon Carbide Power MOSFET Model. IEEE Trans. Power Electron. 2014, 29, 22210–22228. [Google Scholar] [CrossRef]
- Rashid, A.U.; Hossain, M.M.; Emon, A.I.; Mantooth, H.A. Datasheet-Driven Compact Model of Silicon Carbide Power MOSFET Including Third-Quadrant Behavior. IEEE Trans. Power Electron. 2021, 36, 11748–11762. [Google Scholar] [CrossRef]
- Wang, L.; Sun, K.; Zhang, Z.; Li, C.; Wu, Y.; Bi, D. A datasheet-driven SiC MOSFET model considering Miller capacitor stratified depletion. High Volt. Eng. 2024, 1–14. [Google Scholar] [CrossRef]
- Vechalapu, K.; Hazra, S.; Raheja, U.; Negi, A.; Bhattacharya, S. High-speed medium voltage (MV) drive applications enabled by series connection of 1.7 kV SiC MOSFET devices. In Proceedings of the 2017 IEEE Energy Conversion Congress and Exposition (ECCE), Cincinnati, OH, USA, 1–5 October 2017; pp. 808–815. [Google Scholar]
- Chen, J.-F.; Lin, J.-N.; Ai, T.-H. The techniques of the serial and paralleled IGBTs. In Proceedings of the 1996 IEEE IECON. 22nd International Conference on Industrial Electronics, Control, and Instrumentation, Taipei, Taiwan, 9 August 1996; pp. 999–1004. [Google Scholar]
- Kopacz, R.; Peftitsis, D.; Rabkowski, J. Experimental study on fast-switching series-connected SiC MOSFETs. In Proceedings of the 2017 19th European Conference on Power Electronics and Applications (EPE’17 ECCE Europe), Warsaw, Poland, 11–14 September 2017; pp. 1–10. [Google Scholar]
- Chen, X.; Yu, L.; Jiang, T.; Tian, H.; Huang, K.; Wang, J. A High-Voltage Solid-State Switch Based on Series Connection of IGBTs for PEF Applications. IEEE Trans. Plasma Sci. 2017, 45, 2328–2334. [Google Scholar] [CrossRef]
- Zhang, F.; Ren, Y.; Yang, X.; Chen, W.; Wang, L. A Novel Active Voltage Clamping Circuit Topology for Series-Connection of SiC-MOSFETs. IEEE Trans. Power Electron. 2021, 36, 3655–3660. [Google Scholar] [CrossRef]
- Wang, Z.; Li, C.; Zheng, Z. A Novel Direct Gate Driver for Series-connected SiC MOSFETs. In Proceedings of the 2020 IEEE Vehicle Power and Propulsion Conference (VPPC), Gijon, Spain, 18 November–16 December 2020; pp. 1–6. [Google Scholar]
- Robinson, F.V.; Hamidi, V. Series connecting devices for high-voltage power conversion. In Proceedings of the 2007 42nd International Universities Power Engineering Conference, Brighton, UK, 4–6 September 2007; pp. 1134–1139. [Google Scholar]
- Zhang, F.; Yang, X.; Chen, W.; Wang, L. Voltage Balancing Control of Series-Connected SiC MOSFETs by Using Energy Recovery Snubber Circuits. IEEE Trans. Power Electron. 2020, 35, 10200–10212. [Google Scholar] [CrossRef]
- Zarghani, M.; Mohsenzade, S.; Kaboli, S. A Series Stacked IGBT Switch Based on a Concentrated Clamp Mode Snubber for Pulsed Power Applications. IEEE Trans. Power Electron. 2019, 34, 9573–9584. [Google Scholar] [CrossRef]
- Bruckmann, M.; Sommer, R.; Fasching, M.; Sigg, J. Series connection of high voltage IGBT modules. In Proceedings of the 1998 IEEE Industry Applications Conference, Thirty-Third IAS Annual Meeting (Cat. No.98CH36242), St. Louis, MO, USA, 12–15 October 1998; pp. 1067–1072. [Google Scholar]
- Saiz, J.; Mermet, M.; Frey, D.; Jeannin, P.; Schanen, J.; Muszicki, P. Optimisation and integration of an active clamping circuit for IGBT series association. In Proceedings of the 2001 IEEE Industry Applications Conference, 36th IAS Annual Meeting (Cat. No.01CH37248), Chicago, IL, USA, 30 September–4 October 2001; pp. 1046–1051. [Google Scholar]
- Gong, H.; Lu, S.; Li, S.; Li, T. A Modular Voltage Equalizing Driver for Series-Connected SiC MOSFETs. In Proceedings of the 2021 IEEE 2nd China International Youth Conference on Electrical Engineering (CIYCEE), Chengdu, China, 15–17 December 2021; pp. 1–6. [Google Scholar]
- Wang, Z.; Dong, K.; Ma, Y.; Liu, W.; Zheng, Z.; Li, Y. Hybrid Dynamic Voltage Balancing Technique for Series-Connected SiC MOSFETs. In Proceedings of the 2019 IEEE 13th International Conference on Power Electronics and Drive Systems (PEDS), Toulouse, France, 9–12 July 2019; pp. 1–3. [Google Scholar]
- Wang, R.; Jørgensen, A.B.; Zhao, H.; Munk-Nielsen, S. Short-Circuit Characteristic of Single Gate Driven SiC MOSFET Stack and Its Improvement with Strong Antishort Circuit Fault Capabilities. IEEE Trans. Power Electron. 2022, 37, 13577–13586. [Google Scholar] [CrossRef]
- Zhang, Z.; Gui, H.; Niu, J.; Chen, R.; Wang, F.; Tolbert, L.M. High precision gate signal timing control based active voltage balancing scheme for series-connected fast switching field-effect transistors. In Proceedings of the 2018 IEEE Applied Power Electronics Conference and Exposition (APEC), San Antonio, TX, USA, 4–8 March 2018; pp. 925–930. [Google Scholar]
- Wang, T.; Lin, H.; Liu, S. An Active Voltage Balancing Control Based on Adjusting Driving Signal Time Delay for Series-Connected SiC MOSFETs. IEEE J. Emerg. Sel. Top. Power Electron. 2020, 8, 454–464. [Google Scholar] [CrossRef]
- Wada, K.; Shingu, K. Voltage Balancing Control for Series Connected MOSFETs Based on Time Delay Adjustment Under Start-Up and Steady-State Operations. In Proceedings of the 2018 IEEE Energy Conversion Congress and Exposition (ECCE), Portland, OR, USA, 23–27 September 2018; pp. 5495–5499. [Google Scholar]
- Wang, P.; Gao, F.; Jing, Y.; Hao, Q.; Li, K.; Zhao, K. An Integrated Gate Driver with Active Delay Control Method for Series Connected SiC MOSFETs. In Proceedings of the 2018 IEEE 19th Workshop on Control and Modeling for Power Electronics (COMPEL), Padua, Italy, 25–28 June 2018; pp. 1–6. [Google Scholar]
- Shingu, K.; Wada, K. Digital control based voltage balancing for series connected SiC MOSFETs under switching operations. In Proceedings of the 2017 IEEE Energy Conversion Congress and Exposition (ECCE), Cincinnati, OH, USA, 1–5 October 2017; pp. 5495–5500. [Google Scholar]
- Gerster, C.; Hofer, P.; Karrer, N. Gate-control strategies for snubberless operation of series connected IGBTs. In Proceedings of the PESC Record 27th Annual IEEE Power Electronics Specialists Conference, Baveno, Italy, 23–27 June 1996; pp. 1739–1742. [Google Scholar]
- Palmer, P.R.; Zhang, J.; Zhang, X. SiC MOSFETs connected in series with active voltage control. In Proceedings of the 2015 IEEE 3rd Workshop on Wide Bandgap Power Devices and Applications (WiPDA), Blacksburg, VA, USA, 2–4 November 2015; pp. 60–65. [Google Scholar]
- Allan, P.J.R.; Torri, P.J. Use of Series Connected SiC Devices in a 2 x 330 kW, 1500 Vdc Power Converter design. In Proceedings of the 10th International Conference on Power Electronics, Machines and Drives (PEMD 2020), Online Conference, 15–17 December 2020; pp. 7–12. [Google Scholar]
- Lu, T.; Zhao, Z.; Ji, S.; Yu, H.; Yuan, L. Active Clamping Circuit with Status Feedback for Series-Connected HV-IGBTs. IEEE Trans. Ind. Appl. 2014, 50, 3579–3590. [Google Scholar] [CrossRef]
- Ji, S.; Lu, T.; Zhao, Z.; Yu, H.; Yuan, L. Series-Connected HV-IGBTs Using Active Voltage Balancing Control with Status Feedback Circuit. IEEE Trans. Power Electron. 2015, 30, 4165–4174. [Google Scholar] [CrossRef]
- Ji, S.; Wang, F.; Tolbert, L.M.; Lu, T.; Zhao, Z.; Yu, H. An FPGA-Based Voltage Balancing Control for Multi-HV-IGBTs in Series Connection. IEEE Trans. Ind. Appl. 2018, 54, 4640–4649. [Google Scholar] [CrossRef]
- Li, C.; Chen, S.; Luo, H.; Li, C.; Li, W.; He, X. A Modified RC Snubber with Coupled Inductor for Active Voltage Balancing of Series-Connected SiC MOSFETs. IEEE Trans. Power Electron. 2021, 36, 11208–11220. [Google Scholar] [CrossRef]
- Ding, S.; Wang, P.; Wang, W.; Xu, D. Magnetic-Coupled and Low-Cost Gate Driver for Series Connected SiC MOSFETs. IEEE J. Emerg. Sel. Top. Power Electron. 2023, 11, 4956–4968. [Google Scholar] [CrossRef]
- Sun, K.; Raszmann, E.; Wang, J.; Lin, X.; Burgos, R.; Dong, D. Modeling, Design, and Evaluation of Active dv/dt Balancing for Series-Connected SiC MOSFETs. IEEE Trans. Power Electron. 2022, 37, 534–546. [Google Scholar] [CrossRef]
- Kokkonda, R.K.; Bhattacharya, S. Soft Switching ARCP Inverter Using Series Connected SiC MOSFETs for Medium Voltage Motor Drive Applications. In Proceedings of the 2024 IEEE Applied Power Electronics Conference and Exposition (APEC), Long Beach, CA, USA, 25–29 February 2024; pp. 567–574. [Google Scholar]
- Zhou, Y.; Xian, L.; Wang, X. Variable Turn-OFF Gate Voltage Drive for Voltage Balancing of High-Speed SiC MOSFETs in Series-Connection. IEEE Trans. Power Electron. 2022, 37, 9285–9297. [Google Scholar] [CrossRef]
- Lim, T.C.; Williams, B.W.; Finney, S.J.; Palmer, P.R. Series-Connected IGBTs Using Active Voltage Control Technique. IEEE Trans. Power Electron. 2013, 28, 4083–4103. [Google Scholar] [CrossRef]
- Wang, Y.; Bryant, A.; Palmer, P.; Finney, S.; Abu-Khaizaran, M.; Li, G. An analysis of high power IGBT switching under cascade active voltage control. In Proceedings of the 2005 Industry Applications Conference, Kowloon, Hong Kong, 2–6 October 2005; pp. 806–812. [Google Scholar]
- Yang, X.; Zhang, J.; He, W.; Long, Z.; Palmer, P.R. Physical Investigation into Effective Voltage Balancing by Temporary Clamp Technique for the Series Connection of IGBTs. IEEE Trans. Power Electron. 2018, 33, 248–258. [Google Scholar] [CrossRef]
- Palmer, P.R.; Githiari, A.N.; Leedham, R.J. Some scaling issues in the active voltage control of IGBT modules for high power applications. In Proceedings of the PESC97 Record 28th Annual IEEE Power Electronics Specialists Conference. Formerly Power Conditioning Specialists Conference 1970–71. Power Processing and Electronic Specialists Conference 1972, St. Louis, MO, USA, 27 June 1997; pp. 854–860. [Google Scholar]
- Wu, X.; Cheng, S.; Xiao, Q.; Sheng, K. A 3600 V/80 A Series-Parallel-Connected Silicon Carbide MOSFETs Module with a Single External Gate Driver. IEEE Trans. Power Electron. 2014, 29, 2296–2306. [Google Scholar] [CrossRef]
- Pang, L.; Long, T.; He, K.; Huang, Y.; Zhang, Q. A Compact Series-Connected SiC MOSFETs Module and Its Application in High Voltage Nanosecond Pulse Generator. IEEE Trans. Ind. Electron. 2019, 66, 9238–9247. [Google Scholar] [CrossRef]
- Xie, Z.; Wen, H.; Xu, P.; Wang, X. A Novel Single Gate Control Method with Optimized Stability for Series Connected Power Devices in DC Circuit Breaker Applications. In Proceedings of the 2023 6th Asia Conference on Energy and Electrical Engineering (ACEEE), Chengdu, China, 21–23 July 2023; pp. 76–80. [Google Scholar]
- Ni, X.; Gao, R.; Song, X.; Huang, A.Q.; Yu, W. Development of 6 kV SiC hybrid power switch based on 1200 V SiC JFET and MOSFET. In Proceedings of the 2015 IEEE Energy Conversion Congress and Exposition (ECCE), Montreal, QC, Canada, 20–24 September 2015; pp. 4113–4118. [Google Scholar]
- Song, X.; Huang, A.Q.; Zhang, L.; Liu, P.; Ni, X. 15 kV/40 A FREEDM super-cascode: A cost effective SiC high voltage and high frequency power switch. In Proceedings of the 2016 IEEE Energy Conversion Congress and Exposition (ECCE), Milwaukee, WI, USA, 18–22 September 2016; pp. 1–8. [Google Scholar]
- Zhou, Z.; Cao, J.; Zhang, Z.; Zhang, B. A review of SiC MOSFET gate drive circuit research. Electron. Packag. 2022, 22, 7–17. [Google Scholar]
- Xian, Y.; Cui, X.; Hu, B.; Shao, C.; Zhao, D.; Zhao, Z.; Yan, Q. SiC MOSFET drive and protection circuit design. Semicond. Technol. 2022, 47, 660–664. [Google Scholar]
- Xu, J.; Gao, Y.; Yang, Y.; Meng, Z.; Wen, Y.; Zhang, L. Design and characterization of SiC MOSFET driver circuit. Semicond. Technol. 2020, 45, 352–358. [Google Scholar]
- Anurag, A.; Acharya, S.; Prabowo, Y.; Gohil, G.; Bhattacharya, S. Design Considerations and Development of an Innovative Gate Driver for Medium-Voltage Power Devices with High dv/dt. IEEE Trans. Power Electron. 2019, 34, 5256–5267. [Google Scholar] [CrossRef]
- Hazra, S.; Vechalapu, K.; Madhusoodhanan, S.; Bhattacharya, S.; Hatua, K. Gate driver design considerations for silicon carbide MOSFETs including series connected devices. In Proceedings of the 2017 IEEE Energy Conversion Congress and Exposition (ECCE), Cincinnati, OH, USA, 1–5 October 2017; pp. 1402–1409. [Google Scholar]
- Li, L.; Wang, L.; Xiao, M.; Liu, Y.; Mei, Y. Gate Driver Optimization to Suppress Bridge-Leg Crosstalk and Gate-Source Voltage Oscillation for SiC MOSFET. In Proceedings of the 2023 IEEE 2nd International Power Electronics and Application Symposium (PEAS), Guangzhou, China, 10–13 November 2023; pp. 413–417. [Google Scholar]
- Liang, X.; Xu, P.; Xie, Z.; Yu, Y.; Zhang, M.; Feng, T. Gate Voltage Oscillation Mitigation in Solid-State Circuit Breakers with Single-Gate Driven Series-Connected Power Devices. IEEE Trans. Compon. Packag. Manuf. Technol. 2024, 14, 754–765. [Google Scholar] [CrossRef]
- Qin, H.; Ma, C.; Wang, D.; Xie, H.; Zhu, Z.; Xu, K. An overview of SiC MOSFET gate drivers. In Proceedings of the 2017 12th IEEE Conference on Industrial Electronics and Applications (ICIEA), Siem Reap, Cambodia, 18–20 June 2017; pp. 25–30. [Google Scholar]
- Yuan, J. Research on Driving Technology of SiC MOSFETs; Beijing Jiaotong University: Beijing, China, 2015. [Google Scholar]
- Xu, Y. Driving Research of SiC MOSFET High-Speed Switching Devices; Xidian University: Xi’an, China, 2017. [Google Scholar]
- Lei, M. Design of Driver Chip for SiC Switching Devices; Huazhong University of Science and Technology: Wuhan, China, 2016. [Google Scholar]
- Zhou, Q. Research on Silicon Carbide MOSFET Driving Technology; Shandong University: Qingdao, China, 2016. [Google Scholar]
- Du, T. Research and design of silicon carbide MOSFET driving circuit. Smart Rail Transit 2024, 61, 18–21+26. [Google Scholar]
- Zhao, K.; Jiang, H.; Tang, L.; Zhong, X.; Xie, Y.; Hu, H.; Xiao, N.; Huang, Y.; Liu, L. Driver circuit for suppressing threshold voltage drift of silicon carbide MOSFET. J. Chongqing Univ. 2024, 1–7. Available online: http://kns.cnki.net/kcms/detail/50.1044.N.20240415.1704.002.html (accessed on 12 November 2024).






















| Reference | Isolated | Efficiency | Volumetric | Interference Resistance | Cost |
|---|---|---|---|---|---|
| [81] | yes | middle | small | strong | higher |
| [82] | yes | middle | smaller | stronger | middle |
| [83] | yes | low | middle | - | high |
| [84] | yes | high | larger | middle | middle |
| [86] | yes | low | middle | - | middle |
| [87] | yes | middle | small | - | low |
| [88] | yes | higher | large | stronger | middle |
| [90] | yes | low | larger | middle | middle |
| [91] | yes | middle | middle | strong | lower |
| Voltage Balancing Technology | Reference | Experimental Data | Cost | Modularity | Complexity | Speed of Voltage Balancing | Losses | Effectiveness of Voltage Balancing |
|---|---|---|---|---|---|---|---|---|
| Voltage balancing technology at the power side | [43] | 2.4 kV, four tubes in series, equilibrium time 200 ns, efficiency less than 90% | lower | high | lowest | faster | large | middle |
| Voltage balancing technique based on SiC MOSFETs in series with JEFTs | [76] | 4 kV, five tubes in series, equilibrium time 800 ns, efficiency above 90% | lower | middle | lower | middle | middle | middle |
| Voltage balancing technique for single drive signal | [74] | 10 kV, ten tubes in series, equilibrium time 600 ns, efficiency above 90% | lowest | middle | lower | fastest | middle | bad |
| Voltage balancing technique based on coupled inductors | [65] | 1.2 kV, three tubes in series, equilibrium time 750 ns, efficiency above 90% | middle | middle | middle | faster | middle | middle |
| Voltage balancing technique for drive signal delay | [54] | 320 V, two tubes in series, equilibrium time ns level, efficiency more than 95% | higher | low | high | slow | small | good |
| Voltage balancing technique for closed-loop drive signal | [71] | 400 V, four tubes in series, equilibrium time ns level, efficiency above 90% | highest | low | high | slow | small | good |
Disclaimer/Publisher’s Note: The statements, opinions and data contained in all publications are solely those of the individual author(s) and contributor(s) and not of MDPI and/or the editor(s). MDPI and/or the editor(s) disclaim responsibility for any injury to people or property resulting from any ideas, methods, instructions or products referred to in the content. |
© 2024 by the authors. Licensee MDPI, Basel, Switzerland. This article is an open access article distributed under the terms and conditions of the Creative Commons Attribution (CC BY) license (https://creativecommons.org/licenses/by/4.0/).
Share and Cite
Sun, L.; Qiao, M.; Xia, Y.; Wu, B.; Chen, F. Review of Voltage Balancing Techniques for Series-Connected SiC Metal–Oxide–Semiconductor Field-Effect Transistors. Energies 2024, 17, 5846. https://doi.org/10.3390/en17235846
Sun L, Qiao M, Xia Y, Wu B, Chen F. Review of Voltage Balancing Techniques for Series-Connected SiC Metal–Oxide–Semiconductor Field-Effect Transistors. Energies. 2024; 17(23):5846. https://doi.org/10.3390/en17235846
Chicago/Turabian StyleSun, Lucheng, Mingzhong Qiao, Yihui Xia, Bo Wu, and Fulin Chen. 2024. "Review of Voltage Balancing Techniques for Series-Connected SiC Metal–Oxide–Semiconductor Field-Effect Transistors" Energies 17, no. 23: 5846. https://doi.org/10.3390/en17235846
APA StyleSun, L., Qiao, M., Xia, Y., Wu, B., & Chen, F. (2024). Review of Voltage Balancing Techniques for Series-Connected SiC Metal–Oxide–Semiconductor Field-Effect Transistors. Energies, 17(23), 5846. https://doi.org/10.3390/en17235846

