The Effect of the Number of Parallel Winding Paths on the Fault Tolerance of a Switched Reluctance Motor
Abstract
1. Introduction
2. Model and Winding Configuration
3. Maths Models of SRM with Different Winding Paths in a Phase
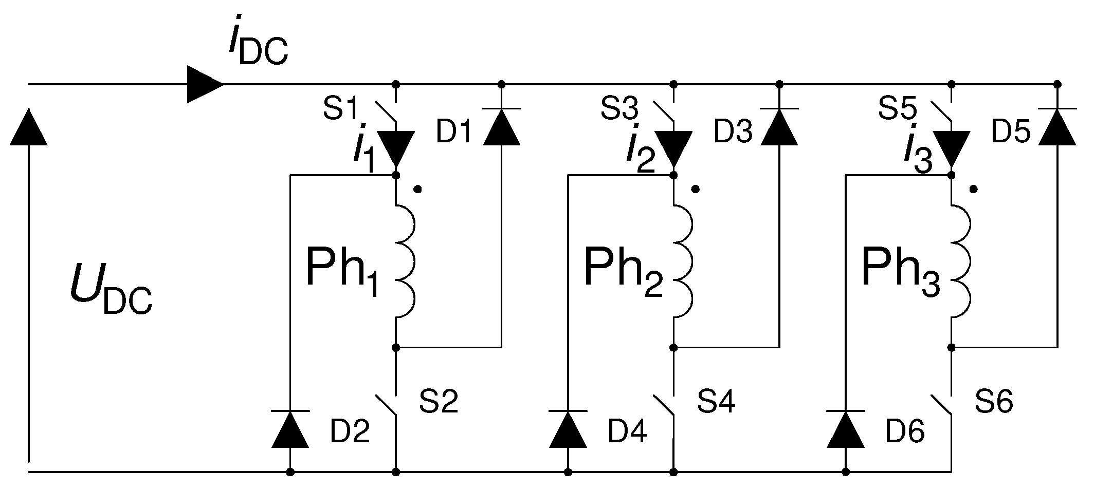
3.1. SRM Model for Classic Configuration with One Winding Path in a Phase
3.2. SRM Model for Configuration with Two Parallel Winding Paths in a Phase
4. Numerical Calculations
4.1. Waveforms
4.2. FFT Analysis of DC Current
5. Laboratory Test
6. Conclusions
Author Contributions
Funding
Data Availability Statement
Conflicts of Interest
References
- Korkosz, M.; Bogusz, P.; Prokop, J.; Pakla, B.; Podskarbi, G. Comparative Analysis of Fault-Tolerant Dual-Channel BLDC and SR Motors. Energies 2019, 12, 2489. [Google Scholar] [CrossRef]
- Ro, H.; Kim, D.; Jeong, H.; Lee, K. Tolerant Control for Power Transistor Faults in Switched Reluctance Motor Drives. IEEE Trans. Ind. Appl. 2015, 51, 3187–3197. [Google Scholar] [CrossRef]
- Chen, Q.; Xu, D.; Xu, L.; Wang, J.; Lin, Z.; Zhu, X. Fault-Tolerant Operation of a Novel Dual-Channel Switched Reluctance Motor Using Two 3-Phase Standard Inverters. IEEE Trans. Appl. Supercond. 2018, 28, 1–5. [Google Scholar] [CrossRef]
- Hu, Y.; Gan, C.; Cao, W.; Zhang, J.; Li, W.; Finney, S.J. Flexible Fault-Tolerant Topology for Switched Reluctance Motor Drives. IEEE Trans. Power Electron. 2016, 31, 4654–4668. [Google Scholar] [CrossRef]
- Gan, C.; Chen, Y.; Qu, R.; Yu, Z.; Kong, W.; Hu, Y. An Overview of Fault-Diagnosis and Fault-Tolerance Techniques for Switched Reluctance Machine Systems. IEEE Access 2019, 7, 174822–174838. [Google Scholar] [CrossRef]
- Ding, W.; Hu, Y.; Wu, L. Investigation and Experimental Test of Fault-Tolerant Operation of a Mutually Coupled Dual Three-Phase SRM Drive Under Faulty Conditions. IEEE Trans. Power Electron. 2015, 30, 6857–6872. [Google Scholar] [CrossRef]
- Hirst, M.; McLoughlin, A.; Norman, P.; Galloway, S. Demonstrating the more electric engine: A step towards the power optimised aircraft. IET Electr. Power Appl. 2011, 5, 3–13. [Google Scholar] [CrossRef]
- Chen, H.; Chen, H.; Han, G.; Guan, G. Power Transistors’ Fault Diagnosis Method of SR S/G for More Electric Aircraft with Cross-Leg Current Analysis. IEEE Trans. Transp. Electrif. 2020, 6, 1528–1536. [Google Scholar] [CrossRef]
- Liaw, C.; Jhou, P.; Yang, C. Switched-Reluctance Motor Drive for More Electric Aircraft with Energy Storage Buffer. IEEE Trans. Aerosp. Electron. Syst. 2023, 59, 7423–7439. [Google Scholar] [CrossRef]
- Sun, G.; Song, S.; Jiang, J.; Ge, L.; Liu, W. Characteristics Testing and Torque Control of Aero-Engine Shaft-Line-Embedded Switched Reluctance Starter/Generator. IEEE Trans. Ind. Appl. 2023, 59, 7295–7305. [Google Scholar] [CrossRef]
- Raminosoa, T.; Blunier, B.; Fodorean, D.; Miraoui, A. Design and Optimization of a Switched Reluctance Motor Driving a Compressor for a PEM Fuel-Cell System for Automotive Applications. IEEE Trans. Ind. Electron. 2010, 57, 2988–2997. [Google Scholar] [CrossRef]
- Krishnamurthy, M.; Edrington, C.S.; Emadi, A.; Asadi, P.; Ehsani, M.; Fahimi, B. Making the case for applications of switched reluctance motor technology in automotive products. IEEE Trans. Power Electron. 2006, 21, 659–675. [Google Scholar] [CrossRef]
- Widmer, J.D.; Martin, R.; Mecrow, B.C. Optimization of an 80-kW Segmental Rotor Switched Reluctance Machine for Automotive Traction. IEEE Trans. Ind. Appl. 2015, 51, 2990–2999. [Google Scholar] [CrossRef]
- Chiba, A.; Takano, Y.; Takeno, M.; Imakawa, T.; Hoshi, N.; Takemoto, M.S.; Ogasawara, S. Torque Density and Efficiency Improvements of a Switched Reluctance Motor Without Rare-Earth Material for Hybrid Vehicles. IEEE Trans. Ind. Appl. 2011, 47, 1240–1246. [Google Scholar] [CrossRef]
- Cheng, H.; Wang, L.; Xu, L.; Ge, X.; Yang, S. An Integrated Electrified Powertrain Topology with SRG and SRM for Plug-In Hybrid Electrical Vehicle. IEEE Trans. Ind. Electron. 2020, 67, 8231–8241. [Google Scholar] [CrossRef]
- Hong, C.; Huang, W.; Hu, Z. Performance Calculation of a Dual Stator Solid Rotor Axial Flux Induction Motor Using the Multi-Slice and Multi-Layer Method. IEEE Trans. Magn. 2019, 55, 1–9. [Google Scholar] [CrossRef]
- Zhou, Y.; Jiang, J.; Hu, P.; Yuan, Y. A Novel Dual-Channel Bearingless Switched Reluctance Motor. IEEE Access 2021, 9, 122373–122384. [Google Scholar] [CrossRef]
- Liu, G.; Zhao, M.; Chen, Q.; Zhao, W.; Zhu, X. Performance Comparison of Fault-Tolerant Control for Triple Redundant 3 × 3-Phase Motors Driven by Mono-Inverter. IEEE Trans. Transp. Electrif. 2022, 8, 1839–1852. [Google Scholar] [CrossRef]
- Hwang, K.; Yoon, K. Fault-Tolerant Design Process of Spoke-Type IPM Motor Considering Irreversible Demagnetization of PM in Integrated Electric Brake System. IEEE Trans. Magn. 2022, 58, 1–9. [Google Scholar] [CrossRef]
- Feng, T.; Hao, S.; Zhang, X.T.; Yang, T.; Wang, L. Development of a Fault-Tolerant Permanent-Magnet Synchronous Motor. IEEE Access 2019, 7, 146228–146239. [Google Scholar] [CrossRef]
- Chu, L.; Zhu, P.; Chang, C. Research on Full Brake-By-Wire System and Clamping Force Estimation Strategy Based on Redundant Drive Motors. IEEE Access 2023, 11, 124098–124113. [Google Scholar] [CrossRef]
- Romeral, L.; Urresty, J.C.; Ruiz, J.-R.R.; Espinosa, A.G. Modeling of Surface-Mounted Permanent Magnet Synchronous Motors with Stator Winding Interturn Faults. IEEE Trans. Ind. Electron. 2011, 58, 1576–1585. [Google Scholar] [CrossRef]
- Strangas, E.G.; Clerc, G.; Razik, H.; Soualhi, A. Fault Diagnosis, Prognosis, and Reliability for Electrical Machines and Drives; Wiley: Hoboken, NJ, USA, 2022; ISBN 9781119722755. [Google Scholar]
- Jung, J.-H.; Lee, J.-J.; Kwon, B.-H. Online Diagnosis of Induction Motors Using MCSA. IEEE Trans. Ind. Electron. 2006, 53, 1842–1852. [Google Scholar] [CrossRef]
- Lee, S.B.; Hyun, D.; Kang, T.J.; Yang, C.; Shin, S.; Kim, H.; Park, S.; Kong, T.S.; Kim, H.D. Identification of False Rotor Fault Indications Produced by Online MCSA for Medium-Voltage Induction Machines. IEEE Trans. Ind. Appl. 2016, 52, 729–739. [Google Scholar] [CrossRef]
- Toliyat, H.A.; Nandi, S.; Choi, S.; Meshgin-Kelk, H. Electric Machines: Modeling, Condition Monitoring, and Fault Diagnosis; CRC Press: Boca Raton, FL, USA, 2002. [Google Scholar]
- Bellini, A.; Filippetti, F.; Tassoni, C.; Capolino, G.A. Advances in Diagnostic Techniques for Induction Machines. IEEE Trans. Ind. Electron. 2008, 55, 4109–4126. [Google Scholar] [CrossRef]
- Mazzoletti, M.A.; Bossio, G.R.; De Angelo, C.H.; Espinoza-Trejo, D.R. A Model-Based Strategy for Interturn Short-Circuit Fault Diagnosis in PMSM. IEEE Trans. Ind. Electron. 2017, 64, 7218–7228. [Google Scholar] [CrossRef]
- Panagiotou, P.A.; Arvanitakis, I.; Lophitis, N.; Antonino-Daviu, J.A.; Gyftakis, K.N. A New Approach for Broken Rotor Bar Detection in Induction Motors Using Frequency Extraction in Stray Flux Signals. IEEE Trans. Ind. Appl. 2019, 55, 3501–3511. [Google Scholar] [CrossRef]
- Zhang, J.; Xu, Z.; Wang, J.; Zhao, J.; Din, Z.; Cheng, M. Detection and Discrimination of Incipient Stator Faults for Inverter-Fed Permanent Magnet Synchronous Machines. IEEE Trans. Ind. Electron. 2021, 68, 7505–7515. [Google Scholar] [CrossRef]
- Zhang, P.; Li, K.; Yu, S.; Yu, D. A Novel Fault Diagnosis Technique of Interturn Short-Circuit Fault for SRM in Current Chopper Mode. IEEE Trans. Ind. Electron. 2022, 69, 3037–3046. [Google Scholar] [CrossRef]
- Alam, M.; Gugulothu, N.; Payami, S. A Novel Diagnosis Method for Interturn Short-Circuits in SRMs by Tracking Post Turn-Off Phase Currents Under Current Chopping Control. IEEE Trans. Ind. Electron. 2024, 71, 49–58. [Google Scholar] [CrossRef]
- Alam, M.; Payami, S. A Novel Control-Independent Online Fault Diagnosis of Interturn Short Circuits in SRMs Using Signal Injection Technique. IEEE Trans. Ind. Electron. 2023, 70, 2157–2167. [Google Scholar] [CrossRef]
- Bogusz, P.; Korkosz, M.; Prokop, J. Current harmonics analysis as a method of electrical faults diagnostic in switched reluctance motors. In Proceedings of the 2007 IEEE International Symposium on Diagnostics for Electric Machines, Power Electronics and Drives, Cracow, Poland, 6–8 September 2007. [Google Scholar] [CrossRef]

































| Lp. | Parameter | Value |
|---|---|---|
| 1 | Number of phases | 3 |
| 2 | Number of stator poles | 24 |
| 3 | Number of rotor poles | 16 |
| 4 | Stator diameter | 140 mm |
| 5 | Rotor diameter | 82 mm |
| 6 | Shaft diameter | 25 mm |
| 7 | Active length | 140 mm |
| 8 | Air-gap length | 0.56 mm 1 |
| 9 | Magnetic material | M230-35A |
| 10 | Number of turns per pole | 105 |
| 11 | Nominal current per path | 3.5A |
| 12 | Nominal voltage | 270 VDC |
| Working Condition | S1 | S2 | S3 |
|---|---|---|---|
| SYM | on | on | off |
| SC | on | on | on |
| OC | off | off | off |
| OC/SC | off | on | on |
Disclaimer/Publisher’s Note: The statements, opinions and data contained in all publications are solely those of the individual author(s) and contributor(s) and not of MDPI and/or the editor(s). MDPI and/or the editor(s) disclaim responsibility for any injury to people or property resulting from any ideas, methods, instructions or products referred to in the content. |
© 2024 by the authors. Licensee MDPI, Basel, Switzerland. This article is an open access article distributed under the terms and conditions of the Creative Commons Attribution (CC BY) license (https://creativecommons.org/licenses/by/4.0/).
Share and Cite
Korkosz, M.; Prokop, J.; Bogusz, P. The Effect of the Number of Parallel Winding Paths on the Fault Tolerance of a Switched Reluctance Motor. Energies 2024, 17, 5701. https://doi.org/10.3390/en17225701
Korkosz M, Prokop J, Bogusz P. The Effect of the Number of Parallel Winding Paths on the Fault Tolerance of a Switched Reluctance Motor. Energies. 2024; 17(22):5701. https://doi.org/10.3390/en17225701
Chicago/Turabian StyleKorkosz, Mariusz, Jan Prokop, and Piotr Bogusz. 2024. "The Effect of the Number of Parallel Winding Paths on the Fault Tolerance of a Switched Reluctance Motor" Energies 17, no. 22: 5701. https://doi.org/10.3390/en17225701
APA StyleKorkosz, M., Prokop, J., & Bogusz, P. (2024). The Effect of the Number of Parallel Winding Paths on the Fault Tolerance of a Switched Reluctance Motor. Energies, 17(22), 5701. https://doi.org/10.3390/en17225701

