Calculations of Performance Characteristics of Submerged Cargo Pumps with Hydraulic Drive and Constant Torque Controllers, Taking into Account the Energy Efficiency of the Drive Motor
Abstract
1. Introduction
2. Problem Formulation
2.1. Submerged Cargo Pumps on Modern Product Tankers
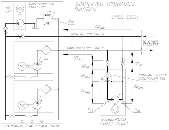
2.2. Hydraulic Supply and Flow Control of Submerged Cargo Pumps Using Constant-Torque Controllers
2.3. Scientific Problem
3. Calculation Model of the Energy Efficiency of a Hydraulic Axial Piston Motor Type A2FM 125 for Driving a Submerged Cargo Pump
- Relative load factor of the hydraulic drive motor :
4. Flow Calculation Model of a Hydraulically Driven Submerged Cargo Pump with a Constant Torque Controller
- hydraulic —resulting from losses in the flow channels of the pump,
- volumetric —resulting from leakage losses through external and internal gaps and seals,
- mechanical —resulting from mechanical friction losses in bearings, stuffing boxes and other seals,
- disc —resulting from viscous friction losses of the impeller (disc) in the pump.Based on these losses, the following centrifugal pump efficiency factors are defined:
- Coefficient of centrifugal pump volumetric efficiency :
5. Results of Numerical Simulations of the Cargo Pump Characteristics and Comparison with Experimental Measurements Onboard the Product Tanker
6. Conclusions
- Controlling the flow of a submerged cargo pump using a constant-torque controller significantly changes the flow characteristics of the cargo pump compared to the flow characteristics obtained by classic control of the speed of the pump impeller.
- The mathematical model presented in this paper for calculating the flow characteristics of a submerged cargo pump in constant-torque control mode allows the flow characteristics to be calculated with good accuracy. The calculation error is larger when the value of drop pressure adjusted in a constant-torque controller is smaller.
- The inclusion of the energy efficiency of the pump’s hydraulic drive motor in the calculation of the flow characteristics of the cargo pump allows the flow characteristics to be calculated with greater accuracy and must not be overlooked in accurate analyses of the performance of cargo pumps operated using a constant-torque controller.
- The mathematical model presented in this paper to calculate the performance of submerged cargo pumps can be of utilitarian value, allowing officers who supervise the unloading processes of product tankers to better calculate the unloading time, thus enabling better management and improvement of the organization of fuel terminal operations.
Funding
Data Availability Statement
Conflicts of Interest
References
- Framo Services AS. Available online: https://www.framo.com (accessed on 1 January 1998).
- Framo Services AS: Operation of FRAMO Cargo Pumps. Service Bulletin No. 10; Framo Services AS: Bergen, Norway, 1993. [Google Scholar]
- Eureka AS. Eureka Cargo Pumps Brochure, Catalogue; Eureka AS: Oslo, Norway, 2024; Available online: www.eureka.no (accessed on 1 January 2024).
- Hyundai Heavy Ind. Co., Ltd./Engine&Machinery. Hi-Well Hydraulically Driven, Cargo Pumping System Catalogue; Hyundai Heavy Ind. Co., Ltd./Engine&Machinery: Ulsan, Republic of Korea, 2024; Available online: www.hyundai-engine.com/ (accessed on 1 January 2024).
- Shinko Ind. Ltd. Cargo Oil, Tank Cleaning and Ballast Pumps; Shinko Ind. Ltd.: Hiroshima, Japan, 2024; Available online: www.shinkohir.co.jp/pdf/catalog2024/equipment_for_tankers_KV_CVL.pdf (accessed on 1 January 2024).
- MarFlex Europe BV. Pump Solutions, Catalogue; MarFlex Europe BV: Oud-Beijerland, The Netherlands, 2024; Available online: https://marflex.com/ (accessed on 1 January 2024).
- Bosch Rexroth Group GmbH, Germany, Lohr am Main, 2024. Catalogue RD 92050. Available online: www.boschrexroth.com (accessed on 1 January 2024).
- Banaszek, A.; Petrovic, R. Calculation of the unloading operation in case of liquid cargo service with high density on modern product and chemical tankers equipped with hydraulic submerged cargo pumps. J. Mech. Eng./Stroj. Vestn. 2010, 56, 186–194. [Google Scholar]
- Banaszek, A. The influence of liquid cargo properties on the discharge rate of submerged cargo pumps with hydraulic drive on modern product and chemical tankers. Arch. Mech. Eng. 2008, 55, 173–191. [Google Scholar] [CrossRef]
- Banaszek, A.; Urbanski, T. The flow calculation algorithm of submerged hydraulic cargo pumps working with reduced pump speed on modern product and chemical tankers. Procedia Comput. Sci. 2020, 176, 2868–2877. [Google Scholar] [CrossRef]
- Kumar, R.P.; Devi, V.A. Automation of FRAMO cargo pump purging with IoT. In Proceedings of the 21st Annual General International Association of Maritime Universities, Alexandria, Egypt, 26–28 October 2021; pp. 444–453. [Google Scholar]
- Kumar, R.P.; Devi, V.A. Data Analysis on Automation of Purging with IoT in FRAMO Cargo Pump. In Advancement of Data Processing Methods for Artificial and Computing Intelligence, 1st ed.; Imprint River Publishers: Aalborg, Denmark, 2024; ISBN 9781032630212. [Google Scholar]
- Kang, B.Y.; Kang, S.H. Effect of the flat tank bottom on performance and cavitation characteristics of a cargo pump. J. Mech. Sci. Technol. 2014, 28, 3051–3057. [Google Scholar] [CrossRef]
- Özkan, E.D.; Koçer, U.U.; Nas, S.; İşlek, Ö.; Tüzgen, E.; Doğan, A. A simulation model for evaluating the cargo transfer alternatives in liquid cargo terminals. Simulation 2023, 99, 23–39. [Google Scholar] [CrossRef]
- Sakar, C.; Zorba, Y. Operational Efficiency at Chemical Tankers; Beta: İstanbul, Turkey, 2013. [Google Scholar]
- Yüksel, O.; Köseoğlu, B. Modelling and performance prediction of a centrifugal cargo pump on a chemical tanker. J. Mar. Eng. 2019, 19, 278–290. [Google Scholar] [CrossRef]
- Yüksel, O. Modelling of a cargo oil pump turbine system to find the optimum pump operation capacities through the design of experiments approaches Onur Yuksel. Ships Offshore Struct. 2024, 1–13. [Google Scholar] [CrossRef]
- Ippen, A.T. The influence of viscosity on centrifugal pump performance. Trans. ASME 1946, 68, 823–848. [Google Scholar] [CrossRef]
- Stepanoff, A.J. Centrifugal and Axial Flow Pumps, 2nd ed.; John Wiley and Sohns: New York, NY, USA, 1957. [Google Scholar]
- ANSI/HI No 9.6.7; Effects of Liquid Viscosity on Rotodynamic (Centrifugal and Vertical) Pump Performances. ANSI/HI: New York, NY, USA, 2024; ISBN 1-880952-59-9.
- Chaurette, J. Pump System Analysis and Sizing, 1st ed.; Fluide Design: Gliwice, Poland, 2011. [Google Scholar]
- Kutyrkin, W.A.; Postnikow, W.W. Specialnyje Sistemy Neftenaliwnych Sudow; Transport: Moscow, Russia, 1983. [Google Scholar]
- Ahonen, T. Monitoring of Centrifugal Pumps Operation with a Frequency Convertor. Ph.D. Thesis, Lappeenrante University of Technology, Lappeenrante, Finnland, 2011. [Google Scholar]
- Troskolański, A.T.; Lazarkiewicz, S. Centrifugal Pumps, 3rd ed.; WNT: Warsaw, Poland, 1973. [Google Scholar]
- Jedral, W. Centrifugal Pumps; PWN: Warsaw, Poland, 2001; ISBN 83-01-13552-2. [Google Scholar]
- Stępniewski, H. Centrifugal Pumps; WNT: Warsaw, Poland, 1978. [Google Scholar]
- Skowronski, M. Pumping Systems; Publishing House of Wroclaw Technical University: Wroclaw, Poland, 2009; ISBN 978-83-7493-488-6. [Google Scholar]
- Banaszek, A. Methodology of flow rate assessment of submerged hydraulic ballast pumps on modern product and chemical tankers with use of neural network methods. Procedia Comput. Sci. 2021, 192, 1894–1903. [Google Scholar] [CrossRef]
- Banaszek, A.; Petrovic, R.; Botocanin, S. Ship ballasting process time calculation with use of submerged ballast pumps with hydraulic drive supplied from constant pressure hydraulic central loading system on modern product and chemical tankers. In Proceedings of the 14th International Fluid Power Conference (14. IFK), Dresden, Germany, 19–21 March 2024. [Google Scholar] [CrossRef]
- Karpenko, M.; Stosiak, M.; Šukevičius, Š.; Skačkauskas, P.; Urbanowicz, K.; Deptuła, A. Hydrodynamic Processes in Angular Fitting Connections of a Transport Machine’s Hydraulic Drive. Machines 2023, 11, 355. [Google Scholar] [CrossRef]
- Gao, X.; Shi, W.; Shi, Y.; Chang, H.; Zhao, T. DEM-CFD simulation and experiments on the flow characteristics of particles in vortex pumps. Water 2020, 12, 2444. [Google Scholar] [CrossRef]
- Yang, Z.; Long, M.; Guang, Z.; Peng, X.; Xin, W.; Chiye, Z.; Yajuan, T. Study on Impeller Optimization and Operation Method of Variable Speed Centrifugal Pump with Large Flow and Wide Head Variation. Water 2024, 16, 812. [Google Scholar] [CrossRef]
- Banaszek, A. Identification of optimal efficiency exploitation conditions of axial piston hydraulic motor A2FM type using Artificial Neural Network algorithms. ELSEVIER Procedia Comput. Sci. 2021, 192, 1532–1540. [Google Scholar] [CrossRef]
- Śliwiński, P. Determination of the Theoretical and Actual Working Volume of a Hydraulic Motor—Part II (The Method Based on the Characteristics of Effective Absorbency of the Motor). Energies 2022, 14, 1648. [Google Scholar] [CrossRef]
- Stosiak, M.; Karpenko, M.; Deptuła, A. Coincidence of pressure pulsations with excitation of mechanical vibrations hydraulic system components: An experimental study. Cogn. Sustain. 2022, 1, 1–11. [Google Scholar] [CrossRef]
- Nocedal, J.; Wright, S. Numerical Optimization, 2nd ed.; Springer: Berlin/Heidelberg, Germany, 2006; ISBN 978-0-387-30303-1. [Google Scholar]
- Wolfram Research Inc. Wolfram Mathematica. 2024. Available online: www.wolfram.com/mathematica (accessed on 1 January 2024).
- Mathworks Inc. Matlab ver. R2020b Update 4 (9.9.0.15700001) 64-Bit (win64) “Tutorial Book”. Published 2020. Available online: www.mathworks.com (accessed on 1 January 2024).
- Szczecinska Shipyard Porta Holding SA Design Office. Technical Test Report, B573-I/2/T-542-1-1; Szczecinska Shipyard Porta Holding SA Design Office: Szczecin, Poland, 1997. [Google Scholar]






| Motor Type | |||||
|---|---|---|---|---|---|
| A2F(M) 125 | MPa | rps | Nm | ||
| 1.25 | 40.0 | 66.667 | 8.3333 | 795.77 1 |
Disclaimer/Publisher’s Note: The statements, opinions and data contained in all publications are solely those of the individual author(s) and contributor(s) and not of MDPI and/or the editor(s). MDPI and/or the editor(s) disclaim responsibility for any injury to people or property resulting from any ideas, methods, instructions or products referred to in the content. |
© 2024 by the author. Licensee MDPI, Basel, Switzerland. This article is an open access article distributed under the terms and conditions of the Creative Commons Attribution (CC BY) license (https://creativecommons.org/licenses/by/4.0/).
Share and Cite
Banaszek, A. Calculations of Performance Characteristics of Submerged Cargo Pumps with Hydraulic Drive and Constant Torque Controllers, Taking into Account the Energy Efficiency of the Drive Motor. Energies 2024, 17, 5592. https://doi.org/10.3390/en17225592
Banaszek A. Calculations of Performance Characteristics of Submerged Cargo Pumps with Hydraulic Drive and Constant Torque Controllers, Taking into Account the Energy Efficiency of the Drive Motor. Energies. 2024; 17(22):5592. https://doi.org/10.3390/en17225592
Chicago/Turabian StyleBanaszek, Andrzej. 2024. "Calculations of Performance Characteristics of Submerged Cargo Pumps with Hydraulic Drive and Constant Torque Controllers, Taking into Account the Energy Efficiency of the Drive Motor" Energies 17, no. 22: 5592. https://doi.org/10.3390/en17225592
APA StyleBanaszek, A. (2024). Calculations of Performance Characteristics of Submerged Cargo Pumps with Hydraulic Drive and Constant Torque Controllers, Taking into Account the Energy Efficiency of the Drive Motor. Energies, 17(22), 5592. https://doi.org/10.3390/en17225592

