A Review of Hydrogen Production Methods and Power Electronics Converter Topologies for Green Hydrogen Applications
Abstract
1. Introduction
2. Hydrogen: Classification and Associated Color Code
2.1. Black/Brown Hydrogen
2.2. Grey Hydrogen
2.3. Blue Hydrogen
2.4. Pink Hydrogen
2.5. Turquoise Hydrogen
2.6. Green Hydrogen
2.7. Purple Hydrogen
2.8. Red Hydrogen
2.9. White Hydrogen
2.10. Yellow Hydrogen
3. Power Electronics Converter Topologies for Green Hydrogen Production
3.1. Power Electronics Converter Topologies
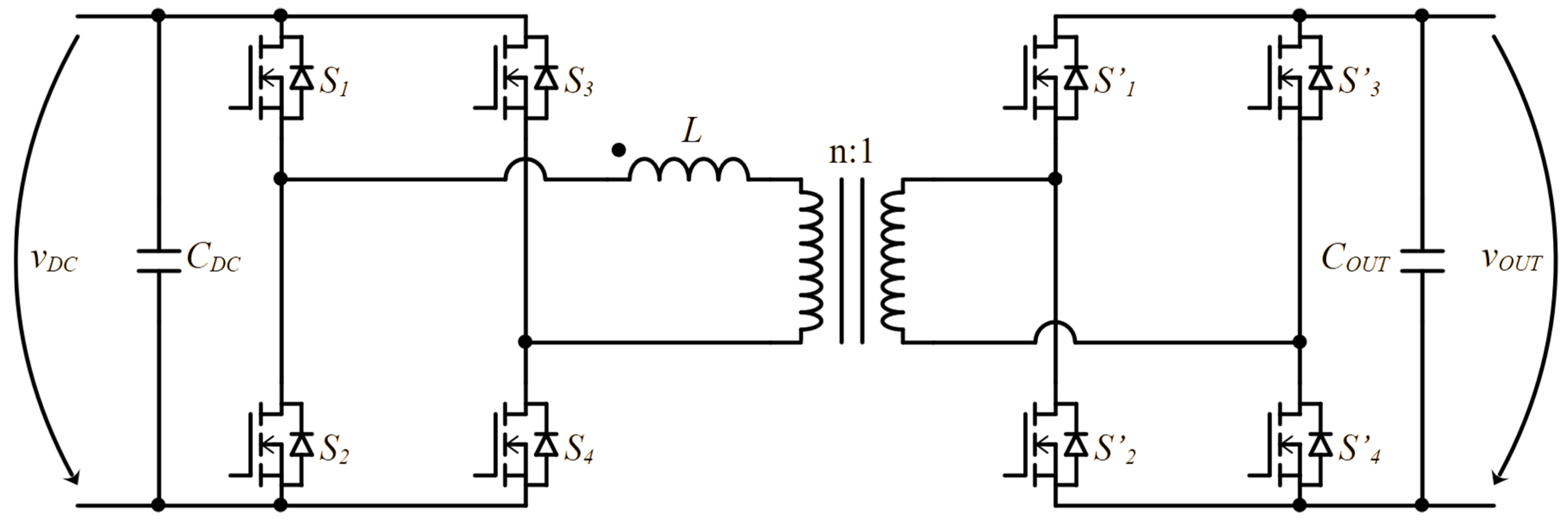
3.1.1. Dual Active Bridge Converter
Series HV Side and Parallel LV Side (SHV-PLV)
Parallel HV and LV Sides (PHV-PLV)
Dedicated DAB Module for Each Electrolyzer Stack
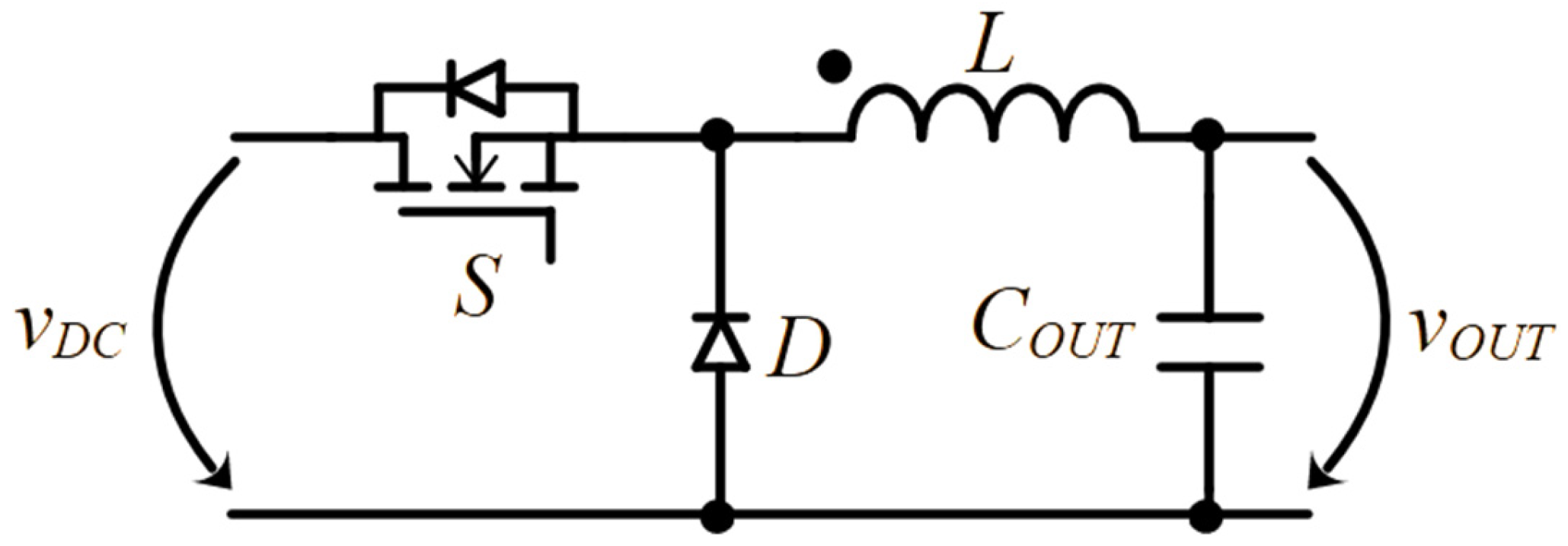
3.1.2. Standard Buck Converter
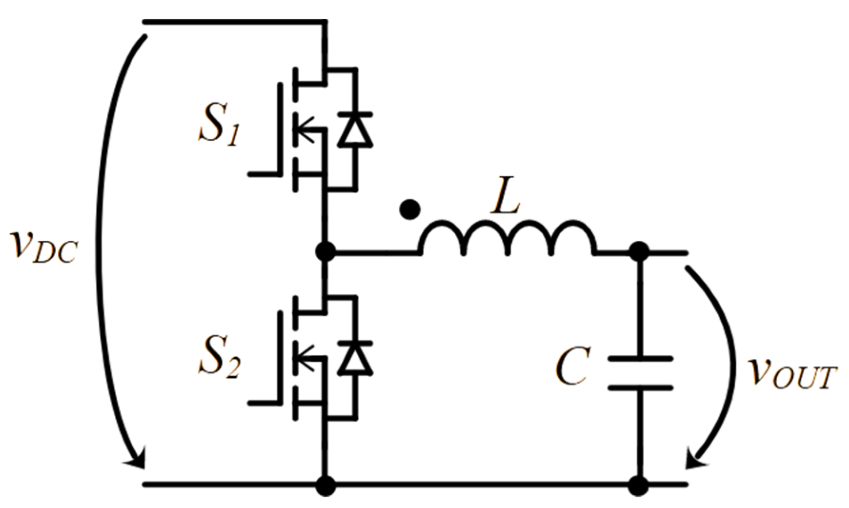
3.1.3. Synchronous Buck Converter
3.1.4. Stacked Buck Converter
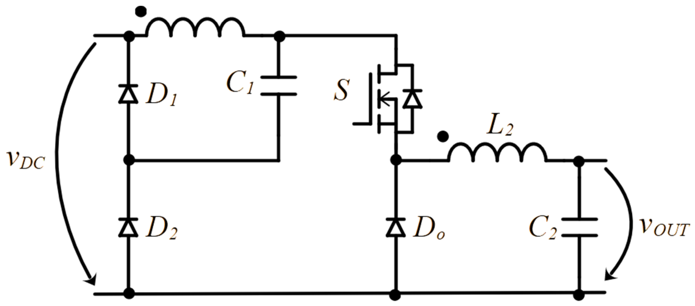
3.1.5. Quadratic Buck Converter
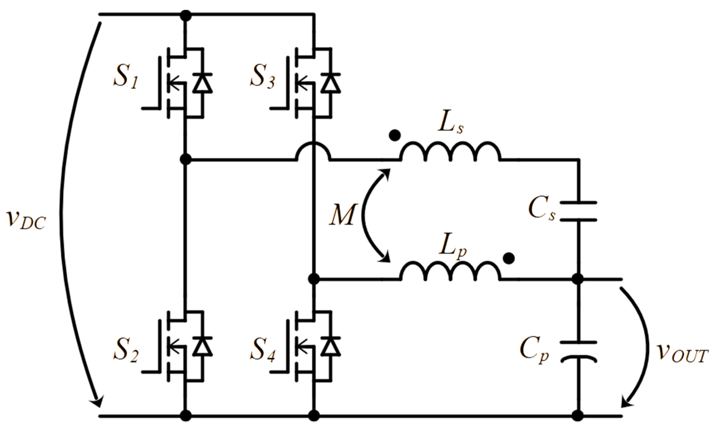
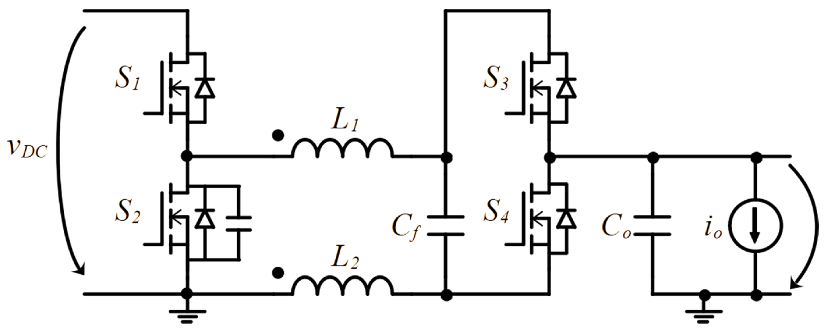
3.1.6. Superimposed Quadratic Buck Converter
4. Comparison
5. Conclusions
Funding
Conflicts of Interest
References
- U.S. Department of Energy Los Alamos National Laboratory. Periodic Table of Elements: Los Alamos National Laboratory. Available online: https://periodic.lanl.gov/1.shtml (accessed on 27 October 2023).
- Royal Society of Chemistry. Hydrogen—Element Information, Properties and Uses|Periodic Table. Available online: https://www.rsc.org/periodic-table/element/1/hydrogen (accessed on 27 October 2023).
- Turoń, K. Hydrogen-powered vehicles in urban transport systems—Current state and development. Transp. Res. Procedia 2020, 45, 835–841. [Google Scholar] [CrossRef]
- Manoharan, Y.; Hosseini, S.E.; Butler, B.; Alzhahrani, H.; Senior, B.T.F.; Ashuri, T.; Krohn, J. Hydrogen Fuel Cell Vehicles; Current Status and Future Prospect. Appl. Sci. 2019, 9, 2296. [Google Scholar] [CrossRef]
- Fan, L.; Tu, Z.; Chan, S.H. Recent development of hydrogen and fuel cell technologies: A review. Energy Rep. 2021, 7, 8421–8446. [Google Scholar] [CrossRef]
- Yip, H.L.; Srna, A.; Yuen, A.C.Y.; Kook, S.; Taylor, R.A.; Yeoh, G.H.; Medwell, P.R.; Chan, Q.N. A review of hydrogen direct injection for internal combustion engines: Towards carbon-free combustion. Appl. Sci. 2019, 9, 4842. [Google Scholar] [CrossRef]
- Fernandes, F.A. O Engenheiro Que está a Converter Motores a Diesel Para Hidrogénio—Expresso. Available online: https://expresso.pt/iniciativaseprodutos/projetos-expresso/lideres-da-transicao/2023-11-07-O-engenheiro-que-esta-a-converter-motores-a-diesel-para-hidrogenio-9b7a5a9f (accessed on 13 November 2023).
- Ji, M.; Wang, J. Review and comparison of various hydrogen production methods based on costs and life cycle impact assessment indicators. Int. J. Hydrogen Energy 2021, 46, 38612–38635. [Google Scholar] [CrossRef]
- Kim, C.; Cho, S.H.; Cho, S.M.; Na, Y.; Kim, S.; Kim, D.K. Review of hydrogen infrastructure: The current status and roll-out strategy. Int. J. Hydrogen Energy 2023, 48, 1701–1716. [Google Scholar] [CrossRef]
- Bairrão, D.; Soares, J.; Almeida, J.; Franco, J.F.; Vale, Z. Green Hydrogen and Energy Transition: Current State and Prospects in Portugal. Energies 2023, 16, 551. [Google Scholar] [CrossRef]
- Mazloomi, K.; Gomes, C. Hydrogen as an energy carrier: Prospects and challenges. Renew. Sustain. Energy Rev. 2012, 16, 3024–3033. [Google Scholar] [CrossRef]
- Hydrogen for Mobility—The Challenge of Refueling. Available online: https://www.reuters.com/plus/acumen-stories/cop-28/hrs (accessed on 6 September 2023).
- Repurposing Gas Infrastructure for Hydrogen. Available online: https://www.siemens-energy.com/global/en/home/stories/repurposing-natural-gas-infrastructure-for-hydrogen.html (accessed on 6 September 2023).
- Transporting Pure Hydrogen by Repurposing Existing Gas Infrastructure: Overview of Existing Studies and Reflections on the Conditions for Repurposing. 2021. Available online: https://acer.europa.eu/sites/default/files/documents/Publications/Transporting%20Pure%20Hydrogen%20by%20Repurposing%20Existing%20Gas%20Infrastructure_Overview%20of%20studies.pdf (accessed on 30 October 2024).
- Adam, P.; Heunemann, F.; Engelshove, S.; von dem Bussche, C.; Thiemann, T. Hydrogen Infrastructure-the Pillar of Energy Transition The Practical Conversion of Long-Distance Gas Networks to Hydrogen Operation. 2020. Available online: https://www.nowega.de/wp-content/uploads/200915-whitepaper-h2-infrastructure-EN.pdf (accessed on 30 October 2024).
- Naganuma, K.; Sakane, Y. Examining Real-Road Fuel Consumption Performance of Hydrogen-Fueled Series Hybrid Vehicles. Energies 2023, 16, 7193. [Google Scholar] [CrossRef]
- Hermesmann, M.; Müller, T.E. Green, Turquoise, Blue, or Grey? Environmentally friendly Hydrogen Production in Transforming Energy Systems. Prog. Energy Combust. Sci. 2022, 90, 100996. [Google Scholar] [CrossRef]
- Gielen, D.; Taibi, E.; Miranda, R. Hydrogen: A Renewable Energy Perspective; International Renewable Energy Agency: Abu Dhabi, United Arab Emirates, 2019. [Google Scholar]
- Neuwirth, M.; Fleiter, T.; Manz, P.; Hofmann, R. The future potential hydrogen demand in energy-intensive industries—A site-specific approach applied to Germany. Energy Convers. Manag. 2022, 252, 115052. [Google Scholar] [CrossRef]
- Sayed, E.T.; Olabi, A.G.; Alami, A.H.; Radwan, A.; Mdallal, A.; Rezk, A.; Abdelkareem, M.A. Renewable Energy and Energy Storage Systems. Energies 2023, 16, 1415. [Google Scholar] [CrossRef]
- Faria, J.A.; Novo, M.; Dias, J.; Barros, L.A.M.; Pinto, J.G. Development of a Power Electronics Interface between an Energy Storage System and the Power Grid. In Proceedings of the 8th International Young Engineers Forum on Electrical and Computer Engineering, YEF-ECE 2024, Caparica, Portugal, 5 July 2024; Institute of Electrical and Electronics Engineers Inc.: New York, NY, USA, 2024; pp. 57–62. [Google Scholar] [CrossRef]
- Hydrogen—Isotopes, Deuterium, Tritium|Britannica. Available online: https://www.britannica.com/science/hydrogen/Isotopes-of-hydrogen (accessed on 20 September 2024).
- Younas, M.; Shafique, S.; Hafeez, A.; Javed, F.; Rehman, F. An Overview of Hydrogen Production: Current Status, Potential, and Challenges. Fuel 2022, 316, 123317. [Google Scholar] [CrossRef]
- Qazi, U.Y. Future of Hydrogen as an Alternative Fuel for Next-Generation Industrial Applications; Challenges and Expected Opportunities. Energies 2022, 15, 4741. [Google Scholar] [CrossRef]
- Gürtekin, E. Biological Hydrogen Production Methods. 2014. Available online: https://i-sem.info/PastConferences/ISEM2014/ISEM2014/papers/A10-ISEM2014ID80.pdf (accessed on 30 October 2024).
- Ajanovic, A.; Sayer, M.; Haas, R. The economics and the environmental benignity of different colors of hydrogen. Int. J. Hydrogen Energy 2022, 47, 24136–24154. [Google Scholar] [CrossRef]
- Stenina, I.; Yaroslavtsev, A. Modern Technologies of Hydrogen Production. Processes 2022, 11, 56. [Google Scholar] [CrossRef]
- Nnabuife, S.G.; Darko, C.K.; Obiako, P.C.; Kuang, B.; Sun, X.; Jenkins, K. A Comparative Analysis of Different Hydrogen Production Methods and Their Environmental Impact. Clean Technol. 2023, 5, 1344–1380. [Google Scholar] [CrossRef]
- Razi, F.; Hewage, K.; Sadiq, R. A comparative exergoenvironmental evaluation of chlorine-based thermochemical processes for hydrogen production. Int. J. Hydrogen Energy 2023, 48, 37108–37123. [Google Scholar] [CrossRef]
- Gorji, S.A. Challenges and opportunities in green hydrogen supply chain through metaheuristic optimization. J. Comput. Des. Eng. 2023, 10, 1143–1157. [Google Scholar] [CrossRef]
- Ammonia Production|Encyclopedia MDPI. Available online: https://encyclopedia.pub/entry/1129 (accessed on 14 September 2024).
- Massarweh, O.; Al-khuzaei, M.; Al-Shafi, M.; Bicer, Y.; Abushaikha, A.S. Blue hydrogen production from natural gas reservoirs: A review of application and feasibility. J. CO2 Util. 2023, 70, 102438. [Google Scholar] [CrossRef]
- Arcos, J.M.M.; Santos, D.M.F. The Hydrogen Color Spectrum: Techno-Economic Analysis of the Available Technologies for Hydrogen Production. Gases 2023, 3, 25–46. [Google Scholar] [CrossRef]
- Alabbadi, A.A.; Obaid, O.A.; AlZahrani, A.A. A comparative economic study of nuclear hydrogen production, storage, and transportation. Int. J. Hydrogen Energy 2024, 54, 849–863. [Google Scholar] [CrossRef]
- Yildiz, B.; Kazimi, M.S. Efficiency of hydrogen production systems using alternative nuclear energy technologies. Int. J. Hydrogen Energy 2006, 31, 77–92. [Google Scholar] [CrossRef]
- Ji, M.; Shi, M.; Wang, J. Life cycle assessment of nuclear hydrogen production processes based on high temperature gas-cooled reactor. Int. J. Hydrogen Energy 2023, 48, 22302–22318. [Google Scholar] [CrossRef]
- Diab, J.; Fulcheri, L.; Hessel, V.; Rohani, V.; Frenklach, M. Why turquoise hydrogen will Be a game changer for the energy transition. Int. J. Hydrogen Energy 2022, 47, 25831–25848. [Google Scholar] [CrossRef]
- Gautier, M.; Rohani, V.; Fulcheri, L. Direct decarbonization of methane by thermal plasma for the production of hydrogen and high value-added carbon black. Int. J. Hydrogen Energy 2017, 42, 28140–28156. [Google Scholar] [CrossRef]
- Alhamed, H.; Behar, O.; Saxena, S.; Angikath, F.; Nagaraja, S.; Yousry, A.; Das, R.; Altmann, T.; Dally, B.; Sarathy, S.M. From methane to hydrogen: A comprehensive review to assess the efficiency and potential of turquoise hydrogen technologies. Int. J. Hydrogen Energy 2024, 68, 635–662. [Google Scholar] [CrossRef]
- Ishaq, H.; Dincer, I.; Crawford, C. A review on hydrogen production and utilization: Challenges and opportunities. Int. J. Hydrogen Energy 2022, 47, 26238–26264. [Google Scholar] [CrossRef]
- Dincer, I. Green methods for hydrogen production. Int. J. Hydrogen Energy 2012, 37, 1954–1971. [Google Scholar] [CrossRef]
- Dincer, I.; Rosen, M.A.; Al-Zareer, M. 3.11 Chemical Energy Production. Compr. Energy Syst. 2018, 3, 470–520. [Google Scholar] [CrossRef]
- Soltani, R.; Rosen, M.A.; Dincer, I. Assessment of CO2 capture options from various points in steam methane reforming for hydrogen production. Int. J. Hydrogen Energy 2014, 39, 20266–20275. [Google Scholar] [CrossRef]
- Carbon|Facts, Uses, & Properties|Britannica. Available online: https://www.britannica.com/science/carbon-chemical-element (accessed on 16 September 2024).
- Carbon—Element Information, Properties and Uses|Periodic Table. Available online: https://www.rsc.org/periodic-table/element/6/carbon (accessed on 16 September 2024).
- The Value of Green Hydrogen Trade for Europe—RMI. Available online: https://rmi.org/insight/the-value-of-green-hydrogen-trade-for-europe/ (accessed on 16 September 2024).
- Purple Hydrogen: Is Nuclear Back on the Rise?—Energy Monitor. Available online: https://www.energymonitor.ai/analyst-comment/purple-hydrogen-nuclear-back-rise/?cf-view (accessed on 17 September 2024).
- What Is Red Hydrogen? Interview with Our DirectIndustry Expert—DirectIndustry e-Magazine. Available online: https://emag.directindustry.com/2023/02/15/what-is-red-hydrogen-interview-with-our-directindustry-expert-small-nuclear-reactor-smr-htgr-httr-japan-france/ (accessed on 17 September 2024).
- Blay-Roger, R.; Bach, W.; Bobadilla, L.F.; Reina, T.R.; Odriozola, J.A.; Amils, R.; Blay, V. Natural hydrogen in the energy transition: Fundamentals, promise, and enigmas. Renew. Sustain. Energy Rev. 2024, 189, 113888. [Google Scholar] [CrossRef]
- White Hydrogen: 5 of the Most Critical Questions Answered|World Economic Forum. Available online: https://www.weforum.org/agenda/2024/08/white-hydrogen-5-critical-questions-answered/ (accessed on 16 September 2024).
- Incer-Valverde, J.; Korayem, A.; Tsatsaronis, G.; Morosuk, T. Colors’ of hydrogen: Definitions and carbon intensity. Energy Convers. Manag. 2023, 291, 117294. [Google Scholar] [CrossRef]
- Yang, Y.; Wang, G.; Zhang, L.; Zhang, S.; Lin, L. Comparison of Hydrogen Specification in National Standards for China. In E3S Web of Conferences; EDP Sciences: Les Ulis, France, 2019. [Google Scholar] [CrossRef]
- Reporting Instructions Hydrogen-Annual Data V 1.1 2023. Available online: https://ec.europa.eu/eurostat/documents/38154/16135593/Hydrogen+-+Reporting+instructions.pdf/ (accessed on 30 October 2024).
- Kumar, S.S.; Himabindu, V. Hydrogen production by PEM water electrolysis—A review. Mater. Sci. Energy Technol. 2019, 2, 442–454. [Google Scholar] [CrossRef]
- Lei, J.; Ma, H.; Qin, G.; Guo, Z.; Xia, P.; Hao, C. A Comprehensive Review on the Power Supply System of Hydrogen Production Electrolyzers for Future Integrated Energy Systems. Energies 2024, 17, 935. [Google Scholar] [CrossRef]
- Buitendach, H.P.C.; Gouws, R.; Martinson, C.A.; Minnaar, C.; Bessarabov, D. Effect of a ripple current on the efficiency of a PEM electrolyser. Results Eng. 2021, 10, 100216. [Google Scholar] [CrossRef]
- Górecki, K.; Górecki, P.; Zarębski, J. Electrical model of the alkaline electrolyser dedicated for SPICE. Int. J. Circuit Theory Appl. 2018, 46, 1044–1054. [Google Scholar] [CrossRef]
- Gautam, D.S.; Bhat, A.K.S. A comparison of soft-switched DC-to-DC converters for electrolyzer application. IEEE Trans. Power Electron. 2013, 28, 54–63. [Google Scholar] [CrossRef]
- Chen, M.; Chou, S.F.; Blaabjerg, F.; Davari, P. Overview of Power Electronic Converter Topologies Enabling Large-Scale Hydrogen Production via Water Electrolysis. Appl. Sci. 2022, 12, 1906. [Google Scholar] [CrossRef]
- Kumar, S.S.; Lim, H. An overview of water electrolysis technologies for green hydrogen production. Energy Rep. 2022, 8, 13793–13813. [Google Scholar] [CrossRef]
- Guo, X.; Zhu, H.; Zhang, S. Overview of electrolyser and hydrogen production power supply from industrial perspective. Int. J. Hydrogen Energy 2024, 49, 1048–1059. [Google Scholar] [CrossRef]
- Guilbert, D.; Collura, S.M.; Scipioni, A. DC/DC converter topologies for electrolyzers: State-of-the-art and remaining key issues. Int. J. Hydrogen Energy 2017, 42, 23966–23985. [Google Scholar] [CrossRef]
- Prabhala, V.A.; Baddipadiga, B.P.; Fajri, P.; Ferdowsi, M. An overview of direct current distribution system architectures & benefits. Energies 2018, 11, 2463. [Google Scholar] [CrossRef]
- Deshmukh, R.S.; Shekhar, A.; Bauer, P. Adaptive Modularity for Power Electronics Based Electrolysis Systems for Green Hydrogen. In Proceedings of the 2022 IEEE 20th International Power Electronics and Motion Control Conference, PEMC 2022, Brasov, Romania, 25–28 September 2022; Institute of Electrical and Electronics Engineers Inc.: Brasov, Romania, 2022; pp. 508–515. [Google Scholar] [CrossRef]
- Huang, T.W.; Kuo, S.H.; Wang, C.C.; Chiu, H.J. High Power Dual Active Bridge Converter in Wide Voltage Range Application. In Proceedings of the 2021 International Conference on Fuzzy Theory and Its Applications, iFUZZY 2021, Taitung, Taiwan, 5–8 October 2021; Institute of Electrical and Electronics Engineers Inc.: Taitung, Taiwan, 2021. [Google Scholar] [CrossRef]
- Krismer, F.; Round, S.; Kolar, J.W. Performance Optimization of a High Current Dual Active Bridge with a Wide Operating Voltage Range. In 2006 37th IEEE Power Electronics Specialists Conference; IEEE: New York, NY, USA, 2006. [Google Scholar]
- Coelho, S.; Machado, J.; Monteiro, V.; Afonso, J.L. Power electronics technologies for renewable energy sources. In Recent Advances in Renewable Energy Technologies; Elsevier: New York, NY, USA, 2022; Volume 2, pp. 403–455. [Google Scholar] [CrossRef]
- Sadigh, A.K.; Dargahi, V.; Abarzadeh, M.; Dargahi, S. Reduced DC voltage source flying capacitor multicell multilevel inverter: Analysis and implementation. IET Power Electron. 2014, 7, 439–450. [Google Scholar] [CrossRef]
- Huang, C.C.; Liu, Y.C.; Lin, C.C.; Ni, C.Y.; Chiu, H.J. Stacked buck converter: Current ripple elimination effect and transient response. Energies 2021, 14, 64. [Google Scholar] [CrossRef]
- Baharudin, N.H.; Mansur, T.M.N.T.; Hamid, F.A.; Ali, R.; Misrun, M.I. Performance Analysis of DC-DC Buck Converter for Renewable Energy Application. J. Phys. Conf. Ser. 2018, 1019, 012020. [Google Scholar] [CrossRef]
- Liu, Q.; Qian, Q.; Shi, L.; Xu, Q.; Ding, S.; Sun, W. An improved Buck converter with high frequency and high step-down ratio for auxiliary power supply applications. IET Power Electron. 2023, 16, 2638–2649. [Google Scholar] [CrossRef]
- Şahin, M.E.; Okumuş, H.I.; Aydemir, M.T. Implementation of an electrolysis system with DC/DC synchronous buck converter. Int. J. Hydrogen Energy 2014, 39, 6802–6812. [Google Scholar] [CrossRef]
- El-Zanaty, M.; Orabi, M.; El-Sadek, M.Z. Review of Synchronous Buck Converter Design Optimization. In Proceedings of the 2008 12th International Middle East Power System Conference, Aswan, Egypt, 12–15 March 2008; IEEE: New York, NY, USA, 2008. [Google Scholar]
- Guilbert, D.; Sorbera, D.; Vitale, G. A stacked interleaved DC-DC buck converter for proton exchange membrane electrolyzer applications: Design and experimental validation. Int. J. Hydrogen Energy 2020, 45, 64–79. [Google Scholar] [CrossRef]
- Trakuldit, S.; Tattiwong, K.; Bunlaksananusorn, C. Design and evaluation of a Quadratic Buck Converter. Energy Rep. 2022, 8, 536–543. [Google Scholar] [CrossRef]
- Karaket, K.; Bunlaksananusorn, C. Electrical Power Systems Modeling of a Quadratic Buck Converter. IEEE Trans. Aerosp. Electron. Syst. 2011, 41, 1450–1456. [Google Scholar]
- Gorji, S.A. Reconfigurable Quadratic Converters for Electrolyzers Utilized in DC Microgrids. IEEE Access 2022, 10, 109677–109687. [Google Scholar] [CrossRef]
- Kwak, J.W.; Ma, D.B. Superimposed Quadratic Buck Converter for High-Efficiency Direct 48V/1V Applications. In Proceedings of the IEEE Applied Power Electronics Conference and Exposition—APEC, Orlando, FL, USA, 19–23 March 2023; Institute of Electrical and Electronics Engineers Inc.: Orlando, FL, USA, 2023; pp. 2253–2259. [Google Scholar] [CrossRef]
- Majumdar, A.; Haas, M.; Elliot, I.; Nazari, S. Control and control-oriented modeling of PEM water electrolyzers: A review. Int. J. Hydrogen Energy 2023, 48, 30621–30641. [Google Scholar] [CrossRef]
- Yodwong, B.; Guilbert, D.; Phattanasak, M.; Kaewmanee, W.; Hinaje, M.; Vitale, G. Proton Exchange Membrane Electrolyzer Modeling for Power Electronics Control: A Short Review. C 2020, 6, 29. [Google Scholar] [CrossRef]
- Guilbert, D.; Vitale, G. Dynamic emulation of a PEM electrolyzer by time constant based exponential model. Energies 2019, 12, 750. [Google Scholar] [CrossRef]
- Hernández-Gómez, Á.; Ramirez, V.; Guilbert, D. Investigation of PEM electrolyzer modeling: Electrical domain, efficiency, and specific energy consumption Investigation of PEM electrolyzer model-ing: Electrical domain, efficiency, and specific energy consumption Investigation of PEM electrolyzer modeling: Electrical domain, efficiency, and specific energy consumption’ Angel. Int. J. Hydrogen Energy 2020, 45, 14625–14639. [Google Scholar] [CrossRef]
- Ganeshan, I.S.; Manikandan, V.V.S.; Sundhar, V.R.; Sajiv, R.; Shanthi, C.; Kottayil, S.K.; Ramachandran, T. Regulated hydrogen production using solar powered electrolyser. Int. J. Hydrogen Energy 2016, 41, 10322–10326. [Google Scholar] [CrossRef]
















| Type | Source | Process | Min. Energy Inputs (kWh/kg) | Conversion Efficiency (%) | Average Cost (€/kg) | Life Cycle CO2 Emissions (kgCO2/kg) |
|---|---|---|---|---|---|---|
| Black/Brown [23,25,26,28] | Coal | Gasification | ~40 | 60 | 3.4 | >18 |
| Grey [17,23,24,27,28] | Methane | SMR 1 | 10.8 | 65–80 | 1.7 | >12 |
| Blue [17,32,33] | Methane | SMR + CCS 2 | ~14 | 47–62 | 2–2.5 | 3.5–5 |
| Pink [34,35,36] | Water | Nuclear Electrolysis | ~47.8–51.3 | 85–90 | ~3.3–6 | 0.559 |
| Turquoise [17,37,38,39] | Methane | Plasm Pyrolysis | 9–16 | 14–56 | ~2 | 3–4 |
| Green [17,20,30,33,40,41] | Water | Electrolysis | 55 | 60–70 | 5–7 | 4–5 |
| Technique | Advantages | Disadvantages |
|---|---|---|
| Multi-phase buck Converters | Increased current ripple frequency. Reduced capacitance of the input capacitor. | Current ripples will only cancel each other out to a certain degree. Limited duty-cycle range. |
| Coupled Inductors | Full duty-cycle range. | The increase in the inductance leads to a direct reduction in the transient response speed of the converter. |
| Stacked architecture | Acceleration of rising and falling slope of the output current with both arms of the bridge converter turned on, improving transient response. | Dead time of the switching signals and parasitic capacitance of switching elements negatively affect the ripple elimination effect. |
| Converter Topology | Advantages | Disadvantages |
|---|---|---|
| DAB (SHV-PLV) [64,65,66,67,68] |
|
|
| DAB (PHV-PLV) | ||
| Dedicated DAB | ||
| Standard Buck [55,67,70,71] |
|
|
| Synchronous Buck [55,67,72,73] |
|
|
| Stacked Buck (SBC) [55,69,74] |
|
|
| Quadratic Buck (QB) [75,76,77] |
|
|
| Superimposed QB [55,78] |
|
|
| Converter Topology | Resistors | Capacitors | Inductors |
|---|---|---|---|
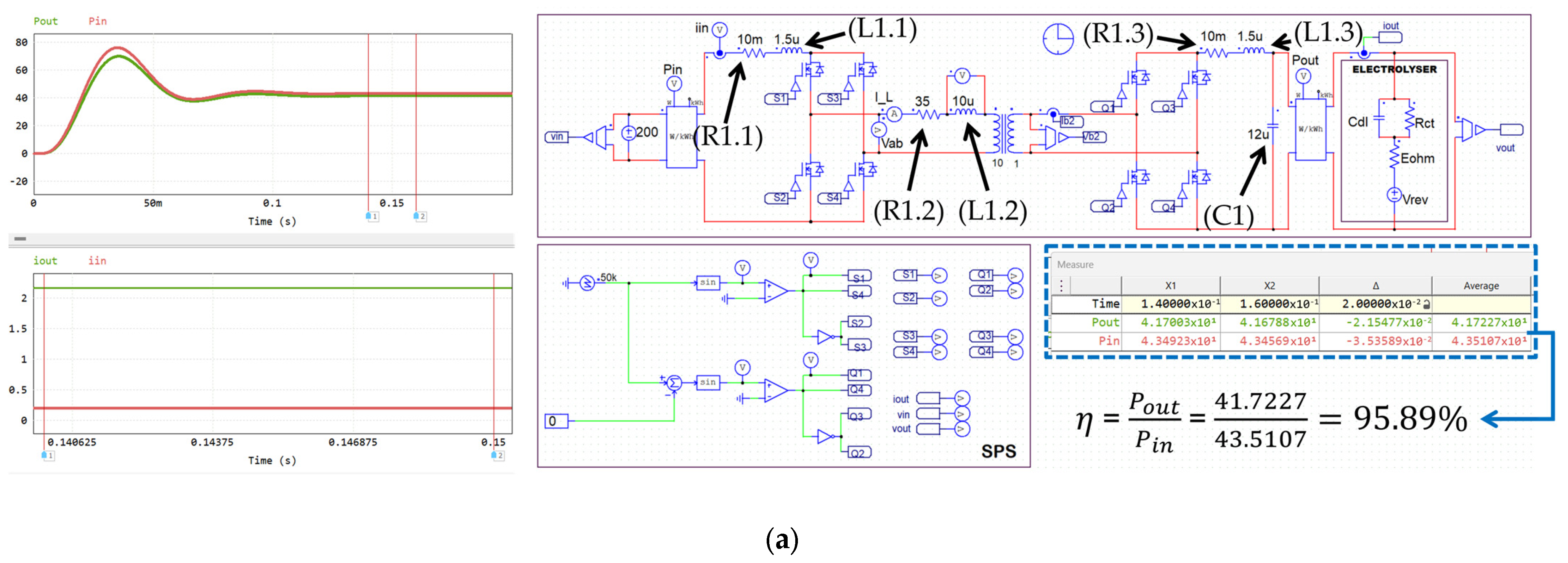
| R1.1 = 10 mΩ R1.2 = 35 Ω R1.3 = 10 mΩ | C1 = 12 µF | L1.1 = 1.5 µH L1.2 = 10 µH L1.3 = 1.5 µH |
| R2 = 10 mΩ | C2 = 500 µF | L2.1 = 1.5 µH L2.2 = 5 µH |
| R3 = 10 mΩ | C3 = 10 µF | L3.1 = 1.5 µH L3.2 = 250 µH |
| R4.1 = 10 mΩ R4.2 = 10 mΩ | C4.1 = 10 µF C4.2 = 200 µF | L4.1 = 1 µH L4.2 = 1 µH Ls = 100 µH Lp = 100 µH M = 5 µH |
| R5 = 10 mΩ | C5.1 = 330 µF C5.2 = 110 µF | L5.1 = 6 µH L5.2 = 1.5 µH L5.3 = 50 µH |
| R6 = 10 mΩ | C6.1 = 0.33 µF C6.2 = 1 µF C6.3 = 680 µF | L6.1 = 1.5 µH L6.2 = 200 µH L6.3 = 200 µH |
Disclaimer/Publisher’s Note: The statements, opinions and data contained in all publications are solely those of the individual author(s) and contributor(s) and not of MDPI and/or the editor(s). MDPI and/or the editor(s) disclaim responsibility for any injury to people or property resulting from any ideas, methods, instructions or products referred to in the content. |
© 2024 by the authors. Licensee MDPI, Basel, Switzerland. This article is an open access article distributed under the terms and conditions of the Creative Commons Attribution (CC BY) license (https://creativecommons.org/licenses/by/4.0/).
Share and Cite
Rego, G.; Rocha, J.; Faria, J.A.; Afonso, J.L.; Monteiro, V. A Review of Hydrogen Production Methods and Power Electronics Converter Topologies for Green Hydrogen Applications. Energies 2024, 17, 5579. https://doi.org/10.3390/en17225579
Rego G, Rocha J, Faria JA, Afonso JL, Monteiro V. A Review of Hydrogen Production Methods and Power Electronics Converter Topologies for Green Hydrogen Applications. Energies. 2024; 17(22):5579. https://doi.org/10.3390/en17225579
Chicago/Turabian StyleRego, Goncalo, Joao Rocha, Jose A. Faria, Joao L. Afonso, and Vitor Monteiro. 2024. "A Review of Hydrogen Production Methods and Power Electronics Converter Topologies for Green Hydrogen Applications" Energies 17, no. 22: 5579. https://doi.org/10.3390/en17225579
APA StyleRego, G., Rocha, J., Faria, J. A., Afonso, J. L., & Monteiro, V. (2024). A Review of Hydrogen Production Methods and Power Electronics Converter Topologies for Green Hydrogen Applications. Energies, 17(22), 5579. https://doi.org/10.3390/en17225579

