A Novel Capacitance Estimation Method of Modular Multilevel Converters for Motor Drives Using Recurrent Neural Networks with Long Short-Term Memory
Abstract
1. Introduction
2. Modular Multilevel Converters (MMCs)
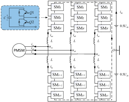
2.1. MMC and PMSM Drive
2.2. Estimation of Capacitance in MMC Submodule
2.3. MMC Integration with Motor Drive
2.4. Traditional Estimation Methods
2.5. Recurrent Neural Networks (RNN)
2.6. RNN with Long Short-Term Memory (LSTM)
2.7. Data Extraction from Simulation
2.8. Data Preprocessing
3. Model Training
3.1. Model Testing and Evaluation
3.2. Mean Squared Error (MSE) Analysis
3.3. Regression Response
3.4. Estimation Process
4. Results and Analysis
4.1. Performance at Different Power Levels and Under Different Fault Conditions
4.2. Comparison of Techniques
4.3. PMSM Drive Three-Phase Current Wave
4.4. Speed Reference in PMSM with MMC
5. Conclusions
Author Contributions
Funding
Data Availability Statement
Conflicts of Interest
References
- Martinez-Rodrigo, F.; Ramirez, D.; Rey-Boue, A.B.; De Pablo, S.; Herrero-De Lucas, L.C. Modular Multilevel Converters: Control and Applications. Energies 2017, 10, 1709. [Google Scholar] [CrossRef]
- Solas, E.; Abad, G.; Barrena, J.A.; Aurtenetxea, S.; Carcar, A.; Zajac, L. Modular Multilevel Converter with Different Submodule Concepts-Part II: Experimental Validation and Comparison for HVDC Application. IEEE Trans. Ind. Electron. 2013, 60, 4536–4545. [Google Scholar] [CrossRef]
- Jo, Y.J.; Nguyen, T.H.; Lee, D.C. Capacitance Estimation of the Submodule Capacitors in Modular Multilevel Converters for HVDC Applications. J. Power Electron. 2016, 16, 1752–1762. [Google Scholar] [CrossRef]
- Vasiladiotis, M.; Cherix, N.; Rufer, A. Accurate Capacitor Voltage Ripple Estimation and Current Control Considerations for Grid-Connected Modular Multilevel Converters. IEEE Trans. Power Electron. 2014, 29, 4568–4579. [Google Scholar] [CrossRef]
- Kalarickel Ramakrishnan, P.; Westwood, T.; Magalhães Gouveia, T.; Taani, M.; de Jager, K.; Murdoch, K.; Orlov, A.A.; Ozhgibesov, M.S.; Propodalina, T.V.; Wojtowicz, N. Capacitance Estimation for Electrical Capacitance Tomography Sensors Using Digital Processing of Time-Domain Voltage Response to Single-Pulse Excitation. Electronics 2023, 12, 3242. [Google Scholar] [CrossRef]
- Poblete, P.; Pizarro, G.; Droguett, G.; Nunez, F.; Judge, P.D.; Pereda, J. Distributed Neural Network Observer for Submodule Capacitor Voltage Estimation in Modular Multilevel Converters. IEEE Trans. Power Electron. 2022, 37, 10306–10318. [Google Scholar] [CrossRef]
- Sherstinsky, A. Fundamentals of Recurrent Neural Network (RNN) and Long Short-Term Memory (LSTM) Network. Phys. D 2020, 404, 132306. [Google Scholar] [CrossRef]
- Nguyen, V.T.; Kim, J.W.; Lee, J.W.; Park, B.G. Optimal Design of a Submodule Capacitor in a Modular Multilevel Converter for Medium Voltage Motor Drives. Energies 2024, 17, 471. [Google Scholar] [CrossRef]
- Jia, H.; Deng, Y.; Deng, Z.; Qu, J. An Applicable Submodule Capacitor Monitoring Scheme for Modular Multilevel Converters. In Proceedings of the PEAC 2022–2022 IEEE International Power Electronics and Application Conference and Exposition, Xiamen, China, 4–7 November 2022; Institute of Electrical and Electronics Engineers Inc.: Piscataway, NJ, USA, 2022; pp. 672–677. [Google Scholar]
- Wang, K.; Jin, L.; Li, G.; Deng, Y.; He, X. Online Capacitance Estimation of Submodule Capacitors for Modular Multilevel Converter with Nearest Level Modulation. IEEE Trans. Power Electron. 2020, 35, 6678–6681. [Google Scholar] [CrossRef]
- Debnath, S.; Qin, J.; Bahrani, B.; Saeedifard, M.; Barbosa, P. Operation, Control, and Applications of the Modular Multilevel Converter: A Review. IEEE Trans. Power Electron. 2015, 30, 37–53. [Google Scholar] [CrossRef]
- Zhang, Y.; Li, S.; Zhang, X.; Liu, C.; Liu, Z.; Luo, B. A Hybrid Low Capacitance Modular Multilevel Converter for Medium Voltage PMSM Drive and Its Control Method. IEEE Access 2023, 11, 92796–92806. [Google Scholar] [CrossRef]
- Liu, Z.; Li, K.J.; Wang, J.; Javid, Z.; Wang, M.; Sun, K. Research on Capacitance Selection for Modular Multi-Level Converter. IEEE Trans. Power Electron. 2019, 34, 8417–8434. [Google Scholar] [CrossRef]
- Righetto, S.B.; Izumida Martins, M.A.; Carvalho, E.G.; Hattori, L.T.; De Francisci, S. Predictive Maintenance 4.0 Applied in Electrical Power Systems. In Proceedings of the 2021 IEEE Power and Energy Society Innovative Smart Grid Technologies Conference, ISGT 2021, Washington, DC, USA, 16–18 February 2021; Institute of Electrical and Electronics Engineers Inc.: Piscataway, NJ, USA, 2021. [Google Scholar]
- Bose, B.K. Neural Network Applications in Power Electronics and Motor Drives—An Introduction and Perspective. IEEE Trans. Ind. Electron. 2007, 54, 14–33. [Google Scholar] [CrossRef]
- Xia, T.; Peng, F.; Huang, Y. A Discrete-Time Current Control Method for the High-Speed Permanent Magnet Motor Drive Using the Modular Multilevel Converter. Symmetry 2024, 16, 200. [Google Scholar] [CrossRef]
- Jung, J.J.; Lee, H.J.; Sul, S.K. Control Strategy for Improved Dynamic Performance of Variable-Speed Drives with Modular Multilevel Converter. IEEE J. Emerg. Sel. Top Power Electron. 2015, 3, 371–380. [Google Scholar] [CrossRef]
- Wang, Q.; Yu, Y.; Ahmed, H.O.A.; Darwish, M.; Nandi, A.K. Open-Circuit Fault Detection and Classification of Modular Multilevel Converters in High Voltage Direct Current Systems (Mmc-Hvdc) with Long Short-Term Memory (Lstm) Method. Sensors 2021, 21, 4159. [Google Scholar] [CrossRef] [PubMed]
- Soliman, H.; Wang, H.; Blaabjerg, F. Capacitance Estimation for Dc-Link Capacitors in a Back-to-Back Converter Based on Artificial Neural Network Algorithm. In Proceedings of the 2016 IEEE 8th International Power Electronics and Motion Control Conference, IPEMC-ECCE Asia 2016, Hefei, China, 22–26 May 2016; Institute of Electrical and Electronics Engineers Inc.: Piscataway, NJ, USA, 2016; pp. 3682–3688. [Google Scholar]
- Vennerød, C.B.; Kjærran, A.; Bugge, E.S. Long Short-Term Memory RNN. arXiv 2021, arXiv:2105.06756. [Google Scholar]
- Sepp, H.; Schmidhuber, J. Long-Short Term Memory; Neural Computation MIT-Press: Cambridge, MA, USA, 1997. [Google Scholar]
- Shewalkar, A.; Nyavanandi, D.; Ludwig, S.A. Performance Evaluation of Deep Neural Networks Applied to Speech Recognition: Rnn, LSTM and GRU. J. Artif. Intell. Soft Comput. Res. 2019, 9, 235–245. [Google Scholar] [CrossRef]
- Geng, Z.; Wang, Q.; Han, Y.; Chen, K.; Xie, F.; Wang, Y. Fault Diagnosis of Modular Multilevel Converter Based on RNN and Wavelet Analysis. In Proceedings of the 2020 Chinese Automation Congress, CAC 2020, Shanghai, China, 6–8 November 2020; Institute of Electrical and Electronics Engineers Inc.: Piscataway, NJ, USA, 2020; pp. 1097–1101. [Google Scholar]













| Parameter | Rating |
|---|---|
| Input Voltage (VDC) | 300 V |
| Input Current (I) | 0.5 A |
| Voltage Variation (ΔV) | ±5 V |
| Current Variation (ΔI) | ±10 A |
| Capacitance (mF) | 2.5 mF |
| Power Levels (W) | 300 W, 400 W, 500 W |
| Learning Rate | 0.1 |
| Epochs | 50 |
| Mean Squared Error | 0.002, 0.003 |
| Technique | MSE | MAE | Training Accuracy | Validation Accuracy | Test Accuracy |
|---|---|---|---|---|---|
| Traditional method | 0.005 | 0.02 | 95% | 93% | 92% |
| CNN–LSTM | 0.004 | 0.018 | 96% | 94% | 93% |
| RNN–LSTM | 0.002 | 0.015 | 99% | 98% | 97% |
| GRU–RNN | 0.0035 | 0.017 | 97% | 95% | 94% |
Disclaimer/Publisher’s Note: The statements, opinions and data contained in all publications are solely those of the individual author(s) and contributor(s) and not of MDPI and/or the editor(s). MDPI and/or the editor(s) disclaim responsibility for any injury to people or property resulting from any ideas, methods, instructions or products referred to in the content. |
© 2024 by the authors. Licensee MDPI, Basel, Switzerland. This article is an open access article distributed under the terms and conditions of the Creative Commons Attribution (CC BY) license (https://creativecommons.org/licenses/by/4.0/).
Share and Cite
Musadiq, M.S.; Lee, D.-M. A Novel Capacitance Estimation Method of Modular Multilevel Converters for Motor Drives Using Recurrent Neural Networks with Long Short-Term Memory. Energies 2024, 17, 5577. https://doi.org/10.3390/en17225577
Musadiq MS, Lee D-M. A Novel Capacitance Estimation Method of Modular Multilevel Converters for Motor Drives Using Recurrent Neural Networks with Long Short-Term Memory. Energies. 2024; 17(22):5577. https://doi.org/10.3390/en17225577
Chicago/Turabian StyleMusadiq, Mehdi Syed, and Dong-Myung Lee. 2024. "A Novel Capacitance Estimation Method of Modular Multilevel Converters for Motor Drives Using Recurrent Neural Networks with Long Short-Term Memory" Energies 17, no. 22: 5577. https://doi.org/10.3390/en17225577
APA StyleMusadiq, M. S., & Lee, D.-M. (2024). A Novel Capacitance Estimation Method of Modular Multilevel Converters for Motor Drives Using Recurrent Neural Networks with Long Short-Term Memory. Energies, 17(22), 5577. https://doi.org/10.3390/en17225577

