Single- and Three-Phase Dual-Active-Bridge DC–DC Converter Comparison for Battery Electric Vehicle Powertrain Application
Abstract
1. Introduction
2. Literature Review of DAB DC–DC Converter Optimal Modulation Techniques
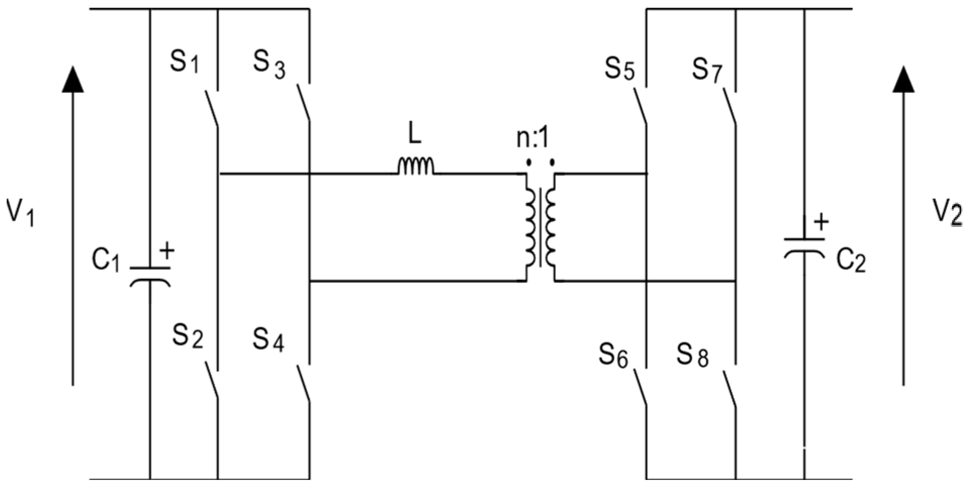
2.1. The 1p DAB DC-DC Converter
2.2. The 3p DAB DC–DC Converter
3. DAB DC-DC Converter Optimal Operation for BEVs Powertrain
3.1. The 1p DAB DC-DC Converter
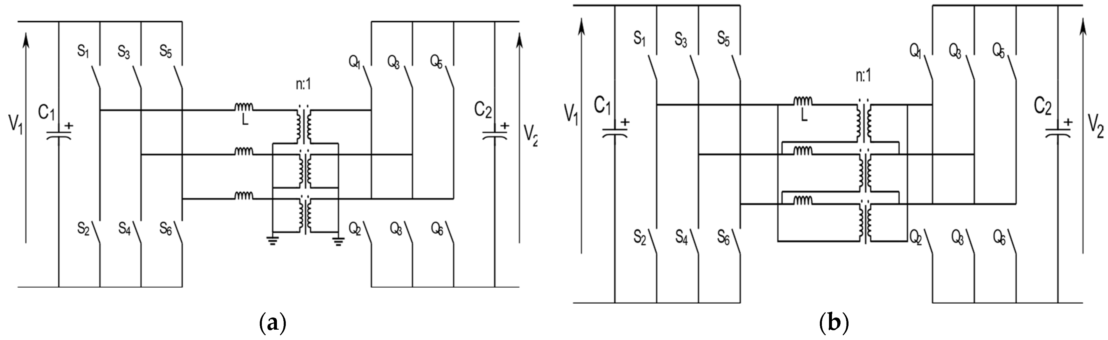
3.2. The 3p DAB DC-DC Converter Y-Y Configuration
3.3. The 3p DAB DC-DC Converter D-D Configuration
4. Magnetic Component and Power Switch Loss Models
4.1. Transformer Loss Model
4.2. Inductor Loss Model
4.3. Power Switch Loss Model
5. Results
5.1. Dynamics Visualization
5.2. Loss Visualization
5.2.1. Transformer Loss Visualization
5.2.2. Inductor Loss Visualization
5.2.3. Power Switches Loss Visualization
6. Discussion
7. Conclusions
Author Contributions
Funding
Data Availability Statement
Conflicts of Interest
References
- Olabi, A.G.; Abdelkareem, M.A.; Wilberforce, T.; Alkhalidi, A.; Salameh, T.; Abo-Khalil, A.G.; Hassan, M.M.; Sayed, E.T. Battery Electric Vehicles: Progress, Power Electronic Converters, Strength (S), Weakness (W), Opportunity (O), and Threats (T). Int. J. Thermofluids 2022, 16, 100212. [Google Scholar] [CrossRef]
- Maroti, P.K.; Padmanaban, S.; Bhaskar, M.S.; Ramachandaramurthy, V.K.; Blaabjerg, F. The State-of-the-Art of Power Electronics Converters Configurations in Electric Vehicle Technologies. Power Electron. Devices Compon. 2022, 1, 100001. [Google Scholar] [CrossRef]
- Guennouni, N.; Machkour, N.; Chebak, A. Using MBSE for Operational Analysis of Power Converter for Electric Traction. In Proceedings of the 2021 17th Conference on Electrical Machines, Drives and Power Systems (ELMA), Sofia, Bulgaria, 1–4 July 2021; pp. 1–6. [Google Scholar]
- Núñez, R.O.; Oggier, G.G.; Botterón, F.; García, G.O. A Comparative Study of Three–Phase Dual Active Bridge Converters for Renewable Energy Applications. Sustain. Energy Technol. Assess. 2017, 23, 1–10. [Google Scholar] [CrossRef]
- Blasuttigh, N.; Beiranvand, H.; Pereira, T.; Liserre, M. Comparative Study of Single-Phase and Three-Phase DAB for EV Charging Application. In Proceedings of the 2022 24th European Conference on Power Electronics and Applications (EPE’22 ECCE Europe), Hanover, Germany, 5–9 September 2022; pp. 1–9. [Google Scholar]
- Kumar, D.; Nema, R.; Gupta, S. A Comparative Review on Power Conversion Topologies and Energy Storage System for Electric Vehicles. Int. J. Energy Res. 2020, 44, 7863–7885. [Google Scholar] [CrossRef]
- Nguyen, D.-D.; Bui, N.-T.; Yukita, K. Design and Optimization of Three-Phase Dual-Active-Bridge Converters for Electric Vehicle Charging Stations. Energies 2020, 13, 150. [Google Scholar] [CrossRef]
- Laayati, O.; Hadraoui, H.E.; Bouzi, M.; Elmaghraoui, A.; Ledmaoui, Y.; Chebak, A. Tabu Search Optimization for Energy Management in Microgrids: A Solution to Grid-Connected and Standalone Operation Modes. In Proceedings of the 2023 5th Global Power, Energy and Communication Conference (GPECOM), Cappadocia, Turkiye, 14–16 June 2023; pp. 401–406. [Google Scholar]
- Laayati, O.; El-Bazi, N.; Hadraoui, H.E.; Ennawaoui, C.; Chebak, A.; Bouzi, M. Toward Smarter Power Transformers in Microgrids: A Multi-Agent Reinforcement Learning for Diagnostic. In Proceedings of the Digital Technologies and Applications; Motahhir, S., Bossoufi, B., Eds.; Springer Nature Switzerland: Cham, Switzerland, 2023; pp. 640–649. [Google Scholar]
- Maghraoui, A.E.; Ledmaoui, Y.; Laayati, O.; Hadraoui, H.E.; Chebak, A. Effect of Large-Scale PV Integration onto Existing Electrical Grid on Harmonic Generation and Mitigation Techniques. In Proceedings of the 2023 5th Global Power, Energy and Communication Conference (GPECOM), Cappadocia, Turkiye, 14–16 June 2023; pp. 294–299. [Google Scholar]
- Bachman, S.; Turzyński, M.; Jasiński, M. Comparative Analysis of Three-Phase Dual Active Bridge Converter with Different Transformer Topology and Modern Universal Control for DC Microgrids. IET Power Electron. 2024, 17, 1301–1313. [Google Scholar] [CrossRef]
- Segaran, D.; Holmes, G.; Mcgrath, B. Comparative Analysis of Single and Three-Phase Dual Active Bridge Bidirectional DC-DC Converters; Atlantis Press: Paris, France, 2009; p. 6. [Google Scholar]
- Jarraya, F.; Zgheib, R.; Abarzadeh, M.; Al-Haddad, K. Efficiency Evaluation of a Single Phase And a Three Phase Dual Active Bridge Isolated DC-DC Converter. In Proceedings of the 2019 IEEE 28th International Symposium on Industrial Electronics (ISIE), Vancouver, BC, Canada, 12–14 June 2019; pp. 834–839. [Google Scholar]
- Jimichi, T.; Kaymak, M.; De Doncker, R.W. Comparison of Single-Phase and Three-Phase Dual-Active Bridge DC-DC Converters with Various Semiconductor Devices for Offshore Wind Turbines. In Proceedings of the 2017 IEEE 3rd International Future Energy Electronics Conference and ECCE Asia (IFEEC 2017-ECCE Asia), Kaohsiung, Taiwan, 3–7 June 2017; pp. 591–596. [Google Scholar]
- Yan, G.; Li, Y.; Jia, Q. Comparative Analysis of Single and Three-Phase Dual Active Bridge Bidirectional DC-DC Converter Based on the Phase-Shifting Control; Atlantis Press: Pairs, Frence, 2016; pp. 326–333. [Google Scholar]
- Jain, A.K.; Ayyanar, R. Pwm Control of Dual Active Bridge: Comprehensive Analysis and Experimental Verification. IEEE Trans. Power Electron. 2011, 26, 1215–1227. [Google Scholar] [CrossRef]
- Xie, Y.; Sun, J.; Freudenberg, J.S. Power Flow Characterization of a Bidirectional Galvanically Isolated High-Power DC/DC Converter Over a Wide Operating Range. IEEE Trans. Power Electron. 2010, 25, 54–66. [Google Scholar] [CrossRef]
- Zhao, B.; Song, Q.; Liu, W. Efficiency Characterization and Optimization of Isolated Bidirectional DC–DC Converter Based on Dual-Phase-Shift Control for DC Distribution Application. IEEE Trans. Power Electron. 2013, 28, 1711–1727. [Google Scholar] [CrossRef]
- Zhao, B.; Song, Q.; Liu, W.; Liu, G.; Zhao, Y. Universal High-Frequency-Link Characterization and Practical Fundamental-Optimal Strategy for Dual-Active-Bridge DC-DC Converter Under PWM Plus Phase-Shift Control. IEEE Trans. Power Electron. 2015, 30, 6488–6494. [Google Scholar] [CrossRef]
- Shao, S.; Jiang, M.; Ye, W.; Li, Y.; Zhang, J.; Sheng, K. Optimal Phase-Shift Control to Minimize Reactive Power for a Dual Active Bridge DC–DC Converter. IEEE Trans. Power Electron. 2019, 34, 10193–10205. [Google Scholar] [CrossRef]
- Pradhan, R.; Keshmiri, N.; Emadi, A. On-Board Chargers for High-Voltage Electric Vehicle Powertrains: Future Trends and Challenges. IEEE Open J. Power Electron. 2023, 4, 189–207. [Google Scholar] [CrossRef]
- Husain, I.; Ozpineci, B.; Islam, M.S.; Gurpinar, E.; Su, G.-J.; Yu, W.; Chowdhury, S.; Xue, L.; Rahman, D.; Sahu, R. Electric Drive Technology Trends, Challenges, and Opportunities for Future Electric Vehicles. Proc. IEEE 2021, 109, 1039–1059. [Google Scholar] [CrossRef]
- Song, C.; Chen, A.; Chen, J.; Du, C.; Zhang, C. Optimized Modulation Scheme for Dual Active Bridge DC-DC Converter. In Proceedings of the 2018 IEEE Applied Power Electronics Conference and Exposition (APEC), San Antonio, TX, USA, 4–8 March 2018; pp. 3569–3574. [Google Scholar]
- Hebala, O.M.; Aboushady, A.A.; Ahmed, K.H.; Abdelsalam, I. Generic Closed-Loop Controller for Power Regulation in Dual Active Bridge DC–DC Converter With Current Stress Minimization. IEEE Trans. Ind. Electron. 2019, 66, 4468–4478. [Google Scholar] [CrossRef]
- Mou, D.; Luo, Q.; Wang, Z.; Li, J.; Wei, Y.; Shi, H.; Du, X. Optimal Asymmetric Duty Modulation to Minimize Inductor Peak-to-Peak Current for Dual Active Bridge DC–DC Converter. IEEE Trans. Power Electron. 2021, 36, 4572–4584. [Google Scholar] [CrossRef]
- Hou, N.; Song, W.; Wu, M. Mingyi Minimum-Current-Stress Scheme of Dual Active Bridge DC-DC Converter With Unified-Phase-Shift Control. IEEE Trans. Power Electron. 2016, 53, 5573–5586. [Google Scholar] [CrossRef]
- Shi, H.; Wen, H.; Chen, J.; Hu, Y.; Jiang, L.; Chen, G. Minimum-Reactive-Power Scheme of Dual-Active-Bridge DC–DC Converter With Three-Level Modulated Phase-Shift Control. IEEE Trans. Ind. Appl. 2017, 53, 5573–5586. [Google Scholar] [CrossRef]
- Zhu, Z.; Xiao, F.; Liu, J.; Chen, P.; Huang, Z.; Ren, Q. Optimal Modulation Strategy Based on Fundamental Reactive Power for Dual-Active-Bridge Converters. J. Power Electron. 2021, 21, 1780–1792. [Google Scholar] [CrossRef]
- Shao, S.; Chen, H.; Wu, X.; Zhang, J.; Sheng, K. Circulating Current and ZVS-on of a Dual Active Bridge DC-DC Converter: A Review. IEEE Access 2019, 7, 50561–50572. [Google Scholar] [CrossRef]
- Tong, A.; Hang, L.; Li, G.; Jiang, X.; Gao, S. Modeling and Analysis of a Dual-Active-Bridge-Isolated Bidirectional DC/DC Converter to Minimize RMS Current With Whole Operating Range. IEEE Trans. Power Electron. 2018, 33, 5302–5316. [Google Scholar] [CrossRef]
- Yang, X.; Wang, J.; Du, Y.; Liu, C.; Zhang, T.; Zhang, J. Bidirectional ZVS Operation of All Switches for a DAB Converter Over a Full Range of Loads With Optimized Current Stress. IEEE Trans. Ind. Appl. 2024, 60, 1183–1195. [Google Scholar] [CrossRef]
- Huang, L.; Wang, Y. An Improved Phase Shift Control to Reduce Current Stress for Dual Active Bridge DC-DC Converter. In Proceedings of the 2019 22nd International Conference on Electrical Machines and Systems (ICEMS), Harbin, China, 11–14 August 2019; pp. 1–6. [Google Scholar]
- Zeng, Y.; Pou, J.; Sun, C.; Mukherjee, S.; Xu, X.; Gupta, A.K.; Dong, J. Autonomous Input Voltage Sharing Control and Triple Phase Shift Modulation Method for ISOP-DAB Converter in DC Microgrid: A Multiagent Deep Reinforcement Learning-Based Method. IEEE Trans. Power Electron. 2023, 38, 2985–3000. [Google Scholar] [CrossRef]
- Zeng, Y.; Liang, G.; Liu, Q.; Rodriguez Ramos, E.; Pou, J.; Huamin, J.; Liu, X.; Zhang, X.; Kotturu, J.; Gupta, A. Multiagent Soft Actor-Critic Aided Active Disturbance Rejection Control of DC Solid-State Transformer. IEEE Trans. Ind. Electron. 2024, 1–12. [Google Scholar] [CrossRef]
- Huang, J.; Wang, Y.; Li, Z.; Jiang, Y.; Lei, W. Simultaneous PWM Control to Operate the Three-Phase Dual Active Bridge Converter under Soft Switching in the Whole Load Range. In Proceedings of the 2015 IEEE Applied Power Electronics Conference and Exposition (APEC), Charlotte, NC, USA, 15–19 March 2015; pp. 2885–2891. [Google Scholar]
- Hu, J.; Yang, Z.; Soltau, N.; De Doncker, R.W. A Duty-Cycle Control Method to Ensure Soft-Switching Operation of a High-Power Three-Phase Dual-Active Bridge Converter. In Proceedings of the 2017 IEEE 3rd International Future Energy Electronics Conference and ECCE Asia (IFEEC 2017-ECCE Asia), Kaohsiung, Taiwan, 3–7 June 2017; pp. 866–871. [Google Scholar]
- Li, Z.; Wang, Y.; Shi, L.; Huang, J.; Lei, W. Optimized Modulation Strategy for Three-Phase Dual-Active-Bridge DC-DC Converters to Minimize RMS Inductor Current in the Whole Load Range. In Proceedings of the 2016 IEEE 8th International Power Electronics and Motion Control Conference (IPEMC-ECCE Asia), Hefei, China, 22–26 May 2016; pp. 2787–2791. [Google Scholar]
- Cúnico, L.M.; Alves, Z.M.; Kirsten, A.L. Efficiency-Optimized Modulation Scheme for Three-Phase Dual-Active-Bridge DC–DC Converter. IEEE Trans. Ind. Electron. 2021, 68, 5955–5965. [Google Scholar] [CrossRef]
- Hu, J.; Soltau, N.; De Doncker, R.W. Asymmetrical Duty-Cycle Control of Three-Phase Dual-Active Bridge Converter for Soft-Switching Range Extension. In Proceedings of the 2016 IEEE Energy Conversion Congress and Exposition (ECCE), Milwaukee, WI, USA, 18–22 September 2016; pp. 1–8. [Google Scholar]
- Hu, J.; Yang, Z.; Cui, S.; De Doncker, R.W. Closed-Form Asymmetrical Duty-Cycle Control to Extend the Soft-Switching Range of Three-Phase Dual-Active-Bridge Converters. IEEE Trans. Power Electron. 2021, 36, 9609–9622. [Google Scholar] [CrossRef]
- Schulz, G.; Bauman, J. Time-Domain Analysis and Optimization of a Three-Phase Dual-Active-Bridge Converter With Variable Duty-Cycle Modulation. IEEE Trans. Power Electron. 2023, 38, 15338–15352. [Google Scholar] [CrossRef]
- Huang, J.; Li, Z.; Shi, L.; Wang, Y.; Zhu, J. Optimized Modulation and Dynamic Control of a Three-Phase Dual Active Bridge Converter With Variable Duty Cycles. IEEE Trans. Power Electron. 2019, 34, 2856–2873. [Google Scholar] [CrossRef]
- Krismer, F.; Kolar, J.W. Efficiency-Optimized High-Current Dual Active Bridge Converter for Automotive Applications. IEEE Trans. Ind. Electron. 2012, 59, 2745–2760. [Google Scholar] [CrossRef]
- Haihua, Z.; Khambadkone, A.M. Hybrid Modulation for Dual Active Bridge Bi-Directional Converter With Extended Power Range For Ultracapacitor Application. In Proceedings of the 2008 IEEE Industry Applications Society Annual Meeting, Edmonton, AB, Canada, 5–9 October 2008. [Google Scholar]
- Huang, J.; Wang, Y.; Li, Z.; Lei, W. Unified Triple-Phase-Shift Control to Minimize Current Stress and Achieve Full Soft-Switching of Isolated Bidirectional DC–DC Converter. IEEE Trans. Ind. Electron. 2016, 63, 4169–4179. [Google Scholar] [CrossRef]
- Calderon, C.; Barrado, A.; Rodriguez, A.; Alou, P.; Lazaro, A.; Fernandez, C.; Zumel, P. General Analysis of Switching Modes in a Dual Active Bridge with Triple Phase Shift Modulation. Energies 2018, 11, 2419. [Google Scholar] [CrossRef]
- Baars, N.H.; Everts, J.; Wijnands, C.G.E.; Lomonova, E.A. Performance Evaluation of a Three-Phase Dual Active Bridge DC–DC Converter With Different Transformer Winding Configurations. IEEE Trans. Power Electron. 2016, 31, 6814–6823. [Google Scholar] [CrossRef]
- de Souza Oliveira, D.; Barbi, I. A Three-Phase ZVS PWM DC/DC Converter with Asymmetrical Duty Cycle for High Power Applications. IEEE Trans. Power Electron. 2005, 20, 370–377. [Google Scholar] [CrossRef]
- Wang, L.; Wang, Z.; Li, H. Asymmetrical Duty Cycle Control and Decoupled Power Flow Design of a Three-Port Bidirectional DC-DC Converter for Fuel Cell Vehicle Application. IEEE Trans. Power Electron. 2012, 27, 891–904. [Google Scholar] [CrossRef]
- Liu, F.; Chen, Y.; Hu, G.; Ruan, X. Modified Three-Phase Three-Level DC/DC Converter With Zero-Voltage-Switching Characteristic-Adopting Asymmetrical Duty Cycle Control. IEEE Trans. Power Electron. 2014, 29, 6307–6318. [Google Scholar] [CrossRef]
- Hu, J.; Cui, S.; De Doncker, R.W. DC Fault Ride-Through of a Three-Phase Dual-Active Bridge Converter for DC Grids. In Proceedings of the 2018 International Power Electronics Conference (IPEC-Niigata 2018 -ECCE Asia), Niigata, Japan, 20–24 May 2018; pp. 2250–2256. [Google Scholar]
- Sun, J.; Qiu, L.; Liu, X.; Zhang, J.; Ma, J.; Fang, Y. Improved Model Predictive Control for Three-Phase Dual-Active-Bridge Converters With a Hybrid Modulation. IEEE Trans. Power Electron. 2022, 37, 4050–4064. [Google Scholar] [CrossRef]
- McLyman, C.W.T. Transformer and Inductor Design Handbook, 3rd ed.; CRC Press: Boca Raton, FL, USA, 2004; ISBN 978-0-429-22398-3. [Google Scholar]
- Hurley, W.G.; Wölfle, W.H. Transformers and Inductors for Power Electronics: Theory, Design and Applications, 1st ed.; Wiley: New York, NY, USA, 2013; ISBN 978-1-119-95057-8. [Google Scholar]
- Guennouni, N.; Machkour, N.; Chebak, A. Model Predictive and Sliding Mode Control Hybridization for Voltage and Average Current Control of Dual Active Bridge DC-DC Converter in Battery Electric Vehicles Powertrain. In Proceedings of the 2024 6th Global Power, Energy and Communication Conference (GPECOM), Budapest, Hungary, 4–7 June 2024; pp. 92–97. [Google Scholar]




















| Layout | Vrms (V) | Irms (A) | Apparent Power (kVA) |
|---|---|---|---|
| 1p | 800 | 323 | 517 |
| Y-Y | 247 | 215 | 106 |
| D-D | 303 | 124 | 75 |
| Layout | Core Number | Ap (cm4) | Ac (cm2) | MLT (cm) | Mass (Kg) |
|---|---|---|---|---|---|
| 1p | AMCC400 | 348.8 | 11.7 | 17.4 | 2.817 |
| Y-Y/D-D | CACC(E)47 | 105.75 | 4.5 | 9 | 0.891 |
| Layout | Wire Type | Profile (mm2) | Aw (mm2) | Np/Ns | RDC (mΩ) | RAC (mΩ) |
|---|---|---|---|---|---|---|
| 1p | 4500 × 0.1 | 11.3 × 7 | 35.33 | 10/10 | 2.3 | 5.2 |
| Y-Y | 1380 × 0.1 | 7.4 × 3.4 | 10.84 | 6/6 | 2.8 | 3.4 |
| D-D | 1380 × 0.1 | 7.4 × 3.4 | 10.84 | 9/9 | 4 | 6.32 |
| Layout | Vrms (V) | Irms (A) | Apparent Power (kVA) | L (µH) |
|---|---|---|---|---|
| 1p | 895 | 323 | 289 | 16 |
| Y-Y | 203 | 215 | 44 | 4.06 |
| D-D | 390 | 124 | 49 | 12.2 |
| Layout | Core Number | Ap (cm4) | Ac (cm2) | MLT (cm) | lg (cm) | a (cm) | Mass (Kg) |
|---|---|---|---|---|---|---|---|
| 1p | AMCC312A | 89.25 | 7.01 | 12.8 | 0.35 | 1.9 | 1.281 |
| Y-Y | AMCC40 | 31.3 | 3.7 | 9.6 | 0.18 | 1.3 | 0.53 |
| D-D | AMCC40 | 31.3 | 3.7 | 9.6 | 0.13 | 1.3 | 0.53 |
| Layout | Wire Type | Profile (mm2) | Aw (mm2) | N | RDC (mΩ) | RAC (mΩ) |
|---|---|---|---|---|---|---|
| 1p | 4500 × 0.1 | 11.3 × 7 | 35.33 | 8 | 0.76 | 1.54 |
| Y-Y | 3200 × 0.1 | 6 × 10 | 25.13 | 4 | 0.41 | 0.6 |
| D-D | 2000 × 0.1 | 5 × 8 | 15.71 | 6 | 1.05 | 1.33 |
| Rated Voltage (V) | Rated Continuous Current (A) | ton (ns) | toff (ns) | RDSon (mΩ) |
|---|---|---|---|---|
| 1200 | 530 | 98.11 | 93.71 | 3.96 |
| Rated Voltage (V) | 1p DAB | Y-Y DAB | D-D DAB |
|---|---|---|---|
| Number of power switches | 8 | 12 | 12 |
| Transformer core | Simple and mature | More complex | More complex |
| Number of inductors | Single inductor | Three, one-phase | Three, one-phase |
| Total number of elements | Low | High | High |
| Dynamic response | Slower at heavy loads start-up | Slower at light loads start-up | Slower at light loads start-up |
| DC offset | Highest at transient and start-up | Highest at steady state | Slightly lower than Y-Y |
| Power density | Same | Same | Same |
| Efficiency | High especially at light loads | Lower but similar at heavy loads | Like Y-Y |
Disclaimer/Publisher’s Note: The statements, opinions and data contained in all publications are solely those of the individual author(s) and contributor(s) and not of MDPI and/or the editor(s). MDPI and/or the editor(s) disclaim responsibility for any injury to people or property resulting from any ideas, methods, instructions or products referred to in the content. |
© 2024 by the authors. Licensee MDPI, Basel, Switzerland. This article is an open access article distributed under the terms and conditions of the Creative Commons Attribution (CC BY) license (https://creativecommons.org/licenses/by/4.0/).
Share and Cite
Guennouni, N.; Machkour, N.; Chebak, A. Single- and Three-Phase Dual-Active-Bridge DC–DC Converter Comparison for Battery Electric Vehicle Powertrain Application. Energies 2024, 17, 5509. https://doi.org/10.3390/en17215509
Guennouni N, Machkour N, Chebak A. Single- and Three-Phase Dual-Active-Bridge DC–DC Converter Comparison for Battery Electric Vehicle Powertrain Application. Energies. 2024; 17(21):5509. https://doi.org/10.3390/en17215509
Chicago/Turabian StyleGuennouni, Nasr, Nadia Machkour, and Ahmed Chebak. 2024. "Single- and Three-Phase Dual-Active-Bridge DC–DC Converter Comparison for Battery Electric Vehicle Powertrain Application" Energies 17, no. 21: 5509. https://doi.org/10.3390/en17215509
APA StyleGuennouni, N., Machkour, N., & Chebak, A. (2024). Single- and Three-Phase Dual-Active-Bridge DC–DC Converter Comparison for Battery Electric Vehicle Powertrain Application. Energies, 17(21), 5509. https://doi.org/10.3390/en17215509

