A Day-Ahead Economic Dispatch Method for Renewable Energy Systems Considering Flexibility Supply and Demand Balancing Capabilities
Abstract
1. Introduction
2. Definition of System Flexibility and Quantitative Indicators
2.1. Flexibility Requirements
2.2. Flexibility of Supply
2.3. Flexible Quantitative Index of Supply and Demand Balance
3. Generalized Polynomial Chaos Method
3.1. Orthogonal Polynomials and Their Construction Methods
3.2. Basis Function of the gPC
3.3. The Approximation and the Probability Features
4. A Two-Layer Optimized Scheduling Model Considering the Flexible Supply and Demand Balance Capability
4.1. Modeling Ideas
4.2. Model Building
4.2.1. The Upper Model
4.2.2. The Lower Model
- 1.
- Objective function
- 2.
- Restrictive condition
4.2.3. Model Transformation
- 1.
- Equation constrain transformation
- 2.
- The inequality constraint transformation
4.3. Model Optimization
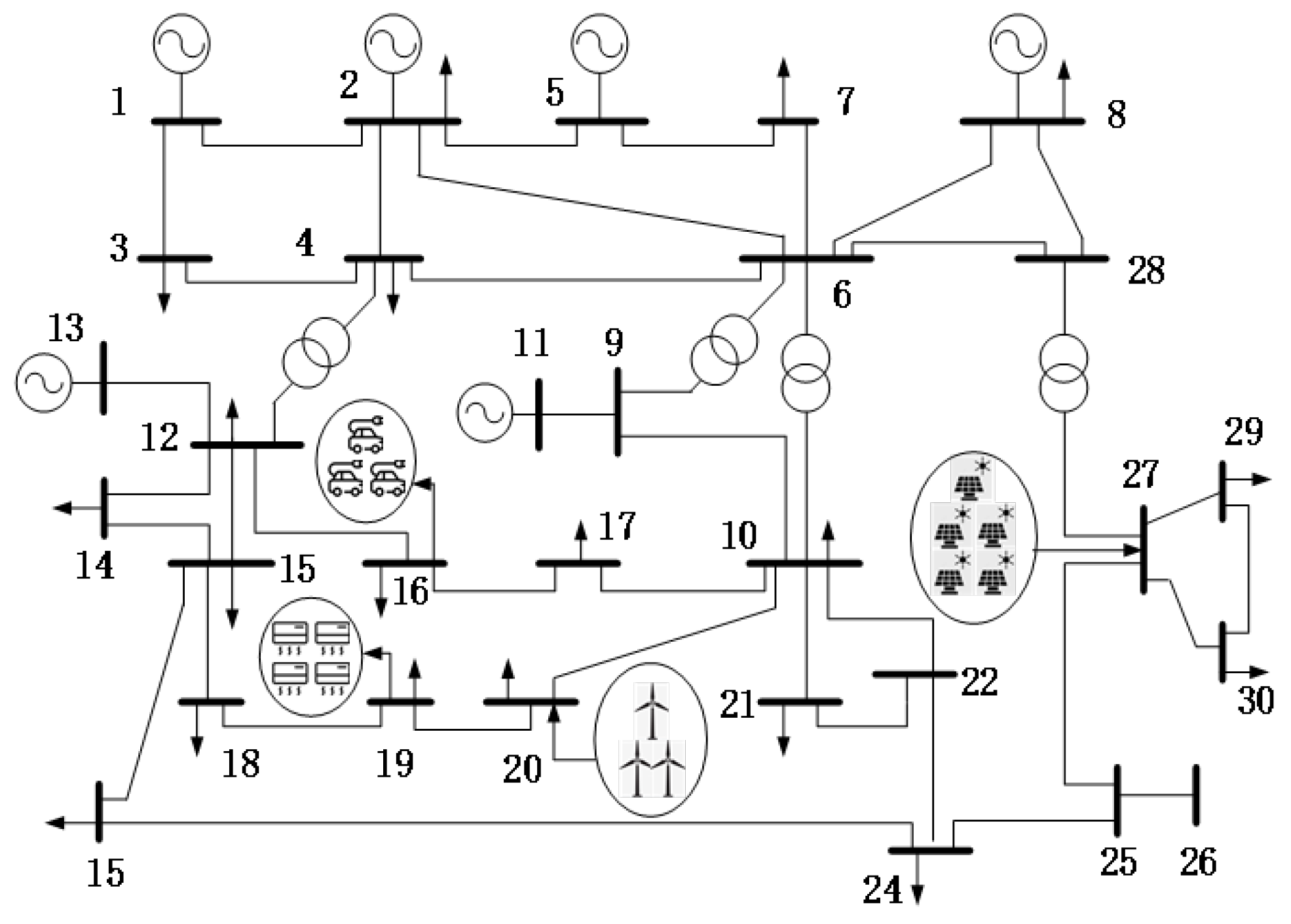
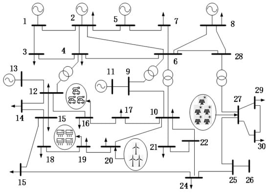
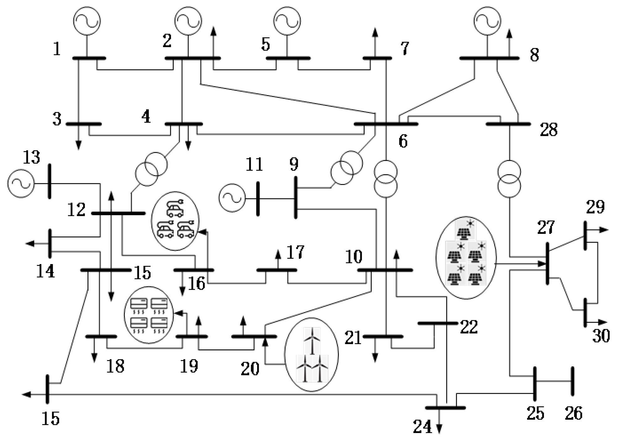
5. Calculated Simulation
5.1. Optimal Scheduling Programme
5.2. Impact of Different Scheduling Options on System Flexibility
5.3. Validation of gPC Validity
6. Summary
Author Contributions
Funding
Data Availability Statement
Acknowledgments
Conflicts of Interest
Appendix A
| Unit Number | Access Node | (p.u.) | (p.u.) | (yuan /(p.u.)2) | (yuan/p.u.) | (yuan) | (p.u./h) | (h) | Start-Up Cost (yuan/event) | Shutdown Costs (yuan/event) |
|---|---|---|---|---|---|---|---|---|---|---|
| 1# | 1 | 1.5749 | 0.5 | 0.1524 | 38.5397 | 786.7988 | 0.375 | 2 | 39,372.5 | 19,686.25 |
| 2# | 2 | 1 | 0.25 | 0.1058 | 46.1591 | 945.6332 | 0.3 | 2 | 25,000 | 12,500 |
| 3# | 5 | 0.6 | 0.15 | 0.028 | 40.3965 | 1049.998 | 0.15 | 2 | 15,000 | 7500 |
| 4# | 8 | 0.8 | 0.2 | 0.0354 | 38.3055 | 1243.531 | 0.2 | 2 | 20,000 | 10,000 |
| 5# | 11 | 0.4 | 0.1 | 0.0211 | 36.3278 | 1658.57 | 0.15 | 2 | 10,000 | 5000 |
| 6# | 13 | 0.4 | 0.1 | 0.0179 | 38.2704 | 1356.659 | 0.15 | 2 | 10,000 | 5000 |




References
- Ju, L.; Lv, S.; Li, P. Research review of novel demand-Side flexibility resource spatio-temporal co-optimization and dynamic equilibrium mechanism of power systems. Electr. Power Constr. 2024, 45, 142–163. [Google Scholar]
- Lu, Z.; Li, H.; Qiao, Y. Flexibility evaluation and supply/demand balance principle of power system with high-penetration renewable electricity. Proc. CSEE 2017, 37, 9–20. [Google Scholar]
- Zhang, H.; Chen, W.; Shen, J. Review of power distribution network resilience considering flexibility resources. Electr. Power Constr. 2023, 44, 66–84. [Google Scholar]
- Jin, C.; Ren, D.; Xiao, J.; Hou, J.; Du, E.; Zhou, Y. Optimization planning on power system supply-grid-storage flexibility resource for supporting the “carbon neutrality” target of China. Electr. Power 2021, 54, 164–174. [Google Scholar]
- Wang, Q.; Wang, L.; Gui, Q. Power system unit commitment with large-scale wind power considering multi-time scale output flexibility. Smart Power 2021, 49, 35–41, 70. [Google Scholar]
- Bagherinezhad, A.; Khatami, R.; Parvania, M. Continuous-time look-ahead flexible ramp scheduling in real-time operation. Int. J. Electr. Power Energy Syst. 2020, 119, 105895. [Google Scholar] [CrossRef]
- Zhengyi, L.; Jinqing, P.; Rongxin, Y. Many-objective day-ahead optimal scheduling of residential flexible loads integrated with stochastic occupant behavior models. Appl. Energy 2023, 347. [Google Scholar]
- Wu, H.; Shahidehpour, M.; Li, Z.; Tian, W. Chance-Constrained Day-Ahead Scheduling in Stochastic Power System Operation. IEEE Trans. Power Syst. 2014, 29, 1583–1591. [Google Scholar] [CrossRef]
- Li, Y.; Hu, B.; Xie, K.; Wang, L.; Xiang, Y.; Xiao, R.; Kong, D. Day-Ahead Scheduling of Power System Incorporating Network Topology Optimization and Dynamic Thermal Rating. IEEE Access 2019, 7, 35287–35301. [Google Scholar] [CrossRef]
- Sun, Y.; Zhang, B.; Ge, L.; Sidorov, D.; Wang, J.; Xu, Z. Day-ahead optimization schedule for gas-electric integrated energy system based on second-order cone programming. CSEE J. Power Energy Syst. 2020, 6, 142–151. [Google Scholar]
- Sun, G.; Yuan, Z.; Geng, T.; Wang, Y.; Wei, Z.; Zang, H. Robust stochastic optimal dispatching of virtual power plant containing plug-in electric vehicles. Autom. Electr. Power Syst. 2017, 41, 44–50+79. [Google Scholar]
- Lv, X.; Liu, T.; Liu, X.; He, C.; Nan, L.; Zeng, H. Low-carbon economic dispatch of multi-energy park considering high proportion of renewable energy. J. Shanghai Jiaotong Univ. 2021, 55, 1586–1597. [Google Scholar]
- Gan, L.; Chen, X.; Yu, K.; Zheng, J.; Du, W. A probabilistic evaluation method of household EVs dispatching potential considering users’ multiple travel needs. IEEE Trans. Ind. Appl. 2020, 56, 5858–5867. [Google Scholar] [CrossRef]
- Yan, H.; Hu, J.; Huang, D.; Zhang, Z.; Yue, Y. Distribution network planning considering the flexibility of EV virtual power plants and high penetration of PV. Electr. Power Constr. 2022, 43, 14–23. [Google Scholar]
- Han, L.; Chen, S.; Wang, S. Scheduling strategy considering wind and photovoltaic power consumption and the flexibility of electric vehicles. Trans. China Electrotech. Soc. 2024, 1–11. [Google Scholar]
- Niu, H.; Li, Y.; Zhang, Q. Research on integrated energy day-ahead scheduling method taking into account source-side uncertainty. Process Autom. Instrum. 2024, 45, 41–47. [Google Scholar]
- Chen, K.; Chen, W.; Lin, C.; Zhang, S.; Yu, D.; Yang, Y.; Chen, Z.; Lai, L. Integrated energy system day-ahead dispatch considering supply-side and demand-side flexibility. In Proceedings of the 2021 IEEE 5th Conference on Energy Internet and Energy System Integration (EI2), Taiyuan, China, 22–24 October 2021; pp. 1662–1667. [Google Scholar]
- Bian, X.; Sun, M.; Dong, L.; Yang, X.W. Distributed source-load coordinated dispatching considering flexible aggregated power. Autom. Electr. Power Syst. 2021, 45, 89–98. [Google Scholar]
- Chen, P.; Zhen, Z.; Wang, F. Day-ahead Modified Dispatching Model Considering Power System Flexibility. In Proceedings of the 2021 IEEE Industry Applications Society Annual Meeting (IAS), Vancouver, BC, Canada, 10–14 October 2021; pp. 1–6. [Google Scholar]
- Tao, Y.; Wang, Q.; Yin, Z.; Zhang, H.; Liao, K. A Flexibility-Based Two-Stage Optimization Method for Day-Ahead and Intra-Day Scheduling of Coal-Hydro-Wind-Photovoltaic Multi-Energy Power System. In Proceedings of the 2023 2nd Asian Conference on Frontiers of Power and Energy (ACFPE), Chengdu, China, 20–22 October 2023; pp. 666–672. [Google Scholar]
- Huang, X.; Feng, Y. Day-ahead and intra-day coordinated optimal scheduling of stand-alone microgrid considering unit flexibility. Electr. Power Autom. Equip. 2020, 40, 125–131. [Google Scholar]
- Xiao, B.; Yu, L.; Liu, H.B.; Yan, G.G.; Dong, L.; CH, M. Day ahead optimal dispatch of multi-energy power system based on generating virtual net load. Proc. CSEE 2021, 41, 7237–7249. [Google Scholar]
- Xiao, B.; Zhang, B. Day-ahead optimal scheduling of multi-energy power systems considering power source flexibility and complementarity. Hunan Electr. Power 2023, 43, 16–23. [Google Scholar]
- Zhang, G.; Li, F. Day-ahead optimal scheduling of power system considering comprehensive flexibility of source-load-storage. Power Autom. Equip. 2020, 40, 159–167. [Google Scholar]
- Lu, Z.; Li, H.; Qiao, Y. Power system flexibility planning and challenges considering high proportion of renewable energy. Autom. Electr. Power Syst. 2016, 40, 147–158. [Google Scholar]
- Jiang, T.; Li, C.; Zhang, R. Probabilistic available transfer capacity evaluation of power systems using polynomial chaos expansion. Proc. CSEE 2024, 44, 489–504. [Google Scholar]
- Huang, M.; Wang, P.; Zhang, Q. Comprehensive Evaluation of Demand Response Resource Participation in Grid FM Taking into Account Regulation Performance and Economy. J. Wuhan Univ. (Eng. Ed.) 2022, 55, 822–832. [Google Scholar] [CrossRef]
- Calafiore, G.C.; Ghaoui, L.E. On distributionally robust chance-constrained linear programs. J. Optim. Theory Appl. 2006, 130, 1–22. [Google Scholar] [CrossRef]
- Wang, C. Research on Aggregated Operational Characteristics and Uncertainties of Demand Side Resources. Ph.D. Thesis, Beijing Jiaotong University, Beijing, China, 2021. [Google Scholar]











| Random Variable Type | The Orthogonal Polynomial Type | Weight Function for Defining the Domain |
|---|---|---|
| normal distribution | Hermite | |
| Gamma distribution | Lagurre | |
| Beta distribution | Jacobi | |
| hypodispersion | Legendre |
| Programme | Start-Stop Cost (¥ Million) | Abandoned Electricity Costs (¥ Million) | Power Generation Costs (¥ Million) | Total Cost (¥ Million) |
|---|---|---|---|---|
| 1 | 14.75 | 0.1254 | 2753.92 | 2768.80 |
| 2 | 14.00 | 0.0831 | 2052.34 | 2066.42 |
| 3 | 11.50 | 0.1577 | 3062.63 | 3074.29 |
Disclaimer/Publisher’s Note: The statements, opinions and data contained in all publications are solely those of the individual author(s) and contributor(s) and not of MDPI and/or the editor(s). MDPI and/or the editor(s) disclaim responsibility for any injury to people or property resulting from any ideas, methods, instructions or products referred to in the content. |
© 2024 by the authors. Licensee MDPI, Basel, Switzerland. This article is an open access article distributed under the terms and conditions of the Creative Commons Attribution (CC BY) license (https://creativecommons.org/licenses/by/4.0/).
Share and Cite
Yang, Z.; Xiong, W.; Wang, P.; Shen, N.; Liao, S. A Day-Ahead Economic Dispatch Method for Renewable Energy Systems Considering Flexibility Supply and Demand Balancing Capabilities. Energies 2024, 17, 5427. https://doi.org/10.3390/en17215427
Yang Z, Xiong W, Wang P, Shen N, Liao S. A Day-Ahead Economic Dispatch Method for Renewable Energy Systems Considering Flexibility Supply and Demand Balancing Capabilities. Energies. 2024; 17(21):5427. https://doi.org/10.3390/en17215427
Chicago/Turabian StyleYang, Zheng, Wei Xiong, Pengyu Wang, Nuoqing Shen, and Siyang Liao. 2024. "A Day-Ahead Economic Dispatch Method for Renewable Energy Systems Considering Flexibility Supply and Demand Balancing Capabilities" Energies 17, no. 21: 5427. https://doi.org/10.3390/en17215427
APA StyleYang, Z., Xiong, W., Wang, P., Shen, N., & Liao, S. (2024). A Day-Ahead Economic Dispatch Method for Renewable Energy Systems Considering Flexibility Supply and Demand Balancing Capabilities. Energies, 17(21), 5427. https://doi.org/10.3390/en17215427
