Optimized Fault-Tolerant Control of Dual Three-Phase PMSM Under Open-Switch Faults
Abstract
1. Introduction
- (1)
- The proposed method is based on actual current by using the Fourier series without relying on threshold-based current judgement. Therefore, this approach can enhance fault tolerance and improve the universality and robustness.
- (2)
- The unified control scheme is based on a full-dimensional model and remains consistent across normal, faulty, and fault-tolerant operations. This eliminates the need for redundant hardware reconfiguration, simplifying implementation, while ensuring smooth transitions in both current and torque between faulty and FTC operations.
- (3)
- The proportional–integral quasi-resonant controllers with time delay compensation and phase correction are proposed to effectively eliminate harmonics and significantly improve system stability.
2. Mathematical Model of DTPMSM Under Normal Operation
3. Operation Analysis and Optimized FTC Strategy for Single OSF
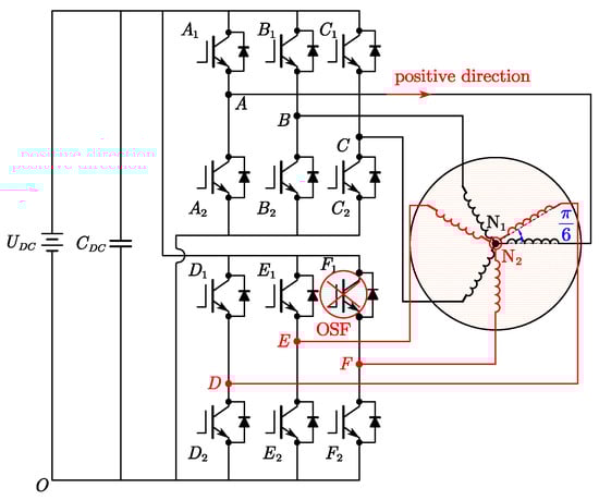
3.1. Single OSF
3.2. Proposed FTC Strategy for Single OSF
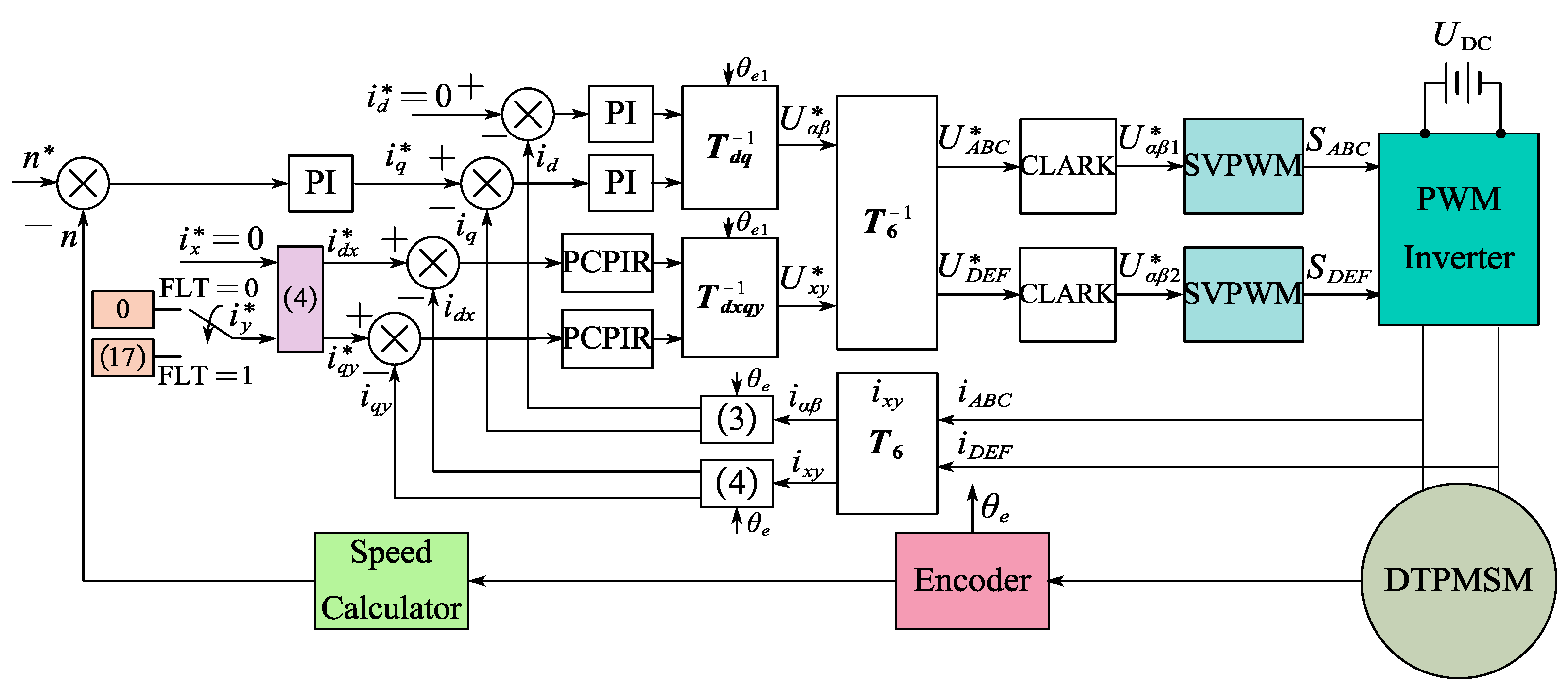
3.3. Proposed Control Scheme
4. Experimental Verification
4.1. Normal Operation
4.2. Single OSF and FTC
4.3. Dynamic Performance
5. Conclusions
Author Contributions
Funding
Data Availability Statement
Acknowledgments
Conflicts of Interest
References
- Levi, E. Multiphase electric machines for variable-speed applications. IEEE Trans. Ind. Electron. 2008, 55, 1893–1909. [Google Scholar] [CrossRef]
- Levi, E.; Barrero, F.; Duran, M.J. Multiphase machines and drives—Revisited. IEEE Trans. Ind. Electron. 2016, 63, 429–432. [Google Scholar] [CrossRef]
- Barrero, F.; Duran, M.J. Recent advances in the design, modeling, and control of multiphase machines—Part I. IEEE Trans. Ind. Electron. 2016, 63, 449–458. [Google Scholar] [CrossRef]
- Duran, M.J.; Barrero, F. Recent advances in the design, modeling, and control of multiphase machines—Part II. IEEE Trans. Ind. Electron. 2016, 63, 459–468. [Google Scholar] [CrossRef]
- Mwasilu, F.; Jung, J.W. Enhanced fault-tolerant control of interior PMSMs based on an adaptive EKF for EV traction applications. IEEE Trans. Power Electron. 2016, 31, 5746–5758. [Google Scholar] [CrossRef]
- Gao, H.; Zhang, Z.; Liu, Y.; Huang, W.; Xue, H. Development and analysis of dual three-phase PMSM with phase-shifted hybrid winding for aircraft electric propulsion application. IEEE Trans. Transp. Electrif. 2023, 10, 6497–6508. [Google Scholar] [CrossRef]
- Zhou, C.; Yang, G.; Su, J. PWM strategy with minimum harmonic distortion for dual three-phase permanent-magnet synchronous motor drives operating in the overmodulation region. IEEE Trans. Power Electron. 2016, 31, 1367–1380. [Google Scholar] [CrossRef]
- Zhao, Y.F.; Lipo, T.A. Space vector PWM control of dual three-phase induction machine using vector space decomposition. IEEE Trans. Ind. Appl. 1995, 31, 1100–1109. [Google Scholar] [CrossRef]
- Che, H.S.; Duran, M.J.; Levi, E.; Jones, M.; Hew, W.-P.; Rahim, N.A. Postfault operation of an asymmetrical six-phase induction machine with single and two isolated neutral points. IEEE Trans. Power Electron. 2014, 29, 5406–5416. [Google Scholar] [CrossRef]
- Baudart, F.; Dehez, B.; Matagne, E.; Telteu-Nedelcu, D.; Alexandre, P.; Labrique, F. Torque control strategy of polyphase permanent-magnet synchronous machines with minimal controller reconfiguration under open-circuit fault of one phase. IEEE Trans. Ind. Electron. 2012, 59, 2632–2644. [Google Scholar] [CrossRef]
- Liang, G.; Huang, S.; Liao, W.; Zhang, Z.Z.; Liu, Y.; Feng, C.Q.; Wu, X.; Huang, S.D. An optimized modulation of torque and current harmonics suppression for dual three-phase PMSM. IEEE Trans. Transp. Electrif. 2024, 10, 3443–3454. [Google Scholar] [CrossRef]
- Guzman, H.; Barrero, F.; Duran, M.J. IGBT-gating failure effect on a fault-tolerant predictive current-controlled five-phase induction motor drive. IEEE Trans. Ind. Electron. 2015, 62, 15–20. [Google Scholar] [CrossRef]
- Hu, Y.; Feng, Y.; Li, X. Fault-tolerant hybrid current control of dual three-phase PMSM with one phase open. IEEE J. Emerg. Sel. Top. Power Electron. 2022, 10, 3418–3426. [Google Scholar] [CrossRef]
- Dwari, S.; Parsa, L. An optimal control technique for multiphase PM machines under open-circuit faults. IEEE Trans. Ind. Electron. 2008, 55, 1988–1995. [Google Scholar] [CrossRef]
- Barcaro, M.; Bianchi, N.; Magnussen, F. Faulty operations of a PM fractional-slot machine with a dual three-phase winding. IEEE Trans. Ind. Electron. 2011, 58, 3825–3832. [Google Scholar] [CrossRef]
- Nguyen, N.K.; Meinguet, F.; Semail, E.; Kestelyn, X. Fault-tolerant operation of an open-end winding five-phase PMSM drive with short-circuit inverter fault. IEEE Trans. Ind. Electron. 2016, 63, 595–605. [Google Scholar] [CrossRef]
- Liu, L.; Wang, K.; Guo, L.L.; Li, J. Analysis of inter-turn short circuit faults in dual three-phase PMSM for electromechanical actuator. IEEE Trans. Transp. Electrif. 2023, 9, 4059–4070. [Google Scholar] [CrossRef]
- Wang, X.Q.; Wang, Z.; Gu, M.; Xiao, D.; He, J.; Emadi, A. Diagnosis-free self-healing scheme for open-circuit faults in dual three-phase PMSM drives. IEEE Trans. Power Electron. 2020, 35, 12053–12071. [Google Scholar] [CrossRef]
- Tousizadeh, M.; Che, H.S.; Selvaraj, J.; Rahim, N.A.; Ooi, B. Performance comparison of fault-tolerant three-phase induction motor drives considering current and voltage limits. IEEE Trans. Ind. Electron. 2019, 66, 2639–2648. [Google Scholar] [CrossRef]
- Hu, K.; Liu, Z.; Tasiu, I.A.; Chen, T. Fault diagnosis and tolerance with low torque ripple for open-switch fault of IM drives. IEEE Trans. Transp. Electrif. 2021, 7, 133–146. [Google Scholar] [CrossRef]
- Cecati, C.; Di Tommaso, A.O.; Genduso, F.; Miceli, R.; Ricco Galluzzo, G. Comprehensive modeling and experimental testing of fault detection and management of a nonredundant fault-tolerant VSI. IEEE Trans. Ind. Electron. 2015, 62, 3945–3954. [Google Scholar]
- Tian, B.; Molinas, M.; An, Q.; Zhou, B.; Wei, J. Freewheeling current-based sensorless field-oriented control of five-phase permanent magnet synchronous motors under insulated gate bipolar transistor failures of a single phase. IEEE Trans. Ind. Electron. 2022, 69, 213–224. [Google Scholar] [CrossRef]
- Sun, J.; Zheng, Z.; Li, C.; Wang, K.; Li, Y. Optimal fault-tolerant control of multiphase drives under open-phase/open-switch faults based on DC current injection. IEEE Trans. Power Electron. 2022, 37, 5928–5936. [Google Scholar] [CrossRef]
- Yang, G.; Hussain, H.; Li, S.; Zhang, X.; Yang, J.Q.; Lee, C.H.T. Design and analysis of universal natural fault-tolerant SVPWM strategy with simplified fault diagnosis for multiphase motor drives. IEEE J. Emerg. Sel. Top. Power Electron. 2023, 11, 4340–4354. [Google Scholar] [CrossRef]
- Yu, K.; Wang, Z.; Gu, M.; Wang, X.Q. Universal control scheme of dual three-phase PMSM drives with single open-phase fault. IEEE Trans. Power Electron. 2022, 37, 14034–14039. [Google Scholar] [CrossRef]
- Song, Z.; Jia, Y.; Liu, C. Open-phase fault-tolerant control strategy for dual three-phase permanent magnet synchronous machines without controller reconfiguration and fault detection. IEEE Trans. Power Electron. 2023, 38, 789–802. [Google Scholar] [CrossRef]
- Wang, X.Q.; Wang, Z.; He, M.; Zhou, Q.; Liu, X.; Meng, X. Fault-tolerant control of dual three-phase PMSM drives with minimized copper loss. IEEE Trans. Power Electron. 2021, 36, 12938–12953. [Google Scholar] [CrossRef]
- Xu, L.; Ren, H.; Jiang, T.; Liu, G.; Zhao, W.X. Minimum copper loss fault-tolerant control of zero phase shift dual three-phase SPMSM by using reduced-order transformation matrices. IEEE Trans. Energy Convers. 2024, 1–10. [Google Scholar] [CrossRef]
- Hu, Y.; Zhu, Z.Q.; Liu, K. Current control for dual three-phase permanent magnet synchronous motors accounting for current unbalance and harmonics. IEEE J. Emerg. Sel. Top. Power Electron. 2014, 2, 272–284. [Google Scholar]
- Campos-Delgado, D.U.; Pecina-Sanchez, J.A.; Espinoza-Trejo, D.R. Diagnosis of open-switch faults in variable speed drives by stator current analysis and pattern recognition. IET Electr. Power Appl. 2013, 7, 509–522. [Google Scholar] [CrossRef]
- Bae, B.H.; Sul, S.K. A compensation method for time delay of full-digital synchronous frame current regulator of PWM AC drives. IEEE Trans. Ind. Appl. 2003, 39, 802–810. [Google Scholar] [CrossRef]



















| Parameters | Value |
|---|---|
| Kp | 4.263 |
| Ki | 10.454 |
| Kr | 121.8 |
| ωc | 5 |
| Parameters | Value |
|---|---|
| Pole number | 3 |
| d-axis inductance | 9.36 mH |
| q-axis inductance | 20.76 mH |
| Leakage inductance | 1.32 mH |
| Stator resistance | 0.68 Ω |
| PM flux-linkage | 0.316 Wb |
| Rated phase current | 4 A |
| Rated speed | 1500 r/min |
| Rated power | 2.5 kW |
Disclaimer/Publisher’s Note: The statements, opinions and data contained in all publications are solely those of the individual author(s) and contributor(s) and not of MDPI and/or the editor(s). MDPI and/or the editor(s) disclaim responsibility for any injury to people or property resulting from any ideas, methods, instructions or products referred to in the content. |
© 2024 by the authors. Licensee MDPI, Basel, Switzerland. This article is an open access article distributed under the terms and conditions of the Creative Commons Attribution (CC BY) license (https://creativecommons.org/licenses/by/4.0/).
Share and Cite
Chen, L.; Chen, M.; Li, B.; Sun, X.; Jiang, F. Optimized Fault-Tolerant Control of Dual Three-Phase PMSM Under Open-Switch Faults. Energies 2024, 17, 5198. https://doi.org/10.3390/en17205198
Chen L, Chen M, Li B, Sun X, Jiang F. Optimized Fault-Tolerant Control of Dual Three-Phase PMSM Under Open-Switch Faults. Energies. 2024; 17(20):5198. https://doi.org/10.3390/en17205198
Chicago/Turabian StyleChen, Lei, Min Chen, Bodong Li, Xinnan Sun, and Feng Jiang. 2024. "Optimized Fault-Tolerant Control of Dual Three-Phase PMSM Under Open-Switch Faults" Energies 17, no. 20: 5198. https://doi.org/10.3390/en17205198
APA StyleChen, L., Chen, M., Li, B., Sun, X., & Jiang, F. (2024). Optimized Fault-Tolerant Control of Dual Three-Phase PMSM Under Open-Switch Faults. Energies, 17(20), 5198. https://doi.org/10.3390/en17205198

