Next Article in Journal
Electric Submersible Pump Lifted Oil Field: Basic Model for Control, and Comparison of Simulation Tools
Next Article in Special Issue
Impact of Electrode Distance in a Quasi-Uniform Model Electrode System on Lightning Impulse Breakdown Voltage in Various Insulating Liquids
Previous Article in Journal
The Front-Runner Approach—Facilitating Progressive Product Policy by Using Information from EU Product Databases
Previous Article in Special Issue
Method of Reducing the Effects of Repeated Ignition during Earth Faults in Compensated Medium Voltage Networks
 
 
Font Type:
Arial Georgia Verdana
Font Size:
Aa Aa Aa
Line Spacing:
Column Width:
Background:
Article

Application of Under-Impedance Criterion to Protect against Effects of Phase-to-Phase Short Circuits in Medium-Voltage Networks

1
Institute of Automatic Control, Electronics and Electrical Engineering, University of Zielona Gora, 65-516 Zielona Gora, Poland
2
Faculty of Environmental Engineering and Energy, Institute of Electric Power Engineering, Poznan University of Technology, 60-965 Poznan, Poland
*
Author to whom correspondence should be addressed.
Energies 2024, 17(2), 505; https://doi.org/10.3390/en17020505
Submission received: 29 November 2023 / Revised: 10 January 2024 / Accepted: 16 January 2024 / Published: 20 January 2024
(This article belongs to the Special Issue Design and Optimization of Power Transformer Diagnostics II)

Abstract

Common overcurrent criteria used to detect phase-to-phase short circuits in medium-voltage (MV) networks in some cases do not bring the expected results. In particular, this applies to instantaneous overcurrent protections in lines with variable ranges and lines leading to local power plants (LPP), which generate a short-circuit current slightly greater than the rated current. When using overcurrent protections, there are some problems with ensuring the appropriate sensitivity and selectivity. This article proposes a protection based on impedance measurement against the effects of phase-to-phase short circuits in MV lines. The protection can be used at switchgears and also at protection points (PP) located deep in the network. The under-impedance criterion has a range independent of the value of the short-circuit current, and it can be alternative or complement to classic overcurrent protection. The introduction of these criteria allows the protection range to be independent of the type of short circuit and the short-circuit power on the busbar, and to determine this range more precisely. The under-impedance protection is particularly useful in conditions of a growing number of energy sources deep inside the networks and its automation. The main idea was to develop a uncomplicated characteristic that would ensure the possibility of setting the under-impedance protection by people who are not specialists in the field of distance protections. The characteristics have been optimally developed both in terms of the area of detected impedances and easy implementation, operation, and configuration.

1. Introduction

In MV (medium-voltage) lines, distance protection is currently not widely used, and it is even considered unnecessary and inappropriate. The reason for such opinions is the branched structure of these lines and the variability of the type of conductors. In addition, distance protection is usually extensive and complicated to set up. Distance protection does not work during earth faults in networks with ineffectively grounded neutral points, because the impedance of the short-circuit loop measured at the protection point almost does not depend on the distance of the earth fault from the protection point [1,2,3]. Due to these complications, obtaining the effect of proper shutdown is complex and even impossible.
For the reasons given above, distance protection in MV lines has probably not been used. There have been no such regulatory requirements or operational needs so far. Although it is worth recalling here that, in the 1970s, in MV lines, such solutions were used, for example, protection produced by AEG type RD-10 was intended for compensated networks and had an isolated neutral point. Currently, in the latest literature, but also in operational practice, there are more and more proposals concerning applying distance protection criteria to MV lines [4,5,6]. This applies in particular to distribution networks [7] with distributed generation (DG) [8,9,10,11,12] and to lines with switchboards and protections deep in the network [13,14].
Currently, we are observing many changes in the structure of the MV line, which is supplemented with elements of intelligent systems. This is related, among other things, to the introduction of widespread distributed generation and network automation. This also forces changes and updates to the previously applicable protections rules in MV lines. The need is indicated both by the opinions of practitioners dealing with energy distribution [15] and by numerous scientific publications on this subject [16,17]. They include proposals for alternative solutions for commonly used protection in MV lines [18,19,20,21], including overcurrent protection [22,23,24,25]. The article will present arguments for the introduction of protection using the principle of impedance measurement in MV lines, which seem so convincing that it is even advisable to introduce them as a standard in energy companies. One of the leading ideas when constructing the protection described here to obtain such properties was that it would be very easy to set up. The new under-impedance protection presented in the article was designed for the detection of phase-to-phase short circuits, as an alternative or complement to classic overcurrent protections.
The contributions of the paper are as follows: Section (1) is the introduction to the application of the under-impedance criterion in MV lines; (2) provides the main characteristics of the new protection; (3) describes the purposefulness of introducing under-impedance protection in MV networks; (4) and (5) introduce all relevant formulas and relationships used for the calculation of short-circuit currents; (6) indicates some of the problems that may arise when selecting instantaneous protection settings; (7) and (8) detail the idea of the under-impedance protection and the rules for selecting settings; (9) describes the interaction of overcurrent and under-impedance protection; and (10) summarizes the entire article. Additionally, Appendix A presents an example of the selection of settings for short-circuit and under-impedance protection.

2. Name and Main Characteristics

Taking into account the aforementioned arguments the use of distance protections in MV lines, the following question arises: What is the justification for introducing this function? At the same time, it should be immediately emphasized that this protection will not be called “distance”, but “under-impedance”.
Distance protection is a form of protection whose tripping time is a function of the distance between the short-circuit point and the place where the protection is installed. Before 1990, the literature [2,3] from this period described the use of electromechanical or static analog relays. One could find the statement that the best measure of this distance is the positive-sequence of impedance, which, today, is an incorrect statement regarding protection in microprocessor technology. At that time, the characteristics of the coordinates R, jX (where R-resistance, X-reactance) usually were shapes similar to circles or ellipses. When microprocessor protection came into production, the characteristics could be given any shape. These were arranged in such a way as to reduce the influence of the measured line resistance and take into account the electric arc or the resistance of the transition to earth. Therefore, it must now be considered that the best measure of this distance is reactance of the short circuit for positive (sequence) components.
A typical time characteristic of distance protection is shown in Figure 1. It consists of three “forward” zones and one “backward” zone.
The operating times in the individual “forward” zones are marked as t1, t2, and t3, and in the backward zone as t4. The short-circuit loop reactance is currently assumed to be the most appropriate measure of this distance. Hence, the ranges in individual “forward” zones are marked as X1, X2, and X3, and those in “backward” zones as X4. Since, in MV lines, there is no proportionality of reactance and short-circuit location distance due to the frequent changes in line parameters, the word “under-impedance” and not “distance” was not used in the name of the developed criterion. Protections in the HV (high-voltage) network should have their own times be as short as possible, usually less than 20 ms. In MV lines, 50 ms is enough, and in most cases, even 100 ms is sufficient.
This criterion will also not trip during short circuits with the ground, but only during interfacial short circuits. It is possible to operate during double short circuits with the ground, but it is difficult to precisely determine the range of protection due to the complicated nature of the short circuit. The number of zones will become clear in further discussions, but it is not expected that it will have a range for the primary purpose beyond the next protection installed in the line (in the switchgear or recloser).
For the purposes of this paper, the following definition is introduced: PP—a place in the network equipped with current and/or voltage transformers, protection, and a switch or recloser. Current transformers are assumed to be the place determining the beginning of the protection range; they should be in a full star system.

3. Purposefulness

Currently, two protections against the effects of phase-to-phase short circuits are used in MV lines (in the line bays of switchgears, but also in reclosers):
  • Time-delayed overcurrent protection I> (ANSI/IEEE Code 51), sometimes called “low-set” protection or first-stage overcurrent protection;
  • Instantaneous overcurrent protection I>> (ANSI/IEEE Code 50), sometimes called “high-set” or second-stage overcurrent protection.
The terms “low-set” and “high-set” are related to the value of the current settings of these protections. The average time settings of the first protection in the lines are of the order of 0.5–1.5 s, and in the second, within 0.05–0.3 s.
There are currently no problems with time-delayed overcurrent protection, because the selectivity in a series system is achieved by increasing the time settings towards the switchgear, usually with a resolution of 0.3 s. There may be too few time steps between the line bay in the substation and the protection points in the depth of the network. Hence, it is believed that no more than two reclosers should be installed in the line in series, although sometimes it is possible to coordinate protection even with three.
Instantaneous overcurrent protection is designed to protect the initial section of the line against the heating effect of phase-to-phase short-circuit current and to shorten voltage dips during short circuits. The aim is to cover parts of the line as large as possible—not only the initial section, which is most exposed to the thermal impact of short-circuit currents. In practice, however, these protections are also requested in reclosers deep in the network, and the reason is the need to limit the failures of components such as bridges networks, terminals, and splice. The instantaneous overcurrent criterion is also currently required at every protection point by Distribution System Operators (DSO). It sometimes happens that, due to the small distances between protection points, it is impossible to make a prediction by calculations and thus set a standard instantaneous overcurrent criterion.
Instantaneous protection should have the shortest possible tripping time, preferably within 0.1–0.2 s, and it is not possible to achieve selectivity between individual protections. It is obtained by appropriate selection of the current setting so that the range of the analyzed protection ends before the next overcurrent protection. Currently, meeting this condition is becoming more and more difficult due to the increasing saturation of the network with these protections.
The worst feature of these protections is the fact that such an important range depends on the value of short-circuit currents—and this depends on the type of short circuit (two- or three-phase) and the value of short-circuit power at the line supply point. This short-circuit power depends on, among other things, the power of the generating sources currently supplying the busbars, and is variable, especially if these are wind farms or solar farms.
Under-impedance protection does not have this disadvantage—its range is independent of the aforementioned parameters. Its introduction in line bays can enable easier coordination with recloser settings and improve operating conditions. And above all, it would allow the time setting to be shortened in order for the protection to operate. An additional argument for the introduction of under-impedance protection in the MV network is the increasingly frequent occurrence of heavily loaded lines, especially for local power plants with many types of primary energy.
The introduction of under-impedance protection may also mean obtaining certain benefits related to eliminating the effects of voltage dips. This protection is particularly important in lines using synchronous motors, adjustable electric drives, or sensitive IT equipment voltage dips, and accompanying a short circuit, it may lead to many negative effects on the operation of such devices or the stability of their operation [26,27,28,29]. Microprocessor circuits are the most sensitive to voltage dips [26,30]. These phenomena may result in interruption of control for technological processes, lack of signal transmission, or errors in their transmission. Under-impedance protection allows for the protection operation time and, thus, the duration of the voltage dip to be shortened, which can reduce or even eliminate its negative effects without the use of special devices, e.g., UPS (uninterruptible power supply). In the case of synchronous motors, voltage reduction does not always mean loss of synchronization. It can sometimes lead to the establishment of a new, stable operating point of the motor. This can be achieved by selecting a current setting that allows for higher overloads and for the excitation current to be regulated. This requires the introduction of additional mechanisms or alternative protection criteria, such as the gradation of under-impedance protection. Of course, this does not mean a reduction in the number of short circuits, but only a mitigation of their effects. It also does not affect the number or duration of the power outage, which depends only on the speed at which the power supply is restored.

4. Calculation of Short-Circuit Currents

To calculate the overcurrent protection settings, it is required to determine two short-circuit currents, i.e., the maximum and minimum short-circuit currents. The maximum short-circuit current is the value of the three-phase short-circuit current at the highest short-circuit power on the electric power system side. The minimum short-circuit current value is calculated for a two-phase short-circuit with minimum short-circuit power.
The rules for calculating these values are regulated by the standard [31], and the formulas given below result directly from it:
  • Maximum short-circuit current Ikmax
I kmax = 1.1 · U n 3 · Z kmin ,
where Zkmin—minimum short-circuit loop impedance, Un—nominal network voltage, and “1.1”—a fixed factor (as defined in standard [31]).
  • Minimum short-circuit current Ikmin
I kmin = U n 2 · Z kmax ,
where Zkmax—maximum short-circuit loop impedance.
It should be emphasized that any calculation of the short-circuit current value contains some simplifications or assumptions. For both of these values, the transfer impedance of individual elements should be prepared.
If we assume that the short-circuit power on these MV busbar is constant (with a careful analysis, such an assumption will always be a simplification) and is S k (exact marking is S k , because the short-circuit power is calculated on the basis of the sub-transient component), then there are the following dependencies:
(a)
 
S k = 3 · U n · I k 3 F ,
where U n —nominal voltage of the network, I k 3 F —three-phase short-circuit current on busbar supplying the line.
(b)
But also,
Z Q = 1.1 · U n 2 S k = 1.1 · U n 2 3 · U n · I k 3 F = 1.1 · U n 3 · I k 3 F ,
where ZQ—equivalent impedance of the power system (module).
(c)
If the short-circuit power on the busbar is constant, then the minimum short-circuit current on it results from the relationship between the two-phase short-circuit current and the coefficient in the meter equal to 1.0:
I k 2 F = U n 2 · Z Q ,
Substituting Formula (3a) into relationship (3b) gives:
I k 2 F = I kmin = 3 2.2 · I k 3 F .
On the other hand, for a more accurate assessment of the minimum short-circuit current flowing to the busbar from the side of the power system, it is worth taking into account the following facts:
(a)
The short-circuit power of the power system is not constant, particularly if we take into account the possibility of switching off one of the 110 kV lines supplying the substation (most often there are two lines) from which the MV line is powered, for which the protections and their settings are selected.
(b)
The short-circuit current at the beginning of the analyzed MV line is influenced by local sources installed in other lines or bays. When calculating the maximum short-circuit current, their power should be taken into account, while when calculating the minimum short-circuit current, it should be assumed that they are all switched off.
(c)
The sources installed in the analyzed line may or may not affect the maximum short-circuit current flowing through the protection point PP; the wiring system should be carefully analyzed. Particular attention should be paid to the sources connected between the PP.
A special situation is when MV busbar sections are powered from other switchgears. Such a situation can occur mainly in the already-rare single-transformer stations. It significantly reduces the short-circuit currents, reduce the sensitivity of the time-delay overcurrent protections, and shortens the ranges (even to zero) of the short-circuit protections.
For local power plants, the transfer impedance can be calculated using the following formula [1]:
Z k = U n 2 k LR · S r
where Zk—impedance of any local power plant, including a photovoltaic power station (PVS); Sr—rated power of the power station; and kLR—short-circuit coefficient, which determines how many times the short-circuit current of a source at a short circuit’s terminals is greater than the rated current.
The short-circuit coefficient kLR introduced here will allow us to better develop a certain problem related to obtaining the correct setting for overcurrent protection, which will guarantee the appropriate sensitivity of its operation. This problem is particularly important in the case of photovoltaic power stations (PVS), especially connected to the MV network, but also other local power plants with DC/AC converters. Table 1 provides the values of the kLR coefficient, which determines how much higher the short-circuit current at the source’s terminals during a short-circuit is than the rated current of the local power station.
According to the generally applicable requirements specified by DSOs [32,33], it is recommended to use the following values of sensitivity factors for time-delay overcurrent protection, which are taken into account in Formulas (8a) and (8b):
(1)
1.5 for basic protection;
(2)
1.2 for back-up protection.
The data quoted in Table 1 clearly show that for PVS, but also for other local power plants, it is not possible to obtain the correct overcurrent protection setting with the required value of the sensitivity factor.
It should be emphasized, however, that in such situations, the regulations allow for the use of additional protection acting on shutdown or signaling [34,35,36] for individual devices or bays.

5. Formulas Used for Line Overcurrent Protection

When selecting the current setting of the time-delay overcurrent protection (I>), the following formulas are used [2]:
I set k b · k r · I max k p · ϑ i ,
I SET k b · k r · I max k p ,
where Iset—instantaneous protection setting on the secondary side of current transformers; Iset—instantaneous protection setting on the primary side of current transformers; kb—a safety factor that can be assumed to be equal to 1.1–1.2, with values closer to 1.2; kr—self-starting coefficient of motors supplied from the protected section of the network, where, depending on the share of the motor load in the total load, the range of its values is 1–4; Imax—the current of the highest load in the protected section of the line.
If Imax is poorly understood, relationships can be used.
I set = ( 1.1 ÷ 1.2 ) · I r 2 ,
I SET = ( 1.1 ÷ 1.2 ) · I r 1 ,
in which Ir1/Ir2—rated primary/secondary current of current transformers cooperating with protection.
Protection sensitivity I > is tested according to the following formulas:
I set < I kmin k c · ϑ i ,
I SET < I kmin k c ,
where Ikmin—minimum short-circuit current at the end of the primary or backup zone of the protection operation; and kc—sensitivity factor, which should be 1.5 for basic protection and 1.2 for reserve protection.
On the other hand, the time set of the protection is selected according to the rules of grading. Average times in MPSs line bays are in the range of 0.7–1.5 s.
When selecting the current setting of the short-circuit protection (I>>), the following rules apply:
  • Selectivity condition with overcurrent protection on the next busbars or recloser:
I set k b · I kmax ϑ i ,
I SET k b · I kmax ,
where Ikmax—maximum short-circuit current on the busbar before the next overcurrent protection; and kb—safety factor. The literature recommends the range of 1.2–1.6. Currently, the most accepted value is 1.2, and at most 1.4, ϑi—for a current transformer gearbox.
  • Sensitivity condition
I set < I kmin S k c · ϑ i
I SET < I kmin S k c
in which I kmin S —minimum short-circuit current (for two-phase short circuit) at the point of installation of the protection (in the case of a linear field, on the busbars of the switchboard); kc—the sensitivity factor is within the range of 1.2–1.5, but in extreme cases, it can even be 1.1.
  • Condition resulting from the protection of line conductors against the effects of heating by short-circuit current:
I set I thdop k bth · ϑ i
I SET I thdop k bth
where kbth—safety factor for this criterion; Ithadm—admissible short-circuit current from the point of view of conductor heating.
I thdop = s · j th t k
jth—permissible current density in the line conductor in A/mm2; tk—short-circuit duration taking into account the first cycle of the reclosing (the durations of the first and second short circuit are added together); and s—conductor cross-section in mm2.
The exact values of jth and kbth, as well as the rules for calculating tk, are given in [1].
If there is no PP in the line outside the bay in the switchgears, then to achieve I>> dependencies, (9) and (10) should be used, and
I set = ( 4 8 ) · I set > ,
I SET = ( 4 8 ) · I SET > ,
where I set > selects the secondary current setting of the time-delay protection; I SET > selects the primary current setting of the time-delay protection.

6. Examples of Selection of Instantaneous Overcurrent Protection Settings

The chapter presents two examples of selecting settings for I>> protection. Examples show the main disadvantage of the protection I>>, which is the dependence of the protection range on the type of short circuit, and, more precisely, the value of short-circuit current.
Figure 2 shows an example where the correct selection of the setting is difficult, but one can still somehow escape the situation. The Lmax curve indicates the maximum range of protection; the Ikmax curve denotes the graph of the maximum short-circuit current along the line (i.e., during a three-phase short circuit and the highest short-circuit power on the busbars); and the Ikmin curve denotes the graph of the minimum short-circuit current (i.e., for a two-phase short circuit and the lowest short-circuit power). With the Iset1 setting selected according to dependence (9) for a two-phase short circuit, the protection will not trip in any situation. The setting can be reduced to Iset2, and then the protection will have good sensitivity during two-phase short circuits, but during three-phase short circuits, it may range beyond the switchboard busbars, which would be incorrect and may yield a non-selective result. It is difficult to indicate which formula or principle should be used to select the ISET2 setting. Graphical analysis indicates that even a minimal error in the short-circuit current calculations can result in non-selective activation.
Figure 3 shows a situation in which the I>> protection settings in the switching and transformer substation cannot be coordinated with the protection settings in the pole-mounted substation (or recloser).
With Iset1, which was calculated according to Formula (9), the protection will never trip. When lowered to Iset2, it can work during two-phase short circuits, but its range for three-phase circuits will extend far beyond the pole-mounted switchgear busbar. In addition, any change in the current of a two-phase short circuit (e.g., due to a different short-circuit power value on the busbar supplying the line) may result in a change in the range—even for two-phase short circuits—behind the pole-mounted substation busbar. It is also worth noting that connecting a local power station to the busbars deepens the difficulty. Power stations should not be included as a short-circuit current sources when calculating Ikmin, especially if they are wind stations. Condition (9) results in an even greater value, Ikmax, than in a system without a power station.

7. Under-Impedance Protection Parameters

The under-impedance protection has the symbol Z< and operates if the impedance phasor lies within the characteristic for the time specified by the setting. The basic assumption in shaping the characteristics of this protection was to ensure maximum transparency and simplicity in its setting and implementation.
The distance protection characteristics provided by Power System Protection Automation (PPA) manufacturers are quite complicated and require detailed knowledge of their formation. For MV lines, distance protection (under-impedance) does not need to have such complicated characteristics as those for HV lines. They are also not required to be shaped for earth faults, because these lines have specialized protection against the effects of such short circuits. Apart from that, in lines supplied from a network with an ineffectively grounded neutral point, distance protection does not operate during earth faults.
The impedance of a short-circuit loop measured in PP hardly depends on the earth–fault distance. Due to these complications, obtaining a correct breaking effect for earth faults would be complex, or even impossible. Moreover, by analyzing the characteristics of contemporary distance protections in R, jX coordinates, it can be concluded that they are quite similar, and certain common features can certainly be found within them. Taking into account the above arguments for the purposes of the article, a certain generalized form of under-impedance protection characteristics was proposed and is presented in Figure 4.
Area A and the reactance ranges are shaped by straight lines intersecting the X axis at points marking the distance protection grading zones, which is characteristic of most solutions currently found in PPA. In some cases, they can lean at a negative angle in the settings; it may also turn out to be necessary to introduce more straight lines, e.g., 6. However, area B, which varies from manufacturer to manufacturer, is shaped mainly due to the elimination of the influence of resistance, especially the arc or transition at the point of the short circuit.
Table 2 lists the parameters needed when setting the under-impedance protection and their proposed values or estimated setting ranges. The criteria parameters, in particular the number of zones, direction of operation, and reactance and resistance ranges, are ultimately selected individually by PPA manufacturers. It should be remembered that, when estimating the setting ranges for R and X, it is not possible to use the standards for distance protection for lines with voltages of 110 kV and higher, because there are completely different current and voltage transformer ratios and usually longer line lengths.
The introduction of possible zones does not result from the need for grading protection and graded time characteristics t = f(Z), as is the case with typical distance protection. In order to perform the basic function, i.e., to complement or uniquely replace the I>> protection, one zone is needed with characteristics located mainly in the first quadrant of the coordinate system R, jX, with minimal coverage of quadrants II and IV. When constructing the characteristics, the properties of the MV line are taken into account. The resistance value is close to the reactance value and the short-circuit impedance angle, which is usually not greater than 60°. Great attention is paid to a simple method of setting up the protection, which does not require much skill; thus, these calculations can be made by people who do not specialize in distance protection.
It is not planned to introduce undercuts on the characteristic curve or its skewness. The analyses do not indicate the need for such complications in the case of the MV line.

8. Setting Method

At this point, it is advised that, to determine the location of the short circuit, the reactance is primarily important because the measured resistance may include the transition resistance, and in the case of phase-to-phase short circuits, the electric arc may be mainly included. In the basic application (replacement or supplementation of protection I>>), it is proposed to use only zone 1 and the following setting:
X 1 = k z · X AB ϑ Z ,
R 1 = k RX · X 1 ,
where XAB—reactance of a line section to the next protection point (switchboard or recloser); ϑZ—impedance ratio equal to the ratio of voltage and current transformer ratios (ϑui), usually 150 for 15 kV networks and 200 for 20 kV networks; kRX—proportionality factor, the value of which should not be less than 1.2 and the recommended value for which is 2–5; and kZ—range factor, which is a factor very close to the factor of safety used in distance protection.
The method was named differently because, in MV lines, there is often no need to provide Z< protection to almost the entire AB section (i.e., to the next protection point). The shorter this section is, the higher the coefficient should be. It is proposed to take values in the range of 0.65–0.85. As a guide, the selection can be made in such a way that the shorter the line, the more of it is protected. However, there is no obstacle to using the value of 0.85 everywhere. Only exploitation will show the usefulness of differentiating this coefficient. The following values are proposed, regardless of the line type (AFL, PAS or cable):
<1 km − 0.85;
1 ÷ 2 km − 0.80;
2 ÷ 3 km − 0.75;
3 ÷ 4 km − 0.70;
>4 km − 0.65.
As stated, XAB should be taken as the line reactance to the nearest protection point. If the line branches before this protection point, but there is no recloser in it, then relationships (9) and (10) are still valid. However, if the line branches and there is a protection point in each branch, then XAB should be the smaller of the two (sometimes even three) reactance values. A more detailed analysis will need to be carried out if there is a local power plant in such a side branch, i.e., the so-called impedance measurement falsification [37,38].
Above 5 km, it will rarely be necessary to activate the under-impedance module, and protection I>> will be sufficient. However, this does not preclude the application of both criteria.
It is recommended to assume a time delay of 0.1 s, but other values in the range of 0.05 to 0.3 s are possible. When selecting this setting, there is no need to take into account time delays at protection points. When selecting this setting there is no need to take into account time delays at protection points. This provides an incredible opportunity to remove the defects of overcurrent protection, the time settings of which must be increased towards the busbars. In addition, it is possible to use zone II as a reserve protection for I>.
It is very important to follow the principle that the characteristics of the protection must be safely separated from the characteristics of the load. Therefore, the characteristics of the protection should be shaped in such a way that they are not at risk of overlapping with the characteristics of the reception.
The smallest load impedance in the 15 kV line results from the following formula:
Z OBC | min = 1.05 · U n 3 I max
where Imax—maximum line load.
If the maximum line load is not known, it may be assumed to be as follows:
Imax = 1.2∙In1
where In1—the rated current of the current transformer cooperating with the relay.
The dependency must be fulfilled:
R nast Z OBC | min k b · · ϑ z ,
in which kb—safety factor with a recommended value is 1.5; exceptionally, 1.2 can be assumed for heavily loaded lines.
In practice, the higher the value of X1, the smaller the value of kRX. This is due to the fact that the arc resistance during phase-to-phase short circuits has an approximately constant value, and the higher the line resistance, the lower its ratio to the line reactance.

9. Interaction of Overcurrent and Under-Impedance Protection

The under-impedance criterion can be activated in any MV line, but in only some of them does it provide measurable benefits for line protection. On the other hand, the impedance and time settings have no effect on the time-delay overcurrent protection. There is no need to run Z< protection if the following condition is true:
k b · I kmax   min ( I thdop k bth ; I kmin s k c )
that is, selectiveness and protection of the initial section of the line with I>> protection is easily achieved.
In critical situations, a section of the line can be exposed to overheating, and only during three-phase short circuits, by analyzing only the inequality:
k b · I kmax I kmin s k c .
Assuming the lowest possible sensitivity factor, kc = 1.2, and the lowest permissible safety factor, kb = 1.2, the condition is obtained when overcurrent short-circuit protection is sufficient.
k b · k c · I kmax I kmin s .
By changing the sides of the inequality and entering the values of the coefficients, one can obtain a condition when there is no need to activate the under-impedance term:
I kmin s 1.44 · I kmax ,
However, it is better to assume kc = 1.5, as it is for overcurrent protections, and apply the requirement
I kmin s 1.8 · I kmax
If the conditions given in (22) or (23) are not met, there are two cases:
  • When one requests to maintain the selectivity of the protection during a short circuit with a maximum current, the sensitivity is less than 1.2, and only the under-impedance protection should be activated. This is included in the following formula:
k b · · I kmax > I kmax s k c
where I kmax s —maximum short-circuit current on the line switchgear busbar.
After inserting the values of the coefficients, a condition is obtained when there is no justification for introducing short-circuit overcurrent protection:
I kmax > I kmax s 1.44
2.
When selectivity is achieved, the protection range is too small; there is no appropriate sensitivity, but at least a small part of the line is covered. Then, it is worth activating both protections. This happens if
I kmin s < 1.8   · I kmax
k b · I kmax I kmax s k c .
where kc = 1.2 and kb = 1.2.
The introduction of criterion Z< is intended to complement the I>> protection and does not affect the rules for setting the I> protection at the place of installation and in subsequent parts of the line.
The use of under-impedance protection and the selection of settings will always depend on the specific case and the layout of connections in the network. Appendix A describes an example in which calculations were carried out for the selection of settings and justification for the use of under-impedance protection.

10. Conclusions

Currently, in Poland, distance protection is not used in MV networks, but it should be emphasized that there has been no need for such protection so far. Changes in the structure of the distribution network, its saturation with automation, and its distributed generation connections force the need to update or supplement the existing protection criteria. Due to the many disadvantages of overcurrent protection, especially short-circuit I>>, and the general introduction of a circuit switch deep in the network, there is currently such a need. The following reasons can be given for the introduction of under-impedance protection into the MV network protection system:
Introducing reclosers into the network, as a result of which there is a need to achieve selectivity between short-circuit protections, and line sections between PP are shortening;
Increasing differentiation between the maximum and minimum values of short-circuit currents due to the connection of local power plants to the MV grid;
Introduction of local power plants with DC/AC converters in which the short-circuit current is only 10% higher than the rated current;
Mitigating the effects of voltage dips on main devices by complaining about the duration of the dip or alternatively adjusting the current setting.
The article proposes under-impedance protection. It detects only phase-to-phase faults, and has very uncomplicated characteristics so that it can be set by people who are not specialists in the bay. It should also be added that this protection has already been implemented in the extCZIP-PRO® series relay manufactured by Lumel S.A. [39]. This research received no external funding. The usefulness of this protection must be checked and confirmed by a longer-operating practice, but the high optimism about its properties results from the problems with obtaining selectivity via short-circuit overcurrent protection. Some formal verification methods applied to power electronics systems [40,41] could also be used to check the proposed concept. Computer simulations of various variants and models of networks, including those with local powerplants and reclosers, are also planned.
On the basis of the under-impedance criteria, further work related to the development of the algorithm is planned, providing data for the optimization of the time-delay overcurrent protection setting. The mechanism is to allow for blocking of the measurement during a short circuit, and the criterion condition will be the impedance value, especially the speed of its changes. The algorithm will be designed to detect whether the fault is a short circuit or a temporary overload and to optimize the protection performance. The authors also assume that this criterion will be applied for future needs and requirements that may only be identified in the future after full recognition of the properties of networks with larger numbers of PVSs and reclosers.

Author Contributions

Conceptualization, B.Z., B.O. and I.G.; methodology, B.Z. and B.O.; software, B.Z.; validation, B.Z., B.O. and I.G.; formal analysis, B.Z., B.O. and I.G.; investigation, B.Z.; resources, B.Z., B.O. and I.G.; data curation, B.Z.; writing—original draft preparation, B.O.; writing—review and editing, B.Z. and I.G.; visualization, B.Z. and B.O.; supervision, B.O.; funding acquisition, I.G. and B.O. All authors have read and agreed to the published version of the manuscript.

Funding

This research received no external funding.

Data Availability Statement

Data is contained within the article.

Conflicts of Interest

The authors declare no conflicts of interest.

Nomenclature

The following abbreviations are used in this manuscript:
MVmedium-voltage
LPPlocal power plants
PPprotection point
I>time-delayed overcurrent protection
I>>short-circuit overcurrent protection
DSOdistribution system operators
DGdistributed generation
PVSphotovoltaic power station
PPApower protection automatics
HVhigh voltage
LVlow voltage
ARautomatic reclosing

Appendix A

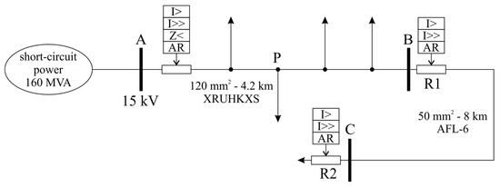
Calculation example: a low-impedance line (branched or not) without an MV/LV (medium/low voltage) station consisting of two different sections upstream of the recloser.
The case presented in Figure A1 is very typical. The recloser is installed relatively close to the switchgears, the beginning of the line is made of cable, and then the line goes into overhead. The problem of the range of the first zone of under-impedance protection has to be resolved up to 0.85 of the length of the AB section or 0.85 of the impedance of the AB section or its components. The calculations concern the selection of the overcurrent and under-impedance protection settings for the bay. A 15 kV line is supplied from busbars, where the short-circuit power from the power system side is 160 MVA. There are 300/5 A/A transformers in the line bay, and the reception parameters are unknown. The length of the line to the R1 recloser is 6.2 km, of which the first 4.2 km is made of a XRUHKXS cable with a cross-section of 120 mm2 and 2 km is made of an AFL-6 70 mm2 cable. In the line bay, there is active automatic reclosing (AR). The length of the line after the R1 recloser to the next R2 recloser is 10 km, and is also made with an AFL 70 mm2 cable. In the R1 recloser, the I> with a time of 0.7 s and the I>> with a time of 0.1 s are activated. In the R2 recloser, there are I> protections with a time of 0.5 s and I>> with a time of 0.1 s. Everywhere, there is active AR one-time automation without reductions in time delays.
Figure A1. Connection diagram for the network.
Figure A1. Connection diagram for the network.
Energies 17 00505 g0a1
Short-circuit calculations are grouped at the beginning of the example, and then they are used in the example. Markings are given on the right side of the calculations in the bracket, e.g., {3} indicates the pattern that has been used, in this case pattern (3). The calculations and selection of settings given in the example are for reference only; they contain some simplifications and can be modified depending on the specific requirements of the network. They are an example of the selection and cooperation of overcurrent and under-impedance protection in MV lines.
(a)
Short-circuit calculations
The minimum short-circuit current on the busbar A supplying the line is
I kA 3 F = 160   MVA 3 · 15   kV = 6158   A
I kA 2 F = I kAmin = 3 2.2 ·   6158   A = 4.848   A
Power system impedance:
Z Q = 1.1 · ( 15   kV ) 2 160   MVA = 1.55   Ω .
The reactance of the system is
X Q = 0.995   Z Q = 0.995 · 1.55 = 1.54   Ω .
The resistance of the system is
R Q = 0.1   Z Q = 0.1 · 1.55 = 0.15   Ω .
The reactance of the line:
X AP = 4.2   km · 0.119 Ω km = 0.50   Ω ,   X PB = 2.0   km · 0.369 Ω km = 0.738   Ω , X BC = 10   km · 0.369 Ω km = 3.69   Ω .
Minimum resistance of the line (at 20 °C):
R APmin = 4.2   km · 0.153 Ω km = 0.643   Ω , R PBmin = 2.0   km · 0.434 Ω km = 0.868   Ω , R BCmin = 10   km · 0.588   Ω km = 5.88   Ω .
Maximum resistance of the line (w temp. 90 °C):
R APmax = 4.2   km · 0.198 Ω km = 0.832   Ω , R PBmax = 1.28 · 0.868   Ω = 1.111   Ω , R BCmax = 1.28   R BCmin = 1.28 ·   5.88   Ω = 7.53   Ω .
Minimum short-circuit impedance to point P:
Z _ kQ Pmin = 0.15 + j 1.54 + 0.634 + j 0.50 = ( 0.784 + j 2.04 ) Ω , Z kQ Pmin = 2.18   Ω .  
Minimum short-circuit impedance to point B:
Z _ kQ Bmax = 0.784 + j 2.04 + 0.868 + j 0.738 = ( 1.652 + j 2.778 ) Ω Z kQ Bmin = 3.232   Ω
Maximum short-circuit impedance to point B:
Z _ kQ Bmax = 0.15 + j 1.54 + 0.832 + j 0.50 + 1.111 + j 0.738 = ( 2.09 + j 2.778 ) Ω , Z kQ Bmax = 3.476   Ω .
Maximum short-circuit impedance to C busbar:
Z _ kQ Cmax = ( 2.09 + j 2.778 + 7.53 + j 3.69 ) Ω = ( 9.62 + j 6.468 )   Ω , Z kQ Cmax = 11.59   Ω
Maximum short-circuit current at point P:
I kPmax = 1.1 U n 3 Z kQ Pmax = 1.1 · 15   000   V 3 · 2.18   Ω = 4369   A .
Minimum short-circuit current on B busbar:
I kBmin = U n 2 · Z kQ Bmax = 15   000   V 2 · 3.476   Ω = 2157   A .
Maximum short-circuit current on B busbar:
I kBmax = 1.1 U n 3 Z kQ Bmin = 1.1 · 15   000   V 3 ·   3.232   Ω = 2947   A .
Minimum short-circuit current on C busbar:
I kCmin = U n 2 · Z kQ Cmax = 15   000   V 2 · 11.59   Ω = 647   A .
(b)
Time-delay overcurrent protection:
I set = ( 1.1 ÷ 1.2 ) · 5   A = 5.5   A .
Short-circuit sensitivity check on B busbar (as basic protection with kc = 1.5):
I set < 2157   A 1.5 · 60 = 24.0   A .
Short-circuit sensitivity check on C busbar (as back-up protection with kc = 1.2):
I set < 647   A 1.2 · 60 = 8.99   A .
It is possible to accept
Iset = 5.5 A
and time
tset = 0.7 s + 0.3 s = 1.0 s,
tset = 1.0 s
(c)
Short-circuit overcurrent protection
The conditions (22) and (23) are pre-checked in the form of a quotient calculation:
I kAmin I kBmin = 4848   A 2947   A = 1.65 < 1.8 .
From the value of the above quotient, it follows that it is not possible to use selective and sufficiently sensitive short-circuit protection. It is worth using under-impedance protection. However, the quotient is not much smaller than 1.8, and it can be expected that part of the line will be covered by I>>.
To provide the details of this selection, the following calculations will be performed:
For the XRUHKXS cable,
I set 12   643   A 1.15 · 60 = 183   A
because
I thdop = 120 · 149 2 · 1.0 = 12643   A
(“2” in the denominator is inserted in connection with the active automation of AR).
In a situation where the AB line consists of two differently made sections, it is necessary to check the relationship (11b) for the AFL-6 70 mm2 cable as well.
I set . 4207   A 1.15 · 60 = 60.9   A ,
because
I thdop = 70 · 85 2 · 1.0 = 4207   A .
Sensitivity condition:
I set < 4848   A 1.5 · 60 = 53.8   A .
There are protections in the line at station B, so the following should be assumed:
I set 1.4 · 2947   A 60 = 68.7   A .
The conditions {9b} and {10b} are contradictory, i.e., it is not possible to select the setting correctly. The coefficient kb can be decreased in relation to {9b} to a value of 1.2.
Additional analysis under certain conditions reveals almost borderline values:
For Formula (9b), a factor of 1.2 is assumed, so:
I set 1.2 · 2947   A 60 = 58.9   A ,
Formula (10b) remains unchanged, so it further expresses the condition
I set . < 53.8   A .
The terms {9b} and {10b} are further contradictory.
It seems that the security is not worth running because the conditions of its operation are very bad. It is left to the DSO’s decision whether to activate the protection with a setting of 53 A; it can be effective in the initial section of a very short line. There is a risk that, during three-phase short circuits, just behind the B busbar, a non-selective shutdown may occur at station A.
(d)
Under-impedance protection
In such a situation, it is recommended to use at least one Z< protection zone in such a way that it covers a sufficiently large part of section AB within a very short time. The end of section AB is covered by the protection of I> at station A. One can also activate the second protection zone I> with a time Δt longer than the longest duration of the outflow from the B busbar (in the case of a recloser–with a time Δt longer than the protection I> in the recloser). It is possible not to run I> at all in station A; however, it requires the Transmission Network Operation and Operation Manual [33,36]. When using distance protection in high-voltage lines, overcurrent criteria are very often treated as a fallback.
The range of Zone I should end before the B busbar, and the range of Zone II should extend beyond the C busbar.
A certain dilemma arises concerning whether the coefficient of 0.85 for segment AB should be used for the length of the line or the impedance of one of its components. For a heterogeneous line, this is not entirely obvious. It seems that, since the source of this value is mainly faults in the protection and transformers affecting the impedance measurement, not the length, the impedance or its components should be selected.
The impedance gear is
ϑ Z = ϑ U ϑ I = 15000   V 100   V 300   A 5 A = 2.5
Z OBC | min = 1.05 · 15000   V 3 · 360   A = 24.0   Ω ,
having accepted that
I max = 1.2 · 300   A = 360   A .
If accurate data are available, a more accurate value of the load current can be inserted into Formula {16}.
For each zone, the dependency must be met:
R nast 24.0   Ω 1.5 · 2.5 = 6.4   Ω .
Zone I of the protection may cover 85% (reactance) of the AB segment. At that time,
X 1 = 0.85 · 1.238   Ω 2.5 = 0.42   Ω .
The set resistance of zone I can be
R 1 = 5 · 0.421   Ω   = 2.11   Ω ,
which is consistent with dependency {18}.
Zone I time can be assumed to be equal to 0.1 s.
The second zone can also be used to reach the end of the line if its duration is longer than that of securing I> in reclosers R1 (0.7 s) and R2 (0.5 s). Here, it is noted that it is sufficient to examine this condition only in relation to collateral I> in the nearest recloser (here, R1). The protection times I> become shorter and shorter while moving away from the busbar supplying the line.
The reactance setting for zone II, therefore, is:
X 2 = ( 1.238 + 1.15 · 3.69 ) Ω 2.5 = 2.19   Ω
and the Z< protection reaches behind the C busbar with 15% of the reactance of the BC section. The resistance of the second zone R2, according to (15), is:
R 2 = 5 · 2.19   Ω = 11.0   Ω ,
but this contradicts the dependency {18}. It is, therefore, necessary to adopt
R 2 = 6.4   Ω .
The time of zone II should be adopted in such a way that the under-impedance protection installed in substation A does not trip before the protections installed in substation B, i.e., Δt must be greater than the protection time I>, so
t2= 0.7 s + 0.3 s,
t2 = 1.0 s.
The characteristics of the under-impedance protection are shown in Figure A2. For the purpose of its preparation, the resistances and reactances of individual line sections are converted to the secondary side of the current and voltage transformers.
Figure A2. Characteristics of under-impedance protection for the case of the network. 1—Characteristics of the line at temperature 20 °C; 2—characteristics of the line at temperature 90 °C.
Figure A2. Characteristics of under-impedance protection for the case of the network. 1—Characteristics of the line at temperature 20 °C; 2—characteristics of the line at temperature 90 °C.
Energies 17 00505 g0a2

References

  1. Hoppel, W. Medium Voltage Networks. Protection Automation and Protection against Electric Shocks; Polish Scientific Publishers: Warsaw, Poland, 2017. (In Polish) [Google Scholar]
  2. Żydanowicz, J. Power Protection Automatics; Scientific and Technical Publishing House: Warsaw, Poland, 1987. (In Polish) [Google Scholar]
  3. Ziegler, G. Numerical Distance Protection: Principles and Applications; Siemens AG: Berlin/Munich, Germany, 1999. [Google Scholar]
  4. Shahzad, U. Distance Protection Scheme For a Medium Voltage Power Distribution System. J. Electr. Eng. Electron. Control. Comput. Sci. JEEECCS 2023, 9, 11–22. [Google Scholar]
  5. Sinclair, A.; Finney, D.; Martin, D.; Sharma, P. Distance Protection in Distribution Systems: How It Assists with Integrating Distributed Resources. In Proceedings of the IEEE 65th Annual Conference for Protective Relay Engineers, College Station, TX, USA, 2–5 April 2012; pp. 166–177. [Google Scholar]
  6. Jin, M.; Sidhu, T.S. Adaptive load encroachment prevention scheme for distance protection. Electr. Power Syst. Res. 2008, 78, 1693–1700. [Google Scholar] [CrossRef]
  7. Fedorchenko, I.; Oliinyk, A.; Alsayaydeh, J.A.J.; Kharchenko, A.; Stepanenko, A.; Shkarupylo, V. Modified genetic algorithm to determine the location of the distribution power supply networks in the city. ARPN J. Eng. Appl. Sci. 2020, 15, 2850–2867. [Google Scholar]
  8. Høidalen, H.K.; Marvik, J.; Pandakov, K. Implementation of Distance Relaying in Distribution Network with Distributed Generation. In Proceedings of the 13th International Conference on Development in Power System Protection, Edinburgh, UK, 7–10 March 2016. [Google Scholar]
  9. Lal, C.; Sarangi, S.; Mohanty, S.R.; Singh, A.K. ANN Based Adaptive Mho Distance Protection in Distribution Network with Distributed Generations. In Proceedings of the IEEE 7th Uttar Pradesh Section International Conference on Electrical, Electronics and Computer Engineering (UPCON), Prayagraj, India, 27–29 November 2020; pp. 1–6. [Google Scholar]
  10. Pandakov, K.; Høidalen, H. Distance protection with fault impedance compensation for distribution network with DG. In Proceedings of the IEEE PES Innovative Smart Grid Technologies Conference Europe (ISGT-Europe), Turin, Italy, 26–29 September 2017. [Google Scholar]
  11. Song, G.; Tang, J.; Wang, C. Protection performance of traditional distance relays under wind power integration. In Proceedings of the 13th International Conference on Development in Power System Protection 2016 (DPSP), Edinburgh, UK, 7 March 2015–10 March 2016. [Google Scholar]
  12. Hoppel, W.; Sieluk, W.; Zięba, B. Protection automation for photovoltaic power plants. Electrotech. News 2020, 88, 34–40. (In Polish) [Google Scholar]
  13. Zheng, D.; Zhang, W.; Netsanet, S.A.; Wang, P.; Bitew, G.T.; Wei, D.; Yue, J. Chapter 6—Protection of Microgrids, Microgrid Protection and Control; Academic Press: Cambridge, MA, USA, 2021; pp. 121–168. ISBN 9780128211892. [Google Scholar]
  14. Kundur, P.S.; Malik, O.P. Chapter Preliminaries. In Chap. 7.0 in Power System Stability and Control, 2nd ed.; McGraw Hill: New York, NY, USA, 2022. [Google Scholar]
  15. Power Swing and Out-of-Step Considerations on Transmission Lines—A Report to the Power System Relaying Committee of the IEEE Power Engineering Society, 2005-07-19. Available online: https://www.ewh.ieee.org/r6/san_francisco/pes/pes_pdf/OutOfStep/PowerSwingOOS.pdf (accessed on 29 November 2023).
  16. Fischer, N.; Benmouyal, G.; Hou, D.; Tziouvaras, D.; Byrne-Finley, J.; Smyth, B. Tutorial on Power Swing Blocking and Out-of-Step Tripping. Presented at the 39th Annual Western Protective Relay Conference Spokane, Washington, DC, USA, 16–18 October 2012. [Google Scholar]
  17. Celli, G.; Ghiani, E.; Pilo, F.; Giuseppe Soma, G. Reliability assessment in smart distribution networks. Electr. Power Syst. Res. 2013, 104, 164–175. [Google Scholar] [CrossRef]
  18. Mora-Florez, J.; Barrera-Nunez, V.; Carrillo-Caicedo, G. Fault Location in Power Distribution Systems Using a Learning Algorithm for Multivariable Data Analysis. IEEE Trans. Power Deliv. 2007, 22, 1715–1721. [Google Scholar] [CrossRef]
  19. Givelberg, M.; Lysenko, E.; Zelichonok, R. Zero sequence directional earth-fault protection with improved characteristics for compensated distribution networks. Electr. Power Syst. Res. 1999, 52, 217–222. [Google Scholar] [CrossRef]
  20. Mirshekali, H.; Dashti, R.; Handrup, K.; Shaker, H.R. Real Fault Location in a Distribution Network Using Smart Feeder Meter Data. Energies 2021, 14, 3242. [Google Scholar] [CrossRef]
  21. Tsimtsios, A.M.; Nikolaidis, V.C. Setting zero-sequence compensation factor in distance relays protecting distribution systems. IEEE Trans. Power Deliv. 2018, 33, 1236–1246. [Google Scholar] [CrossRef]
  22. Olejnik, B.; Zięba, B. Improving the Efficiency of Earth Fault Detection by Fault Current Passage Indicators in Medium-Voltage Compensated Overhead Networks. Energies 2022, 15, 9007. [Google Scholar] [CrossRef]
  23. Razavi, F.; Abyaneh, H.A.; Al-Dabbagh, M.; Mohammadi, R.; Torkaman, H. A new comprehensive genetic algorithm method for optimal overcurrent relays coordination. Electr. Power Syst. Res. 2008, 78, 713–720. [Google Scholar] [CrossRef]
  24. Samadi, A.; Chabanloo, R.M. Adaptive coordination of overcurrent relays in active distribution networks based on independent change of relays’ setting groups. Int. J. Electr. Power Energy Syst. 2020, 120, 106026. [Google Scholar] [CrossRef]
  25. Andruszkiewicz, J.; Lorenc, J.; Staszak, B.; Weychan, A.; Zięba, B. Overcurrent protection against multi-phase faults in MV networks based on negative and zero sequence criteria. Int. J. Electr. Power Energy Syst. 2022, 134, 107449. [Google Scholar] [CrossRef]
  26. Elsadd, M.A.; Zobaa, A.F.; Khattab, H.A.; Abd El Aziz, A.M.; Fetouh, T. Communicationless Overcurrent Relays Coordination for Active Distribution Network Considering Fault Repairing Periods. Energies 2023, 16, 7862. [Google Scholar] [CrossRef]
  27. Hanzelka, Z. Voltage dips and short power outages. Autom. Electr. Interf. 2010, 1, 55–70. [Google Scholar]
  28. Perera, S.; Elphick, S. Chapter 1—Introduction to power quality in modern power systems. In Applied Power Quality; Elsevier: Amsterdam, The Netherlands, 2023; pp. 1–17. [Google Scholar]
  29. Dugan, R.C.; McGranaghan, M.F.; Santoso, S.; Beaty, H.W. Electrical Power Systems Quality; McGraw-Hill: New York, NY, USA, 2002. [Google Scholar]
  30. Rzepka, P.; Siwy, E.; Szablicki, M.; Witek, B. Impact of the voltage dips caused by faults in distribution network on the industrial loads operation. Electrotech. Rev. 2014, 90, 139–143. [Google Scholar] [CrossRef]
  31. Alves de Oliveira, R.; Petry Ferraz, B.; Agustini, R.; Ferraz, R.; Chouhy Leborgne, R. Chapter 8—Voltage dips caused by faults in a transmission system: A monitoring case study of a sensitive industrial consumer. In Power Quality in Modern Power Systems; Academic Press: Cambridge, MA, USA, 2021; pp. 219–244. ISBN 9780128233467. [Google Scholar]
  32. EN 50549-2:2019/AC:2019-03; Requirements for Generating Plants to Be Connected in Parallel with Distribution Networks—Part 2: Connection to a MV Distribution Network—Generating Plants up to and Including Type B. European Committee for Standardization: Brussels, Belgium, 2019.
  33. Transmission Network Operation and Operation Manual, Polish Power Grids, version of 01.01.2012; Polish Power Grids: Warsaw, Poland, 2012. (In Polish)
  34. Polish Law: Decree of Minister of Economy’s “On the Detailed Conditions for the Operation of the Power System”. Journal of Laws 2007, No. 93, item 623S, Poland. (In Polish)
  35. Polish Law: Connection Decree of Minister of Economy “On detailed conditions for connecting entities to power grids, traffic and operation of these networks”. Journal of Laws 2005, No. 2.6, Poland. (In Polish)
  36. PN-EN 50160:2002; Voltage Characteristics in Public Distribution Systems. European Committee for Standardization: Brussels, Belgium, 2002.
  37. Gallego, C.; Urresty, J.; Gers, J. Analysis of phenomena, that affect the distance protection. In Proceedings of the 2008 IEEE/PES Transmission and Distribution Conference and Exposition: Latin America, Bogota, Colombia, 13–15 August 2008; pp. 1–6. [Google Scholar] [CrossRef]
  38. Jongepier, A.G.; van der Sluis, L. Adaptive distance protection of a double-circuit line. IEEE Trans. Power Deliv. 1994, 9, 1289–1297. [Google Scholar] [CrossRef]
  39. Zięba, B.; Sieluk, W.; Hoppel, W. CZIP-PV PRO—Integrated protection and control relay from Lumel S.A. Electrotech. News 2021, 89, 18–20. (In Polish) [Google Scholar]
  40. Szcześniak, P.; Grobelna, I.; Novak, M.; Nyman, U. Overview of Control Algorithm Verification Methods in Power Electronics Systems. Energies 2021, 14, 4360. [Google Scholar] [CrossRef]
  41. Shkarupylo, V.V.; Blinov, I.V.; Chemeris, A.A.; Dusheba, V.V.; Alsayaydeh, J.A.J. On Applicability of Model Checking Technique in Power Systems and Electric Power Industry. In Studies in Systems, Decision and Control; Springer: Cham, Switzerland, 2021; Volume 399, pp. 3–21. [Google Scholar]
Figure 1. Typical time characteristics of distance protection.
Figure 1. Typical time characteristics of distance protection.
Energies 17 00505 g001
Figure 2. Selection of protection setting I>> for 2 km line-made AFL-670 mm2 conductor.
Figure 2. Selection of protection setting I>> for 2 km line-made AFL-670 mm2 conductor.
Energies 17 00505 g002
Figure 3. Selection of protection setting I>> for a 2 km line-made AFL240 mm2 conductor.
Figure 3. Selection of protection setting I>> for a 2 km line-made AFL240 mm2 conductor.
Energies 17 00505 g003
Figure 4. Characteristics of under-impedance protection.
Figure 4. Characteristics of under-impedance protection.
Energies 17 00505 g004
Table 1. Assumed short-circuit current multiplicity relative to source rated current in case of no available data.
Table 1. Assumed short-circuit current multiplicity relative to source rated current in case of no available data.
No.Type of Generating SourcekLR
1.Biogas or biomass power plant in a block transformer8.0
2.Biogas or biomass power plant connected directly to the MV network12.0
3.Photovoltaic power plant1–1.1
4.Hydroelectric power plant (synchronous generator)6.0
5.Hydroelectric power station (asynchronous generator)7.5
6.Wind farm (synchronous generator working with the network through a converter)1.3
7.Wind farm (asynchronous generator powered on both sides)3–5
Table 2. Summary of required under-impedance protection settings.
Table 2. Summary of required under-impedance protection settings.
ParameterValue
Starting module current setting0.1–100 A (default 5 A)
Zone numbers1 (optional 2 or 3)
Characteristic typefront (optional back or non-directional)
α and β anglesconstant value
Resistance: R1, R2, R30.01–40 Ω
Reactance: X1, X2, X30.01–8 Ω
Time: t1, t2, t30.05–6 s
Disclaimer/Publisher’s Note: The statements, opinions and data contained in all publications are solely those of the individual author(s) and contributor(s) and not of MDPI and/or the editor(s). MDPI and/or the editor(s) disclaim responsibility for any injury to people or property resulting from any ideas, methods, instructions or products referred to in the content.

Share and Cite

MDPI and ACS Style

Zięba, B.; Olejnik, B.; Grobelna, I. Application of Under-Impedance Criterion to Protect against Effects of Phase-to-Phase Short Circuits in Medium-Voltage Networks. Energies 2024, 17, 505. https://doi.org/10.3390/en17020505

AMA Style

Zięba B, Olejnik B, Grobelna I. Application of Under-Impedance Criterion to Protect against Effects of Phase-to-Phase Short Circuits in Medium-Voltage Networks. Energies. 2024; 17(2):505. https://doi.org/10.3390/en17020505

Chicago/Turabian Style

Zięba, Beata, Bartosz Olejnik, and Iwona Grobelna. 2024. "Application of Under-Impedance Criterion to Protect against Effects of Phase-to-Phase Short Circuits in Medium-Voltage Networks" Energies 17, no. 2: 505. https://doi.org/10.3390/en17020505

APA Style

Zięba, B., Olejnik, B., & Grobelna, I. (2024). Application of Under-Impedance Criterion to Protect against Effects of Phase-to-Phase Short Circuits in Medium-Voltage Networks. Energies, 17(2), 505. https://doi.org/10.3390/en17020505

Note that from the first issue of 2016, this journal uses article numbers instead of page numbers. See further details here.

Article Metrics

Back to TopTop