Next Article in Journal
Advanced Fuel Based on Semi-Coke and Cedarwood: Kinetic Characteristics and Synergetic Effects
Next Article in Special Issue
TestShark: A Passive Conformance Testing System for ISO 15118 Using Wireshark
Previous Article in Journal
Decentralized Goal-Function-Based Microgrid Primary Control with Voltage Harmonics Compensation
 
 
Font Type:
Arial Georgia Verdana
Font Size:
Aa Aa Aa
Line Spacing:
Column Width:
Background:
Article

Model-Based Angular Position Sensorless Drives of Main Electric Oil Pumps for e-Axles in HEV and BEV

by
Chinchul Choi
1,* and
Jongbeom Kim
2
1
Department of Control and Instrumentation Engineering, Changwon National University, Changwon 51140, Republic of Korea
2
R&D Center, Myunghwa Ind. Co., Ltd., Seoul 08505, Republic of Korea
*
Author to whom correspondence should be addressed.
Energies 2024, 17(19), 4962; https://doi.org/10.3390/en17194962
Submission received: 22 July 2024 / Revised: 16 September 2024 / Accepted: 2 October 2024 / Published: 4 October 2024
(This article belongs to the Special Issue Electric Waves to Future Mobility)

Abstract

This paper describes an approach in improving the performance of the position sensorless control of electric oil pumps with a permanent magnet synchronous motor. Electric oil pumps are widely applied for the lubricating and cooling of e-Axles in HEV and BEV which operate from −40 to 130 °C. The accuracy of the estimation obtained from the sensorless control based on the motor model depends on the accuracy of motor parameters and input values. At a lower speed and lower temperature region, the parameter variation and input measurement errors have gained greater influence over the accuracy of the estimation. This paper describes how to overcome this weakness of the sensorless drive via applying a robust position estimator with electrical parameter adaptation and compensation of a phase voltage measurement error. Experimental results with various types of pumps show the effectiveness of the proposed method.

1. Introduction

In order to improve fuel efficiency, electric oil pumps are substituted for mechanical oil pumps as shown in Figure 1a.
For high performance drives of electric oil pumps, an angular position sensor is necessary. To reduce component cost and size, sensorless methods with a model-based position estimator are introduced to remove the position sensor. The model-based methods are widely used in AC motor drives, which mainly include an extended electromotive force (EEMF) observer, sliding mode observer (SMO) [1], model reference adaptive systems (MRAS) [2], and an extended Kalman filter (EKF) [3]. These methods are developed on the basis of the mathematical model of AC motors, and the back EMF plays a significant role in the estimation process.
The sliding mode observer (SMO) provides robust performances but causes chattering due to the discontinuity of control. To reduce chattering, several studies are introduced, but complexity and execution load could be increased [4].
In the model reference adaptive system (MRAS), the position observation is based on the accuracy of the reference model, and the accuracy of the parameters of the reference model itself directly affect the effectiveness of the identification [5].
The extended Kalman filter (EKF)-based methods compute the observer gain matrix in each controlling cycle to balance trust between model and sensor accuracy. Therefore, good robustness and anti-disturbance ability can be achieved. However, the high computational cost and difficulty in designing the covariance matrices cannot be ignored in the real implementation [3]. To overcome the implementation complexity, simplified and reduced order-EKF are introduced [6,7].
The extended EMF (EEMF) observers are widely adopted in pump and fan applications for automotives because of the simplicity of their implementation. Major microcontroller banders for automotive provide the sensorless control software based on the extended EMF observer as a reference design [8,9,10]. For the EEMF model, its magnitude varies with the motor speed. At low-speed conditions, its magnitude is very difficult to accurately extract due to the small signal-to-noise ratio (SNR).
Electric oil pumps for e-Axle operate in a very wide oil temperature range from −40 to 130 °C [11]. As shown in Figure 1b, below subzero temperature oil viscosity increases exponentially [12]. At a lower limit temperature, higher torque is required, more than 5~6 times greater than nominal torque, and pumps should operate with very low speed to avoid excessive pressure of transmission. The low speed and high torque requirements are main obstacles when applying sensorless drive to electric oil pump for e-Axle [13].
Back electromotive force is a component proportional to speed, and the smaller the size is at low speeds, the greater the impact of the phase voltage error or the phase resistance and inductance errors of the motor in the estimation of back electromotive force [14]. The phase resistance of the motor changes due to changes in coil temperature, and the inductance changes due to magnetic saturation when high current is applied [15,16].
In this paper, the adaptive parameters and phase voltage compensation method are applied to the EEMF-based sensorless drives in order to improve low temperature and low speed performance of electric oil pumps.
In the case of phase voltage, it is generally used for the reference value of the controller rather than measuring it directly. However, due to non-ideal switching characteristics such as the dead time of the PWM (Pulse Width Modulation) inverter, a difference occurs between the reference value of the controller and the actual phase voltage, and this difference plays a large role in the low-speed section where the reference of phase voltage value is small [17,18,19].
In order to measure phase voltage to reduce rotor position estimation error in the low-speed section, it is necessary to apply a low-pass filter (LPF) to remove the PWM switching component and select an appropriate cut-off frequency. This is because a cut-off frequency that is too high makes it difficult to remove the switching noise component, and a cut-off frequency that is too low causes gain attenuation and phase delay of the fundamental wave component.
Techniques for compensating for gain attenuation and phase delay when measuring phase current of an electric system and their application examples were introduced [20]. The compensation method of their attenuation and delay was implemented via simple arithmetic operations based on the orthogonal property of the measured voltages in the two-axis stationary reference frame. In this paper, the compensation method is applied to sensorless drives of an electric oil pump for automotive transmissions which require very low-speed drives of pumps at a subzero oil temperature. Experimental results show improvements of the low-speed drive performance for an automotive electric oil pump with an electric power of 12 V 200 W.
There have been several studies on the variable application of motor parameters of the position estimator to secure sensorless low-speed performance, which is indicated via several well-known techniques like the Recursive Least Squares (RLS) and the Extended Kalman filter (EKF) methods [21]. Among these, RLS method is perhaps the most widely adopted as a simple solution to implement [22]. In consideration of the very tight margin of computation loads in a microcontroller for automotive mass-production applications, simplicity is the first criteria for implementation.
Representative methods include phase resistance and inductance estimation techniques based on recursive least squares and techniques for estimating phase resistance via applying additional DC and AC components to the d-axis current [23,24].
The method of applying direct current and low frequency to the d-axis current allows relatively accurate phase resistance estimation, but it has disadvantages in automotive system applications because it causes a decrease in efficiency and noise generation due to unnecessary application of current. A technique to simultaneously estimate phase resistance and inductance using the recursive least square (RLS) has been introduced, but it requires complex parameter matrix calculations, making it difficult to implement in low-cost microcontrollers. In order to change the parameters of the extended back electromotive force-based position estimator, a method of estimating phase resistance via the RLS and using experimentally measured offline inductance values was introduced in a previous study [25]. In the existing study, phase resistance estimation via the RLS was conducted under the assumption that the flux linkage was constant. However, the flux linkage changes depending on the temperature of the permanent magnet, and in electric oil pumps for transmissions that require high current operation at extremely low temperatures of −40 degrees, the effect of changes in flux linkage cannot be ignored.
This paper proposes a more accurate estimation method via applying the RLS-based phase resistance estimation technique that considers the change in flux linkage obtained from extended back electromotive force estimation. In addition, in order to overcome the constraints of the experimental inductance measurement method in load situations of more than five times the rating required at cryogenic temperatures, this paper proposes the use of inductance calculation values through finite element analysis techniques. The results of improving low-speed driving performance are experimentally presented by applying the proposed method to a 270 V 1 kW electric oil pump for an e-Axle of HEV.
Figure 1. (a) Electric oil pump of e-Axles for HEV and BEV (Hyundai Motor Company, Seoul, Republic of Korea) and (b) kinematic viscosity of ATF (Automatic Transmission Fluid) oil according to temperature (GM DEXRON-VI, General Motors Company, Detroit, MI, USA).
Figure 1. (a) Electric oil pump of e-Axles for HEV and BEV (Hyundai Motor Company, Seoul, Republic of Korea) and (b) kinematic viscosity of ATF (Automatic Transmission Fluid) oil according to temperature (GM DEXRON-VI, General Motors Company, Detroit, MI, USA).
Energies 17 04962 g001

2. Sensorless Drives

Figure 2 shows a block diagram for the sensorless operation of a permanent magnet synchronous motor. The measured values of the phase voltage and phase current of three phases (abc) can be converted to a two-phase synchronous coordinate system (γδ or dq) and controlled like the direct current component. At this time, the q-axis current was responsible for generating torque, and the d-axis current was responsible for generating magnetic flux. Generally, for maximum torque control, the d-axis current was controlled to maintain zero.
The cascaded speed and current controller based on PI (proportional-integral) controllers produce dq-voltage commands. The dq voltage command was inversely converted to three phase(abc) voltage commands of a three-phase inverter for control. For this conversion, rotor position information is required. A technique to obtain position and speed information by receiving voltage and current input instead of a sensor and using a back electromotive force-based position estimator is widely applied.
The voltage equation model expressed in the dq-axis synchronous coordinate system of a permanent magnet synchronous motor is shown in Equation (1).
v d v q = R + p L d ω L q ω L d R + p L q i d i q + 0 ω λ m
In order to express the determinant as a symmetric matrix, the extended back electromotive force is expressed in the estimated γδ-axis synchronous coordinate system as Equations (2) and (3). Equation (4) represents the expanded back electromotive force [3].
Figure 2. (a) Block diagram for sensorless drives and (b) definition of axes.
Figure 2. (a) Block diagram for sensorless drives and (b) definition of axes.
Energies 17 04962 g002
Figure 2b represents the estimated γδ-axis synchronous coordinate system delayed by the position estimation error compared to the actual dq-axis synchronous coordinate system, and the position estimation error is calculated as shown in Equation (5). The position and velocity are estimated by applying a proportional integral filter to converge this error to zero.
The extended EMF observer is widely used for sensorless drives [3]. The accuracy of the estimation obtained from the sensorless control based on the motor model depends on the accuracy of motor parameters and input values as shown in Equations (2)–(5).
v γ v δ = R + p L d ω L q ω L q R + p L d i γ i δ + e γ e δ
e γ e δ = E e x sin θ e cos θ e + ω ^ ω L d i δ i γ
E e x = ω L d L q i d + λ m L d L q p i q
θ ^ e = tan 1 e ^ γ / e ^ δ

3. Compensation of Phase Voltage Measurement Errors

3.1. Phase Voltage Measurements

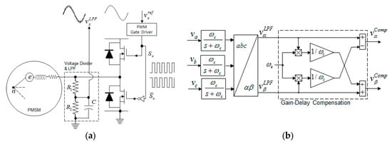
Measured phase voltages are used as inputs of the position estimator instead of the reference voltages in order to reduce the position estimation errors that have increased at a lower speed. In order to remove the high-frequency switching components of a pulse width modulation (PWM) inverter, a low-pass filter (LPF) with a proper cut-off frequency is indispensable; however, the LPF causes gain attenuation and phase delay as shown in Figure 1a. The voltage distribution circuit lowers the high voltage to a level that can be measured using a microprocessor (3.3~5 V) and requires the application of a low-pass filter to remove the PWM high-frequency switching component of 10~20 kHz; an appropriate cut-off frequency, ωc, must also be selected. This is because a cut-off frequency that is too high makes it difficult to remove the switching noise component, and a cut-off frequency that is too low causes gain attenuation and phase delay of the fundamental wave component.
Equation (6) is the cut-off frequency of the voltage distribution circuit and RC low-pass filter, and ωe is the fundamental frequency of the phase voltage input. The gain attenuation and phase delay are shown as Equations (8) and (9) [5,6].
ω c = 1 R 1 × R 2 R 1 + R 2 C
G L ( s ) = ω c s + ω c
M e = G L ( j ω e ) = ω c ω e 2 + ω c 2
ϕ e = G L ( j ω e ) = tan 1 ω e ω c

3.2. Gain Attenuation and Phase Delay Compensation

The compensation method of their attenuation and delay was implemented via simple arithmetic operations based on the orthogonal property of the measured voltages in the two-axis stationary reference frame as shown in Equation (11).
v α β C o m p = 1 M e e j ϕ e v α β L P F
v α C o m p v β C o m p = ω e 2 + ω c 2 ω c cos ϕ e sin ϕ e sin ϕ e cos ϕ e v α L P F v β L P F
where cos ϕ e = ω c ω e 2 + ω c 2 , sin ϕ e = ω e ω e 2 + ω c 2 .
Using the orthogonality of the axis-fixed coordinate system, it can be rearranged into an operation equation as shown in Equation (12). As shown in Figure 3b, it can be implemented with a simple operation of one addition and two multiplications for each axis component.
v α C o m p = v α L P F ω e ω c v β L P F v α C o m p = v β L P F + ω e ω c v α L P F

3.3. Experimental Results for Compensation

Figure 4 shows the measured phase voltage and the compensated phase voltage compared with the reference value according to the blocking frequency setting. If a cut-off frequency of 3 kHz is selected to remove the switching frequency component of 20 kHz as shown in Figure 4a, it is difficult to remove noise components. When the gain of the position estimator is increased, it becomes sensitive to these noise components, which becomes a limiting factor in setting a high gain for fast response. In order to avoid these limitations and more accurately remove noise components, if the cut-off frequency is lowered to 300 Hz as shown in Figure 4b, the noise component can be removed, but it will have gain attenuation and phase delay, as confirmed in Equations (8) and (9).
Figure 4c shows the phase voltage compensated for the proposed gain attenuation phase delay. It can be seen that noise components can be removed without gain attenuation and phase delay.
Figure 4. Comparison between reference voltage and (a) measured voltage by LPF with 3.0 kHz cut-off frequency, (b) measured voltage by LPF with 0.3 kHz cut-off frequency, and (c) compensated voltage.
Figure 4. Comparison between reference voltage and (a) measured voltage by LPF with 3.0 kHz cut-off frequency, (b) measured voltage by LPF with 0.3 kHz cut-off frequency, and (c) compensated voltage.
Energies 17 04962 g004
If the cut-off frequency is further lowered and becomes lower than the fundamental frequency of motor rotation, it may cause distortion of the actual signal and estimation errors in transient states. Therefore, the blocking frequency must be selected above the fundamental frequency at the maximum speed of the motor. The cut-off frequency (300 Hz) was selected considering the fundamental frequency (240 Hz) according to the maximum speed (3500 rpm) of the 8-pole motor of the electric oil pump used in this paper. The electric oil pump was composed of a 12 V 200 W class 8-pole PMSM and an electronic control unit all in one, and the rated speed was 3500 rpm.
Figure 5a,b show the results of comparing the rotor position estimation errors at 500 rpm and 200 rpm, respectively. As shown in Figure 5a, at 500 rpm there was a difference between the phase voltage measurement value and the phase voltage reference value. Despite these differences, there was no significant difference in the position estimation errors between using the reference value and using phase voltage measurements. However, as shown in Figure 5b, if the speed was lowered to 200 rpm, not only would the difference between the reference voltage and measured voltage have increased, but the estimation error also would have become greater when using reference voltage. When estimating the position using the compensated measured phase voltage, it was significantly reduced compared with using the phase voltage reference.
Figure 6 shows the results of measuring the actual speed when changing the speed command in steps of 500, 300, 200, and 150 rpm. Figure 6a is the result of using the voltage reference value for position estimation, and Figure 6b is the result of using the value of applying the proposed compensation technique to measured voltage value. All other settings of the controller are the same in both test results. When using the phase voltage reference, an overshoot occurred at the 500 rpm step command, the speed ripple increased below 200 rpm, and at 150 rpm the controller continued to be retried, no longer keeping speed control as shown in Figure 6a. In contrast, it was confirmed that driving performance could be stably improved up to 150 rpm when compensated phase voltage measurements were used, as shown in Figure 6b.

4. Adaptive Electrical Parameters

4.1. RLS-Based Phase Resistance Estimation

The general RLS technique for parameter estimation is introduced in Equations (13) to (15) and is widely applied [25]. Here, Y is the output, Θ is the parameter vector, Z is the input vector, and P is the covariance vector. λ is a forgetting factor and has a value less than 1 and generally has a value of 0.96 to 0.98.
Y ( k ) = Θ T ( k ) Z ( k )
Θ ^ ( k ) = Θ ^ ( k 1 ) + P ( k 1 ) Z ( k ) λ + Z T ( k ) P ( k 1 ) Z ( k ) × Y ( k ) Z T ( k ) Θ ^ ( k 1 )
P ( k ) = 1 λ P ( k 1 ) P ( k 1 ) Z ( k ) Z T ( k ) P ( k 1 ) λ + Z T ( k ) P ( k 1 ) Z ( k )
To apply this RLS technique, Equation (1) can be expressed as a steady state ignoring the differential term as shown in Equation (16). Additionally, considering d-axis current 0 control, the input and output for phase resistance parameter estimation can be simply defined by excluding the effect of inductance as shown in Equation (17).
v d v q = R ω L q ω L d R i d i q + 0 ω λ m
Y ( k ) = v q ( k 1 ) L d ω ( k 1 ) i d ( k 1 ) λ m ω ( k 1 ) Z ( k ) = i q ( k 1 ) Θ ( k ) = R
Although the influence of inductance is excluded, flux linkage information is required for output calculation. Since the magnetic flux linkage is also a value that changes depending on the permanent magnet temperature, it must be applied variably to accurately estimate phase resistance.
If the d-axis current is controlled to 0 and the change in q-axis current is relatively slow, the extended back electromotive force in Equation (4) can be assumed to be the general back electromotive force, and its magnitude can be obtained from Equation (18).
ω λ m = e ^ γ 2 + e ^ δ 2
Finally, by substituting Equation (17) into Equations (14) and (15), Equations (19) and (20) can be obtained, and the phase resistance can be calculated without complex parameter vector operations.
P ( k ) = 1 λ P ( k 1 ) P 2 ( k 1 ) i q 2 ( k ) λ + P ( k 1 ) i q 2 ( k )
R ^ ( k ) = R ^ ( k 1 ) + P ( k 1 ) i q ( k ) λ + P ( k 1 ) i q 2 ( k ) × Y ( k ) R ^ ( k 1 ) i q ( k )
The assumption of a d-axis current of 0 can be established in the normal response state after the transient response state. It is applicable in cryogenic operation where relatively slow response is required, but additional consideration is needed at temperatures where fast response is required.

4.2. Inductance Calculation through Finite Element Analysis

Figure 7a,b show the magnetic saturation state of the permanent magnet synchronous motor according to the phase current consumptions through finite element analysis (FEA). When the magnetic field intensity increased, the magnetic flux density did not increase linearly and become saturated, so the d- and q-axis inductances were decreased as shown in Figure 7c.
As shown in Figure 7c, the experimentally measured experimental value also decreased with the current consumptions, and the pattern of change was similar to the analyzed value. The experimental measurement method used was the offline measurement method proposed in the author’s previous research [26]. However, measurement is difficult at extremely low temperatures due to restrictions on the allowable temperature of measuring devices such as oscilloscopes, and when a current larger than the rating is applied at a room temperature, the motor generates excessive heat, which not only results in large measurement errors but also raises the risk of motor burnout. Therefore, the current that can be experimentally measured was limited to the rated current as 5~6 A.
Figure 7. FEA results (a) 5 A, (b) 25 A, and (c) inductance variation due to magnitude of current.
Figure 7. FEA results (a) 5 A, (b) 25 A, and (c) inductance variation due to magnitude of current.
Energies 17 04962 g007
To overcome these experimental limitations, at currents above the rating required at cryogenic temperatures, the inductance change pattern obtained through finite element analysis was used to estimate the position.
In the 5 A rated current range, the change in inductance was about 10%, but when driving at extremely low temperatures, a current more than 5 times the rated was required, and the resulting magnetic saturation caused a change in q-axis inductance of more than 50 to 60%. As shown in Equation (2) for estimating extended back electromotive force, the position estimation error was greatly affected by the q-axis inductance (Lq).
The q-axis inductance value obtained from finite element analysis can be implemented and applied in the form of a table for current magnitude, and for simpler implementation, it can be linearized and applied with α (0.021) as shown in Equation (21).
L ^ q = L q 0 α i q
Figure 8 shows the final result of applying the adaptive phase resistance and inductance to the position estimator. It is calculated using Equations (19) and (20) using the δ-axis voltage and current on the estimated synchronous coordinate system instead of the q-axis voltage and current. In order to calculate Equation (20) for calculating phase resistance, the change in flux linkage is fed back and calculated from the output of the position estimator as shown in Equation (18). In addition, the phase voltage measurement and compensation which was proposed in Section 3 in this paper was applied.

4.3. Experimental Results with Adaptive Parameters

The low-speed driving performance before and after applying adaptive phase resistance and inductance during sensorless operation of an actual electric oil pump was experimentally compared. All test results were measured values of variables in the microcontroller via CAN (Control Area Network) communication (Vector CANalyzer, version 19.0) every 10 msec. The microcontroller was based on TriCore-TC212 (Infineon Technologies, Neubiberg, Germany) which has 133 MHz clock, 500 kbyte flash, and 12 bit-200 ksamples/sec ADC (Analog-to-Digital Converter).
Figure 9a is a test bench consisting of an electric oil pump and an oil tank. The test was performed after leaving the entire test bench at −40 °C in a temperature and humidity environment chamber. The electric oil pump had eight poles for the e-Axle of a HEV and had a power of 270 V 1 kW and a rating of 4000 rpm. A temperature sensor was attached to measure the actual winding temperature only for test purposes, as shown in Figure 9b. A rotor position sensor was installed for monitoring and the performance of the position estimator was evaluated via measuring the difference between the actual position and the estimated position.
Changes in phase resistance and inductance increased the need for the proposed adaptive parameters for high-voltage motors of 270 V or higher for hybrid vehicles, which have 10 times more windings than 12 V-based low-voltage motors with a small number of turns.
Figure 10 is the sensorless driving result for a 200 rpm command with a position estimator with constant phase resistance and inductance. When looking at the initial 6 to 9 s of operation, the initial position of the rotor is not known, so the operation begins with a large position error. Here, the position error was the difference between the actual value measured by the rotor position sensor and the estimate estimated by the position estimator. As the position estimator was executed, the position error decreased, but as the magnitude of the current and temperature increased, the position error gradually increased. If the error became larger than π/4, the motor could no longer operate normally and lost stability.
Figure 11 shows the inductance according to Equation (21) as well as the values estimated online by the RLS using Equations (12) and (13). Compared with Figure 9b and Figure 10, it can be confirmed that stable control results can be obtained.
As shown in Figure 11, it can be seen that the estimated phase resistance continued to increase, while the coil temperature measured by the temperature sensor increased after a certain period of time. It can be inferred that this was due to the difference between the temperature sensor mounted on the outside of the coil and the actual temperature at the center of the coil. This was because the heat dissipation effect on the outside of the coil due to motor rotation and external temperature, which was better than at the center of the coil. The temperature at the center of the coil, which had a dominant effect on actual phase resistance, was difficult to measure because it was difficult to install a temperature sensor, so it was difficult to experimentally predict coil temperature changes according to current. In addition, it was even more difficult to consider various heat dissipation conditions in actual vehicle drive conditions. It can be confirmed that the proposed RLS-based phase resistance estimation method was a useful method that could directly estimate the change in phase resistance instead of direct measurement of coil temperature.
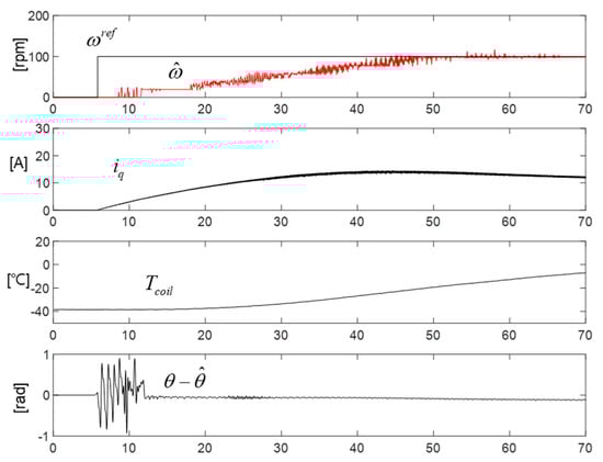
Figure 12 shows the secured driving performances for the 100rpm speed reference when applying the proposed voltage compensation method and adaptive parameters.

5. Conclusions

This paper shows that the low-speed, high-load driving performance required at extremely low temperatures can be improved via applying the adaptive phase resistance and inductance parameters and compensating for the gain attenuation and phase delay that occur when measuring the phase voltage of the position estimator for the sensorless operation of an electric oil pump.
The gain attenuation and phase delay can be easily compensated for by using the orthogonality of the axis-fixed coordinate system with a calculation of one addition and two multiplications for a total of two additions and four multiplications for each axis component, making it easy to implement even in low-cost microprocessors. The results of an experiment applied to an actual electric oil pump with a 12 V 200 W permanent magnet synchronous motor show that the proposed compensation method can be operated at a low speed (150 rpm) of less than 5% of the rated speed (3500 rpm) at a temperature of −40 °C.
The phase resistance could be obtained via performing more accurate calculations online by additionally considering changes in flux linkage based on the general RLS technique. Starting from extremely low temperatures, the position estimation error could be reduced by variably applying phase resistance changes as the temperature rises due to high current. The d-axis current was controlled to 0, and under the assumption that the change in q-axis current changed relatively slowly, the influence of inductance could be excluded when calculating phase resistance. By using the results obtained offline from the finite element analysis results, the inductance was able to reduce the position estimation error through varying the inductance change due to the magnetic saturation phenomenon caused by the application of high current. By applying the proposed adaptive parameter technique to an actual electric oil pump with a 270 V 1 kW permanent magnet synchronous motor, driving performance could be secured at a low speed (100 rpm) of less than 3% of the rated speed 4000 rpm under temperature conditions of −40 °C.
Due to the high viscosity characteristics of oil at extremely low temperatures, excessive speed of the electric oil pump generates unnecessary hydraulic pressure within the transmission, which reduces efficiency and causes transmission wear due to excessive hydraulic pressure. To prevent this, it was important to maintain the speed of the electric oil pump at the lowest possible operating speed at extremely low temperatures [13,27]. From this perspective, the cryogenic driving performance of the e-Axle can be improved by operating the electric oil pump at the lowest speed through the method proposed in this paper.

Author Contributions

Conceptualization, C.C.; methodology, C.C.; software, C.C.; validation, J.K.; formal analysis, C.C.; investigation, J.K.; resources, J.K.; data curation, J.K.; writing—original draft preparation, C.C.; writing—review and editing, C.C.; visualization, C.C.; supervision, C.C.; project administration, C.C.; funding acquisition, C.C. All authors have read and agreed to the published version of the manuscript.

Funding

This research is funded by First Research Fund Program in Life at Changwon National University in 2023. Following are results of a study on the “Leaders in INdustry-university Cooperation 3.0” Project, supported by the Ministry of Education and National Research Foundation of Korea.

Data Availability Statement

The original contributions presented in the study are included in the article; further inquiries can be directed to the first author.

Acknowledgments

This study originates from an oral presentation of the 37th International Electric Vehicle Symposium and Exhibition (EVS37), which was held in Seoul, Korea, from 23–26 April 2024. Special thanks to the EVS37 program for the opportunity to submit this research paper to this Energies Special Issue, “Electric Waves to Future Mobility”.

Conflicts of Interest

Author Jongbeom Kim was employed by the company Myunghwa Ind. Co., Ltd. The remaining authors declare that the research was conducted in the absence of any commercial or financial relationships that could be construed as a potential conflict of interest.

References

  1. Zuo, Y.; Lai, C.; Iyer, K.L.V. A review of sliding mode observer based sensorless control methods for PMSM drive. IEEE Trans. Power Electron. 2023, 38, 11352–11367. [Google Scholar] [CrossRef]
  2. Kivanc, O.C.; Ozturk, S.B. Sensorless PMSM Drive Based on Stator Feedforward Voltage Estimation Improved with MRAS Multiparameter Estimation. IEEE ASME Trans. Mechatron. 2018, 23, 1326–1337. [Google Scholar] [CrossRef]
  3. Yin, Z.; Gao, F.; Zhang, Y.; Du, C.; Li, G.; Sun, X. A review of nonlinear Kalman filter appling to sensorless control for AC motor drives. CES Trans. Electr. Mach. Syst. 2019, 3, 351–362. [Google Scholar] [CrossRef]
  4. Xu, Y.; Yao, M.; Sun, X. Overview of Position-Sensorless Technology for Permanent Magnet Synchronous Motor Systems. World Electr. Veh. J. 2023, 14, 212. [Google Scholar] [CrossRef]
  5. Li, Y.; Hu, H.; Shi, P. A review of position sensorless compound control for PMSM drives. World Electr. Veh. J. 2023, 14, 34. [Google Scholar] [CrossRef]
  6. Dini, P.; Saponara, S. Design of an Observer-Based Architecture and Non-Linear Control Algorithm for Cogging Torque Reduction in Synchronous Motors. Energies 2020, 13, 2077. [Google Scholar] [CrossRef]
  7. Tondpoor, K.; Saghaiannezhad, S.M.; Rashidi, A. Sensorless Control of PMSM Using Simplified Model Based on Extended Kalman Filter. In Proceedings of the 2020 11th Power Electronics, Drive Systems, and Technologies Conference (PEDSTC), Tehran, Iran, 4–6 February 2020; pp. 1–5. [Google Scholar]
  8. NXP. AN12235: 3-Phase Sensorless PMSM Motor Control Kit with S32K144 Application Note; NXP: Eindhoven, The Netherlands, 2020. [Google Scholar]
  9. NXP. AN13902: 3-Phase Sensorless PMSM Motor Control Kit with S32K344 using MBDT Blocks Application Note; NXP: Eindhoven, The Netherlands, 2023. [Google Scholar]
  10. Infineon. MOTIX™ TLE987x Motor Control FOC Demo, version 1.3.0; Infineon: Neubiberg, Germany, 2023.
  11. Schumacher, S.; Stetter, R.; Till, M.; Laviolette, N.; Algret, B.; Rudolph, S. Simulation-Based Prediction of the Cold Start Behavior of Gerotor Pumps for Precise Design of Electric Oil Pumps. Appl. Sci. 2024, 14, 6723. [Google Scholar] [CrossRef]
  12. Pareja-Corcho, J.; Moreno, A.; Simoes, B.; Pedrera-Busselo, A.; San-Jose, E.; Ruiz-Salguero, O.; Posada, J. A virtual prototype for fast design and visualization of gerotor pumps. Appl. Sci. 2021, 11, 1190. [Google Scholar] [CrossRef]
  13. Heo, H.S.; Bae, S.J.; Lee, J.Y. Development of a single-suction double-discharge automatic transmission oil pump for power-consumption reduction. Int. J. Automot. Technol. 2019, 20, 845–854. [Google Scholar] [CrossRef]
  14. Kim, J.-S.; Sul, S.-K. Influence of Resistance Error to the Bandwidth of Back-EMF Estimation based SMPMSM Sensorless Drives. Trans. Korean Inst. Power Electron. 2016, 21, 418–426. [Google Scholar] [CrossRef]
  15. Liu, Z.; Shen, B.; Kong, W.; Fan, X.; Peng, K.; Qu, R. Analytical Approach for Position Observation Error Correction in IPMSM Sensorless Drives Using Online Multi-Parameter Estimation. IEEE Trans. Power Electron. 2024, 39, 9230–9243. [Google Scholar] [CrossRef]
  16. Inoue, Y.; Kawaguchi, Y.; Morimoto, S.; Sanada, M. Performance Improvement of Sensorless IPMSM Drives in a Low-Speed Region Using Online Parameter Identification. IEEE Trans. Ind. Appl. 2011, 47, 798–804. [Google Scholar] [CrossRef]
  17. Ebadpour, M. Improved dynamic performance of average-value modelled active front-end rectifiers. Electronics 2024, 13, 445. [Google Scholar] [CrossRef]
  18. Ebrahimi, S.; Vahabzadeh, T.; Jatskevich, J. Numerically Efficient Average-Value Model for Voltage-Source Converters in Nodal-Based Programs. IEEE Open J. Power Electron. 2023, 5, 93–105. [Google Scholar] [CrossRef]
  19. Rahman, A.N.; Chiu, H.J.; Lian, K.L. Enhanced time average model of three phase voltage source converter taking dead-time distortion effect into account. IEEE Access 2021, 9, 23648–23659. [Google Scholar] [CrossRef]
  20. Choi, C.; Lee, W. Extended Digital Programmable Low-Pass Filter for Direct Noise Filtering of Three-Phase Variables in Low-Cost AC Drives. Energies 2022, 15, 2096. [Google Scholar] [CrossRef]
  21. Perera, A.; Nilsen, R. Recursive Prediction Error Gradient-Based Algorithms and Framework to Identify PMSM Parameters Online. IEEE Trans. Ind. Appl. 2023, 59, 1788–1799. [Google Scholar] [CrossRef]
  22. Li, X.; Kennel, R. Comparison of state-of-the-art estimators for electrical parameter identification of PMSM. In Proceedings of the 2019 IEEE International Symposium on Predictive Control of Electrical Drives and Power Electronics (PRECEDE), Quanzhou, China, 31 May–2 June 2019; pp. 1–6. [Google Scholar]
  23. Underwood, S.J.; Husain, I. Online parameter estimation and adaptive control of permanent-magnet synchronous machines. IEEE Trans. Ind. Electron. 2009, 57, 2435–2443. [Google Scholar] [CrossRef]
  24. Liu, K.; Zhu, Z.-Q.; Stone, D.A. Parameter estimation for condition monitoring of PMSM stator winding and rotor permanent magnets. IEEE Trans. Ind. Electron. 2013, 60, 5902–5913. [Google Scholar] [CrossRef]
  25. Ikonen, E.N.K. Advanced Process Identification and Control; Marcel Dekker: New York, NY, USA, 2001. [Google Scholar]
  26. Choi, C.; Lee, W.; Kwon, S.-O.; Hong, J.-P. Experimental estimation of inductance for interior permanent magnet synchronous machine considering temperature distribution. IEEE Trans. Magn. 2013, 49, 2990–2996. [Google Scholar] [CrossRef]
  27. Kim, S.; Choi, W.; Kim, M.; Kim, H.; Lim, W. Analysis of Fuel Economy of Mild Hybrid Vehicle by the Backward Simulation with Considering Power Loss of Oil Pump. Trans. KSAE 2018, 26, 533–539. [Google Scholar] [CrossRef]
Figure 3. (a) Circuit diagram for the phase voltage measurement and (b) the proposed gain-delay compensation method.
Figure 3. (a) Circuit diagram for the phase voltage measurement and (b) the proposed gain-delay compensation method.
Energies 17 04962 g003
Figure 5. Rotor position estimation error at angular speed (a) 500 rpm and (b) 200 rpm.
Figure 5. Rotor position estimation error at angular speed (a) 500 rpm and (b) 200 rpm.
Energies 17 04962 g005
Figure 6. Improvement of low-speed drive (a) using reference voltage and (b) measured voltage with compensation (red line: reference value, blue line: measured value).
Figure 6. Improvement of low-speed drive (a) using reference voltage and (b) measured voltage with compensation (red line: reference value, blue line: measured value).
Energies 17 04962 g006
Figure 8. Position estimator with adaptive electrical parameters.
Figure 8. Position estimator with adaptive electrical parameters.
Energies 17 04962 g008
Figure 9. (a) Test bench with an electric oil pump and (b) thermo-coupler for test purposes.
Figure 9. (a) Test bench with an electric oil pump and (b) thermo-coupler for test purposes.
Energies 17 04962 g009
Figure 10. Test results with constant resistance and inductance for 200 rpm.
Figure 10. Test results with constant resistance and inductance for 200 rpm.
Energies 17 04962 g010
Figure 11. Test results with adaptive resistance and inductance for 200 rpm.
Figure 11. Test results with adaptive resistance and inductance for 200 rpm.
Energies 17 04962 g011
Figure 12. Test results with adaptive resistance and inductance for 100 rpm.
Figure 12. Test results with adaptive resistance and inductance for 100 rpm.
Energies 17 04962 g012
Disclaimer/Publisher’s Note: The statements, opinions and data contained in all publications are solely those of the individual author(s) and contributor(s) and not of MDPI and/or the editor(s). MDPI and/or the editor(s) disclaim responsibility for any injury to people or property resulting from any ideas, methods, instructions or products referred to in the content.

Share and Cite

MDPI and ACS Style

Choi, C.; Kim, J. Model-Based Angular Position Sensorless Drives of Main Electric Oil Pumps for e-Axles in HEV and BEV. Energies 2024, 17, 4962. https://doi.org/10.3390/en17194962

AMA Style

Choi C, Kim J. Model-Based Angular Position Sensorless Drives of Main Electric Oil Pumps for e-Axles in HEV and BEV. Energies. 2024; 17(19):4962. https://doi.org/10.3390/en17194962

Chicago/Turabian Style

Choi, Chinchul, and Jongbeom Kim. 2024. "Model-Based Angular Position Sensorless Drives of Main Electric Oil Pumps for e-Axles in HEV and BEV" Energies 17, no. 19: 4962. https://doi.org/10.3390/en17194962

APA Style

Choi, C., & Kim, J. (2024). Model-Based Angular Position Sensorless Drives of Main Electric Oil Pumps for e-Axles in HEV and BEV. Energies, 17(19), 4962. https://doi.org/10.3390/en17194962

Note that from the first issue of 2016, this journal uses article numbers instead of page numbers. See further details here.

Article Metrics

Back to TopTop