Model Predictive Control of Heat Pumps with Thermal Energy Storages in Industrial Processes
Abstract
1. Introduction
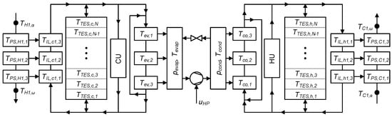
1.1. The HP-TES System
1.2. Problem Statement and Aims
- A two-level control concept for HP-TES system;
- The development of a simplified process model suitable for the real-time execution of an MPC controller;
- Inclusion of production plans into the MPC controller to minimize unnecessary utility usage.
2. Proposed Control Strategy
- Intermediate loops with process HEX;
- Heat pump with hot utility and cold utility.
- The high-level control problem addresses the energy management of the overall system by controlling the TESs charging states;
- The low-level control problem addresses real-time disturbances and controls individual components to their setpoints.
2.1. High-Level Controller
2.1.1. State-Space Model of the HP-TES Energy Management Task
2.1.2. Model Predictive Control Formulation
2.2. Low-Level Control Problem
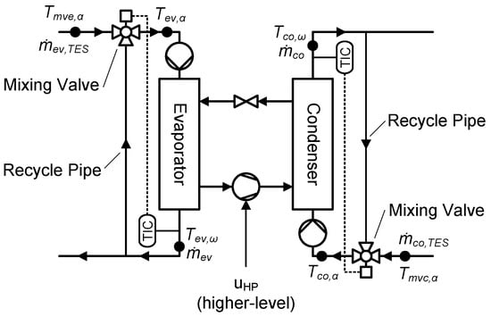
2.2.1. Heat Pump Control
2.2.2. Process Heat Exchanger Control
2.2.3. Utility Control
3. Case Study
3.1. Process Description
3.2. System Model
3.3. Simulation Study Parametrization
3.4. Simulated Cases
- Case 1:
- Test case with nominal PSs (nominal operation as defined in Section 3.1);
- Case 2:
- Test case with both storages in fully discharged condition (according to the conceptual design) at a temperature of 11.5 for the cold TES and 37.1 in the hot TES at the beginning;
- Case 3:
- Test case with unknown additional cooling load on the cold TES to disturb the energy balance of the system. The additional heat load is prescribed with the same temperatures as stream H1 but with a mass flow rate of 1 kg/s and occurs from time to .
4. Results
4.1. Case 1: Nominal Operation
4.2. Case 2: Cold Start
4.3. Case 3: Unknown Disturbance
5. Discussion
5.1. Low-Level Control Strategy
5.2. High-Level Control Strategy
6. Conclusions
Author Contributions
Funding
Data Availability Statement
Conflicts of Interest
Abbreviations
| CU | Cold Utility |
| HEX | Heat Exchanger |
| HP | Heat Pump |
| HR | Heat Recovery |
| HU | Hot Utility |
| IL | Intermediate Loop |
| MPC | Model Predictive Control |
| PID | Proportional Integral Derivative (Controller) |
| PS | Process Stream |
| SP | Setpoint |
| TES | Thermal Energy Storage |
Appendix A. Simulation Model
- Heat pump;
- Two stratified storage tanks;
- Heat exchangers for the process streams;
- Hot and cold utility.
Appendix A.1. Heat Pump Model


| Parameter | Value |
|---|---|
| 0.089 | |
| N | 24.17 Hz |
| 20 kg | |
| 20 kg | |
| 12.1 kW/K | |
| 10.1 kW/K |
Appendix A.2. Thermal Energy Storage Model

Appendix A.3. Heat Exchanger Model

| Parameter | Value |
|---|---|
| 1.5 mm | |
| 5 kg | |
| 5 kg |
Appendix A.4. Utilities
Appendix A.5. Implementation of the Simulation Model

References
- International Energy Agency. Energy Efficiency 2018; Technical report; International Energy Agency: Paris, France, 2018. [Google Scholar]
- Townsend, D.W.; Linhoff, B. Heat and Power Networks in Process design: Part 1: Criteria for Placement of Heat Engines and Heat Pumps in Process Networks. AIChE J. 1983, 29, 742–748. [Google Scholar] [CrossRef]
- Hindmarsh, E.; Boland, D.; Townsend, D. Heat Integrate Heat Engines in Process Plants. In Proceedings of the Eight Annual Industrial Energy Technology Conference, Houston, TX, USA, 21–23 April 1986; pp. 477–489. [Google Scholar]
- Wallin, E.; Franck, P.; Berntsson, T. Heat pumps in industrial processes—An optimization methodology. Heat Recovery Syst. CHP 1990, 10, 437–446. [Google Scholar] [CrossRef]
- Wallin, E.; Berntsson, T. Integration of Heat Pumps in Industrial Processes. Heat Recovery Syst. CHP 1994, 14, 287–296. [Google Scholar] [CrossRef]
- Benstead, R.; Sharman, F. Heat Pumps and Pinch Technology. Heat Recovery Syst. CHP 1990, 10, 437–446. [Google Scholar] [CrossRef]
- Kapustenko, P.O.; Ulyev, L.M.; Boldyryev, S.A.; Garev, A.O. Integration of a heat pump into the heat supply system of a cheese production plant. Energy 2008, 33, 882–889. [Google Scholar] [CrossRef]
- Pavlas, M.; Stehlík, P.; Oral, J.; Klemeš, J.; Kim, J.K.; Firth, B. Heat integrated heat pumping for biomass gasification processing. Appl. Therm. Eng. 2010, 30, 30–35. [Google Scholar] [CrossRef]
- Olsen, D.; Abdelouadoud, Y.; Liem, P.; Hoffmann, S.; Wellig, B. Integration of Heat Pumps in Industrial Processes with Pinch Analysis. In Proceedings of the 12th IEA Heat Pump Conference, Rotterdam, The Netherlands, 15–18 May 2017. [Google Scholar]
- Schlosser, F.; Wiebe, H.; Walmsley, T.G.; Atkins, M.J.; Walmsley, M.R.W.; Hesselbach, J. Heat Pump Bridge Analysis Using the Modified Energy Transfer Diagram. Energies 2020, 14, 137. [Google Scholar] [CrossRef]
- Stampfli, J.A.; Atkins, M.J.; Olsen, D.G.; Walmsley, M.R.; Wellig, B. Practical heat pump and storage integration into non-continuous processes: A hybrid approach utilizing insight based and nonlinear programming techniques. Energy 2019, 182, 236–253. [Google Scholar] [CrossRef]
- Agner, R.; Ong, B.H.Y.; Stampfli, J.A.; Krummenacher, P.; Wellig, B. A Graphical Method for Combined Heat Pump and Indirect Heat Recovery Integration. Energies 2022, 15, 2829. [Google Scholar] [CrossRef]
- Walden, J.V.M.; Wellig, B.; Stathopoulos, P. Heat pump integration in non-continuous industrial processes by Dynamic Pinch Analysis Targeting. Appl. Energy 2023, 352, 121933. [Google Scholar] [CrossRef]
- Elsido, C.; Martelli, E.; Grossmann, I.E. Multiperiod optimization of heat exchanger networks with integrated thermodynamic cycles and thermal storages. Comput. Chem. Eng. 2021, 149, 107293. [Google Scholar] [CrossRef]
- Clauß, J.; Sartori, I.; Alonso, M.J.; Thalfeldt, M.; Georges, L. Investigations of different control strategies for heat pump systems in a residential nZEB in the nordic climate. In Proceedings of the 12th IEA Heat Pump Conference, Rotterdam, The Netherlands, 15–18 May 2017. [Google Scholar]
- Lee, Z.; Gupta, K.; Kircher, K.J.; Zhang, K.M. Mixed-integer model predictive control of variable-speed heat pumps. Energy Build. 2019, 198, 75–83. [Google Scholar] [CrossRef]
- Hoving, J.; Boxem, G.; Zeiler, W. Model predictive control to Maintain ATES balance using heat pump. In Proceedings of the 12th IEA Heat Pump Conference, Rotterdam, The Netherlands, 15–18 May 2017. [Google Scholar]
- Randenborgh, J.V.; Darup, M.S. MPC using mixed-integer programming for aquifer thermal energy storages. arXiv 2024, arXiv:2404.09786. [Google Scholar] [CrossRef]
- Liu, F.; Zhu, W.; Cai, Y.; Groll, E.A.; Ren, J.; Lei, Y. Experimental performance study on a dual-mode CO2 heat pump system with thermal storage. Appl. Therm. Eng. 2017, 115, 393–405. [Google Scholar] [CrossRef]
- Liu, F.; Zhu, W.; Zhao, J.; Ren, J.; Groll, E.A.; Cai, Y. A new method for optimal control of a dual-mode CO2 heat pump with thermal storage. Appl. Therm. Eng. 2017, 125, 1123–1132. [Google Scholar] [CrossRef]
- Liu, F.; Zhu, W.; Zhao, J. Model-based dynamic optimal control of a CO2 heat pump coupled with hot and cold thermal storages. Appl. Therm. Eng. 2018, 128, 1116–1125. [Google Scholar] [CrossRef]
- Zhao, Z.; Wang, C.; Wang, B. Adaptive model predictive control of a heat pump-assisted solar water heating system. Energy Build. 2023, 300, 113682. [Google Scholar] [CrossRef]
- Tang, W.; Li, Y.; Walker, S.; Keviczky, T. Model Predictive Control Design for Unlocking the Energy Flexibility of Heat Pump and Thermal Energy Storage Systems. arXiv 2024, arXiv:2402.12488. [Google Scholar]
- Dyrska, R.; Horváthová, M.; Bakaráč, P.; Mönnigmann, M.; Oravec, J. Heat exchanger control using model predictive control with constraint removal. Appl. Therm. Eng. 2023, 227, 120366. [Google Scholar] [CrossRef]
- Walmsley, M.R.; Walmsley, T.G.; Atkins, M.J.; Neale, J.R. Methods for improving heat exchanger area distribution and storage temperature selection in heat recovery loops. Energy 2013, 55, 15–22. [Google Scholar] [CrossRef]
- Wittenmark, B.; Åström, K.J. Computer Control: An Overview. In IFAC Professional Brief Computer; International Federation of Automatic Control: Zurich, Switzerland, 2002. [Google Scholar]
- Borrelli, F.; Morari, M.; Bemporad, A. Predictive Control for Linear and Hybrid Systems; Cambridge University Press: Cambridge, UK, 2017. [Google Scholar]
- Löfberg, J. YALMIP: A toolbox for modeling and optimization in MATLAB. In Proceedings of the CACSD Conference, Taipei, Taiwan, 2–4 September 2004. [Google Scholar] [CrossRef]
- Gurobi Optimization, L. Gurobi Optimizer Reference Manual; Gurobi: Beaverton, OR, USA, 2019. [Google Scholar]
- Bitzer Kühlmaschinenbau GmbH. Semi-Hermetic Reciprocating Compressors, 50 Hz, KP-100-1 EN. Brochure 2019. Available online: https://www.bitzer.de/shared_media/documentation/kp-100-1-en.pdf (accessed on 10 July 2024).
- Agner, R.; Lucas, E.J.; Olsen, D.G.; Gruber, P.; Wellig, B. Robust Control of Heat Exchangers in Stratified Storage Systems-Simulation and Experimental Validation. Chem. Eng. Trans. 2019, 76, 781–786. [Google Scholar] [CrossRef]
- Bell, I.H.; Wronski, J.; Quoilin, S.; Lemort, V. Pure and Pseudo-pure Fluid Thermophysical Property Evaluation and the Open-Source Thermophysical Property Library CoolProp. Ind. Eng. Chem. Res. 2014, 53, 2498–2508. [Google Scholar] [CrossRef] [PubMed]
- Lei, Z.; Zaheeruddin, M. Dynamic simulation and analysis of a water chiller refrigeration system. Appl. Therm. Eng. 2005, 25, 2258–2271. [Google Scholar] [CrossRef]
- Villasmil, W.; Troxler, M.; Hendry, R.; Worlitschek, J. OPTSAIS—Exergetic and Economic Optimization of Seasonal Thermal Energy Storage Systems; Swiss Federal Office of Energy: Bern, Switzerland, 2019.
- Fritsch, F.N.; Carlson, R.E. Monotone Piecewise Cubic Interpolation. SIAM J. Numer. Anal. 1980, 17, 238–246. [Google Scholar] [CrossRef]














| ID | ||||||
|---|---|---|---|---|---|---|
| [°C] | [°C] | [kJ/kg/K] | [kg/s] | [h] | [h] | |
| C1 | 30 | 40 | 4.2 | 2 | 0.00 | 1.00 |
| H1 | 20 | 7 | 4.2 | 1.5 | 0.75 | 1.50 |
| Parameter | Value |
|---|---|
| 51.7 kW | |
| 40.9 kW | |
| 10.8 kW | |
| 4.8 | |
| 4.3 kW | |
| 0 kW | |
| 17.7 | |
| 17.6 | |
| 4.0 | |
| 4.0 | |
| 3.3 m | |
| 3.3 m |
| Parameter | Value |
|---|---|
| 300 s | |
| M | 15 |
| N | 15 |
| 1 | |
| 1 | |
| 30 kW | |
| 30 kW | |
| Q | diag([1,1]) |
| R | diag([0,10,10]) |
| diag([,]) |
Disclaimer/Publisher’s Note: The statements, opinions and data contained in all publications are solely those of the individual author(s) and contributor(s) and not of MDPI and/or the editor(s). MDPI and/or the editor(s) disclaim responsibility for any injury to people or property resulting from any ideas, methods, instructions or products referred to in the content. |
© 2024 by the authors. Licensee MDPI, Basel, Switzerland. This article is an open access article distributed under the terms and conditions of the Creative Commons Attribution (CC BY) license (https://creativecommons.org/licenses/by/4.0/).
Share and Cite
Agner, R.; Gruber, P.; Wellig, B. Model Predictive Control of Heat Pumps with Thermal Energy Storages in Industrial Processes. Energies 2024, 17, 4823. https://doi.org/10.3390/en17194823
Agner R, Gruber P, Wellig B. Model Predictive Control of Heat Pumps with Thermal Energy Storages in Industrial Processes. Energies. 2024; 17(19):4823. https://doi.org/10.3390/en17194823
Chicago/Turabian StyleAgner, Raphael, Peter Gruber, and Beat Wellig. 2024. "Model Predictive Control of Heat Pumps with Thermal Energy Storages in Industrial Processes" Energies 17, no. 19: 4823. https://doi.org/10.3390/en17194823
APA StyleAgner, R., Gruber, P., & Wellig, B. (2024). Model Predictive Control of Heat Pumps with Thermal Energy Storages in Industrial Processes. Energies, 17(19), 4823. https://doi.org/10.3390/en17194823

