Experimental Investigation of Large-Scale Vertically Coated Tubes for Enhanced Air–Steam Condensation Heat Transfer
Abstract
1. Introduction
- Quantify the contribution of the coating to the overall enhancement in air–steam condensation heat transfer.
- Analyze how the coating’s effect on condensation heat transfer varies between different base materials (brass and stainless steel).
- Examine the influence of condensate dynamics, both driven by the coating and gravity, on heat transfer enhancement.
2. Experiment
2.1. Test Samples and Surfaces Preparation
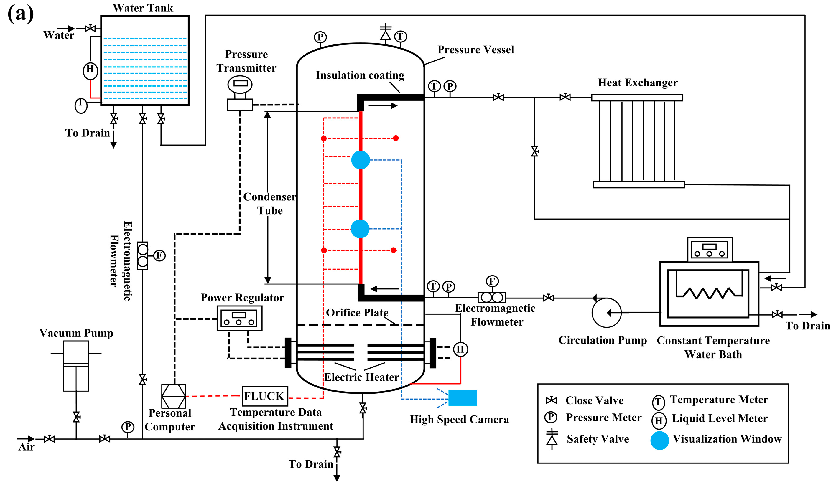
2.2. Experimental Setup and Methodology
2.3. Data Reduction and Uncertainty
3. Results and Discussion
3.1. Comparative Analysis of Surface Condensation Heat Transfer on Stainless Steel Tubes with and without a Coating
3.2. Comparative Analysis of Surface Condensation Heat Transfer on Brass Tubes with and without a Coating
4. Conclusions
Author Contributions
Funding
Data Availability Statement
Conflicts of Interest
Nomenclature
| condensing surface area, | |
| specific heat capacity of coolant, J/(kg·K) | |
| h | heat transfer coefficient, |
| L | condensate tube length, mm |
| mass flow rate of coolant, kg/s | |
| M | molar mass, kg/mol |
| P | pressure, MPa |
| q | heat flux, W |
| Q | overall heat transfer rate, W |
| T | temperature, K |
| average temperature, K | |
| U | uncertainty |
| W | mass fraction |
| Subscripts | |
| a | air |
| ave | average |
| c | coolant |
| in | coolant inlet |
| out | coolant out |
| s | saturated steam |
| sub | subcooling |
| w | condenser tube wall |
| bulk | |
| Greek symbols | |
| difference | |
| Abbreviations | |
| HTC | heat transfer coefficient |
| NCG | non-condensable gas |
References
- Bao, J.; Lin, Y.; Zhang, R.; Zhang, N.; He, G. Strengthening power generation efficiency utilizing liquefied natural gas cold energy by a novel two-stage condensation Rankine cycle (TCRC) system. Energy Convers. Manag. 2017, 143, 312–325. [Google Scholar] [CrossRef]
- Galuppo, F.; Reiche, T.; Lemort, V.; Dufour, P.; Nadri, M. Organic Rankine Cycle based waste heat recovery modeling and control of the low pressure side using direct condensation and dedicated fans. Energy 2021, 216, 119074. [Google Scholar] [CrossRef]
- Lukic, N.; Diezel, L.L.; Fröba, A.P.; Leipertz, A. Economical aspects of the improvement of a mechanical vapour compression desalination plant by dropwise condensation. Desalination 2010, 264, 173–178. [Google Scholar] [CrossRef]
- Ardy, H.; Nurimam, A.; Hamdani, M.; Abednego, T.H.; Helmy, R.K.; Bangun, D.A.; Setiawan, A.R.; Wibowo, A.; Sumboja, A. Failure analysis of admiralty brass tubes in a surface condenser: A case study at the petrochemical industry. Mater. High Temp. 2021, 38, 177–185. [Google Scholar] [CrossRef]
- Yadav, M.K.; Khandekar, S.; Sharma, P.K. An integrated approach to steam condensation studies inside reactor containments: A review. Nucl. Eng. Des. 2016, 300, 181–209. [Google Scholar] [CrossRef]
- Lee, J.Y.; Jeong, J.J.; Yun, B. Modifications of the turbulent diffusion layer model for the condensation heat transfer under the presence of noncondensable gases. Ann. Nucl. Energy 2020, 137, 107060. [Google Scholar] [CrossRef]
- Peterson, P.F.; Schrock, V.E.; Kageyama, T. Diffusion layer theory for turbulent vapor condensation with noncondensable gases. J. Heat Transf. 1993, 115, 998–1003. [Google Scholar] [CrossRef]
- Othmer, D.F. The condensation of steam. Ind. Eng. Chem. 1929, 21, 576–583. [Google Scholar] [CrossRef]
- Huang, J.; Zhang, J.X.; Wang, L. Review of vapor condensation heat and mass transfer in the presence of non-condensable gas. Appl. Therm. Eng. 2015, 89, 469–484. [Google Scholar] [CrossRef]
- Yang, J.H.; Ahn, T.H.; Bae, H.; Park, H.S. Investigation of condensation with non-condensable gas in natural circulation loop for passive safety system. Nucl. Eng. Technol. 2023, 55, 1125–1139. [Google Scholar] [CrossRef]
- Arsenyeva, O.; Klemes, J.J.; Tovazhnyanskyy, L.; Klochok, E.; Kapustenko, P. Estimating parameters of plate heat exchanger for condensation of steam from mixture with air as a component of heat exchanger network. Energy 2023, 283, 128482. [Google Scholar] [CrossRef]
- Fu, P.F.; Zhou, Y.; Yang, X.P.; Yan, J.J.; Liu, J.P. Experimental study on the effect of non-condensable gas dissolved in sub-cooled water on steam jet condensation in a rectangular channel. Int. J. Heat Mass Transf. 2019, 134, 668–679. [Google Scholar] [CrossRef]
- Lv, F.; Lin, S.; Nie, H.; Dong, Z.; Zhao, F.; Cheng, D.; Dong, Z.; Gulfam, R. Droplet dynamics and heat transfer enhancement via dropwise condensation on helically-finned hydrophobic tube. Int. Commun. Heat Mass Transf. 2022, 135, 106153. [Google Scholar] [CrossRef]
- Cha, H.; Vahabi, H.; Wu, A.; Chavan, S.; Kim, M.K.; Sett, S.; Miljkovic, N. Dropwise condensation on solid hydrophilic surfaces. Sci. Adv. 2020, 6, eaax0746. [Google Scholar] [CrossRef] [PubMed]
- Orejon, D.; Shardt, O.; Gunda, N.S.K.; Ikuta, T.; Takahashi, K.; Takata, Y.; Mitra, S.K. Simultaneous dropwise and filmwise condensation on hydrophilic microstructured surfaces. Int. J. Heat Mass Transf. 2017, 114, 187–197. [Google Scholar] [CrossRef]
- Zhong, L.; Yansong, C.; Shaobo, H.; Guangzhao, Y.; Xuehu, M. Droplet regulation and dropwise condensation heat transfer enhancement on hydrophobic-superhydrophobic hybrid surfaces. Heat Transf. Eng. 2017, 39, 1540–1551. [Google Scholar]
- Wen, R.F.; Zhou, X.D.; Peng, B.L.; Lan, Z.; Yang, R.G.; Ma, X.H. Falling-droplet-enhanced filmwise condensation in the presence of non-condensable gas. Int. J. Heat Mass Transf. 2019, 140, 173–186. [Google Scholar] [CrossRef]
- Ma, X.H.; Zhou, X.D.; Lan, Z.; Li, Y.M.; Zhang, Y. Condensation heat transfer enhancement in the presence of non-condensable gas using the interfacial effect of dropwise condensation. Int. J. Heat Mass Transf. 2008, 51, 1728–1737. [Google Scholar] [CrossRef]
- Ma, X.; Chen, J.; Xu, D.; Lin, J.; Ren, C.; Long, Z. Influence of processing conditions of polymer film on dropwise condensation heat transfer. Int. J. Heat Mass Transf. 2002, 45, 3405–3411. [Google Scholar] [CrossRef]
- Preston, D.J.; Wang, E.N. Jumping droplets push the boundaries of condensation heat transfer. Joule 2018, 2, 205–207. [Google Scholar] [CrossRef]
- Alwazzan, M.; Egab, K.; Peng, B.; Khan, J.; Li, C. Condensation on hybrid-patterned copper tubes (II): Visualization study of droplet dynamics. Int. J. Heat Mass Transf. 2017, 112, 950–958. [Google Scholar] [CrossRef]
- Ji, D.Y.; Kim, D.; Lee, K.Y. Enhancement of condensation heat transfer in the presence of non-condensable gas using steam jet method. Int. J. Heat Mass Transf. 2019, 130, 603–612. [Google Scholar] [CrossRef]
- Ji, D.-Y.; Lee, J.-W.; Kim, D.; Hwang, W.; Lee, K.-Y. Effective reduction of non-condensable gas effects on condensation heat transfer: Surface modification and steam jet injection. Appl. Therm. Eng. 2020, 174, 115264. [Google Scholar] [CrossRef]
- Peng, B.; Ma, X.; Lan, Z.; Xu, W.; Wen, R. Experimental investigation on steam condensation heat transfer enhancement with vertically patterned hydrophobic–hydrophilic hybrid surfaces. Int. J. Heat Mass Transf. 2015, 83, 27–38. [Google Scholar] [CrossRef]
- Alwazzan, M.; Egab, K.; Peng, B.; Khan, J.; Li, C. Condensation on hybrid-patterned copper tubes (I): Characterization of condensation heat transfer. Int. J. Heat Mass Transf. 2017, 112, 991–1004. [Google Scholar] [CrossRef]
- Jang, Y.-J.; Choi, D.-J.; Kim, S.; Hyun, M.-T.; Lee, Y.-G. Enhancement of condensation heat transfer rate of the air-steam mixture on a passive condenser system using annular fins. Energies 2017, 10, 1777. [Google Scholar] [CrossRef]
- Fulpagare, Y.; Wu, Y.-J.; Chang, J.-Y.; Wang, C.-C. Effect of Non-Condensable gas on condensing performance of HFE7100 With/Without hydrophobic coating. Appl. Therm. Eng. 2022, 213, 118807. [Google Scholar] [CrossRef]
- Li, L. Experimental study on enhancement condensation heat transfer in tube by foam metal in presence of non-condensable gas. J. Phys. Conf. Ser. 2024, 2671, 012012. [Google Scholar] [CrossRef]
- Zhang, T.Y.; Mou, L.W.; Zhang, J.Y.; Fan, L.W.; Li, J.Q. A visualized study of enhanced steam condensation heat transfer on a honeycomb-like microporous superhydrophobic surface in the presence of a non-condensable gas. Int. J. Heat Mass Transf. 2020, 150, 119352. [Google Scholar] [CrossRef]
- Kim, T.; Shin, D.; Lee, J.; Kim, S.J. Effect of layer-by-layer assembled carbon nanotube coatings on dropwise condensation heat transfer associated with non-condensable gas effect. Int. J. Heat Mass Transf. 2021, 175, 121345. [Google Scholar] [CrossRef]
- Wu, D.; Gui, M.Y.; Cheng, J.; Fan, G.M.; Wang, J.J. Condensation enhancement experiment investigation of pure steam and steam-air mixture over the chrome-plated tube with different plating thickness. Prog. Nucl. Energy 2023, 166, 104971. [Google Scholar] [CrossRef]
- Wu, S.; Gao, S.; Wang, H.; Deng, Z. Dropwise condensation heat transfer on vertical superhydrophobic surfaces with gradient microgrooves in humid air. Int. J. Heat Mass Transf. 2023, 201, 123583. [Google Scholar] [CrossRef]
- Chang, W.; Luo, K.; Wang, P.; Li, C. Sustaining dropwise condensation on nickel-plated copper surfaces with As-grown graphene coatings. Appl. Therm. Eng. 2022, 209, 118319. [Google Scholar] [CrossRef]
- Khan, S.A.; Tahir, F.; Baloch, A.A.B.; Koc, M. Review of micro–nanoscale surface coatings application for sustaining dropwise condensation. Coatings 2019, 9, 117. [Google Scholar] [CrossRef]
- Nguyen, D.H.; Ahn, H.S. A comprehensive review on micro/nanoscale surface modification techniques for heat transfer enhancement in heat exchanger. Int. J. Heat Mass Transf. 2021, 178, 121601. [Google Scholar] [CrossRef]










| Author/Year | Substrate Type | Substrate Size | Method of Application | Enhanced Effect |
|---|---|---|---|---|
| Ma [18] 2008 | Vertical copper plate | 30 mm diameter | Fluorocarbon coating | 30~80% |
| Peng [24] 2015 | Vertical copper plate | 26.5 mm diameter | Hydrophobic–superhydrophobic hybrid pattern | 23% |
| Alwazzan [25] 2017 | Horizontal copper tube | 92 mm length | Alternative hydrophobic and less-hydrophobic pattern | 180~480% |
| Jang [26] 2017 | Vertical finned tube | 400 mm length, fin diameter 80 mm | 13 annular fins | 15~82% |
| Ji [22] 2019 | Horizontal aluminium tube | 400 mm length | Steam jet | Up to 137% |
| Wen [17] 2019 | Vertical copper tube | 400 mm length | Hydrophilic surface with interval fluorocarbon-coated hydrophobic bumps | - |
| Ji [23] 2020 | Horizontal aluminium tube | 440 mm length | Surface modified super-hydrophobic coating | Up to 200% |
| Zhang [29] 2020 | Horizontal copper tube | 150 mm length | Honeycomb-like microporous superhydrophobic surface | Up to 200% |
| Kim [30] 2021 | Vertical stainless-steel tube | 1180 mm length | Layer-by-layer carbon nanotube coating and hydrophobic coating | 16% |
| Fulpagare [27] 2022 | 255 pin fins | 10 mm length, 4 mm diameter | Hydrophobic and oleophobic coating | 15.6~31.8% |
| Wu [31] 2023 | Vertical stainless-steel tube | 1800 mm length | Chrome-plated tube | 30~80% |
| Wu [32] 2023 | Vertical copper plate | 50 mm × 50 mm × 0.8 mm | Superhydrophobic surfaces with gradient microgrooves | Up to 30.8% |
| Li [28] 2024 | Vertical foam metal tube | 1000 mm length | Foam metal | 50~130% |
| Measured Parameter | Uncertainty (%) |
|---|---|
| Tube diameter | ±0.53 |
| Tube length | ±0.19 |
| Coolant inlet temperature | ±0.87 |
| Coolant outlet temperature | ±0.81 |
| Coolant mass flow | ±0.34 |
| Steam–air mixture temperature | ±0.51 |
| Tube wall temperature | ±1.45 |
| Pressure | ±0.35 |
| Experiment Parameters | Range |
|---|---|
| Air mass fraction | 0.08, 0.15, 0.3, 0.4 |
| Wall subcooling | 2.2–24.6 K |
| Partial pressure of steam | 0.1 MPa |
Disclaimer/Publisher’s Note: The statements, opinions and data contained in all publications are solely those of the individual author(s) and contributor(s) and not of MDPI and/or the editor(s). MDPI and/or the editor(s) disclaim responsibility for any injury to people or property resulting from any ideas, methods, instructions or products referred to in the content. |
© 2024 by the authors. Licensee MDPI, Basel, Switzerland. This article is an open access article distributed under the terms and conditions of the Creative Commons Attribution (CC BY) license (https://creativecommons.org/licenses/by/4.0/).
Share and Cite
Chen, Z.; Zhang, K.; Wang, N. Experimental Investigation of Large-Scale Vertically Coated Tubes for Enhanced Air–Steam Condensation Heat Transfer. Energies 2024, 17, 4759. https://doi.org/10.3390/en17184759
Chen Z, Zhang K, Wang N. Experimental Investigation of Large-Scale Vertically Coated Tubes for Enhanced Air–Steam Condensation Heat Transfer. Energies. 2024; 17(18):4759. https://doi.org/10.3390/en17184759
Chicago/Turabian StyleChen, Zengqiao, Keyuan Zhang, and Naihua Wang. 2024. "Experimental Investigation of Large-Scale Vertically Coated Tubes for Enhanced Air–Steam Condensation Heat Transfer" Energies 17, no. 18: 4759. https://doi.org/10.3390/en17184759
APA StyleChen, Z., Zhang, K., & Wang, N. (2024). Experimental Investigation of Large-Scale Vertically Coated Tubes for Enhanced Air–Steam Condensation Heat Transfer. Energies, 17(18), 4759. https://doi.org/10.3390/en17184759

