Development of a Simulation Model for a New Rotary Engine to Optimize Port Location and Operating Conditions Using GT-POWER
Abstract
1. Introduction
2. GP3 RTE Configuration and Operation Overview
3. VRE Modeling for GP3 RTE Analysis
3.1. GT-POWER Analysis Method
3.2. VRE Cylinder Modeling
3.3. VRE Intake/Exhaust Flow Path Modeling and Analysis
4. VRE Comparison by Step and Final Model Derivation
4.1. GT-POWER Analysis Method
4.2. VRE Model Flow Validity
5. Optimization Using the VRE Model
5.1. Intake/Exhaust Port Location and Effective Area
5.2. Simple Optimization
5.3. Optimizing Port Location and Operating Conditions
6. Conclusions
- (1)
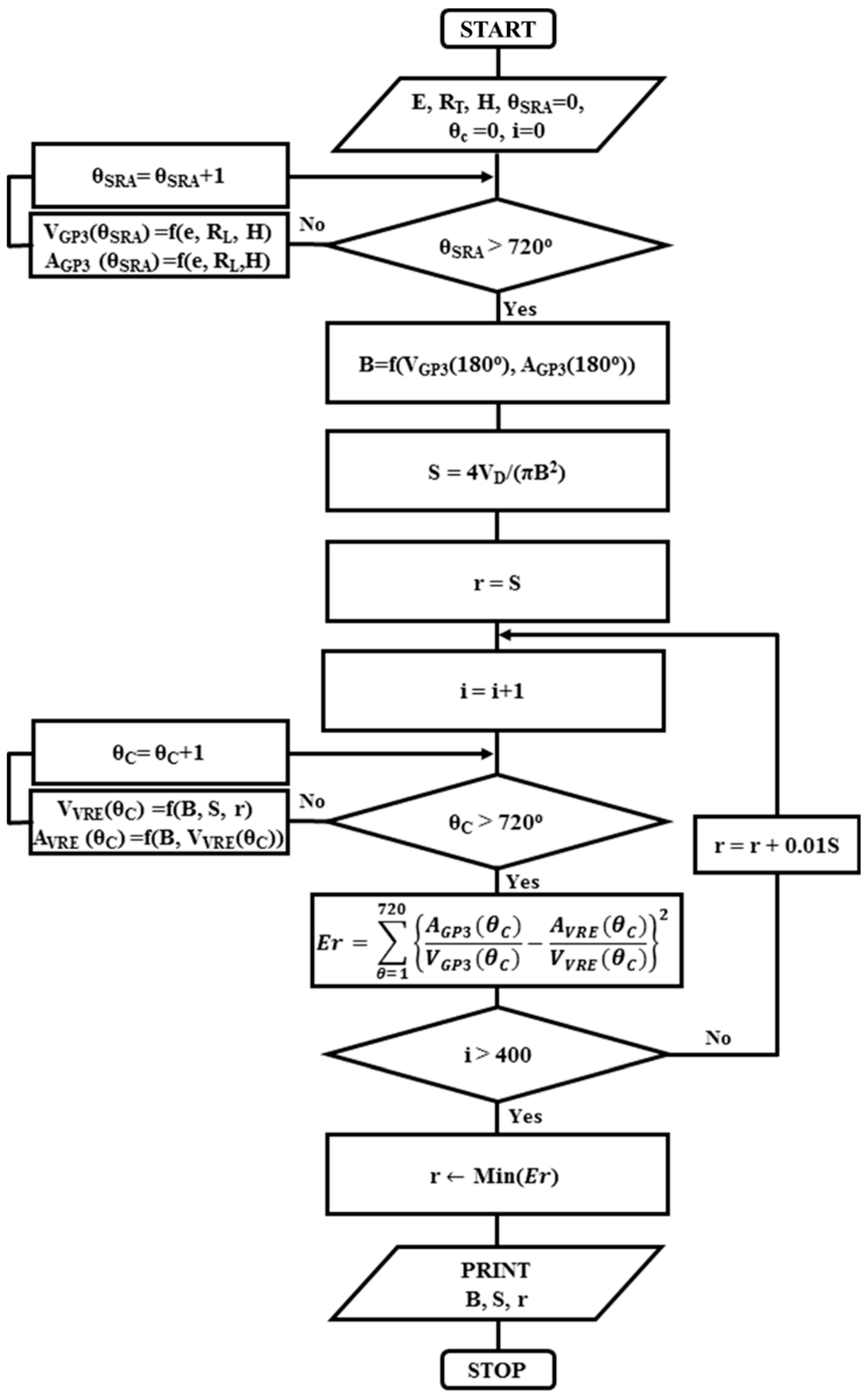
- The optimum cylinder shape emulation of the VRE was achieved using the trajectory function for the rotor and housing based on the eccentric distance and trochoidal radius of GP3 RTE as the shape factors.
- (2)
- The bore and stroke for the VRE cylinder were set such that volume and surface area were the same at the BDC, and the connecting rod length was set to minimize the surface area/volume ratio error.
- (3)
- The VRE cylinder simulated almost the same volume and surface with respect to the SRA, and approximately 14% larger surface area/volume near the TDC.
- (4)
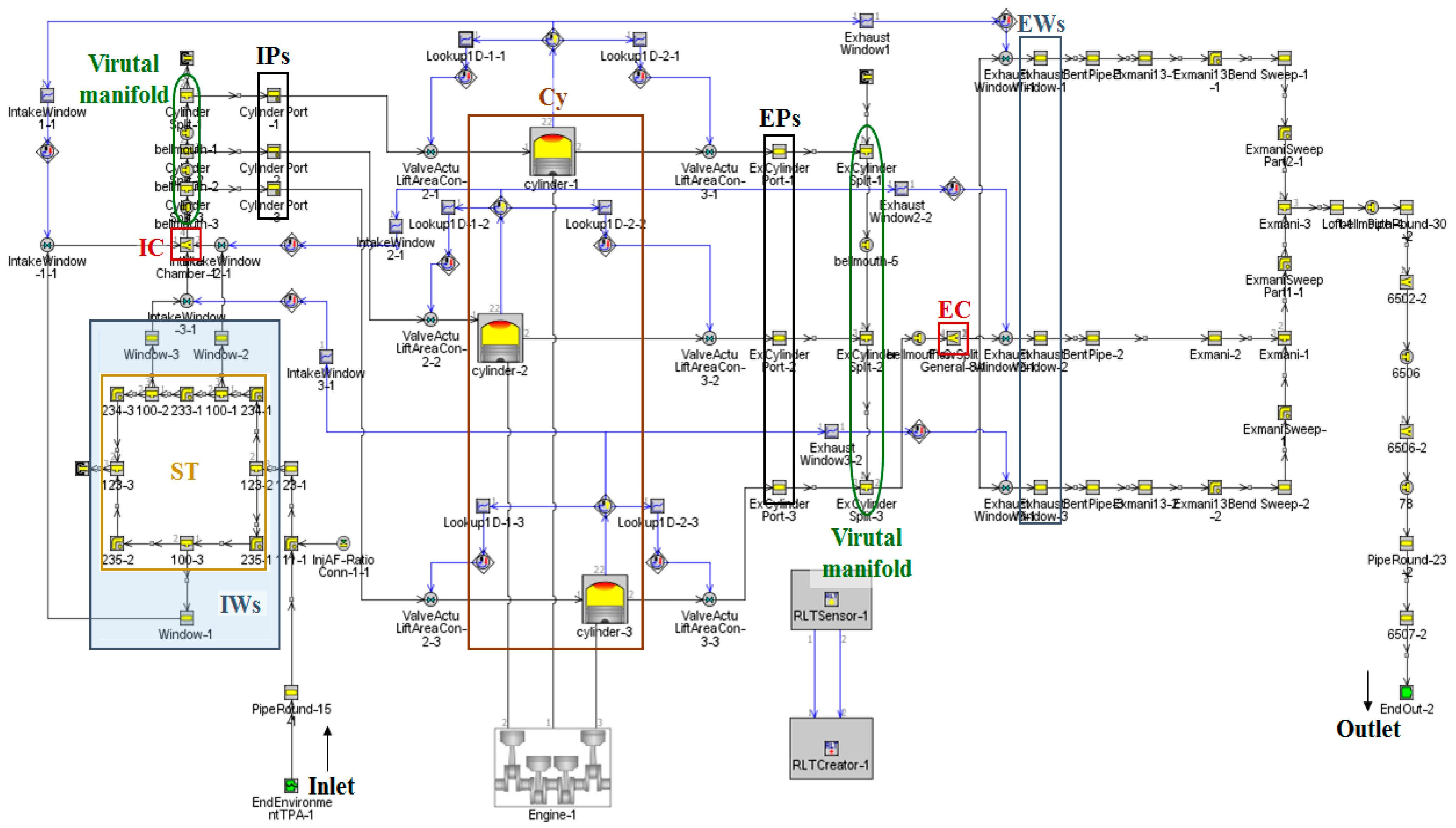
- The VRE flow path model established here can reflect all the characteristics due to changing intake and exhaust windows and port effective areas unique to the GP3 RTE.
- (5)
- The sensitivities of the unique factors of GP3 RTE were confirmed by comparing the step-wise VRE models, and subsequently analyzing the effects by subdividing the factors.
- (6)
- The VRE step 4 model predicted almost the same engine performance indices for fuel quantity, power, efficiency, and EGR rate as those obtained from 3D CFD.
- (7)
- The 1D model using GT-POWER adequately predicted the flow phenomena in 3D, and the developed VRE model is appropriate for optimizing GP3 RTE performance.
- (8)
- IMEP reduced with increasing RPM, with high IMEP typically obtained for ports with SoI −50° and SoE 500°.
- (9)
- The maximum thermal efficiency was achieved at 37.9%, 6000 RPM, case 1, and BTDC 20°. Thermal efficiency increased with increasing RPM, and slowly increased with increasing SoE.
- (10)
- The VRE model developed here is a powerful tool for engine optimization design without changing the 3D design. Computational costs can be minimized by reducing unnecessary analysis. These advantages make this model a useful tool for performing optimization designs, such as improving the geometry of chambers and intake/exhaust windows.
Author Contributions
Funding
Data Availability Statement
Conflicts of Interest
Nomenclature
| A | area (mm2) |
| B | bore (mm) |
| CR | compression ratio |
| Cy | cylinder |
| EA | effective area (mm2) |
| EC | exhaust chamber |
| EP | exhaust port |
| EW | exhaust window |
| GP3 | gerotor pump type with three lobes |
| Hw | housing width (mm) |
| IC | intake chamber |
| IP | intake port |
| IW | intake window |
| r | connecting rod (mm) |
| RE | reciprocating engine |
| RTE | rotary engine |
| S | stroke (mm) |
| SoI | start of intake |
| SoE | start of exhaust |
| SRA | shaft rotation angle (degree) |
| ST | surge tank |
| V | volume (cm3) |
| Vcy | cylinder volume (cm3) |
| Vc | combustion chamber volume (cm3) |
| Vd | displacement volume (cm3) |
| VRE | virtual reciprocating engine |
| WE | Wankel engine |
| over expansion ratio | |
| housing outer circumference angle (°) | |
| rotor outer circumference angle (°) | |
| rotor rotation phase (°) | |
| Subscripts | |
| C | clearance |
| E | effective |
| D | displacement |
| P | port |
| W | window |
References
- Wankel, F. Rotary Internal Combustion Engine. US Patent US2988065A, 13 June 1961. [Google Scholar]
- Raju, M. Heat Transfer and Performance Characteristics of a Dual-Ignition Wankel Engine; SAE Technical Paper 920303; SAE International: Warrendale, PA, USA, 1992. [Google Scholar] [CrossRef]
- Shi, C.; Chai, S.; Di, L.; Ji, C.; Ge, Y.; Wang, H. Combined experimental-numerical analysis of hydrogen as a combustion enhancer applied to Wankel engine. Energy 2023, 263, 125896. [Google Scholar] [CrossRef]
- Bertrand, T.; Willis, E. Rotary Engine Performance Limits Predicted by a Zero-Dimensional Model; SAE Technical Paper 920301; SAE International: Warrendale, PA, USA, 1992. [Google Scholar] [CrossRef]
- Spreitzer, J.; Zahradnik, F.; Geringer, B. Implementation of a Rotary Engine (Wankel Engine) in a CFD Simulation Tool with Special Emphasis on Combustion and Flow Phenomena; SAE Technical Paper 2015-01-0382; SAE International: Warrendale, PA, USA, 2015. [Google Scholar] [CrossRef]
- Otchere, P.; Pan, J.; Fan, B.; Chen, W.; Lu, Y. Recent Studies of Fuels Used in Wankel Rotary Engines. ASME J. Energy Resour. Technol. 2021, 143, 030801. [Google Scholar] [CrossRef]
- Butti, A.; Delle Site, V. Wankel Engine for Hybrid Powertrain; SAE Technical Paper 951769; SAE International: Warrendale, PA, USA, 1995. [Google Scholar] [CrossRef]
- Zhang, X.; Yang, Y.; Ma, H.; Shi, M.; Wang, P. A novel diagnosis indicator for rub-impact of rotor system via energy method. Mech. Syst. Signal Process. 2023, 185, 109825. [Google Scholar] [CrossRef]
- Shkolnik, N.; Shkolnik, A.C. Cycloid Rotor Engine. U.S. Patent US20120294747A1, 2012. [Google Scholar]
- Leboeuf, M.; Dufault, J.; Nickerson, M.; Becker, K.; Kopache, A.; Shkolnik, N.; Shkolnik, A.; Picard, M. Performance of a Low-Blowby Sealing System for a High Efficiency Rotary Engine; SAE Technical Paper 2018-01-0372; SAE International: Warrendale, PA, USA, 2018. [Google Scholar] [CrossRef]
- Shkolnik, A.; Littera, D.; Nickerson, M.; Shkolnik, N.; Cho, K. Development of a Small Rotary SI/CI Combustion Engine; SAE Technical Paper 2014-32-0104; SAE International: Warrendale, PA, USA, 2014. [Google Scholar] [CrossRef]
- Littera, D.; Nickerson, M.; Kopache, A.; Machamada, G.; Sun, C.; Schramm, A.; Medeiros, N.; Becker, K.; Shkolnik, N.; Shkolnik, A. Development of the XMv3 High Efficiency Cycloidal Engine; SAE Paper 2015-32-0719; SAE International: Warrendale, PA, USA, 2015. [Google Scholar] [CrossRef]
- Shkolnik, A.; Shkolnik, N.; Scarcella, J.; Nickerson, M.; Kopache, A.; Becker, K.; Bergin, M.; Spitulnik, A.; Equiluz, R.; Fagan, R.; et al. Compact, Lightweight, High Efficiency Rotary Engine for Generator, Apu, and Range-Extended Electric Vehicles. In Proceedings of the 2018 NDIA Ground Vehicle Systems Engineering and Technology Symposium Proceedings, Novi, MI, USA, 7–9 August 2018. [Google Scholar]
- Costa, T.; Nickerson, M.; Littera, D.; Martins, J.; Shkolnik, A.; Shkolnik, N.; Brito, F. Measurement and Prediction of Heat Transfer Losses on the XMv3 Rotary Engine. SAE Int. J. Engines 2016, 9, 2368–2380. [Google Scholar] [CrossRef]
- Nickerson, M.; Kopache, A.; Shkolnik, A.; Becker, K.; Shkolnik, N.; Bergin, M.; Spitulnik, A.; Mikhailov, K.; Equiluz, R.; Fagan, R.; et al. Preliminary Development of a 30 kW Heavy Fueled Compression Ignition Rotary ‘X’ Engine with Target 45% Brake Thermal Efficiency; SAE Technical Paper 2018-01-0885; SAE International: Warrendale, PA, USA, 2018. [Google Scholar] [CrossRef]
- Yu, B.H.; Lee, Y.H.; Lee, C.E.; Lee, B.C.; Lee, G.G. Rotary Engine. KR Patent KR10-1813925-0000, 2015. [Google Scholar]
- Kim, Y.-J.; Park, T.-J.; Yang, J.-H.; Lee, C.-E. Optimal Design for New Rotary Engine with Geometric Shape Functions on Combustion Chamber and Ports. Energies 2024, 17, 1754. [Google Scholar] [CrossRef]
- Lee, C.E.; Yu, H.H.; Kim, D.H.; Park, T.J. Validation of CFD Analysis and Flow Characteristics of GP3 Rotary Engine at Motoring Condition. J. Korean Soc. Combust. 2020, 25, 11–20. [Google Scholar] [CrossRef]
- Lee, C.E.; Kim, D.H.; Yu, H.H.; Yoon, A.S. Validation of CFD Analysis and Combustion Characteristics of GP3 Rotary Engine at Firing Condition. J. Korean Soc. Combust. 2020, 25, 21–30. [Google Scholar] [CrossRef]
- Lee, C.E.; Park, T.J.; Park, Y.J.; Yoon, A.S. Effects of Intake∙Exhaust Port Position on GP3 Rotary Engine Performances. J. Mech. Sci. Technol. 2020, 44, 717–725. [Google Scholar] [CrossRef]
- Grabowski, L.; Pietrykowski, K.; Wendeker, M. AVL Simulation Tools: Practical Applications; Lublin University of Technology: Lublin, Poland, 2012. [Google Scholar]
- Handschuh, R.F.; Owen, A.K. Analysis of Apex Seal Friction Power Loss in Rotary Engines; National Aeronautics and Space Administration: Cleveland, OH, USA, 2010. [Google Scholar]
- Tartakovsky, L.; Baibikov, V.; Gutman, M.; Veinblat, M.; Reif, J. Simulation of Wankel Engine Performance Using Commercial Software for Piston Engines; SAE Technical Paper 2012-32-0098; SAE International: Warrendale, PA, USA, 2012. [Google Scholar] [CrossRef]
- Colbourne, J.R. The Geometry of Trochoid Envelopes and Their Application in Rotary Pumps. Mech. Mach. Theory 1974, 9, 421–435. [Google Scholar] [CrossRef]
- Gamez-Montero, P.J.; Codina, E. Flow Characteristics of a Trochoidal-Gear Pump Using Bond Graphs and Experimental Measurement. Part 1. Proc. Inst. Mech. Eng. Part I J. Syst. Control. Eng. 2007, 221, 331–346. [Google Scholar] [CrossRef]
- Shung, J.B.; Pennock, G.R. Geometry for Trochoidal-Type Machines with Conjugate Envelopes. Mech. Mach. Theory 1994, 29, 25–42. [Google Scholar] [CrossRef]
- Nabi, M.N.; Rasul, M.; Gudimetla, P. Modelling and simulation of performance and combustion characteristics of diesel engine. Energy Procedia 2019, 160, 662–669. [Google Scholar] [CrossRef]
- Trindade, W.; Santos, R. Combustion Modeling Applied to Engines Using a 1D Simulation Code; SAE Technical Paper 2016-36-0347; SAE International: Warrendale, PA, USA, 2016. [Google Scholar] [CrossRef]
- Bolehovský, O.; Novotný, J. Influence of underhood flow on engine cooling using 1-d and 3-d approach. J. Middle Eur. Constr. Des. Cars 2015, 13, 24–32. [Google Scholar] [CrossRef]
- Martins, M.E.; Lanzanova, T.D. Full-load Miller cycle with ethanol and EGR: Potential benefits and challenges. Appl. Therm. Eng. 2015, 90, 274–285. [Google Scholar] [CrossRef]






















| Common Specifications | VD | VC | CR(CRE) | Fuel | |
|---|---|---|---|---|---|
| 112 cm3 | 11 cm3 | 11 (8.5) | 1.3 | CH4 | |
| GP3 RTE | VRE | ||||
| E | 10 mm | B | 95.71 mm | ||
| RT | 77 mm | S | 15.57 mm | ||
| H | 28 mm | r | 21.90 mm | ||
| Step | Parameter | ||
|---|---|---|---|
| Cylinder | Flow Path | Valve/Port | |
| 1 | Square RE | Manifold | Valve |
| 2 | VRE | Mean EAW | AP |
| 3 | EAW() | AP | |
| 4 | EAW() | EAP() | |
| Equation | ||
|---|---|---|
| Coefficient | A1 | −0.03145 |
| A2 | 0.90191 | |
| x0 | 3.43167 | |
| dx | 15.88452 | |
| CONVERGE | Step 4 Model | Relative Error | |
|---|---|---|---|
| Fuel consumption | 4.2 mg/cycle | 4.43 mg/cycle | −5.48% |
| Indicated work | 4.36 kW | 4.24 kW | 2.75% |
| Efficiency | 27.6% | 27.1% | 1.81% |
| EGR | 16.1% | 13.2% | 18.01% |
| SoI | SoE | ||||
|---|---|---|---|---|---|
| 520° | 510° | 500° | 490° | 480° | |
| −50° | case 1 | case 2 | case 3 | case 4 | case 5 |
| −60° | case 6 | case 7 | case 8 | case 9 | case 10 |
Disclaimer/Publisher’s Note: The statements, opinions and data contained in all publications are solely those of the individual author(s) and contributor(s) and not of MDPI and/or the editor(s). MDPI and/or the editor(s) disclaim responsibility for any injury to people or property resulting from any ideas, methods, instructions or products referred to in the content. |
© 2024 by the authors. Licensee MDPI, Basel, Switzerland. This article is an open access article distributed under the terms and conditions of the Creative Commons Attribution (CC BY) license (https://creativecommons.org/licenses/by/4.0/).
Share and Cite
Kim, Y.-J.; Park, Y.-J.; Park, T.-J.; Lee, C.-E. Development of a Simulation Model for a New Rotary Engine to Optimize Port Location and Operating Conditions Using GT-POWER. Energies 2024, 17, 4732. https://doi.org/10.3390/en17184732
Kim Y-J, Park Y-J, Park T-J, Lee C-E. Development of a Simulation Model for a New Rotary Engine to Optimize Port Location and Operating Conditions Using GT-POWER. Energies. 2024; 17(18):4732. https://doi.org/10.3390/en17184732
Chicago/Turabian StyleKim, Young-Jic, Young-Joon Park, Tae-Joon Park, and Chang-Eon Lee. 2024. "Development of a Simulation Model for a New Rotary Engine to Optimize Port Location and Operating Conditions Using GT-POWER" Energies 17, no. 18: 4732. https://doi.org/10.3390/en17184732
APA StyleKim, Y.-J., Park, Y.-J., Park, T.-J., & Lee, C.-E. (2024). Development of a Simulation Model for a New Rotary Engine to Optimize Port Location and Operating Conditions Using GT-POWER. Energies, 17(18), 4732. https://doi.org/10.3390/en17184732

