Next Article in Journal
Enhancing Aggregate Load Forecasting Accuracy with Adversarial Graph Convolutional Imputation Network and Learnable Adjacency Matrix
Previous Article in Journal
Electrifying Strategic Management: Leveraging Electric Vehicles for Sustainable Value Creation?
 
 
Font Type:
Arial Georgia Verdana
Font Size:
Aa Aa Aa
Line Spacing:
Column Width:
Background:
Article

Installation Design and Efficiency Evaluation of an EV Transform Powertrain and a 3.3 kW Multi-Charging System Driven by a 30 kW Permanent-Magnet Synchronous Motor

by
Pataphiphat Techalimsakul
1 and
Arnon Niyomphol
2,*
1
Program in Electronics and Automation Systems Engineering, Faculty of Technical Education, Rajamangala University of Technology Thanyaburi, Khlong Hok 12110, Thailand
2
Program in Electrical Engineering, Faculty of Technical Education, Rajamangala University of Technology Thanyaburi, Khlong Hok 12110, Thailand
*
Author to whom correspondence should be addressed.
Energies 2024, 17(18), 4584; https://doi.org/10.3390/en17184584
Submission received: 7 August 2024 / Revised: 4 September 2024 / Accepted: 10 September 2024 / Published: 12 September 2024
(This article belongs to the Topic Advanced Electric Vehicle Technology, 2nd Volume)

Abstract

This study focuses on the transformation of Jaguar XJ40 vehicles to electric power, with the main equipment being a permanent-magnet synchronous motor (PMSM), lithium iron phosphate (LFP) batteries, an on-board charger (OBC) system, and a battery management system (BMS). The process involves integrating the PMSM with the vehicle’s existing transmission system. This research compares the driving range of battery electric vehicles (BEVs) using different testing methods under the same conditions: simulation, dynamometer (dino), and actual on-road testing. Based on Raminthra’s public roads (RITA drive cycle), one drive cycle covers 7.64 km in 11.25 min. The simulation test by MATLAB/SIMULINK R2016a predicts a driving distance of up to 282.14 km. The dino test, using a chassis dynamometer to simulate driving conditions while the vehicle remains stationary, indicates a driving distance of 264.68 km. In contrast, actual on-road tests show a driving distance of 259.09 km, accounting for real-world driving conditions, including variations in speed, road types, weather, and traffic. The motor achieves 95% efficiency at 2400 rpm and 420 Nm torque. The simulated distance differs from the actual road distance by approximately 8.17%, suggesting reasonable accuracy of the model.

1. Introduction

Climate change due to CO2 emissions has become a serious concern worldwide [1]. One of the primary contributors is road vehicles, which account for about one quarter of CO2 emissions [2]. In order to address the CO2 pollution problem, many countries have established policies to reduce greenhouse gas emissions in the transportation sector [3]. For instance, 84% of greenhouse gas emissions in Europe come from the transport sector, with 28% primarily associated with ground vehicles. This has led the automotive industry to create low-emission and zero-emission vehicles as alternatives to internal combustion engines. [4].
Currently, electric vehicles (EVs) have begun to play a significant role in transportation services and public use [5]. This shift is largely due to concerns about climate change, which is primarily driven by carbon dioxide emissions. Moreover, fossil fuels are finite resources, prompting many countries to turn their attention to clean energy to reduce air pollution [6]. In addition, EVs also help reduce public noise pollution. EVs have several advantages over internal combustion engine (ICE) vehicles: they are easier to maintain due to fewer moving parts, and they do not release pollutants into the environment. Additionally, ICE vehicles are expected to be phased out by 2035 [7]. Consequently, all new vehicles registered in 2035 are expected to be zero-emission. Numerous governments around the world have recognized transport electrification as a key strategy for reducing CO2 emissions [8].
Replacing ICE vehicles with BEVs is an effective way to reduce vehicle emissions. Vehicles using lithium-ion batteries emit zero tailpipe gases [9]. Transitioning to BEVs can significantly reduce CO2 emissions, fine particles, and noise associated with conventional transportation [8]. Additionally, the cost of electrical energy is lower than that of fossil fuels. Many leading countries in electric vehicle adoption have set targets for zero-emission vehicles by 2050. Both the United States (US) and the European Union (EU) plan to achieve net-zero emissions by 2050 [8].
Electric vehicle transformation has evolved from a niche activity pursued by hobbyists and enthusiasts to a rapidly expanding industry [10]. U.S. Electricar, one of the pioneering commercial electric car transformation companies, was established in the 1970s and sold converted versions of conventional cars in the United States using lead–acid battery storage systems [8]. Another notable early converter, Solectria, offered the Force, which was equipped with lead–acid batteries, as well as premium variants featuring longer ranges using nickel metal-hydride batteries [11].
In terms of providing a long-lasting and reliable solution for electrifying vehicles without requiring drivers to purchase brand new EVs, this approach appears to be sustainable. Given the impending 2030 ban on motorized vehicles, many road users may be reluctant to part with their beloved classic cars [12]. Additionally, this solution helps reduce the vast amount of waste generated when cars reach the end of their life cycle [13]. Many classic cars are no longer in production, and parts for their maintenance can be scarce and expensive. In addition, there are still more than six million classic cars on the road, in garages, and in museums [14]. Converting them to electric can extend their lifespan, allowing enthusiasts to continue enjoying them without the constant worry of finding rare parts.
To present new approaches, this research proposes a transformation design utilizing a universal-grade battery motor. This includes designing and calculating the center of gravity (CG) to appropriately balance the vehicle’s weight and determining an optimal battery placement position. This study proposes the use of a classic electric vehicle transformer driven by a PMSM, aimed at adding value to old classic cars by converting them into electric vehicles, thereby reducing environmental pollution. This approach combines the love of classic vehicles with cutting-edge technology and offers a sense of achievement and pride in creating something unique. The existing technology for converting engine-based vehicles to BEVs typically requires the integration of electrical components alongside the existing engine [9].
However, the transformation process described in this paper offers a significant advantage by completely replacing the engine, leading to a substantial reduction in the gross vehicle weight and consequently improving the range of the converted vehicle. Additionally, the system incorporates an in-car power management system and a 3.3 kW multi-charging system capable of communicating with international charging station systems. Following the EV transformation process, analysis and measurement were conducted under three conditions: simulation, dynamometer (dino), and actual on-road testing. The structure of this research is as follows: Section 1 provides an introduction, Section 2 covers the equipment and design, Section 3 details the EV transformation process, Section 4 presents the results and discussion, and Section 5 concludes the study.

2. Equipment and Design

Designing the battery and motor placement is a huge challenge in making a modified electric vehicle. This is because the total weight of the vehicle and the space needed for installing the motor and battery must be considered. Therefore, a 3D scan is required to ensure the proper placement. Figure 1 shows a scan of the available space for the battery of the Jaguar XJ40 after the removal of the engine. In addition, Figure 2 shows the design of the battery and protection distribution unit (PDU). Furthermore, Table 1 shows the equipment and design for the Jaguar battery placement system, detailing the essential components required for the EV transformation.

2.1. Energy Storage Device

A lithium iron phosphate (LiFePO4 or LFP) battery is a type of lithium-ion battery that utilizes lithium iron phosphate as the cathode material and a graphite electrode with a metal backing as the anode. LFP batteries have low production costs, high safety, low toxicity, and a long service life, making them suitable for use in vehicles and utility-scale stationary applications, as well as for increasing energy reserves. Specifically, cobalt-free LFP batteries have become increasingly popular. As of September 2022, LFP batteries accounted for 31% of the EV market share, with Tesla and BYD alone contributing to 68% of that share. Chinese manufacturers currently dominate the production of LFP batteries. Due to patents expiring in 2022 and a rising demand for more affordable EV batteries, LFP production is projected to grow significantly and potentially surpass lithium nickel manganese cobalt oxide (NMC) batteries by 2028 [15,16,17]. Figure 3 illustrates the performance of LFP batteries. More parameter information can be found in Table 2. Developing infrastructure to support greater distances and fast charging will facilitate long-distance electric vehicle travel.

2.2. Permanent-Magnet Synchronous Motors (PMSMs)

This research proposes the selection of permanent-magnet synchronous motors (PMSMs) for electric vehicles due to their numerous advantages. PMSMs provide high efficiency, high power density, excellent torque, efficient regenerative braking, low maintenance, precise control, superior heat management, and compatibility with advanced electronic devices [18,19]. In addition, a PMSM is an AC synchronous motor with field excitation provided by permanent magnets, producing a sinusoidal back-EMF waveform. It combines features of both induction motors and brushless DC motors. Combining these features can significantly improve the performance, reliability, and overall driving experience of electric vehicles. Figure 4 illustrates the construction of a permanent-magnet synchronous motor: the standard design is on the left, and the inside-out design is on the right. Table 3 presents the technical parameters of a three-phase permanent-magnet synchronous motor, while Table 4 details the technical parameters of the controller used in EV transformation. The controller manages the various functions of an electric vehicle, including the motor, battery, and other critical systems to ensure the vehicle operates efficiently, safely, and optimally. The software is crucial in managing these functions and continuously improving performance through updates.
The total motor power required is approximately the sum of the power needed for acceleration, top speed (aerodynamic drag), and rolling resistance. A safety margin of 10–20% [20] should be included to accommodate potential losses and contingencies. Figure 5 presents the typical characteristic curves of the selected induction engine where the solid lines represent the nominal torque and the nominal power.
P t o t a l = P a c c e l e r a t i o n + P d r a g + P r o l l i n g
Table 3. Technical Parameters of the Permanent-Magnet Synchronous Motor [21].
Table 3. Technical Parameters of the Permanent-Magnet Synchronous Motor [21].
ItemSpecificationValue
Permanent-Magnet Synchronous MotorPower Rating~30/60 kW
Battery Voltage ~365 V
Net Weight ~42.5 kg
Rated Speed ~3300 rpm
Max. Speed ~6000 rpm
Torque Rate ~120.5 Nm
Max. Torque ~390 Nm
Max. Current ~320 A
Table 4. Technical parameters of the controller [21].
Table 4. Technical parameters of the controller [21].
ItemSpecificationValue
Controller Voltage Rating ~382 V
Range of Working Voltage~65–120%
Output Rated Current~167 A
Output Max. Current~320 A
Ambient Temperature−40.5~50.5 °C
Mode of ControlVector control
Mode of CommunicationCAN
Net Weight ~8.9 kg
Protection GradeIP67

2.3. On-Board Charger

The on-board charger (OBC) is a key component that helps the vehicle charge the battery by converting AC to DC [22], which can be stored in the EV’s battery. EV batteries can only store and use DC power, so this transformation is crucial. The OBC manages the charging process, ensuring that the battery is charged safely and efficiently. It monitors and controls the voltage and current to prevent overcharging, overheating, or any other issues that could damage the battery. Table 5 shows parameters of the OBC in EV transformation. The others components of EV transformation will also be assembled in the transformation process as shown in Figure 6.

3. Transformation Process

Figure 7 shows a Jaguar XJ40 model with all internal combustion engines removed, which will be replaced by an electrical system including main components are LFP batteries, PMSM, OBC and three phase inverters as shown in Table 1.
The ICE parts and equipment were removed from the vehicle. The ICE was stripped out, including the exhaust system, fuel tank, and other related components, to create space for the electric motor and batteries. These components include the engine and its auxiliary units, the engine’s electrical wiring, the exhaust system, the fuel tank, and the supply system. To accommodate the batteries and alter the vehicle category, the rear bench and back seats, along with their accompanying equipment, were also removed. Figure 8 shows steps to connect the motor to the gear system, which holds the motor and gear in proper position and is installed together (total weight of 342.8 kg). The motor is connected to the gear, minimizing equipment modification. The original gear system of the vehicle is retained, and only the transmission system is changed. One significant advantage is that the gear position remains unchanged, ensuring that the shaft position also stays the same. This consistency contributes to the safety of the suspension by maintaining the original gear load points and gear mount locations. As a result, the need for extensive modifications to the drivetrain during the conversion to electric power is reduced. Additionally, by retaining the vehicle’s original transmission, the anti-lock braking system (ABS) and other braking mechanisms remain intact and well-balanced. This approach ensures smooth driving in accordance with the gear cycle, while also providing optimal tip speed and the ability to handle heavy loads during acceleration. To visualize a transmission system for an EV conversion that connects an electric motor to the existing gears of a traditional internal combustion engine (ICE) vehicle, see the diagram in Figure 9. The electric motor (EM) was subsequently mounted in the vehicle and connected to the gearbox, with a custom-built mounting bracket ensuring that the suspension points of the installed electric motor align with those of the internal combustion engine (ICE), as shown in Figure 10.
At the front and in the trunk of the vehicle, two-sheet steel boxes were installed to house the batteries. The cells were organized into two groups connected both in series and parallel, providing an output voltage of 4 × 12 V. The batteries were linked to the electric motor and integrated with the control unit and variable frequency drives. Then, the AC input of the onboard charger was connected to an external charging port. In addition, the DC output of the onboard charger was connected to the battery pack. This involved a connection to the BMS or a dedicated charging circuit within the battery pack. All of the connections are shown in Figure 11. Table 6 represents the ICE and EV transformation-specific parameters.
The petrol-filling point was adapted to serve as the charging port. A battery charger was installed to allow the batteries to be recharged from any 110-volt or 220-volt wall outlet. Additionally, the gas gauge was replaced with a voltmeter to indicate the current and battery voltage. The all-schematic Jaguar XJ40, the circuit diagrams of OBC and BMS, the circuit diagrams of the controller and powertrain, and the concept of a BEV using MATLAB are shown in Figure 12, Figure 13 and Figure 14 respectively. The schematic design of an EV is a blueprint that defines how these systems connect, interact, and work together. It is the basis of a vehicle’s performance, safety, efficiency, and user experience. In addition, the drive cycle has been designed according to various parameters to be convenient for all three types of testing, such as simulation, the dynamometer (dino), and actual on-road testing as shown in Table 7.

4. Results and Discussion

4.1. Simulation and Experimental Setup

The Principle of Resistance Simulation

When the vehicle drives on the road, resistance is determined as follows [23]:
T z = r i g   i 0   η ( m g f + C D A 21.5   u a 2   + mgi + δ m d u d t )
where rolling resistance is Ff, air friction is Fw, gradient resistance is Fi, acceleration resistance is Fj, the mass of the vehicle is m, the coefficient of rolling resistance is f, the coefficient of air resistance is CD, the vehicle windward area is A, the speed of vehicle running is ua, the ramp angle is i, du and dt is velocity and time of EV respectively. The vehicle rotating mass reduction coefficient is δ.
The force on the wheels that the traction motor transmits is as follows [24]:
F z = F = T Z i g i 0 η r
where the traction motor load torque is Tz, the gear box transmission ratio is ig, the final ratio is i0, transmission efficiency is η, and the wheel radius is r. Instead of (2) and (3), the traction motor load torque is expressed as the Formula (4).
T z = r i g i 0   η ( m f g + C D A 21.5 u a 2 + m g i + δ m   d u d t )
The relationship between the traction motor speed n and the vehicle running speed u is as follows [25]:
n = 2.653 u a i g i 0 r
The meaning of ig, i0, and r are shown in Formula (3).
Wheel power (Pw) is determined by the product of the tensile force acting on the wheels (Fw) and the speed of the vehicle [13].
PW (t) = FW (t) × vvehicle (t)
The determination of the total power available to the wheels is
E W ( t ) = o t P W t d t
The relationship between velocity and acceleration time is defined as
V = a t = d v d t   t
W = FD is acceleration work, and F = ma is acceleration force, where the distance (D) moved is in meters [13].
This study analyzes electric vehicle performance using three testing methods: simulation, a dynamometer (dino), and actual road testing. The simulation, conducted in MATLAB/SIMULINK R2016a, follows the RITA drive cycle, covering 7.64 km in 11.25 min with an average speed of 60.7 km/h. The dino test measures power output and torque using a dynamometer, while actual road testing assesses the vehicle’s performance and efficiency in real-world conditions. All three situations will be compared in terms of driving distance, power, and torque. Figure 15 shows the experimental design of the Jaguar XJ40 electric vehicle transformation.
Figure 16 displays the simulated speed profiles of the EV transformation for a single drive cycle. During this cycle, the vehicle accelerated to an initial constant speed of about 61.08 km/h, which it maintained for 137.8 s before decelerating to an idle state. The second cycle began 40 s later, where the vehicle achieved and held a steady speed of approximately 69.6 km/h for 175 s before entering the deceleration phase. After another 40 s interval, the third and fourth cycles featured speeds of around 90 km/h (for 210 s) and 125 km/h (for 230 s), respectively. The final cycle involved accelerating to a constant speed of 138 km/h and maintaining it for 280 s. Figure 17 presents the efficiency map shapes and their corresponding loss contours for the PMSM, while Figure 18 shows the performance simulation curves of the PMSM. In a battery management system (BMS), displaying the battery cell balance information, as shown in Figure 19, can provide insight into the performance and condition of the battery pack. The BMS demonstrates effective cell balancing across all battery cells. From the image, it is evident that each cell has a value of 3.8, indicating that the battery is in good condition. This also shows that the BMS is functioning efficiently, with proper cell balancing contributing to system stability. It prevents the system from shutting down during driving and also indicates the internal resistance status of the battery. These parameters confirm that the battery can be charged according to standards. Furthermore, Figure 20 shows the efficiency of a 3.3 kW multi-charging system. The graph indicates that the stability of the charging systems across all four batteries demonstrates similar efficiency in operation. A multi-charging system provides flexibility and convenience for EV users, enabling them to charge their vehicles from various sources without needing multiple separate systems.
Figure 21 shows 90.47% SOC degradation over the driving cycles of the simulation, dino, and actual road testing. The rate of change of SOC, denoted by ΔSOC, is obtained by taking the difference between the current sample and the previous sample for the SOC signal. Figure 22 and Figure 23 show the power during the charging process in normal mode and acceleration mode, respectively. They also present a comparison of power and torque in BEVs using different testing methods such as dynamometer (dino) simulation and actual road tests. These comparisons offer valuable insights into the vehicle’s performance under various conditions. Here is an overview of these testing methods and their implications: Simulation is useful for early-stage design and optimization but may not fully reflect real-world performance. Dino testing provides a good balance between accuracy and control, useful for tuning and validating the powertrain [26]. Actual on-road testing is essential for final validation and understanding real-world performance and driver experience [27]. In results, the lower power and torque observed during actual on-road testing reflect the numerous real-world variables and inefficiencies that are either controlled or idealized in simulations and dino tests. This makes on-road testing an essential step in evaluating the true performance of BEVs under everyday driving conditions as shown in Figure 24.
In Figure 25, there is a comparison of the driving range of BEVs in different testing methods: simulation, dynamometer (dino), and actual road testing. The simulation is for one drive cycle covering 7.64 km that takes 11.25 min, covering a driving distance of up to 282.14 km. Dino uses a chassis dynamometer to simulate driving conditions while the vehicle is stationary; the driving distance covers 264.68 km. Actual on-road tests conducted on public roads show a driving distance of 259.09 km. Real-world driving conditions include variations in speed, road types, weather, and traffic. The study found that the real-world energy consumption of EVs was generally higher than the values predicted by standardized driving cycles and simulations.

5. Conclusions

In conclusion, the transition from internal combustion engines to EVs has gained significant momentum, driven by the need for sustainable transportation solutions. This study focuses on the transformation of Jaguar XJ40 vehicles to electric power. To ensure compliance with international standards, the equipment used must adhere to established global regulations. The transformation of Jaguar XJ40 vehicles to electric power utilizing PMSMs and their integration with the existing transmission demonstrates significant potential for enhanced efficiency, improved performance, reduced maintenance, and environmental benefits. The comparison of driving ranges through simulation, dynamometer (dino) testing, and actual on-road testing provides valuable insights into the vehicle’s performance across different testing methodologies under consistent conditions. In alignment with Raminthra’s public roads (RITA drive cycle), a single drive cycle encompasses 7.64 km over a duration of 11.25 min. The results indicate that the simulation predicts a driving range of up to 282.14 km. The dynamometer test, conducted using a chassis dynamometer to simulate driving conditions while the vehicle remains stationary, suggests a driving range of 264.68 km. In contrast, actual on-road testing conducted on public roads reveals a driving range of 259.09 km, taking into account real-world conditions, including variations in speed, road types, weather, and traffic. The motor’s peak efficiency is recorded at 95% at a speed of 2400 rpm and a torque of 420 Nm. Furthermore, the percentage difference between the simulated range and the actual road range is approximately 8.17%, indicating that the simulation model is reasonably accurate. This research is therefore deemed successful in the practical conversion of vehicles to electric power, including the selection of equipment and testing in accordance with international standards.

Author Contributions

Conceptualization, P.T. and A.N.; methodology, P.T.; software, P.T.; validation, P.T. and A.N.; formal analysis, P.T.; investigation, P.T.; resources, P.T. and A.N.; data curation, A.N.; writing—original draft preparation, P.T.; writing—review and editing, A.N.; visualization, P.T.; supervision, P.T.; project administration, A.N.; funding acquisition, P.T. and A.N. All authors have read and agreed to the published version of the manuscript.

Funding

This research received no external funding.

Data Availability Statement

The original contributions presented in the study are included in the article, further inquiries can be directed to the corresponding author.

Conflicts of Interest

The authors declare no conflict of interest.

Abbreviations

The abbreviations utilized in this paper are outlined as follows:
LFPLithium Iron Phosphate
NMCNickel Magnesium Cobalt
OBCOn-Board Charger
ABSAnti-lock braking system
BEVBattery Electric Vehicle
PMSMPermanent-magnet synchronous motor
CGCenter of gravity
BMSBattery Management System
ICEInternal Combustion Engine
SOCState of charge
PDUProtection distribution unit
DinoDynamometer
RITARaminthra’s public roads

References

  1. Mohammed, A.S.; Olalekan Salau, A.; Sigweni, B.; Zungeru, A.M. Transform and performance evaluation of petrol engine to electric powered three-wheeler vehicle with an onboard solar charging system. Energy Transform Manag. X 2023, 20, 100427. [Google Scholar]
  2. Liu, D.; Xu, L.; Sadia, U.H.; Wang, H. Evaluating the CO2 emission reduction effect of China’s battery electric vehicle promotion efforts. Atmos. Pollut. Res. 2021, 12, 101115. [Google Scholar] [CrossRef]
  3. Qin, Z.; Luo, Y.; Li, K.; Peng, H. Optimal Design of a Novel Hybrid Electric Powertrain for Tracked Vehicles Energies [Online]. Energies 2017, 10, 2141. [Google Scholar] [CrossRef]
  4. European Commission. European Green Deal: Commission Proposes Transformation of EU Economy and Society to Meet Climate Ambitions; European Commission Press Release: Brussels, Belgium, 2021; p. 14. [Google Scholar]
  5. Pan, W.; Yu, X.; Guo, Z.; Qian, T.; Li, Y. Online EVs Vehicle-to-Grid Scheduling Coordinated with Multi-Energy Microgrids: A Deep Reinforcement Learning-Based Approach. Energies 2024, 17, 2491. [Google Scholar] [CrossRef]
  6. Achariyaviriya, W.; Suttakul, P.; Phuphisith, S.; Mona, Y.; Wanison, R.; Phermkorn, P. Potential reductions of CO2 emissions from the transition to electric vehicles: Thailand’s scenarios towards 2030. Energy Rep. 2023, 9, 124–130. [Google Scholar] [CrossRef]
  7. Aggarwal, A.; Chawla, V.K. A sustainable process for transform of petrol engine vehicle to battery electric vehicle: A case study. Mater. Today Proc. 2021, 38, 432–437. [Google Scholar] [CrossRef]
  8. Griffiths, H. Classic Electric Car Transforms Boom in Popularity. Auto Express. 24 June 2020. Available online: https://www.autoexpress.co.uk/news/352597/ev-classic-car-conversions-see-boom-popularity (accessed on 9 September 2024).
  9. Center, L.R. State-of-The-Art Assessment of Electric and Hybrid Vehicles. National Aeronautics and Space Administration; Lewis Research Center: Cleveland, OH, USA, 1977; Available online: https://books.google.co.th/books?id=Fh440AEACAAJ (accessed on 10 March 2024).
  10. Knight, J. From Newspaper Owner to New Car Salesman. The Washington Post, 12 October 1978; Retrieved 24 February 2023. [Google Scholar]
  11. Kaiser, F. The Key to the World of Classic Car Collecting, (Online). Available online: https://kaiserpartner.com/perspectives/the-key-to-the-world-of-classic-car-collecting/ (accessed on 10 March 2024).
  12. Techalimsakul, P.; Keyoonwong, W. Integrated Vehicle-Following Control for Four-Wheel Independent Drive Based on Regenerative Braking System Control Mechanism for Battery Electric Vehicle Transform Driven by PMSM 30 kW. Energies 2024, 17, 2576. [Google Scholar] [CrossRef]
  13. Naseri, T.; Mousavi, S.M. Treatment of spent lithium iron phosphate (LFP) batteries. Curr. Opin. Green Sustain. Chem. 2024, 47, 100906. [Google Scholar] [CrossRef]
  14. Mahandra, H.; Ghahreman, A. A sustainable process for selective recovery of lithium as lithium phosphate from spent LiFePO4 batteries. Resour. Conserv. Recycl. 2021, 175, 105883. [Google Scholar] [CrossRef]
  15. Mahandra, H.; Hein, G.; Faraji, F.; Ghahreman, A. A novel neutrophilic bacteria based process for selective LiFePO4 cathode recycling. Resour. Conserv. Recycl. 2023, 195, 107015. [Google Scholar] [CrossRef]
  16. Techalimsakul, P.; Sawetmethikul, P. Efficiency Analysis of Hybrid Extreme Regenerative with Supercapacitor Battery and Harvesting Vibration Absorber System for Electric Vehicles Driven by Permanent Magnet Synchronous Motor 30 kW. World Electr. Veh. J. 2024, 15, 214. [Google Scholar] [CrossRef]
  17. Ji, F.; Song, Q.; Li, Y.; Cao, R. An Accurate Torque Control Strategy for Permanent Magnet Synchronous Motors Based on a Multi-Closed-Loop Regulation Design. Energies 2024, 17, 156. [Google Scholar] [CrossRef]
  18. Wang, H.; Leng, J. Summary on development of permanent magnet synchronous motor. In Proceedings of the 2018 Chinese Control and Decision Conference (CCDC), Shenyang, China, 9–11 June 2018. [Google Scholar] [CrossRef]
  19. Murty, P.S.R. Chapter 1—Introduction. In Power Systems Analysis, 2nd ed.; Murty, P.S.R., Ed.; Butterworth-Heinemann: Oxford, UK, 2017; pp. 1–6. [Google Scholar] [CrossRef]
  20. Sethuraman, R.; Rudhramoorthy, M. Performance of bidirectional ON-Board Charger in Electric Vehicle: A review. e-Prime-Adv. Electr. Eng. Electron. Energy 2024, 8, 100613. [Google Scholar] [CrossRef]
  21. Yu, L.; Zhang, Y.; Huang, W.; Teffah, K. A Fast-Acting Diagnostic Algorithm of Insulated Gate Bipolar Transistor Open Circuit Faults for Power Inverters in Electric Vehicles. Energies 2017, 10, 552. [Google Scholar] [CrossRef]
  22. Yang, S.-B.; Li, Z.-Z.; Xu, F.; Zhang, G.-G.; Deng, Y.-F.; Wang, J. A Electric Vehicle Powertrain Simulation and Test of Driving Cycle Based on AC Electric Dynamometer Test Bench. In Proceedings of the 1st International Conference on Mechanical Engineering and Material Science, Shanghai, China, 28–30 December 2012. [Google Scholar] [CrossRef]
  23. Guenidi, S.; Tadjine, M.; Boucherit, M.S. Model based Design of an Electrical Hybrid Vehicle with Energy Management. Int. J. Comput. Appl. 2014, 97, 35–41. [Google Scholar] [CrossRef]
  24. Wang, Z.-P.; Yao, L.-M.; Sun, F.-C. Preliminary Study on Evaluation System of EV Energy Consumption Economy. J. Beijing Inst. Technol. 2005, 25, 479–482. (In Chinese) [Google Scholar]
  25. Ma, R.; He, X.; Zheng, Y.; Zhou, B.; Lu, S.; Wu, Y. Real-world driving cycles and energy consumption informed by large-sized vehicle trajectory data. J. Clean. Prod. 2019, 223, 564–574. [Google Scholar] [CrossRef]
  26. Författare, A; Constantin, F.R.; Sudhir, B. Vehicle Simulation for Powertrain System Testing. Master’s Thesis, Department of Applied Mechanics Chalmers University of Technology, Gothenburg, Sweden, 2017.
  27. Zhu, M.T.; Wu, X.; Wu, K.; Zhou, J.H. Development of Measurement and Control System for Vehicular Powertrain Testbench in HEV Applications. In Proceedings of the 2011 International Conference on Remote Sensing, Environment and Transportation Engineering, Nanjing, China, 24–26 June 2011; RSETE 2011-Proceedings. pp. 3063–3067. [Google Scholar]
Figure 1. 3D scan of the battery area after removal of the engine: (a) 45° angle and (b) straight angle.
Figure 1. 3D scan of the battery area after removal of the engine: (a) 45° angle and (b) straight angle.
Energies 17 04584 g001
Figure 2. 3D design of (a) battery protection and (b) protection distribution unit (PDU).
Figure 2. 3D design of (a) battery protection and (b) protection distribution unit (PDU).
Energies 17 04584 g002
Figure 3. The performance of an LFP battery.
Figure 3. The performance of an LFP battery.
Energies 17 04584 g003
Figure 4. Construction of a permanent-magnet synchronous motor: on the left—standard, on the right—inside-out.
Figure 4. Construction of a permanent-magnet synchronous motor: on the left—standard, on the right—inside-out.
Energies 17 04584 g004
Figure 5. Torque/Output Power vs. Speed [8].
Figure 5. Torque/Output Power vs. Speed [8].
Energies 17 04584 g005
Figure 6. The other components of EV transformation: (a) BMS, (b) vacuum brake, (c) air compressor, (d) pre-charge circuit, (e) switchgear, and (f) accelerator.
Figure 6. The other components of EV transformation: (a) BMS, (b) vacuum brake, (c) air compressor, (d) pre-charge circuit, (e) switchgear, and (f) accelerator.
Energies 17 04584 g006
Figure 7. The internal combustion engines have been removed.
Figure 7. The internal combustion engines have been removed.
Energies 17 04584 g007
Figure 8. The steps for assembling the motor connected to the gear. (a) shows the position of the center gear, also known as the spy gear. It is the part that is used for coupling with the motor rotor part; (b) adjustment steps Install the gear and motor parts together; (c) flange position specially designed to support weight and combine the motor with the original gear to create strength; (d) shows a picture after the original motor and transmission have been completely installed together.
Figure 8. The steps for assembling the motor connected to the gear. (a) shows the position of the center gear, also known as the spy gear. It is the part that is used for coupling with the motor rotor part; (b) adjustment steps Install the gear and motor parts together; (c) flange position specially designed to support weight and combine the motor with the original gear to create strength; (d) shows a picture after the original motor and transmission have been completely installed together.
Energies 17 04584 g008
Figure 9. Illustration of the integration of the electric motor with the existing transmission system.
Figure 9. Illustration of the integration of the electric motor with the existing transmission system.
Energies 17 04584 g009
Figure 10. Conversion assembly of an electric car; (a) installation of the motor into the mounting point and (b) connection between the motor and three-phase inverter.
Figure 10. Conversion assembly of an electric car; (a) installation of the motor into the mounting point and (b) connection between the motor and three-phase inverter.
Energies 17 04584 g010
Figure 11. Steps to convert a combustion vehicle to an electric vehicle (EV); (a) shows the position of the center gear, also known as the spy gear. It is the part that is used for coupling with the motor rotor part, (b) adjustment steps: install the gear and motor parts together, (c) the flange position has been specially designed to support the weight and securely integrate the motor with the original gear system, ensuring structural integrity and strength, and (d) illustrates the integration of the original car’s motor and transmission after the installation is complete.
Figure 11. Steps to convert a combustion vehicle to an electric vehicle (EV); (a) shows the position of the center gear, also known as the spy gear. It is the part that is used for coupling with the motor rotor part, (b) adjustment steps: install the gear and motor parts together, (c) the flange position has been specially designed to support the weight and securely integrate the motor with the original gear system, ensuring structural integrity and strength, and (d) illustrates the integration of the original car’s motor and transmission after the installation is complete.
Energies 17 04584 g011
Figure 12. The schematic of a Jaguar XJ40. (a) the placement of 2 packs batteries in the front of the EV; (b) the placement of 2 packs batteries in the trunk of the EV.
Figure 12. The schematic of a Jaguar XJ40. (a) the placement of 2 packs batteries in the front of the EV; (b) the placement of 2 packs batteries in the trunk of the EV.
Energies 17 04584 g012
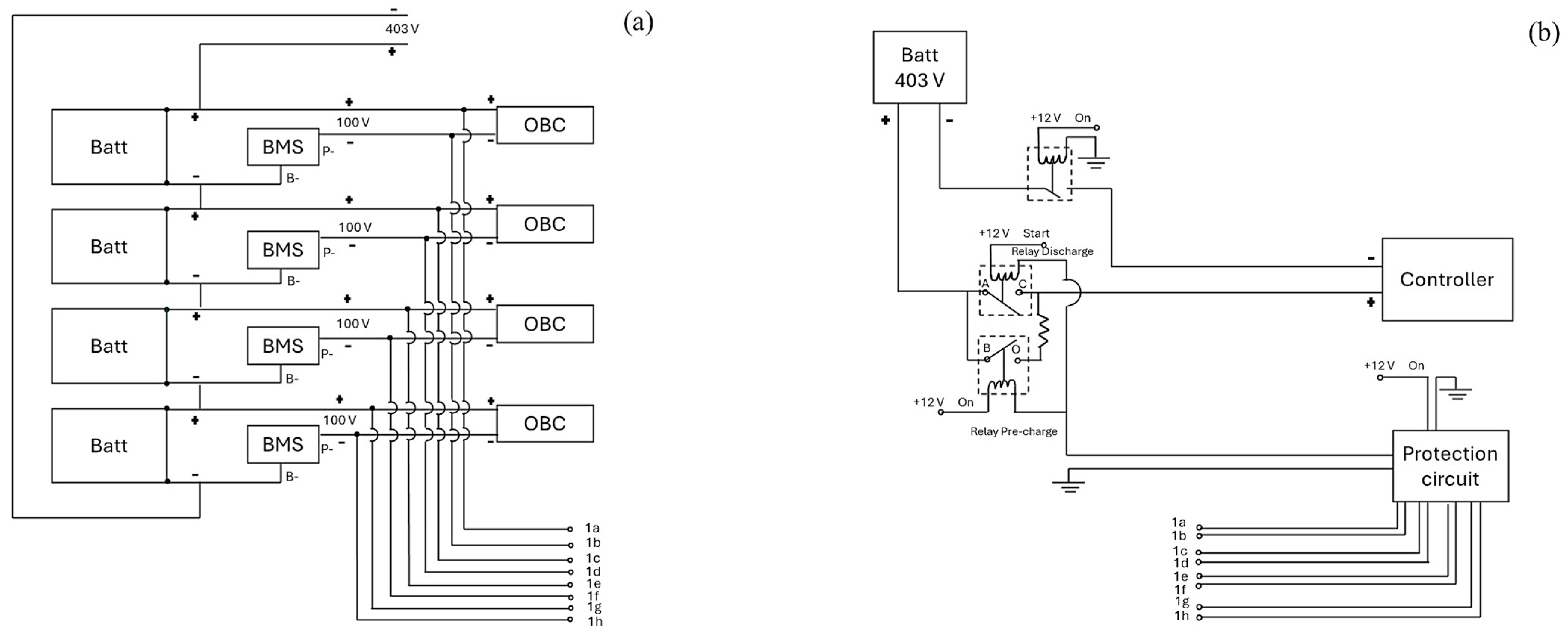
Figure 13. The circuit diagram of OBC of 3.3 kW 4 unit and BMS: (a) charging system circuit and (b) pre-charge and protection circuit.
Figure 13. The circuit diagram of OBC of 3.3 kW 4 unit and BMS: (a) charging system circuit and (b) pre-charge and protection circuit.
Energies 17 04584 g013
Figure 14. The concept of BEVs based on the MATLAB script.
Figure 14. The concept of BEVs based on the MATLAB script.
Energies 17 04584 g014
Figure 15. Experimental design of the Jaguar XJ40 electric vehicle transformation.
Figure 15. Experimental design of the Jaguar XJ40 electric vehicle transformation.
Energies 17 04584 g015
Figure 16. The simulated performance of motor torque and driving cycle with regenerative braking force.
Figure 16. The simulated performance of motor torque and driving cycle with regenerative braking force.
Energies 17 04584 g016
Figure 17. The efficiency map shapes and their associated loss contours for the PMSM.
Figure 17. The efficiency map shapes and their associated loss contours for the PMSM.
Energies 17 04584 g017
Figure 18. Performance simulation curves of PMSM.
Figure 18. Performance simulation curves of PMSM.
Energies 17 04584 g018
Figure 19. The BMS display of battery cell balance information.
Figure 19. The BMS display of battery cell balance information.
Energies 17 04584 g019
Figure 20. The pattern in 3.3 kW multi-charging system mode.
Figure 20. The pattern in 3.3 kW multi-charging system mode.
Energies 17 04584 g020
Figure 21. Comparison of three scenarios to measure the state of charge (SOC) (90.47%) of the battery in electric vehicles.
Figure 21. Comparison of three scenarios to measure the state of charge (SOC) (90.47%) of the battery in electric vehicles.
Energies 17 04584 g021
Figure 22. Power during charging process in normal mode.
Figure 22. Power during charging process in normal mode.
Energies 17 04584 g022
Figure 23. Power during charging process in acceleration mode.
Figure 23. Power during charging process in acceleration mode.
Energies 17 04584 g023
Figure 24. Different testing methods of BEVs: simulation, dynamometer (dino), and actual road testing.
Figure 24. Different testing methods of BEVs: simulation, dynamometer (dino), and actual road testing.
Energies 17 04584 g024
Figure 25. The driving range of the BEV under three different testing methods: simulation, dynamometer (Dino), and actual road testing.
Figure 25. The driving range of the BEV under three different testing methods: simulation, dynamometer (Dino), and actual road testing.
Energies 17 04584 g025
Table 1. The simulated and experimental information of EV transformation [13].
Table 1. The simulated and experimental information of EV transformation [13].
ComponentsSpecificWeight
High-voltage batteryLFP 24-cell battery (4 packs/100 volts)335 kg
Permanent-magnet synchronous motor (PMSM) + controller30/60 KW, rated peak 60 kW, IP67, 6000 rpm52 kg
On-board charger3.3 kW (4 units)-
Three-phase inverterMaximum voltage input: 900 Vdc33.2 kg
Measurement instrumentPower and data analysis: YOKOGAWA DL350
Table 2. The parameters of LFP battery chemistry [13].
Table 2. The parameters of LFP battery chemistry [13].
ItemSpecifics
Capacity kWh52.8
Voltage in normal (V)3.2
Voltage on operation (V)2.0–3.6
Density of energy (Wh/kg)90–160
Charging (C-rate)0.2 C to 1 C
Discharging (D-rate)1 C
Cycle life2000–10,000
Thermal runaway151 °C
Table 5. Parameters of the OBC in electric vehicle transformation.
Table 5. Parameters of the OBC in electric vehicle transformation.
ParameterSymbolValue
Voltage of grid/frequencyGv/f220 V/60 Hz
Voltage of DC-link (primary)Pv700 V
Voltage of DC-link (secondary)Sv350 V
Rated output powerRp3.3 kW
Switching frequencySf50 kHz
Nominal phase-shift angleNpa13.45°
Capacitance of DC-link (primary)Pc470 µF
Capacitance of DC-link (secondary)Sc220 µF
Interleaving inductanceIinduct1.6 mH
Transformer turns ratioTtr2
Power transfer inductancePti47 µH
Table 6. ICE and EV transformation-specific parameters.
Table 6. ICE and EV transformation-specific parameters.
DataICEEV Transformation
EngineInternal combustion enginePMSM
Max. Power123 kW120 kW
Torque239 Nm240 Nm
Max. Speed4000 rpm6000 rpm
Weight1793 mm1780 mm
Power-to-weight Ratio10.8 kW/kg15 kW/kg
Torque-to-weight Ratio34.3 kgm35.3 kgm
Table 7. Key parameters of the driving cycles of the RITA drive cycle.
Table 7. Key parameters of the driving cycles of the RITA drive cycle.
ParametersUnitRITA Drive Cycle
duration(min)11.25
distance(km)7.64
average speed(km/h)60.7
maximum speed(km/h)120.17
stop duration(%)20.05
constant driving(%)35.78
acceleration(%)20.12
deceleration(%)16.33
positive average (acceleration) (m/s2)0.52
positive maximum (acceleration) (m/s2)1.58
positive average (speed acceleration) (m2/s3)1.29
positive maximum (speed·acceleration) (m2/s3)15.08
average deceleration (m/s2)−0.44
minimum deceleration (m/s2)−1.37
Disclaimer/Publisher’s Note: The statements, opinions and data contained in all publications are solely those of the individual author(s) and contributor(s) and not of MDPI and/or the editor(s). MDPI and/or the editor(s) disclaim responsibility for any injury to people or property resulting from any ideas, methods, instructions or products referred to in the content.

Share and Cite

MDPI and ACS Style

Techalimsakul, P.; Niyomphol, A. Installation Design and Efficiency Evaluation of an EV Transform Powertrain and a 3.3 kW Multi-Charging System Driven by a 30 kW Permanent-Magnet Synchronous Motor. Energies 2024, 17, 4584. https://doi.org/10.3390/en17184584

AMA Style

Techalimsakul P, Niyomphol A. Installation Design and Efficiency Evaluation of an EV Transform Powertrain and a 3.3 kW Multi-Charging System Driven by a 30 kW Permanent-Magnet Synchronous Motor. Energies. 2024; 17(18):4584. https://doi.org/10.3390/en17184584

Chicago/Turabian Style

Techalimsakul, Pataphiphat, and Arnon Niyomphol. 2024. "Installation Design and Efficiency Evaluation of an EV Transform Powertrain and a 3.3 kW Multi-Charging System Driven by a 30 kW Permanent-Magnet Synchronous Motor" Energies 17, no. 18: 4584. https://doi.org/10.3390/en17184584

APA Style

Techalimsakul, P., & Niyomphol, A. (2024). Installation Design and Efficiency Evaluation of an EV Transform Powertrain and a 3.3 kW Multi-Charging System Driven by a 30 kW Permanent-Magnet Synchronous Motor. Energies, 17(18), 4584. https://doi.org/10.3390/en17184584

Note that from the first issue of 2016, this journal uses article numbers instead of page numbers. See further details here.

Article Metrics

Back to TopTop