Next Article in Journal
Recent Advances in Numerical Simulation of Ejector Pumps for Vacuum Generation—A Review
Previous Article in Journal
Optimal Reconfiguration of Electrical Distribution Networks Using the Improved Simulated Annealing Algorithm with Hybrid Cooling (ISA-HC)
 
 
Font Type:
Arial Georgia Verdana
Font Size:
Aa Aa Aa
Line Spacing:
Column Width:
Background:
Article

Research on the Power Coordinate Control Strategy between a CLCC-HVDC and a VSC-HVDC during the AC Fault Period

State Grid Jiangsu Electric Power Co., Ltd. Research Institute, Nanjing 211103, China
*
Author to whom correspondence should be addressed.
Energies 2024, 17(17), 4478; https://doi.org/10.3390/en17174478
Submission received: 9 July 2024 / Revised: 24 August 2024 / Accepted: 4 September 2024 / Published: 6 September 2024
(This article belongs to the Section F: Electrical Engineering)

Abstract

The underlying cause of commutation failures in traditional line-commutated converter (LCC) high-voltage direct-current (HVDC) transmission technology lies in the sensitivity of the thyristor devices, which are prone to turning off, thereby restoring the forward circuit breaker capability. This paper presents a coordination strategy between a controllable line-commutated converter (CLCC) and a voltage-sourced converter (VSC) and delves into the fault characteristics specific to CLCC damage. Our research focuses on CLCC topology, where fully controlled devices are incorporated to manage the thyristor’s turn-off time, ensuring its successful deactivation. This approach serves as a fundamental preventative measure against commutation faults. Furthermore, we employ a coordination strategy between the VSC and the CLCC to enhance the recovery time efficiency of the AC system. This strategy is simulated and validated using PSCAD software, and the results confirm its effectiveness in fault tolerance and AC system recovery.

1. Introduction

Commutation failure stands as an inherent issue in grid commutation-based DC transmission technology [1,2,3]. Statistics reveal that between 2004 and the end of 2018, Jiangsu Province’s Xitai, Jinsu, and Longzheng DC systems experienced a total of 132 commutation failures. Notably, a single DC commutation failure has the potential to trigger multiple simultaneous failures. For instance, in July 2022, a commutation failure in Shanghai Linfeng led to concurrent failures in two DC circuits located in Yihua and Genan. Such a failure will cause a sudden surge in the DC, impacting the converter valve and, in extreme cases, leading to DC lock-up and system decommissioning. This poses significant threats to the power grid’s safe and stable operation [4,5]. As renewable energy sources are increasingly integrated into the grid, commutation failures are manifesting in new and complex ways.
To mitigate the risk of commutation failures, practical measures in DC projects often include optimizing the DC control and protection system and installing reactive power compensation devices [6,7]. However, with the rising innovation of renewable energy, the fault propagation characteristics of these sources across voltage levels expose the commutation bus voltage to multiple risks, such as voltage drops, distortions, and phase shifts, simultaneously. Furthermore, the transient characteristics of multiple DC faults complexly interact, and a single DC disturbance can effortlessly affect adjacent DC systems. Consequently, there is an urgent need to enhance the existing commutation failure control strategies [8,9].
On the other hand, commutation failure can be entirely prevented through the use of switchable devices. Back in the 1950s, scholars both domestically and internationally introduced the topology of forced-commutation converters to enhance LCCs’ resilience against commutation failure. These forced-commutation converters encompass the capacitor-commutated converter (CCC) [10] and the controlled series capacitor converter (CSCC) [11]. The CCC involves capacitors serially connected between the converter valve and the converter transformer in traditional DC transmission. In the CSCC, capacitors are positioned at the converter transformer’s location, specifically on the primary side (between the commutation bus and the transformer), with anti-parallel thyristors and capacitors added in parallel. Despite their innovations, these technologies face limitations such as unbalanced capacitor voltage and high-pressure demands on the converter valve, hindering their widespread application in practical projects. Some researchers have also experimented with replacing a portion of the thyristors in each bridge arm of the converter with integrated gate-commutated thyristors (IGCTs), introducing a novel hybrid line-commutated converter (H-LCC). This advanced converter significantly reduces the likelihood of commutation failure [12].
Drawing inspiration from the modular design and adaptable voltage control offered by the MMC-HVDC, domestic scholars have presented innovative solutions to mitigate commutation failure. Specifically, in the literature, the authors of [13] introduced a novel grid-commutated converter topology, termed the controllable line-commutated converter (CLCC), which boasts a switchable shutdown feature. Meanwhile, the authors of [14] approached the issue from the perspective of enhancing the controllability of the capacitor voltage in a capacitor-commutated converter. They proposed a new topology for this type of converter (the ECCC), incorporating an anti-parallel thyristor full-bridge submodule (APT-FBSM) that serially connects the converter valve and the current transformers. This topology not only prevents additional harmonic distortions during regular operation but also offers protection against AC system faults. Furthermore, it provides an auxiliary commutation voltage to the converter valve arm, expanding the system’s commutation area. This significantly reduces the likelihood of commutation failure in traditional LCCs and prevents the loss of self-recovery commonly seen in CCCs after such failures.
Based on the aforementioned ECCC topology, the authors of [15] went a step further by integrating a cascaded full-bridge submodule (FBSM) between the converter transformer and the AC port of the converter valve. This gives rise to the series voltage-commutated converter (SVCC). The SVCC’s primary objective is to directly augment the commutation voltage area of the commutation valve. All FBSMs within the SVCC utilize fully controlled power electronic switches, such as insulated gate bipolar transistors (IGBTs) or integrated gate commutation thyristors (IGCTs), facilitating swift and versatile control over series connections. This allows smooth voltage commutation with the auxiliary valve bank. In comparison with the ECCC, the SVCC significantly broadens the commutation voltage area during the initial commutation process after a voltage failure. Consequently, it effectively widens the critical voltage range of the LCC, bolstering its resistance to commutation failure and expediting the converter’s recovery after such an event.
Recently, scholars have introduced a controllable shutdown capability in controlled line-commutated converter (CLCC) topology [16], which was founded on the design principle of combining fully controlled and semi-controlled devices. In this process, the current flows through the fully controlled devices and waits until the thyristor’s turn-off capability is restored before reuse. These devices effectively interrupt the current, facilitating swift commutation between the bridge arms. In the event of an AC fault, the CLCC can forcibly terminate the bridge arm fault current, thus comprehensively addressing the commutation failures thereof. While considerable research has been conducted to enhance CLCCs’ operational efficiency, limited attention has been given to their integration and coordination with other flexible devices, such as VSC-HVDCs [17].
In fact, the operational performance of CLCCs can be enhanced through the integration of flexible devices like VSCs. A CLCC can minimize power loss during HVDC commutation failures, while the devices can mitigate disturbances during its forced-commutation phase. Although some coordination strategies have been proposed for VSCs and LCCs, the CLCC has not been considered. The authors of [18] addressed the main cause and features of the DC overcurrent, then proposed an overcurrent suppression control method for an HC-HVDC system based on the fuzzy clustering and identification approach. To realize the AC fault ride-through (FRT) of an SLVHI, a new strategy based on a DC chopper (DCC) is proposed in [19]. Similarly, the authors of [20] presented a new phenomenon in which the integration of a voltage-sourced converter-based high-voltage direct current (VSC-HVDC) can increase the risk of commutation failure (CF) of a line-commutated converter based HVDC (LCC-HVDC) caused by sending end AC faults, revealing the underlying mechanism. To harness the capabilities of both CLCCs and flexible devices and thus bolster system stability, for this paper, we devised a coordinated control strategy between a CLCC and a VSC. This strategy ensured seamless cooperation between the two in the event of a commutation fault. Simulation results demonstrated that our proposed method not only would enable the AC–DC hybrid system to weather commutation faults but also would accelerate the recovery process.
The paper is structured as follows: Section 2 outlines the fundamental frameworks of the CLCC-HVDC and the VSC-HVDC, the two primary components integrated in this study. Section 3 delves into the specifics of the coordinated control strategy between the CLCC and the VSC. Herein, the CLCC was tasked with overcoming commutation faults while the VSC focused on smoothing AC disturbances. Section 4 presents a case study backed by simulation results, validating the efficacy of our proposed strategy. Finally, Section 5 offers concluding remarks on this paper.

2. The Basic Structures of CLCC-HVDCs and VSC-HVDCs

2.1. The Basic Structure of a CLCC-HVDC

Conventional HVDC systems typically utilize three-phase bridge converters as converter units, with the fundamental structure thereof depicted in Figure 1a. The converter valves are activated in succession from VT1 to VT6. As illustrated in the figure, the three bridge arms, labeled A, B, and C, are, respectively, linked to the three phases of the inverter-side power supply. Point n is connected to the positive terminal of the DC-side power supply, while point m is connected to the anode. The voltage between points n and m constitutes DC voltage, supplying a steady unidirectional current, whereas the AC system generates the thyristor’s commutation voltage.
The influence of AC inductance in the circuit prevents the phase current from instantaneously mutating during the commutation process. The conversion of current phases requires a certain duration, referred to as commutation time or overlapping arc time. The corresponding electrical angle is known as the commutation angle or overlapping arc angle, abbreviated as μ. The electrical angle spanning from the moment the commutated valve’s current crosses 0 to the instant its applied voltage transitions from negative to positive is termed the turn-off angle or arc extinction angle, denoted as γ. If this turn-off angle is smaller than the critical one, commutation failure becomes likely. Hence, when selecting the early firing angle, it is prudent to leave some margin to prevent commutation failure.
Figure 1 illustrates the process of activating VT1 while VT5 and VT6 are already on, leading to the current in VT5 shifting to VT1. Since both terminals of VT1 are exposed to forward voltage, VT1 promptly activates and commutates upon receiving the trigger pulse. During this period, VT1, VT5, and VT6 are all conducting. However, due to the inductance in the circuit, the current transitions smoothly rather than abruptly. The currents flowing through VT1, VT5, and VT6 are denoted as i1, i5, and i6, respectively. Additionally, iγ represents the commutation currents circulating within the VT1 and VT5 circuits, sharing the same direction as i1.
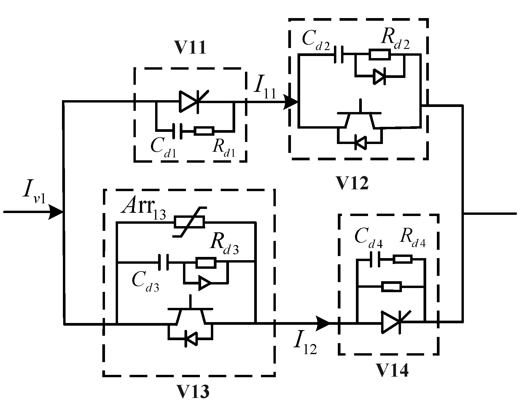
To prevent commutation failure, a thyristor, upon ceasing conduction, must be given a recovery period of at least 400 microseconds. This ensures the reliable restoration of its forward blocking capability. Following this rationale, controllable line-commutated converter (CLCC) topology becomes relevant by integrating an IGBT in series with the existing thyristor branch and introducing an auxiliary branch to facilitate commutation, as depicted in Figure 2. In this setup, V11 and V14 are thyristors, while V12 and V13 are IGBTs. V11 and V12, connected in series, form the primary branch for high-current transmission. Conversely, V13 and V14, also in series, constitute the auxiliary branch for current transfer. During operation, the primary branch initially carries the current, with V11, V12, and V13 simultaneously activated. After 120°, the bridge arm initiates commutation. At this juncture, V12 is deactivated, while V13 and V14 of the auxiliary branch are simultaneously activated, forcing the current to commutate to the auxiliary branch. This process persists until V11 restores its forward blocking capability. Subsequently, the auxiliary branch is deactivated, awaiting the subsequent commutation cycle. This topology allows independent control of the primary and auxiliary branches, ensuring adequate recovery time for the main-branch thyristor.

2.2. The Operation Mechanism of a CLCC

The triggering logic of the novel CLCC is depicted in the accompanying Figure 3, wherein Sg11, Sg12, Sg13, and Sg14 represent the trigger signals for the main-branch thyristor valve (V11), the main-branch full-control valve (V12), the auxiliary-branch full-control valve (V13), and the auxiliary-branch thyristor (V14), respectively. V11 is periodically triggered based on the preset firing angle. Initially, V12, V13, and V11 are simultaneously activated. Following a 120° electrical angle, V12 is concurrently deactivated with the activation of V14. This action redirects the main-branch current to the auxiliary branch, initiating the recovery process for V11. Once V11 fully restores its blocking capability, the current in V14 reaches zero, causing it to deactivate, thus completing the commutation cycle.
Using the VT1 converter valve as an illustrative example, Figure 4 presents its unique internal topology. The main branch integrates the thyristor valve from a traditional LCC, with an IGBT valve connected in series, ensuring the valve group’s resilience to high voltage and currents. The primary role of the IGBT is to actively shut down and redirect the main-branch current to the auxiliary branch. Successful current transfer is ensured as long as the shutdown voltage exceeds the turn-on voltage of V13. Additionally, a metal oxide arrester (Arr13) is connected in parallel to V13, providing the necessary commutation voltage during AC-side faults and limiting potential overvoltage shutdowns.
When a fault arises in the AC system at the receiving end, it leads to a drop or abnormality in the inverter-side bus voltage, subsequently causing a decrease in the DC voltage on the inverter side. Initially, the DC will increase, but it will then decrease due to the constant current control. If the fault is minor and the voltage drop is not significant, the commutation process can still proceed smoothly. However, in the event of a severe ground fault, the AC-side voltage will experience a significant drop, unable to supply the necessary commutation voltage for the inverter bridge arm, resulting in commutation failure. In such cases, the CLCC will transition to a forced-commutation state, as illustrated in Figure 5. Specifically, (a) represents the circuit model during forced commutation, while (b) depicts the associated current and voltage variations in this state.
Prior to activating the auxiliary branch, the main branch operates similarly to its normal state. At this point, V12 is shut off. Consequently, the current shifts to the auxiliary branch, while the main-branch current, which cannot abruptly change, charges the capacitor paralleled with V12. Once the main-branch current reaches zero, V11 is deactivated, and a reverse voltage is applied to it, ensuring that V11 is securely turned off.
Given that the current during a fault condition is elevated, it requires a longer duration to taper down to zero. However, as long as the auxiliary branch remains conductive, the reverse voltage on V11 will persist. After V11 fully regains its blocking capability, V13 interrupts the high current and redirects it to the metal oxide arrester (Arr13) paralleled with it. This triggers the arrester, establishing a protective voltage. When combined with the commutation voltage, this compels the bridge arm current to commutate to the succeeding valve group.

2.3. The Basic Structure of a VSC-HVDC

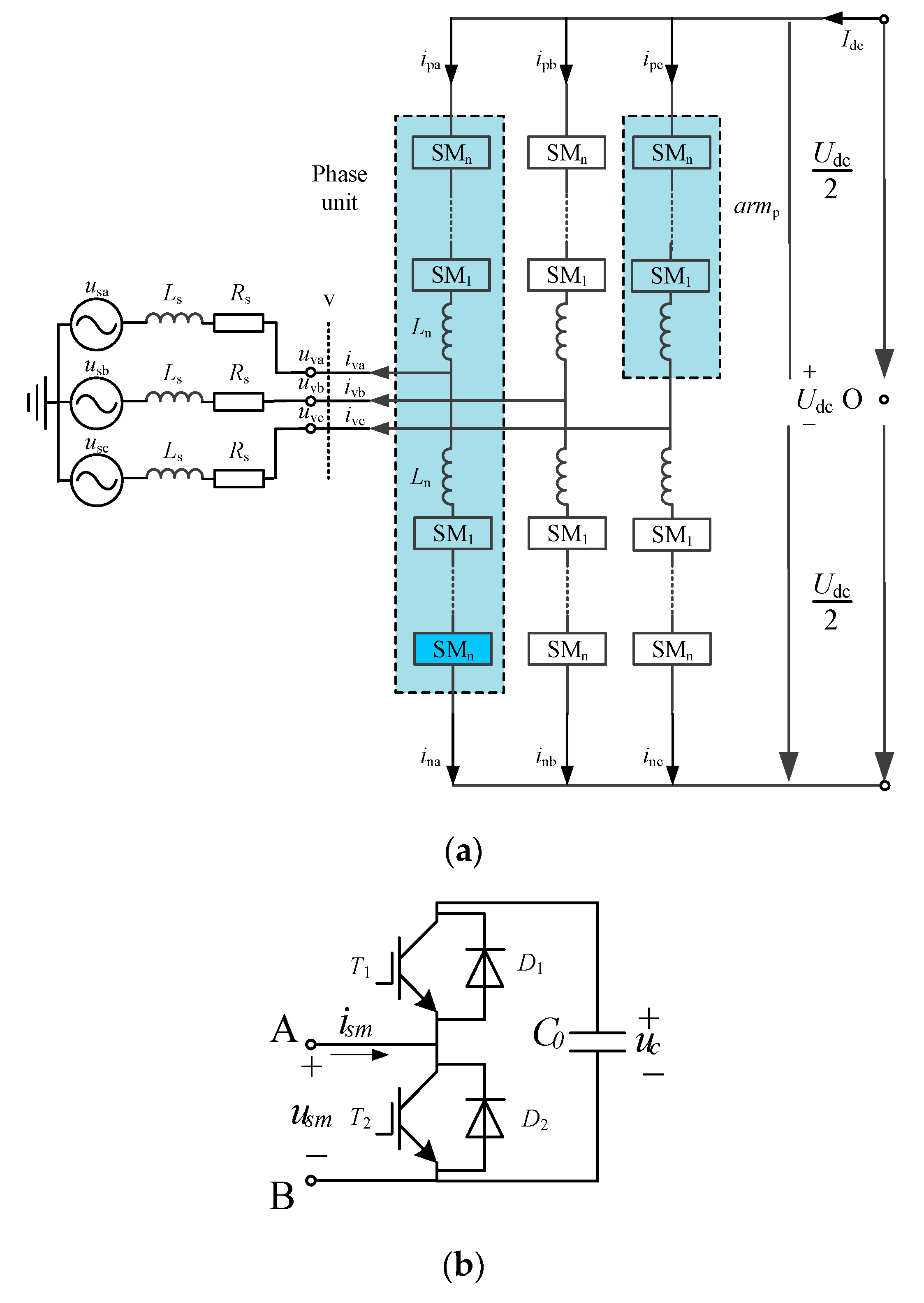
The topology of a VSC-HVDC converter station, specifically focusing on the basic structure of the half-bridge MMC, is presented in Figure 5. The converter station receives three-phase ACs, which are injected into the corresponding bridge arm nodes. Multiple submodules, each composed of thyristors T1 and T2, diodes D1 and D2, and an energy storage capacitor C0, are cascaded and connected in series to form the bridge-arm inductor Ln, which comprises both the upper and lower bridge arms, as Figure 6 shows. Notably, all phase units share identical parameters and structures, and the submodules within each unit are also uniformly designed. By adjusting the number of submodules being inserted or removed, the output voltage level and power can be precisely and flexibly controlled.
The submodule exhibits three distinct working states, as follows: both T1 and T2 are blocked; T1 is activated, while T2 is blocked; and T1 is blocked, while T2 is activated. These three operating states are clearly illustrated in Figure 7.
When T1 and T2 are both deactivated, the forward operating current passes through the freewheeling D1, charging the capacitor. This specific operating mode is exclusive to the initial startup phase of the converter station. During this phase, the AC system charges the capacitor until its voltage reaches the rated level. Conversely, when both T1 and T2 are deactivated and the negative operating current bypasses the capacitor via the freewheeling D2, the entire submodule is bypassed and rendered inactive. This mode is triggered only in case of a converter station malfunction or when a submodule is removed.
In the case where T1 is activated and T2 is deactivated, the forward operating current charges the capacitor through D1, while the negative operating current discharges the capacitor through T1. Under these conditions, the current can bidirectionally flow. Notably, regardless of the current’s direction, the submodule’s output voltage corresponds to the voltage across the capacitor, indicating that the submodule is actively operational.
When T1 is deactivated and T2 is activated, the operating current bypasses the capacitor through T1 or D2, effectively bypassing the entire submodule. In this mode, the capacitor remains undischarged due to the absence of a discharge path, maintaining a constant voltage at both ends. Consequently, the output terminal voltage remains at zero. This operating mode is solely employed when designing redundant submodules.
Based on the above submodule characteristics, the nearest-level modulation technology is used by changing the number of input submodules on the upper and lower bridge arms and continuously approaching the modulation wave to achieve the rectification and inverter functions.

3. The Coordinated Control Strategy of the CLCC and VSC

3.1. The Control Strategy of the CLCC

Commutation failures typically occur on the inverter side; thus, for economic reasons, the new controllable CLCC is exclusively employed on that side, while the rectifier side retains the traditional LCC.
The control methodology for the traditional DC system remains unchanged. On the rectifier side of the CLCC, a constant DC control is adopted, with a minimum firing-angle control serving as a backup. On the inverter side, the CLCC can utilize either constant off-angle control or constant DC voltage control, with constant current control as a backup. To prevent frequent switching between constant DC control and constant off-angle control, a current error control (CEC) link is integrated. Likewise, to minimize switching between constant DC voltage control and constant off-angle control, voltage error control (VEC) is added. Additionally, given the presence of constant DC control on both sides, a current margin, Im, typically set at 0.1 p.u., is incorporated into the controllers of both sides. This precautionary measure aims to avert any instability arising from the simultaneous operation of the constant current controllers, as illustrated in Figure 8.

3.2. The Coordinated Control Strategy between the CLCC and VSC

The VSC primarily relies on direct current control, which is founded on dq decoupling. This control mechanism comprises two main components, outer-loop power control and inner-loop current control, visually represented in the black section on the right side of Figure 9. Within this framework, outer-loop control further breaks down into active and reactive control. For the former, options typically include constant DC voltage, constant active power, or frequency control. Meanwhile, reactive control commonly involves choices such as constant AC voltage or constant reactive power. By adjusting the outer-loop controller, diverse control objectives, like power, voltage, and frequency, can be achieved.
In this study, we implemented a coordinated control strategy as follows: Initially, the CLCC was designed to withstand commutation faults. In such an event, the DC would be redirected to the arrester branch circuit. This action would serve to suppress excessive DC while minimizing the DC voltage drop, thereby reducing DC power loss during the fault period.
Next, we introduced the VSC in the subsequent phase. Under normal operating conditions, the VSC on the inverter side, adjacent to the CLCC, is governed by constant active and reactive power control. However, when a commutation failure occurs, the AC-side voltage will experience fluctuations that can hinder system recovery. During this period, the CLCC’s extinction angle will also fluctuate. To expedite the CLCC’s fault tolerance, our coordinated approach incorporated both λ and Uac into the active power output control loop of the VSC (as illustrated in the red section of Figure 9). This design allows both DC- and AC-side fluctuations to be integrated into the AC voltage control of the VSC. Specifically, the control diagram features the adjustable weights α and β, which enable flexible consideration of the impacts of λ and Uac.
From the above description, it is evident that our coordination strategy comprises two primary elements. The first is the commutation failure tolerance strategy based on the CLCC, achieved through an innovative converter topology and its components. The second focuses on enhancing system stability, accomplished through meticulous control design and the implementation of the VSC.
Finally, the whole coordination control strategy can be presented in Figure 10. It can be seen that the coordination strategy can be divided into two parts. The first part is the CLCC control part, which aims to eliminate the commutation failure of the LCC-type HVDC. The second part is the VSC control part, which aims to increase the recover speed after the fault happens. As such, the LCC-infeed receiving end AC system’s stability can be enhanced both from the AC side and DC side simultaneously.

4. Case Study

To validate the proposed strategy, simulations were conducted using PSCAD software 4.6. The HVDC infeed model, as illustrated in Figure 11, was established. In this hybrid HVDC system, both CLCC-HVDC and VSC-HVDC were fed into the receiving-side AC system. It should be indicated that the VSC-HVDC was near the CLCC-VDC, which made sure that the reactive power coordination strategy would not have been impacted by the time delay. If the distance between the CLCC and the VSC was long, the effectiveness of the coordination strategy would have been decreased.

4.1. Case 1

In case 1, a single-phase-to-ground fault was simulated at 0.8 s, lasting for 0.1 s, and set at the CLCC inverter AC bus. For a more comprehensive comparison, additional simulations were performed by substituting the novel CLCC with the conventional LCC. This allowed for a clearer demonstration of the fault tolerance capabilities of the former. The comparative simulation results are exhibited in Figure 12, Figure 13, Figure 14, Figure 15 and Figure 16. Specifically, Figure 12 showcases the DC voltage of both during the commutation fault period. Evidently, when the CLCC control was used, the DC voltage did not drop to zero and maintained a relatively high value throughout the fault, significantly contrasting with the traditional LCC system. Moreover, when the proposed coordinated control is further used, the recover procedure can be improved.
Similarly, the DCs when different strategies are used in the HVDC system are presented in Figure 13. With CLCC control, the DC just rises to around 1.5 p.u., the overcurrent is not serious, and the current does not decrease to zero. However, the DC of the classical LCC suddenly rises up over 2 p.u. and sharply fluctuates during the commutation failure period. And the proposed coordination strategy can also make more improvement when VSC support is added. Moreover, the above two results demonstrate that the active power of the CLCC can still be transmitted while the LCC’s active power decreases to zero, as Figure 14 shows; the recovery of the LCC’s active power is not slow either.
Moreover, the reactive power of the CLCC turns positive according to Figure 15, indicating that the CLCC can slightly generate it to support the AC system, as opposed to the LCC system, which can only absorb reactive power, as the blue line shows. It should be indicated that the reactive power with proposed control will be less generated by the CLCC; it is because the VSC’s reactive power can help with the AC voltage recovery.
Finally, the extinction angles, λ, of different converters are also presented in Figure 16, in which commutation failure does not happen to the CLCC even as the λ reaches a near-zero degree. However, commutation failure occurred in the LCC, as the blue line shows. And the proposed coordination control can also enhance the stability to more extent.
According to Figure 17, the coordinated strategy of the VSC and the CLCC is also verified by the enhanced AC voltage stability, and more reactive power is generated by the VSC-HVDC to help recover the AC system more quickly. Specifically, the AC voltage of the system with the control recovered to its previous value at 0.95 s, while the AC voltage of the system without the control recovered to its previous value until 1.078 s. We calculated that the voltage recovery time could save about 0.128 s, which proves that voltage stability was considerably enhanced.

4.2. Case 2

In case 2, a three-phase-to-ground fault was simulated at 0.8 s, lasting for 0.1 s, and set at the CLCC inverter AC bus. The comparative simulation results are exhibited in Figure 18, Figure 19, Figure 20, Figure 21 and Figure 22. The proposed coordination strategy can still be effective even in a three-phase-to-ground situation, and the AC voltage can also be recovered more quickly according to Figure 23; thus, the robustness of the proposed method can be improved.

5. Conclusions

This study explored the fault ride-through strategy for a CLCC and designed a coordinated power strategy between it and a VSC-HVDC. Drawing from previous analyses and simulation results, several key conclusions can be summarized, as follows:
  • Thanks to its novel topology and forced-commutation design, the CLCC-HVDC exhibits robust fault ride-through capabilities, effectively averting commutation failures. In contrast to the conventional LCC-HVDC, it suppresses DC overcurrent and voltage dips, ensuring active power transfer even when the extinction angle, λ, approaches zero.
  • By formulating a coordinated strategy between adjacent VSC-HVDC and CLCC-HVDC systems, our proposed method aids in system recovery during commutation failures. During such events, increased reactive power generation enhances voltage stability, facilitating a smoother fault ride-through process.
While our proposed strategy undoubtedly enhances system stability, further research is needed on the interaction mechanism between the CLCC and the AC system. Given that the CLCC is a relatively new thyristor-based converter, its characteristics may deviate from those of the classical LCC. Aspects such as the acceptable system strength for CLCC and its influence on other LCC-HVDC systems remain unexplored. We intend to delve deeper into these areas and aspire to resolve these issues in the future.

Author Contributions

Methodology, J.Z.; Validation, J.Z.; Investigation, K.X.; Resources, W.L.; Writing—original draft, J.Z.; Writing—review & editing, K.X. and W.L. All authors have read and agreed to the published version of the manuscript.

Funding

This work was supported by the State Grid Jiangsu Electric Power Co., Ltd. Technology Project under Grant J2023022 (Research on the Impact Mechanism of Large-Scale Renewable Energy on Multi-Infeed HVDC System’s Commutation Failure and New Type Commutation Technology).

Data Availability Statement

The data that support the findings of this study are available on request from the corresponding author. The data are not publicly available due to privacy or ethical restrictions.

Conflicts of Interest

The authors declare that they are employees of the State Grid Corporation of China (SGCC).

References

  1. Shu, H.; Wang, S.; Lei, S. Single-ended protection method for hybrid HVDC transmission line based on transient voltage characteristic frequency band. Prot. Control Mod. Power Syst. 2023, 8, 1–11. [Google Scholar] [CrossRef]
  2. Jiang, Q.; Li, B.; Liu, T.; Blaabjerg, F.; Wang, P. Study of cyber attack’s impact on LCC-HVDC system with false data injection. IEEE Trans. Smart Grid 2023, 14, 3220–3231. [Google Scholar] [CrossRef]
  3. Jiang, Q.; Zeng, X.; Li, B.; Wang, S.; Liu, T.; Chen, Z.; Wang, T.; Zhang, M. Time-sharing frequency coordinated control strategy for PMSG-based wind turbine. IEEE J. Emerg. Sel. Top. Circuits Syst. 2022, 12, 268–278. [Google Scholar] [CrossRef]
  4. Yang, B.; Liu, B.; Zhou, H.; Wang, J.; Yao, W.; Wu, S.; Shu, H.; Ren, Y. A critical survey of technologies of large offshore wind farm integration: Summary, advances, and perspectives. Prot. Control Mod. Power Syst. 2022, 7, 1–3. [Google Scholar] [CrossRef]
  5. Hou, J.; Song, G.; Fan, Y. Fault identification scheme for protection and adaptive reclosing in a hybrid multi-terminal HVDC system. Prot. Control Mod. Power Syst. 2023, 8, 1–17. [Google Scholar] [CrossRef]
  6. Ouyang, J.; Pan, X.; Ye, J.; Xiao, C.; Diao, Y.; Zhang, Q. An improved prediction method of subsequent commutation failure of an LCC-HVDC considering sequential control response. Prot. Control Mod. Power Syst. 2023, 8, 1–11. [Google Scholar] [CrossRef]
  7. Quispe, J.C.; Orduña, E. Transmission line protection challenges influenced by inverter-based resources: A review. Prot. Control Mod. Power Syst. 2022, 7, 1–17. [Google Scholar] [CrossRef]
  8. Tao, Y.; Li, B.; Dragičević, T.; Liu, T.; Blaabjerg, F. HVDC grid fault current limiting method through topology optimization based on genetic algorithm. IEEE J. Emerg. Sel. Top. Power Electron. 2020, 9, 7045–7055. [Google Scholar] [CrossRef]
  9. Jiang, Q.; Tao, Y.; Li, B.; Liu, T.; Chen, Z.; Blaabjerg, F.; Wang, P. Joint Limiting Control Strategy Based on Virtual Impedance Shaping for Suppressing DC Fault Current and Arm Current in MMC-HVDC System. J. Mod. Power Syst. Clean Energy 2023, 11, 2003–2014. [Google Scholar] [CrossRef]
  10. Reeve, J.; Baron, J.A.; Hanley, G.A. A technical assessment of artificial commutation of HVDC converters with series capacitors. IEEE Trans. Power Appar. Syst. 1968, 10, 1830–1840. [Google Scholar] [CrossRef]
  11. Sadek, K.; Pereira, M.; Brandt, D.P.; Gole, A.M.; Daneshpooy, A. Capacitor commutated converter circuit configurations for DC transmission. IEEE Trans. Power Deliv. 1998, 13, 1257–1264. [Google Scholar] [CrossRef]
  12. Xu, C.; Yu, Z.; Zhao, B.; Chen, Z.; Wang, Z.; Ren, C.; Zeng, R. A novel hybrid line commutated converter based on IGCT to mitigate commutation failure for high-power HVdc application. IEEE Trans. Power Electron. 2021, 37, 4931–4936. [Google Scholar] [CrossRef]
  13. Gao, C.; He, Z.; Yang, J.; Sheng, C.; Zhang, J.; Wang, P. A Novel Controllable Line Commutated Converter Topology and Control Strategy. Proc. Chin. Soc. Electr. Eng. 2023, 43, 1940–1949. [Google Scholar]
  14. Zhao, C.Y.; Jiang, B.S.; Guo, C.Y. An enhanced capacitor commutated converters based on an anti-parallel thyristor full bridge submodule. Proc. CSEE 2017, 37, 1167–1176. [Google Scholar]
  15. Hou, L.; Wei, Y.; Zhang, S. Series voltage commutated converter to suppress HVDC commutation failure and its control strategy. Proc. CSEE 2018, 38, 6481–6491. [Google Scholar]
  16. Yang, J.; Sheng, C.; Gao, C.; Ding, X.; Li, T.; He, D. Novel Controllable Commutated Converter (CLCC) and Rapid Defense Method for Commutation Failure. In Frontier Academic Forum of Electrical Engineering; Springer Nature: Singapore, 2022; pp. 47–56. [Google Scholar]
  17. Wen, M.; Shi, H.; Li, B.; Jiang, Q.; Liu, T.; Ding, C. Research on the Coordinated Recovery Strategy Based on Centralized Electric Vehicle Charging Station. Energies 2023, 16, 5401. [Google Scholar] [CrossRef]
  18. Guo, C.; Wu, Z.; Yang, S.; Hu, J. Overcurrent Suppression Control for Hybrid LCC/VSC Cascaded HVDC System Based on Fuzzy Clustering and Identification Approach. IEEE Trans. Power Deliv. 2022, 37, 1745–1753. [Google Scholar] [CrossRef]
  19. Cheng, F.; Yao, L.; Xu, J.; Chi, Y.; Sun, Y.; Wang, Z.; Li, Y. A comprehensive AC fault ride-through strategy for HVDC link with serial-connected LCC-VSC hybrid inverter. CSEE J. Power Energy Syst. 2022, 8, 175–187. [Google Scholar]
  20. Zheng, Z.; Zou, Y.; Xie, Q.; Liu, L.; Ren, J.; Xiao, X.; Zhang, J. Side Effect of VSC-HVDC on Commutation Failure in LCC-HVDC Caused by Sending End AC Faults. IEEE Trans. Power Deliv. 2024, 39, 1310–1313. [Google Scholar] [CrossRef]
Figure 1. Inverter-side LCC station: (a) topology and (b) conversion process.
Figure 1. Inverter-side LCC station: (a) topology and (b) conversion process.
Energies 17 04478 g001
Figure 2. CLCC topology.
Figure 2. CLCC topology.
Energies 17 04478 g002
Figure 3. CLCC triggering logic.
Figure 3. CLCC triggering logic.
Energies 17 04478 g003
Figure 4. Specific topology structure of the CLCC.
Figure 4. Specific topology structure of the CLCC.
Energies 17 04478 g004
Figure 5. CLCC forced-commutation state: (a) circuit model and (b) current and voltage therein.
Figure 5. CLCC forced-commutation state: (a) circuit model and (b) current and voltage therein.
Energies 17 04478 g005
Figure 6. The basic structure of a half-bridge MMC: (a) structure and (b) submodule topology.
Figure 6. The basic structure of a half-bridge MMC: (a) structure and (b) submodule topology.
Energies 17 04478 g006
Figure 7. The working status of the submodule. (a) state 1; (b) state 2 (c) state 3; (d) state 4; (e) state 5; (f) state 6.
Figure 7. The working status of the submodule. (a) state 1; (b) state 2 (c) state 3; (d) state 4; (e) state 5; (f) state 6.
Energies 17 04478 g007
Figure 8. LCC control system block diagram: (a) CLCC rectifier-side control strategy and (b) CLCC inverter-side control strategy.
Figure 8. LCC control system block diagram: (a) CLCC rectifier-side control strategy and (b) CLCC inverter-side control strategy.
Energies 17 04478 g008
Figure 9. The coordinated control strategy of the CLCC and VSC.
Figure 9. The coordinated control strategy of the CLCC and VSC.
Energies 17 04478 g009
Figure 10. The proposed whole coordination control strategy.
Figure 10. The proposed whole coordination control strategy.
Energies 17 04478 g010
Figure 11. The hybrid HVDC infeed system established in PSACD.
Figure 11. The hybrid HVDC infeed system established in PSACD.
Energies 17 04478 g011
Figure 12. The DC voltages of HVDCs with different control strategies in case 1.
Figure 12. The DC voltages of HVDCs with different control strategies in case 1.
Energies 17 04478 g012
Figure 13. The DCs of HVDCs with different control strategies in case 1.
Figure 13. The DCs of HVDCs with different control strategies in case 1.
Energies 17 04478 g013
Figure 14. The DC active powers with different control strategies in case 1.
Figure 14. The DC active powers with different control strategies in case 1.
Energies 17 04478 g014
Figure 15. The DC reactive powers with different control strategies in case 1.
Figure 15. The DC reactive powers with different control strategies in case 1.
Energies 17 04478 g015
Figure 16. The extinction angles with different control strategies in case 1.
Figure 16. The extinction angles with different control strategies in case 1.
Energies 17 04478 g016
Figure 17. The AC voltage during fault in case 1.
Figure 17. The AC voltage during fault in case 1.
Energies 17 04478 g017
Figure 18. The DC voltages of HVDCs with different control strategies in case 2.
Figure 18. The DC voltages of HVDCs with different control strategies in case 2.
Energies 17 04478 g018
Figure 19. The DCs of HVDCs with different control strategies in case 2.
Figure 19. The DCs of HVDCs with different control strategies in case 2.
Energies 17 04478 g019
Figure 20. The DC active powers with different control strategies in case 2.
Figure 20. The DC active powers with different control strategies in case 2.
Energies 17 04478 g020
Figure 21. The DC reactive powers with different control strategies in case 2.
Figure 21. The DC reactive powers with different control strategies in case 2.
Energies 17 04478 g021
Figure 22. The extinction angles with different control strategies in case 2.
Figure 22. The extinction angles with different control strategies in case 2.
Energies 17 04478 g022
Figure 23. The AC voltage during fault in case 2.
Figure 23. The AC voltage during fault in case 2.
Energies 17 04478 g023
Disclaimer/Publisher’s Note: The statements, opinions and data contained in all publications are solely those of the individual author(s) and contributor(s) and not of MDPI and/or the editor(s). MDPI and/or the editor(s) disclaim responsibility for any injury to people or property resulting from any ideas, methods, instructions or products referred to in the content.

Share and Cite

MDPI and ACS Style

Zhao, J.; Xu, K.; Li, W. Research on the Power Coordinate Control Strategy between a CLCC-HVDC and a VSC-HVDC during the AC Fault Period. Energies 2024, 17, 4478. https://doi.org/10.3390/en17174478

AMA Style

Zhao J, Xu K, Li W. Research on the Power Coordinate Control Strategy between a CLCC-HVDC and a VSC-HVDC during the AC Fault Period. Energies. 2024; 17(17):4478. https://doi.org/10.3390/en17174478

Chicago/Turabian Style

Zhao, Jingbo, Ke Xu, and Wenbo Li. 2024. "Research on the Power Coordinate Control Strategy between a CLCC-HVDC and a VSC-HVDC during the AC Fault Period" Energies 17, no. 17: 4478. https://doi.org/10.3390/en17174478

APA Style

Zhao, J., Xu, K., & Li, W. (2024). Research on the Power Coordinate Control Strategy between a CLCC-HVDC and a VSC-HVDC during the AC Fault Period. Energies, 17(17), 4478. https://doi.org/10.3390/en17174478

Note that from the first issue of 2016, this journal uses article numbers instead of page numbers. See further details here.

Article Metrics

Back to TopTop