Separation and Classification of Partial Discharge Sources in Substations
Abstract
1. Introduction
- Proposing a new set of features for separating and classifying partial discharges.
- Evaluating the accuracy of the features for different controlled types of partial discharges.
- Testing the methodology of preprocessing, separation, and classification of partial discharges on real data from a power substation in Brazil.
2. Methodology
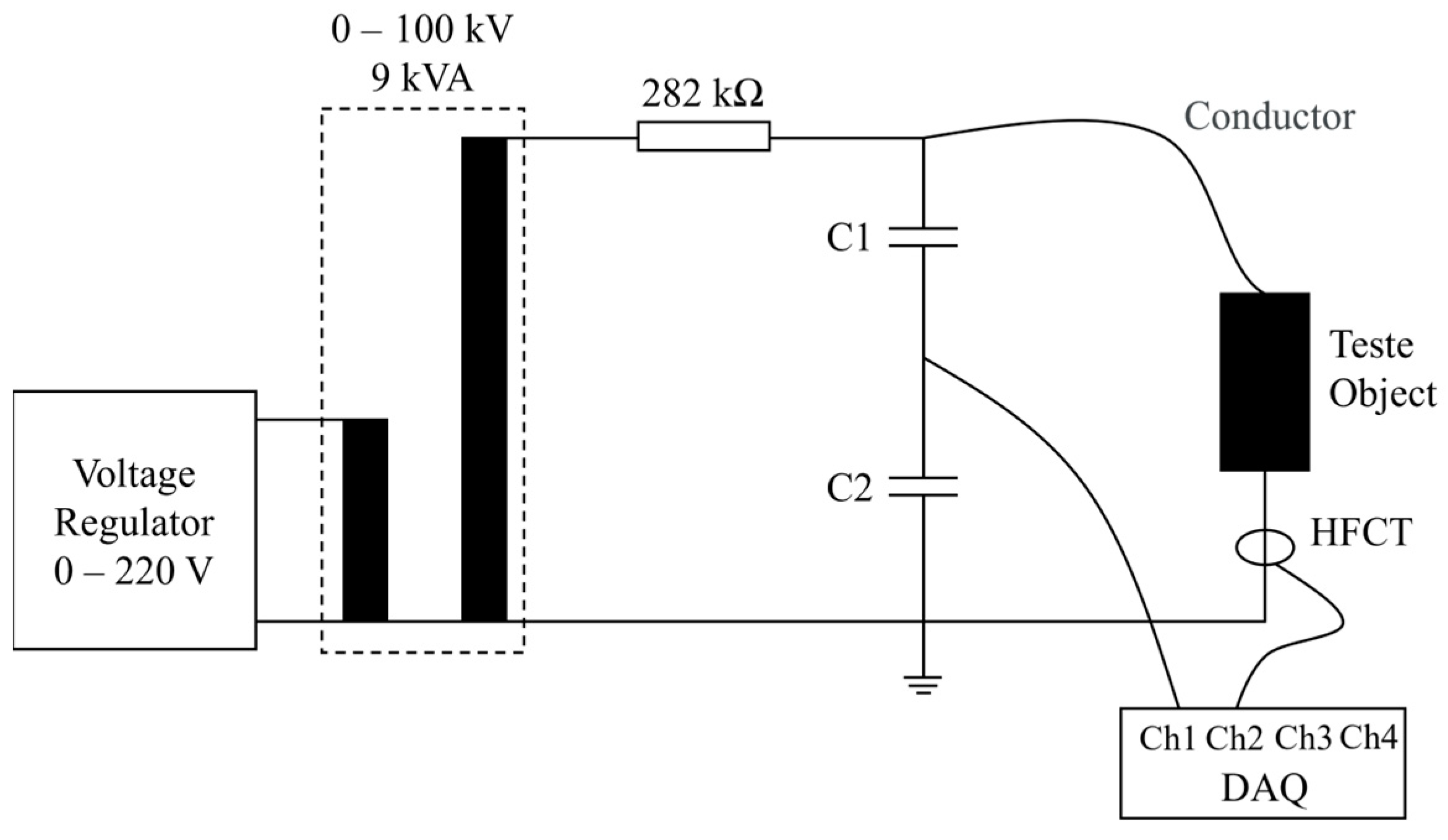
2.1. Database
2.1.1. Laboratory Database
- Corona discharge (a).
- Surface discharge (b).
- Internal discharge (c and d).
2.1.2. Substation Database
2.2. Signal Preprocessing
- Read the array signal (signal measured with the HFCT sensor);
- sigma is equal to the standard deviation of the signal;
- length is equal to the number of elements along the signal;
- background_noise is equal to .
2.3. Feature Extraction and Clusterization
- Pulse duration ():
- Rise time ().
- Fall time ().
- Time center of mass :
- Frequency center of mass ():
- Division between the energy before and after the time pulse’s center of mass ():
- Maximum amplitude ().
- Number of pulse oscillations ().
2.4. Classification
- Phase average:
- Interquartile distance of the phase:
- Interquartile distance of amplitude:
- Interquartile distance of the amplitude divided by the mean amplitude:
- Interquartile distance of energy:
- Pulse density:where is the phase of each pulse, is the number of pulses measured, is the interquartile distance, and and are the first and third quartiles.
2.5. Results Evaluation
3. Results and Discussions
3.1. Laboratory Database Results
3.2. Subestation Database Results
4. Conclusions
Author Contributions
Funding
Data Availability Statement
Acknowledgments
Conflicts of Interest
References
- Ju, H.J.; Lee, J.G.; Han, K.S.; Kang, J.W.; Choi, W. An Analysis of Partial Discharge Characteristics due to Transformer Bushing Failure. In Proceedings of the ICEPE-ST, Seoul, Republic of Korea, 15–18 March 2022; pp. 245–248. [Google Scholar] [CrossRef]
- Tanmaneeprasert, T.; Lewin, P.L.; Callender, G. Analysis of degradation mechanisms of silicone insulation containing a spherical cavity using partial discharge detection. In Proceedings of the EIC 2017, Baltimore, MD, USA, 14–17 August 2017; pp. 233–236. [Google Scholar] [CrossRef]
- McDermid, W.; Black, T. Failure of service aged 230 kV current transformers. In Proceedings of the Conference Record of IEEE International Symposium on Electrical Insulation, San Juan, PR, USA, 10–13 June 2012; pp. 235–236. [Google Scholar] [CrossRef]
- Macêdo, E.C.T. Metodologia para a Classificação de Descargas Parciais Utilizando Redes Neurais Artificiais. Doctoral Thesis, Universidade Federal de Campina Grande, Campina Grande, Brazil, 2014. [Google Scholar]
- Lira, G.R.S.; Marotti, A.; Vilar, P.B.; Costa, E.G.; Leite Neto, A.F.; Melo, J.V.J.; Costa, A.I.; Dias, I.M.; Andrade, F.L.; Souza, J.P.A. Monitoramento inteligente das condições operacionais de transformadores de corrente. In Proceedings of the XXVII SNPTEE, Brasilia, Brazil, 26–29 November 2023. [Google Scholar]
- Karami, H.; Gharehpetian, G.B. Limitations of Partial Discharge De-noising of Power Transformer Using Adaptive Singular Value Decomposition. In Proceedings of the PSC 2019, Tehran, Iran, 9–11 December 2019; pp. 777–781. [Google Scholar] [CrossRef]
- Li, X.; Liu, W.; Xu, Y. Partial Discharge Detection of insultors in GIS: Effectiveness and Limitation. In Proceedings of the ICHVE 2020—Proceedings, Beijing, China, 6–10 September 2020. [Google Scholar] [CrossRef]
- Kumar, H.; Shafiq, M.; Kauhaniemi, K.; Elmusrati, M. A Review on the Classification of Partial Discharges in Medium-Voltage Cables: Detection, Feature Extraction, Artificial Intelligence-Based Classification, and Optimization Techniques. Energies 2024, 17, 1142. [Google Scholar] [CrossRef]
- Stone, G.C. Partial Discharge—Part VII: Practical Techniques for Measuring PD in Operating Equipment. IEEE Electr. Insul. Mag. 1991, 7, 9–19. [Google Scholar] [CrossRef]
- Thayoob, Y.H.M.; Ahmed, S.K.; Piau, C.C.; Ping, C.Y.; Balasubramaniam, Y. Characterization of Phase Resolved Partial Discharge waveforms from instrument transformer using statistical signal processing technique. In Proceedings of the ICSIPA 2015—Proceedings, Kuala Lumpur, Malaysia, 19–21 October 2015; pp. 355–360. [Google Scholar] [CrossRef]
- Karimi, M.; Majidi, M.; Mirsaeedi, H.; Arefi, M.M.; Oskuoee, M. A novel application of deep belief networks in learning partial discharge patterns for classifying corona, surface, and internal discharges. IEEE Trans. Ind. Electron. 2020, 67, 3277–3287. [Google Scholar] [CrossRef]
- Chen, Y.; Peng, X.; Wang, H.; Zhou, J.; Zhang, Y.; Liang, Z. Generator Stator Partial Discharge Pattern Recognition Based on PRPD-Grabcut and DSC-GoogLeNet Deep Learning. IEEE Trans. Dielectr. Electr. Insul. 2023, 30, 2267–2276. [Google Scholar] [CrossRef]
- Butdee, J.; Kongprawechnon, W.; Nakahara, H.; Chayopitak, N.; Kingkan, C.; Pupadubsin, R. Pattern Recognition of Partial Discharge Faults Using Convolutional Neural Network (CNN). In Proceedings of the ICCRE 2023, Nagaoka, Japan, 21–23 April 2023; pp. 61–66. [Google Scholar] [CrossRef]
- Contin, A.; Cavallini, A.; Montanari, G.C.; Pasini, G.; Puletti, F. Digital detection and fuzzy classification of partial discharge signals. IEEE Trans. Dielectr. Electr. Insul. 2002, 9, 335–348. [Google Scholar] [CrossRef]
- Zhang, J.; Jones, G.R.; Spencer, J.W.; Jarman, P.; Kemp, I.J.; Wang, Z.; Lewin, P.L.; Aggarwal, R.K. Chromatic classification of RF signals produced by electrical discharges in HV transformers. IEE Proc. Gener. Transm. Distrib. 2005, 152, 629–634. [Google Scholar] [CrossRef]
- Ardila-Rey, J.A.; Martinez-Tarifa, J.M.; Mejino, M.; Albarracin, R.; Rojas-Moreno, M.V.; Robles, G. Chromatic classification of RF signals for partial discharges and noise characterization. In Proceedings of the ICSD, Bolongna, Italy, 30 June–4 July 2013; pp. 67–70. [Google Scholar] [CrossRef]
- Wang, Y.B.; Chang, D.G.; Qin, S.R.; Fan, Y.H.; Mu, H.B.; Zhang, G.J. Separating multi-source partial discharge signals using linear prediction analysis and isolation forest algorithm. IEEE Trans. Instrum. Meas. 2020, 69, 2734–2742. [Google Scholar] [CrossRef]
- Hao, L.; Lewin, P.L.; Hunter, J.A.; Swaffield, D.J.; Contin, A.; Walton, C.; Michel, M. Discrimination of multiple PD sources using wavelet decomposition and principal component analysis. IEEE Trans. Dielectr. Electr. Insul. 2011, 18, 1702–1711. [Google Scholar] [CrossRef]
- Alvarez, F.; Garnacho, F.; Khamlichi, A.; Ortego, J. Classification of partial discharge sources by the characterization of the pulses waveform. In Proceedings of the ICD 2016, Montpellier, France, 3–7 July 2016; pp. 514–519. [Google Scholar] [CrossRef]
- Seri, P.; Ghosh, R.; Montanari, G.C. An Unsupervised Approach to Partial Discharge Monitoring in Rotating Machines: Detection to Diagnosis with Reduced Need of Expert Support. IEEE Trans. Energy Convers. 2021, 36, 2485–2492. [Google Scholar] [CrossRef]
- Ghosh, R.; Seri, P.; Montanari, G.C. A Track towards Unsupervised Partial Discharge Inference in Electrical Insulation Systems. In Proceedings of the EIC 2020, Knoxville, TN, USA, 22 June–3 July 2020; pp. 190–193. [Google Scholar] [CrossRef]
- Oliveira, R.M.S.; Fernandes, F.C.; Barros, F.J.B. Novel Self-Organizing Probability Maps Applied to Classification of Concurrent Partial Discharges from Online Hydro-Generators. Energies 2024, 17, 2208. [Google Scholar] [CrossRef]
- Araújo, R.C.F.; Oliveira, R.M.S.; Brasil, F.S.; Barros, F.J.B. Novel Features and PRPD Image Denoising Method for Improved Single-Source Partial Discharges Classification in On-Line Hydro-Generators. Energies 2021, 14, 3267. [Google Scholar] [CrossRef]
- Araújo, R.C.F.; Oliveira, R.M.S.; Barros, F.J.B. Automatic PRPD Image Recognition of Multiple Simultaneous Partial Discharge Sources in On-Line Hydro-Generator Stator Bars. Energies 2022, 15, 326. [Google Scholar] [CrossRef]
- Zhou, X.; Zhou, C.; Kemp, I.J. An improved methodology for application of wavelet transform to partial discharge measurement denoising. IEEE Trans. Dielectr. Electr. Insul. 2005, 12, 586–594. [Google Scholar] [CrossRef]
- Carvalho, A.T.; Lima, A.C.S.; Cunha, C.F.F.C.; Petraglia, M. Identification of partial discharges immersed in noise in large hydro-generators based on improved wavelet selection methods. Measurement 2015, 75, 122–133. [Google Scholar] [CrossRef]
- Campello, R.J.G.B.; Moulavi, D.; Sander, J. Density-Based Clustering Based on Hierarchical Density Estimates. Lect. Notes Comput. Sci. (Incl. Subser. Lect. Notes Artif. Intell. Lect. Notes Bioinform.) 2013, 7819, 160–172. [Google Scholar] [CrossRef]














| Reference | PRPD Analysis | Clustering | Tast Database |
|---|---|---|---|
| [10] | Statistical model (charge, phase, and time) | No | Experimental and on-site data |
| [11] | AI model without feature extraction | No | Experimental data |
| [12] | AI model without feature extraction | No | Experimental data |
| [13] | AI model without feature extraction | No | Experimental data |
| [14] | Statistical model (charge and phase) | Clustering by the time and frequency | Experimental data |
| [15,16] | No | Clustering by the energy and frequency | Experimental data |
| [17] | No | Linear prediction analysis | Experimental data |
| [18] | No | Clustering by the wavelet decomposition components | Experimental data |
| [19] | No | Clustering by the pulse shape | Experimental data |
| [20,21] | Fuzzy analysis (charge and phase) | Clustering by the time, frequency, and pulse shape | Experimental data |
| [22] | AI model without feature extraction | No | On-site (Hydro-generators) |
| [23,24] | AI model for image recognition | No | On-site (Hydro-generators) |
| This work | AI model (charge and phase) | Clustering by the time, frequency, energy, and shape | Experimental and on-site data |
| Type of Discharge | Applied Voltage (kV) | N° of Acquisitions |
|---|---|---|
| Corona | 9.0–14.5 | 100 |
| Surface | 10.0 | 100 |
| Internal | 7.0–14.0 | 100 |
| Noise | 10.0 | 100 |
| Type of Discharge | Precision (%) | Recall (%) |
|---|---|---|
| Corona | 93.3 | 92.6 |
| Surface | 95.8 | 95.9 |
| Internal | 95.7 | 93.7 |
| Noise | 90.4 | 93.2 |
| Accuracy (%) | 95.1 | |
| Type of Discharge | Precision (%) | Recall (%) |
|---|---|---|
| Corona | 100.0 | 94.7 |
| Surface | 100.0 | 80.2 |
| Internal | 93.6 | 97.0 |
| Accuracy (%) | 84.9 | |
Disclaimer/Publisher’s Note: The statements, opinions and data contained in all publications are solely those of the individual author(s) and contributor(s) and not of MDPI and/or the editor(s). MDPI and/or the editor(s) disclaim responsibility for any injury to people or property resulting from any ideas, methods, instructions or products referred to in the content. |
© 2024 by the authors. Licensee MDPI, Basel, Switzerland. This article is an open access article distributed under the terms and conditions of the Creative Commons Attribution (CC BY) license (https://creativecommons.org/licenses/by/4.0/).
Share and Cite
Melo, J.V.J.; Lira, G.R.S.; Costa, E.G.; Vilar, P.B.; Andrade, F.L.M.; Marotti, A.C.F.; Costa, A.I.; Leite Neto, A.F.; Santos Júnior, A.C.d. Separation and Classification of Partial Discharge Sources in Substations. Energies 2024, 17, 3804. https://doi.org/10.3390/en17153804
Melo JVJ, Lira GRS, Costa EG, Vilar PB, Andrade FLM, Marotti ACF, Costa AI, Leite Neto AF, Santos Júnior ACd. Separation and Classification of Partial Discharge Sources in Substations. Energies. 2024; 17(15):3804. https://doi.org/10.3390/en17153804
Chicago/Turabian StyleMelo, João Victor Jales, George Rossany Soares Lira, Edson Guedes Costa, Pablo Bezerra Vilar, Filipe Lucena Medeiros Andrade, Ana Cristina Freitas Marotti, Andre Irani Costa, Antonio Francisco Leite Neto, and Almir Carlos dos Santos Júnior. 2024. "Separation and Classification of Partial Discharge Sources in Substations" Energies 17, no. 15: 3804. https://doi.org/10.3390/en17153804
APA StyleMelo, J. V. J., Lira, G. R. S., Costa, E. G., Vilar, P. B., Andrade, F. L. M., Marotti, A. C. F., Costa, A. I., Leite Neto, A. F., & Santos Júnior, A. C. d. (2024). Separation and Classification of Partial Discharge Sources in Substations. Energies, 17(15), 3804. https://doi.org/10.3390/en17153804

