Modeling and Transmission Characteristics Study of a Resonant Underwater Wireless Electric Power Transmission System
Abstract
1. Introduction
2. System Analysis and Modeling
2.1. System Operating Principle
2.2. Mathematical Model Construction
2.3. Variations in Self-Inductance and Mutual Inductance of Underwater Coils
2.3.1. Variations in Self-Inductance of Underwater Coils
2.3.2. Variations in Mutual Inductance of Underwater Coils
2.4. Model Correction in Seawater
3. Magnetic Coupling Resonant Wireless Power Transfer System Transmission Characteristics
3.1. Frequency Characteristics
3.1.1. Impact of Resonant Frequency
3.1.2. Impact of Input Frequency
3.2. Circuit Parameter Characteristics
3.2.1. Study on the Impact of Inductance
3.2.2. Study on the Impact of Mutual Inductance
3.2.3. Load Characteristics
4. Experimental and Result Analysis
4.1. Circuit Parameter Characteristics
4.1.1. Main Circuit Design
4.1.2. PWM Signal Generation and Driver Circuit Design
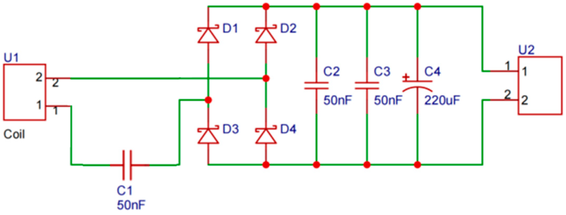
4.1.3. Receiver Circuit Design
4.2. Experimental Platform
4.3. Input Frequency Characteristics Experiment
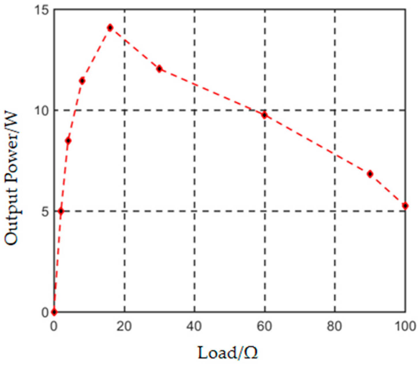
4.4. Load Characteristics Experiment
4.5. Underwater Experiment
5. Conclusions
- Initially, a mathematical model of the traditional MCR-WPT system was established. It was then analyzed to determine the differences in self-inductance and mutual inductance underwater compared to in air. When the input frequency is within the MHz range, the values in these two mediums are very similar. After considering the eddy current loss in seawater, the traditional mathematical model was corrected. The corrected underwater model shows that the trend in transmission characteristics of the underwater system is consistent with that in air, laying the foundation for future analysis of transmission characteristics using traditional model performance indicators.
- The transmission characteristics of the MCR-WPT system were analyzed. It was found that as the resonant frequency continuously increases, the system’s output power first increases and then decreases, while the transmission efficiency remains almost unchanged after reaching a certain value. The system’s transmission performance is better the closer the input frequency is to the resonant frequency. In studying the system load, the optimal load for maximizing system output power was identified, but the load that maximizes transmission efficiency is different from this optimal load.
- An experimental platform was built. Experiments on the system’s input frequency characteristics and load characteristics were conducted. Experimental data were obtained and compared with simulation analysis data, confirming the validity of the results obtained in the previous study. In the experiment examining input frequency characteristics, the system’s output power reached a maximum of 15.09 W at an input frequency of 96 kHz, and the transmission efficiency reached a peak of 89.35% at an input frequency of 98 kHz. During the load characteristic experiment, the output power achieved a peak value of 14 W when the load was approximately 16 Ω. Both simulation data and experimental data show that the condition for achieving maximum output power is when the system operates at the resonant frequency and both ends of the circuit are matched. To optimize the system’s transmission characteristics, appropriate selection of various parameters in the circuit is necessary. Our research results can help us better select parameters to achieve high transmission efficiency, provide theoretical basis and technical support for the development of resonant underwater wireless power transmission systems, address the unique challenges faced by underwater wireless energy transmission, and promote its widespread adoption in practical applications, promoting exploration and development in the deep-sea field.
Author Contributions
Funding
Institutional Review Board Statement
Informed Consent Statement
Data Availability Statement
Acknowledgments
Conflicts of Interest
References
- Lyu, F.; Cai, T.H.; Huang, F.S. A universal wireless charging platform with novel bulged-structure transmitter design for multiple heterogeneous autonomous underwater vehicles (AUVs). IET Power Electron. 2023, 16, 2162–2177. [Google Scholar] [CrossRef]
- Pereira, P.; Campilho, R.; Pinto, A.M.G. Application of a Design for Excellence Methodology for a Wireless Charger Housing in Underwater Environments. Machines 2022, 10, 232. [Google Scholar] [CrossRef]
- Zhimin, Y.; Renzhong, W. Design and research of wireless charging system of autonomous underwater vehicle based on magnetic coupling resonance. J. Phys. Conf. Ser. 2021, 1774, 012069. [Google Scholar]
- Teeneti, C.R.; Truscott, T.T.; Beal, D.N.; Pantic, Z. Review of Wireless Charging Systems for Autonomous Underwater Vehicles. IEEE J. Ocean. Eng. 2021, 46, 68–87. [Google Scholar] [CrossRef]
- Wang, X.; Yin, X. Study on Transmission Characteristics of Magnetically Coupled Resonant Radio Power Transmission System. In Proceedings of the 2018 International Conference on Sensor Networks and Signal Processing (SNSP), Xi’an, China, 28–31 October 2018. [Google Scholar]
- Zhang, B.; Wang, X.; Lu, C.; Lu, Y.; Xu, W. A wireless power transfer system for an autonomous underwater vehicle based on lightweight universal variable ring-shaped magnetic coupling. Int. J. Circuit Theory Appl. 2023, 51, 2654–2673. [Google Scholar] [CrossRef]
- Heeres, B.J.; Novotny, D.W.; Divan, D.M.; Lorenz, R.D. Contactless underwater power delivery. In Proceedings of the Power Electronics Specialists Conference, PESC ‘94 Record, 25th Annual IEEE, Taipei, Taiwan, 20–25 June 1994. [Google Scholar]
- Kojiya, T.; Sato, F.; Matsuki, H.; Sato, T. Automatic power supply system to underwater vehicles utilizing non-contacting technology. In Proceedings of the Oceans’04 MTS/IEEE Techno-Ocean’04 (IEEE Cat. No.04CH37600), Kobe, Japan, 9–12 November 2004; Volume 4, pp. 2341–2345. [Google Scholar] [CrossRef]
- Awai, I.; Sawahara, Y.; Ishizaki, T. Choice of resonators for a WPT system in lossy materials. In Proceedings of the Wireless Power Transfer Conference, Jeju, Republic of Korea, 8–9 May 2014. [Google Scholar]
- Itoh, R.; Sawahara, Y.; Ishizaki, T.; Awai, I. Wireless power transfer to moving ornamental robot fish in aquarium. In Proceedings of the 2014 IEEE 3rd Global Conference on Consumer Electronics (GCCE), Tokyo, Japan, 7–10 October 2014; pp. 459–460. [Google Scholar]
- Sato, N.; Kifune, H.; Komeda, S. A coil layout of wireless power transfer systems based on multicoil arrangement for underwater vehicles. Electr. Eng. Jpn. 2019, 207, 38–48. [Google Scholar] [CrossRef]
- Li, Z.S.; Li, D.J.; Lin, L.; Chen, Y. Design considerations for electromagnetic couplers in contactless power transmission systems for deep-sea applications. J. Zhejiang Univ. Sci. C 2010, 11, 824–834. [Google Scholar] [CrossRef]
- Guo, K.; Zhou, J.; Sun, H.; Yao, P. Design Considerations for a Position-Adaptive Contactless Underwater Power Deliver System. In Proceedings of the 2019 22nd International Conference on Electrical Machines and Systems (ICEMS), Harbin, China, 11–14 August 2019; pp. 1–6. [Google Scholar]
- Zhang, K.H.; Zhang, X.Y.; Zhu, Z.B.; Yan, Z.C.; Song, B.W.; Mi, C.C. A New Coil Structure to Reduce Eddy Current Loss of WPT Systems for Underwater Vehicles. IEEE Trans. Veh. Technol. 2019, 68, 245–253. [Google Scholar] [CrossRef]
- Kan, T.Z.; Zhang, Y.M.; Yan, Z.C.; Mercier, P.P.; Mi, C.C. A Rotation-Resilient Wireless Charging System for Lightweight Autonomous Underwater Vehicles. IEEE Trans. Veh. Technol. 2018, 67, 6935–6942. [Google Scholar] [CrossRef]
- Kan, T.Z.; Mai, R.K.; Mercier, P.P.; Mi, C.C. Design and Analysis of a Three-Phase Wireless Charging System for Lightweight Autonomous Underwater Vehicles. IEEE Trans. Power Electron. 2018, 33, 6622–6632. [Google Scholar] [CrossRef]
- Cheng, Z.; Lei, Y.; Song, K.; Zhu, C. Design and Loss Analysis of Loosely Coupled Transformer for an Underwater High-Power Inductive Power Transfer System. IEEE Trans. Magn. 2015, 51, 1–10. [Google Scholar] [CrossRef]
- Wang, S.L.; Song, B.W.; Duan, G.L.; Du, X.Z. Automatic wireless power supply system to autonomous underwater vehicles by means of electromagnetic coupler. J. Shanghai Jiaotong Univ. Sci. 2014, 19, 110–114. [Google Scholar] [CrossRef]
- Cai, C.; Yang, Z.; Qin, M.; Wu, S. High Transmission Capacity P.U.A. Wireless Power Transfer for AUV Using an Optimized Magnetic Coupler. In Proceedings of the 2018 IEEE International Magnetics Conference (INTERMAG), Singapore, 23–27 April 2018; p. 1. [Google Scholar]
- Stankiewicz, J.M. Analysis of the Wireless Power Transfer System Using a Finite Grid of Planar Circular Coils. Energies 2023, 16, 7651. [Google Scholar] [CrossRef]
- Kiani, M.; Ghovanloo, M. The Circuit Theory Behind Coupled-Mode Magnetic Resonance-Based Wireless Power Transmission. IEEE Trans. Circuits Syst. I Regul. Pap. 2012, 59, 2065–2074. [Google Scholar] [CrossRef] [PubMed]
- Tan, L.L.; Huang, X.L.; Qiang, H. Efficiency Analysis and Optimization on Magnetic Resonance Coupled Wireless Transfer System. Adv. Mater. Res. 2011, 1377, 1345–1348. [Google Scholar] [CrossRef]
- Yan, Z.C.; Zou, T.Y.; Chen, M.Y.; Zhou, D.F.; Zhao, S.C.; Guo, Y.Q.; Cai, C.B. Spatial Azimuthal Misalignment Characteristics of High-Temperature Superconducting Wireless Power Transmission Systems. Appl. Sci. 2023, 13, 6718. [Google Scholar] [CrossRef]
- Wheeler, H.A. Simple Inductance Formulas for Radio Coils. Proc. Inst. Radio Eng. 1928, 16, 1398–1400. [Google Scholar] [CrossRef]
- Kraichman, M.B. Impedance of a circular loop in an infinite conducting medium. J. Res. 1962, 66, 499–503. [Google Scholar] [CrossRef]
- Bana, V.; Anderson, G.; Xu, L.; Rodriguez, D. Characterization of Coupled Coils in Seawater for Wireless Power Transfer. Environ. Sci. Eng. 2013. Available online: https://www.semanticscholar.org/paper/Characterization-of-Coupled-Coil-in-Seawater-for-Bana-Anderson/9185289e8cd9870b90b53b37cb9292106a68ce4e (accessed on 25 July 2024).
- Guan, Y.; Sun, X.M.; Jiang, X.D.; Sa, R.; Zhou, L.; Huang, Y.; Liu, Y.T.; Li, X.J.; Lu, R.F.; Wang, C. The effect of Fe-Mn minerals and seawater interface and enrichment mechanism of ore-forming elements of polymetallic crusts and nodules from the South China Sea. Acta Oceanol. Sin. 2017, 36, 34–46. [Google Scholar] [CrossRef]
- Tippmann, J.D.; Sarkar, J.; Verlinden, C.M.A.; Hodgkiss, W.S.; Kuperman, W.A. Toward ocean attenuation tomography: Determining acoustic volume attenuation coefficients in seawater using eigenray amplitudes. J. Acoust. Soc. Am. 2016, 140, EL247–EL250. [Google Scholar] [CrossRef] [PubMed]
- Li, C.S.; Dong, W.J.; Ding, L.B.; Zhang, H.; Sun, H. Transfer Characteristics of the Nonlinear Parity-Time-Symmetric Wireless Power Transfer System at Detuning. Energies 2020, 13, 5175. [Google Scholar] [CrossRef]
- Fu, Y.; Zhu, Y.; Jiang, D.; Ji, B.; Peng, Z. Improved Design of PCB Coil for Magnetically Coupled Wireless Power Transfer. Electronics 2024, 13, 426. [Google Scholar] [CrossRef]
- Kim, S.M.; Cho, I.K.; Moon, J.I.; Jeon, S.I.; Choi, J.I. 5W Wireless Power Transmission System with Coupled Magnetic Resonance. In Proceedings of the 2013 5th IEEE International Symposium on Microwave, Antenna, Propagation and EMC Technologies for Wireless Communications, Chengdu, China, 29–31 October 2013; pp. 255–258. [Google Scholar] [CrossRef]
- Zhang, H.; Sui, X.; Sui, P.; Wei, L.; Huang, Y.; Yang, Z.; Yang, H. Coil Parameter Optimization Method for Wireless Power Transfer System Based on Crowding Distance Division and Adaptive Genetic Operators. Energies 2024, 17, 3289. [Google Scholar] [CrossRef]



























| Parameter | Symbol | Unit | Parameter | Symbol | Unit |
|---|---|---|---|---|---|
| Input frequency | Hz | Angular frequency | |||
| Resonant frequency | Hz | Load resistance | |||
| Transmission end coil resistance | Receiver coil resistance | ||||
| Mutual inductance | Supply voltage | ||||
| Output power | Transmission efficiency | % |
| Parameter | Symbol | Value |
|---|---|---|
| Rated voltage | 400 V | |
| Rated current | 23 A | |
| Rated gate voltage | 20 V |
| Component of STM32F334C8 | Performance |
|---|---|
| Core | Up to 72 MHz main frequency |
| Memory | 64 Kbytes |
| SRAM | 12 Kbytes, with parity check function |
| Timer | 217 ps high-resolution, capable of self-compensation for drift caused by power supply and temperature |
| ADC | 12-bit, 5 Msps |
| Comparator | Shutdown only requires 26 ns |
| Operational amplifier | 5 types of built-in gain, accuracy up to 1% |
| Parameter | Symbol | Value |
|---|---|---|
| High-Side maximum floating voltage | 600 V | |
| Gate drive supply voltage | 10~20 V | |
| Logic ground | −5~5 V | |
| Logic input voltage | Vss~Vss+4 | |
| Turn-On delay | 180 ns | |
| Turn-Off delay | 220 ns |
| Input Frequency (kHz) | Output Power (W) | Transmission Efficiency |
|---|---|---|
| 90 | 11.55 | 68.70% |
| 92 | 13.69 | 78.67% |
| 94 | 14.79 | 85.40% |
| 96 | 15.09 | 88.25% |
| 98 | 14.88 | 89.35% |
| 100 | 14.07 | 88.89% |
| 102 | 13.22 | 86.44% |
| 104 | 12.19 | 84.95% |
| 106 | 11.12 | 78.55% |
| 108 | 10.09 | 73.63% |
| 110 | 8.95 | 68.21% |
| Input Frequency (kHz) | Output Power (W) | Transmission Efficiency |
|---|---|---|
| 92 | 13.59 | 78.73% |
| 96 | 15.03 | 88.12% |
| 100 | 14.06 | 88.76% |
| 104 | 12.14 | 84.81% |
| 108 | 10.01 | 73.47% |
| Frequency | Outer Diameter of Coil | Transmission Distance | Transmission Power | Transmission Efficiency | |
|---|---|---|---|---|---|
| This article | 100 kHz | 15 cm | 5 cm | 14.26 W | 88.76% |
| Reference [30] | 98 kHz | 9 cm | 4.5 cm | 14.4 W | 74.6% |
| Reference [31] | 1.8 MHz | 7 cm | 7 cm | 9 W | 75% |
| Reference [32] | 6.78 MHz | 5.2 cm | 18.9 cm | 7.82 W | 83% |
Disclaimer/Publisher’s Note: The statements, opinions and data contained in all publications are solely those of the individual author(s) and contributor(s) and not of MDPI and/or the editor(s). MDPI and/or the editor(s) disclaim responsibility for any injury to people or property resulting from any ideas, methods, instructions or products referred to in the content. |
© 2024 by the authors. Licensee MDPI, Basel, Switzerland. This article is an open access article distributed under the terms and conditions of the Creative Commons Attribution (CC BY) license (https://creativecommons.org/licenses/by/4.0/).
Share and Cite
Hu, Q.; Qin, Y.; Li, Z.; Zheng, M.; Huang, J.; Ou, Y. Modeling and Transmission Characteristics Study of a Resonant Underwater Wireless Electric Power Transmission System. Energies 2024, 17, 3717. https://doi.org/10.3390/en17153717
Hu Q, Qin Y, Li Z, Zheng M, Huang J, Ou Y. Modeling and Transmission Characteristics Study of a Resonant Underwater Wireless Electric Power Transmission System. Energies. 2024; 17(15):3717. https://doi.org/10.3390/en17153717
Chicago/Turabian StyleHu, Qiong, Yu Qin, Zhenfu Li, Meiling Zheng, Junqiang Huang, and Yujia Ou. 2024. "Modeling and Transmission Characteristics Study of a Resonant Underwater Wireless Electric Power Transmission System" Energies 17, no. 15: 3717. https://doi.org/10.3390/en17153717
APA StyleHu, Q., Qin, Y., Li, Z., Zheng, M., Huang, J., & Ou, Y. (2024). Modeling and Transmission Characteristics Study of a Resonant Underwater Wireless Electric Power Transmission System. Energies, 17(15), 3717. https://doi.org/10.3390/en17153717
