P2P Energy Exchange Architecture for Swarm Electrification-Driven PV Communities
Abstract
1. Introduction
2. State of the Art
2.1. Microgrid Planning
2.2. Microgrid Electrical Architectures
2.3. Local Control Methods
2.4. Advanced Control Techniques
2.5. P2P Trading Platforms
3. The Proposed Architecture
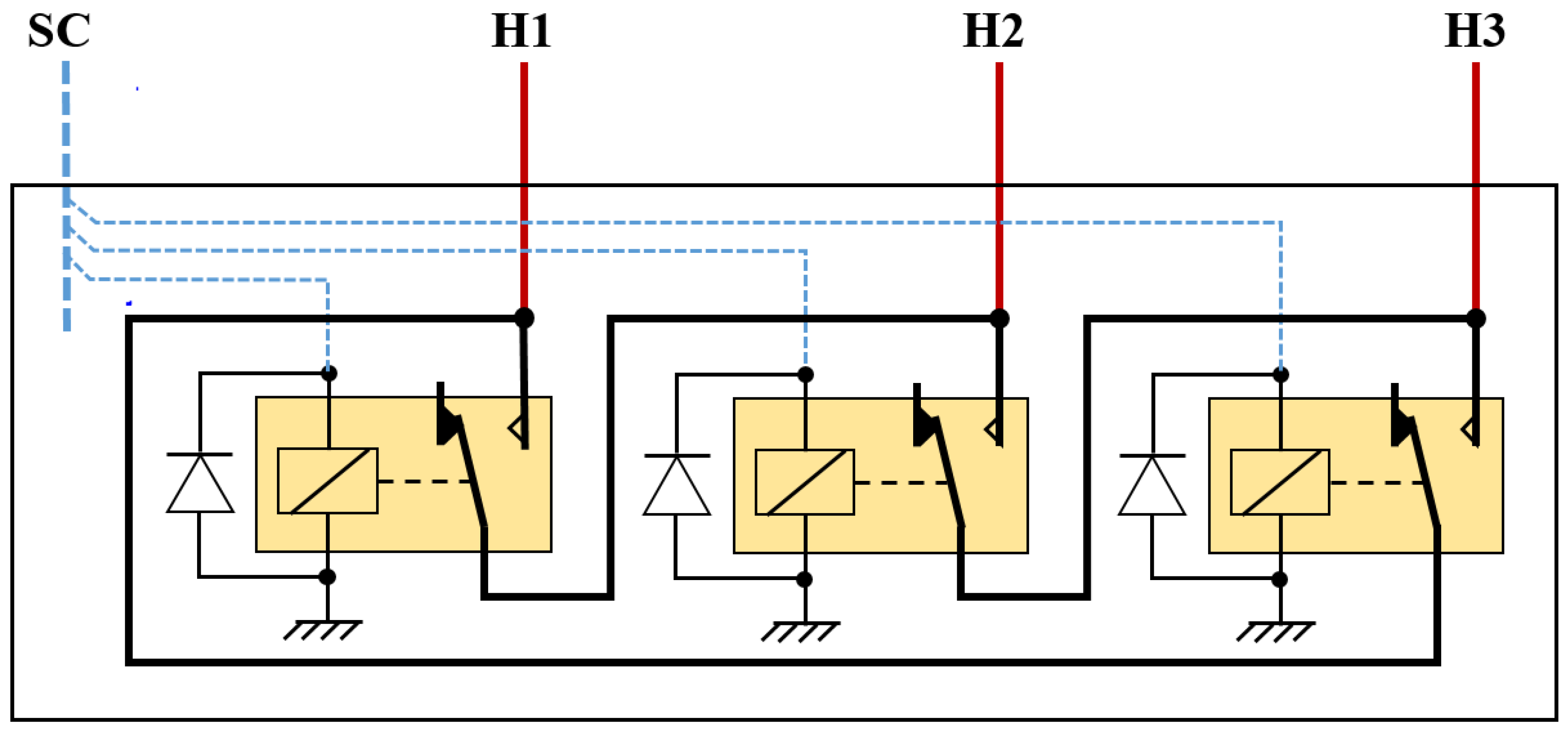
3.1. The Electrical Architecure
3.2. Blockchain-Based Control in Rural Context
- Blockchain architecture in rural communities
- Payment
- Automation
3.3. Home Energy Management and Trading System
- The battery state of charge:
- The total energy demand
- ➢
- are primary and secondary loads energy demands at time slot t.
- ➢
- is the number of primary (secondary) loads.
- ➢
- are power demand of primary (secondary) appliance i.
- ➢
- is the duration of the operation of appliance i at time slot t.
- The estimation of the energy excess and energy request
- ➢
- is the quantity of energy that will be exchanged at time slot t. is positive for the supplier due to the overload supplied to the peer’s shared load and negative for the requester since the shared load is powered by the matched supplier peer.
- The efficiency of energy conversion
- ➢
- is the PV panel efficiency.
- ➢
- is the regulator efficiency.
- ➢
- is cables efficiency.
- ➢
- is battery discharge efficiency
4. Experimental Validation
4.1. The Microgrid Testbed Setup
4.2. Experimental Results
5. Conclusions
Author Contributions
Funding
Data Availability Statement
Conflicts of Interest
References
- United Nations Development Programme. Available online: https://www.undp.org/energy/our-work-areas/energy-access/access-electricity (accessed on 10 January 2024).
- IEA, Paris. 2022. Available online: https://www.iea.org/reports/africa-energy-outlook-2022 (accessed on 12 February 2024).
- Energy Sector Management Assistance Program. Mini Grids for Half a Billion People: Market Outlook and Handbook for Decision Makers; ESMAP Technical Report; 014/19; World Bank: Washington, DC, USA, 2019; Available online: https://openknowledge.worldbank.org/handle/ (accessed on 9 June 2021).
- Asian Development Bank. Handbook on Microgrids for Power Quality and Connectivity; Asian Development Bank: Manila, Philippines, 2020; Available online: https://www.adb.org/documents/handbook-microgrids-power-quality-connectivity (accessed on 24 May 2021).
- Zhou, X.; Guo, T.; Ma, Y. An overview on microgrid technology. In Proceedings of the 2015 IEEE International Conference on Mechatronics and Automation (ICMA), Beijing, China, 2–5 August 2015. [Google Scholar]
- Perez-DeLaMora, D.; Quiroz-Ibarra, J.E.; Fernandez-Anaya, G.; Hernandez-Martinez, E. Roadmap on community-based microgrids deployment: An extensive review. Energy Rep. 2021, 7, 2883–2898. [Google Scholar] [CrossRef]
- International Electrotechnical Commission (IEC) Report on LVDC Electricity for the 21st Century. 2017. Available online: https://www.iec.ch/basecamp/lvdc-electricity-21st-century (accessed on 13 July 2021).
- IEC TS 62257-1:2015 | IEC Webstore | Rural Electrification Solar Power LVDC. Available online: https://webstore.iec.ch/publication/23502 (accessed on 21 May 2024).
- Decuir, J.; Michael, P. Draft IEEE standard for DC microgrids for rural and remote electricity access applications. In Proceedings of the IEEE Conference on Technologies for Sustainability (SusTech), Phoenix, AZ, USA, 12–14 November 2017; pp. 1–5. [Google Scholar] [CrossRef]
- Groh, S.; Philipp, D.; Lasch, B.E.; Kirchhoff, H. Swarm electrification—Suggesting a paradigm change through building microgrids bottom-up. In Proceedings of the 3rd International Conference on the Developments in Renewable Energy Technology (ICDRET), Dhaka, Bangladesh, 29–31 May 2014; pp. 1–2. [Google Scholar] [CrossRef]
- Chowdhury, S.A.; Hasan, A.M.; Hasan, A.M.; Kirchhoff, H.; Groh, S. Shahriar Ahmed Chowdhury. In Solar DC Grids for Rural Electrification. BMS College of Engineering, Bangalore; Universitätsverlag der TU Berlin: Berlin, Germany, 2015; pp. 71–75. [Google Scholar]
- Sheridan, S.; Sunderland, K.; Courtney, J. Swarm electrification: A comprehensive literature review. Renew. Sustain. Energy Rev. 2023, 175, 1113157. [Google Scholar] [CrossRef]
- Dumitrescu, R.; Groh, S.; Tetteh, N.; Islam, S.; Ahmed, S. Swarm electrification at scale: An innovative partnership model for sustainable energy development in Bangladesh. Nat. Resour. Forum. 2023, 47, 842–857. [Google Scholar] [CrossRef]
- Demidov, I.; Dibaba, H.; Pinomaa, A.; Honkapuro, S.; Nieminen, M. System Platform Enabling Peer-to-Peer Electricity Market Model for Off-Grid Microgrids in Rural Africa. In Proceedings of the 2020 17th International Conference on the European Energy Market (EEM), Stockholm, Sweden, 16–18 September 2020. [Google Scholar]
- Long, C.; Wu, J.; Zhou, Y.; Jenkins, N. Peer-to-peer energy sharing through a two-stage aggregated battery control in a community Microgrid. Appl. Energy 2018, 226, 261–276. [Google Scholar] [CrossRef]
- Huang, H.; Nie, S.; Lin, J.; Wang, Y.; Dong, J. Optimization of Peer-to-Peer Power Trading in a Microgrid with Distributed PV and Battery Energy Storage Systems. Sustainability 2020, 12, 923. [Google Scholar] [CrossRef]
- Park, C.; Yong, T. Comparative review and discussion on P2P electricity trading. Energy Procedia 2017, 128, 3–9. [Google Scholar] [CrossRef]
- Harish, V.S.K.V.; Anwer, N.; Kumar, A. Development of a Peer to peer electricity exchange model in micro grids for rural electrification. In Proceedings of the 2019 2nd International Conference on Power Energy, Environment and Intelligent Control (PEEIC), Greater Noida, India, 18–19 October 2019. [Google Scholar]
- Shahzad, S.; Abbasi, M.A.; Ali, H.; Iqbal, M.; Munir, R.; Kilic, H. Possibilities, Challenges, and Future Opportunities of Microgrids: A Review. Sustainability 2023, 15, 6366. [Google Scholar] [CrossRef]
- Kumar, A.A.; Prabha, N.A. A comprehensive review of DC microgrid in market segments and control technique. Heliyon 2022, 8, 111. [Google Scholar]
- Nasir, M.; Khan, H.A.; Hussain, A.; Mateen, L.; Zaffar, N.A. Solar PV-Based Scalable DC Microgrid for Rural Electrification in Developing Regions. IEEE Trans. Sustain. Energy 2018, 9, 390–399. [Google Scholar] [CrossRef]
- Boumaiza, A. A Blockchain-Based Scalability Solution with Microgrids Peer-to-Peer Trade. Energies 2024, 17, 915. [Google Scholar] [CrossRef]
- Vangulick, D.; Cornélusse, B.; Ernst, D. Blockchain for Peer-to-Peer Energy Exchanges: Design and Recommendations. In Proceedings of the 2018 Power Systems Computation Conference (PSCC), Dublin, Ireland, 11–15 June 2018. [Google Scholar]
- Goranović, A.; Meisel, M.; Fotiadis, L.; Wilker, S.; Treytl, A.; Sauter, T. Blockchain applications in microgrids an overview of current projects and concepts. In Proceedings of the IECON 2017—43rd Annual Conference of the IEEE Industrial Electronics Society, Beijing, China, 29 October–1 November 2017. [Google Scholar]
- Dudkina, E.; Crisostomi, E.; Poli, D. A review of P2P energy markets and a possible application for remote areas. In Proceedings of the 2020 IEEE PES Innovative Smart Grid Technologies Europe (ISGT-Europe), The Hague, Netherlands, 26–28 October 2020. [Google Scholar]
- Ometov, A.; Bardinova, Y.; Afanasyeva, A.; Masek, P.; Zhidanov, K.; Vanurin, S.; Sayfullin, M.; Shubina, V.; Bezzateev, S. An Overview on Blockchain for Smartphones: State-of-the-Art, Consensus, Implementation, Challenges and Future Trends. IEEE Access 2020, 8, 103994–104015. [Google Scholar] [CrossRef]
- Kyriakarakos, G.; Papadakis, G. Microgrids for Productive Uses of Energy in the Developing World and Blockchain: A Promising Future. Appl. Sci. 2018, 8, 580. [Google Scholar] [CrossRef]
- Kirchhoff, H.; Strunz, K. Key drivers for successful development of peer-to-peer microgrids for swarm electrification. Appl. Energy 2019, 244, 46–62. [Google Scholar] [CrossRef]
- Hirsch, A.; Parag, Y.; Guerrero, J. Microgrids: A review of technologies, key drivers, and outstanding issues. Renew. Sustain. Energy Rev. 2018, 90, 402–411. [Google Scholar] [CrossRef]
- Mandelli, S.; Barbieri, J.; Mereu, R.; Colombo, E. Off-grid systems for rural electrification in developing countries: Definitions, classification and a comprehensive literature review. Renew. Sustain. Energy Rev. 2016, 58, 1621–1646. [Google Scholar] [CrossRef]
- Kemausuor, F.; Sedzro, M.D.; Osei, I. Decentralised Energy Systems in Africa: Coordination and Integration of Off-Grid and Grid Power Systems–Review of Planning Tools to Identify Renewable Energy Deployment Options for Rural Electrification in Africa. Curr. Sustain./Renew. Energy Rep. 2018, 5, 214–223. [Google Scholar] [CrossRef]
- Soltowski, B.; Stewart, F.; Strachan, S.; Campos-Gaona, D.; Anaya-Lara, O.; Galloway, S. A field trial of off-grid SHS Interconnection in Rwanda’s Northern Province. Energy Sustain. Dev. 2022, 66, 69–78. [Google Scholar] [CrossRef]
- Mandelli, S.; Brivio, C.; Moncecchi, M.; Riva, F.; Bonamini, G.; Merlo, M. Novel LoadProGen procedure for micro-grid design in emerging country scenarios: Application to energy storage sizing. Energy Procedia 2017, 135, 367–378. [Google Scholar] [CrossRef]
- Arshad, R.; Khan, H.A.; Anees, M.; Nasir, M. System size and loss of power supply probability reduction through Peer-to-Peer Power Sharing in DC Microgrids. In Proceedings of the 2022 IEEE Green Technologies Conference (GreenTech), Houston, TX, USA, 30 March–1 April 2022; pp. 7–12. [Google Scholar]
- Sarkar, S.; Bhaskar, M.; Rao, K.U.; Prema, V.; Almakhles, D.; Subramaniam, U. Solar PV network installation standards and cost estimation guidelines for smart cities. Alex. Eng. J. 2022, 61, 1277–1287. [Google Scholar] [CrossRef]
- Narayan, N.; Qin, Z.; Popovic-Gerber, J.; Diehl, J.-C.; Bauer, P.; Zeman, M. Stochastic load profile construction for the multi-tier framework for household electricity access using off-grid DC appliances. Energy Effic. 2020, 13, 197–215. [Google Scholar] [CrossRef]
- Prinsloo, G.J.; Dobson, R.; Brent, A. Scoping exercise to determine load profile archetype reference shapes for solar co-generation models in isolated off-grid rural African villages. J. Energy South. Afr. 2016, 27, 11–27. [Google Scholar] [CrossRef]
- Kumar, D.; Zare, F.; Ghosh, A. DC Microgrid Technology: System Architectures, AC Grid Interfaces, Grounding Schemes, Power Quality, Communication Networks, Applications, and Standardizations Aspects. IEEE Access 2017, 5, 12230–12256. [Google Scholar]
- Narayan, N.; Chamseddine, A.; Vega-Garita, V.; Qin, Z.; Popovic-Gerber, J.; Bauer, P.; Zeman, M. Quantifying the Benefits of a Solar Home System-Based DC Microgrid for Rural Electrification. Energies 2019, 12, 938. [Google Scholar] [CrossRef]
- Alam, M.S.; Al-Ismail, F.S.; Rahman, S.M.; Shafiullah, M.; Hossain, M.A. Planning and protection of DC microgrid: A critical review on recent developments. Eng. Sci. Technol. Int. J. 2023, 41, 1101404. [Google Scholar] [CrossRef]
- Madduri, P.A.; Poon, J.; Rosa, J.; Podolsky, M.; Brewer, E.A.; Sanders, S.R. Scalable DC Microgrids for Rural Electrification in Emerging Regions. IEEE J. Emerg. Sel. Top. Power Electron. 2016, 4, 1195–1205. [Google Scholar] [CrossRef]
- Marzal, S.; Salas, R.; González-Medina, R.; Garcerá, G.; Figueres, E. Current challenges and future trends in the field of communication architectures for microgrids. Renew. Sustain. Energy Rev. 2018, 82, 3610–3622. [Google Scholar] [CrossRef]
- IEEE Std. 802.15.4; Wireless Medium Access Control (MAC) and Physical Layer (PHY) Specifications for Low-Rate Wireless Personal Area Networks (LR-WPANs). IEEE Standards Association: Piscataway, NJ, USA, 2003.
- Celik, B.; Roche, R.; Suryanarayanan, S.; Bouquain, D.; Miraoui, A. Electric energy management in residential areas through coordination of multiple smart homes. Renew. Sustain. Energy Rev. 2017, 80, 260–275. [Google Scholar] [CrossRef]
- Available online: https://www.mathworks.com/ (accessed on 8 June 2022).
- Werth, A.; Andre, A.; Kawamoto, D.; Morita, T.; Tajima, S.; Tokoro, M.; Yanagidaira, D.; Tanaka, K. Peer-to-Peer Control System for DC Microgrids. IEEE Trans. Smart Grid 2018, 9, 3667–3675. [Google Scholar] [CrossRef]
- Fairlay, P. IEEE Spectrum. 27 March 2018. Available online: https://spectrum.ieee.org/startup-profile-me-solshares-swarm-electrification-powers-villages-in-bangladesh (accessed on 6 March 2024).
- Hassan, Y.; Mazumder, S.; Rahman, A.; Hossain, A. An Efficient Peer to Peer Energy Trading System through Multichain Private Block Chain Using PV Generation. Ph.D. Thesis, Brac University, Dhaka, Bangladesh, 2020. [Google Scholar]
- Seebacher, S.; Schüritz, R. Blockchain Technology as an Enabler of Service Systems: A Structured Literature Review. In Lecture Notes in Business Information Processing; Springer International Publishing: Berlin/Heidelberg, Germany, 2017. [Google Scholar]
- Mengelkamp, E.; Gärttner, J.; Rock, K.; Kessler, S.; Orsini, L.; Weinhardt, C. Designing microgrid energy markets: A case study: The Brooklyn Microgrid. Appl. Energy 2018, 210, 870–880. [Google Scholar] [CrossRef]
- Andoni, M.; Robu, V.; Flynn, D.; Abram, S.; Geach, D.; Jenkins, D.; McCallum, P.; Peacock, A. Blockchain technology in the energy sector: A systematic review of challenges and opportunities. Renew. Sustain. Energy Rev. 2018, 100, 143–174. [Google Scholar] [CrossRef]
- Ilang-Ilang, M.C.; Avila, J.M. Evaluation of a Simulated Blockchain-based P2P Energy Trading System using an Isolated Rural Area Load Profile. Philipp. E-J. Appl. Res. Dev. 2023, 13, 10–20. [Google Scholar]
- IEEE Std 1547.3-2007; IEEE Guide for Monitoring, Information Exchange, and Control of Distributed Resources Interconnected with Electric Power Systems. IEEE Standards Association: Piscataway, NJ, USA, 2007; pp. 1–160. [CrossRef]
- Christidis, K.; Sikeridis, D.; Wang, Y.; Devetsikiotis, M. A framework for designing and evaluating realistic blockchain-based local energy markets. Appl. Energy 2021, 281, 115963. [Google Scholar] [CrossRef]
- Yang, M.; Xu, X.; Chen, S.; Zhu, L. Blockchain-based Solution for Managing Renewable-based Microgrids. IEEE Tech. Briefs 2020. Available online: https://blockchain.ieee.org/images/files/pdf/blockchain-based-solution-for-managing-renewable-based-microgrids_202001.pdf (accessed on 1 June 2024).
- Fritzsche, K.; Shuttleworth, L.; Brand, B.; Blechinger, P. Exploring the nexus of mini-grids and digital technologies. Potentials, challenges and options for sustainable energy access in Sub-Saharan Africa. IASS Study 2019. [Google Scholar] [CrossRef]
- Introducing ConsenSys Quorum. Available online: https://consensys.net/quorum/ (accessed on 12 January 2022).
- Homan, B.; Kortenaar, M.V.T.; Hurink, J.L.; Smit, G.J. A realistic model for battery state of charge prediction in energy management simulation tools. Energy 2019, 171, 205–217. [Google Scholar] [CrossRef]
- Rolffs, P.; Ockwell, D.; Byrne, R. Beyond technology and finance: Pay-as-you-go sustainable energy access and theories of social change. Environ. Plan. A Econ. Space 2015, 47, 2609–2627. [Google Scholar] [CrossRef]
- Jack, B.K.; Smith, G. Pay as You Go: Prepaid Metering and Electricity Expenditures in South Africa. Am. Econ. Rev. 2015, 105, 237–241. [Google Scholar] [CrossRef]
























| Features | Supplier | Requester |
|---|---|---|
| PV panel | 150 Wp | 80 Wp |
| Battery | 12V 40 Ah | 12 V 40 Ah |
| Daily total demand | 290 Wh | 323 Wh |
| Household | ||
|---|---|---|
| Prosumer | 16% | 0% |
| Consumer | 0% | 11% |
Disclaimer/Publisher’s Note: The statements, opinions and data contained in all publications are solely those of the individual author(s) and contributor(s) and not of MDPI and/or the editor(s). MDPI and/or the editor(s) disclaim responsibility for any injury to people or property resulting from any ideas, methods, instructions or products referred to in the content. |
© 2024 by the authors. Licensee MDPI, Basel, Switzerland. This article is an open access article distributed under the terms and conditions of the Creative Commons Attribution (CC BY) license (https://creativecommons.org/licenses/by/4.0/).
Share and Cite
Taouil, K.; Aloulou, R.; Bradai, S.; Gassara, A.; Kharrat, M.W.; Louati, B.; Giordani, M. P2P Energy Exchange Architecture for Swarm Electrification-Driven PV Communities. Energies 2024, 17, 3680. https://doi.org/10.3390/en17153680
Taouil K, Aloulou R, Bradai S, Gassara A, Kharrat MW, Louati B, Giordani M. P2P Energy Exchange Architecture for Swarm Electrification-Driven PV Communities. Energies. 2024; 17(15):3680. https://doi.org/10.3390/en17153680
Chicago/Turabian StyleTaouil, Khaled, Rahma Aloulou, Salma Bradai, Amal Gassara, Mohamed Wajdi Kharrat, Badii Louati, and Michel Giordani. 2024. "P2P Energy Exchange Architecture for Swarm Electrification-Driven PV Communities" Energies 17, no. 15: 3680. https://doi.org/10.3390/en17153680
APA StyleTaouil, K., Aloulou, R., Bradai, S., Gassara, A., Kharrat, M. W., Louati, B., & Giordani, M. (2024). P2P Energy Exchange Architecture for Swarm Electrification-Driven PV Communities. Energies, 17(15), 3680. https://doi.org/10.3390/en17153680

