Selected Reliability Aspects Related to the Power Supply of Security Systems
Abstract
1. Introduction
- Focused, where all transmission lines, detection loops or broadcast lines for loudspeakers constituting part of audio warning systems (AWS) have their beginning and end always within a single ACU, located within the monitored facility—Figure 1. In such a case, the ACU is the primary component of a security system, responsible for switching between the technical states of this facility [3,5]. The transition from, e.g., the state of monitoring to alarming, or inversely or to ACU signaling of a failure technical state by an embedded diagnostic model. Such an SS type is most usually employed within low-volume facilities;
- Distributed, which involves a higher number of ACUs, most usually located within protected buildings [2,3]. ACUs are usually interconnected in a given manner. The applied topologies involve, e.g., ring, annular, star or main [1,3,7]. Such an ESS design (topology) enables mutual communication, control, diagnostics and exchange of information, as well as alarm signal transmission via a single alarm and failure signal transmission device (AFSTD) hooked up to a master ACU—Figure 1;
- Mixed, most common for complex, monitored facilities due to the security of different buildings. Most often, this is a combination of two technical structures referred to above, where a focused ESS monitors a single technical facility separated from an entire building complex. In a majority of cases, this is the most important facility among all the buildings within a given area—it contains, e.g., a main office, communication and monitoring rooms, cash desk, etc. Two different, separate and independent AFSTDs responsible for the outside transmission of alarm and failure signals can be employed in such a case [2,4,8]. Such technical structures involving ESS are employed in buildings or to monitor vast areas constituting the so-called state critical infrastructure (SCI) [1,3,9].
2. Literature Review
3. Selected Operation Process Graphs for Electronic Security Systems Operated in Buildings and State Critical Infrastructure Facilities
- Focused power supply type. It is the simplest technical structure; in this case, an ACU or FACU acts as a power source for all elements and devices within transmission mains, as well as detection loops and circuits for the FAS. The start and end of such detection loops, circuits or mains are always located at an alarm control unit, which also houses a power supply with a specific current efficiency and a BB monitored by an ACU or FACU diagnostic module [3,16,73];
- Distributed power supply type. This is a technically complex infrastructure. The ACU or FACU, together with their built-in internal power supply devices, act as a vast power supply system for all ESS elements and devices. In such a case, each ACU or FACU has its own power supply, BB and diagnostic module monitoring backup power parameters. A supply power balance is determined for each ESS subsystem of the distributed structure separately, while their total value specifies the total electricity demand. In the event of a power supply or BB malfunction within a single ESS subsystem, the next nearest security system cannot supply (be a power source) the damaged facility. All ACUs and FACUs are connected in a single or double loop, a star or a double main via a transmission circuit (fiber-optic line). Diagnostic information on the power supply of individual ESS subsystems within a given facility can be sent to an alarm receiving center (ARC) or be locally monitored at every ACU or FACU LCD panel. However, the start and end of detection loops, circuits or mains must always be located at a given ACU or FACU. The aforementioned detection loops or circuits, because of their power supply and the implementation of the security function, cannot be shared by individual ESS subsystems [2,7,33,83];
- Research duration—1 year (the value of this time is given in the units as hours [h]):
- Intensity of transition λD1:
- Intensity of transition λM1:
- Intensity of transition µD1:
- Intensity of transition µM2:
- Intensity of transition λD2:
- Intensity of transition λM2:
- Intensity of transition µD2:
- Intensity of transition µM1:
- Intensity of transition λD2a:
- Intensity of transition µD2a:

- Research duration—1 year (the value of this time is given in the units as hours [h]):
- Intensity of transition λD1:
- Intensity of transition λM1:
- Intensity of transition µD1:
- Intensity of transition µM2:
- Intensity of transition λD1F:
- Intensity of transition µD1F:
- Intensity of transition λD2:
- Intensity of transition λM2:
- Intensity of transition µD2:
- Intensity of transition µM1:
- Intensity of transition λD2a:
- Intensity of transition µD2a:
- Intensity of transition λD1s:
- Intensity of transition µD1s:
- Intensity of transition λD2s:
- Intensity of transition µD2s:
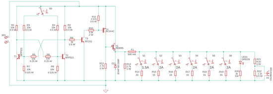
4. Miniature Fuse-Links as a Practical Embodiment of Element Redundancy Employed in Security System Power Supply Devices
- Structural— the implementation of appropriate technical object reliability structures (e.g., parallel with loaded reserve, so-called online or parallel with unloaded reserve, so-called off-line, k with n, etc.)—it also involves, e.g., employing a multi-detector sensor—optical for smoke, temperature and flame in a FAS, which detects various fire characteristic values;
- Parametric—employing selected structural elements of a technical object with the technical properties that ensure parametric reserve other than would arise from, e.g., climatic operating conditions. For example, the use of electrolytic capacitors intended for operation under more demanding climate conditions—instead of an upper operating temperature limit of 85 °C, employing ones exhibiting the upper limit of the said parameter at a level of 105 °C, despite the fact that the analyses conducted at the system device or module engineering stage do not require this at all;
- Functional—a technical object is composed of elements, with selected units that may implement (in addition to their intended ones) functions of other elements should they become unfit (using a CCTV camera able to count people entering and exiting the facility—it partially implements the access control function, providing information to the security system on, e.g., the number of users and customers remaining at a given time within the building).
- Resistance-related—specified as the resistance of a technical object (its subassembly or a collection thereof) to loads adopted at the engineering stage while ensuring appropriate reserve (an example may be an electrolytic capacitor intended for continuous operation at a voltage of 25 [V], the short-term operation of which at a higher voltage, e.g., 30 [V] without detriment to this subassembly was enabled at the engineering and manufacturing stages);
- Temporal—providing a technical object with a more favorable time interval (from the perspective of its operation) than, e.g., adopted by normative requirements (e.g., ensuring a longer operation time for the intrusion detection system using battery power in the event of a grid voltage decay, while simultaneously maintaining the requirements of appropriate battery charging time—ration between battery capacity and power supply current efficiency) provided for in the standard. Yet another example found in security systems is adopting a longer time for entering entrance/exit codes at the encoders, taking into account conditions associated, e.g., with age—wearing glasses, additional keyboard illumination, etc. [98];
- Information-based—a technical object employing technical solutions that enable repeated (automatic or manual) measurement of the quantity of interest that should be subject to monitoring to ensure the credibility of thus obtained information (most electronic security systems continuously monitor the state of detection circuits to identify the operational states of alarming, failure, sabotage, etc.);
- Element-based—a technical object is fitted with additional subassemblies or devices, the presence of which is not required for such an object to implement its intended task but favorably impacts its reliability.
- –
- Operating characteristics: quick-acting—F (Ger. flink);
- –
- Type: miniature;
- –
- Rated current: 500 [mA].
- –
- Dimensions (diameter x length): 5 × 20 [mm];
- –
- Body material: glass;
- –
- Filler type: none—no quenching agent (lower breaking capacity);
5. Conclusions
Author Contributions
Funding
Data Availability Statement
Conflicts of Interest
Abbreviations
| ACU | Alarm Control Unit |
| FAS | Fire Alarm System |
| ARC | Alarm Receiving Centre |
| SWS | Sound Warning System |
| FACU | Fire Alarm Control Unit |
| FFED | Fixed Fire Extinguishing Devices |
| ESS | Electronic Security System |
| AWS | Audio Warning System |
| MCP | Manual Call Point |
| AFSTD | Alarm and Failure Signal Transmitting Device |
| SCI | State Critical Infrastructure |
| TF1–TF9 | test fire designations |
| kg(t) | availability coefficient |
| µ | recovery rate coefficient |
| λ | failure rate coefficient, |
| RO(t) | probability function of a FAS staying in the SPZ state (full fitness) |
| QZB(t) | probability function of a FAS staying in the SZB state (safety hazard) |
| QB(t) | probability function of a FAS staying in the SPZ state (safety unreliability) |
| λZB1 | failure rate, transition of a selected FAS from the SPZ state to the SZB state |
| μPZ1 | recovery rate, transition from the SZB state to the SPZ state |
| PD1 | detection loop No. 1 |
| λCSP | intensity of transition from the SPZ state of full fitness to the SB state of safety unreliability |
| kg(t) | availability coefficient |
References
- Klimczak, T.; Paś, J. Basics of Exploitation of Fire Alarm Systems in Transport Facilities; Military University of Technology: Warsaw, Poland, 2020. [Google Scholar]
- Mondal, M.S.; Prasad, V.; Kumar, R.; Saha, N.; Guha, S.; Ghosh, R.; Mukhopadhyay, A.; Sarkar, S. Automating Fire Detection and Suppression with Computer Vision: A Multi-Layered Filtering Approach to Enhanced Fire Safety and Rapid Response. Fire Technol. 2023, 59, 1555–1583. [Google Scholar] [CrossRef]
- Krzykowski, M.; Paś, J.; Rosiński, A. Assessment of the level of reliability of power supplies of the objects of critical infrastructure. IOP Conf. Ser. Earth Environ. Sci. 2019, 214, 012018. [Google Scholar] [CrossRef]
- Jakubowski, K.; Paś, J.; Duer, S.; Bugaj, J. Operational Analysis of Fire Alarm Systems with a Focused, Dispersed and Mixed Structure in Critical Infrastructure Buildings. Energies 2021, 14, 7893. [Google Scholar] [CrossRef]
- Hulida, E.; Pasnak, I.; Koval, O.; Tryhuba, A. Determination of the Critical Time of Fire in the Building and Ensure Successful Evacuation of People. Period. Polytech. Civ. Eng. 2019, 63, 308–316. [Google Scholar] [CrossRef]
- Festag, S. False alarm ratio of fire detection and fire alarm systems in Germany—A meta-analysis. Fire Saf. J. 2016, 79, 119–126. [Google Scholar] [CrossRef]
- Stawowy, M.; Rosiński, A.; Siergiejczyk, M.; Perlicki, K. Quality and Reliability-Exploitation Modeling of Power Supply Systems. Energies 2021, 14, 2727. [Google Scholar] [CrossRef]
- Smolenski, R.; Lezynski, P.; Bojarski, J.; Drozdz, W.; Long, L.C. Electromagnetic compatibility assessment in multiconverter power systems—Conducted interference issues. Measurement 2020, 165, 108119. [Google Scholar] [CrossRef]
- Duer, S.; Rokosz, K.; Zajkowski, K.; Bernatowicz, D.; Ostrowski, A.; Woźniak, M.; Iqbal, A. Intelligent Systems Supporting the Use of Energy Devices and Other Complex Technical Objects: Modeling, Testing, and Analysis of Their Reliability in the Operating Process. Energies 2022, 15, 6414. [Google Scholar] [CrossRef]
- Li, F.; Chen, S.; Wang, X.; Feng, F. Pedestrian evacuation modeling and simulation on metro platforms considering panic impacts. Procedia Soc. Behav. Sci. 2014, 138, 314–322. [Google Scholar] [CrossRef]
- Klimczak, T.; Paś, J.; Duer, S.; Rosiński, A.; Wetoszka, P.; Białek, K.; Mazur, M. Selected Issues Associated with the Operational and Power Supply Reliability of Fire Alarm Systems. Energies 2022, 15, 8409. [Google Scholar] [CrossRef]
- Dziula, P.; Kołowrocki, K.; Soszyńska-Budny, J. Maritime Transportation System Safety-Modeling and Identification. TransNav. Int. J. Mar. Navig. Saf. Transp. 2013, 7, 169–175. [Google Scholar] [CrossRef]
- Suproniuk, M.; Skibko, Z.; Stachno, A. Diagnostics of some parameters of electricity generated in wind farms. Przegląd Elektrotechniczny 2019, 95, 105–108. [Google Scholar]
- Lewczuk, K.; Kłodawski, M.; Gepner, P. Energy Consumption in a Distributional Warehouse: A Practical Case Study for Different Warehouse Technologies. Energies 2021, 14, 2709. [Google Scholar] [CrossRef]
- Duer, S. Assessment of the Operation Process of Wind Power Plant’s Equipment with the Use of an Artificial Neural Network. Energies 2020, 13, 2437. [Google Scholar] [CrossRef]
- Wisnios, M.; Pas, J. The assessment of exploitation process of power for access control system. Int. Conf. Energy Environ. Mater. Syst. 2017, 19, 01034. [Google Scholar] [CrossRef]
- Festag, S. False Alarm Study, 2nd ed.; Erich Schmidt Verlag: Berlin, Germany, 2022. [Google Scholar]
- Sousa, E.; Tomé, R.; Ribeiro, P.; Dutra, I.; Rodrigues, A. An Online Anomaly Detection Approach for Fault Detection on Fire Alarm Systems. Sensors 2023, 23, 4902. [Google Scholar] [CrossRef] [PubMed]
- Zhang, W.; Xu, D.; Enjeti, P.N.; Li, H.; Hawke, J.T.; Krishnamoorthy, H.S. Survey on fault-tolerant techniques for power electronic converters. IEEE Trans. Power Electron. 2014, 29, 6319–6331. [Google Scholar] [CrossRef]
- Zieja, M.; Szelmanowski, A.; Pazur, A.; Kowalczyk, G. Computer Life-Cycle Management System for Avionics Software as a Tool for Supporting the Sustainable Development of Air Transport. Sustainability 2021, 13, 1547. [Google Scholar] [CrossRef]
- Chao, C.; Zheng, X.; Weng, Y.; Liu, Y.; Gao, P.; Nengling, T. Adaptive distance protection based on the analytical model of additional impedance for inverter-interfaced renewable power plants during asymmetrical faults. IEEE Trans. Power Deliv. 2022, 37, 3823–3834. [Google Scholar] [CrossRef]
- Shamsi, P.; Fahimi, B. Dynamic Behavior of Multiport Power Electronic Interface under Source/Load Disturbances. IEEE Trans. Ind. Electron. 2013, 60, 4500–4511. [Google Scholar] [CrossRef]
- Jiang, W.; Fahimi, B. Multiport Power Electronic Interface—Concept, Modelling, and Design. IEEE Trans. Power Electron. 2011, 26, 1890–1900. [Google Scholar] [CrossRef]
- Zajkowski, K. Two-stage reactive compensation in a three-phase four-wire systems at nonsinusoidal periodic waveforms. Electr. Power Syst. Res. 2020, 184, 106296. [Google Scholar] [CrossRef]
- Ying, X.; Zhang, X.P.; Yang, C. Commutation failure elimination of LCC HVDC systems using thyristor-based controllable capacitors. IEEE Trans. Power Deliv. 2017, 33, 1448–1458. [Google Scholar]
- Nitta, N.; Wu, F.; Lee, J.T.; Yushin, G. Li-ion battery materials: Present and future. Mater. Today 2015, 18, 252–264. [Google Scholar] [CrossRef]
- Schmuch, R.; Wagner, R.; Hörpel, G.; Placke, T.; Winter, M. Performance and cost of materials for lithium-based rechargeable automotive batteries. Nat. Energy 2018, 3, 267–278. [Google Scholar] [CrossRef]
- Cavers, H.; Molaiyan, P.; Abdollahifar, M.; Lassi, U.; Kwade, A. Perspectives on Improving the Safety and Sustainability of High Voltage Lithium-Ion Batteries Through the Electrolyte and Separator Region. Adv. Energy Mater. 2022, 12, 2200147. [Google Scholar] [CrossRef]
- Młynarski, S.; Pilch, R.; Smolnik, M.; Szybka, J.; Wiązania, G. A model of an adaptive strategy of preventive maintenance of complex technical objects. Eksploat. Niezawodn. Maint. Reliab. 2020, 22, 35–41. [Google Scholar] [CrossRef]
- Zhou, Q.; Xu, Y.; Qi, X.; Zhang, Z. Design and Simulation of a Highly Reliable Modular High-Power Current Source. Energies 2022, 15, 8593. [Google Scholar] [CrossRef]
- Chen, G.; Chen, L.; Deng, Y.; Wang, K.; Qing, X. Topology-reconfigurable fault-tolerant LLC converter with high reliability and low cost for more electric aircraft. IEEE Trans. Power Electron. 2018, 34, 2479–2493. [Google Scholar] [CrossRef]
- International Standard IEC 60050-482:2004; International Electrotechnical Vocabulary (IEV)—Part 482: Primary and Secondary Cells and Batteries. International Electrotechnical Commission: Geneva, Switzerland, 7 April 2004; ISBN 283187274X.
- Duer, S. Expert knowledge base to support the maintenance of a radar system. Def. Sci. J. 2010, 60, 531–540. [Google Scholar] [CrossRef][Green Version]
- He, Y.; Zhang, X.; Wang, R.; Cheng, M.; Gao, Z.; Zhang, Z.; Yu, W. Faulty section location method based on dynamic time warping distance in a resonant grounding system. Energies 2022, 15, 4923. [Google Scholar] [CrossRef]
- Vasile, D.-C.; Svasta, P.; Pantazica, M. Preventing the Temperature Side Channel Attacks on Security Circuits. In Proceedings of the 2019 IEEE 25th International Symposium for Design and Technology in Electronic Packaging (SIITME), Cluj-Napoca, Romania, 23–26 October 2019; IEEE: Piscataway Township, NJ, USA, 2019; pp. 244–247. [Google Scholar]
- Weese, M.; Martinez, W.; Megahed, F.M.; Jones-Farmer, L.A. Statistical Learning Methods Applied to Process Monitoring: An Overview and Perspective. J. Qual. Technol. 2016, 48, 4–24. [Google Scholar] [CrossRef]
- Ragab, A.; El-Koujok, M.; Poulin, B.; Amazouz, M.; Yacout, S. Fault diagnosis in industrial chemical processes using inter-pretable patterns based on Logical Analysis of Data. Expert Syst. Appl. 2018, 95, 368–383. [Google Scholar] [CrossRef]
- Oszczypała, M.; Ziółkowski, J.; Małachowski, J. Analysis of Light Utility Vehicle Readiness in Military Transportation Systems Using Markov and Semi-Markov Processes. Energies 2022, 15, 5062. [Google Scholar] [CrossRef]
- Buye, R. Critical Examination of the PESTEL Analysis Model; Project: Action Research for Development; Research Gate: Berlin, Germany, 2021. [Google Scholar]
- Chen, Y.-J.; Lai, Y.-S.; Lin, Y.-H. BIM-based augmented reality inspection and maintenance of fire safety equipment. Autom. Constr. 2020, 110, 103041. [Google Scholar] [CrossRef]
- Abdelghany, M.; Ahmad, W.; Tahar, S.T. Event Tree Reliability Analysis of Electrical Power Generation Network using Formal Techniques. In Proceedings of the 2020 IEEE Electric Power and Energy Conference (EPEC), Edmonton, Canada, 9–10 November 2020. [Google Scholar]
- Badrzadeh, B.; Gupta, M.; Singh, N.; Petersson, A.; Max, L.; Høgdahl, M. Power system harmonic analysis in wind power plants-Part I: Study methodology and techniques. In Proceedings of the IEEE Industry Applications Society Annual Meeting, Las Vegas, NV, USA, 7–11 October 2012; pp. 1–11. [Google Scholar]
- Kwasiborska, A.; Skorupski, J. Assessment of the Method of Merging Landing Aircraft Streams in the Context of Fuel Consumption in the Airspace. Sustainability 2021, 13, 12859. [Google Scholar] [CrossRef]
- Celiński, I.; Burdzik, R.; Młyńczak, J.; Kłaczyński, M. Research on the Applicability of Vibration Signals for Real-Time Train and Track Condition Monitoring. Sensors 2022, 22, 2368. [Google Scholar] [CrossRef]
- Kozyra, J.; Łukasik, Z.; Kuśmińska-Fijałkowska, A.; Kaszuba, P. The impact of selected variants of remote control on power supply reliability indexes of distribution networks. Electr. Eng. 2021, 104, 1255–1264. [Google Scholar] [CrossRef]
- Xu, X.; Hu, W.; Liu, W.; Du, Y.; Huang, R.; Huang, Q.; Chen, Z. Risk management strategy for a renewable power supply system in commercial buildings considering thermal comfort and stochastic electric vehicle behaviors. Energy Convers. Manag. 2021, 230, 113831. [Google Scholar] [CrossRef]
- Kołowrocki, K.; Soszyńska-Budny, J. Reliability and Safety of Complex Technical Systems and Processes; Springer: London, UK, 2011. [Google Scholar]
- Duer, S.; Scaticailov, S.; Paś, J.; Duer, R.; Bernatowicz, D. Taking decisions in the diagnostic intelligent systems on the basis information from an artificial neural network. MATEC Web Conf. 2018, 178, 07003. [Google Scholar] [CrossRef][Green Version]
- Slowak, P.; Kaniewski, P. Stratified Particle Filter Monocular SLAM. Remote Sens. 2021, 13, 3233. [Google Scholar] [CrossRef]
- Nor, N.M.; Hassan, C.R.C.; Hussain, M.A. A review of data-driven fault detection and diagnosis methods: Applications in chemical process systems. Rev. Chem. Eng. 2019, 36, 513–553. [Google Scholar] [CrossRef]
- Variny, M.; Jediná, D.; Kizek, J.; Illés, P.; Lukáč, L.; Janošovský, J.; Lesný, M. An Investigation of the Techno-Economic and Environmental Aspects of Process Heat Source Change in a Refinery. Processes 2019, 7, 776. [Google Scholar] [CrossRef]
- Kim, H.; Lee, M.; Jung, W.-S.; Oh, S.-H. Temperature Monitoring Techniques of Power Cable Joints in Underground Utility Tunnels Using a Fiber Bragg Grating. ICT Express 2022, 1252, 626–632. [Google Scholar] [CrossRef]
- Aminossadati, S.M.; Mohammed, N.M.; Shemshad, J. Distributed Temperature Measurements Using Optical Fibre Technology in an Underground Mine Environment. Tunn. Undergr. Space Technol. 2010, 25, 220–229. [Google Scholar] [CrossRef]
- Paś, J.; Rosiński, A.; Wetoszka, P.; Białek, K.; Klimczak, T.; Siergiejczyk, M. Assessment of the Impact of Emitted Radiated Interference Generated by a Selected Rail Traction Unit on the Operating Process of Trackside Video Monitoring Systems. Electronics 2022, 11, 2554. [Google Scholar] [CrossRef]
- Madan, M.; Gupta, M.; Liang, J.; Homma, N. Static and Dynamic Neural Networks, From Fundamentals to Advanced Theory; John Wiley & Sons, Inc.: Hoboken, NJ, USA, 2003. [Google Scholar] [CrossRef]
- Soszyńska-Budny, J. General approach to critical infrastructure safety modelling. In Safety Analysis of Critical Infrastructure; Lecture Notes in Intelligent Transportation and Infrastructure; Springer: Cham, Switzerland, 2021. [Google Scholar]
- Zajkowski, K. The method of solution of equations with coefficients that contain measurement errors, using artificial neural network. Neural Comput. Appl. 2014, 24, 431–439. [Google Scholar] [CrossRef]
- Duer, S.; Zajkowski, K.; Harničárová, M.; Charun, H.; Bernatowicz, D. Examination of Multivalent Diagnoses Developed by a Diagnostic Program with an Artificial Neural Network for Devices in the Electric Hybrid Power Supply System “House on Water”. Energies 2021, 14, 2153. [Google Scholar] [CrossRef]
- Duer, S.; Valicek, J.; Paś, J.; Stawowy, M.; Bernatowicz, D.; Duer, R.; Walczak, M. Neural Networks in the Diagnostics Process of Low-Power Solar Plant Devices. Energies 2021, 14, 2719. [Google Scholar] [CrossRef]
- Talaat, F.M.; ZainEldin, H. An improved fire detection approach based on YOLO-v8 for smart cities. Neural Comput. Appl. 2023, 35, 20939–20954. [Google Scholar] [CrossRef]
- Sobral, J.; Ferreira, L. Maintenance of fire sprinkler systems based on the dynamic assessment of its condition. Process Saf. Prog. 2016, 35, 84–91. [Google Scholar] [CrossRef]
- Kumar Saxena, M.; Sharma, R.K.; Kumar, S.; Kishore, J.; Nathwani, R.K.; Gupta, A.M.; Kumar, A.; Kumar, A.; Bhatnagar, V.K.; Prakash, O.; et al. Studies on Thermal Profile Measurement and Fire Detection in a Power Supply Cable of a Synchrotron Radiation Source by Raman Optical Fiber Distributed Temperature Sensor System. Opt. Fiber Technol. 2022, 73, 103020. [Google Scholar] [CrossRef]
- Mutlu, N.G.; Altuntas, S. Risk analysis for occupational safety and health in the textile industry: Integration of FMEA, FTA, and BIFPET methods. Int. J. Ind. Ergon. 2019, 72, 222–240. [Google Scholar] [CrossRef]
- Łukasiak, J.; Wiśnios, M.; Rosiński, A. Method for Evaluating the Effectiveness of Electrical Circuit Protection with Miniature Fuse-Links. Energies 2023, 16, 960. [Google Scholar] [CrossRef]
- Gupta, S.; Kanwar, S.; Kashyap, M. Performance characteristics and assessment of fire alarm system. Mater. Today Proc. 2022, 57, 2036–2040. [Google Scholar] [CrossRef]
- Valouch, J. Integrated alarm systems. In Computer Applications for Software Engineering, Disaster Recovery, and Business Continuity; Series: Communications in Computer and Information Science XVIII; Springer: Berlin/Heidelberg, Germany, 2012; Volume 340, pp. 369–379. ISSN 1865-0929. [Google Scholar]
- Zhang, W.; Zhang, X.; Luo, X.; Zhao, T. Reliability model and critical factors identification of construction safety management based on system thinking. J. Civ. Eng. Manag. 2019, 25, 362–379. [Google Scholar] [CrossRef]
- e Almeida, R.V.; Crivellaro, F.; Narciso, M.; Sousa, A.I.; Vieira, P. Bee2Fire: A deep learning powered forest fire detection system. In Proceedings of the ICAART 2020—12th International Conference on Agents and Artificial Intelligence, Valletta, Malta, 22–24 February 2020; SciTePress: Setúbal, Portugal, 2020; Volume 2, pp. 603–609. [Google Scholar]
- Shaw, E.; Roper, T.; Nilsson, T.; Lawson, G.; Cobb, S.V.; Miller, D. The heat is on: Exploring user behaviour in a multisensory virtual environment for fire evacuation. In Proceedings of the 2019 CHI Conference on Human Factors in Computing Systems, Glasgow, UK, 4–9 May 2019; pp. 1–13. [Google Scholar]
- Keding, L. An optimization of intelligent fire alarm system for high-rise building based on ANASYS. In Intelligence Computation and Evolutionary Computation; Du, Z., Ed.; Springer: Berlin/Heidelberg, Germany, 2013; pp. 415–421. [Google Scholar]
- Huang, X.; Du, L. Fire Detection and Recognition Optimization Based on Virtual Reality Video Image. IEEE Access 2020, 8, 77951–77961. [Google Scholar] [CrossRef]
- Li, Y.; Guldenmund, F.W. Safety management systems: A broad overview of the literature. Saf. Sci. 2018, 103, 94–123. [Google Scholar] [CrossRef]
- Zhao, H.; Schwabe, A.; Schläfli, F.; Thrash, T.; Aguilar, L.; Dubey, R.K.; Karjalainen, J.; Hölscher, C.; Helbing, D.; Schinazi, V.R. Fire evacuation supported by centralized and decentralized visual guidance systems. Saf. Sci. 2022, 145, 105451. [Google Scholar] [CrossRef]
- Frangopol, D.M.; Liu, M. Maintenance and management of civil infrastructure based on condition, safety, optimization, and lifecycle cost. Struct. Infrastruct. Eng. 2007, 3, 29–41. [Google Scholar] [CrossRef]
- Andrzejczak, K.; Bukowski, L. A method for estimating the probability distribution of the lifetime for new technical equipment based on expert judgement. Eksploat. Niezawodn. Maint. Reliab. 2021, 23, 757–769. [Google Scholar] [CrossRef]
- Luo, Y.; Chen, R.; Zhu, Y.; Cheng, J.; Wei, M. The Analysis of Magnetic Field Intensity and Induced Current under Live Working Based on the Finite Element Method. In Proceedings of the 2015 Fifth International Conference on Instrumentation and Measurement, Computer, Communication and Control (IMCCC), Qinhuangdao, China, 18–20 September 2015; pp. 192–195. [Google Scholar]
- Soliman, H.; Sudan, K.; Mishra, A. A smart forest-fire early detection sensory system: Another approach of utilizing wireless sensor and neural networks. In Proceedings of the 2010 IEEE Sensors, Waikoloa, HI, USA, 1–4 November 2010; Institute of Electrical and Electronics Engineers (IEEE): New York, NY, USA, 2010; pp. 1900–1904. [Google Scholar]
- Buemi, A.; Giacalone, D.; Naccari, F.; Spampinato, G. Efficient fire detection using fuzzy logic. In Proceedings of the 2016 IEEE 6th International Conference on Consumer Electronics Berlin (ICCE-Berlin), Berlin, Germany, 5–7 September 2016; Volume 2016, pp. 237–240. [Google Scholar] [CrossRef]
- Dziula, P.; Paś, J. Low Frequency Electromagnetic Interferences Impact on Transport Security Systems Used in Wide Transport Areas. TransNav Int. J. Mar. Navig. Saf. Sea Transp. 2018, 12, 251–258. [Google Scholar] [CrossRef]
- Siergiejczyk, M.; Paś, J.; Rosiński, A. Evaluation of Safety of Highway CCTV System’s Maintenance Process. In Telematics—Support for Transport. TST 2014. Communications in Computer and Information Science; Mikulski, J., Ed.; Springer: Berlin/Heidelberg, Germany, 2014; Volume 471. [Google Scholar] [CrossRef]
- Fridolf, K.; Nilsson, D.; Frantzich, H. Fire Evacuation in Underground Transportation Systems: A Review of Accidents and Empirical Research. Fire Technol. 2013, 49, 451–475. [Google Scholar] [CrossRef]
- Chung, I.-H.; Lin, Y.-H. Exploring the Impact of Parallel Architecture on Improving Adaptable Neuro-Fuzzy Inference Systems for Gas-Insulated Switch Defect Recognition. Energies 2022, 15, 3940. [Google Scholar] [CrossRef]
- Chrzan, M.; Kornaszewski, M.; Ciszewski, T. Renovation of marine telematics objects in the process of exploitation. In Management Perspective for Transport Telematics; Springer: Cham, Switzerland, 2018; pp. 337–351. [Google Scholar]
- Żyluk, A.; Kuźma, K.; Grzesik, N.; Zieja, M.; Tomaszewska, J. Fuzzy Logic in Aircraft Onboard Systems Reliability Evaluation—A New Approach. Sensors 2021, 21, 7913. [Google Scholar] [CrossRef] [PubMed]
- Świderski, A.; Jóźwiak, A.; Jachimowski, R. Operational quality measures of vehicles applied for the transport services evaluation using artificial neural networks. Eksploat. Niezawodn. Maint. Reliab. 2018, 20, 292–299. [Google Scholar] [CrossRef]
- Zajkowski, K.; Rusica, I.; Palkova, Z. The use of CPC theory for energy description of two nonlinear receivers. MATEC Web Conf. 2018, 178, 09008. [Google Scholar] [CrossRef]
- Polak, R.; Laskowski, D.; Matyszkiel, R.; Łubkowski, P.; Konieczny, Ł.; Burdzik, R. Optimizing the data flow in a network communication between railway nodes. In Research Methods and Solutions to Current Transport Problems, Proceedings of the International Scientific Conference Transport of the 21st Century, Ryn, Poland, 9–12 June 2019; Advances in Intelligent Systems and Computing; Siergiejczyk, M., Krzykowska, K., Eds.; Springer: Cham, Switzerland, 2020; Volume 1032, pp. 351–362. [Google Scholar] [CrossRef]
- Østrem, L.; Sommer, M. Inherent fire safety engineering in complex road tunnels—Learning between industries in safety management. Saf. Sci. 2021, 134, 105062. [Google Scholar] [CrossRef]
- Rosiński, A.; Paś, J.; Białek, K.; Wetoszka, P. Method for Assessing Reliability of the Power Supply System for Electronic Security Systems of Intelligent Buildings Taking into Account External Natural Interference. Eksploat. Niezawodn. Maint. Reliab. 2024, 26, 176375. [Google Scholar] [CrossRef]
- Willquista, P.; Törner, M. Identifying and analysing hazards in manufacturing industry—A review of selected methods and development of a framework for method applicability. Int. J. Ind. Ergon. 2003, 32, 165–180. [Google Scholar] [CrossRef]
- Wang, H.; Pham, H. Some maintenance models and availability with imperfect maintenance in production systems. Ann. Oper. Res. 1999, 91, 305–318. [Google Scholar] [CrossRef]
- Clavijo, N.; Melo, A.; Câmara, M.M.; Feital, T.; Anzai, T.K.; Diehl, F.C.; Thompson, P.H.; Pinto, J.C. Development and Application of a Data-Driven System for Sensor Fault Diagnosis in an Oil Processing Plant. Processes 2019, 7, 436. [Google Scholar] [CrossRef]
- Azmil, M.S.A.; Ya’Acob, N.; Tahar, K.N.; Sarnin, S.S. Wireless fire detection monitoring system for fire and rescue application. In Proceedings of the 2015 IEEE 11th International Colloquium on Signal Processing & Its Applications (CSPA), Kuala Lumpur, Malaysia, 6–8 March 2015; Volume 10, pp. 84–89. [Google Scholar]
- Popov, I. Quality Management Essentials; World Scientific: Hackensack, NJ, USA, 2022. [Google Scholar]
- Będkowski, L.; Dąbrowski, T. Podstawy Eksploatacji: Część 2: Podstawy Niezawodności Eksploatacyjnej; Wojskowa Akademia Techniczna: Warszawa, Poland, 2006; ISBN 978-83-89399-31-1. [Google Scholar]
- PN-EN 50131-1:2009; Systemy Alarmowe—Systemy Sygnalizacji Włamania i Napadu. The Polish Committee for Standardization (Polski Komitet Normalizacyjny—PKN): Warsaw, Poland, 2009.
- SIBA Polska, sp. z o.o. Poradnik: Bezpieczniki Topikowe: Poradnik dla Użytkowników Bezpieczników Topikowych Miniaturowych; SIBA Polska sp. z o.o.: Stare Babice, Poland, 2017. [Google Scholar]
- Veit, S.; Steiner, F. Systemic Approach for Risk-Based Third-Party Inspections of Fire Alarm Systems. In Proceedings of the 14th International Conference on Industrial Engineering and Operations Management, Dubai, United Arab Emirates, 12–14 February 2024. [Google Scholar] [CrossRef]
- van Coile, R.; Hopkin, D.; Lange, D.; Jomaas, G.; Bisby, L. The Need for Hierarchies of Acceptance Criteria for Probabilistic Risk Assessments in Fire Engineering. Fire Technol. 2019, 55, 1111–1146. [Google Scholar] [CrossRef]
- Jafari, M.J.; Pouyakian, M.; Khanteymoori, A.; Hanifi, S.M. Reliability evaluation of fire alarm systems using dynamic Bayesian networks and fuzzy fault tree analysis. J. Loss Prev. Process Ind. 2020, 67, 104229. [Google Scholar] [CrossRef]
- Jones, W.W. Implementing High Reliability Fire Detection in the Residential Setting. Fire Technol. 2012, 48, 233–254. [Google Scholar] [CrossRef]
- Kong, D.P.; Lu, S.X.; Ping, P. A Risk-Based Method of Deriving Design Fires for Evacuation Safety in Buildings. Fire Technol. 2017, 53, 771–791. [Google Scholar] [CrossRef]
- Veit, S.S.; Steiner, F. Proposed Changes to the Inspection Strategy for Fire Alarm Systems: Empirical Analysis of Weak Points and Technical Influencing Factors. Safety 2024, 10, 51. [Google Scholar] [CrossRef]
- Fu, Y. An analysis of the environmental impact of electromagnetic radiation in substations—Taking Qingnan Substation as an example. Environ. Sci. Manag. 2012, 37, 79–83. [Google Scholar]







Disclaimer/Publisher’s Note: The statements, opinions and data contained in all publications are solely those of the individual author(s) and contributor(s) and not of MDPI and/or the editor(s). MDPI and/or the editor(s) disclaim responsibility for any injury to people or property resulting from any ideas, methods, instructions or products referred to in the content. |
© 2024 by the authors. Licensee MDPI, Basel, Switzerland. This article is an open access article distributed under the terms and conditions of the Creative Commons Attribution (CC BY) license (https://creativecommons.org/licenses/by/4.0/).
Share and Cite
Łukasiak, J.M.; Paś, J.; Rosiński, A. Selected Reliability Aspects Related to the Power Supply of Security Systems. Energies 2024, 17, 3665. https://doi.org/10.3390/en17153665
Łukasiak JM, Paś J, Rosiński A. Selected Reliability Aspects Related to the Power Supply of Security Systems. Energies. 2024; 17(15):3665. https://doi.org/10.3390/en17153665
Chicago/Turabian StyleŁukasiak, Jarosław Mateusz, Jacek Paś, and Adam Rosiński. 2024. "Selected Reliability Aspects Related to the Power Supply of Security Systems" Energies 17, no. 15: 3665. https://doi.org/10.3390/en17153665
APA StyleŁukasiak, J. M., Paś, J., & Rosiński, A. (2024). Selected Reliability Aspects Related to the Power Supply of Security Systems. Energies, 17(15), 3665. https://doi.org/10.3390/en17153665
