A Review of Modular Electrical Sub-Systems of Electric Vehicles
Abstract
1. Introduction
- The permanent magnet brushed DC (PMBDC) motor was employed in earlier EVs because of its simple construction and control [2]. The PMBDC operates at DC voltages and currents and, therefore, a simple chopper circuit can be used at the control stage.
- Unlike the PMBDC, the induction motor (IM) does not have carbon brushes and, therefore, is preferred for robustness and reliability [10]. Additionally, because of its simple control, several Tesla EV models employ IMs with a conventional voltage source inverter (VSI) as the traction inverter [9]. More complex control techniques, such as field-oriented control (FOC), maximise the motor’s torque and reduce the total harmonic distortion (THD) of the VSI’s voltages and currents [10]. The IM is preferred for its high torque-to-mass ratio to reduce EV weight, an important factor in determining efficiency, by reducing the required energy absorbed from the battery.
- The permanent magnet synchronous motor (PMSM) is also employed in the EV industry because of its high torque and power [11]. The main difference between the PMSM and the IM is that the former’s rotor is manufactured using a permanent magnet material that does not need excitation. The PMSM can be controlled by a traction inverter, such as a VSI, to operate with sinusoidal voltages and currents in the three phases. In this case, the motor output torque is constant with time, which improves EV performance and smooths speed. The PMSM can also be controlled by the traction inverter to push–pull the magnetic rotor according to its initial position and, hence, the voltages and currents in the phases pulsate [12]. In this mode, the PMSM operates as a brushless DC (BLDC) motor, which is used extensively in the EV industry because it provides simple control without sacrificing efficiency [13]. One drawback of a PMSM-based propulsion system is that the rotor’s position needs to be measured continuously during operation using sensors, which adds to system cost and complexity [14].
- The switched reluctance motor (SRM) is drawing increased attention in the field of EVs because its rotor can be manufactured using a soft iron material [15]. This reduces the weight and cost of the propulsion system, with no dependency on magnetic materials. SRM suffer from a high ripple torque, which in turn affects the EV speed profile and increases acoustic noise and vibration [16]. Also, SRM efficiency is lower than its IM and PMSM counterparts [17]. SRM variations are the synchronous SRM, with added PMs. Table 1 summarises the features of each motor type.
2. EV Modular Battery Systems
3. Modular Propulsion Systems
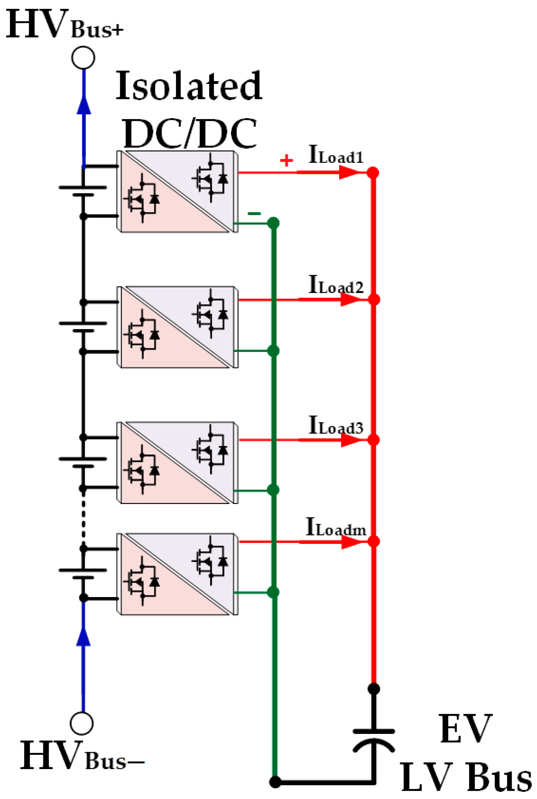
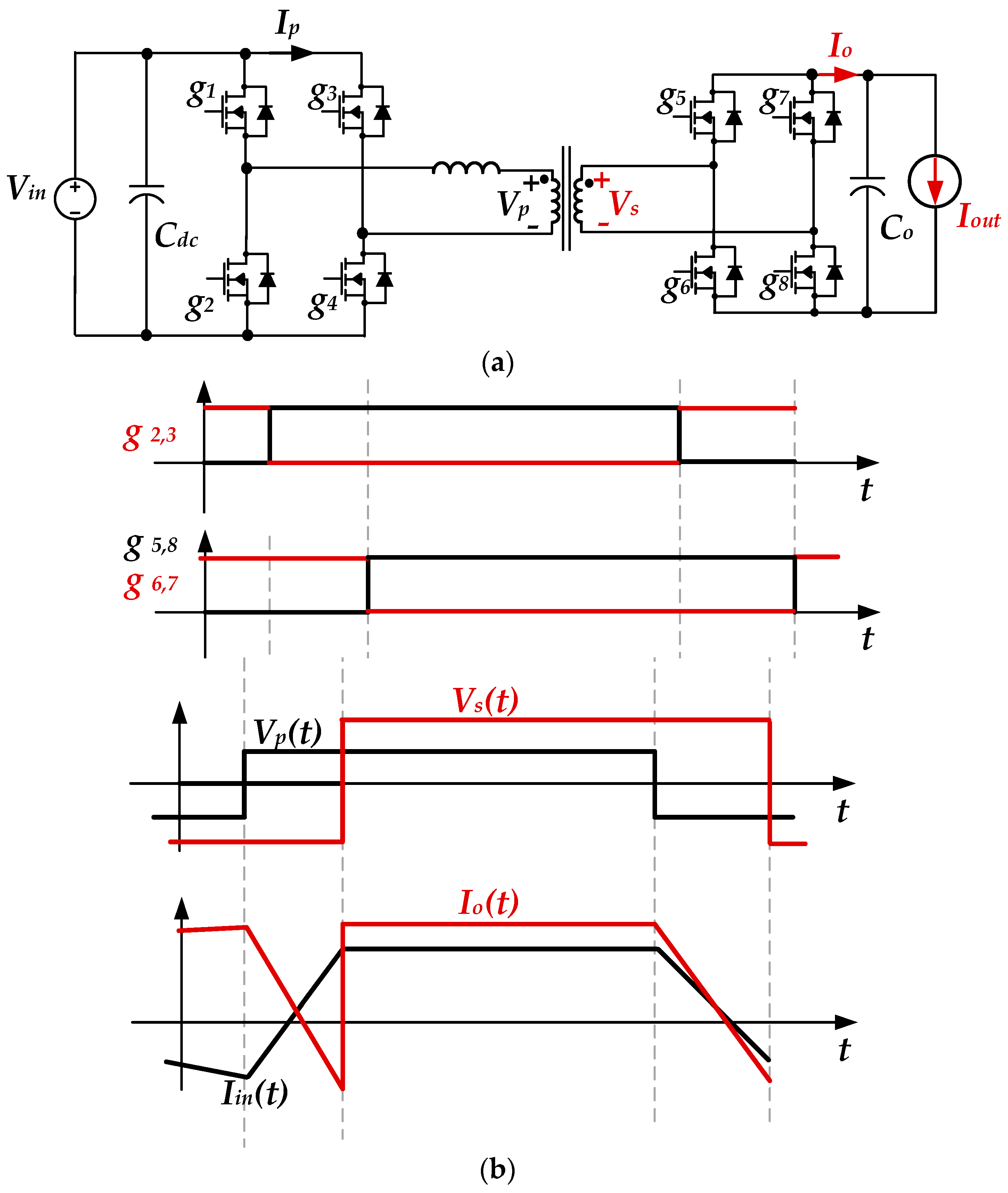
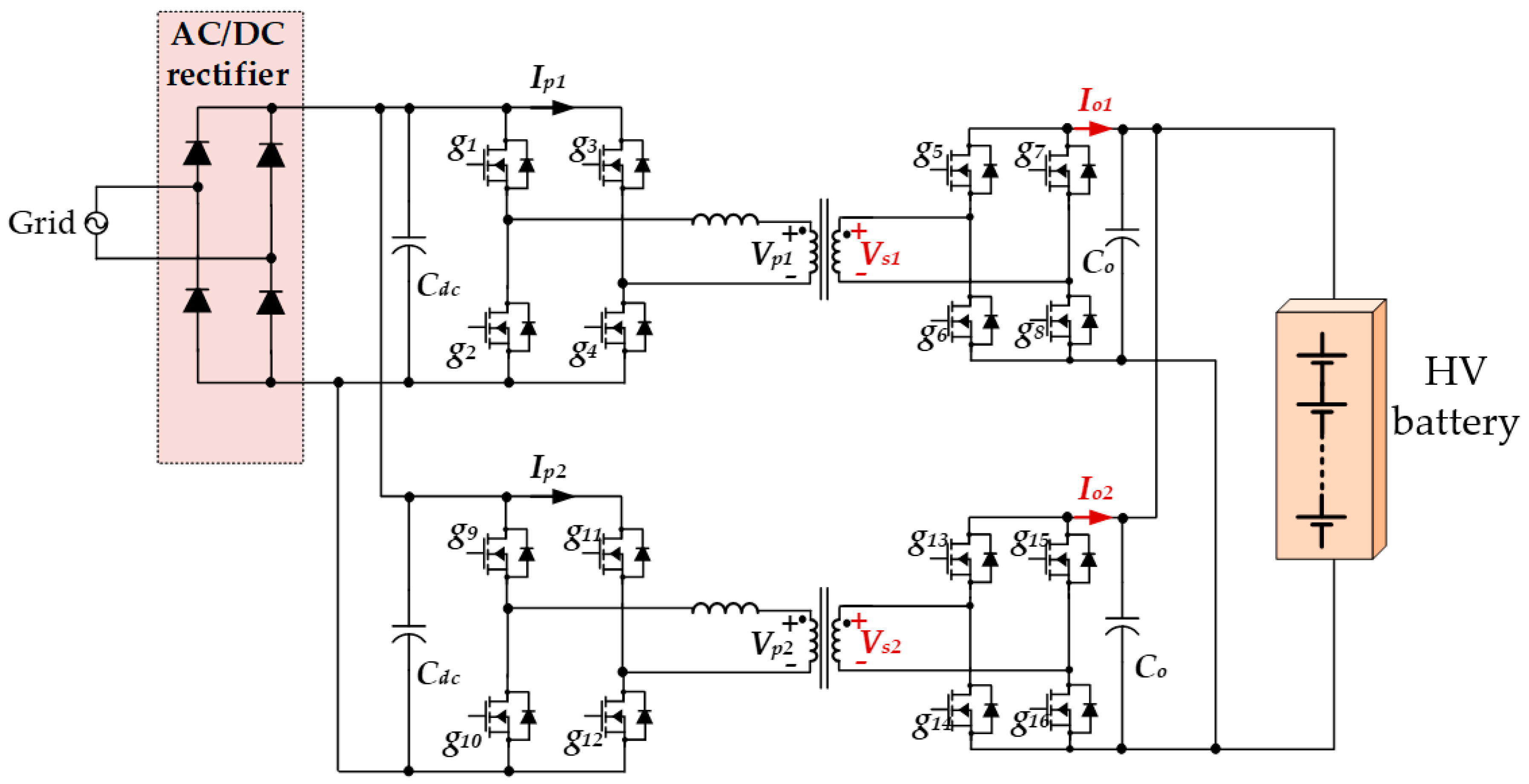
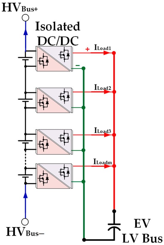
4. Modular Charging Systems
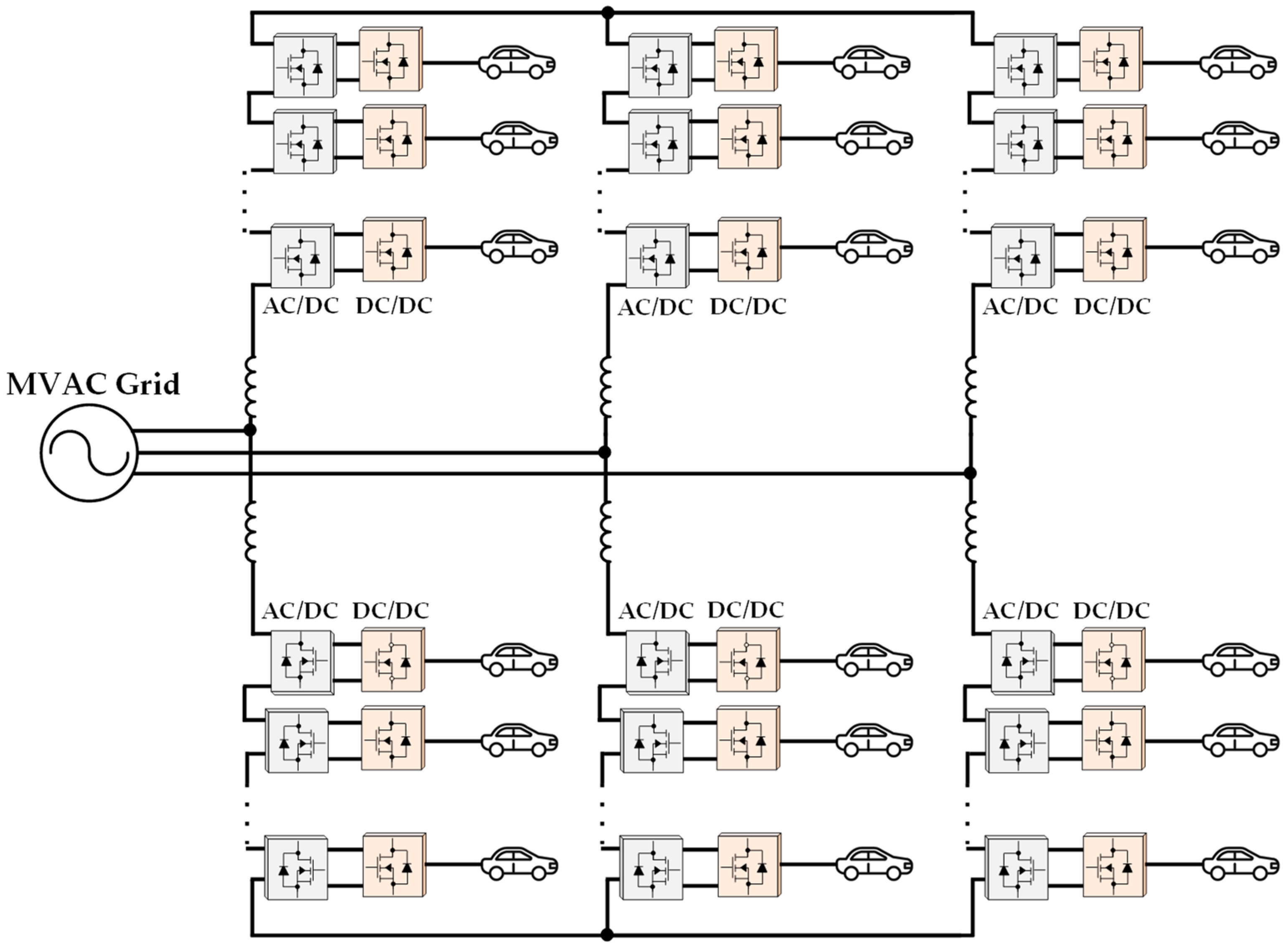
4.1. MV Charging Stations
4.2. Fast Interleaved Chargers
4.3. OBCs
5. Cascaded Modular Machines
6. Discussion
- Although the efficiency of the SEPIC-based converter in [32] is lower than the CHB-based converter in [29], the former has continuous constant current, as shown in Figure 7c, which is favoured for extending battery cell lifetime. Also, the SEPIC modules allow for galvanic isolation, which is necessary for complying with grid standards.
- The numerical findings are obtained from computer simulations at a specific number of SMs (four in this case); therefore, further studies are needed to explore and compare the performances of modular EV systems when the number of SMs is varied.
- A visual representation of a comparison among modular EV battery systems is shown in the spider-web diagram in Figure 32.
- Based on the efficiency comparison for modular traction inverters in Figure 18, the asymmetrical CHB inverter efficiency in [34] is the lowest when compared with the CHB inverter in [33] and the T-type inverter in [38]. However, this is affected by the losses in the auxiliary stage’s semiconductor devices as well as the isolation HFTs that are missing from the other two systems.
- Thanks to the additional auxiliary stage, the asymmetrical CHB in [34] has the lowest torque ripple compared with the other two systems.
- The efficiency comparisons in Figure 18 are not necessarily the same if the systems are extended and tested under variable power levels and SM numbers.
- A visual representation comparing modular EV traction inverters is shown in the spider-web diagram in Figure 33.
- Because of its simple construction and control system, the DAB converter dominates the publications on modular charging systems, and there is a gap in exploring other isolated power converters that can be alternatives to reduce HFT size and provide better THD for input and output currents.
- The work conducted on MCM systems is limited to two research groups, and more research effort needs to be conducted in this area so the modularisation of the EV electric systems can progress at the same level.
7. Conclusions
Author Contributions
Funding
Conflicts of Interest
References
- Li, Z.; Khajepour, A.; Song, J. A comprehensive review of the key technologies for pure electric vehicles. Energy 2019, 182, 824–839. [Google Scholar] [CrossRef]
- Sun, X.; Li, Z.; Wang, X.; Li, C. Technology development of electric vehicles: A review. Energies 2020, 1, 90. [Google Scholar] [CrossRef]
- Cai, W.; Wu, X.; Zhou, M.; Liang, Y.; Wang, Y. Review and Development of Electric Motor Systems and Electric Powertrains for New Energy Vehicles. Automot. Innov. 2021, 4, 3–22. [Google Scholar] [CrossRef]
- Nasr Esfahani, F.; Darwish, A.; Williams, B.W. Power Converter Topologies for Grid-Tied Solar Photovoltaic (PV) Powered Electric Vehicles (EVs)—A Comprehensive Review. Energies 2022, 15, 4648. [Google Scholar] [CrossRef]
- Mills, M.; Obi, M.; Cody, K.; Garton, K.; Wisser, A.M.; Nabahani, S. Utility Planning for Distribution-Optimized Electric Vehicle Charging: A Case Study in the United States Pacific Northwest. IEEE Power Energy Mag. 2023, 21, 48–55. [Google Scholar] [CrossRef]
- Nasr Esfahani, F.; Darwish, A.; Ma, X.; Twigg, P. Non-Integrated and Integrated On-Board Battery Chargers (iOBCs) for Electric Vehicles (EVs): A Critical Review. Energies 2024, 17, 2285. [Google Scholar] [CrossRef]
- Stippich, A.; Van Der Broeck, C.H.; Sewergin, A.; Wienhausen, A.H.; Neubert, M.; Schülting, P.; Taraborrelli, S.; van Hoek, H.; De Doncker, R.W. Key components of modular propulsion systems for next generation electric vehicles. CPSS Trans. Power Electron. Appl. 2017, 2, 249–258. [Google Scholar] [CrossRef]
- Schulz, S.E. Exploring the high-power inverter: Reviewing critical design elements for electric vehicle applications. IEEE Electrif. Mag. 2017, 5, 28–35. [Google Scholar] [CrossRef]
- Rajashekara, K. Present status and future trends in electric vehicle propulsion technologies. IEEE J. Emerg. Sel. Top. Power Electron. 2013, 1, 3–10. [Google Scholar] [CrossRef]
- Lee, H.K.; Nam, K.H. An Overview: Current Control Technique for Propulsion Motor for EV. Trans. Korean Inst. Power Electron. 2016, 21, 388–395. [Google Scholar] [CrossRef][Green Version]
- Meddour, A.R.; Rizoug, N.; Leserf, P.; Vagg, C.; Burke, R.; Larouci, C. Optimization of the Lifetime and Cost of a PMSM in an Electric Vehicle Drive Train. Energies 2023, 16, 5200. [Google Scholar] [CrossRef]
- Park, K.; Jung, S.; Kim, S.; Ko, J. Generated Voltage Control of EV PMSM for Maximizing Energy Recovery Rate using Switched Resonant L-C. In Proceedings of the 2019 14th Annual Conference System of Systems Engineering (SoSE), Anchorage, AK, USA, 19–22 May 2019; pp. 195–199. [Google Scholar]
- Antony, R.P.; Komarasamy, P.R.G.; Rajamanickam, N.; Alroobaea, R.; Aboelmagd, Y. Optimal Rotor Design and Analysis of Energy-Efficient Brushless DC Motor-Driven Centrifugal Monoset Pump for Agriculture Applications. Energies 2024, 17, 2280. [Google Scholar] [CrossRef]
- El Hadraoui, H.; Zegrari, M.; Chebak, A.; Laayati, O.; Guennouni, N. A Multi-Criteria Analysis and Trends of Electric Motors for Electric Vehicles. World Electr. Veh. J. 2022, 13, 65. [Google Scholar] [CrossRef]
- Monteiro, J.R.; Oliveira, A.A.; Aguiar, M.L.; Sanagiotti, E.R. Electromagnetic torque ripple and copper losses reduction in permanent magnet synchronous machines. Eur. Trans. Electr. Power 2012, 22, 627–644. [Google Scholar] [CrossRef]
- Jing, L.B.; Cheng, J. Research on torque ripple optimization of switched reluctance motor based on finite element method. Prog. Electromagn. Res. 2018, 74, 115–123. [Google Scholar] [CrossRef]
- Shin, S.; Kawagoe, N.; Kosaka, T.; Matsui, N. Study on commutation control method for reducing noise and vibration in SRM. IEEE Trans. Ind. Appl. 2018, 54, 4415–4424. [Google Scholar] [CrossRef]
- Larminie, J.; Lowry, J. Electric Machines and their Controllers. In Electric Vehicle Technology Explained, 2nd ed.; Wiley: Hoboken, NJ, USA, 2012; Chapter 6; pp. 141–181. [Google Scholar]
- Buddyelectric. The Electric Car from Norway Made by ElBil Norge. Available online: https://www.kewet.de/downloads/kewetbuddyprospekt2.pdf (accessed on 1 June 2024).
- Nasr Esfahani, F.; Darwish, A.; Massoud, A. PV/Battery Grid Integration Using a Modular Multilevel Isolated SEPIC-Based Converter. Energies 2022, 15, 5462. [Google Scholar] [CrossRef]
- Xu, Z.; Li, T.; Zhang, F.; Zhang, Y.; Lee, D.-H.; Ahn, J.-W. A Review on Segmented Switched Reluctance Motors. Energies 2022, 15, 9212. [Google Scholar] [CrossRef]
- Hyundai Newsroom. The Pump-to-Plug Revolution. Available online: https://www.hyundai.com/worldwide/en/brand-journal/ioniq/e-gmp-revolution (accessed on 1 June 2024).
- Kia Press-Releases. Hyundai Motor Group to Lead Charge into Electric Era with Dedicated EV Platform. Available online: https://press.kia.com/eu/en/home/media-resouces/press-releases/2020/EV_Platform_E_GMP.html (accessed on 1 June 2024).
- Volkswagen Newsroom. Modular Electric Drive Matrix. Available online: https://www.volkswagen-newsroom.com/en/modular-electric-drive-matrix-meb-3677 (accessed on 1 June 2024).
- Darwish, A.; Holliday, D.; Finney, S. Operation and control design of an input series–input-parallel–output-series conversion cheme for offshore DC wind systems. IET Power Electron. 2017, 10, 2092–2103. [Google Scholar] [CrossRef]
- Rabiul Islam, M.; Mahfuz-Ur-Rahman, A.M.; Muttaqi, K.M.; Sutanto, D. State-of-the-Art of the Medium-Voltage Power Converter Technologies for Grid Integration of Solar Photovoltaic Power Plants. IEEE Trans. Energy Convers. 2019, 34, 372–384. [Google Scholar] [CrossRef]
- Alotaibi, S.; Darwish, A.; Williams, B.W. Three-phase inverter based on isolated SEPIC/CUK converters for large-scale PV applications. Int. J. Electr. Power Energy Syst. 2023, 146, 108723. [Google Scholar] [CrossRef]
- Tolbert, L.; Peng, F.Z.; Cunnyngham, T.; Chiasson, J. Charge balance control schemes for cascade multilevel converter in hybrid electric vehicles. IEEE Trans. Ind. Electron. 2002, 49, 1058–1064. [Google Scholar] [CrossRef]
- Evzelman, M.; Rehman, M.M.; Hathaway, K.; Zane, R.; Costinett, D.; Maksimovic, D. Active balancing system for electric vehicles with incorporated low-voltage bus. IEEE Trans. Power Electron. 2016, 31, 7887–7895. [Google Scholar] [CrossRef]
- Gan, C.; Sun, Q.; Wu, J.; Kong, W.; Shi, C.; Hu, Y. MMC-Based SRM Drives with Decentralized Battery Energy Storage System for Hybrid Electric Vehicles. IEEE Trans. Power Electron. 2019, 34, 2608–2621. [Google Scholar] [CrossRef]
- Theliander, O.; Kersten, A.; Kuder, M.; Han, W.; Grunditz, E.A.; Thiringer, T. Battery Modeling and Parameter Extraction for Drive Cycle Loss Evaluation of a Modular Battery System for Vehicles Based on a Cascaded H-Bridge Multilevel Inverter. IEEE Trans. Ind. Appl. 2020, 56, 6968–6977. [Google Scholar] [CrossRef]
- Nasr Esfahani, F.; Darwish, A.; Ma, X. Design and Control of a Modular Integrated On-Board Battery Charger for EV Applications with Cell Balancing. Batteries 2024, 10, 17. [Google Scholar] [CrossRef]
- Du, Z.; Ozpineci, B.; Tolbert, L.M.; Chiasson, J.N. DC–AC Cascaded H-Bridge Multilevel Boost Inverter with No Inductors for Electric/Hybrid Electric Vehicle Applications. IEEE Trans. Ind. Appl. 2009, 45, 963–970. [Google Scholar] [CrossRef]
- Pereda, J.; Dixon, J. 23-Level Inverter for Electric Vehicles Using a Single Battery Pack and Series Active Filters. IEEE Trans. Veh. Technol. 2012, 61, 1043–1051. [Google Scholar] [CrossRef]
- Sun, Q.; Wu, J.; Gan, C.; Si, J.; Guo, J.; Hu, Y. Cascaded Multiport Converter for SRM-Based Hybrid Electrical Vehicle Applications. IEEE Trans. Power Electron. 2019, 34, 11940–11951. [Google Scholar] [CrossRef]
- Zhang, Y.; Chen, G.; Hu, Y.; Gong, C.; Wang, Y. Cascaded multilevel inverter based power and signal multiplex transmission for electric vehicles. CES Trans. Electr. Mach. Syst. 2020, 4, 123–129. [Google Scholar] [CrossRef]
- Badawy, M.O.; Sharma, M.; Hernandez, C.; Elrayyah, A.; Guerra, S.; Coe, J. Model Predictive Control for Multi-Port Modular Multilevel Converters in Electric Vehicles Enabling HESDs. IEEE Trans. Energy Convers. 2022, 37, 10–23. [Google Scholar] [CrossRef]
- Sheir, A.; Youssef, M.Z.; Orabi, M. A Novel Bidirectional T-Type Multilevel Inverter for Electric Vehicle Applications. IEEE Trans. Power Electron. 2019, 34, 6648–6658. [Google Scholar] [CrossRef]
- Rathore, V.; Rajashekara, K.; Nayak, P.; Ray, A. A High-Gain Multilevel Dc–Dc Converter for Interfacing Electric Vehicle Battery and Inverter. IEEE Trans. Ind. Appl. 2022, 58, 6506–6518. [Google Scholar] [CrossRef]
- Aditya, K.; Pradhan, S.; Munsi, A. Feasibility study on megawatt-level fast charging system for shore power supply using wireless power transfer technology. Electr. Eng. 2024, 108, 1569–1583. [Google Scholar] [CrossRef]
- Guidi, G.; D’Arco, S.; Nishikawa, K.; Suul, J.A. Load Balancing of a Modular Multilevel Grid-Interface Converter for Transformer-Less Large-Scale Wireless Electric Vehicle Charging Infrastructure. IEEE J. Emerg. Sel. Top. Power Electron. 2021, 9, 4587–4605. [Google Scholar] [CrossRef]
- Cai, Y.; Li, J.; Gu, C.; Yang, J.; Guenter, S.; Buticchi, G.; Zhang, H. A Modular Modulation Decoupling Algorithm for Multiple Active Bridge Based Multiport EV Charger. IEEE J. Emerg. Sel. Top. Power Electron. 2024. Early access. [Google Scholar] [CrossRef]
- Darwish, A.; Wang, Y.; Holliday, D.; Finney, S. Operation and control design of new Three-Phase inverters with reduced number of switches. In Proceedings of the International Symposium on Power Electronics, Electrical Drives, Automation and Motion (SPEEDAM), Capri, Italy, 22–24 June 2016; pp. 178–183. [Google Scholar]
- Sarkar, S.; Das, A. An Isolated Single Input-Multiple Output DC–DC Modular Multilevel Converter for Fast Electric Vehicle Charging. IEEE J. Emerg. Sel. Top. Ind. Electron. 2023, 4, 178–187. [Google Scholar] [CrossRef]
- Celli, G.; Soma, G.G.; Pilo, F.; Lacu, F.; Mocci, S.; Natale, N. Aggregated electric vehicles load profiles with fast charging stations. In Proceedings of the 2014 Power Systems Computation Conference, Wroclaw, Poland, 18–22 August 2014; pp. 1–7. [Google Scholar]
- Scirè, D.; Lullo, G.; Vitale, G. Design and Modeling of an Interleaving Boost Converter with Quasi-Saturated Inductors for Electric Vehicles. In Proceedings of the 2020 AEIT International Conference of Electrical and Electronic Technologies for Automotive (AEIT AUTOMOTIVE), Turin, Italy, 18–20 November 2020; pp. 1–6. [Google Scholar] [CrossRef]
- Sferlazza, A.; Garraffa, G.; Vitale, G.; D’Ippolito, F.; Alonge, F.; Lullo, G.; Busacca, A.; Giaconia, G.C.; Scirè, D. Robust Disturbance Rejection Control of DC/DC Interleaved Boost Converters with Additional Sliding Mode Component. In Proceedings of the 2023 Asia Meeting on Environment and Electrical Engineering (EEE-AM), Hanoi, Vietnam, 13–15 November 2023; pp. 1–6. [Google Scholar] [CrossRef]
- Drobnic, K.; Grandi, G.; Hammami, M.; Mandrioli, R.; Ricco, M.; Viatkin, A.; Vujacic, M. An Output Ripple-Free Fast Charger for Electric Vehicles Based on Grid-Tied Modular Three-Phase Interleaved Converters. IEEE Trans. Ind. Appl. 2019, 55, 6102–6114. [Google Scholar] [CrossRef]
- Lam, H.S.; Yuan, H.; Tan, S.-C.; Mi, C.C.; Pou, J.; Hui, S.Y.R. Bidirectional AC–DC Modular Multilevel Converter With Electric Spring Functions for Stabilizing Renewable AC Power Grid at the Distribution Voltage Level. IEEE J. Emerg. Sel. Top. Power Electron. 2022, 10, 7589–7600. [Google Scholar] [CrossRef]
- Khaligh, A.; D’Antonio, M. Global trends in high-power on-board chargers for electric vehicles. IEEE Trans. Veh. Technol. 2019, 68, 3306–3324. [Google Scholar] [CrossRef]
- Schmenger, J.; Endres, S.; Zeltner, S.; Marz, M. A 22 kW on-board charger for automotive applications based on a modular design. In Proceedings of the 2014 IEEE Conference on Energy Conversion (CENCON), Bahru, Malaysia, 13–14 October 2014; pp. 1–6. [Google Scholar]
- Kim, H.; Park, J.; Kim, S.; Hakim, R.M.; Kieu, H.P.; Choi, S. Single-Stage EV On-Board Charger with Single- and Three-Phase Grid Compatibility. In Proceedings of the 2021 IEEE Applied Power Electronics Conference and Exposition (APEC), Phoenix, AZ, USA, 14–17 June 2021; pp. 583–589. [Google Scholar]
- Wouters, H.; Martinez, W. Bidirectional On-Board Chargers for Electric Vehicles: State-of-the-Art and Future Trends. IEEE Trans. Power Electron. 2023, 39, 693–716. [Google Scholar] [CrossRef]
- Kisacikoglu, M.C. A Modular Single-Phase Bidirectional EV Charger with Current Sharing Optimization. In Proceedings of the 2018 IEEE Transportation Electrification Conference and Expo (ITEC), Long Beach, CA, USA, 13–15 June 2018; pp. 366–371. [Google Scholar] [CrossRef]
- Diallo, D.; Benbouzid, M.E.H.; Makouf, A. A fault-tolerant control architecture for induction motor drives in automotive applications. IEEE Trans. Veh. Techn. 2004, 53, 1847–1855. [Google Scholar] [CrossRef]
- Diallo, D.; Benbouzid, M.E.H.; Masrur, M.A. Special Section on Condition Monitoring and Fault Accommodation in Electric and Hybrid Propulsion Systems. IEEE Trans. Veh. Technol. 2013, 62, 962–964. [Google Scholar] [CrossRef]
- Liu, G.; Yang, J.; Zhao, W.; Ji, J.; Chen, Q.; Gong, W. Design and analysis of a new fault-tolerant permanent magnet vernier machine for electrical vehicles. IEEE Trans. Magn. 2012, 48, 4176–4179. [Google Scholar] [CrossRef]
- Hua, W.; Yin, X.M.; Zhang, G.; Cheng, M. Analysis of Two Novel Five-Phase Hybrid-Excitation Flux-Switching Machines for Electric Vehicles. IEEE Trans. Magn. 2014, 50, 8700305. [Google Scholar] [CrossRef]
- Yuan, X.; Wang, J. Torque distribution strategy for a front-and rear-wheel-driven electric vehicle. IEEE Trans. Veh. Technol. 2012, 61, 3365–3374. [Google Scholar] [CrossRef]
- Li, K.; Han, S.; Cui, S.; Bouscayrol, A. Sizing of modular cascade machines system for electric vehicles. IEEE Trans. Veh. Technol. 2019, 68, 1278–1287. [Google Scholar] [CrossRef]
- Huynh, T.-A.; Chen, P.-H.; Hsieh, M.-F. Analysis and Comparison of Operational Characteristics of EV Traction Units Combining Two Different Types of Motors. IEEE Trans. Veh. Technol. 2022, 71, 5727–5742. [Google Scholar] [CrossRef]
- Li, K.; Bouscayrol, A.; Cui, S.; Cheng, Y. A Hybrid Modular Cascade Machines System for Electric Vehicles Using Induction Machine and Permanent Magnet Synchronous Machine. IEEE Trans. Veh. Technol. 2020, 70, 273–281. [Google Scholar] [CrossRef]
- Li, K.B.; Bouscayrol, A.; Han, S.L.; Cui, S.M. Comparisons of Electric Vehicles Using Modular Cascade Machines System and Classical Single Drive Electric Machine. IEEE Trans. Veh. Technol. 2018, 67, 354–361. [Google Scholar] [CrossRef]
































| Motor | Advantages | Disadvantages | Example |
|---|---|---|---|
| DC |
|
|
|
| IM |
|
|
|
| PMSM |
|
|
|
| SRM |
|
|
|
| Refs. | Topology | Machine | Power | Switching Freq. | Year | Remarks |
|---|---|---|---|---|---|---|
| [28] | CHB | — | 1.5 kW | 300 Hz | 2002 | Needs large capacitors |
| [29] | DAB | — | 2 kW | 200 kHz | 2016 | HV battery balancing Complicated control design |
| [30] | MMC/AHB | SRM | 0.75 kW | — | 2019 | Online balancing of battery packs |
| [31] | CHB | — | — | — | 2020 | Accurate model for low-order harmonics in battery currents |
| [32] | Sepic/FB | PMSM | 3 kW | 20 kHz | 2024 | Driving modes are studied with respect to battery temperature |
| Parameter | Value |
|---|---|
| Switching frequency | 5 kHz |
| Battery voltage | 400 V |
| Motor | PMSM |
| No. of poles | 10 |
| No. of levels | 4 |
| Motor inductance | Ld = Lq = 0.28 mH |
| Phase resistance | Rs = 0.2 Ω |
| EV mass | 300 kg |
| Differential ratio | 1:4 |
| Wheel radius | 30 cm |
| Refs. | Topology | Machine | Power | Switching Freq. | Year | Remarks |
|---|---|---|---|---|---|---|
| [33] | CHB | — | 5 kW | — | 2009 | Needs a central VSI at the DC source |
| [34] | ACHB | BLDC | 18 kW | 5–20 kHz | 2012 | Complicated HFT design |
| [35] | AHB | SRM | 1 kW | 5 kHz | 2019 | Driving/braking modes are presented |
| [36] | P&SMT | PMSM | — | 2 kHz | 2020 | Simulation-based |
| [37] | MMC | IPM | 3.5 kW | — | 2022 | MPC control |
| [38] | T-type | — | 1 kW | 5 kHz | 2019 | Challenging design of the input boost converter at high power |
| [39] | FB/isolated | — | 1.5 kW | 50 Hz | 2022 | Provides a high DC/DC voltage boosting ratio |
| Refs. | Topology | Power | Grid | Switching Freq. | Year | Remarks |
|---|---|---|---|---|---|---|
| [40] | MMC/FB | — | MVAC | — | 2021 | High circulating current during unbalanced charging |
| [41] | MMC/FB | — | MVAC | — | 2021 | Control system to solve arm current imbalance |
| [42] | MAB | — | MVAC | 50 kHz | 2024 | The input rectifier is not modular |
| [44] | MMC/FB | 320 kW | MVDC | 400 Hz | 2023 | Complicated MFMT design |
| [48] | VSI/VDS | 320 kW | LVAC | 16 kHz | 2019 | Circulating currents need consideration |
| [49] | DAB | 75 kW | MVAC | 20 kHz | 2022 | High-output DC voltage |
| [51] | DAB | 22 kW | LVAC | 5 kHz | 2014 | Unidirectional power flow; no V2G capability |
| [52] | DAB | 7.4 kW | LVAC | 150 kHz | 2021 | Three-phase bidirectional power |
| [54] | DAB | 600 W | LVAC | 25 kHz | 2018 | Single-phase/bidirectional power |
Disclaimer/Publisher’s Note: The statements, opinions and data contained in all publications are solely those of the individual author(s) and contributor(s) and not of MDPI and/or the editor(s). MDPI and/or the editor(s) disclaim responsibility for any injury to people or property resulting from any ideas, methods, instructions or products referred to in the content. |
© 2024 by the authors. Licensee MDPI, Basel, Switzerland. This article is an open access article distributed under the terms and conditions of the Creative Commons Attribution (CC BY) license (https://creativecommons.org/licenses/by/4.0/).
Share and Cite
Darwish, A.; Elgenedy, M.A.; Williams, B.W. A Review of Modular Electrical Sub-Systems of Electric Vehicles. Energies 2024, 17, 3474. https://doi.org/10.3390/en17143474
Darwish A, Elgenedy MA, Williams BW. A Review of Modular Electrical Sub-Systems of Electric Vehicles. Energies. 2024; 17(14):3474. https://doi.org/10.3390/en17143474
Chicago/Turabian StyleDarwish, Ahmed, Mohamed A. Elgenedy, and Barry W. Williams. 2024. "A Review of Modular Electrical Sub-Systems of Electric Vehicles" Energies 17, no. 14: 3474. https://doi.org/10.3390/en17143474
APA StyleDarwish, A., Elgenedy, M. A., & Williams, B. W. (2024). A Review of Modular Electrical Sub-Systems of Electric Vehicles. Energies, 17(14), 3474. https://doi.org/10.3390/en17143474

