Mutual Inductance Estimation of SS-IPT System through Time-Domain Modeling and Nonlinear Least Squares
Abstract
1. Introduction
2. Mutual Inductance Estimation of SS-IPT Systems
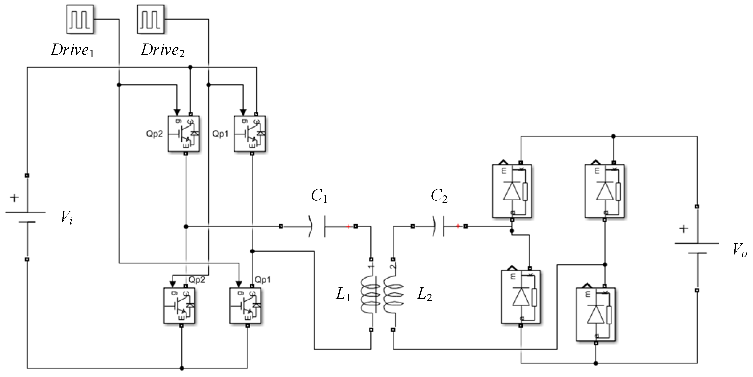
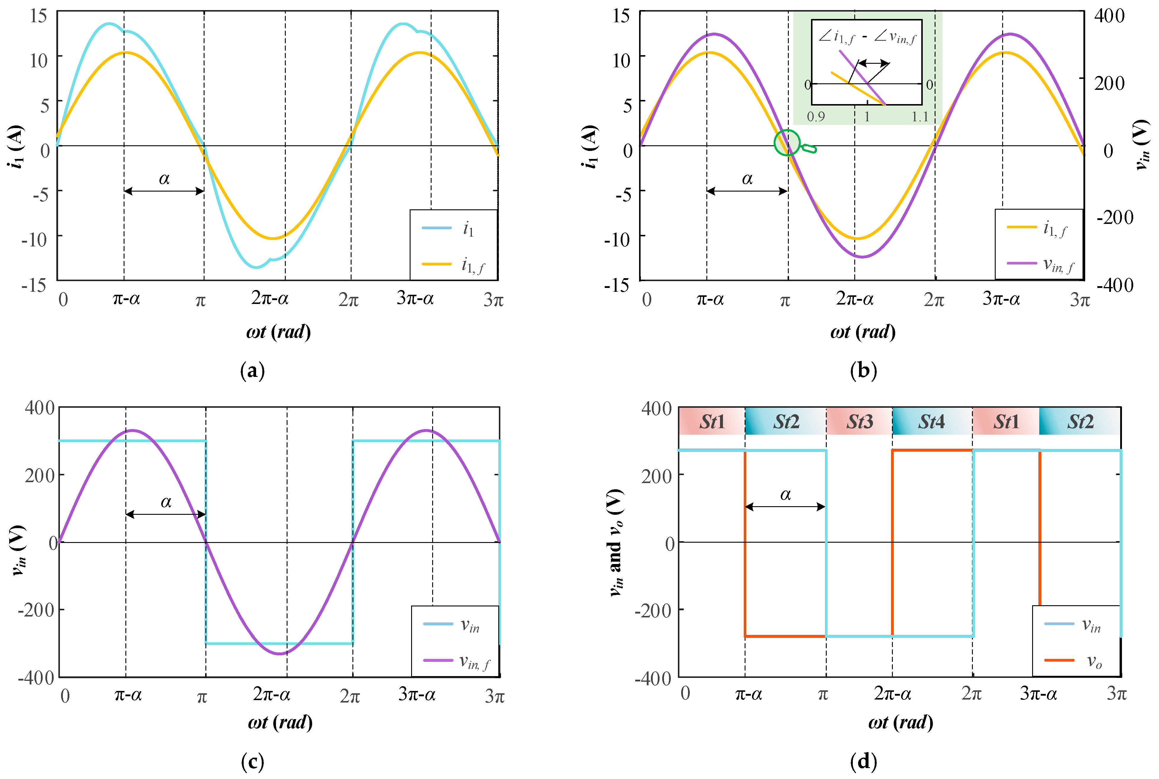
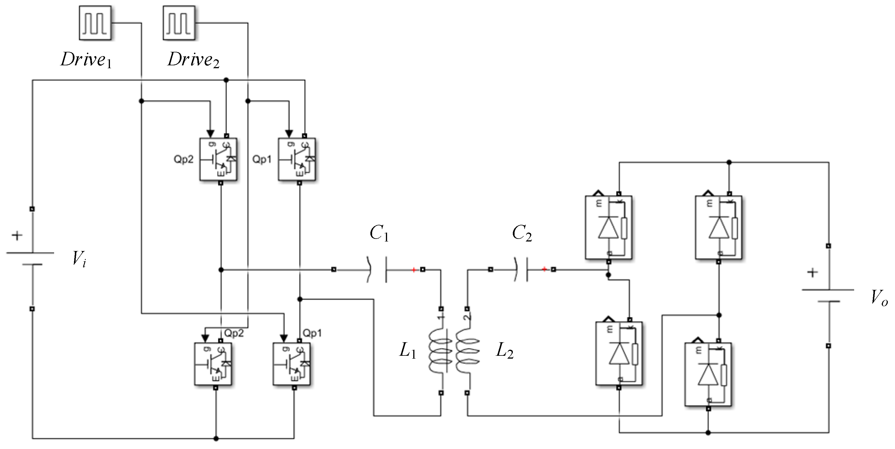
2.1. Configuration and Equivalent Circuit of SS-IPT
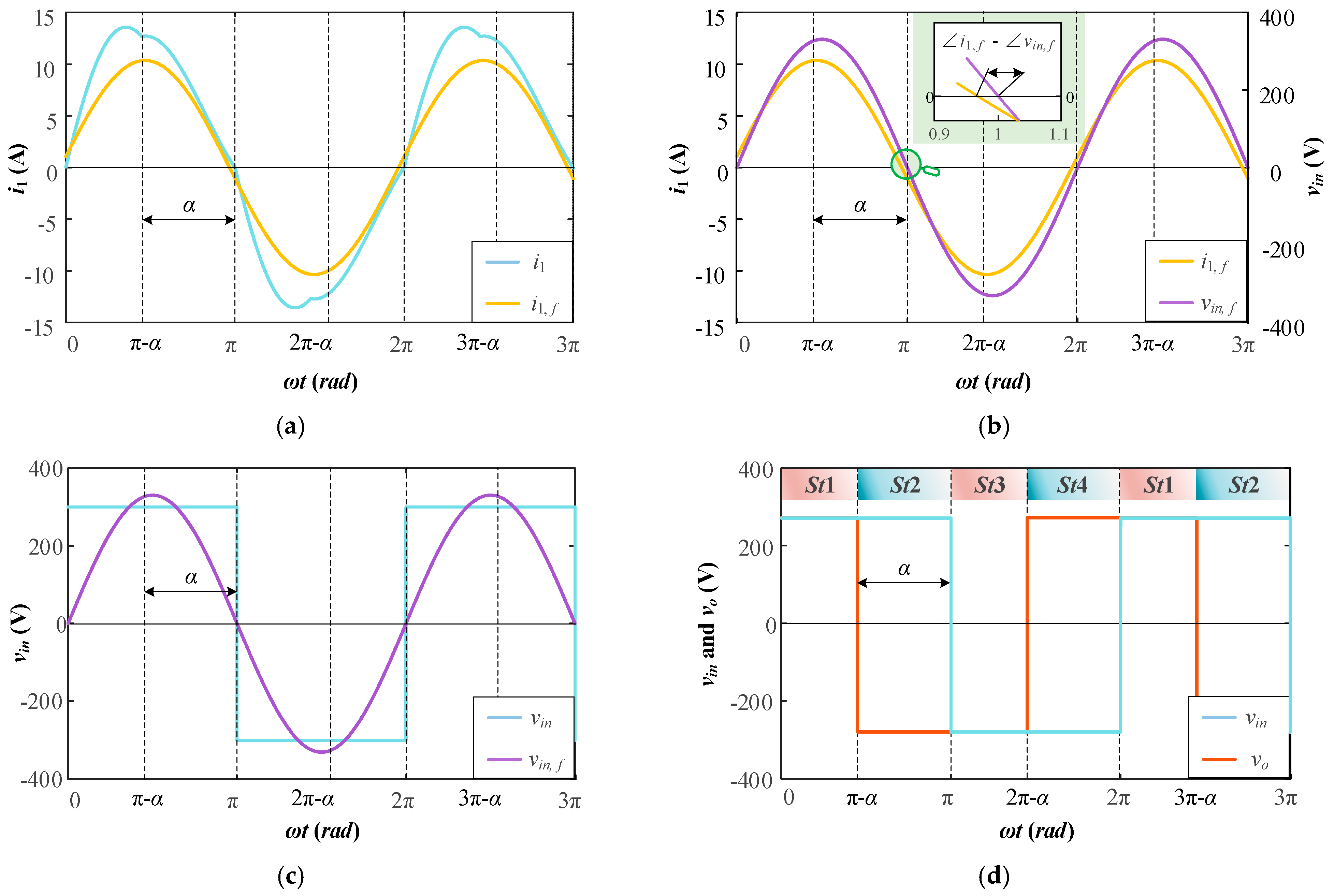
2.2. Time-Domain SS-IPT Model
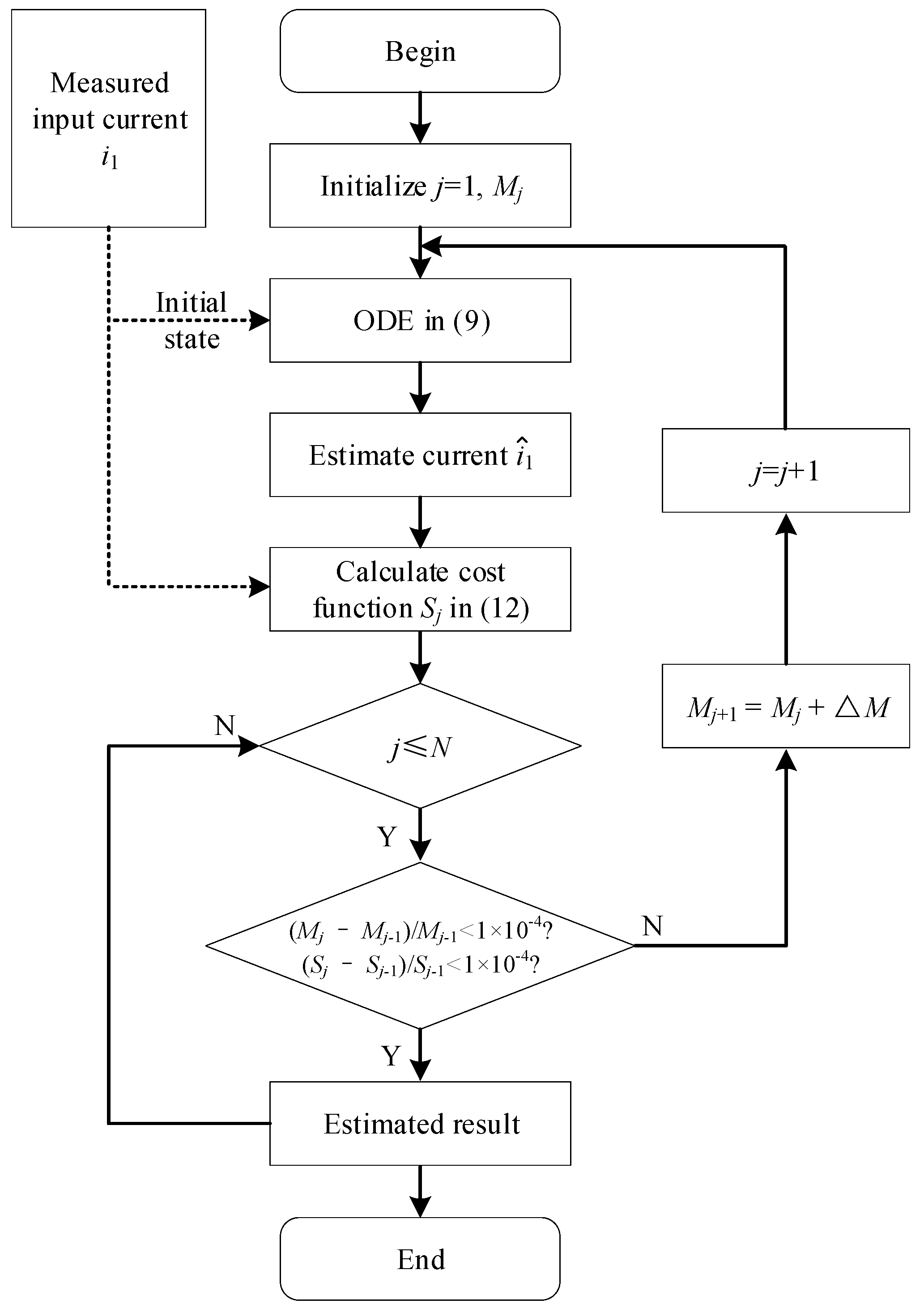
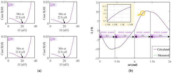
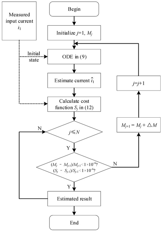
2.3. Nonlinear Least Square
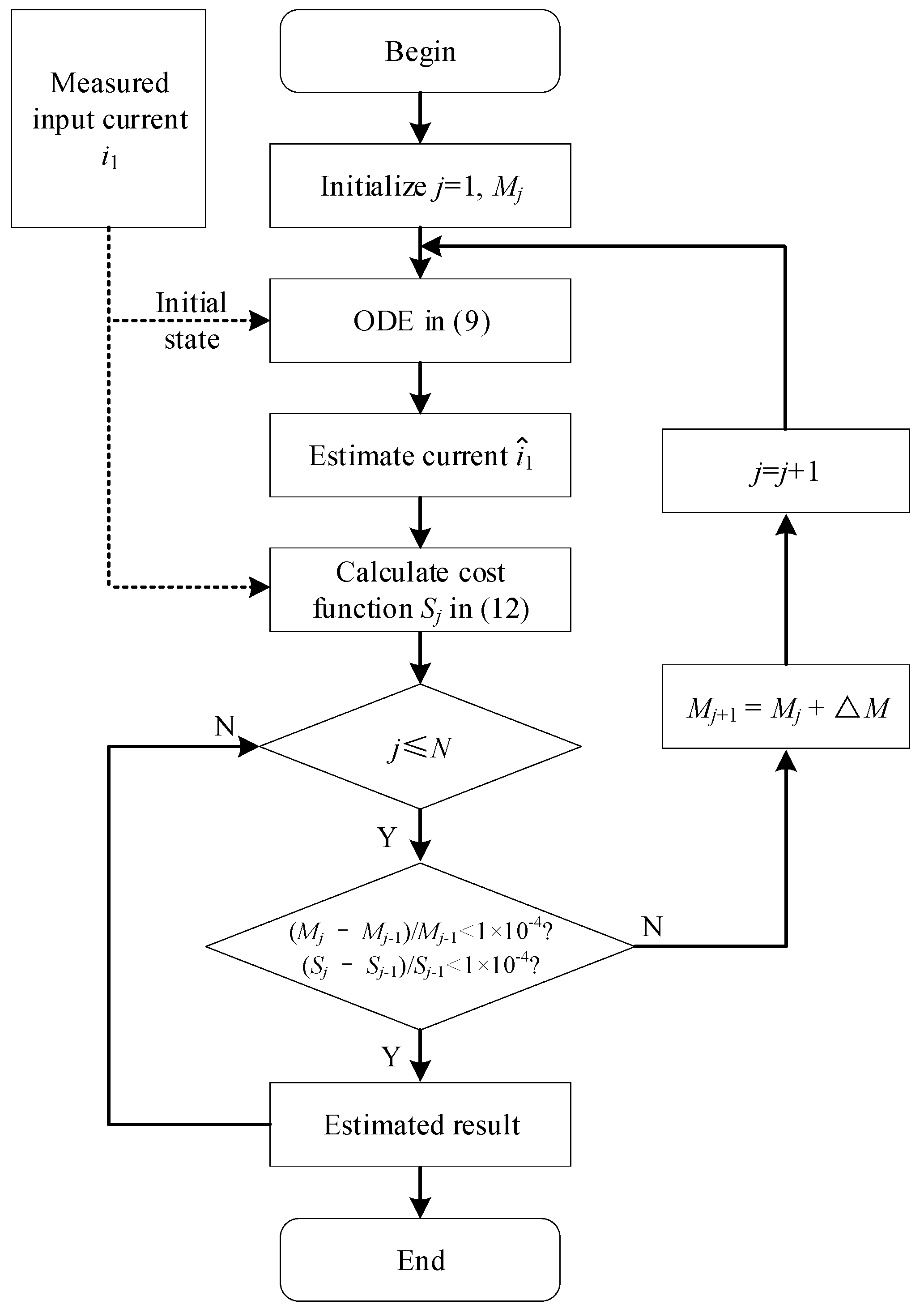
- Step 1. Parameter Initialization: Initialize the current iteration index j = 1, and choose initial estimates for the mutual inductance M;
- Step 2. Numerical Integration: Use a four-order Runge–Kutta numerical solver to integrate the differential equation and compute (wt, Mj);
- Step 3. Residual Computation: Compute the difference between observed data i1 and model predictions , and calculate the loss function by using (12);
- Step 4. Optimization: If the current iteration index j is less than the predefined maximum iteration count N and the relative change in the estimated mutual inductance or the cost function values between iterations is more than 1 × 10−4, then the mutual in the next iteration index will be updated using the formula Mj+1 = Mj + ∆M. This update will utilize a trust-region-reflective algorithm for NLS. Additionally, the iteration index j will be incremented by 1;
- Step 5. Convergence Verification: Repeat the optimization until the changes in the relative changes (Mj − Mj−1)/Mj−1 or (Sj − Sj−1)/Sj−1 are below 1 × 10−4, or j > N.
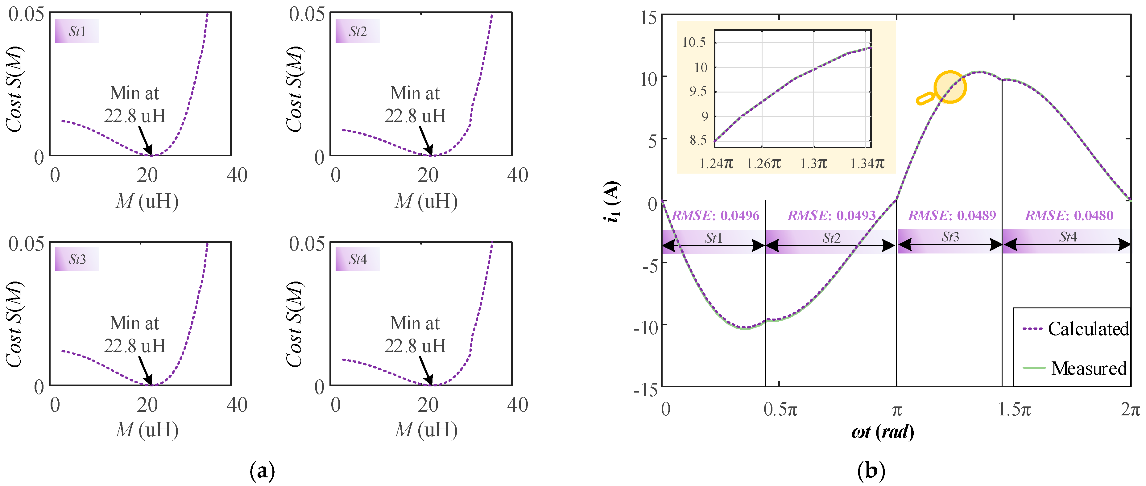
3. Simulation
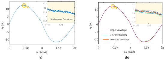
4. Experiment
4.1. Experiment Setup
4.2. Data Processing and Mutual Inductance Estimation
5. Conclusions
Author Contributions
Funding
Data Availability Statement
Conflicts of Interest
References
- Ma, T.; Jiang, C.Q.; Chen, C.; Wang, Y.; Geng, J.; Tse, C.K. A Low Computational Burden Model Predictive Control for Dynamic Wireless Charging. IEEE Trans. Ind. Electron. 2024, 71, 10402–10413. [Google Scholar] [CrossRef]
- Chen, C.; Jiang, C.; Wang, Y.; Fan, Y.; Luo, B.; Cheng, Y. Compact Curved Coupler With Novel Flexible Nanocrystalline Flake Ribbon Core for Autonomous Underwater Vehicles. IEEE Trans. Power Electron. 2024, 39, 53–57. [Google Scholar] [CrossRef]
- Wang, Y.; Jiang, C.Q.; Chen, C.; Ma, T.; Li, X.; Long, T. Hybrid Nanocrystalline Ribbon Core and Flake Ribbon for High-Power Inductive Power Transfer Applications. IEEE Trans. Power Electron. 2023, 39, 1898–1911. [Google Scholar] [CrossRef]
- Song, K.; Lan, Y.; Zhang, X.; Jiang, J.; Sun, C.; Yang, G.; Yang, F.; Lan, H. A Review on Interoperability of Wireless Charging Systems for Electric Vehicles. Energies 2023, 16, 1653. [Google Scholar] [CrossRef]
- Zou, B.; Huang, Z. Primary-Frequency-Tuning and Secondary-Impedance-Matching IPT Converter With Programmable Constant Power Output and Optimal Efficiency Tracking Against Variation of Coupling Coefficient. IEEE Trans. Power Electron. 2024, 39, 4895–4909. [Google Scholar] [CrossRef]
- Chen, C.; Jiang, C.Q.; Wang, Y.; Ma, T.; Wang, X.; Xiang, J.; Geng, J. High-misalignment Tolerance Inductive Power Transfer System via Slight Frequency Detuning. In Proceedings of the 2023 IEEE Energy Conversion Congress and Exposition (ECCE), Nashville, TN, USA, 29 October–2 November 2023; IEEE: Piscataway, NJ, USA, 2023; pp. 1890–1894. [Google Scholar] [CrossRef]
- Yin, J.; Lin, D.; Parisini, T.; Hui, S.Y. Front-End Monitoring of the Mutual Inductance and Load Resistance in a Series–Series Compensated Wireless Power Transfer System. IEEE Trans. Power Electron. 2016, 31, 7339–7352. [Google Scholar] [CrossRef]
- Su, Y.-G.; Chen, L.; Wu, X.-Y.; Hu, A.P.; Tang, C.-S.; Dai, X. Load and mutual inductance identification from the primary side of inductive power transfer system with parallel-tuned secondary power pickup. IEEE Trans. Power Electron. 2018, 33, 9952–9962. [Google Scholar] [CrossRef]
- Chen, K.; Zhang, Z. Rotating-Coordinate-Based Mutual Inductance Estimation for Drone In-Flight Wireless Charging Systems. IEEE Trans. Power Electron. 2023, 38, 11685–11693. [Google Scholar] [CrossRef]
- Sang, P.; Liu, K.; Gong, B.; Zhang, Y.; Zhang, D.; Huang, C. Mutual Inductance Identification based Constant Voltage Control for LC-L Wireless Power Transmission Systems. In Proceedings of the 2022 25th International Conference on Electrical Machines and Systems (ICEMS), Chiang Mai, Thailand, 29 November–2 December 2022; IEEE: Piscataway, NJ, USA, 2022; pp. 1–5. [Google Scholar]
- Liu, S.; Feng, Y.; Weng, W.; Chen, J.; Wu, J.; He, X. Contactless Measurement of Current and Mutual Inductance in Wireless Power Transfer System Based on Sandwich Structure. IEEE J. Emerg. Sel. Top. Power Electron. 2022, 10, 6345–6357. [Google Scholar] [CrossRef]
- Su, Y.-G.; Zhang, H.-Y.; Wang, Z.-H.; Patrick Hu, A.; Chen, L.; Sun, Y. Steady-State Load Identification Method of Inductive Power Transfer System Based on Switching Capacitors. IEEE Trans. Power Electron. 2015, 30, 6349–6355. [Google Scholar] [CrossRef]
- Zheng, P.; Lei, W.; Liu, F.; Li, R.; Lv, C. Primary Control Strategy of Magnetic Resonant Wireless Power Transfer Based on Steady-State Load Identification Method. In Proceedings of the 2018 IEEE International Power Electronics and Application Conference and Exposition (PEAC), Shenzhen, China, 4–7 November 2018; IEEE: Piscataway, NJ, USA, 2018; pp. 1–5. [Google Scholar] [CrossRef]
- Zhu, G.; Dong, J.; Grazian, F.; Bauer, P. A Parameter Recognition-Based Impedance Tuning Method for SS-Compensated Wireless Power Transfer Systems. IEEE Trans. Power Electron. 2023, 38, 13298–13314. [Google Scholar] [CrossRef]
- Yang, Y.; Tan, S.C.; Hui, S.Y.R. Fast Hardware Approach to Determining Mutual Coupling of Series–Series-Compensated Wireless Power Transfer Systems With Active Rectifiers. IEEE Trans. Power Electron. 2020, 35, 11026–11038. [Google Scholar] [CrossRef]
- Zeng, J.; Chen, S.; Yang, Y.; Hui, S.Y.R. A Primary-Side Method for Ultrafast Determination of Mutual Coupling Coefficient in Milliseconds for Wireless Power Transfer Systems. IEEE Trans. Power Electron. 2022, 37, 15706–15716. [Google Scholar] [CrossRef]
- Liu, J.; Wang, G.; Xu, G.; Peng, J.; Jiang, H. A parameter identification approach with primary-side measurement for DC–DC wireless-power-transfer converters with different resonant tank topologies. IEEE Trans. Transp. Electrif. 2020, 7, 1219–1235. [Google Scholar] [CrossRef]
- Dai, R.; Zhou, W.; Chen, Y.; Zhu, Z.; Mai, R. Pulse density modulation based mutual inductance and load resistance identification method for wireless power transfer system. IEEE Trans. Power Electron. 2022, 37, 9933–9943. [Google Scholar] [CrossRef]
- Dai, R.; Mai, R.; Zhou, W. A Pulse Density Modulation Based Receiver Reactance Identification Method for Wireless Power Transfer System. IEEE Trans. Power Electron. 2022, 37, 11394–11405. [Google Scholar] [CrossRef]
- Wang, K.; Yang, Y.; Zhang, X. Advanced Front-end Monitoring Scheme for Inductive Power Transfer Systems Based on Random Forest Regression. In Proceedings of the 2023 IEEE Applied Power Electronics Conference and Exposition (APEC), Orlando, FL, USA, 19–23 March 2023; IEEE: Piscataway, NJ, USA, 2023; pp. 2901–2907. [Google Scholar] [CrossRef]
- Li, Z.; Li, L. A Digital Twin Based Real-Time Parameter Identification for Mutual Inductance and Load of Wireless Power Transfer Systems. IEEE Access 2023, 11, 55404–55412. [Google Scholar] [CrossRef]
- Chow, J.P.-W.; Chung, H.S.-H.; Cheng, C.-S. Use of Transmitter-Side Electrical Information to Estimate Mutual Inductance and Regulate Receiver-Side Power in Wireless Inductive Link. IEEE Trans. Power Electron. 2016, 31, 6079–6091. [Google Scholar] [CrossRef]
- Chow, J.P.W.; Chung, H.S.H. Use of primary-side information to perform online estimation of the secondary-side information and mutual inductance in wireless inductive link. In Proceedings of the 2015 IEEE Applied Power Electronics Conference and Exposition (APEC), Charlotte, NC, USA, 15–19 March 2015; IEEE: Piscataway, NJ, USA, 2015; pp. 2648–2655. [Google Scholar] [CrossRef]
- Bates, D. Nonlinear Regression Analysis and Its Applications; John Wiley and Sons: Toronto, ON, Canada, 1988; Volume 2, pp. 379–416. [Google Scholar]
- Chavent, G. Nonlinear Least Squares for Inverse Problems: Theoretical Foundations and Step-by-Step Guide for Applications; Springer Science & Business Media: Berlin/Heidelberg, Germany, 2010. [Google Scholar]












| Operating frequency fw | 85 kHz |
| Sampling frequency fs | 20 MHz |
| Self-inductance L1 and L2 | 56.67 μH, 57.23 μH |
| Capacitance of C1 and C2 | 61.52 nF, 60.90 nF |
| Parasitic resistance R1 and R2 | 0.036 Ω, 0.039 Ω |
| Coupling coefficient k | {0.10, 0.15, 0.20, …, 0.65} |
| Accuracy | Additional Hardware | Commu-nication | Online/Offline | Pregiven Load Information | Time Cost | Disadvantage | |
|---|---|---|---|---|---|---|---|
| [7] | 98% | One current sensor | No | Offline | No | / | Cannot work at the system resonant frequency |
| [8] | 93.7–96.2% | One current sensor | No | Online | Load Resistance | / | Only applicable to parallel-tuned secondary power pickup |
| [9] | 99% | One current sensor | No | Online | Load Resistance | 4 ms | It is necessary to know the load resistance in advance |
| [11] | 97.8% | One voltage sensor, one additional sandwich coil | No | Online | No | / | Additional design of sandwich coil, replacement of transmitting and receiving coil means redesign, low power density |
| [12] | 97.1% | One switching capacitor | No | Offline | No | 50 ms | Additional switches affect efficiency, increase system complexity, and reduce power density |
| [14] | 97% | Two current sensors | Yes | Offline | No | 3.6 s | Communication is required, and data at up to 14 frequencies are required to have satisfactory accuracy |
| [15] | 98.5% | One current sensor | No | Offline | No | 62 ms | Only applicable to systems with active rectifier and requires frequency sweep |
| [16] | 99% | One current sensor | No | Offline | No | 7 ms | Only applicable to systems with active rectifier and requires frequency sweep |
| [19] | 96.6–98% | One current sensor | No | Online | No | 2–5 s | Voltage and current of multiple harmonics are required. |
| This paper | 92.5–96.5% | One current sensor | No | Online | No | 0.1 s | High sampling rates and high computation are needed. |
Disclaimer/Publisher’s Note: The statements, opinions and data contained in all publications are solely those of the individual author(s) and contributor(s) and not of MDPI and/or the editor(s). MDPI and/or the editor(s) disclaim responsibility for any injury to people or property resulting from any ideas, methods, instructions or products referred to in the content. |
© 2024 by the authors. Licensee MDPI, Basel, Switzerland. This article is an open access article distributed under the terms and conditions of the Creative Commons Attribution (CC BY) license (https://creativecommons.org/licenses/by/4.0/).
Share and Cite
Mo, L.; Wang, X.; Wang, Y.; Zhang, B.; Jiang, C. Mutual Inductance Estimation of SS-IPT System through Time-Domain Modeling and Nonlinear Least Squares. Energies 2024, 17, 3307. https://doi.org/10.3390/en17133307
Mo L, Wang X, Wang Y, Zhang B, Jiang C. Mutual Inductance Estimation of SS-IPT System through Time-Domain Modeling and Nonlinear Least Squares. Energies. 2024; 17(13):3307. https://doi.org/10.3390/en17133307
Chicago/Turabian StyleMo, Liping, Xiaosheng Wang, Yibo Wang, Ben Zhang, and Chaoqiang Jiang. 2024. "Mutual Inductance Estimation of SS-IPT System through Time-Domain Modeling and Nonlinear Least Squares" Energies 17, no. 13: 3307. https://doi.org/10.3390/en17133307
APA StyleMo, L., Wang, X., Wang, Y., Zhang, B., & Jiang, C. (2024). Mutual Inductance Estimation of SS-IPT System through Time-Domain Modeling and Nonlinear Least Squares. Energies, 17(13), 3307. https://doi.org/10.3390/en17133307

