Effect of Plasma Gas Type on the Operation Characteristics of a Three-Phase Plasma Reactor with Gliding Arc Discharge
Abstract
1. Introduction
2. Plasma Reactor with Gliding Arc Discharge
3. Reactor Process Gas Supply System
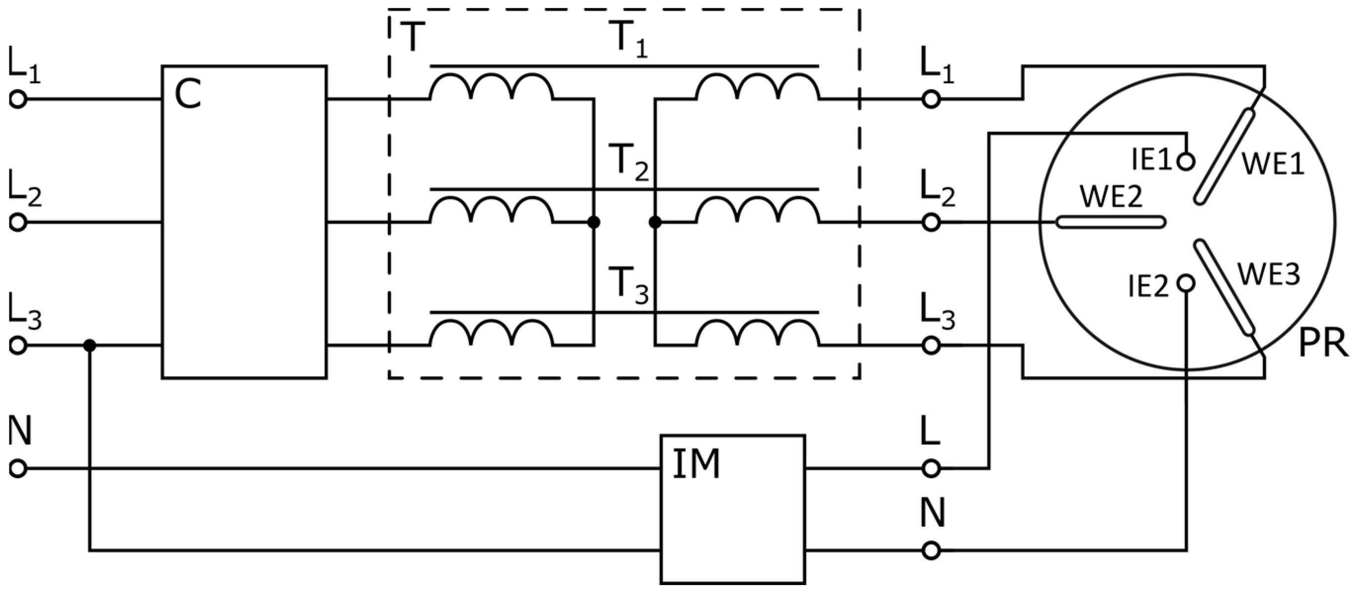
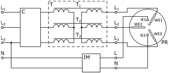
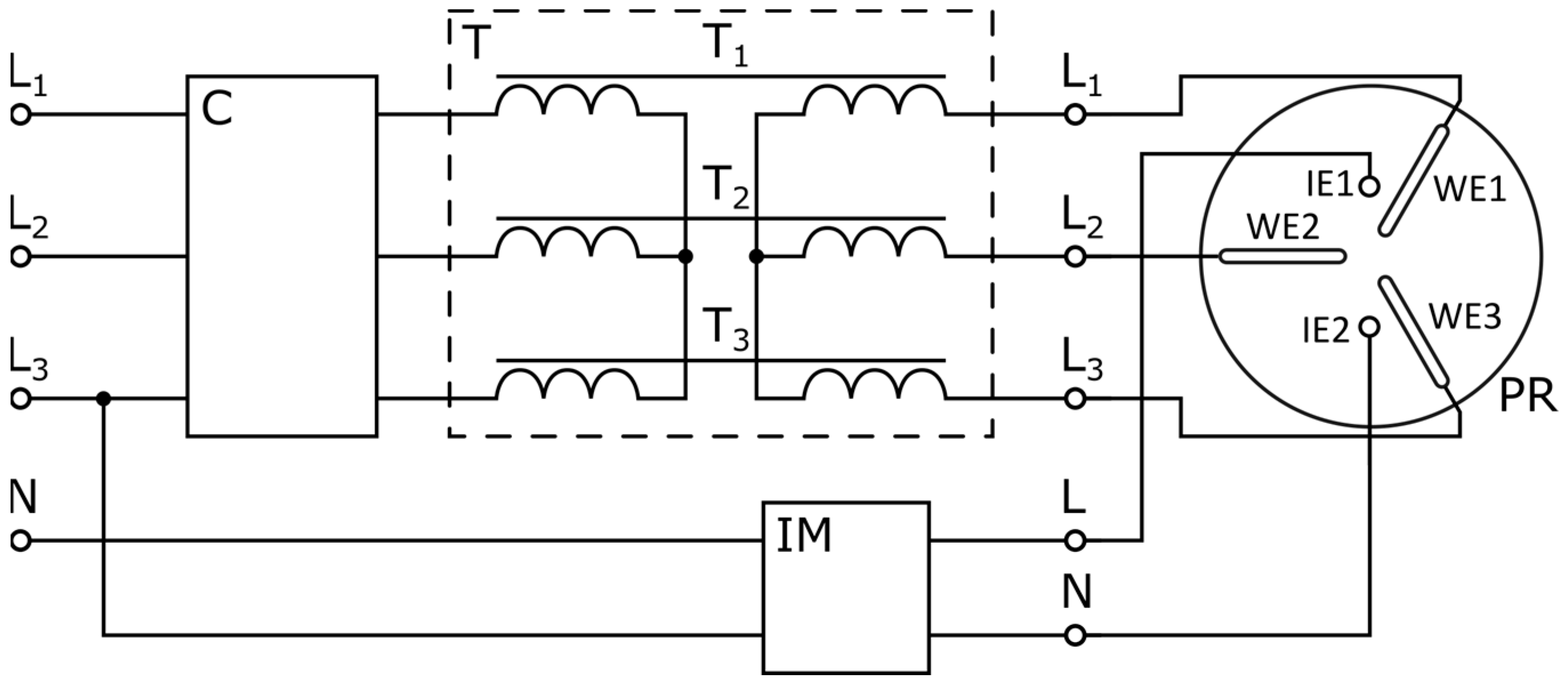
4. Electricity Supply System
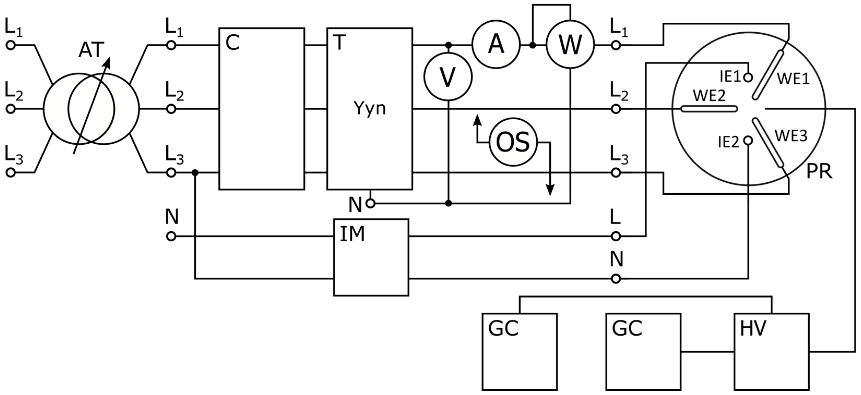
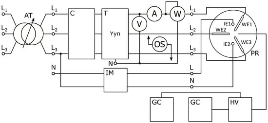
5. Measurement System and Test Methodology
6. Characteristics of the Plasma Reactor
6.1. Current–Voltage Characteristics of the Plasma Reactor
6.2. Effect of Gas Flow on Plasma Reactor Characteristics
6.3. Analysis of Frequency Characteristics
7. Conclusions
Author Contributions
Funding
Data Availability Statement
Conflicts of Interest
References
- Bhuiyan, S.I.; Wang, K.; Baky, M.A.H.; Kraus, J.; Jemison, H.; Staack, D. Controlling Parameters in the Efficiency of Hydrogen Production via Electrification with Multi-Phase Plasma Processing Technology. Energies 2023, 16, 5509. [Google Scholar] [CrossRef]
- Johnson, M.J.; Brown, G.H.; Boris, D.R.; Petrova, T.B.; Walton, S.G. Two Atmospheric Pressure Plasma Jets Driven by Phase-Shifted Voltages: A Method to Control Plasma Properties at the Plasma–Surface Interface. IEEE Trans. Plasma Sci. 2022, 50, 2961–2971. [Google Scholar] [CrossRef]
- Titov, E.; Bodrikov, I.; Titov, D. Control of the Energy Impact of Electric Discharges in a Liquid Phase. Energies 2023, 16, 1683. [Google Scholar] [CrossRef]
- Tachibana, K.; Hanabata, R.; Furuki, T.; Ichiki, R.; Kanazawa, S.; Kocik, M. Development and Evaluation of Newly Designed Coaxial Cylindrical Plasma Reactor with Liquid Flow Control and Post-Discharge Reactions for Water Treatment. Energies 2022, 15, 4028. [Google Scholar] [CrossRef]
- Wang, B.; Yan, X.; Xiong, Z. Temperature Control Strategies of Atmospheric Plasma Jet for Tissue Treatment. IEEE Trans. Radiat. Plasma Med. Sci. 2024, 8, 105–112. [Google Scholar] [CrossRef]
- Domonkos, M.; Tichá, P.; Trejbal, J.; Demo, P. Applications of Cold Atmospheric Pressure Plasma Technology in Medicine, Agriculture and Food Industry. Appl. Sci. 2021, 11, 4809. [Google Scholar] [CrossRef]
- Hnatiuc, E.; Astanei, D.; Ursache, M.; Hnatiuc, B.J.-L.; Brisset, J.-L. review over the cold plasma reactors and their applications. In Proceedings of the 2012 International Conference and Exposition on Electrical and Power Engineering, Iasi, Romania, 25–27 October 2012; pp. 497–502. [Google Scholar] [CrossRef]
- Stryczewska, H.D.; Stępień, M.A.; Boiko, O. Plasma and Superconductivity for the Sustainable Development of Energy and the Environment. Energies 2022, 15, 4092. [Google Scholar] [CrossRef]
- Ren, Y.; Li, X.; Lu, S.; Yan, J. Solid Hazardous Waste Treatment and Material Modification by Vortex Gliding Arc Plasma. IEEE Trans. Plasma Sci. 2014, 42, 2750–2751. [Google Scholar] [CrossRef]
- Gong, X.; Lin, Y.; Li, X.; Wu, A.; Zhang, H.; Yan, J.; Du, C. Decomposition of volatile organic compounds using gliding arc discharge plasma. J. Air Waste Manag. Assoc. 2020, 70, 138–157. [Google Scholar] [CrossRef]
- Yang, G.; Shao, Z.; Cao, Y.; Wang, D.; Fu, J. Research of the treatment of flue gas desulfurization by gliding arc discharge plasma in thermal power plants. In Proceedings of the 2016 IEEE International Conference on High Voltage Engineering and Application (ICHVE), Chengdu, China, 19–22 September 2016. [Google Scholar] [CrossRef]
- Yamamoto, I.; Yamamoto, K.; Shimizu, K.; Fujiyama, Y.; Tsunoda, K.; Mizuno, A. Wet type plasma reactor for incinerator. In Proceedings of the Conference Record of 1998 IEEE Industry Applications Conference. Thirty-Third IAS Annual Meeting (Cat. No.98CH36242), St. Louis, MO, USA, 12–15 October 1998; Volume 3, pp. 1861–1864. [Google Scholar] [CrossRef]
- Gururani, P.; Bhatnagar, P.; Bisht, B.; Kumar, V.; Joshi, N.C.; Tomar, M.S.; Pathak, B. Cold plasma technology: Advanced and sustainable approach for wastewater treatment. Environ. Sci. Pollut. Res. 2021, 28, 65062–65082. [Google Scholar] [CrossRef]
- Li, D.; Wang, C.; Lu, Z.; Song, M.; Xia, W.; Xia, W. Synthesis of graphene flakes using a non-thermal plasma based on magnetically stabilized gliding arc discharge. Fullerenes. Nanotub. Carbon Nanostructures 2020, 28, 846–856. [Google Scholar] [CrossRef]
- Xintong Ma, X.; Sirui Li, S.; Rohit Chaudhary, R.; Volker Hessel, V.; Fausto Gallucci, F. Carbon Nanosheets Synthesis in a Gliding Arc Reactor: On the Reaction Routes and Process Parameters. Plasma Chem. Plasma Process. 2021, 41, 191–209. [Google Scholar]
- Gospodinova, D.; Neznakomova, M.; Shopov, M.; Dineff, P. Atmospheric Plasma Surface Treatment of Polyester Nonwoven Lightweight Fabrics for Apparel, Advertising and Shopping Bags. In Proceedings of the 15th Electrical Engineering Faculty Conference (BulEF), Varna, Bulgaria, 16–19 September 2023; pp. 1–6. [Google Scholar]
- Kusano, Y.; Zhu, J.J.; Ehn, A.; Li, Z.S.; Aldén, M.; Salewski, M.; Leipold, F.; Bardenshtein, A.; Krebs, N. Observation of gliding arc surface treatment. Surf. Eng. 2015, 31, 282–288. [Google Scholar] [CrossRef]
- Laroussi, M.; Bekeschus, S.; Keidar, M.; Bogaerts, A.; Fridman, A.; Lu, X.; Ostrikov, K.; Hori, M.; Stapelmann, K.; Miller, V.; et al. Low-temperature plasma for biology, hygiene, and medicine: Perspective and roadmap. IEEE Trans. Radiat. Plasma Med. Sci. 2022, 6, 127–157. [Google Scholar] [CrossRef]
- Kazemi, A.; Nicol, M.J.; Bilén, S.G.; Kirimanjeswara, G.S.; Knecht, S.D. Cold Atmospheric Plasma Medicine: Applications, Challenges, and Opportunities for Predictive Control. Plasma 2024, 7, 233–257. [Google Scholar] [CrossRef]
- Lata, S.; Chakravorty, S.; Mitra, T.; Pradhan, P.K.; Mohanty, S.; Patel, P.; Jha, E.; Panda, P.K.; Verma, S.K.; Suar, M. Aurora Borealis in dentistry: The applications of cold plasma in biomedicine. Mater. Today Bio 2022, 13, 100200. [Google Scholar] [CrossRef] [PubMed]
- Stryczewska, H.D.; Boiko, O. Applications of Plasma Produced with Electrical Discharges in Gases for Agriculture and Biomedicine. Appl. Sci. 2022, 12, 4405. [Google Scholar] [CrossRef]
- Sakudo, A.; Yagyu, Y.; Onodera, T. Disinfection and Sterilization Using Plasma Technology: Fundamentals and Future Perspectives for Biological Applications. Int. J. Mol. Sci. 2019, 20, 5216. [Google Scholar] [CrossRef] [PubMed]
- Bo, Z.; Yan, J.H.; Li, X.D.; Chi, Y.; Chéron, B.; Cen, K.F. The Dependence of Gliding Arc Gas Discharge Characteristics on Reactor Geometrical Configuration. Plasma Chem. Plasma Process. 2007, 27, 691–700. [Google Scholar] [CrossRef]
- Ananthanarasimhan, J.; Lakshminarayana, R.; Anand, M.S.; Dasappa, S. Influence of gas dynamics on arc dynamics and the discharge power of a rotating gliding arc. Plasma Sources Sci. Technol. 2019, 28, 8. [Google Scholar] [CrossRef]
- Kong, C.; Gao, J.; Ehn, A.; Aldén, M.; Li, Z. Understanding the characteristics of non-equilibrium alternating current gliding arc discharge in a variety of gas mixtures (air, N2, Ar, Ar/O2, and Ar/CH4) at elevated pressures (1–5 atm). Phys. Plasmas 2022, 29, 033502. [Google Scholar] [CrossRef]
- El-Zein, A.; Talaat, M.; El-Aragi, G.; El-Amawy, A. Electrical Characteristics of Nonthermal Gliding Arc Discharge Reactor in Argon and Nitrogen Gases. IEEE Trans. Plasma Sci. 2016, 44, 1155–1159. [Google Scholar] [CrossRef]
- Zhang, H.; Zhu, F.; Tu, X.; Bo, Z.; Cen, K.; Li, X. Characteristics of Atmospheric Pressure Rotating Gliding Arc Plasmas. Plasma Sci. Technol. 2016, 18, 5. [Google Scholar] [CrossRef]
- Sagas, J.C.; Neto, A.H.; Pereira Filho, A.C.; Maciel, H.S.; Lacava, P.T. Basic Characteristics of Gliding-Arc Discharges in Air and Natural Gas. IEEE Trans. Plasma Sci. 2011, 39, 775–780. [Google Scholar] [CrossRef]
- Sun, S.R.; Kolev, S.; Wang, H.X.; Bogaerts, A.A. Coupled gas flow-plasma model for a gliding arc: Investigations of the back-breakdown phenomenon and its effect on the gliding arc characteristics. Plasma Sources Sci. Technol. 2016, 26, 1. [Google Scholar] [CrossRef]
- Taylor, K.J.; Yun, S.; Tynan, G.R. Control of plasma parameters by using noble gas admixtures. J. Vac. Sci. Technol. A 2004, 22, 2131–2138. [Google Scholar] [CrossRef]
- Murphy, A.B. Thermal plasmas in gas mixtures. J. Phys. D Appl. Phys. 2001, 34, 20. [Google Scholar] [CrossRef]
- Xu, W.; Van Alphen, S.; Galvita, V.V.; Meynen, V.; Bogaerts, A. Effect of Gas Composition on Temperature and CO2 Conversion in a Gliding Arc Plasmatron reactor: Insights for Post-Plasma Catalysis from Experiments and Computation. ChemSusChem 2024, e202400169. [Google Scholar] [CrossRef] [PubMed]
- Bolouki, N.; Kuan, W.-H.; Huang, Y.-Y.; Hsieh, J.-H. Characterizations of a Plasma-Water System Generated by Repetitive Microsecond Pulsed Discharge with Air, Nitrogen, Oxygen, and Argon Gases Species. Appl. Sci. 2021, 11, 6158. [Google Scholar] [CrossRef]
- Lamichhane, P.; Acharya, T.R.; Kaushik, N.; Nguyen, L.N.; Lim, J.S.; Hessel, V.; Kaushik, N.K.; Choi, E.H. Non-thermal argon plasma jets of various lengths for selective reactive oxygen and nitrogen species production. J. Environ. Chem. Eng. 2022, 10, 107782. [Google Scholar] [CrossRef]
- Martusevich, A.K.; Surovegina, A.V.; Bocharin, I.V.; Nazarov, V.V.; Minenko, I.A.; Artamonov, M.Y. Cold Argon Athmospheric Plasma for Biomedicine: Biological Effects, Applications and Possibilities. Antioxidants 2022, 11, 1262. [Google Scholar] [CrossRef] [PubMed]
- Mozaffari, A.; Parvinzadeh Gashti, M.; Mirjalili, M.; Parsania, M. Argon and Argon–Oxygen Plasma Surface Modification of Gelatin Nanofibers for Tissue Engineering Applications. Membranes 2021, 11, 31. [Google Scholar] [CrossRef] [PubMed]
- Huang, B.; Zhang, C.; Zhu, W.; Lu, X.; Shao, T. Ionization waves in nanosecond pulsed atmospheric pressure plasma jets in argon. High Volt. 2021, 6, 665–673. [Google Scholar] [CrossRef]
- Khomutova, U.V.; Korzhova, A.G.; Bryuzgina, A.A.; Laput, O.A.; Vasenina, I.V.; Akhmadeev, Y.H.; Shugurov, V.V.; Azhazha, I.I.; Shapovalova, Y.G.; Chernyavskii, A.V.; et al. Nitrogen Plasma Treatment of Composite Materials Based on Polylactic Acid and Hydroxyapatite. Polymers 2024, 16, 627. [Google Scholar] [CrossRef]
- Laput, O.A.; Vasenina, I.V.; Korzhova, A.G.; Bryuzgina, A.A.; Khomutova, U.V.; Tuyakova, S.G.; Akhmadeev, Y.H.; Shugurov, V.V.; Bolbasov, E.N.; Tverdokhlebov, S.I.; et al. Effect of Nitrogen Arc Discharge Plasma Treatment on Physicochemical Properties and Biocompatibility of PLA-Based Scaffolds. Polymers 2023, 15, 3381. [Google Scholar] [CrossRef] [PubMed]
- Murphy, A.B. Transport coefficients of helium and argon-helium plasmas. IEEE Trans. Plasma Sci. 1997, 25, 809–814. [Google Scholar] [CrossRef]
- Jonkers, J.; Van Der Mullen, J.A.M. The excitation temperature in (helium) plasmas. J. Quant. Spectrosc. Radiat. Transf. 1999, 61, 703–709. [Google Scholar] [CrossRef]
- Shkodra, B.; Demelash Abera, B.; Cantarella, G.; Douaki, A.; Avancini, E.; Petti, L.; Lugli, P. Flexible and Printed Electrochemical Immunosensor Coated with Oxygen Plasma Treated SWCNTs for Histamine Detection. Biosensors 2020, 10, 35. [Google Scholar] [CrossRef] [PubMed]
- Vesel, A.; Primc, G.; Zaplotnik, R.; Mozetič, M. Applications of highly non-equilibrium low-pressure oxygen plasma for treatment of polymers and polymer composites on an industrial scale. Plasma Phys. Control. Fusion 2020, 62, 2. [Google Scholar] [CrossRef]
- Kumagai, F.; Gotoh, K.; Miyamoto, S.; Kato, S.; Kutsukake, K.; Usami, N.; Kurokawa, Y. Bayesian optimization of hydrogen plasma treatment in silicon quantum dot multilayer and application to solar cells. Discov. Nano 2023, 18, 43. [Google Scholar] [CrossRef]
- Babichuk, I.S.; Semenenko, M.O.; Caballero, R.; Hladkovskyi, V.V.; Datsenko, O.I.; Yeshchenko, O.A.; Babichuk, I.V.; Lin, C.; Qiu, Y.; Redko, R.A.; et al. Influence of hydrogen plasma treatment on secondary phases in CZTS thin films for energy harvesting. Mater. Today Commun. 2021, 28, 102664. [Google Scholar] [CrossRef]
- Luo, L.; Chen, Y.; Zhou, M.; Shan, X.; Lu, J.; Zhao, X. Progress update on extending the durability of air plasma sprayed thermal barrier coatings. Ceram. Int. 2022, 48, 18021–18034. [Google Scholar] [CrossRef]
- Guo, P.; Liu, Y.; Li, J.; Zhang, N.; Zhou, M.; Li, Y.; Zhao, G.; Wang, N.; Wang, A.; Wang, Y.; et al. A novel atmospheric-pressure air plasma jet for wound healing. Int. Wound J. 2022, 19, 538–552. [Google Scholar] [CrossRef] [PubMed]
- Sun, Z.W.; Zhu, J.J.; Li, Z.S.; Aldén, M.; Leipold, F.; Salewski, M.; Kusano, Y. Optical diagnostics of a gliding arc. Opt. Express 2013, 21, 6028–6044. [Google Scholar] [CrossRef] [PubMed]
- Hao Zhang, H.; Zhu, F.; Li, X.; Du, C. Dynamic behavior of a rotating gliding arc plasma in nitrogen: Effects of gas flow rate and operating current. Plasma Sci. Technol. 2017, 19, 4. [Google Scholar] [CrossRef]
- Kusano, Y.; Salewski, M.; Leipold, F.; Zhu, J.; Ehn, A.; Li, Z.; Aldén, M. Stability of alternating current gliding arcs. Eur. Phys. J. D 2014, 68, 319. [Google Scholar] [CrossRef]
- Fridman, A.; Nester, S.; Kennedy, L.A.; Saveliev, A.; Mutaf-Yardimci, O. Gliding arc gas discharge. Prog. Energy Combust. Sci. 1999, 25, 211–231. [Google Scholar] [CrossRef]
- Mitsugi, F.; Furukawa, J.; Ohshima, T.; Kawasaki, H.; Kawasaki, T.; Aoqui, S.I.; Stryczewska, H.D. Observation of dynamic behavior of gliding arc discharge. Eur. Phys. J. Appl. Phys. 2013, 61, 24308. [Google Scholar] [CrossRef]
- Korolev, Y.D.; Frants, O.B.; Geyman, V.G.; Landl, N.V.; Kasyanov, V.S. Low-Current “Gliding Arc” in an Air Flow. IEEE Trans. Plasma Sci. 2011, 39, 3319–3325. [Google Scholar] [CrossRef]
- Richard, F.; Cormier, J.M.; Pellerin, S.; Chapelle, J. Physical study of a gliding arc discharge. J. Appl. Phys. 1996, 79, 2245–2250. [Google Scholar] [CrossRef]
- Babich, I.L.; Veklich, A.N.; Kryachko, L.A.; Minakova, R.B.; Osidach, V.E. Parameters of free-burning arc discharge plasma in air with silver-based electrodes. J. Appl. Spectrosc. 2006, 73, 426–431. [Google Scholar] [CrossRef]
- Komarzyniec, G.; Aftyka, M. Analysis of Plasma Reactor Interaction with the Power Grid Depending on the Power Supply Design. Appl. Sci. 2023, 13, 2279. [Google Scholar] [CrossRef]
- Xia, W.; Fulcheri, L.; Gonzalez-Aguilar, J.; Li, H.; Gruenberger, T. Characterization of a 3-Phase a.c. Free Burning Arc Plasma. Plasma Sources Sci. Technol. 2006, 8, 156. [Google Scholar] [CrossRef]
- Liu, Y.; Lu, N.; Wang, S.; Sun, G. Effect of Flow Rate on the Characteristics of Atmospheric-Pressure AC Constant-Current Powered Gliding Arc Discharge. IEEE Trans. Plasma Sci. 2012, 49, 3113–3120. [Google Scholar] [CrossRef]
- Stryczewska, H.D. Supply Systems of Non-Thermal Plasma Reactors. Construction Review with Examples of Applications. Appl. Sci. 2020, 10, 3242. [Google Scholar] [CrossRef]
- Komarzyniec, G.; Stryczewska, H.D.; Krupski, P. The Influence of the Architecture of the Power System on the Operational Parameters of the Glidarc Plasma Reactor. In Proceedings of the 2019 IEEE Pulsed Power & Plasma Science (PPPS), Orlando, FL, USA, 23–29 June 2019; pp. 1–4. [Google Scholar] [CrossRef]


















| Reactor height | 580 mm |
| Discharge chamber height | 500 mm |
| Discharge chamber diameter | 114 mm |
| Number of working electrodes | 3 |
| Number of ignition electrodes | 2 |
| Working electrode height | 143 mm |
| Electrode spacing in the discharge ignition zone | 5 mm |
| Spacing of electrodes in the discharge quench zone | 50 mm |
| Gas inlet nozzle diameter | 8 mm |
| Gas outlet nozzle diameter | 114 mm |
| Working gas flow rate | controlled in the range of 0.5 ÷ 17 m3/h |
| Plasma-forming gases | helium, argon, nitrogen, air |
| Shape of working electrodes | knife |
| Working electrode material | stainless steel 0H18N9 |
| Material of ignition electrodes | tungsten, 1 mm diameter wire |
| Material of the discharge chamber | quartz glass |
| Electrode mounting ring material | aluminum PA6 (2017A) |
| Electrode holders | steel current bushings |
| Insulator material | AL-70 ceramic |
| AC/DC/AC Converter | |
| Power | 3.4 kVA per phase |
| Supply voltage | 230 V, 50 Hz |
| Supply current | 15 A |
| Output voltage | 300 V |
| Output current | 10 A |
| Output frequency | 10–200 Hz |
| Transformers | |
| Power | 3.5 kVA per phase |
| Primary side voltage | 300 V, 10–200 Hz |
| Primary side current | 11.6 A |
| Secondary voltage | 1.2 kV |
| Secondary current | 2.9 A |
| Ignition module | |
| Power | 60 W |
| Supply voltage | 230 V, 50 Hz |
| Supply current | 250 mA |
| Output voltage | 15 kV |
| Output current | 40 mA |
Disclaimer/Publisher’s Note: The statements, opinions and data contained in all publications are solely those of the individual author(s) and contributor(s) and not of MDPI and/or the editor(s). MDPI and/or the editor(s) disclaim responsibility for any injury to people or property resulting from any ideas, methods, instructions or products referred to in the content. |
© 2024 by the authors. Licensee MDPI, Basel, Switzerland. This article is an open access article distributed under the terms and conditions of the Creative Commons Attribution (CC BY) license (https://creativecommons.org/licenses/by/4.0/).
Share and Cite
Stryczewska, H.D.; Komarzyniec, G.; Boiko, O. Effect of Plasma Gas Type on the Operation Characteristics of a Three-Phase Plasma Reactor with Gliding Arc Discharge. Energies 2024, 17, 2696. https://doi.org/10.3390/en17112696
Stryczewska HD, Komarzyniec G, Boiko O. Effect of Plasma Gas Type on the Operation Characteristics of a Three-Phase Plasma Reactor with Gliding Arc Discharge. Energies. 2024; 17(11):2696. https://doi.org/10.3390/en17112696
Chicago/Turabian StyleStryczewska, Henryka Danuta, Grzegorz Komarzyniec, and Oleksandr Boiko. 2024. "Effect of Plasma Gas Type on the Operation Characteristics of a Three-Phase Plasma Reactor with Gliding Arc Discharge" Energies 17, no. 11: 2696. https://doi.org/10.3390/en17112696
APA StyleStryczewska, H. D., Komarzyniec, G., & Boiko, O. (2024). Effect of Plasma Gas Type on the Operation Characteristics of a Three-Phase Plasma Reactor with Gliding Arc Discharge. Energies, 17(11), 2696. https://doi.org/10.3390/en17112696

