Mixed Riccati–Lyapunov Balanced Truncation for Order Reduction of Electrical Circuit Systems
Abstract
1. Introduction
- -
- The matrices are the Description Matrix, State Space Matrix, Input Matrix, Output Matrix, and Direct Transmission Matrix, respectively; the vectors are the state variable vector, control input vector, and output vector, respectively; n, p are the order (complexity) and input (equal to the number of outputs) of the system, respectively.
- -
- The system exhibits minimal, stable, and passive behavior, is controllable, and is observable.
- -
- The starting conditions are: x(0) = 0; u(0) = 0; y(0) = 0.
- -
- The matrices representing the system (E, A) comprise a matrix pencil with eigenvalues that possess nonpositive-real components. E is a positive definite matrix, A is a Hurwitz stable matrix; both E and A are non-singular, rank(E) = rank(A) = n; B = CT (or B = −CT); (D + DT) > 0.
- -
- The order reduction error is small and there exists a global error bound.
- -
- Some physical properties of the original system, such as stability and passivity, are preserved.
- -
- Increased computational efficiency.
2. Preliminaries
2.1. Balanced Truncation (BT) Algorithm
2.2. Positive-Real Balanced Truncation (PRBT) Algorithm
3. Mixed Riccati–Lyapunov Balanced Truncation (MRLBT) Algorithm
| Algorithm 1. Transformation into an Equivalent Mixed Riccati–Lyapunov Balanced Form. |
| Input: The LTI-CTD system (1) with the properties in Note 1. - Step 1. Compute Lc from (12) and Ro from (7) (or Lo from (13) and Rc from (6)). - Step 2. Cholesky decomposition for Lc and Ro (or Lo and Rc)) as (26) and (27). - Step 3. Singular value decomposition of as (28). Output: System described by matrices in Equivalent Mixed Riccati–Lyapunov balanced form. |
| Algorithm 2. Reduce model order using Mixed Riccati–Lyapunov Balanced Truncation (MRLBT). |
| Input: The MRLBS . - Step 1. Choose the desired reduced-order r, where 0 < r < n. - Step 2. Represent the MRLBS matrices as block matrices as in (35). Output: Reduced-order system |
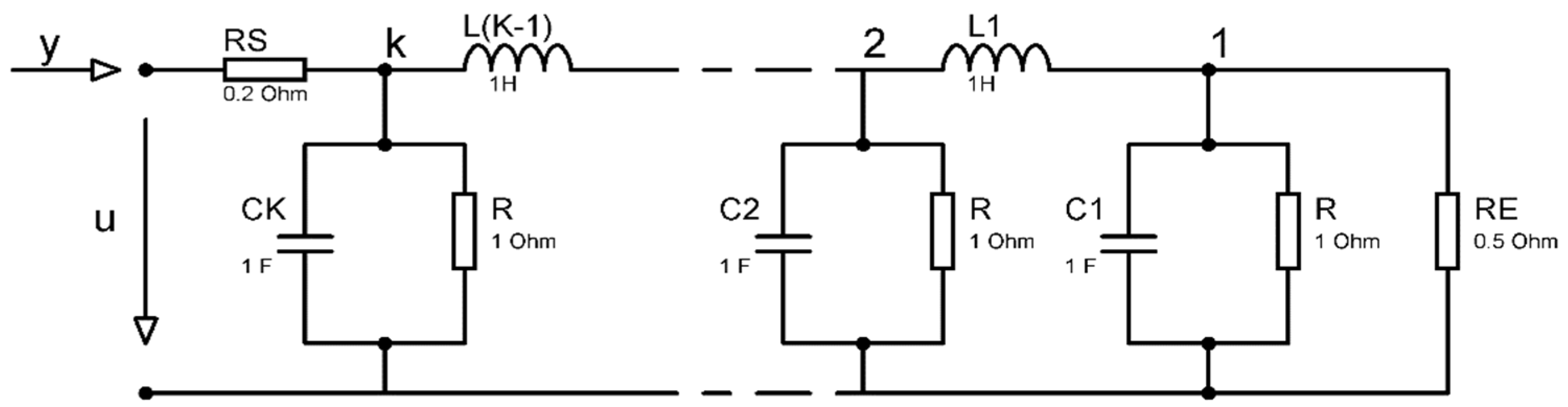
4. Illustrative Example
- -
- The error diminishes as the order decreases when applying all three algorithms, which aligns with theoretical expectations. As the model’s order decreases, its quality improves, resulting in smaller errors.
- -
- Across all orders r, the error between the original system and the reduced-order system using MRLBT is the smallest, followed by BT, with PRBT yielding the largest error.
- -
- When r ≥ 5, the error between the original and reduced-order systems approaches zero consistently across all three algorithms.
- -
- Transient Time: System G_MRLBT exhibits the shortest transient time among all systems, indicating the fastest response to input changes. Systems G, G_PRBT, and G_BT have slightly longer transient times, suggesting slightly slower responses compared to G_MRLBT.
- -
- Settling Time: G_MRLBT achieves the fastest settling time, indicating quicker stabilization compared to the other systems. G, G_PRBT, and G_BT have similar settling times, which are notably longer than that of G_MRLBT.
- -
- Settling Min: G_MRLBT has the highest minimum settling value, indicating a more stable settling process compared to the other systems. G, G_PRBT, and G_BT have similar minimum settling values, which are notably lower than that of G_MRLBT.
- -
- Overshoot: G_MRLBT exhibits significantly lower overshoot compared to the other systems, suggesting a more controlled response. G, G_PRBT, and G_BT show similar levels of overshoot, which are substantially higher compared to G_MRLBT.
5. Analysis and Discussion
5.1. Special Case of Matrix D = 0
5.2. Comparative Analysis of MRLBT with BT and PRBT
- -
- Comparison of MRLBT with BT and PRBT:
- +
- MRLBT utilizes a Lyapunov equation to determine the controllability Gramian, akin to BT, and employs a positive definite Riccati equation to determine the observability Gramian, akin to PRBT.
- +
- MRLBT preserves stability similar to BT and PRBT, as well as passive properties akin to PRBT.
- +
- Balanced Truncation Techniques: MRLBT, PRBT, and BT all utilize balanced truncation techniques as part of their reduction process. These techniques involve balancing the controllability and observability Gramians of the original system to identify the most significant system modes for retention in the reduced-order model.
- +
- Focus on Stability and Accuracy: All three methods prioritize stability and accuracy in the reduced-order model. They aim to retain the essential dynamics of the original system while discarding less significant modes to achieve computational efficiency without sacrificing model fidelity.
- -
- Advantages of MRLBT over BT and PRBT:
- +
- MRLBT incurs lower computational cost compared to PRBT, as it solves only one positive definite Riccati equation instead of two as in PRBT.
- +
- BT fails to preserve passive properties unlike MRLBT.
- +
- The reduction error of MRLBT is smaller than that of BT and PRBT.
5.3. Description of the Methodology of Using MRLBT for Electrical Engineering
5.4. Approaches Related to the Software and Practical Implementation of MRLBT
5.5. Error Analysis and Error Minimization Strategies for MRLBT
5.6. Limitations of the MRLBT Algorithm
6. Conclusions
Author Contributions
Funding
Data Availability Statement
Conflicts of Interest
References
- Choupanzadeh, R.; Zadehgol, A. Blockwise vs. and General MNA for MOR. In Proceedings of the 2023 IEEE International Symposium on Antennas and Propagation and USNC-URSI Radio Science Meeting (USNC-URSI), Portland, OR, USA, 23–28 July 2023; pp. 847–848. [Google Scholar]
- Hao, L.; Shi, G. Realizable Reduction of Multi-Port RCL Networks by Block Elimination. IEEE Trans. Circuits Syst. I Regul. Pap. 2023, 70, 399–412. [Google Scholar] [CrossRef]
- Pavan, S.; Temes, G.C. Reciprocity and inter-reciprocity: A tutorial—Part I: Linear time-invariant networks. IEEE Trans. Circuits Syst. I Regul. Pap. 2023, 70, 3413–3421. [Google Scholar] [CrossRef]
- Benner, P. System- and Data-Driven Methods and Algorithms; De Gruyter: Berlin, Germany, 2021. [Google Scholar]
- Freund, R.W. Electronic Circuit Simulation and the Development of New Krylov-Subspace Methods. In Novel Mathematics Inspired by Industrial Challenges; Springer International Publishing: Cham, Switzerland, 2022; pp. 29–55. [Google Scholar]
- Liu, S.-M.; Jiang, L.-J.; Li, P. A Fast AWE-Augmented Wideband Discontinuous Galerkin Frequency-Domain Method in Solving Electromagnetic Wave Equations. In Proceedings of the 2022 IEEE International Symposium on Antennas and Propagation and USNC-URSI Radio Science Meeting (AP-S/URSI), Denver, CO, USA, 10–15 July 2022. [Google Scholar]
- Bhattacharya, A.; Nandy, P.; Nath, P.P.; Sahu, H. On Krylov complexity in open systems: An approach via bi-Lanczos algorithm. J. High Energy Phys. 2023, 12, 1–30. [Google Scholar] [CrossRef]
- Prajapati, A.K.; Prasad, R. Model reduction using the balanced truncation method and the Padé approximation method. IETE Tech. Rev. 2022, 39, 257–269. [Google Scholar] [CrossRef]
- Khattak, M.A.; Romano, D.; Antonini, G.; Ferranti, F. Efficient Frequency and Time-Domain Simulations of Delayed PEEC Models With Proper Orthogonal Decomposition Techniques. IEEE Access 2024, 12, 168–178. [Google Scholar] [CrossRef]
- Wang, G.; Yang, J.; Jiao, J. Voltage correlation-based principal component analysis method for short circuit fault diagnosis of series battery pack. IEEE Trans. Ind. Electron. 2022, 70, 9025–9034. [Google Scholar] [CrossRef]
- Vuillemin, P.; Maillard, A.; Poussot-Vassal, C. Optimal modal truncation. Syst. Control Lett. 2021, 156, 105011. [Google Scholar] [CrossRef]
- Ali, H.R.; Kunjumuhammed, L.P.; Pal, B.C.; Adamczyk, A.G.; Vershinin, K. Model Order Reduction of Wind Farms: Linear Approach. IEEE Trans. Sustain. Energy 2019, 10, 1194–1205. [Google Scholar] [CrossRef]
- Freitas, F.D.; Rommes, J.; Martins, N. Developments in the Computation of Reduced Order Models with the Use of Dominant Spectral Zeros. In Realization and Model Reduction of Dynamical Systems: A Festschrift in Honor of the 70th Birthday of Thanos Antoulas; Springer International Publishing: Cham, Switzerland, 2022; pp. 215–233. [Google Scholar]
- Moore, B. Principal component analysis in linear systems: Controllability, observability, and model reduction. IEEE Trans. Autom. Control 1981, 26, 17–32. [Google Scholar] [CrossRef]
- Benner, P.; Du, X.; Yang, G.; Ye, D. Balanced truncation of linear time-invariant systems over finite-frequency ranges. Adv. Comput. Math. 2020, 46, 1–34. [Google Scholar] [CrossRef]
- König, J.; Freitag, M.A. Time-Limited Balanced Truncation for Data Assimilation Problems. J. Sci. Comput. 2023, 97, 47. [Google Scholar] [CrossRef]
- Wu, J.-L.; Yung, C.-F.; Liu, W.-T. A new bounded real lemma for discrete-time linear descriptor systems. Asian J. Control 2023, 26, 1068–1076. [Google Scholar] [CrossRef]
- Tan, S.; He, L. Advanced Model Order Reduction Techniques in VLSI Design; Cambridge University Press: Cambridge, UK, 2007. [Google Scholar]
- Becker, S.; Hartmann, C. Infinite-dimensional bilinear and stochastic balanced truncation with explicit error bounds. Math. Control Signals Syst. 2019, 31, 1–37. [Google Scholar] [CrossRef]
- Damm, T.; Redmann, M. Complexity reduction of large-scale stochastic systems using linear quadratic Gaussian balancing. J. Franklin Inst. 2023, 360, 14534–14552. [Google Scholar] [CrossRef]
- Raja, C.V.N.; Surendra, P. Design of H-infinity controller for a reduced order linearized power electronic cricuit. J. Electr. Eng. 2020, 20, 9. [Google Scholar]
- Benner, P.; Werner, S.W.R. Hankel-norm approximation of large-scale descriptor systems. Adv. Comput. Math. 2020, 46, 40. [Google Scholar] [CrossRef]
- Antoulas, A.C. Approximation of Large-Scale Dynamical Systems; Society for Industrial and Applied Mathematics: Philadelphia, PA, USA, 2005. [Google Scholar]
- Mehrmann, V.; Stykel, T. Balanced truncation model reduction for large-scale systems in descriptor form. In Dimension Reduction of Large-Scale Systems: Proceedings of a Workshop Held in Oberwolfach, Germany, October 19–25, 2003; Springer: Berlin/Heidelberg, Germany, 2005. [Google Scholar]
- Reis, T.; Stykel, T. Positive real and bounded real balancing for model reduction of descriptor systems. Int. J. Control 2010, 83, 74–88. [Google Scholar] [CrossRef]
- Benner, P.; Stykel, T. Model Order Reduction for Differential-Algebraic Equations: A Survey. In Surveys in Differential-Algebraic Equations IV; Ilchmann, A., Reis, T., Eds.; Differential-Algebraic Equations Forum; Springer: Cham, Switzerland, 2017. [Google Scholar]
- Unneland, K.; Van Dooren, P.; Egeland, O. New Schemes for Positive Real Truncation. Model. Identif. Control A Norw. Res. Bull. 2007, 28, 53–65. [Google Scholar] [CrossRef]
- Phillips, J.R.; Daniel, L.; Silveira, L.M. Guaranteed passive balancing transformations for model order reduction. IEEE Trans. Comput.-Aided Des. Integr. Circuits Syst. 2003, 22, 1027–1041. [Google Scholar] [CrossRef]
- Unneland, K.; Van Dooren, P.; Egeland, O. A Novel Scheme for Positive Real Balanced Truncation. In Proceedings of the 2007 American Control Conference, New York, NY, USA, 9–13 July 2007; pp. 947–952. [Google Scholar]
- Zulfiqar, U.; Tariq, W.; Li, L.; Liaquat, M. A Passivity-Preserving Frequency-Weighted Model Order Reduction Technique. IEEE Trans. Circuits Syst. II Express Briefs 2017, 64, 1327–1331. [Google Scholar] [CrossRef]
- Zulfiqar, U.; Imran, M.; Ghafoor, A.; Liaqat, M. Time/frequency-limited positive-real truncated balanced realizations. IMA J. Math. Control Inf. 2020, 37, 64–81. [Google Scholar] [CrossRef]
- Stefanovski, J. Kalman–Yakubovič–Popov lemma for descriptor systems. Syst. Control Lett. 2014, 74, 8–13. [Google Scholar] [CrossRef]
- Iwasaki, T. KYP Lemma and Generalizations/Applications. In Encyclopedia of Systems and Control; Baillieul, J., Samad, T., Eds.; Springer: Cham, Switzerland, 2021. [Google Scholar]
- Saadvandi, M. Passivity Preserving Model Reduction and Selection of Spectral Zeros. Master’s Thesis, Royal Institute of Technology KTH, Stockholm, Sweden, 2008. [Google Scholar]
- Antoulas, A.C.; Ionutiu, R.; Martins, N.; ter Maten, E.J.W.; Mohaghegh, K.; Pulch, R.; Rommes, J.; Saadvandi, M.; Striebel, M. Model order reduction: Methods, concepts and properties. In Coupled Multiscale Simulation and Optimization in Nanoelectronics; Springer: Berlin/Heidelberg, Germany, 2015; pp. 159–265. [Google Scholar]








| Order r | AbEBT | AbEPRBT | AbEMRLBT | (AbEMRLBT/AbEBT)% | (AbEMRLBT/AbEPRBT)% | Proposed Error |
|---|---|---|---|---|---|---|
| 1 | 23.78220 × 10−1 | 23.15991 × 10−1 | 4.643264 × 10−1 | 19.524115 | 20.04871 | 5.496241 × 10−1 |
| 2 | 4.266310 × 10−1 | 7.612429 × 10−1 | 1.059499 × 10−1 | 24.834084 | 13.91801 | 1.369536 × 10−1 |
| 3 | 4.681724 × 10−2 | 6.319774 × 10−2 | 0.9515981 × 10−2 | 20.325805 | 15.05747 | 3.550382 × 10−2 |
| 4 | 4.583141 × 10−2 | 9.715357 × 10−2 | 1.163701 × 10−2 | 25.390905 | 11.97795 | 1.555651 × 10−2 |
| 5 | 5.654912 × 10−3 | 4.922613 × 10−3 | 1.289766 × 10−3 | 22.807888 | 26.20084 | 3.180862 × 10−3 |
| 6 | 3.866860 × 10−3 | 8.780551 × 10−3 | 1.068293 × 10−3 | 27.626886 | 12.16658 | 1.577823 × 10−3 |
| 7 | 7.330208 × 10−4 | 6.161054 × 10−4 | 1.672907 × 10−4 | 22.822095 | 27.15294 | 4.904308 × 10−4 |
| 8 | 7.915596 × 10−4 | 18.98488 × 10−4 | 2.246624 × 10−4 | 28.382247 | 11.83375 | 2.639496 × 10−4 |
| 9 | 10.10776 × 10−5 | 22.49021 × 10−5 | 2.733811 × 10−5 | 27.046655 | 12.15556 | 6.256161 × 10−5 |
| 10 | 5.566608 × 10−5 | 8.014040 × 10−5 | 1.342566 × 10−5 | 24.118206 | 16.75267 | 2.535941 × 10−5 |
| 11 | 26.68909 × 10−6 | 63.19410 × 10−6 | 7.550555 × 10−6 | 28.290792 | 11.9482 | 8.352720 × 10−6 |
| 12 | 7.920579 × 10−7 | 9.672938 × 10−7 | 1.945731 × 10−7 | 24.565515 | 20.1152 | 5.337477 × 10−7 |
| 13 | 7.153312 × 10−7 | 17.45577 × 10−7 | 2.051143 × 10−7 | 28.674032 | 11.75052 | 2.116865 × 10−7 |
| 14 | 4.160653 × 10−15 | 4.424140 × 10−15 | 1.708269 × 10−15 | 41.057714 | 38.61245 | 2.342412 × 10−9 |
| Order r | ReEBT | ReEPRBT | ReEMRLBT | (ReEMRLBT/ReEBT)% | (ReEMRLBT/ReEPRBT)% |
|---|---|---|---|---|---|
| 1 | 4.756440 × 10−1 | 4.631982 × 10−1 | 0.9286528 × 10−1 | 19.524115 | 20.04871 |
| 2 | 8.532620 × 10−2 | 15.22486 × 10−2 | 2.118998 × 10−2 | 24.834084 | 13.91801 |
| 3 | 9.363448 × 10−3 | 12.63955 × 10−3 | 1.903196 × 10−3 | 20.325803 | 15.05747 |
| 4 | 9.166282 × 10−3 | 19.43071 × 10−3 | 2.327401 × 10−3 | 25.390895 | 11.97795 |
| 5 | 11.30982 × 10−4 | 9.845227 × 10−4 | 2.579532 × 10−4 | 22.807896 | 26.20084 |
| 6 | 7.733720 × 10−4 | 17.56110 × 10−4 | 2.136586 × 10−4 | 27.626886 | 12.16658 |
| 7 | 14.66042 × 10−5 | 12.32211 × 10−5 | 3.345814 × 10−5 | 22.822088 | 27.15293 |
| 8 | 15.83119 × 10−5 | 37.96976 × 10−5 | 4.493248 × 10−5 | 28.382250 | 11.83375 |
| 9 | 20.21553 × 10−6 | 44.98042 × 10−6 | 5.467622 × 10−6 | 27.046642 | 12.15556 |
| 10 | 11.13322 × 10−5 | 16.02808 × 10−6 | 2.685133 × 10−6 | 24.118207 | 16.75268 |
| 11 | 5.337817 × 10−6 | 12.63882 × 10−6 | 1.510111 × 10−6 | 28.290798 | 11.9482 |
| 12 | 15.84116 × 10−8 | 19.34588 × 10−8 | 3.891463 × 10−8 | 24.565518 | 20.1152 |
| 13 | 14.30662 × 10−8 | 34.91154 × 10−8 | 4.102287 × 10−8 | 28.674047 | 11.75052 |
| 14 | 8.321307 × 10−16 | 8.848280 × 10−16 | 3.416538 × 10−16 | 41.057709 | 38.61245 |
| μi | HSV of MRLBS | μi | HSV of MRLBS |
|---|---|---|---|
| 1 | 3.5536 × 10−1 | 9 | 1.0069 × 10−4 |
| 2 | 2.0634 × 10−1 | 10 | 1.8601 × 10−5 |
| 3 | 5.0725 × 10−2 | 11 | 8.5033 × 10−6 |
| 4 | 9.9737 × 10−3 | 12 | 3.9095 × 10−6 |
| 5 | 6.1878 × 10−3 | 13 | 1.6103 × 10−7 |
| 6 | 8.0152 × 10−4 | 14 | 1.0467 × 10−7 |
| 7 | 5.4370 × 10−4 | 15 | 1.1712 × 10−9 |
| 8 | 1.1324 × 10−4 |
| Parameter | G | G_PRBT | G_BT | G_MRLBT |
|---|---|---|---|---|
| Transient Time (s) | 62.79 | 62.13 | 62.41 | 48.71 |
| Settling Time (s) | 55.63 | 55.04 | 55.30 | 15.65 |
| Settling Min (s) | 1.14 | 1.14 | 1.14 | 4.39 |
| Overshoot (s) | 50.00 | 50.20 | 50.08 | 4.18 |
Disclaimer/Publisher’s Note: The statements, opinions and data contained in all publications are solely those of the individual author(s) and contributor(s) and not of MDPI and/or the editor(s). MDPI and/or the editor(s) disclaim responsibility for any injury to people or property resulting from any ideas, methods, instructions or products referred to in the content. |
© 2024 by the authors. Licensee MDPI, Basel, Switzerland. This article is an open access article distributed under the terms and conditions of the Creative Commons Attribution (CC BY) license (https://creativecommons.org/licenses/by/4.0/).
Share and Cite
Dao, H.-D.; Nguyen, T.-T.; Vu, N.-K.; Vu, H.-S.; Nguyen, H.-Q. Mixed Riccati–Lyapunov Balanced Truncation for Order Reduction of Electrical Circuit Systems. Energies 2024, 17, 2661. https://doi.org/10.3390/en17112661
Dao H-D, Nguyen T-T, Vu N-K, Vu H-S, Nguyen H-Q. Mixed Riccati–Lyapunov Balanced Truncation for Order Reduction of Electrical Circuit Systems. Energies. 2024; 17(11):2661. https://doi.org/10.3390/en17112661
Chicago/Turabian StyleDao, Huy-Du, Thanh-Tung Nguyen, Ngoc-Kien Vu, Hong-Son Vu, and Hong-Quang Nguyen. 2024. "Mixed Riccati–Lyapunov Balanced Truncation for Order Reduction of Electrical Circuit Systems" Energies 17, no. 11: 2661. https://doi.org/10.3390/en17112661
APA StyleDao, H.-D., Nguyen, T.-T., Vu, N.-K., Vu, H.-S., & Nguyen, H.-Q. (2024). Mixed Riccati–Lyapunov Balanced Truncation for Order Reduction of Electrical Circuit Systems. Energies, 17(11), 2661. https://doi.org/10.3390/en17112661

