Simulation Analysis of a Methanol Fueled Marine Engine for the Ship Decarbonization Assessment
Abstract
1. Introduction
1.1. Marine Alternative Fuels
1.2. Marine Methanol ICEs: State of the Art
2. Materials and Methods
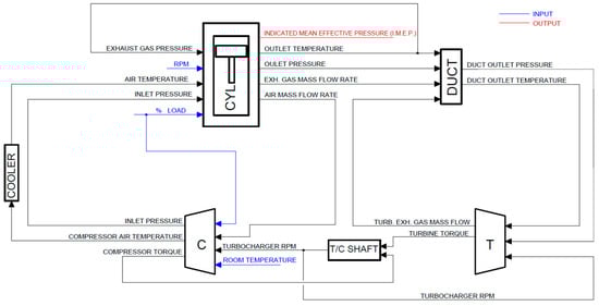
2.1. General Modeling of the SI Engine
2.2. Methanol SI Engine Simulation
2.2.1. Air/Fuel Ratio
2.2.2. Ignition and Combustion
3. Results
4. Discussion
5. Conclusions
Author Contributions
Funding
Data Availability Statement
Conflicts of Interest
Abbreviations
| BMEP | Brake Mean Effective Pressure |
| CFD | Computational Fluid Dynamics |
| CFe | Carbon emission Factors |
| CI | Compression ignition |
| CO2e | equivalent CO2 |
| DF | Dual Fuel |
| ETS | Emission Trading Scheme |
| FC | Fuel cell |
| FMEP | Friction Mean Effective Pressure |
| GHG | Greenhouse Gas |
| GT | Gross Tonnage |
| GWP | Global Warming Potential |
| ICE | Internal Combustion Engine |
| IMEP | Indicated Mean Effective Pressure |
| IMO | International Maritime Organization |
| LNG | Liquified Natural Gas |
| MARPOL | International Convention for the Prevention of Pollution from Ships |
| MCR | Maximum Continuous Rating |
| MDO | Marine Diesel Oil |
| NG | Natural Gas |
| PEL | Permissible Exposure Limit |
| PFI | Port Fuel Injection |
| PM | Particulate Matter |
| SI | Spark Ignition |
| TC | Turbocharger |
| TDC | Top Dead Center |
| TtW | Tank-to-Wake |
| WtT | Well-to-Tank |
| WtW | Well-to-Wake |
References
- International Maritime Organization (IMO). Amendments to the Annex of the Protocol of 1997 to Amend the International Convention International Convention for the Prevention of Pollution from Ships, 1973, as Modified by the Protocol of 1978 Relating Thereto (Revised MARPOL Annex VI), MPEC 58/23/Add.1, Annex 13, 1:45; International Maritime Organization: London, UK, 2008. [Google Scholar]
- Lee, J.; Kim, J.; Kim, B.; Jang, J.; McStay, P.; Raptakis, G.; Fitzpatrick, P. Full scale applications of air lubrication for reduction of ship frictional resistance. In Proceedings of the SNAME Maritime Convention, SMC 2017, Houston, TX, USA, 24–28 October 2017. [Google Scholar]
- Altosole, M.; Laviola, M.; Trucco, A.; Sabattini, A. Waste heat recovery systems from marine diesel engines: Comparison between new design and retrofitting solutions. In Proceedings of the 2nd International Conference on Maritime Technology and Engineering, MARTECH 2014, Lisbon, Portugal, 15–17 October 2014; Soares, C.G., Santos, T.A., Eds.; CRC Press: Boca Raton, FL, USA, 2015; pp. 735–742. [Google Scholar] [CrossRef]
- Altosole, M.; Campora, U.; Donnarumma, S.; Zaccone, R. Simulation techniques for design and control of a waste heat recovery system in marine natural gas propulsion applications. J. Mar. Sci. Eng. 2019, 7, 397. [Google Scholar] [CrossRef]
- Altosole, M.; Benvenuto, G.; Zaccone, R.; Campora, U. Comparison of saturated and superheated steam plants for waste-heat recovery of dual-fuel marine engines. Energies 2020, 13, 985. [Google Scholar] [CrossRef]
- Barone, G.; Buonomano, A.; Forzano, C.; Palombo, A.; Vicidomini, M. Sustainable energy design of cruise ships through dynamic simulations: Multi-objective optimization for waste heat recovery. Energy Convers. Manag. 2020, 221, 113166. [Google Scholar] [CrossRef]
- Altosole, M.; Campora, U.; Mocerino, L.; Zaccone, R. An Innovative variable layout steam plant for waste heat recovery from marine dual-fuel engines. Ships Offshore Struct. 2023, 18, 429–437. [Google Scholar] [CrossRef]
- Ono, Y.; Shiraishi, K.; Sakamoto, K.; Ito, Y. Development of new turbocharger technologies for energy efficiency and low emissions. In Proceedings of the 10th International Conference on Turbochargers and Turbocharging, London, UK, 15–16 May 2012; pp. 365–374. [Google Scholar] [CrossRef]
- Altosole, M.; Benvenuto, G.; Campora, U.; Silvestro, F.; Terlizzi, G. Efficiency improvement of a natural gas marine engine using a hybrid turbocharger. Energies 2018, 11, 1924. [Google Scholar] [CrossRef]
- Altosole, M.; Balsamo, F.; Campora, U.; Mocerino, L. Marine dual-fuel engines power smart management by hybrid turbocharging systems. J. Mar. Sci. Eng. 2021, 9, 663. [Google Scholar] [CrossRef]
- Balsamo, F.; Capasso, C.; Coppola, T.; Micoli, L.; Russo, R.; Veneri, O. A case study on High-Temperature Fuel Cells for Hybrid electric Ship Propulsion. In Proceedings of the 2023 IEEE International Conference on Electrical Systems for Aircraft, Railway, Ship Propulsion and Road Vehicles and International Transportation Electrification Conference, ESARS-ITEC 2023, Venice, Italy, 29–31 March 2023. [Google Scholar] [CrossRef]
- Altosole, M.; Balsamo, F.; Mocerino, L.; Scamardella, F. Methanol fuelled hybrid propulsion system for a charter yacht. In Proceedings of the 8th International Conference on Clean Electrical Power Renewable Energy Resources Impact, Sicily, Italy, 27–29 June 2023; pp. 810–817. [Google Scholar] [CrossRef]
- Methanol Institute. Marine Methanol: Future-Proof Shipping Fuel; Technical Report; Methanol Institute: Washington, DC, USA, 2023. [Google Scholar]
- Lee, H.; Jung, I.; Roh, G.; Na, Y.; Kang, H. Comparative analysis of on-board methane and methanol reforming systems combined with HT-PEM fuel cell and CO2 capture/liquefaction system for hydrogen fueled ship application. Energies 2020, 13, 224. [Google Scholar] [CrossRef]
- Ammar, N.R. An environmental and economic analysis of methanol fuel for a cellular container ship. Transp. Res. Part D 2019, 69, 66–76. [Google Scholar] [CrossRef]
- Altosole, M.; Benvenuto, G.; Campora, U.; Laviola, M.; Zaccone, R. Simulation and Performance Comparison Between Diesel and Natural Gas Engines for Marine Applications. Proc. IMechE Part M J. Eng. Marit. Environ. 2017, 231, 690–704. [Google Scholar] [CrossRef]
- Acanfora, M.; Altosole, M.; Balsamo, F.; Campora, U.; Scamardella, F. A Methanol Fueled Marine Engine Simulator for Fast Craft Applications. Progress in Marine Science and Technology. In Proceedings of the 13th Symposium on High Speed Marine Vehicles, HSMV 2023, Naples, Italy, 23–25 October 2023; Volume 7, pp. 117–125. [Google Scholar] [CrossRef]
- Mobarra, M.; Rezkallah, M.; Ilinca, A. Variable Speed Diesel Generators: Performance and Characteristic Comparison. Energies 2022, 15, 592. [Google Scholar] [CrossRef]
- Scamardella, F.; Zamboni, G.; Canepa, E.; Gualeni, P.; Macocco, A. Ammonia as an alternative fuel for large passenger ships: Benefits and challenges. In Proceedings of the 20th International Conference on Ship and Maritime Research, NAV 2022, La Spezia, Italy, 15–17 June 2022; Rizzuto, E., Ruggiero, V., Eds.; IOS Press: Amsterdam, The Netherlands, 2022. [Google Scholar] [CrossRef]
- Methanol Institute. Methanol Safe Handling Manual, 4th ed.; Methanol Institute: Washington, DC, USA, 2017. [Google Scholar]
- European Maritime Safety Agency. Update on Potential of Biofuels in Shipping; EMSA: Lisbon, Portugal, 2022. [Google Scholar]
- Zamboni, G.; Scamardella, F.; Gualeni, P.; Canepa, E. Comparative analysis among different alternative fuels for ship propulsion in a well-to-wake perspective. Heliyon 2024, 10, e26016. [Google Scholar] [CrossRef] [PubMed]
- Verhelst, S.; Turner, J.W.G.; Sileghem, L.; Vancoillie, J. Methanol as a fuel for internal combustion engines. Prog. Energy Combust. Sci. 2019, 70, 43–88. [Google Scholar] [CrossRef]
- Leng, X.; Deng, Y.; He, D.; Wei, S.; He, Z.; Wang, Q.; Long, W.; Zhu, S. A preliminary numerical study on the use of methanol as a Mono-Fuel for a large bore marine engine. Fuel 2022, 310, 122309. [Google Scholar] [CrossRef]
- Vancoillie, J.; Demuynck, J.; Sileghem, L.; Van De Ginste, M.; Verhelst, S.; Brabant, L.V.H.L.; Van Hoorebeke, L. The potential of methanol as a fuel for flex-fuel and dedicated spark-ignition engines. Appl. Energy 2013, 102, 140–149. [Google Scholar] [CrossRef]
- Güdden, A.; Pischinger, S.; Geiger, J.; Heuser, B.; Müther, M. An experimental study on methanol as a fuel in large bore high speed engine applications–Port fuel injected spark ignited combustion. Fuel 2021, 303, 121292. [Google Scholar] [CrossRef]
- Tadros, M.; Ventura, M.; Guedes Soares, C. Optimization of the Performance of Marine Diesel Engines to Minimize the Formation of SOx Emissions. J. Mar. Sci. Appl. 2020, 19, 473–484. [Google Scholar] [CrossRef]
- Mocerino, L.; Soares, C.G.; Rizzuto, E.; Balsamo, F.; Quaranta, F. Validation of an Emission Model for a Marine Diesel Engine with Data from Sea Operations. J. Mar. Sci. Appl. 2021, 20, 534–545. [Google Scholar] [CrossRef]
- Acanfora, M.; Altosole, M.; Balsamo, F.; Micoli, L.; Campora, U. Simulation Modeling of a Ship Propulsion System in Waves for Control Purposes. J. Mar. Sci. Eng. 2022, 10, 36. [Google Scholar] [CrossRef]
- Rolls-Royce. Diesel and Gas Engines Generator Set and Propulsion Systems. Report; Bergen Engines AS: Bergen, Norway, 2015. [Google Scholar]
- Benvenuto, G.; Campora, U. A computer model for the dynamic simulation of turbocharged diesel engine. In Proceedings of the 1st International Conference on Control and Diagnostics in Automotive Applications, Genoa, Italy, 3–4 October 1996. [Google Scholar]
- Nelissen, D.; Kleijn, A.; Faber, J. FuelEU Maritime and EU ETS Sound Incentives for the Fuel Choice? CE Delft: Delft, The Netherlands, February 2022; Available online: www.cedelft.eu (accessed on 10 January 2024).
- Elkafas, A.G.; Shouman, M.R. Assessment of Technical and Environmental Performance of Marine Alternative fuels for Container Ships. Arab Academy for Science Technology and Maritime Transport College of Maritime Transport and Technology. Res. Sq. 2021, preprint. [Google Scholar] [CrossRef]








| Anglo Belgian Corporation (ABC) | DZC dual-fuel engine portfolio, with 6- and 8-cylinder inline engines and 12- and 16-cylinder V-engines, covers a power range from 600 kW up to 10.4 MW. |
| Caterpillar | Cat® 3500E-series marine engines can be modified to run on methanol. |
| China State Shipbuilding Corporation (CSSC) Power Research lnstitute, Anqing CSSC Diesel Engine, and Hudong Heavy Machinery | Developed the 6M320DM methanol fuel engine. The engine can be adapted to various ships of up to 20,000 GT. |
| Hyundai Heavy Industries—Engine and Machinery Division (HHI·EMD) | A total of 14 methanol dual-fuel, two-stroke engines delivered, and 17 more on order (as of February 2022). |
| MAN Energy Solutions | ME-LGIM two-stroke dual-fuel methanol engines have accumulated more than 145,000 h of operation. Four-stroke methanol engines are currently being developed. |
| MTU Marine solutions (by Rolls-Royce) | Launching methanol engines based on the MTU Series 4000 from 2026, and fuel cells from 2028. |
| Nordhavn Power Solutions A/S | Offers 13 L/6-cylinder and 16 L/8-cylinder marine methanol engines, in partnership with ScandiNAOS. |
| Wartsila | W32 and W46 methanol engines already in the market draw from the experience accumulated since 2015 from the conversion of a Wartsila Z40 engine and its operation in the RoPax vessel “Stena Germanica”. Additionally, two-stroke engine retrofits in collaboration with MSC. |
| WinGD and HSD Engine | Methanol fueled engines under development in a joint development program. It aims to launch the first engines by 2024. |
| Data | Natural Gas | Methanol |
|---|---|---|
| Carbon content (wt%) | 75 | 37.5 |
| Lower heating value (kJ/kg) | 49,000 | 20,100 |
| Stoichiometric air/fuel ratio | 17.5 | 6.5 |
Disclaimer/Publisher’s Note: The statements, opinions and data contained in all publications are solely those of the individual author(s) and contributor(s) and not of MDPI and/or the editor(s). MDPI and/or the editor(s) disclaim responsibility for any injury to people or property resulting from any ideas, methods, instructions or products referred to in the content. |
© 2024 by the authors. Licensee MDPI, Basel, Switzerland. This article is an open access article distributed under the terms and conditions of the Creative Commons Attribution (CC BY) license (https://creativecommons.org/licenses/by/4.0/).
Share and Cite
Altosole, M.; Balsamo, F.; Campora, U.; Fasano, E.; Scamardella, F. Simulation Analysis of a Methanol Fueled Marine Engine for the Ship Decarbonization Assessment. Energies 2024, 17, 2498. https://doi.org/10.3390/en17112498
Altosole M, Balsamo F, Campora U, Fasano E, Scamardella F. Simulation Analysis of a Methanol Fueled Marine Engine for the Ship Decarbonization Assessment. Energies. 2024; 17(11):2498. https://doi.org/10.3390/en17112498
Chicago/Turabian StyleAltosole, Marco, Flavio Balsamo, Ugo Campora, Ernesto Fasano, and Filippo Scamardella. 2024. "Simulation Analysis of a Methanol Fueled Marine Engine for the Ship Decarbonization Assessment" Energies 17, no. 11: 2498. https://doi.org/10.3390/en17112498
APA StyleAltosole, M., Balsamo, F., Campora, U., Fasano, E., & Scamardella, F. (2024). Simulation Analysis of a Methanol Fueled Marine Engine for the Ship Decarbonization Assessment. Energies, 17(11), 2498. https://doi.org/10.3390/en17112498

