Non-Integrated and Integrated On-Board Battery Chargers (iOBCs) for Electric Vehicles (EVs): A Critical Review
Abstract
1. Introduction
2. Trends in EV Sales, Voltage Levels, Power Ratings, and Relevant Standards
3. On-Board Battery Chargers (OBCs)
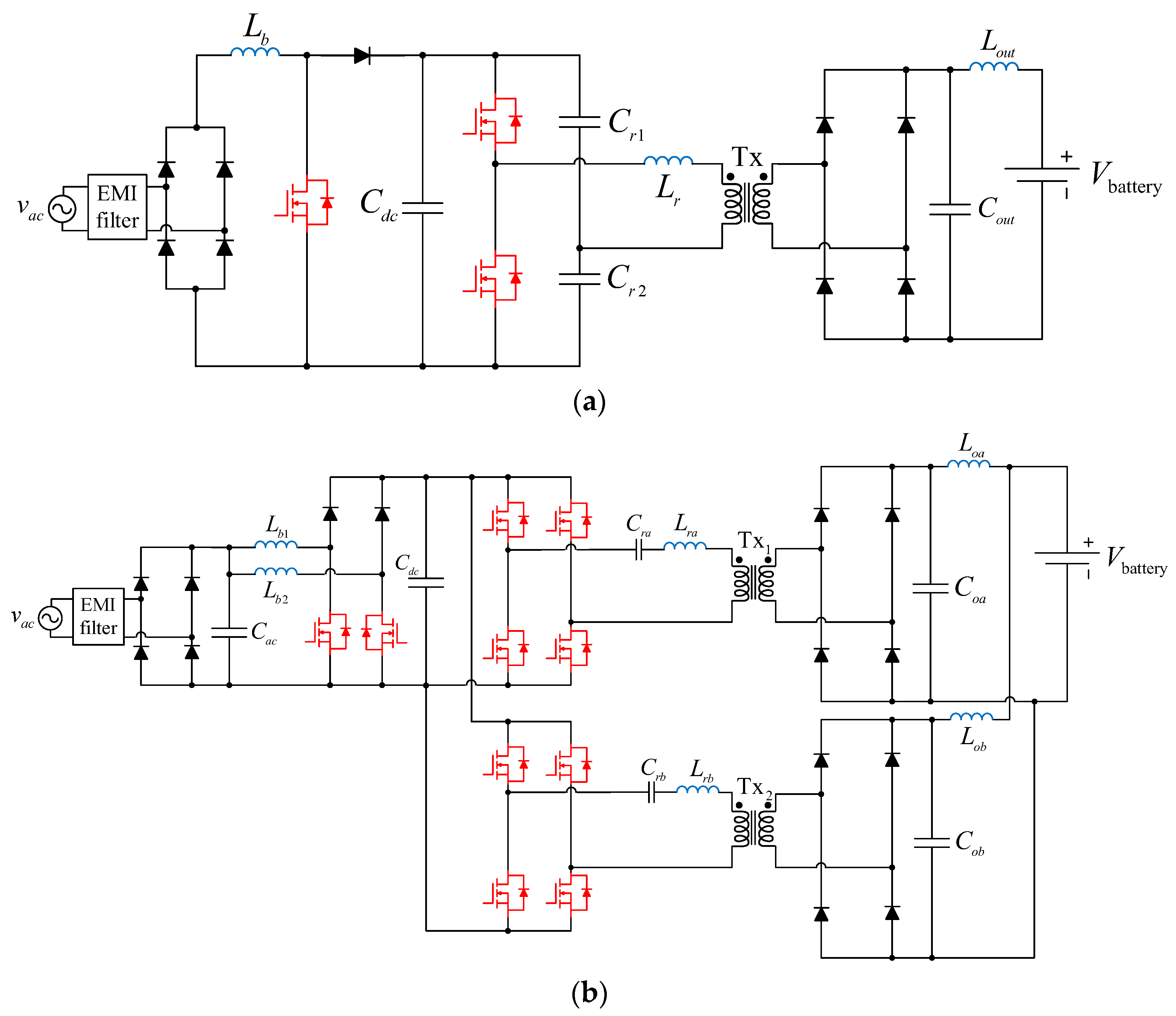
3.1. Non-Integrated OBCs
3.1.1. Two-Stage Non-Integrated OBCs
AC-DC PFC Converter Topologies for Two-Stage Non-Integrated OBCs
DC-DC Converter Topologies for Two-Stage Non-Integrated OBCs
Two-Stage Non-Integrated OBC Solutions
3.1.2. Single-Stage Non-Integrated Isolated OBC Solutions


| Ref. | Topology | Output Voltage Range | Switching Frequency | Power Range | Power Density | Bidirectional | Isolated (IEC 60950) | Components | η | Year |
|---|---|---|---|---|---|---|---|---|---|---|
| [133] | Single-phase and three-phase totem pole | 460–800 Vdc | 150–300 kHz | 11 kW | 4.5 kW/L | Yes | Yes | 30 switches 12 inductors 3 capacitors 3 transformers | 97.1% | 2021 |
| [137] | Three-phase matrix-type DAB | 400 Vdc | 31 kHz | 8 kW | 4 kW/L | Yes | Yes | 16 switches 1 inductor 1 capacitor 1 transformer | 99% (98.7% at 10% input supply) | 2019 |
| [139] | Interleaved boost DAB | 700 Vdc | 150 kHz | 3.7 kW | 7.3 kW/L | Yes | Yes | 10 switches 1 capacitor 1 transformer | 97.1% | 2022 |
| [140] | Three-phase modular FB and DAB | ~420 Vdc | 500 kHz | 22 kW | 3.3 kW/L | Yes | Yes | 36 switches 3 inductors 6 capacitors 3 transformers | >97% | 2017 |
| [142] | DAB | 400 Vdc | 500 kHz | 7.2 kW | 3.3 kW/L | Yes | Yes | 22 switches 1 inductor 7 capacitors 1 transformer | >97% | 2017 |
| [143] | Series-resonant DAB | 48 Vdc | 50–300 kHz | 10 kW | 3 kW/L | Yes | Yes | 36 switches 9 inductors 12 capacitors 3 transformers | ~95–97.2% | 2022 |
4. Integrated OBCs
4.1. Propulsion System iOBCs
4.1.1. Multi-Winding Propulsion System iOBCs
4.1.2. Reconfiguration of Motor Windings
4.1.3. Access to the Motor’s Neutral Point iOBCs
4.1.4. Split Motor Windings iOBCs
4.1.5. Add-on Interface iOBC
4.1.6. Traction Inverter (Motor Drive) iOBCs
4.2. Auxiliary Power Module (APM) iOBCs
4.3. Wireless iOBCs

| Integration Type | Ref. | Power Converter Topology | Power Supply | OBC Power Range | Bidirectional | η | Year | |
|---|---|---|---|---|---|---|---|---|
| Propulsion system iOBC | Multi-winding (multi-phase) propulsion system | [37] | Three sets of voltage source inverters | Three-phase | ~5.5 kW | Yes | 99% | 2018 |
| [43] | Two sets of voltage source inverters | Three-phase | ~6.6 kW | No | N/A | 2018 | ||
| Reconfiguration of motor windings | [44] | Three-phase FB | Three-phase | 12.5–20 kW | Yes | ~80% | 2011 | |
| Access to the motor’s neutral point | [148] | Interleaved three-phase FB + Buck | Single-phase | ~3.3 kW | Yes | ~91% | 2015 | |
| Split motor winding | [55] | Boost + two three-phase PFCs (HB) | Single-phase/ three-phase | N/A | Yes | N/A | 2010 | |
| Traction inverter | [65] | Three-phase FB Boost | Single-phase | 4 kW | Yes | ~90% | 2012 | |
| [68] | FB rectifier + Buck | Single-phase | 2.2 kW | No | N/A | 2012 | ||
| [69] | FB rectifier + Buck–Boost | Single-phase | 8.4 kW | No | ~96% | 2013 | ||
| [71] | FB rectifier + three-level Boost | Single-phase | 2 kW | No | ~96% | 2015 | ||
| [72] | Bridgeless Buck–Boost | Single-phase | 0.75 kW | No | 93% | 2014 | ||
| [67] | Bridgeless Buck–Boost | Single-phase | 7 kW | No | ~97% | 2011 | ||
| [73] | SEPIC-ZETA | Single-phase | 85 W | No | 94.7% | 2017 | ||
| [74] | ZETA-based | Single-phase | 2 kW | No | ~95% | 2018 | ||
| [75] | Quasi-Z-source | Single-phase | 2.2 kW | Yes | N/A | 2019 | ||
| APM iOBC | [159] | CLLC resonant + interleaved totem-pole + interleaved Buck | Three-phase | 21 kW | Yes | 97.5% | 2022 | |
| [157] | HB CLLC resonant + FB LLC resonant | Three-phase | 3.3 kW | Yes | 94% | 2017 | ||
5. Conclusions
Author Contributions
Funding
Data Availability Statement
Conflicts of Interest
References
- IEA. Global EV Outlook 2023: Catching Up with Climate Ambitions. 2023. Available online: https://iea.blob.core.windows.net/assets/dacf14d2-eabc-498a-8263-9f97fd5dc327/GEVO2023.pdf (accessed on 1 January 2024).
- Buberger, J.; Kersten, A.; Kuder, M.; Eckerle, R.; Weyh, T.; Thiringer, T. Total CO2-equivalent life-cycle emissions from commercially available passenger cars. Renew. Sustain. Energy Rev. 2022, 159, 112158. [Google Scholar] [CrossRef]
- Esfahani, F.N.; Darwish, A.; Williams, B.W. Power converter topologies for grid-tied solar photovoltaic (PV) powered electric vehicles (EVs)—A comprehensive review. Energies 2022, 15, 4648. [Google Scholar] [CrossRef]
- Bay, O.; Tran, M.T.; El Baghdadi, M.; Chakraborty, S.; Hegazy, O. A comprehensive review of gan-based bi-directional on-board charger topologies and modulation methods. Energies 2023, 16, 3433. [Google Scholar] [CrossRef]
- Karneddi, H.; Ronanki, D.; Fuentes, R.L. Technological overview of onboard chargers for electrified automotive transportation. In Proceedings of the IECON 2021—47th Annual Conference of the IEEE Industrial Electronics Society, Toronto, ON, Canada, 13–16 October 2021; pp. 1–6. [Google Scholar]
- Wouters, H.; Martinez, W. Bidirectional On-Board Chargers for Electric Vehicles: State-of-the-Art and Future Trends. IEEE Trans. Power Electron. 2023, 39, 693–716. [Google Scholar] [CrossRef]
- Dusmez, S.; Ye, Z. Designing a 1kW GaN PFC stage with over 99% efficiency and 155W/in 3 power density. In Proceedings of the 2017 IEEE 5th Workshop on Wide Bandgap Power Devices and Applications (WiPDA), Albuquerque, NM, USA, 30 October –1 November 2017; pp. 225–232. [Google Scholar]
- Wyss, J.; Biela, J. Optimized bidirectional PFC rectifiers and inverters-Si vs. SiC vs. GaN in 2L and 3L topologies. In Proceedings of the 2018 International Power Electronics Conference (IPEC-Niigata 2018-ECCE Asia), Niigata, Japan, 20–24 May 2018; pp. 3734–3741. [Google Scholar]
- Kouchaki, A.; Nymand, M. High efficiency three-phase power factor correction rectifier using SiC switches. In Proceedings of the 2017 19th European Conference on Power Electronics and Applications (EPE’17 ECCE Europe), Warsaw, Poland, 11–14 September 2017; p. P-1. [Google Scholar]
- Texas Instruments. GaN-Based, 6.6-kW, Bidirectional, Onboard Charger. Available online: https://www.ti.com/tool/PMP22650 (accessed on 10 January 2024).
- Vetrivelan, A.; Chen, Z.; Huang, Q.; Persson, E.; Huang, A.Q. Design and implementation of A 5kW 99.2% efficient high-density gan-based totem pole interleaved bridgeless bidirectional PFC. In Proceedings of the 2021 IEEE Applied Power Electronics Conference and Exposition (APEC), Phoenix, AZ, USA, 14–17 June 2021; pp. 1843–1847. [Google Scholar]
- Wang, R.; Yuan, S.; Liu, C.; Guo, D.; Shao, X. A three-phase dual-output T-type three-level converter. IEEE Trans. Power Electron. 2022, 38, 1844–1859. [Google Scholar] [CrossRef]
- Texas Instruments. Tida-01606: 10-kW, Bidirectional Three-Phase Three-Level (T-Type) Inverter and PFC Reference Design. Available online: https://www.ti.com/tool/TIDA-01606 (accessed on 1 September 2023).
- Schweizer, M.; Kolar, J.W. Design and implementation of a highly efficient three-level T-type converter for low-voltage applications. IEEE Trans. Power Electron. 2012, 28, 899–907. [Google Scholar] [CrossRef]
- Reis, F.E.U.; Torrico-Bascope, R.P.; Tofoli, F.L.; Bezerra, L.D.S. Bidirectional three-level stacked neutral-point-clamped converter for electric vehicle charging stations. IEEE Access 2020, 8, 37565–37577. [Google Scholar] [CrossRef]
- Darwish, A.; Elgenedy, M.A. Current-Source Modular Medium-Voltage Grid-Connected System with High-Frequency Isolation for Photovoltaic Applications. IEEE Trans. Energy Convers. 2019, 34, 255–266. [Google Scholar] [CrossRef]
- Texas Instruments. Tida-010210: 11-kW, Bidirectional, Three-Phase ANPC Based on GAN Reference Design. Available online: https://www.ti.com/tool/TIDA-010210 (accessed on 10 August 2023).
- Anderson, J.A.; Zulauf, G.; Papamanolis, P.; Hobi, S.; Miric, S.M.; Kolar, J.W. Three levels are not enough: Scaling laws for multilevel converters in AC/DC applications. IEEE Trans. Power Electron. 2020, 36, 3967–3986. [Google Scholar] [CrossRef]
- Natarajan, R. Benefits of 650-Gan Fets for 800v-Power Converters. Available online: https://training.ti.com/benefits-650-v-ganfets-800-v-power-converters (accessed on 13 August 2023).
- Syu, Y.-L.; Liao, Z.; Fu, N.-T.; Liu, Y.-C.; Chiu, H.-J.; Pilawa-Podgurski, R.C. Design and control of a high power density three-phase flying capacitor multilevel power factor correction rectifier. In Proceedings of the 2021 IEEE Applied Power Electronics Conference and Exposition (APEC), Phoenix, AZ, USA, 14–17 June 2021; pp. 613–618. [Google Scholar]
- Vu, T.T.; Mickus, E. 99% efficiency 3-level bridgeless totem-pole PFC implementation with low-voltage silicon at low cost. In Proceedings of the 2019 IEEE Applied Power Electronics Conference and Exposition (APEC), Anaheim, CA, USA, 17–21 March 2019; pp. 2077–2083. [Google Scholar]
- Fernandez, K.; Iyer, R.; Ge, T.; Zou, J.; Chou, D.; Liao, Z.; Agarwal, V.; Gebrael, T.; Miljkovic, N.; Pilawa-Podgurski, R.C. A bidirectional liquid-cooled gan-based ac/dc flying capacitor multi-level converter with integrated startup and additively manufactured cold-plate for electric vehicle charging. In Proceedings of the 2022 IEEE Applied Power Electronics Conference and Exposition (APEC), Houston, TX, USA, 20–24 March 2022; pp. 548–554. [Google Scholar]
- Ashourloo, M.; Zaman, M.S.; Nasr, M.; Trescases, O. Opportunities for leveraging low-voltage GaN devices in modular multi-level converters for electric-vehicle charging applications. In Proceedings of the 2018 International Power Electronics Conference (IPEC-Niigata 2018-ECCE Asia), Niigata, Japan, 20–24 May 2018; pp. 2380–2385. [Google Scholar]
- Esfahani, F.N.; Darwish, A.; Massoud, A. PV/battery grid integration using a modular multilevel isolated SEPIC-based converter. Energies 2022, 15, 5462. [Google Scholar] [CrossRef]
- Esfahani, F.N.; Darwish, A.; Ma, X. Design and Control of a Modular Integrated On-Board Battery Charger for EV Applications with Cell Balancing. Batteries 2024, 10, 17. [Google Scholar] [CrossRef]
- De Doncker, R.W.; Divan, D.M.; Kheraluwala, M.H. A three-phase soft-switched high power density DC/DC converter for high power applications. In Proceedings of the Conference Record of the 1988 IEEE Industry Applications Society Annual Meeting, Pittsburgh, PA, USA, 2–7 October 1988; pp. 796–805. [Google Scholar]
- De Doncker, R.; Divan, D.; Kheraluwala, M. A three-phase soft-switched high-power-density DC/DC converter for high-power applications. IEEE Trans. Ind. Appl. 1991, 27, 63–73. [Google Scholar] [CrossRef]
- Cao, Y.; Ngo, M.; Burgos, R.; Ismail, A.; Dong, D. Switching transition analysis and optimization for bidirectional CLLC resonant DC transformer. IEEE Trans. Power Electron. 2021, 37, 3786–3800. [Google Scholar] [CrossRef]
- Darwish, A.; Elserougi, A.; Abdel-Khalik, A.S.; Ahmed, S.; Massoud, A.; Holliday, D.; Williams, B.W. A single-stage three-phase DC/AC inverter based on Cuk converter for PV application. In Proceedings of the 2013 7th IEEE GCC Conference and Exhibition (GCC), Doha, Qatar, 17–20 November 2013; pp. 384–389. [Google Scholar] [CrossRef]
- Jin, F.; Nabih, A.; Li, Q. Light load efficiency improvement of three phase CLLC resonant converter for on-board charger applications. In Proceedings of the 2022 IEEE Applied Power Electronics Conference and Exposition (APEC), Houston, TX, USA, 20–24 March 2022; pp. 1–7. [Google Scholar]
- Darwish, A.; Holliday, D.; Finney, S. Operation and control design of an input series–input-parallel–output-series conversion cheme for offshore DC wind systems. IET Power Electron. 2017, 10, 2092–2103. [Google Scholar] [CrossRef]
- Midhat, M. Paving theWay: Vehcile-to-Grid (V2G) Standards for Electric Vehicles. Available online: https://irecusa.org/wpcontent/uploads/2022/01/Paving_the_Way_V2G-Standards_Jan.2022_FINAL.pdf (accessed on 21 June 2023).
- Jaman, S.; Chakraborty, S.; Tran, D.-D.; Geury, T.; El Baghdadi, M.; Hegazy, O. Review on integrated on-board charger-traction systems: V2G topologies, control approaches, standards and power density state-of-the-art for electric vehicle. Energies 2022, 15, 5376. [Google Scholar] [CrossRef]
- Pradhan, R.; Keshmiri, N.; Emadi, A. On-board chargers for high-voltage electric vehicle powertrains: Future trends and challenges. IEEE Open J. Power Electron. 2023, 4, 189–207. [Google Scholar] [CrossRef]
- Khaligh, A.; D’Antonio, M. Global trends in high-power on-board chargers for electric vehicles. IEEE Trans. Veh. Technol. 2019, 68, 3306–3324. [Google Scholar] [CrossRef]
- Subotic, I.; Bodo, N.; Levi, E.; Jones, M. Onboard integrated battery charger for EVs using an asymmetrical nine-phase machine. IEEE Trans. Ind. Electron. 2014, 62, 3285–3295. [Google Scholar] [CrossRef]
- Raherimihaja, H.J.; Zhang, F.; Na, T.; Zhang, Q. An integrated charger using segmented windings of interior permanent magnet motor based on 3 phase with 9 windings. In Proceedings of the 2018 13th IEEE Conference on Industrial Electronics and Applications (ICIEA), Wuhan, China, 31 May–2 June 2018; pp. 565–570. [Google Scholar]
- Szenasy, I.; Varga, Z. Features of segment winded PMSM for a low voltage supply system. In Proceedings of the 2017 3rd International Conference on Control, Automation and Robotics (ICCAR), Nagoya, Japan, 24–26 April 2017; pp. 523–528. [Google Scholar]
- Abdel-Khalik, A.S.; Ahmed, S.; Massoud, A.M. A nine-phase six-terminal concentrated single-layer winding layout for high-power medium-voltage induction machines. IEEE Trans. Ind. Electron. 2016, 64, 1796–1806. [Google Scholar] [CrossRef]
- Bodo, N.; Levi, E.; Subotic, I.; Espina, J.; Empringham, L.; Johnson, C.M. Efficiency evaluation of fully integrated on-board EV battery chargers with nine-phase machines. IEEE Trans. Energy Convers. 2016, 32, 257–266. [Google Scholar] [CrossRef]
- Subotic, I.; Bodo, N.; Levi, E.; Jones, M.; Levi, V. Isolated chargers for evs incorporating six-phase machines. IEEE Trans. Ind. Electron. 2015, 63, 653–664. [Google Scholar] [CrossRef]
- Su, G.-J.; Tang, L. An integrated onboard charger and accessory power converter using WBG devices. In Proceedings of the 2015 IEEE Energy Conversion Congress and Exposition, Montreal, QC, Canada, 20–24 September 2015; pp. 6306–6313. [Google Scholar]
- Han, X.; Jiang, D.; Zou, T.; Qu, R.; Yang, K. Two-segment three-phase PMSM drive with carrier phase-shift PWM for torque ripple and vibration reduction. IEEE Trans. Power Electron. 2018, 34, 588–599. [Google Scholar] [CrossRef]
- Haghbin, S.; Lundmark, S.; Alakula, M.; Carlson, O. An Isolated high-power integrated charger in electrified-vehicle applications. IEEE Trans. Veh. Technol. 2011, 60, 4115–4126. [Google Scholar] [CrossRef]
- Subotic, I.; Bodo, N.; Levi, E. An ev drive-train with integrated fast charging capability. IEEE Trans. Power Electron. 2015, 31, 1461–1471. [Google Scholar] [CrossRef]
- Subotic, I.; Bodo, N.; Levi, E.; Dumnic, B.; Milicevic, D.; Katic, V. Overview of fast on-board integrated battery chargers for electric vehicles based on multiphase machines and power electronics. IET Electr. Power Appl. 2016, 10, 217–229. [Google Scholar] [CrossRef]
- Subotic, I.; Levi, E.; Jones, M.; Graovac, D. Multiphase integrated on-board battery chargers for electrical vehicles. In Proceedings of the 2013 15th European Conference on Power Electronics and Applications (EPE), Lille, France, 2–6 September 2013; pp. 1–10. [Google Scholar]
- Subotic, I.; Bodo, N.; Levi, E. Single-phase on-board integrated battery chargers for EVs based on multiphase machines. IEEE Trans. Power Electron. 2015, 31, 6511–6523. [Google Scholar] [CrossRef]
- Lee, S.J.; Sul, S.K. An integral battery charger for 4 wheel drive electric vehicle. In Proceedings of the 1994 IEEE Industry Applications Society Annual Meeting, Denver, CO, USA, 2–6 October 1994; Volume 1, pp. 448–452. [Google Scholar]
- Briane, B.; Loudot, S. Rapid Reversible Charging Device for an Electric Vehicle. U.S. Patent No. US8917046B2, 23 December 2014. [Google Scholar]
- Loudot, S.; Briane, B.; Ploix, O.; Vileneuve, A. Fast Charging Device for an Electric Vehicle. U.S. Patent U.S. 2012/0286740 A1, 15 November 2012. [Google Scholar]
- Singh, B.; Chandra, A.; Al-Haddad, K.; Pandey, A.; Kothari, D. A review of single-phase improved power quality ac~dc converters. IEEE Trans. Ind. Electron. 2003, 50, 962–981. [Google Scholar] [CrossRef]
- Ali, S.Q.; Mascarella, D.; Joos, G.; Coulombe, T.; Cyr, J.-M. Three phase high power integrated battery charger for plugin electric vehicles. In Proceedings of the 2015 IEEE Vehicle Power and Propulsion Conference (VPPC), Montreal, QC, Canada, 19–22 October 2015; pp. 1–6. [Google Scholar]
- Diab, M.S.; Elserougi, A.A.; Abdel-Khalik, A.S.; Massoud, A.M.; Ahmed, S. A nine-switch-converter-based integrated motor drive and battery charger system for EVs using symmetrical six-phase machines. IEEE Trans. Ind. Electron. 2016, 63, 5326–5335. [Google Scholar] [CrossRef]
- Lacroix, S.; Labouré, E.; Hilairet, M. An integrated fast battery charger for electric vehicle. In Proceedings of the 2010 IEEE Vehicle Power and Propulsion Conference, Lille, France, 1–3 September 2010; pp. 1–6. [Google Scholar]
- Haghbin, S.; Khan, K.; Zhao, S.; Alakula, M.; Lundmark, S.; Carlson, O. An integrated 20-kW motor drive and isolated battery charger for plug-in vehicles. IEEE Trans. Power Electron. 2012, 28, 4013–4029. [Google Scholar] [CrossRef]
- Sousa, L.D.; Silvestre, B.; Bouchez, B. A combined multiphase electric drive and fast battery charger for electric vehicles. In Proceedings of the IEEE Vehicle Power and Propulsion Conference, Lille, France, 1–3 September 2010; 2010; pp. 1–6. [Google Scholar]
- Sandulescu, A.P.; Meinguet, F.; Kestelyn, X.; Semail, E.; Bruyere, A. Flux-weakening operation of open-end winding drive integrating a cost-effective high-power charger. IET Electr. Syst. Transp. 2013, 3, 10–21. [Google Scholar] [CrossRef]
- Haghbin, S.; Carlson, O. Integrated motor drive and non-isolated battery charger based on the split-phase PM motors for plug-in vehicles. J. Eng. 2014, 2014, 275–283. [Google Scholar] [CrossRef]
- Bruyere, A.; De Sousa, L.; Bouchez, B.; Sandulescu, P.; Kestelyn, X.; Semail, E. A multiphase traction/fast-battery-charger drive for electric or plug-in hybrid vehicles: Solutions for control in traction mode. In Proceedings of the 2010 IEEE Vehicle Power and Propulsion Conference (VPPC), Lille, France, 1–3 September 2010; pp. 1–7. [Google Scholar]
- Bruell, M.; Brockerhoff, P.; Pfeilschifter, F.; Feustel, H.-P.; Hackmann, W. Bidirectional charge- and traction-system. World Electr. Veh. J. 2016, 8, 237–248. [Google Scholar] [CrossRef]
- Sharma, S.; Aware, M.V.; Bhowate, A. Integrated battery charger for EV by using three-phase induction motor stator windings as filter. IEEE Trans. Transp. Electrif. 2020, 6, 83–94. [Google Scholar] [CrossRef]
- Shi, C.; Tang, Y.; Khaligh, A. A Three-phase integrated onboard charger for plug-in electric vehicles. IEEE Trans. Power Electron. 2017, 33, 4716–4725. [Google Scholar] [CrossRef]
- Khaligh; Tang, Y.; Shi, C. Integrated Onboard Chargers. U.S. Patent Appl No. 15/285,062, 4 October 2016. [Google Scholar]
- Khan, M.A.; Husain, I.; Sozer, Y. Integrated electric motor drive and power electronics for bidirectional power flow between the electric vehicle and DC or AC grid. IEEE Trans. Power Electron. 2013, 28, 5774–5783. [Google Scholar] [CrossRef]
- Anwar, S.; Zhang, W.; Wang, F.; Costinett, D.J. Integrated dc-dc converter design for electric vehicle powertrains. In Proceedings of the 2016 IEEE Applied Power Electronics Conference and Exposition (APEC), Long Beach, CA, USA, 20–24 March 2016; pp. 424–431. [Google Scholar]
- Lee, Y.-J.; Khaligh, A.; Emadi, A. Advanced integrated bidirectional AC/DC and DC/DC converter for plug-in hybrid electric vehicles. IEEE Trans. Veh. Technol. 2009, 58, 3970–3980. [Google Scholar] [CrossRef]
- Dusmez, S.; Khaligh, A. A novel low cost integrated on-board charger topology for electric vehicles and plug-in hybrid electric vehicles. In Proceedings of the 2012 Twenty-seventh annual IEEE Applied Power Electronics Conference and Exposition—APEC, Orlando, FL, USA, 5–9 February 2012; pp. 2611–2616. [Google Scholar]
- Dusmez, S.; Khaligh, A. A Compact and integrated multifunctional power electronic interface for plug-in electric vehicles. IEEE Trans. Power Electron. 2012, 28, 5690–5701. [Google Scholar] [CrossRef]
- Singh, A.K.; Pathak, M.K. Single-phase bidirectional ac/dc converter for plug-in electric vehicles with reduced conduction losses. IET Power Electron. 2018, 11, 140–148. [Google Scholar] [CrossRef]
- Tang, Y.; Zhu, D.; Jin, C.; Wang, P.; Blaabjerg, F. A three-level quasi-two-stage single-phase PFC converter with flexible output voltage and improved conversion efficiency. IEEE Trans. Power Electron. 2014, 30, 717–726. [Google Scholar] [CrossRef]
- Dusmez, S.; Khaligh, A. A charge-nonlinear-carrier-controlled reduced-part single-stage integrated power electronics interface for automotive applications. IEEE Trans. Veh. Technol. 2013, 63, 1091–1103. [Google Scholar] [CrossRef]
- Singh, A.K.; Pathak, M.K. Single-stage ZETA-SEPIC-based multifunctional integrated converter for plug-in electric vehicles. IET Electr. Syst. Transp. 2018, 8, 101–111. [Google Scholar] [CrossRef]
- Singh, A.K.; Pathak, M.K. A multi-functional single-stage power electronic interface for plug-in electric vehicles application. Electr. Power Components Syst. 2018, 46, 135–148. [Google Scholar] [CrossRef]
- Na, T.; Harbin Institute of Technology; Yuan, X.; Tang, J.; Hang, Q.Z. A review of on-board integrated electric vehicles charger and a new single-phase integrated charger. CPSS Trans. Power Electron. Appl. 2019, 4, 288–298. [Google Scholar] [CrossRef]
- Singh, A.K.; Pathak, M.K. A Comprehensive review of integrated charger for on-board battery charging applications of electric vehicles. In Proceedings of the 2018 IEEE 8th Power India International Conference (PIICON), Kurukshetra, India, 10–12 December 2018; pp. 1–6. [Google Scholar]
- El Kattel, M.B.; Mayer, R.; Ely, F.; Filho, B.d.J.C. Comprehensive review of battery charger structures of EVs and HEVs for levels 1–3. Int. J. Circuit Theory Appl. 2023, 51, 3514–3542. [Google Scholar] [CrossRef]
- Safayatullah; Elrais, M.T.; Ghosh, S.; Rezaii, R.; Batarseh, I. A comprehensive review of power converter topologies and control methods for electric vehicle fast charging applications. IEEE Access 2022, 10, 40753–40793. [Google Scholar] [CrossRef]
- J1772_201210; SAE Electric Vehicle and Plug in Hybrid Electric Vehicle Conductive Charge Coupler—SAE International. Available online: https://www.sae.org/standards/content/j1772_201210/ (accessed on 13 February 2024).
- IEC 62196-1:2022; Plugs, Socket-Outlets, Vehicle Connectors and Vehicle Inlets—Conductive Charging of Electric Vehicles Part 1. 2022. Available online: https://webstore.iec.ch/publication/59922 (accessed on 21 January 2024).
- GB/T 20234.1-2015; Connection Set for Conductive Charging of Electric Vehicles. 2015. Available online: https://www.cec.org.cn/ (accessed on 10 October 2023).
- EV Database. Available online: https://evdatabase.org/ (accessed on 15 May 2023).
- Suarez, C.; Martinez, W. Fast and ultra-fast charging for battery electric vehicles—A review. In Proceedings of the 2019 IEEE Energy Conversion Congress and Exposition (ECCE), Baltimore, MD, USA, 29 September–3 October 2019; pp. 569–575. [Google Scholar]
- Valente, M.; Wijekoon, T.; Freijedo, F.; Pescetto, P.; Pellegrino, G.; Bojoi, R. Integrated on-board ev battery chargers: New perspectives and challenges for safety improvement. In Proceedings of the 2021 IEEE Workshop on Electrical Machines Design, Control and Diagnosis (WEMDCD), Modena, Italy, 8–9 April 2021; pp. 349–356. [Google Scholar]
- Cirimele, V.; Torchio, R.; Villa, J.L.; Freschi, F.; Alotto, P.; Codecasa, L.; Di Rienzo, L. Uncertainty quantification for SAE J2954 compliant static wireless charge components. IEEE Access 2020, 8, 171489–171501. [Google Scholar] [CrossRef]
- Underwriter Laboratories. Ul 2202: Standard for Electric Vehicle (EV) Charging System Equipment. 2018. Available online: https://www.shopulstandards.com/ProductDetail.aspx--UniqueKey=20342 (accessed on 23 September 2023).
- IEC 62196-2:2016; Plugs, Socket-Outlets, Vehicle Connectors and Vehicle Inlets-Conductive Charging of Electric Vehicles—Part 2: Dimensional Compatibility and Interchangeability Requirements for A.C. Pin and Contacttube Accessories. International Electrotechnical Commission: Genva, Switzerland, 2016. Available online: https://webstore.iec.ch/publication/24204 (accessed on 6 May 2024).
- Standard IEC 62196; Plugs, Socket-Outlets, Vehicle Connectors and Vehicle Inlets-Conductive Charging of Electric Vehicles-Part 1, 2, 3. IEC: Geneva, Switzerland, 2014.
- SAE j1772-2001; SAE Electric Vehicle Conductive Charge Coupler. SAE: Hong Kong, China, 2001. Available online: https://www.sae.org/standards/content/j1772_200111/ (accessed on 6 May 2024).
- Gb/t 20234.1-2015; Connection set for conductive charging of electric vehicles–Part 1: General requirements. Standardization Administration of China: Beijing, China, 2015. Available online: http://webstore.spc.net.cn/produce/showonebook.asp?strid=76754 (accessed on 6 May 2024).
- Falvo, M.C.; Sbordone, D.; Bayram, I.S.; Devetsikiotis, M. EV charging stations and modes: International standards. In Proceedings of the 2014 International Symposium on Power Electronics, Electrical Drives, Automation and Motion, Ischia, Italy, 18–20 June 2014; pp. 1134–1139. [Google Scholar]
- Lu, M.H.; Jen, M.U. Safety design of electric vehicle charging equipment. World Electr. Veh. J. 2012, 5, 1017–1024. [Google Scholar] [CrossRef]
- IEC 60990:2016 RLV; Methods of Measurement of Touch Current and Protective Conductor Current. Edition 3. International Electrotechnical Commission (IEC): Geneva, Switzerland, 2016. Available online: https://webstore.iec.ch/publication/24974 (accessed on 6 May 2024).
- IEC 61851-1:2019; Electric Vehicle Conductive Charging System—Part 1: General Requirements. International Electrotechnical Commission (IEC): Geneva, Switzerland, 2019.
- Singh, B.; Singh, B.N.; Chandra, A.; Al-Haddad, K.; Pandey, A.; Kothari, D.P. A review of three-phase improved power quality AC–DC converters. IEEE Trans. Ind. Electron. 2004, 51, 641–660. [Google Scholar] [CrossRef]
- Mallik, A.; Khaligh, A. control of a three-phase boost PFC converter using a single DC-link voltage sensor. IEEE Trans. Power Electron. 2016, 32, 6481–6492. [Google Scholar] [CrossRef]
- Vollmaier, F.; Nain, N.; Huber, J.; Kolar, J.W.; Leong, K.K.; Pandya, B. Performance evaluation of future T-type pfc rectifier and inverter systems with monolithic bidirectional 600 V GaN switches. In Proceedings of the 2021 IEEE Energy Conversion Congress and Exposition (ECCE), Vancouver, BC, Canada, 10–14 October 2021; pp. 5297–5304. [Google Scholar]
- Kasper, M.J.; Anderson, J.A.; Deboy, G.; Li, Y.; Haider, M.; Kolar, J.W. Next generation GaN-based architectures: From 240W USB-C adapters to 11kW EV on-board chargers with ultra-high power density and wide output voltage range. In Proceedings of the PCIM Europe 2022, International Exhibition and Conference for Power Electronics, Intelligent Motion, Renewable Energy and Energy Management, Nuremberg, Germany, 10–12 May 2022; pp. 1–10. [Google Scholar]
- Huang, Q.; Ma, Q.; Liu, P.; Huang, A.Q.; de Rooij, M.A. 99% efficient 2.5-kW four-level flying capacitor multilevel GaN totem-pole PFC. IEEE J. Emerg. Sel. Top. Power Electron. 2021, 9, 5795–5806. [Google Scholar] [CrossRef]
- Pham, P.H.; Nabih, A.; Wang, S.; Li, Q. 11-kW High-frequency high-density bidirectional OBC with PCB winding magnetic design. In Proceedings of the 2022 IEEE Applied Power Electronics Conference and Exposition (APEC), Houston, TX, USA, 20–24 March 2022; pp. 1176–1181. [Google Scholar]
- Gadelrab, R.; Yang, Y.; Li, B.; Lee, F.; Li, Q. High-frequency high-density bidirectional EV charger. In Proceedings of the 2018 IEEE Transportation Electrification Conference and Expo (ITEC), Long Beach, CA, USA, 13–15 June 2018; pp. 687–694. [Google Scholar]
- Xuan, Y.; Yang, X.; Chen, W.; Liu, T.; Hao, X. A Three-level dual-active-bridge converter with blocking capacitors for bidirectional electric vehicle charger. IEEE Access 2019, 7, 173838–173847. [Google Scholar] [CrossRef]
- Agarwal, A.; Rastogi, S.K.; Bhattacharya, S. Performance evaluation of two-level to three-level three-phase dual active bridge (2l-3l dab3). In Proceedings of the 2022 IEEE Applied Power Electronics Conference and Exposition (APEC), Houston, TX, USA, 20–24 March 2022; pp. 361–368. [Google Scholar]
- Bu, Q.; Wen, H.; Shi, H.; Zhu, Y. A comparative review of high-frequency transient dc bias current mitigation strategies in dual-active-bridge DC–DC converters under phase-shift modulations. IEEE Trans. Ind. Appl. 2021, 58, 2166–2182. [Google Scholar] [CrossRef]
- Chorfi, I.; Alonso, C.; Monthéard, R.; Sutto, T. A GaN-based three-level dual active half bridge converter with active cancellation of the steady-state DC offset current. In Proceedings of the IECON 2022-48th Annual Conference of the IEEE Industrial Electronics Society, Brussels, Belgium, 17–20 October 2022; pp. 1–5. [Google Scholar]
- Friedemann, R.A.; Krismer, F.; Kolar, J.W. Design of a minimum weight dual active bridge converter for an airborne wind turbine system. In Proceedings of the 2012 Twenty-Seventh Annual IEEE Applied Power Electronics Conference and Exposition (APEC), Orlando, FL, USA, 5–9 February 2012; pp. 509–516. [Google Scholar]
- Liu, G.; Li, D.; Jang, Y.; Zhang, J. Over 300kHz GaN device based resonant bidirectional DCDC converter with integrated magnetics. In Proceedings of the 2016 IEEE Applied Power Electronics Conference and Exposition (APEC), Long Beach, CA, USA, 20–24 March 2016; pp. 595–600. [Google Scholar]
- Deng, J.; Li, S.; Hu, S.; Mi, C.C.; Ma, R. Design methodology of LLC resonant converters for electric vehicle battery chargers. IEEE Trans. Veh. Technol. 2013, 63, 1581–1592. [Google Scholar] [CrossRef]
- Jin, F.; Nabih, A.; Chen, C.; Chen, X.; Li, Q.; Lee, F.C. A high efficiency high density DC/DC converter for battery charger applications. In Proceedings of the 2021 IEEE Applied Power Electronics Conference and Exposition (APEC), Phoenix, AZ, USA, 14–17 June 2021; pp. 1767–1774. [Google Scholar]
- Jin, F.; Nabih, A.; Li, Z.; Li, Q. A single phase CLLC resonant converter with a novel matrix integrated transformer. In Proceedings of the 2022 IEEE Energy Conversion Congress and Exposition (ECCE), Detroit, MI, USA, 9–13 October 2022; pp. 1–8. [Google Scholar]
- Wolfspeed. 22 kW Bi-Directional High Efficiency DC-DC Converter. Available online: https://www.wolfspeed.com/crd-22dd12n/ (accessed on 8 January 2024).
- Jin, F.; Li, Z.; Nabih, A.; Li, Q. Controllable built-in leakage inductance for a novel matrix integrated transformer. In Proceedings of the 2023 IEEE Applied Power Electronics Conference and Exposition (APEC), Orlando, FL, USA, 19–23 March 2023; pp. 3248–3254. [Google Scholar]
- Zhang, Z.; Wang, M.; Liu, C.; Si, Y.; Liu, Y.; Lei, Q. High-dv/dt-immune fine-controlled parameter-adaptive synchronous gate driving for GaN-Based secondary rectifier in EV onboard charger. IEEE J. Emerg. Sel. Top. Power Electronics 2020, 10, 3302–3323. [Google Scholar] [CrossRef]
- Ammar, A.M.; Ali, K.; Rogers, D.J. A bidirectional GaN-based CLLC converter for plug-in electric vehicles on-board chargers. In Proceedings of the IECON 2020 The 46th Annual Conference of the IEEE Industrial Electronics Society, Singapore, 18–21 October 2020; pp. 1129–1135. [Google Scholar]
- Alternative Fuels: European Alternative Fuels Observatory. Available online: https://alternative-fuels-observatory.ec.europa.eu/general-information/recharging-systems (accessed on 11 January 2024).
- Ta, L.A.D.; Dao, N.D.; Lee, D.-C. High-efficiency hybrid llc resonant converter for on-board chargers of plug-in electric vehicles. IEEE Trans. Power Electron. 2020, 35, 8324–8334. [Google Scholar] [CrossRef]
- Cao, Y.; Ngo, M.; Yan, N.; Dong, D.; Burgos, R.; Ismail, A.; Bai, Y. Design and implementation of an 18-kW 500-kHz 98.8% efficiency high-density battery charger with partial power processing. IEEE J. Emerg. Sel. Top. Power Electron. 2021, 10, 7963–7975. [Google Scholar] [CrossRef]
- Liu, G.; Jang, Y.; Jovanović, M.M.; Zhang, J.Q. Implementation of a 3.3-kW DC-DC converter for EV on-board charger employing the series-resonant converter with reduced-frequency-range control. IEEE Trans. Power Electron. 2016, 32, 4168–4184. [Google Scholar] [CrossRef]
- Endres, S.; Sessler, C.; Zeltner, S.; Eckardt, B.; Morita, T. 6 kW bidirectional, insulated on-board charger with normally-off GaN gate injection transistors. In Proceedings of the PCIM Europe 2017; International Exhibition and Conference for Power Electronics, Intelligent Motion, Renewable Energy and Energy Management, Nuremberg, Germany, 16–18 May 2017; pp. 1–6. [Google Scholar]
- Li, B.; Li, Q.; Lee, F.C.; Liu, Z.; Yang, Y. A high-efficiency high-density wide-bandgap device-based bidirectional on-board charger. IEEE J. Emerg. Sel. Top. Power Electron. 2018, 6, 1627–1636. [Google Scholar] [CrossRef]
- Wolfspeed. 6.6 kW High Power Density Bi-Directional EV Onboard Charger. Available online: https://www.wolfspeed.com/crd-06600ff065n-k/ (accessed on 12 October 2023).
- Li, B.; Li, Q.; Lee, F.C. High-frequency PCB winding transformer with integrated inductors for a bi-directional resonant converter. IEEE Trans. Power Electron. 2018, 34, 6123–6135. [Google Scholar] [CrossRef]
- Li, B.; Li, Q.; Lee, F.C. A WBG based three phase 12.5 kW 500 kHz CLLC resonant converter with integrated PCB winding transformer. In Proceedings of the 2018 IEEE Applied Power Electronics Conference and Exposition (APEC), San Antonio, TX, USA, 4–8 March 2018; pp. 469–475. [Google Scholar]
- Li, H.; Wang, S.; Zhang, Z.; Tang, J.; Ren, X.; Chen, Q. A SiC bidirectional LLC on-board charger. In Proceedings of the 2019 IEEE Applied Power Electronics Conference and Exposition (APEC), Anaheim, CA, USA, 17–21 March 2019; pp. 3353–3360. [Google Scholar]
- Li, H.; Bai, L.; Zhang, Z.; Wang, S.; Tang, J.; Ren, X.; Li, J. A 6.6 kW SiC bidirectional on-board charger. In Proceedings of the 2018 IEEE Applied Power Electronics Conference and Exposition (APEC), San Antonio, TX, USA, 4–8 March 2018; pp. 1171–1178. [Google Scholar]
- Wang, X.; Jiang, C.; Lei, B.; Teng, H.; Bai, H.K.; Kirtley, J.L. Power-loss analysis and efficiency maximization of a silicon-carbide MOSFET-based three-phase 10-kW bidirectional EV charger using variable-DC-bus control. IEEE J. Emerg. Sel. Top. Power Electron. 2016, 4, 880–892. [Google Scholar] [CrossRef]
- Johnson, P.M.; Bai, K.H. A dual-DSP controlled SiC MOSFET based 96%-efficiency 20kW EV on-board battery charger using LLC resonance technology. In Proceedings of the 2017 IEEE Symposium Series on Computational Intelligence (SSCI), Honolulu, HI, USA, 27 November–1 December 2017; pp. 1–5. [Google Scholar]
- Yang, G.; Draugedalen, E.; Sorsdahl, T.; Liu, H.; Lindseth, R. Design of high efficiency high power density 10.5 kW three phase on-board-charger for electric/hybrid vehicles. In Proceedings of the PCIM Europe 2016, International Exhibition and Conference for Power Electronics, Intelligent Motion, Renewable Energy and Energy Management, Nuremberg, Germany, 10–12 May 2016; pp. 1–7. [Google Scholar]
- Schmenger, J.; Endres, S.; Zeltner, S.; Marz, M. A 22 kW on-board charger for automotive applications based on a modular design. In Proceedings of the 2014 IEEE Conference on Energy Conversion (CENCON), Bahru, Malaysia, 13–14 October 2014; pp. 1–6. [Google Scholar]
- Wei, C.; Shao, J.; Agrawal, B.; Zhu, D.; Xie, H. New surface mount SiC MOSFETs enable high efficiency high power density bi-directional on-board charger with flexible dc-link voltage. In Proceedings of the 2019 IEEE Applied Power Electronics Conference and Exposition (APEC), Anaheim, CA, USA, 17–21 March 2019; pp. 1904–1909. [Google Scholar]
- Das, D.; Weise, N.; Basu, K.; Baranwal, R.; Mohan, N. A bidirectional soft-switched DAB-based single-stage three-phase AC–DC converter for V2G application. IEEE Trans. Transp. Electrif. 2018, 5, 186–199. [Google Scholar] [CrossRef]
- Belkamel, H.; Kim, H.; Choi, S. Interleaved totem-pole ZVS converter operating in CCM for single-stage bidirectional AC–DC conversion with high-frequency isolation. IEEE Trans. Power Electron. 2020, 36, 3486–3495. [Google Scholar] [CrossRef]
- Kim, H.; Park, J.; Kim, S.; Hakim, R.M.; Belkamel, H.; Choi, S. A single-stage electrolytic capacitor-less EV charger with single- and three-phase compatibility. IEEE Trans. Power Electron. 2021, 37, 6780–6791. [Google Scholar] [CrossRef]
- Weise, N.D.; Mohapatra, K.K.; Mohan, N. Universal utility interface for plug-in hybrid electric vehicles with vehicle-to-grid functionality. In Proceedings of the Energy Society General Meeting, Minneapolis, MN, USA, 25–29 July 2010; pp. 1–8. [Google Scholar]
- Zhang, J.; Sha, D.; Song, K. Single-phase single-stage bidirectional DAB AC–DC converter with extended ZVS range and high efficiency. IEEE Trans. Power Electron. 2022, 38, 3803–3811. [Google Scholar] [CrossRef]
- Jauch, F.; Biela, J. Combined phase shift and frequency modulation of a dual active bridge AC-DC converter with PFC. IEEE Trans. Power Electron. 2016, 31, 8387–8397. [Google Scholar] [CrossRef]
- Schrittwieser, L.; Leibl, M.; Kolar, J.W. 99% Efficient isolated three-phase matrix-type DAB buck–boost PFC rectifier. IEEE Trans. Power Electron. 2019, 35, 138–157. [Google Scholar] [CrossRef]
- Varajão, D.A.C.P.B.; Miranda, L.M.F.; Araújo, R.M.E. AC/DC Converter with Three to Single Phase Matrix Converter, Full-Bridge AC/DC Converter and HF Transformer. U.S. Patent No. US9973107B2, 15 May 2018. [Google Scholar]
- Muhammad, R.; Kieu, H.-P.; Park, J.; Tat-Thang, L.; Choi, S.; Jung, H.; Yoon, B.-K. Integrated grid inductor-transformer structure with reduced core loss and volume for E-capless single-stage EV charger. In Proceedings of the 2022 IEEE Applied Power Electronics Conference and Exposition (APEC), Houston, TX, USA, 20–24 March 2022; pp. 873–878. [Google Scholar]
- Lu, J.; Bai, K.; Taylor, A.R.; Liu, G.; Brown, A.; Johnson, P.M.; McAmmond, M. A modular-designed three-phase high-efficiency high-power-density EV battery charger using dual/triple-phase-shift control. IEEE Trans. Power Electron. 2017, 33, 8091–8100. [Google Scholar] [CrossRef]
- Jauch, F.; Biela, J. Modelling and ZVS control of an isolated three-phase bidirectional AC-DC converter. In Proceedings of the 2013 15th European Conference on Power Electronics and Applications (EPE), Lille, France, 2–6 September 2013; pp. 1–11. [Google Scholar]
- Bai, H.; Brown, A.; McAmmond, M.; Lu, J. A Modular Designed Three-Phase ~98%-Efficiency 5kW/L On-Board Fast Charger for Electric Vehicles Using Paralleled E-Mode GaN HEMTs; SAE Technical Paper; SAE: Warrendale, PA, USA, 2017. [Google Scholar]
- Chen, T.; Yu, R.; Huang, A.Q. A bidirectional isolated dual-phase-shift variable-frequency series resonant dual-active-bridge GaN AC–DC converter. IEEE Trans. Ind. Electron. 2022, 70, 3315–3325. [Google Scholar] [CrossRef]
- Massoud, A.; Ahmed, S.; Abdel-Khalik, A.S. Interior permanent magnet motor-based isolated on-board integrated battery charger for electric vehicles. IET Electr. Power Appl. 2018, 12, 124–134. [Google Scholar] [CrossRef]
- Pescetto, P.; Pellegrino, G. Integrated isolated obc for EVs with 6-phase traction motor drives. In Proceedings of the 2020 IEEE Energy Conversion Congress and Exposition (ECCE), Detroit, MI, USA, 11–15 October 2020; pp. 4112–4117. [Google Scholar]
- Gupta, J.; Maurya, R.; Arya, S.R. Improved power quality on-board integrated charger with reduced switching stress. IEEE Trans. Power Electron. 2020, 35, 10810–10820. [Google Scholar] [CrossRef]
- Tuan, V.T.; Phattanasak, M.; Kreuawan, S. Integrated charger-inverter for high-performance electric motorcycles. World Electr. Veh. J. 2021, 12, 19. [Google Scholar] [CrossRef]
- Woo, D.-G.; Joo, D.-M.; Lee, B.-K. On the feasibility of integrated battery charger utilizing traction motor and inverter in plug-in hybrid electric vehicles. IEEE Trans. Power Electron. 2015, 30, 7270–7281. [Google Scholar] [CrossRef]
- Subotic, I.; Jones, M.; Levi, E. A fast on-board integrated battery charger for four-motor EVs. In Proceedings of the 2014 International Conference on Electrical Machines (ICEM), Berlin, Germany, 2–5 September 2014; pp. 2066–2072. [Google Scholar]
- Saber, C.; Labrousse, D.; Revol, B.; Gascher, A. Challenges facing PFC of a single-phase on-board charger for electric vehicles based on a current source active rectifier input stage. IEEE Trans. Power Electron. 2015, 31, 6192–6202. [Google Scholar] [CrossRef]
- Shi, C.; Tang, Y.; Khaligh, A. A Single-phase integrated onboard battery charger using propulsion system for plug-in electric vehicles. IEEE Trans. Veh. Technol. 2017, 66, 10899–10910. [Google Scholar] [CrossRef]
- Hasan, S.M.N.; Anwar, M.N.; Teimorzadeh, M.; Tasky, D.P. Features and challenges for Auxiliary Power Module (APM) design for hybrid/electric vehicle applications. In Proceedings of the 2011 IEEE Vehicle Power and Propulsion Conference (VPPC), Chicago, IL, USA, 6–9 September 2011; pp. 1–6. [Google Scholar]
- Hou, R. Integrated Active Filter Auxiliary Power Modules in Electrified Vehicle Applications. Doctoral Dissertation, McMaster University, Hamilton, ON, Canada, 2016. [Google Scholar]
- Gautam, D.S.; Musavi, F.; Eberle, W.; Dunford, W.G. A zero-voltage switching full-bridge DC--DC converter with capacitive output filter for plug-in hybrid electric vehicle battery charging. IEEE Trans. Power Electron. 2013, 28, 5728–5735. [Google Scholar] [CrossRef]
- Zhao, B.; Song, Q.; Liu, W.; Sun, Y. Overview of dual-active-bridge isolated bidirectional DC–DC converter for high-frequency-link power-conversion system. IEEE Trans. Power Electron. 2013, 29, 4091–4106. [Google Scholar] [CrossRef]
- Su, G.-J. Comparison of Si, SiC, and GaN based isolation converters for onboard charger applications. In Proceedings of the 2018 IEEE Energy Conversion Congress and Exposition (ECCE), Portland, OR, USA, 23–27 September 2018; pp. 1233–1239. [Google Scholar]
- Tang, Y.; Lu, J.; Wu, B.; Zou, S.; Ding, W.; Khaligh, A. An integrated dual-output isolated converter for plug-in electric vehicles. IEEE Trans. Veh. Technol. 2017, 67, 966–976. [Google Scholar] [CrossRef]
- Vollmaier, F.; Connaughton, A.; Recepi, I.; Langbauer, T.; Pajnic, M.; Konrad, W.; Mentin, C. Tiny power box-exploiting multiport series resonant topologies for very high-power density onboard chargers. In Proceedings of the PCIM Europe 2022; International Exhibition and Conference for Power Electronics, Intelligent Motion, Renewable Energy and Energy Management, Nuremberg, Germany, 10–12 May 2022; pp. 1–9. [Google Scholar]
- Mentin, C.; Recepi, I.; Matzick, P. Tiny power box-thermal investigations for very high-power density onboard chargers. In Proceedings of the 2022 28th International Workshop on Thermal Investigations of ICs and Systems (THERMINIC), Dublin, Ireland, 28–30 September 2022; pp. 1–6. [Google Scholar]
- Su, G.-J.; Tang, L. A new integrated onboard charger and accessory power converter for plug-in electric vehicles. In Proceedings of the 2014 IEEE Energy Conversion Congress and Exposition (ECCE), Pittsburgh, PA, USA, 14–18 September 2014; pp. 4790–4796. [Google Scholar]
- Su, G.-J.; Tang, L. An integrated onboard charger and accessory power converter for traction drive systems with a boost converter. In Proceedings of the 2016 IEEE Energy Conversion Congress and Exposition (ECCE), Milwaukee, WI, USA, 18–22 September 2016; pp. 1–6. [Google Scholar]
- Esfahani, F.N.; Madani, S.M.; Niroomand, M.; Safaee, A. Maximum wireless power transmission using real-time single iteration adaptive impedance matching. IEEE Trans. Circuits Syst. I Regul. Pap. 2023, 70, 3806–3817. [Google Scholar] [CrossRef]
- Nasr, F.; Madani, S.M.; Niroomand, M. Dual-objective control strategy for maximum power and efficiency point tracking in wirelessly powered biomedical implanted devices. IET Microw. Antennas Propag. 2020, 14, 36–44. [Google Scholar] [CrossRef]
- Nasr, F.; Madani, M.; Niroomand, M. Precise analysis of frequency splitting phenomenon of magnetically coupled wireless power transfer system. In Proceedings of the 2017 IEEE Asia Pacific Microwave Conference (APMC), Kuala Lumpur, Malaysia, 13–16 November 2017; pp. 219–224. [Google Scholar]
- Marques, E.G.; da Silva, S.V.; Mendes, A. A new magnetic coupler for EVs chargers based on plug-in and IPT technologies. In Proceedings of the 2017 IEEE Energy Conversion Congress and Exposition (ECCE), Cincinnati, OH, USA, 1–5 October 2017; pp. 2760–2766. [Google Scholar]
























| Ref. | Contributions | Publication Year |
|---|---|---|
| [1] | Wired and wireless on-board and off-board battery chargers | 2021 |
| [4] | Single-stage and two-stage bidirectional isolated non-integrated OBCs and modulation techniques | 2023 |
| [6] | Single-stage and two-stage bidirectional non-integrated OBCs | 2024 |
| [31] | Power electronic converters for on-board and off-board chargers | 2023 |
| [33] | Propulsion system iOBCs | 2022 |
| [34] | Two-level and multi-level power electronic converters for OBCs and traction inverter iOBCs | 2023 |
| [35] | High-power integrated and non-integrated OBCs (≥7.4 kW) | 2019 |
| [75] | Propulsion system iOBCs | 2019 |
| [76] | Traction inverter integrated OBCs (iOBCs) | 2018 |
| [77] | Single-stage and two-stage non-integrated OBCs and propulsion system iOBCs | 2023 |
| Charging Level | Location | Supplied Voltage | Supply Type | Power Level | Current Level | Charging Time | Charging Rate | Driving Range | Connector |
|---|---|---|---|---|---|---|---|---|---|
| Level 1 (AC slow charging) | On-board (residential) | 120 Vac (US) 230 Vac (EU) | Single-phase | 3.7 kW | 12–16 A | 10–15 h | 16–50 kWh | 5 miles | SAE J1772 T1 (US) |
| Leve 2 (AC accelerated charging) | On-board (Residential or work place) | 240 Vac (US) 400 Vac (EU) | Single-phase Three-phase | 3.7–22 kW | 15–80 A | 3.5–7 h | 16–30 kWh | 10–20 miles | SAE J1772 T1 (US) IEC 62196 T2 (EU) GB/T20234 (China) |
| Level 3 (DC fast charging) | Off-board (Public places like gas stations) | 480 Vac (US) 400 Vac (EU) 300–600 Vdc | Three-phase | 50–350 kW | Maximum 400 A | 10–30 min | 20–50 kWh | >75 miles | CCS Combo 1 DC (US) CCS Comb2 2 DC (EU) GB/T20234 DC (China) SAE J3068 AC (US) IEC 62196 T2 AC (EU) GB/T20234 AC (China) |
| DC ultra-fast charging | Off-board (Public place like gas station) | >800 Vdc | Three-phase | >400 kW | >400 A | |10 min | 20–50 kWh | >100 miles | CCS/CHAdeMO (EU) |
| Standard Code | Description |
|---|---|
| IEC 61851-1 | General requirements |
| IEC 61000-3 | Power quality regulations (maximum permissible THD of 20% and minimum acceptable PF of 0.95) |
| IEEE 519 | Maximum permissible THD of 7% |
| IEC 60950 | Galvanic isolation |
| IEC 62196 SAE J1772 CHAdeMO GB/T 20234 | Standards predominate in EU, the US, Japan, and China for connectors interfaces and inlets |
| IEEE 1547 IEEE 2030 IEC 62109 UL 1741 NB/T 33015 | Microgrid inverter standards for bidirectional OBCs when injecting power into a local grid |
| CISPR 25 (Class 1–5) ISO 11452 (Class 1–11) | Limitations on EMI radiations during the operation of the OBC |
| ISO 10605 | Immunity of a module against electrostatic discharge (ESD) |
| ISO 16750 UL 2202 | Electrical safety standards for OBCs, including leakage current, operational integrity, resistance to vibrations, and tolerance to environmental conditions (humidity, thermal, and vibration tests) |
| IEC 61850-90-8 ISO 15118 | V2G communication (bidirectional discharging/charging) |
| AEC-Q100 AEC-Q200 | Reliability standards |
| Ref. | Topology | Power Range | Switching Frequency | Output Voltage | Efficiency | Year |
|---|---|---|---|---|---|---|
| [98] | Two-level SISO DAB | 10 kW | 140–400 kHz | 250–100 Vdc | - | 2022 |
| [105] | Three-level ANPC DAB | 3.3 kW | 75–300 kHz | 800 Vdc | ~98% | 2022 |
| [107] | Three-level DAB | 3.5 kW | 50 kHz | 700 Vdc | ~95.5% | 2019 |
| [108] | Three-level DAB | 5 kW | 50 kHz | 1.5 kVdc | - | -- |
| Ref. | Topology | Power Range | Power Density | Switching Frequency | Output Voltage | Efficiency | Year |
|---|---|---|---|---|---|---|---|
| [109] | CLLC + a four-channel interleaved buck converter | -- | 6.1 kW/L | -- | 200∼800 Vdc | - | 2021 |
| [110] | Two-level CLLC with modular transformers | 11 kW | 14.6 kW/L | 500 kHz | 800 Vdc | 97.9% | 2022 |
| [111] | CLLC | 22 kW | 8 kW/L | 135–250 kHz | -- | 98.5% | -- |
| [113] | CLLC | 3.3 kW | 7.9 kW/L | 435–575 kHz | 400 Vdc | 97.6% | 2022 |
| [114] | HB CLLC | 1 kW | - | 391–500 kHz | 400 Vdc | 95.7% | 2020 |
| [115] | Multi-level stacked HB CL-T | 6.6 kW | 7.3 kW/L | 500 kHz | 150–950 Vdc | 98.2% | -- |
| [116] | LLC | 3.2 kW | 4 kW/L | 75–300 kHz | 400 Vdc | 98.5% | 2020 |
| [117] | CLLC | 18 kW | 8.7 kW/L | - | 400 Vdc | >98.8% | 2021 |
| [118] | CLLC | 3.3 kW | - | 140–180 kHz | 400 Vdc | 96–98% | 2017 |
| [119] | CLLC | 6 kW | 3 kW/L | - | 400 Vdc | >98% | 2017 |
| Ref. | Power Conversion Stages | Output Voltage Range | Switching Frequency | Power Range | Power Density | Bidirectional | Isolated (IEC 60950) | Components | η | Year | ||
|---|---|---|---|---|---|---|---|---|---|---|---|---|
| AC-DC PFC | DC-DC | AC-DC PFC | DC-DC | |||||||||
| [6] | Totem pole | CLLC | 400 Vdc | 300 kHz | 300 kHz | 6.6 kW | 3.4 kW/L | Yes | Yes | 16 switches 3 inductors 3 capacitors 1 transformer | 96% | 2020 |
| [10] | Two-channel interleaved totem pole | CLLC | 400 Vdc | 120 kHz | 200–800 kHz | 6.6 kW | 3.8 kW/L | Yes | Yes | 14 switches 2 inductors 4 capacitors 1 transformer | 96.5% | 2021 |
| [100] | Four-channel interleaved totem pole | Three-phase CLLC | 800 Vdc | 350 kHz | 500 kHz | 11 kW | 3.2 kW/L | Yes | Yes | 22 switches 2 inductors 3 capacitors 1 transformer | 96% | 2022 |
| [101] | Totem pole | two-phase CLLC | 400 Vdc | 350 kHz | 500 kHz | 6.6 kW | 2.7 kW/L | Yes | Yes | 18 switches 1 inductor 6 capacitors 2 transformers | 96.2% | 2018 |
| [120] | Two-channel interleaved totem pole | single-phase CLLC | 400 Vdc | 300 kHz | 500 kHz | 6.6 kW | 2.3 kW/L | Yes | Yes | 18 switches 1 inductor 6 capacitors 2 transformers | 96.2% | 2018 |
| [121] | Totem pole | CLLC | 400 Vdc | 67 kHz | 148–300 kHz | 6.6 kW | 3.2 kW/L | Yes | Yes | 12 switches 3 inductors 4 capacitors 1 transformer | 97% | 2016 |
| [122] | Totem pole | two-phase CLLC | 400 Vdc | 350 kHz | 500 kHz | 6.6 kW | 8 kW/L | Yes | Yes | 18 switches 1 inductor 6 capacitors 2 transformers | 97.8% | 2018 |
| [123] | Totem pole | three-phase CLLC | 400 Vdc | 350 kHz | 500 kHz | 12.5 kW | 9.5 kW/L | Yes | Yes | 18 switches 1 inductor 6 capacitors 2 transformers | 97.3% | 2018 |
| [124] | Tow-channel interleaved totem pole | LLC | 240–420 Vdc | 66.7 kHz | 270–315 kHz | 6.6 kW | 2.7 kW/L | Yes | Yes | 16 switches 1 inductor 3 capacitors 1 transformer | 95.6% | 2019 |
| [125] | Tow-channel interleaved totem pole | LLC | 400 Vdc | 300 kHz | 300 kHz | 6.6 kW | 3.3 kW/L | Yes | Yes | 16 switches 2 diodes 4 inductors 4 capacitors 1 transformer | 94.7% | 2018 |
| [126] | Three-phase boost | LLC | 50 kHz | 90–150 kHz | 10 kW | N/A | Yes | Yes | 12 switches 5 inductors 5 capacitors 1 transformer | 96% | 2016 | |
| [127] | Three-phase boost | Two parallel connected LLC | 422.4 Vdc | 100 kHz | 100 kHz | 20 kW | N/A | No | Yes | 10 switches 8 diodes 7 inductors 6 capacitors 2 transformers | 96% | 2017 |
| [128] | Diode bridge + boost converter | HB LLC | ~400 Vdc | 90 kHz | 90–275 kHz | 10.5 kW | 1.75 kW/L | No | Yes | 9 switches 27 diodes 7 inductors 12 capacitors 3 transformers | 95.6% | 2016 |
| [129] | Diode bridge + inrush current limiter + interleaved boost converter | Two parallel-input–parallel-output FB LLC | 315–395 Vdc | 100 kHz | 100 kHz | 22 kW (EU) 17.2 kW (US & Japan) | 1.98 kW/L | No | Yes | 30 switches 42 diodes 18 inductors 18 capacitors 6 transformers | 94.5% | 2014 |
| [130] | Totem pole | CLLC | 400 Vdc | 67 kHz | 200 kHz | 6.6 kW | 2.2 kW/L | Yes | Yes | 12 switches 3 inductors 4 capacitors 1 transformer | 97% | 2019 |
Disclaimer/Publisher’s Note: The statements, opinions and data contained in all publications are solely those of the individual author(s) and contributor(s) and not of MDPI and/or the editor(s). MDPI and/or the editor(s) disclaim responsibility for any injury to people or property resulting from any ideas, methods, instructions or products referred to in the content. |
© 2024 by the authors. Licensee MDPI, Basel, Switzerland. This article is an open access article distributed under the terms and conditions of the Creative Commons Attribution (CC BY) license (https://creativecommons.org/licenses/by/4.0/).
Share and Cite
Nasr Esfahani, F.; Darwish, A.; Ma, X.; Twigg, P. Non-Integrated and Integrated On-Board Battery Chargers (iOBCs) for Electric Vehicles (EVs): A Critical Review. Energies 2024, 17, 2285. https://doi.org/10.3390/en17102285
Nasr Esfahani F, Darwish A, Ma X, Twigg P. Non-Integrated and Integrated On-Board Battery Chargers (iOBCs) for Electric Vehicles (EVs): A Critical Review. Energies. 2024; 17(10):2285. https://doi.org/10.3390/en17102285
Chicago/Turabian StyleNasr Esfahani, Fatemeh, Ahmed Darwish, Xiandong Ma, and Peter Twigg. 2024. "Non-Integrated and Integrated On-Board Battery Chargers (iOBCs) for Electric Vehicles (EVs): A Critical Review" Energies 17, no. 10: 2285. https://doi.org/10.3390/en17102285
APA StyleNasr Esfahani, F., Darwish, A., Ma, X., & Twigg, P. (2024). Non-Integrated and Integrated On-Board Battery Chargers (iOBCs) for Electric Vehicles (EVs): A Critical Review. Energies, 17(10), 2285. https://doi.org/10.3390/en17102285

