A Comprehensive Review and Analytical Comparison of Non-Isolated DC-DC Converters for Fuel Cell Applications
Abstract
1. Introduction
2. Fuel Cell (FC) Model
3. DC-DC Converters
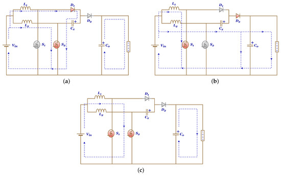
3.1. Multilevel Boost Converter
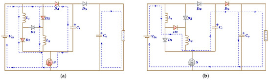
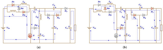
3.1.1. Dual-Level Boost Converter (DBC)
- During the ON state of switch S, the inductor is connected to V for charge condition; if C’s voltage is smaller than C’s voltage then C clamps C’s voltage through D and S. At the same time, the voltage across C is still constant, as shown in Figure 4a.
- Figure 4b illustrates the circuit behavior when the switch, S, is turned OFF, the inductor current flows through D when it is forward biased to charge C. When D is still forward biased, the capacitor C and the voltage V plus the inductor’s voltage clamps the voltage across C and C through D.
3.1.2. Triple-Level Boost Converter (TBC)
- The inductor is connected to the input voltage when switch S is closed. If the voltage across C is smaller than C, C charges from C through D, which operates in forward bias. At the same time, the voltage across C + C equals the voltage across C + C, C and C act as a voltage source to charge C and C through the diode D, as indicated in Figure 5a.
- When the switch S is open, the diode D operates in forward bias allowing the energy stored in the inductor to start charging capacitor C. Furthermore, D operates in forward bias, the input voltage, the inductor, and capacitor C supply the capacitors C and C. When the voltage on C + C is equal to the total voltage on the input voltage, the inductor voltage, and the capacitor voltage C through D operates in forward bias, the input voltage, inductor, and capacitors C and C charge capacitors C, C and C as demonstrated in Figure 5b.
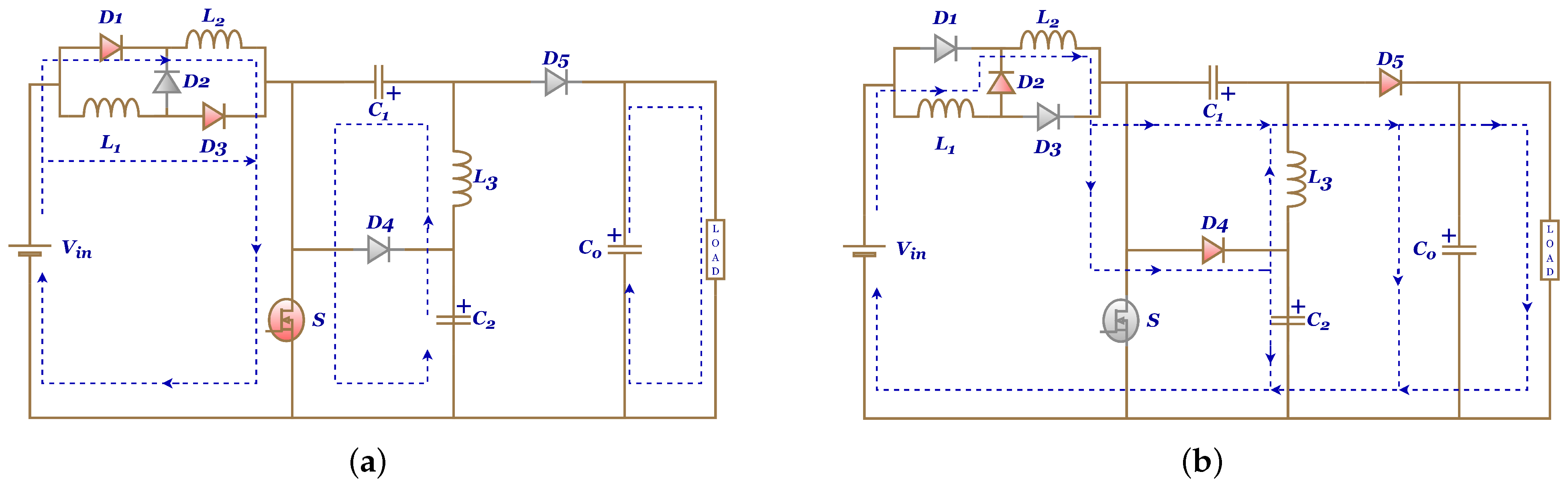
3.2. 1st Modified-Triple-Level Boost Converter (1st M-TBC)
- When the switch S is closed, the inductors L and L are connected in parallel through diodes D and D when operating in forward bias for charging. If the voltage across C is smaller than C, C will be charged from C through D, which operates in forward bias. At the same time, the voltage across C + C equals the voltage across C+C, C and C act as a voltage source to charge C and C through the diode D, as indicated in Figure 6a.
- When the switch S is open, the inductors L and L are connected in series through capacitor C. The diode D operates in forward bias allowing the energy stored in the inductors to start the charges capacitor C. Furthermore, D operates in forward bias, the input voltage, the inductors, and capacitors C and C supply the capacitors C and C. When the voltage on C + C is equal to the total voltage on the input voltage, the inductors voltage, and the capacitor voltage C through D operates in forward bias, the input voltage, inductor, and capacitors C, C, and C charge capacitors C, C and C as demonstrated in Figure 6b.
3.3. Double-Boost Converter (DuBC)
- When switches S and S are closed, the inductors L and L charge from the voltage source. The input voltage, V, charges the inductor L through the switch S to form the first loop and charges the inductor L through diode D and the switch S to form the second loop. In addition, the capacitor C delivers power to the load, as shown in Figure 7a.
- Figure 7b illustrates the second state of converter operation when switches S and S are open. The input power source and inductors L and L are connected in series through diodes D and D that operate in forward bias to provide energy to the load and charge capacitor C.
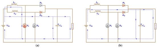
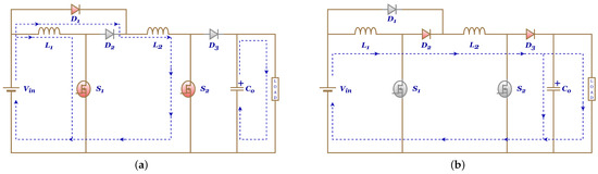
3.4. Three-Level Boost Converter (TLBC)
- When S and S are closed. The current flow through the inductor L, which begins the charge with D and D operating in reverse bias. In addition, the output capacitors C and C discharge the current as much as the output current, as shown in Figure 8a.
- As indicated in Figure 8b, the operation of switches that appeared S is set closed and S is changed to open status. The current flow from the inductor L, which began the discharge to the load and charge C with D operates as forward bias, while C still discharge to the load. The output voltage is twice as large as the input voltage because the duty is over 0.5.
3.5. First Modified Three-Level Boost Converter (1st M-TLBC)
- Figure 9a illustrates the 1st M-TLBC circuit when S is open and S is closed. This state is divided into three loops where energy flows in the circuit. To begin with, L discharge to start charge C through D operates as forward bias. The loop 2, L in series with V for supplying to charge C when D is forward bias. The S, D, and D are ON states that appear in charge operation while L, L, and V in discharge mode represent loop 3.
- When S is closed and S is open, also in this state three paths of energy, the first two paths same as in the previous state. The difference in loop 3 is depicted as C in series with L, L, and at discharge mode for supplying the load and charge C when D operates in forward bias, as shown in Figure 9b.
- The last state of operating in this converter is when S and S are closed, which includes two loops of energy flow. The first loop, C in series with to charge L with D operates in reverse bias. Similarly, transfers energy to L through S and S in loop 2. Moreover, C in discharge mode to supply the load, as shown in Figure 9c.
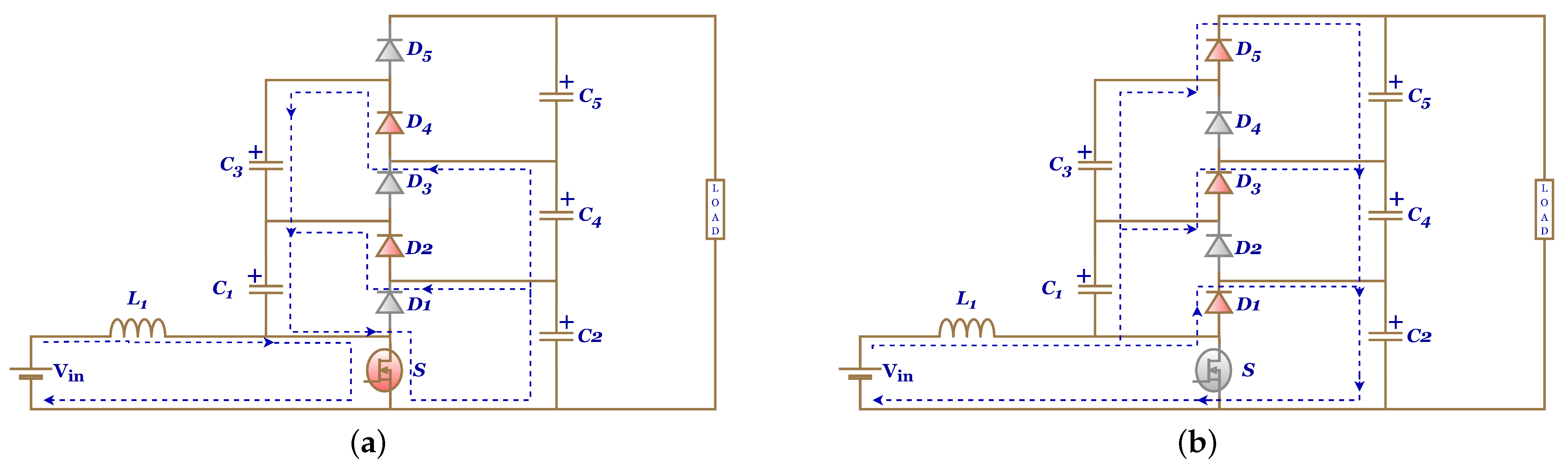
3.6. Second Modified Three-Level Boost Converter (2nd M-TLBC)
- Two current loops appear when S is open, and S is closed, as depicted in Figure 10a. Loop 1: L connected in series with to charge C, when D is in forward bias. L and C supply current to charge C and C. Furthermore, D operates as a forward bias to supply the C and the load representing loop 2.
- Figure 10b illustrates the second operation state when S is closed, and S is open. The , L, and C in series for supplying current to charge C through D operates in forward bias. loop 2 represents C charge from L and C through D operates in forward bias. In addition, D operates as a forward bias to supply the C and the load.
- The third state of switches is where S and S are closed. The source supplies current to charge L is depicted as loop 1. The power diodes are in reverse bias, so L and C supply the C. The C in discharge mode to supply the load, as shown in Figure 10c.
- Final state where S and S are open states and all power diodes are in forward bias, the in series with L discharge to supply C, while L charge from C. In addition, D operates as a forward bias to supply the C and the load. Which describes two loops illustrated in Figure 10d.
3.7. Interleave Boost Converter (IBC)
3.7.1. Two Phase Interleave (2-IBC)
- Mode 1: When S is closed and S is open. The current through L began to rise, and L began to discharge to load with D operating as forward bias, as shown in Figure 11a.
- Mode 2: When S and S are open. The current discharges through the output circuit from L and L to load with D and D operating as forward bias, as shown in Figure 11b.
3.7.2. Four Phase Interleave (4-IBC)
- Mode 1: when S is closed. S, S, and S are open. The current through L began to rise, and L, L, and L began to discharge to load with D, D, and D operating as forward bias, as shown in Figure 12a.
- Mode 2: When S, S, S, and S are open. The current discharges through the output circuit from L, L, L, and L to load with D, D, D, and D operating as forward bias, as shown in Figure 12b.
3.8. First Modified-Interleave Boost Converter (1st M-IBC)
- During the period when switch S is OFF, the D is operates in forward bias that apply C to charge from L as demonstrated in Figure 13a. The C start discharging to supply the load.
- While the period when switch S is OFF, the , L, and C are connected in series to supply current to , and the load through D when operates as a forward bias, as indicated in Figure 13b.
3.9. Second Modified-Interleave Boost Converter (2nd M-IBC)
- As shown in Figure 14a, switches S and S are closed, and the inductors L and L start charging. Meanwhile, all power diodes in this circuit operate in reverse bias. The C start discharging to supply the load.
- When S is closed, L is discharged for charging C through D operates in forward bias, whereas L is still charging, as shown in Figure 14b. Moreover, the L and C are in series to supply the load and charge C when D operates in forward bias.
- When S is closed, L and C are discharged for charging C through D operates in forward bias and supply the load and charge C through D operates in forward bias, whereas L is still charging, as shown in Figure 14c.
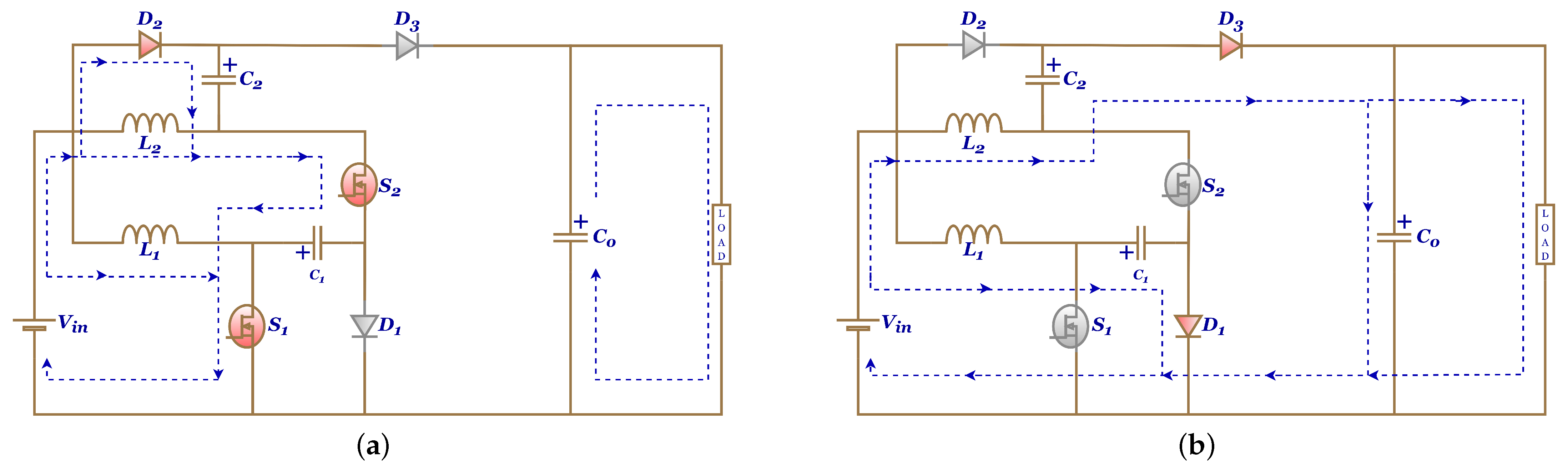
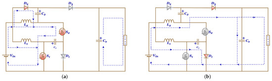
3.10. Third Modified-Interleave Boost Converter (3rd M-IBC)
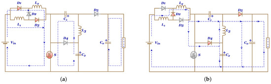
- When switches S and S are closed, the inductor L starts to charge from the source , whereas L starts charging by and C. Furthermore, the capacitor C charge from and C when diode D operates in forward bias. The load energy is supplied by C, as shown in Figure 15a.
- Figure 15b displays the open state of the switches. The inductor L with charge capacitor C via D operates in forward bias. Moreover, inductor L, , and C flow energy to the load, and capacitor C via D operates in forward bias.
3.11. Positive Output Super-Lift (PSOL)
- When S operates during the ON state, the current flow charging L and C through the D operate forward biased, while C supply current to the load at this state as shown in Figure 16a.
- Figure 16b, at the second condition of S, L and C discharge to provide current to C and the load when D operates at forward bias.
3.12. First Modified-Positive Output Super-Lift (1st M-PSOL)
- When S is closed, the L, L, and C are connected in parallel through D, D, and D when operating forward bias for start charge from the supply; furthermore, C discharge to deliver the current to load, as shown in Figure 17a.
- When S is open, Figure 17b illustrates the state of L, L, and C when starting discharge for charge C and supplying the load through D and D when operating forward bias.
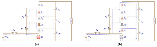
3.13. Second Modified-Positive Output Super-Lift (2nd M-PSOL)
- Figure 18a illustrates the ON state of switch S; when D, D, and D operate forward biased, the storage elements L, and L are connected in parallel with the source to start charge. Moreover, in this stage C, and C start charging. The C discharge to supply the load.
- When S is OFF condition, L, L, C, and C discharge to supply C and load when connected in series through D operate at forward bias, as shown in Figure 18b.
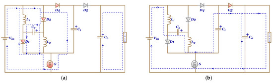
3.14. Third Modified-Positive Output Super-Lift (3rd M-PSOL)
- In the first operation mode, the switch S is ON. Meanwhile, the D and D diodes are in the forward bias. The inductors L and L and capacitor start charging at this state. Meanwhile, capacitors C and C discharge, as shown in Figure 19a.
- On the other hand, Figure 19b illustrates the second operation mode when switch S is OFF. The inductors L and L and capacitor C start discharge to provide current to C and C through D, and D operates at forward bias.
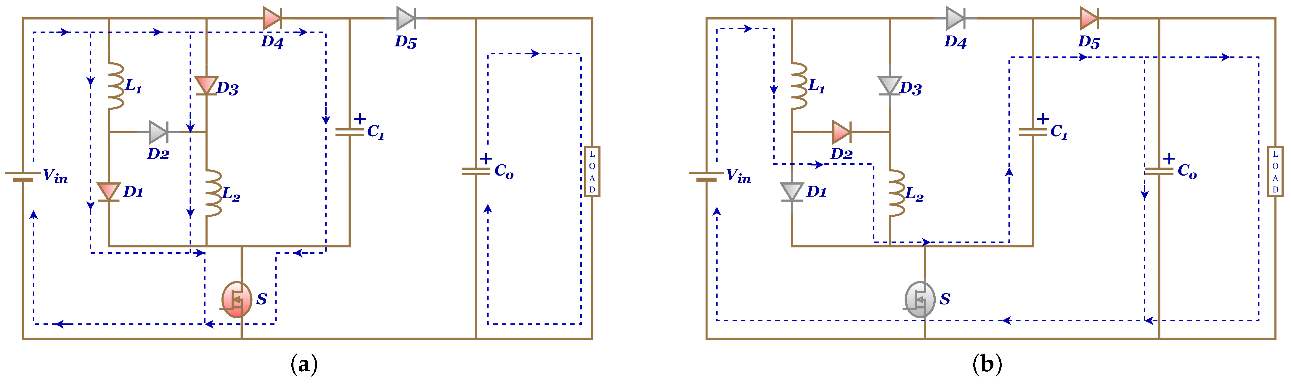
3.15. Fourth Modified-Positive Output Super-Lift (4th M-PSOL)
- Figure 20a illustrates the first state of operation of the 4th M-PSOL, where S, S, and D operate during the ON state condition. Due to this condition, C and C have become parallel. Consequently, their voltage has become equal to each other. The parallel connection of the C and C causes a current to fly from the C to the positive terminal of the C to charge this capacitor. The inductors L and L start charging in this state. The C and C capacitors have become discharged by the second inductor and supply load, respectively.
- When switches S and S are OFF. The C and the C capacitors become charged by the flowing current of the L and L inductors, respectively. Furthermore, the capacitor C discharge to supply the load and C through D operates in forward bias, as shown in Figure 20b.
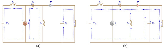
3.16. Single-Ended Primary Inductor Converter (SEPIC)
- As presented in Figure 21a, switch S is closed, and the inductor L gets charged by the voltage source . In addition, the inductor L takes energy from the capacitor C. The output capacitor C discharges to supply the load.
- When switch S is open, the inductors L and L discharging to charge C, C, and supply the load when diode D operates in forward bias, as shown in Figure 21b.
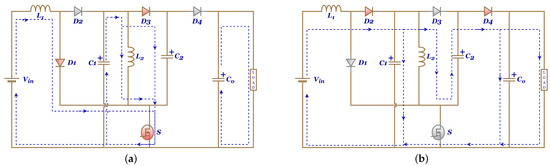
3.17. First Modified-Single Ended Primary Inductor Converter (1st SEPIC)
- When switch S is closed, the input voltage is applied to charge the inductor L, and the inductor L and capacitor C start charging form the C. While C discharge to supply the load, as shown in Figure 22a.
- Figure 22b illustrates the open state of switch S; the L and C discharge to load through diode D when operating in forward bias. Furthermore, the capacitor C start charge through the diode D when operating in forward bias. The inductor L is discharged to load through diode D.
3.18. Second Modified-Single Ended Primary Inductor Converter (2nd M-SEPIC)
- As shown in Figure 23a, switch S is closed. The input voltage is applied to charge the inductor L, and the L and C start charge from the C. Through D is forward bias C start charge from C and C supply the load.
- When switch S is open, the L, and C discharge to load through D. Furthermore, L charges from source, L, and C. While, C, C, C start charging when D, D, and D operating as forward bias, as shown in Figure 23b.
3.19. Third Modified-Single Ended Primary Inductor Converter (3rd M-SEPIC)
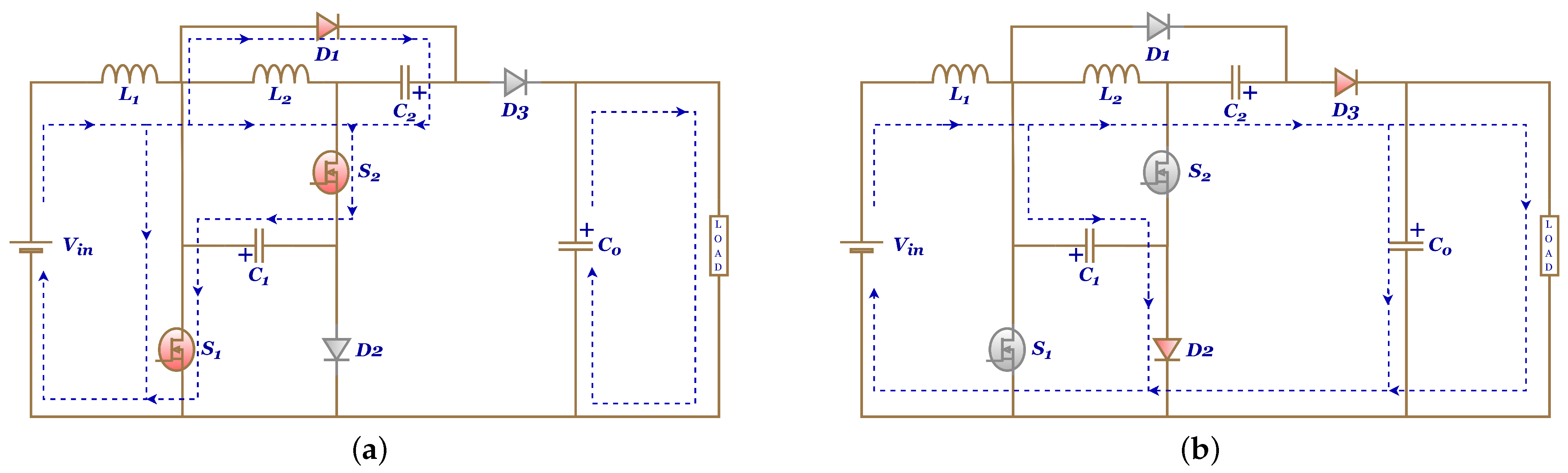
- When S is turned on, the inductors L and L are connected parallel to the source voltage through forward-biased diodes D and D. At the same time, capacitors C and L are charged from C via switch S at closed state. The load is driven by an output voltage across capacitor C, as shown in Figure 24a.
- In this mode, switch S is turned off. The inductors L and L are now connected in series via forward-biased diode D. After that, inductors L, L, and L are discharging linearly, whereas capacitors C, C, and C are charging via forward-biased diodes D and D, as shown in Figure 24b.
3.20. Fourth Modified-Single Ended Primary Inductor Converter (4th M-SEPIC)
- When S is closed, the inductors L and L are connected parallel to the source voltage through forward-biased diodes D and D. At the same time, the L and C charge from the C. Through D is forward bias C start charge from C and C supply the load.
- When switch S is open, the inductors L and L are now connected in series via forward-biased diode D. After that, capacitor C start charge when D operates as forward bias. The inductor L in this state discharge to supply the load in same currnt path of L and L. In contrast, capacitor C start charging through D from C. While C discharge to load and charge C, as shown in Figure 25b.
| Converter Type | Equations | Parameters | ||
|---|---|---|---|---|
| Inductors | Capacitors | Inductors | Capacitors | |
| DBC | ||||
| TBC | ||||
| 1st M-TBC | ||||
| DuBC | 10 | |||
| TLBC | ||||
| 1st M-TLBC | ; 8 ; | |||
| 10 | ||||
| 2nd M-TLBC | 10 | |||
| 2-IBC | 10 | |||
| 4-IBC | 10 | |||
| 1st M-IBC | 40,000 F 10 | |||
| 2nd M-IBC | 40,000 F 10 | |||
| 3rd M-IBC | 4 10 | |||
| PSOL | 5 10 | |||
| 1st M-PSOL | 5 10 | |||
| 2nd M-PSOL | 5 10 | |||
| 3rd M-PSOL | 8 10 | |||
| 4th M-PSOL | 8 10 | |||
| SEPIC | 4 10 | |||
| 1st M-SEPIC | 4 10 | |||
| 2nd M-SEPIC | 5 | |||
| 10 | ||||
| 3rd M-SEPIC | 5 10 | |||
| 4th M-SEPIC | 5 | |||
| 10 | ||||
4. Comparison Results
5. Conclusions
Author Contributions
Funding
Conflicts of Interest
Abbreviations
| DuBC | Double-boost converter |
| D | Duty Cycle |
| FC | Fuel Cell |
| GHG | Greenhouse Gas |
| IBC | Interleaved Boost Converter |
| MLBC | Multilevel Boost Converter |
| PV | Photovoltaic |
| PSOL | Positive Output Super Lift |
| PEMFC | Proton Exchange Membrane Fuel Cell |
| RES | Renewable Energy Source |
| SEPIC | Single-Ended Primary Inductor Converter |
| TLBC | Three-level boost converter |
References
- Taghvaee, M.H.; Radzi, M.A.M.; Moosavain, S.M.; Hizam, H.; Hamiruce Marhaban, M. A current and future study on non-isolated DC–DC converters for photovoltaic applications. Renew. Sustain. Energy Rev. 2013, 17, 216–227. [Google Scholar] [CrossRef]
- Li, W.; He, X. Review of Nonisolated High-Step-Up DC/DC Converters in Photovoltaic Grid-Connected Applications. IEEE Trans. Ind. Electron. 2011, 58, 1239–1250. [Google Scholar] [CrossRef]
- Buberger, J.; Kersten, A.; Kuder, M.; Eckerle, R.; Weyh, T.; Thiringer, T. Total CO2-equivalent life-cycle emissions from commercially available passenger cars. Renew. Sustain. Energy Rev. 2022, 159, 112158. [Google Scholar] [CrossRef]
- Oliveira, A.M.; Beswick, R.R.; Yan, Y. A green hydrogen economy for a renewable energy society. Curr. Opin. Chem. Eng. 2021, 33, 100701. [Google Scholar] [CrossRef]
- Karami, N.; Outbib, R.; Moubayed, N. Fuel flow control of a PEM Fuel Cell with MPPT. In Proceedings of the International Symposium on Intelligent Control, Dubrovnik, Croatia, 3–5 October 2012; pp. 289–294. [Google Scholar] [CrossRef]
- Khan, F.; Nawaz, A.; Muhammad, M.; Ali, M. Review and Analysis of MATLAB® Simulink Model Of PEM Fuel Cell Stack. Int. J. Eng. Comput. Sci. 2013, 13, 31–34. [Google Scholar]
- Sivakumar, S.; Sathik, M.J.; Manoj, P.S.; Sundararajan, G. An assessment on performance of DC–DC converters for renewable energy applications. Renew. Sustain. Energy Rev. 2016, 58, 1475–1485. [Google Scholar] [CrossRef]
- Kolli, A.; Gaillard, A.; De Bernardinis, A.; Bethoux, O.; Hissel, D.; Khatir, Z. A review on DC/DC converter architectures for power fuel cell applications. Energy Convers. Manag. 2015, 105, 716–730. [Google Scholar] [CrossRef]
- Mumtaz, F.; Zaihar Yahaya, N.; Tanzim Meraj, S.; Singh, B.; Kannan, R.; Ibrahim, O. Review on non-isolated DC-DC converters and their control techniques for renewable energy applications. Ain Shams Eng. J. 2021, 12, 3747–3763. [Google Scholar] [CrossRef]
- Arunkumari, T.; Indragandhi, V. An overview of high voltage conversion ratio DC-DC converter configurations used in DC micro-grid architectures. Renew. Sustain. Energy Rev. 2017, 77, 670–687. [Google Scholar] [CrossRef]
- Lai, J.S. Power conditioning circuit topologies. IEEE Ind. Electron. Mag. 2009, 3, 24–34. [Google Scholar] [CrossRef]
- Rosas-Caro, J.C.; Ramirez, J.M.; Garcia-Vite, P.M. Novel DC-DC Multilevel Boost Converter. In Proceedings of the Power Electronics Specialists Conference, Rhodes, Greece, 15–19 June 2008; pp. 2146–2151. [Google Scholar] [CrossRef]
- Rosas-Caro, J.; Ramirez, J.; Peng, F.; Valderrabano, A. A DC–DC multilevel boost converter. IET Power Electron. 2010, 3, 129–137. [Google Scholar] [CrossRef]
- İNcİ, M. Design and Analysis of Dual Level Boost Converter Based Transformerless Grid Connected PV System for Residential Applications. In Proceedings of the 4th International Conference on Power Electronics and their Applications (ICPEA), Elazig, Turkey, 25–27 September 2019; pp. 1–6. [Google Scholar] [CrossRef]
- Alsafrani, A.; Parker, M.; Shahbazi, M.; Horsfall, A. High Gain DC-DC Multilevel Boost Converter to Enable Transformerless Grid Connection for Renewable Energy. In Proceedings of the 56th International Universities Power Engineering Conference (UPEC), Middlesbrough, UK, 31 August–3 September 2021; pp. 1–6. [Google Scholar] [CrossRef]
- Alsafrani, A.; Shahbazi, M.; Horsfall, A. High gain DC-DC voltage lift switched-inductor multilevel boost converter for supporting grid connection of wave energy conversion. In Proceedings of the 11th International Conference on Power Electronics, Machines and Drives (PEMD 2022), Hybrid Conference, Newcastle, UK, 21–23 June 2022; pp. 754–758. [Google Scholar] [CrossRef]
- Youn, H.S.; Yun, D.H.; Lee, W.S.; Lee, I.O. Study on Boost Converters with High Power-Density for Hydrogen-Fuel-Cell Hybrid Railway System. Electronics 2020, 9, 771. [Google Scholar] [CrossRef]
- Zhang, Y.; Shi, J.; Zhou, L.; Li, J.; Sumner, M.; Wang, P.; Xia, C. Wide Input-Voltage Range Boost Three-Level DC–DC Converter With Quasi-Z Source for Fuel Cell Vehicles. IEEE Trans. Power Electron. 2017, 32, 6728–6738. [Google Scholar] [CrossRef]
- Elsayad, N.; Moradisizkoohi, H.; Mohammed, O.A. A Three-Level Boost Converter with an Extended Gain and Reduced Voltage Stress using WBG Devices. In Proceedings of the 6th Workshop on Wide Bandgap Power Devices and Applications (WiPDA), Atlanta, GA, USA, 31 October–2 November 2018; pp. 45–50. [Google Scholar] [CrossRef]
- Nahar, S.; Uddin, M.B. Analysis the performance of interleaved boost converter. In Proceedings of the 4th International Conference on Electrical Engineering and Information & Communication Technology (iCEEiCT), Dhaka, Bangladesh, 13–15 September 2018; pp. 547–551. [Google Scholar] [CrossRef]
- Harinee, M.; Nagarajan, V.S.; Dimple; Seyezhai, R.; Mathur, B.L. Modeling and design of fuel cell based two phase interleaved boost converter. In Proceedings of the 1st International Conference on Electrical Energy Systems, Chennai, India, 3–5 January 2011; pp. 72–77. [Google Scholar] [CrossRef]
- Chen, C.; Wang, C.; Hong, F. Research of an interleaved boost converter with four interleaved boost convert cells. In Proceedings of the Asia Pacific Conference on Postgraduate Research in Microelectronics & Electronics (PrimeAsia), Shanghai, China, 19–21 January 2009; pp. 396–399. [Google Scholar] [CrossRef]
- Jang, Y.; Jovanovic, M.M. Interleaved Boost Converter With Intrinsic Voltage-Doubler Characteristic for Universal-Line PFC Front End. IEEE Trans. Power Electron. 2007, 22, 1394–1401. [Google Scholar] [CrossRef]
- Zhou, L.W.; Zhu, B.X.; Luo, Q.M.; Chen, S. Interleaved non-isolated high step-up DC/DC converter based on the diode–capacitor multiplier. IET Power Electron. 2014, 7, 390–397. [Google Scholar] [CrossRef]
- Varesi, K.; Hassanpour, N.; Saeidabadi, S. Novel high step-up DC–DC converter with increased voltage gain per devices and continuous input current suitable for DC microgrid applications. Int. J. Circuit Theory Appl. 2020, 48, 1820–1837. [Google Scholar] [CrossRef]
- Fang Lin, L.; Hong, Y. Positive output super-lift converters. IEEE Trans. Power Electron. 2003, 18, 105–113. [Google Scholar] [CrossRef]
- Berkovich, Y.; Axelrod, B.; Madar, R.; Twina, A. Improved Luo converter modifications with increasing voltage ratio. IET Power Electron. 2015, 8, 202–212. [Google Scholar] [CrossRef]
- Mohammed, A.T.; Alshamaa, N.K. Design and Implementation of a Modified Luo Converter with Higher–Voltage Ratio Gain. IOP Conf. Ser. Mater. Sci. Eng. 2020, 881, 012124. [Google Scholar] [CrossRef]
- Gholizadeh, H.; Sharifi Shahrivar, R.; Hashemi, M.R.; Afjei, E.; A. Gorji, S. Design and Implementation a Single-Switch Step-Up DC-DC Converter Based on Cascaded Boost and Luo Converters. Energies 2021, 14, 3584. [Google Scholar] [CrossRef]
- Mahdizadeh, S.; Gholizadeh, H.; Gorji, S.A. A Power Converter Based on the Combination of Cuk and Positive Output Super Lift Lou Converters: Circuit Analysis, Simulation and Experimental Validation. IEEE Access 2022, 10, 52899–52911. [Google Scholar] [CrossRef]
- Verma, M.; Kumar, S.S. Hardware Design of SEPIC Converter and its Analysis. In Proceedings of the International Conference on Current Trends towards Converging Technologies (ICCTCT), Coimbatore, India, 1–3 March 2018; pp. 1–4. [Google Scholar] [CrossRef]
- Gu, W.; Zhang, D. Designing a SEPIC Converter; National Semiconductor Application Note 1484; National Semiconductor Corporation: Santa Clara, CA, USA, 2008. [Google Scholar]
- Gules, R.; Santos, W.M.d.; Reis, F.A.d.; Romaneli, E.F.R.; Badin, A.A. A Modified SEPIC Converter With High Static Gain for Renewable Applications. IEEE Trans. Power Electron. 2014, 29, 5860–5871. [Google Scholar] [CrossRef]
- Ozsoy, E.; Padmanaban, S.; Blaabjerg, F.; Ionel, D.M.; Kalla, U.K.; Bhaskar, M.S. Control of High Gain Modified SEPIC Converter: A Constant Switching Frequency Modulation Sliding Mode Controlling Technique. In Proceedings of the International Power Electronics and Application Conference and Exposition (PEAC), Shenzhen, China, 4–7 November 2018; IEEE: Piscataway, NJ, USA; pp. 1–6. [Google Scholar] [CrossRef]
- Kumar, D.; Gupta, R.A.; Tiwari, H. A Novel High Voltage Gain SEPIC Converter Based on Hybrid Split-Inductor for Renewable Application. IETE J. Res. 2022, 68, 3457–3473. [Google Scholar] [CrossRef]
- Ahmed, I.; Kahawish, T. Design and Implementation of High Gain SEPIC Converter. In Proceedings of the International Conference on Advanced Computer Applications (ACA), Maysan, Iraq, 25–26 July 2021; pp. 116–121. [Google Scholar] [CrossRef]
- Ahmed, O.A.; Bleijs, J.A.M. An overview of DC–DC converter topologies for fuel cell-ultracapacitor hybrid distribution system. Renew. Sustain. Energy Rev. 2015, 42, 609–626. [Google Scholar] [CrossRef]
- Pukrushpan, J.T.; Stefanopoulou, A.G.; Peng, H. Control of Fuel Cell Power Systems: Principles, Modeling, Analysis and Feedback Design, 1st ed.; Springer: London, UK, 2004. [Google Scholar] [CrossRef]
- Fawzi, M.; El-Fergany, A.A.; Hasanien, H.M. Effective methodology based on neural network optimizer for extracting model parameters of PEM fuel cells. Int. J. Energy Res. 2019, 43, 8136–8147. [Google Scholar] [CrossRef]
- Thounthong, P.; Rael, S.; Davat, B. Utilizing fuel cell and supercapacitors for automotive hybrid electrical system. In Proceedings of the 20th Annual Applied Power Electronics Conference and Exposition, Austin, TX, USA, 6–10 March 2005; pp. 90–96. [Google Scholar] [CrossRef]
- Jeremy, L.J.; Ooi, C.A.; Teh, J. Non-isolated conventional DC-DC converter comparison for a photovoltaic system: A review. J. Renew. Sustain. Energy 2020, 12, 013502. [Google Scholar] [CrossRef]
- Kersten, A.; Rodionov, A.; Kuder, M.; Hammarström, T.; Lesnicar, A.; Thiringer, T. Review of Technical Design and Safety Requirements for Vehicle Chargers and Their Infrastructure According to National Swedish and Harmonized European Standards. Energies 2021, 14, 3301. [Google Scholar] [CrossRef]
- Wang, H.; Gaillard, A.; Hissel, D. A review of DC/DC converter-based electrochemical impedance spectroscopy for fuel cell electric vehicles. Renew. Energy 2019, 141, 124–138. [Google Scholar] [CrossRef]
- Raghavendra, K.V.G.; Zeb, K.; Muthusamy, A.; Krishna, T.N.V.; Kumar, S.V.S.V.P.; Kim, D.H.; Kim, M.S.; Cho, H.G.; Kim, H.J. A Comprehensive Review of DC–DC Converter Topologies and Modulation Strategies with Recent Advances in Solar Photovoltaic Systems. Electronics 2020, 9, 31. [Google Scholar] [CrossRef]
- Liu, Z.; Du, J.; Yu, B. Design Method of Double-Boost DC/DC Converter with High Voltage Gain for Electric Vehicles. World Electr. Veh. J. 2020, 11, 64. [Google Scholar] [CrossRef]
- Hwu, K.I.; Yau, Y.T. An Interleaved AC–DC Converter Based on Current Tracking. IEEE Trans. Ind. Electron. 2009, 56, 1456–1463. [Google Scholar] [CrossRef]
- Tomaszuk, A.; Krupa, A. High efficiency high step-up DC/DC converters—A review. Bull. Pol. Acad. Sci. Tech. Sci. 2011, 59, 475–483. [Google Scholar] [CrossRef]
- Ramasamy, S.; Abishri, P.; Umashankar, S. Review of coupled two and three phase interleaved boost converter (IBC) and investigation of four phase IBC for renewable application. Int. J. Renew. Energy Res. 2016, 6, 421–434. [Google Scholar] [CrossRef]































| Converter Type | No. of Components | Voltage Gain | Voltage Stress Across the Switch S | |||
|---|---|---|---|---|---|---|
| S | L | C | D | |||
| DBC | 1 | 1 | 3 | 3 | ||
| TBC | 1 | 1 | 5 | 5 | ||
| 1st M-TBC | 1 | 2 | 6 | 7 | ||
| DuBC | 2 | 2 | 1 | 3 | ||
| TLBC | 2 | 1 | 2 | 2 | ||
| 1st M-TLBC | 2 | 2 | 4 | 3 | ||
| 2nd M-TLBC | 2 | 2 | 4 | 3 | ||
| 2-IBC | 2 | 2 | 1 | 2 | ||
| 4-IBC | 4 | 4 | 1 | 4 | ||
| 1st M-IBC | 2 | 2 | 2 | 2 | ||
| 2nd M-IBC | 2 | 2 | 3 | 3 | ||
| 3rd M-IBC | 2 | 2 | 3 | 3 | ||
| PSOL | 1 | 1 | 2 | 2 | ||
| 1st M-PSOL | 1 | 2 | 2 | 5 | ||
| 2nd M-PSOL | 1 | 2 | 3 | 4 | ||
| 3rd M-PSOL | 1 | 2 | 3 | 4 | ||
| 4th M-PSOL | 2 | 2 | 3 | 3 | ; | |
| SEPIC | 1 | 2 | 2 | 1 | ||
| 1st M-SEPIC | 1 | 2 | 3 | 2 | ||
| 2nd M-SEPIC | 1 | 2 | 4 | 4 | ||
| 3rd M-SEPIC | 1 | 3 | 3 | 5 | ||
| 4th M-SEPIC | 1 | 3 | 5 | 7 | ||
Disclaimer/Publisher’s Note: The statements, opinions and data contained in all publications are solely those of the individual author(s) and contributor(s) and not of MDPI and/or the editor(s). MDPI and/or the editor(s) disclaim responsibility for any injury to people or property resulting from any ideas, methods, instructions or products referred to in the content. |
© 2023 by the authors. Licensee MDPI, Basel, Switzerland. This article is an open access article distributed under the terms and conditions of the Creative Commons Attribution (CC BY) license (https://creativecommons.org/licenses/by/4.0/).
Share and Cite
Abbas, F.A.; Abdul-Jabbar, T.A.; Obed, A.A.; Kersten, A.; Kuder, M.; Weyh, T. A Comprehensive Review and Analytical Comparison of Non-Isolated DC-DC Converters for Fuel Cell Applications. Energies 2023, 16, 3493. https://doi.org/10.3390/en16083493
Abbas FA, Abdul-Jabbar TA, Obed AA, Kersten A, Kuder M, Weyh T. A Comprehensive Review and Analytical Comparison of Non-Isolated DC-DC Converters for Fuel Cell Applications. Energies. 2023; 16(8):3493. https://doi.org/10.3390/en16083493
Chicago/Turabian StyleAbbas, Furqan A., Thealfaqar A. Abdul-Jabbar, Adel A. Obed, Anton Kersten, Manuel Kuder, and Thomas Weyh. 2023. "A Comprehensive Review and Analytical Comparison of Non-Isolated DC-DC Converters for Fuel Cell Applications" Energies 16, no. 8: 3493. https://doi.org/10.3390/en16083493
APA StyleAbbas, F. A., Abdul-Jabbar, T. A., Obed, A. A., Kersten, A., Kuder, M., & Weyh, T. (2023). A Comprehensive Review and Analytical Comparison of Non-Isolated DC-DC Converters for Fuel Cell Applications. Energies, 16(8), 3493. https://doi.org/10.3390/en16083493

