DC Transformers in DC Distribution Systems
Abstract
1. Introduction
2. Features of DCTs in M-LVDC Distribution Systems
2.1. High Dynamic Performance and Bidirectional Power Flow
2.2. High-Frequency Isolation
2.3. High Voltage Gain and High Power Ratings
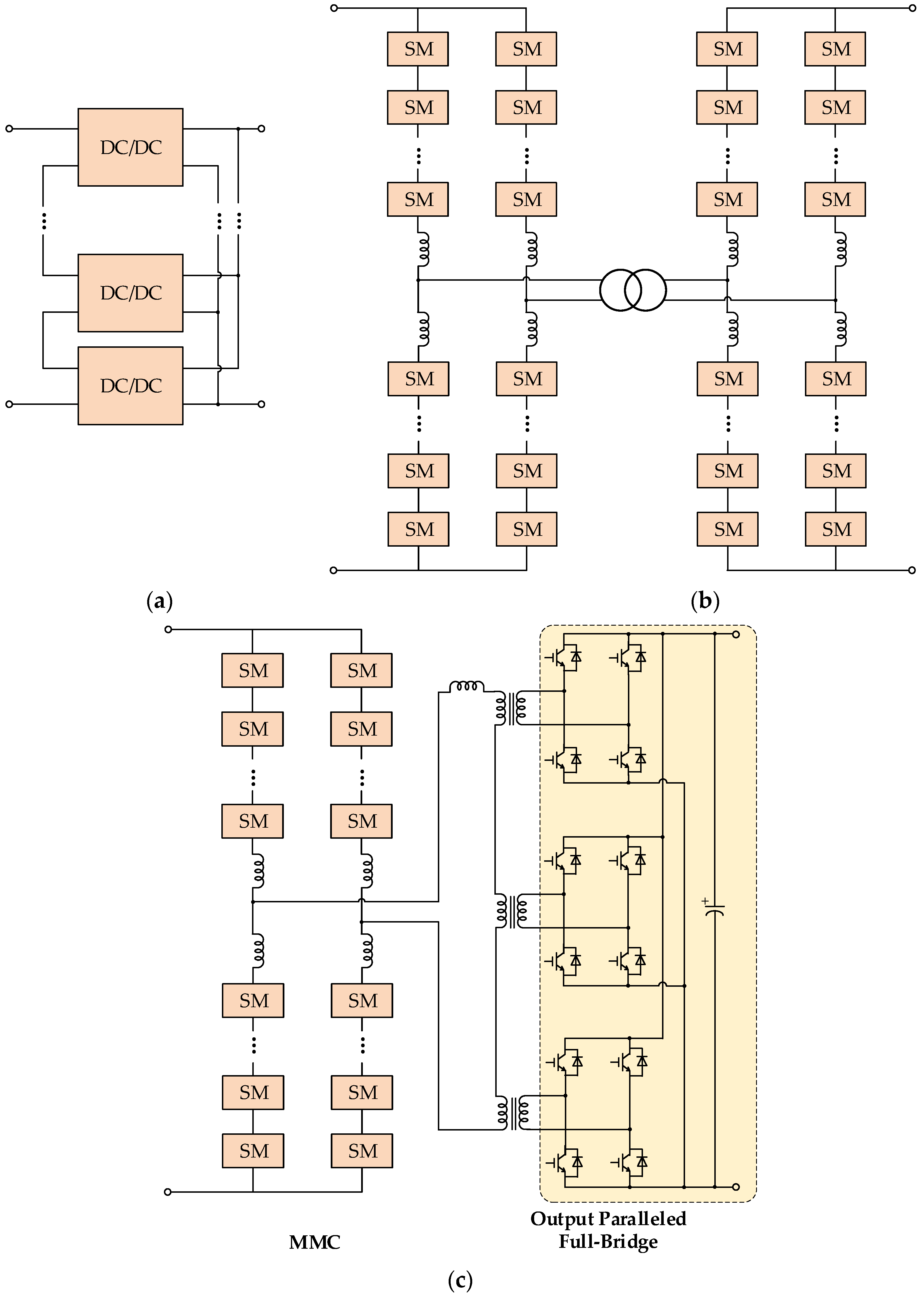
3. Typical Topologies of DCTs in M-LVDC Distribution Systems
- (1)
- Input-Series–Output-Parallel (ISOP) structure;
- (2)
- Modular Multi-level Converter (MMC);
- (3)
- Hybrid structure.
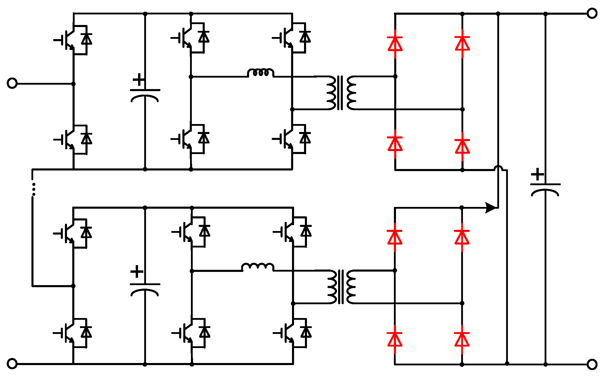
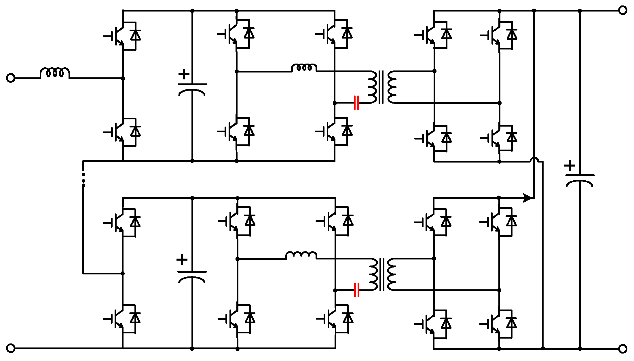
3.1. ISOP Topology
3.2. MMC Topology
3.3. Hybrid Topology
4. Control Strategies
4.1. Steady-State Control Strategy
- (1)
- All modules are self-contained and standardized;
- (2)
- Ease of expanding the power capacity;
- (3)
- High redundancy.
4.2. Transient-State Control Strategy
4.3. Cascaded System Control Strategy
5. Engineering Application
- (1)
- Pure PV accesses scenario
- (2)
- Hybrid PV, ESS, and various industrial load access scenarios
- (3)
- Charging pile accesses scenario
- (4)
- Residential, commercial, data center, and other application access scenario
6. Challenges and Future Works
6.1. Challenges
- (1)
- Design and manufacture of high-frequency transformers
- (2)
- Limitations of DCT efficiency optimization algorithm
- (3)
- Immature FRT method
- (4)
- Disadvantages at device level
- (5)
- Cascaded instability
6.2. Future Works
- (1)
- Improve the design theory and manufacturing method of high-frequency transformers under high-voltage and high-power conditions by analyzing the loss characteristics of magnetic core winding and the aging mechanism of insulation materials under harsh conditions, exploring the high-precision measurement method of parasitic parameters.
- (2)
- Establish a complete and accurate loss model, exploring the core factors affecting the operation efficiency and proposing a global efficiency improvement method for DCTs.
- (3)
- Carry out in-depth research on the fault characteristics of DCTs, including analyses of the operation mechanism of DCTs under fault states, characterization of the operation boundary, and study of the FRT strategy.
- (4)
- Develop the application of wide-bandgap (WBG) power devices in DCTs. SiC power devices have apparent advantages in switching speed, on-state resistance, and switching losses; developing high-voltage SiC-MOSFETs can reduce the number of modules in an ISOP.
- (5)
- Develop an impedance sweep tool for DCTs. Recently, many equipment manufacturers have focused on developing a specialized impedance analysis tool to obtain the input/output impedance by frequency sweeping [77]. In addition to this, equipment that can automatically design a reasonable LC filter and reshape the impedance to achieve stabilization is also a research hotspot.
7. Conclusions
Author Contributions
Funding
Data Availability Statement
Conflicts of Interest
References
- Wu, Q.; Peng, C. Scenario Analysis of Carbon Emissions of China’s Electric Power Industry Up to 2030. Energies 2016, 9, 988. [Google Scholar] [CrossRef]
- Sun, X.; Zhang, B.; Tang, X.; McLellan, B.C.; Höök, M. Sustainable Energy Transitions in China: Renewable Options and Impacts on the Electricity System. Energies 2016, 9, 980. [Google Scholar] [CrossRef]
- Musiał, W.; Zioło, M.; Luty, L.; Musiał, K. Energy Policy of European Union Member States in the Context of Renewable Energy Sources Development. Energies 2021, 14, 2864. [Google Scholar] [CrossRef]
- Khan, S.S.; Wen, H. A Comprehensive Review of Fault Diagnosis and Tolerant Control in DC-DC Converters for DC Microgrids. IEEE Access 2021, 9, 80100–80127. [Google Scholar] [CrossRef]
- Alhurayyis, I.; Elkhateb, A.; Morrow, J. Isolated and Nonisolated DC-to-DC Converters for Medium-Voltage DC Networks: A Review. IEEE J. Emerg. Sel. Top. Power Electron. 2021, 9, 7486–7500. [Google Scholar] [CrossRef]
- Gorji, S.A.; Sahebi, H.G.; Ektesabi, M.; Rad, A.B. Topologies and Control Schemes of Bidirectional DC–DC Power Converters: An Overview. IEEE Access 2019, 7, 117997–118019. [Google Scholar] [CrossRef]
- Das, D.; Hossain, M.J.; Mishra, S.; Singh, B. Bidirectional Power Sharing of Modular DABs to Improve Voltage Stability in DC Microgrids. IEEE Trans. Ind. Appl. 2022, 58, 2369–2377. [Google Scholar] [CrossRef]
- Terawatt-Scale Photovoltaics: Trajectories and Challenges | Science. Available online: https://www.science.org/doi/full/10.1126/science.aal1288 (accessed on 14 October 2022).
- Lainfiesta Herrera, M.; Hayajneh, H.S.; Zhang, X. DC Communities: Transformative Building Blocks of the Emerging Energy Infrastructure. Energies 2021, 14, 7730. [Google Scholar] [CrossRef]
- Zhang, W.; Liu, Y.; Cui, Y.; Zhao, M.; Wei, T.; Chen, Q. Research on Typical Power Supply Mode of DC Distribution and Consumption System. In Proceedings of the 2020 IEEE Sustainable Power and Energy Conference (iSPEC), Chengdu, China, 23–25 November 2020; pp. 491–496. [Google Scholar]
- Yang, W.; Yibin, Z.; Donglai, Z.; Han, H. The Technical Trends and Suggestions on the Development of DC Power Grid. In Proceedings of the 2014 International Conference on Power System Technology, Chengdu, China, 20–22 October 2014; pp. 1975–1979. [Google Scholar]
- Xu, C.D.; Cheng, K.W.E. A Survey of Distributed Power System—AC versus DC Distributed Power System. In Proceedings of the 2011 4th International Conference on Power Electronics Systems and Applications, Hong Kong, China, 8–10 June 2011; pp. 1–12. [Google Scholar]
- An In-Depth Comparison of HVDC and HVAC-Technical Articles. Available online: https://eepower.com/technical-articles/an-in-depth-comparison-of-hvdc-and-hvac/# (accessed on 6 March 2023).
- Yang, W.; Zhang, A.; Song, S.; Zhang, H.; Wang, J. Comparative Study on Radial Topology 10kV AC and ±10kV DC Power Distribution Network. In Proceedings of the 2016 Chinese Control and Decision Conference (CCDC), Yinchuan, China, 28–30 May 2016; pp. 6216–6221. [Google Scholar]
- Liu, Y.; Li, Y.; Wang, Y.; Zhu, J.; Gooi, H.B.; Xin, H. Distributed Real-Time Multi-Objective Control of a Virtual Power Plant in DC Distribution Systems. IEEE Trans. Power Deliv. 2022, 37, 1876–1887. [Google Scholar] [CrossRef]
- Li, Y.; He, L.; Liu, F.; Li, C.; Cao, Y.; Shahidehpour, M. Flexible Voltage Control Strategy Considering Distributed Energy Storages for DC Distribution Network. IEEE Trans. Smart Grid 2019, 10, 163–172. [Google Scholar] [CrossRef]
- Zhao, B.; Song, Q.; Li, J.; Sun, Q.; Liu, W. Full-Process Operation, Control, and Experiments of Modular High-Frequency-Link DC Transformer Based on Dual Active Bridge for Flexible MVDC Distribution: A Practical Tutorial. IEEE Trans. Power Electron. 2017, 32, 6751–6766. [Google Scholar] [CrossRef]
- Pires, V.F.; Pires, A.; Cordeiro, A. DC Microgrids: Benefits, Architectures, Perspectives and Challenges. Energies 2023, 16, 1217. [Google Scholar] [CrossRef]
- Sospiro, P.; Amarnath, L.; Di Nardo, V.; Talluri, G.; Gandoman, F.H. Smart Grid in China, EU, and the US: State of Implementation. Energies 2021, 14, 5637. [Google Scholar] [CrossRef]
- Ruixiong, Y.; Kangsheng, C.; Jianfu, C.; Lu, Q.; Yong, C.; Zhanqing, Y.; Jian, S.; Jian, C. Review of Typical Technical Schemes for Medium and Low Voltage DC Distribution. In Proceedings of the 18th International Conference on AC and DC Power Transmission (ACDC 2022), Online, 2–3 July 2022; Volume 2022, pp. 1015–1022. [Google Scholar]
- Zhao, M.; Yue, Y.; Li, S.; Xiao, D.; Lv, X.; Chen, D.; Dong, S. Feasibility Study of Using Flexible Substations in Distribution Systems in China. In Proceedings of the 2018 2nd IEEE Conference on Energy Internet and Energy System Integration (EI2), Beijing, China, 20–22 October 2018; pp. 1–6. [Google Scholar]
- Kang, J.; Hao, B.; Li, Y.; Lin, H.; Xue, Z. The Application and Development of LVDC Buildings in China. Energies 2022, 15, 7045. [Google Scholar] [CrossRef]
- Jin, H.; Chen, W.; Hou, K.; Shao, S.; Shu, L.; Li, R. A Sharing-Branch Modular Multilevel DC Transformer with Wide Voltage Range Regulation for DC Distribution Grids. IEEE Trans. Power Electron. 2022, 37, 5714–5730. [Google Scholar] [CrossRef]
- Adam, G.P.; Alsokhiry, F.; Al-Turki, Y.; Ajangnay, M.O.; Amogpai, A.Y. DC-DC Converters for Medium and High Voltage Applications. In Proceedings of the IECON 2019-45th Annual Conference of the IEEE Industrial Electronics Society, Lisbon, Portugal, 14–17 October 2019; Volume 1, pp. 3337–3342. [Google Scholar]
- Chen, J.; Nguyen, M.-K.; Yao, Z.; Wang, C.; Gao, L.; Hu, G. DC-DC Converters for Transportation Electrification: Topologies, Control, and Future Challenges. IEEE Electrif. Mag. 2021, 9, 10–22. [Google Scholar] [CrossRef]
- Cheng, X.-F.; Liu, C.; Wang, D.; Zhang, Y. State-of-the-Art Review on Soft-Switching Technologies for Non-Isolated DC-DC Converters. IEEE Access 2021, 9, 119235–119249. [Google Scholar] [CrossRef]
- Fotopoulou, M.; Rakopoulos, D.; Trigkas, D.; Stergiopoulos, F.; Blanas, O.; Voutetakis, S. State of the Art of Low and Medium Voltage Direct Current (DC) Microgrids. Energies 2021, 14, 5595. [Google Scholar] [CrossRef]
- Swaminathan, N.; Cao, Y. An Overview of High-Conversion High-Voltage DC–DC Converters for Electrified Aviation Power Distribution System. IEEE Trans. Transp. Electrif. 2020, 6, 1740–1754. [Google Scholar] [CrossRef]
- Xuan, Y.; Yang, X.; Chen, W.; Liu, T.; Hao, X. A Novel NPC Dual-Active-Bridge Converter With Blocking Capacitor for Energy Storage System. IEEE Trans. Power Electron. 2019, 34, 10635–10649. [Google Scholar] [CrossRef]
- Huber, J.E.; Kolar, J.W. Applicability of Solid-State Transformers in Today’s and Future Distribution Grids. IEEE Trans. Smart Grid 2019, 10, 317–326. [Google Scholar] [CrossRef]
- Guan, Y.; Cecati, C.; Alonso, J.M.; Zhang, Z. Review of High-Frequency High-Voltage-Conversion-Ratio DC–DC Converters. IEEE J. Emerg. Sel. Top. Ind. Electron. 2021, 2, 374–389. [Google Scholar] [CrossRef]
- Wang, Y.; Guan, Y.; Fosso, O.; Molinas, M.; Chen, S.-Z.; Zhang, Y. An Input-Voltage-Sharing Control Strategy of Input-Series-Output-Parallel Isolated Bidirectional DC/DC Converter for DC Distribution Network. IEEE Trans. Power Electron. 2021, 37, 1592–1604. [Google Scholar] [CrossRef]
- Zhong, M.; Ao, Q.; Zhang, W.; Fan, Y.; Meng, W. A Hybrid Control Scheme for the Dual-Active-Bridge Dc-Dc Converter with Fast Dynamic Response and Measurement Noise Suppression. In Proceedings of the 2021 11th International Conference on Power and Energy Systems (ICPES), Shanghai, China, 18–20 December 2021; pp. 30–35. [Google Scholar]
- Cui, S.; Hu, J.; De Doncker, R.W. Control and Experiment of a TLC-MMC Hybrid DC–DC Converter for the Interconnection of MVDC and HVDC Grids. IEEE Trans. Power Electron. 2020, 35, 2353–2362. [Google Scholar] [CrossRef]
- Chen, Y.; Zhang, Y. Fault Characteristics and Riding-Through Methods of Dual Active Bridge Converter Under Short-Circuit of the Load. IEEE Trans. Power Electron. 2021, 36, 9578–9591. [Google Scholar] [CrossRef]
- Suryadevara, R.; Parsa, L. Full-Bridge ZCS-Converter-Based High-Gain Modular DC-DC Converter for PV Integration With Medium-Voltage DC Grids. IEEE Trans. Energy Convers. 2019, 34, 302–312. [Google Scholar] [CrossRef]
- Zhang, Y.; Shi, S.; Xu, D.; Yang, R. Comparison and Review of DC Transformer Topologies for HVDC and DC Grids. In Proceedings of the 2016 IEEE 8th International Power Electronics and Motion Control Conference (IPEMC-ECCE Asia), Hefei, China, 22–26 May 2016; pp. 3336–3343. [Google Scholar]
- Khan, Z.W.; Minxiao, H.; Kai, C.; Yang, L.; Rehman, A. State of the Art DC-DC Converter Topologies for the Multi-Terminal DC Grid Applications: A Review. In Proceedings of the 2020 IEEE International Conference on Power Electronics, Smart Grid and Renewable Energy (PESGRE2020), Cochin, India, 2–4 January 2020; pp. 1–7. [Google Scholar]
- Fan, Y.; Chi, Y.; Li, Y.; Wang, Z.; Liu, H.; Liu, W.; Li, X. Key Technologies for Medium and Low Voltage DC Distribution System. Glob. Energy Interconnect. 2021, 4, 91–103. [Google Scholar] [CrossRef]
- Haris, M.; Asim, M.; Tariq, M. A Review of Non-Isolated High Gain DC-to-DC Converter Topologies. In Proceedings of the 2022 2nd International Conference on Emerging Frontiers in Electrical and Electronic Technologies (ICEFEET), Patna, India, 24–25 June 2022; pp. 1–6. [Google Scholar]
- Zumel, P.; Ortega, L.; Lazaro, A.; Fernandez, C.; Barrado, A.; Rodriguez, A.; Hernando, M.M. Modular Dual-Active Bridge Converter Architecture. IEEE Trans. Ind. Applicat. 2016, 52, 2444–2455. [Google Scholar] [CrossRef]
- Zeng, J.; Rao, Y. Power Optimization Balance Control Strategy for Input-Series-Output-Parallel DAB Converters. In Proceedings of the 2021 IEEE 1st International Power Electronics and Application Symposium (PEAS), Shanghai, China, 13–15 November 2021; pp. 1–4. [Google Scholar]
- Qu, L.; Zhang, D.; Bao, Z. Output Current-Differential Control Scheme for Input-Series–Output-Parallel-Connected Modular DC–DC Converters. IEEE Trans. Power Electron. 2017, 32, 5699–5711. [Google Scholar] [CrossRef]
- Li, Z.; Zhang, Y.; Wu, X.; Yang, J. Control Strategy of Transient Process for Dual-Bridge Series Resonant Converter. In Proceedings of the 2022 IEEE Energy Conversion Congress and Exposition (ECCE), Detroit, MI, USA, 9–13 October 2022; pp. 1–6. [Google Scholar]
- Cheng, S.; Shi, S.; Zhuo, F.; Wang, F.; Zhu, Y.; Zhang, N. A DC Transformer Based on MMC and Full-Bridge Structure with Control Method. In Proceedings of the 2019 10th International Conference on Power Electronics and ECCE Asia (ICPE 2019-ECCE Asia), Busan, Republic of Korea, 27–30 May 2019; pp. 1401–1406. [Google Scholar]
- Wang, Y.; Yang, L.; Wu, Q.; Chen, S.-Z.; Yu, Z.; Guan, Y.; Zhang, Y. A Hybrid Isolated Bidirectional DC/DC Solid-State Transformer for DC Distribution Network. IEEE Access 2021, 9, 159059–159070. [Google Scholar] [CrossRef]
- Xie, R.; Li, H. Fault Performance Comparison Study of a Dual Active Bridge (DAB) Converter and an Isolated Modular Multilevel DC/DC (IM2DC) Converter for Power Conversion Module Application in a Breaker-Less Shipboard MVDC System. IEEE Trans. Ind. Applicat. 2018, 54, 5444–5455. [Google Scholar] [CrossRef]
- Xiang, X.; Gu, Y.; Qiao, Y.; Zhang, X.; Li, W.; He, X.; Green, T.C. Resonant Modular Multilevel DC–DC Converters for Both High and Low Step-Ratio Connections in MVDC Distribution Systems. IEEE Trans. Power Electron. 2021, 36, 7625–7640. [Google Scholar] [CrossRef]
- Wang, Y.; Li, Q.; Li, B.; Wei, T.; Zhu, Z.; Li, W.; Wen, W.; Wang, C. A Practical DC Fault Ride-Through Method for MMC Based MVDC Distribution Systems. IEEE Trans. Power Deliv. 2021, 36, 2510–2519. [Google Scholar] [CrossRef]
- Song, Y.; Luo, Y.; Xiong, X.; Blaabjerg, F.; Wang, W. An Improved Submodule Topology of MMC With Fault Blocking Capability Based On Reverse-Blocking Insulated Gate Bipolar Transistor. IEEE Trans. Power Deliv. 2022, 37, 1559–1568. [Google Scholar] [CrossRef]
- Xu, J.; Zhu, S.; Li, C.; Zhao, C. The Enhanced DC Fault Current Calculation Method of MMC-HVDC Grid With FCLs. IEEE J. Emerg. Sel. Topics Power Electron. 2019, 7, 1758–1767. [Google Scholar] [CrossRef]
- Peng, C.; Li, R.; Cai, X. Reverse Blocking Devices Based Three-Level MMC Sub-Module Topology With DC Side Fault Blocking Capability. IEEE Trans. Power Deliv. 2022, 37, 1866–1875. [Google Scholar] [CrossRef]
- Zhao, B.; Song, Q.; Li, J.; Wang, Y.; Liu, W. Modular Multilevel High-Frequency-Link DC Transformer Based on Dual Active Phase-Shift Principle for Medium-Voltage DC Power Distribution Application. IEEE Trans. Power Electron. 2017, 32, 1779–1791. [Google Scholar] [CrossRef]
- Zhao, B.; Song, Q.; Li, J.; Xu, X.; Liu, W. Comparative Analysis of Multilevel-High-Frequency-Link and Multilevel-DC-Link DC–DC Transformers Based on MMC and Dual-Active Bridge for MVDC Application. IEEE Trans. Power Electron. 2018, 33, 2035–2049. [Google Scholar] [CrossRef]
- Zhao, B.; Song, Q.; Li, J.; Liu, W.; Liu, G.; Zhao, Y. High-Frequency-Link DC Transformer Based on Switched Capacitor for Medium-Voltage DC Power Distribution Application. IEEE Trans. Power Electron. 2015, 31, 4766–4777. [Google Scholar] [CrossRef]
- Ma, D.; Chen, W.; Ruan, X. A Review of Voltage/Current Sharing Techniques for Series–Parallel-Connected Modular Power Conversion Systems. IEEE Trans. Power Electron. 2020, 35, 12383–12400. [Google Scholar] [CrossRef]
- Luo, C.; Huang, S. Novel Voltage Balancing Control Strategy for Dual-Active-Bridge Input-Series-Output-Parallel DC-DC Converters. IEEE Access 2020, 8, 103114–103123. [Google Scholar] [CrossRef]
- Liu, F.; Zhou, G.; Ruan, X.; Ji, S.; Zhao, Q.; Zhang, X. An Input-Series-Output-Parallel Converter System Exhibiting Natural Input-Voltage Sharing and Output-Current Sharing. IEEE Trans. Ind. Electron. 2021, 68, 1166–1177. [Google Scholar] [CrossRef]
- Deng, F.; Zhang, X.; Li, X.; Lei, T.; Wang, T. Decoupling Control Strategy for Input-Series Output-Parallel Systems Based on Dual Active Bridge Dc-Dc Converters. In Proceedings of the 2018 9th IEEE International Symposium on Power Electronics for Distributed Generation Systems (PEDG), Charlotte, NC, USA, 25–28 June 2018; pp. 1–8. [Google Scholar]
- Ding, R.; Wang, F.; Zhang, N.; Shi, S.; Cheng, S.; Zhuo, F. A Decentralized Control Strategy with Output Voltage Deviation-Correction for Input-Series-Output-Parallel DC Transformer Based on Dual-Active-Bridge. In Proceedings of the 2020 IEEE 9th International Power Electronics and Motion Control Conference (IPEMC2020-ECCE Asia), Nanjing, China, 29 November 2020; pp. 2458–2462. [Google Scholar]
- Tiwary, N.; Venkataramana, N.N.; Panda, A.K.; Narendra, A. Direct Power Control of Dual Active Bridge Bidirectional DC-DC Converter. In Proceedings of the 2019 International Conference on Power Electronics, Control and Automation (ICPECA), New Delhi, India, 16–17 November 2019; pp. 1–4. [Google Scholar]
- Ding, J.; Li, G.; Zhang, H.; Zhang, A.; Huang, J. A Novel DPS Control of Dual Active Bridge DC-DC Converters to Minimize Current Stress and Improve Transient Response. In Proceedings of the 2021 33rd Chinese Control and Decision Conference (CCDC), Kunming, China, 22 May 2021; pp. 2130–2135. [Google Scholar]
- Zhao, B.; Yu, Q.; Sun, W. Extended-Phase-Shift Control of Isolated Bidirectional DC–DC Converter for Power Distribution in Microgrid. IEEE Trans. Power Electron. 2012, 27, 4667–4680. [Google Scholar] [CrossRef]
- Hou, N.; Song, W.; Wu, M. Minimum-Current-Stress Scheme of Dual Active Bridge DC-DC Converter With Unified-Phase-Shift Control. IEEE Trans. Power Electron. 2016, 31, 8552–8561. [Google Scholar] [CrossRef]
- Bhattacharjee, A.K.; Batarseh, I. Optimum Hybrid Modulation for Improvement of Efficiency Over Wide Operating Range for Triple-Phase-Shift Dual-Active-Bridge Converter. IEEE Trans. Power Electron. 2020, 35, 4804–4818. [Google Scholar] [CrossRef]
- Shi, H.; Wen, H.; Chen, J.; Hu, Y.; Jiang, L.; Chen, G.; Ma, J. Minimum-Backflow-Power Scheme of DAB-Based Solid-State Transformer With Extended-Phase-Shift Control. IEEE Trans. Ind. Applicat. 2018, 54, 3483–3496. [Google Scholar] [CrossRef]
- Chen, Y.; Zhang, Y. Transient Model and Elimination Method for DC Bias Current in Dual Active Bridge Converter. In Proceedings of the 2021 IEEE Energy Conversion Congress and Exposition (ECCE), Vancouver, BC, Canada, 10 October 2021; pp. 2055–2058. [Google Scholar]
- Cespedes, M.; Xing, L.; Sun, J. Constant-Power Load System Stabilization by Passive Damping. IEEE Trans. Power Electron. 2011, 26, 1832–1836. [Google Scholar] [CrossRef]
- Guan, Y.; Xie, Y.; Wang, Y.; Liang, Y.; Wang, X. An Active Damping Strategy for Input Impedance of Bidirectional Dual Active Bridge DC–DC Converter: Modeling, Shaping, Design, and Experiment. IEEE Trans. Ind. Electron. 2021, 68, 1263–1274. [Google Scholar] [CrossRef]
- Aldhaheri, A.; Etemadi, A. Impedance Decoupling in DC Distributed Systems to Maintain Stability and Dynamic Performance. Energies 2017, 10, 470. [Google Scholar] [CrossRef]
- Chen, Y.; Zhang, Y.; Qu, E.; He, M. Active Damping Method for LC-DAB System Based on a Power-Based Impedance Model. IEEE Trans. Power Electron. 2023, 38, 4405–4418. [Google Scholar] [CrossRef]
- Kumar, R.; Bhende, C.N. Active Damping Stabilization Techniques for Cascaded Systems in DC Microgrids: A Comprehensive Review. Energies 2023, 16, 1339. [Google Scholar] [CrossRef]
- Wang, Y.; Song, Q.; Sun, Q.; Zhao, B.; Li, J.; Liu, W. Multilevel MVDC Link Strategy of High-Frequency-Link DC Transformer Based on Switched Capacitor for MVDC Power Distribution. IEEE Trans. Ind. Electron. 2017, 64, 2829–2835. [Google Scholar] [CrossRef]
- Yao, W.; Lu, J.; Taghizadeh, F.; Bai, F.; Seagar, A. Integration of SiC Devices and High-Frequency Transformer for High-Power Renewable Energy Applications. Energies 2023, 16, 1538. [Google Scholar] [CrossRef]
- Shamshuddin, M.A.; Rojas, F.; Cardenas, R.; Pereda, J.; Diaz, M.; Kennel, R. Solid State Transformers: Concepts, Classification, and Control. Energies 2020, 13, 2319. [Google Scholar] [CrossRef]
- Javed, W.; Chen, D.; Farrag, M.E.; Xu, Y. System Configuration, Fault Detection, Location, Isolation and Restoration: A Review on LVDC Microgrid Protections. Energies 2019, 12, 1001. [Google Scholar] [CrossRef]
- Ha, H.; Konijnenburg, M.; Lukita, B.; van Wegberg, R.; Xu, J.; van den Hoven, R.; Lemmens, M.; Thoelen, R.; Van Hoof, C.; Van Helleputte, N. A Bio-Impedance Readout IC with Frequency Sweeping from 1k-to-1MHz for Electrical Impedance Tomography. In Proceedings of the 2017 Symposium on VLSI Circuits, Kyoto, Japan, 5–8 June 2017; pp. C174–C175. [Google Scholar]













| Topologies | Features |
| ISOP |
|
| MMC |
|
| Hybrid Topology | Combination of the above advantages and disadvantages. |
| Methods | Features |
| OVR–IVS control |
|
| OVR–IVS–OCS control |
|
| Decentralized OVR–IVS control |
|
| Droop control |
|
Disclaimer/Publisher’s Note: The statements, opinions and data contained in all publications are solely those of the individual author(s) and contributor(s) and not of MDPI and/or the editor(s). MDPI and/or the editor(s) disclaim responsibility for any injury to people or property resulting from any ideas, methods, instructions or products referred to in the content. |
© 2023 by the authors. Licensee MDPI, Basel, Switzerland. This article is an open access article distributed under the terms and conditions of the Creative Commons Attribution (CC BY) license (https://creativecommons.org/licenses/by/4.0/).
Share and Cite
Chen, Y.; Zhang, Y. DC Transformers in DC Distribution Systems. Energies 2023, 16, 3031. https://doi.org/10.3390/en16073031
Chen Y, Zhang Y. DC Transformers in DC Distribution Systems. Energies. 2023; 16(7):3031. https://doi.org/10.3390/en16073031
Chicago/Turabian StyleChen, Yangfan, and Yu Zhang. 2023. "DC Transformers in DC Distribution Systems" Energies 16, no. 7: 3031. https://doi.org/10.3390/en16073031
APA StyleChen, Y., & Zhang, Y. (2023). DC Transformers in DC Distribution Systems. Energies, 16(7), 3031. https://doi.org/10.3390/en16073031

