Comprehensive Review of Recent Advancements in Battery Technology, Propulsion, Power Interfaces, and Vehicle Network Systems for Intelligent Autonomous and Connected Electric Vehicles
Abstract
1. Introduction
Development of Vehicular Networks and Cloud Options
2. Future Electric Vehicle Propulsion Systems
2.1. Development of Digital Twins for EVs and Their Perks
- Ensuring that future EVs’ functionality, energy efficiency, and user comfort all advance significantly: These criteria can gauge the usability and attributes of the vehicle, for instance, price, driving distance, range forecast, overall journey time, appropriateness of a long-distance trip, comfort in all environmental circumstances, and comfort in traffic situations.
- Stress modeling and study using multi-physics: This analysis predicts breakdowns in advance, allowing for the prevention of failures and a reduction in downtime.
- Predictive maintenance using reliability analysis based on mission profiles: Battery-based electric vehicle drivetrain deterioration of the components crucial to system dependability can be identified via the mission-profile-oriented accelerated lifetime testing. As a result, product developers will be better equipped to innovate quickly and consistently, testing several combinations of various variations of drivetrain components and experimenting with novel ideas.
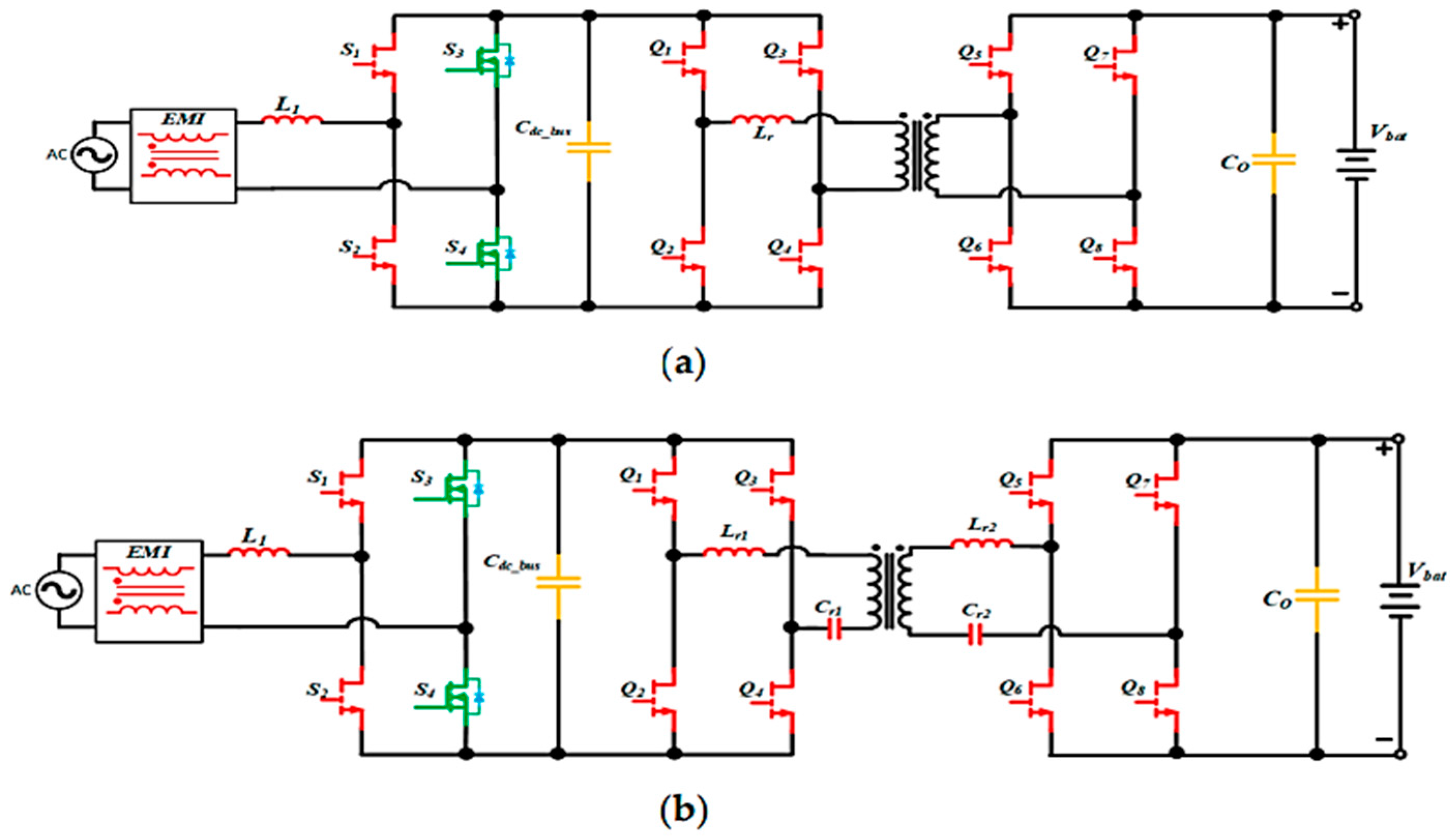
2.2. Power Electronic Interfaces
3. The Future of Solid Batteries
3.1. Previous Technology Developments Associated with Lithium Batteries
3.2. Problems Confronting the Solid-State Battery and Potential Solutions
- Due to the weak wetting between lithium and the solid electrolyte, an interfacial resistance forms. Solid electrolytes, especially those made of ceramic, exhibit very high interfacial resistance due to insufficient wetting of Li. Li is therefore ineligible for use in solid-state batteries. It was discovered that solid electrolytes made of polymers exhibit improved Li wetting while having less ionic conductivity than their ceramic counterparts. In light of this, polymer/ceramic composites can be used as electrolytes to address the Li wetting problem [86].
- Li metal used in high-power applications has substantial dendrite development and spread problems. The critical current densities for solid-state batteries are quite a distance from the intended value of 5 mA/cm2 [87,88]. Additionally, since plating (charging) and stripping (discharging) differ from one another, the critical current density must be decreased. Dendrite propagation is severely constrained in dense microstructures, hence great attention has been taken to create the electrolytes as tightly as possible, despite the fact that the exact reason and therapeutic treatments are yet unknown [86].
- Solid electrolytes with high ionic conductivity are challenging to make, store, and handle. They are expensive to use and necessitate specific methods and oxygen-free environments. In this field, there is a constant need to reduce production costs and facilitate handling of solid electrolytes.
3.3. Batteries with Embedded Sensors
4. Intelligent Bidirectional V2G Systems
Bidirectional (V2G/G2V) On-Board Charging Systems
5. The Transition to Climate-Neutral Transportation and Energy
6. Autonomous Electric Vehicles (AEVs)
6.1. Wireless-Enabled Technology for AEVs
6.2. Shared Electric Autonomous Vehicles (SEAVs)
7. Autonomous Electric Vehicles and Autonomous Driving Concept
7.1. Advanced Driver Assistance Systems (ADASs)
7.2. Constraints of Autonomous Driving
8. Challenges and Opportunities
- In the operational class, vehicle control is the main concern.
- Second is the tactical class, where object identification and tracking as well as path planning are planned.
- Third, but certainly no less important, is the strategic class, where one may consider destination planning.
- Based on a predictive algorithm, autonomous vehicles choose their own routes.
- AVs use real-time information from various sensors in an intelligent way.
- Autonomous cars make decisions about their speed and course by studying the past.
- In addition to this there are several future directions provided, such as the following:
- An intentional attack on the AI system that interferes with its operation may put autonomous vehicles in danger of being destroyed. Attacks against stop signs, such as placing stickers on them to make them more challenging to identify, is an example of such attacks. As a result of these modifications, artificial intelligence may erroneously detect objects, resulting in the autonomous vehicle behaving in a way that puts humans in danger. Thus, there is a need to explore the RFID or IoT-based solutions that use artificial intelligence to solve these challenges.
- It is observed that self-driving cars will revolutionize our lives. There is a need for legislators to create legislation that benefits the country’s economy and social structure. Studies have examined an AV’s potential to become a “killer app” with dramatic consequences. AVs will have substantial impacts over time, even if they are still in development. Thus, there is a need to study the safety precautions before accepting them in real environments.
- Deep neural networks (DNNs) enable self-driving cars to learn how to move around their surroundings independently. Human brains are similar to DNNs because of they both learn via trial and error. There is no hard and fast rule regarding autonomous driving and how many DNNs are required. Thus, there is a need to conduct an in-depth study in the future.
- A real autonomous driving on-road environment requires millions of interactions between vehicles, people, and devices. To handle such an extensive infrastructure, there is a need for high-end infrastructure, which may be costly. Thus, there is a need to study how artificial intelligence can efficiently utilize the infrastructure for smooth autonomous experiences.
- In autonomous systems, the machine learning system monitors machine activity to predict problems. The solution reduces unplanned downtime costs, extends asset life, and increases operational efficiency. There is a need to identify the best machine learning algorithms and approaches that monitor a machine or its activities. This task can be explored in the future.
- Early diagnosis of vasculature via fundus imaging may be able to prevent retinopathies such as glaucoma, hypertension, and diabetes, among others, from developing [185,186,187]. The overall purpose of this study is to create a new way for combining the benefits of old template-matching techniques with those of more current deep learning methods in order to achieve greater efficiency. A U-shaped fully connected convolutional neural network is used to train the segmentation of vessels and backgrounds in pixels of images (Unet). Likewise, other advanced technologies such as blockchain and quantum can be explored for AV mobile information systems [182,183,184,185]. The wireless sensor network is used in autonomous vehicles for information communication [186,187,188,189,190,191,192].
9. Conclusions
Author Contributions
Funding
Data Availability Statement
Acknowledgments
Conflicts of Interest
References
- Chan, C.C.; Wong, Y.S.; Bouscayrol, A.; Chen, K. Powering sustainable mobility: Roadmaps of electric, hybrid, and fuel cell vehicles [point of view]. Proc. IEEE 2009, 97, 603–607. [Google Scholar] [CrossRef]
- Lebeau, K.; Van Mierlo, J.; Lebeau, P.; Mairesse, O.; Macharis, C. Consumer attitudes towards battery electric vehicles: A large-scale survey. Int. J. Electr. Hybrid Veh. 2013, 5, 28. [Google Scholar] [CrossRef]
- Bloomberg NEF. BloombergNEF’s 2019 Battery Price Survey BNEF. Available online: https://about.bnef.com/blog/battery-packprices-fall-as-market-ramps-up-with-market-average-at-156-kwh-in-2019/ (accessed on 3 February 2023).
- Berckmans, G.; Messagie, M.; Smekens, J.; Omar, N.; Vanhaverbeke, L.; Van Mierlo, J. Cost Projection of State of the Art Lithium-Ion Batteries for Electric Vehicles Up to 2030. Energies 2017, 10, 1314. [Google Scholar] [CrossRef]
- Vijayagopal, R.; Rousseau, A. Benefits of Electrified Powertrains in Medium- and Heavy-Duty Vehicles. World Electr. Veh. J. 2020, 11, 12. [Google Scholar] [CrossRef]
- Simeu, S.K.; Brokate, J.; Stephens, T.; Rousseau, A. Factors Influencing Energy Consumption and Cost-Competiveness of Plug-in Electric Vehicles. World Electr. Veh. J. 2018, 9, 23. [Google Scholar] [CrossRef]
- Islam, E.S.; Moawad, A.; Kim, N.; Rousseau, A. Vehicle Electrification Impacts on Energy Consumption for Different Connected-Autonomous Vehicle Scenario Runs. World Electr. Veh. J. 2020, 11, 9. [Google Scholar] [CrossRef]
- Messagie, M.; Boureima, F.-S.; Coosemans, T.; Macharis, C.; Mierlo, J.V. A Range-Based Vehicle Life Cycle Assessment Incorporating Variability in the Environmental Assessment of Different Vehicle Technologies and Fuels. Energies 2014, 7, 1467–1482. [Google Scholar] [CrossRef]
- Marmiroli, B.; Messagie, M.; Dotelli, G.; Van Mierlo, J. Electricity Generation in LCA of Electric Vehicles: A Review. Appl. Sci. 2018, 8, 1384. [Google Scholar] [CrossRef]
- Rangaraju, S.; De Vroey, L.; Messagie, M.; Mertens, J.; Van Mierlo, J. Impacts of electricity mix, charging profile, and driving behavior on the emissions performance of battery electric vehicles: A Belgian case study. Appl. Energy 2015, 148, 496–505. [Google Scholar] [CrossRef]
- Islam, S.; Iqbal, A.; Marzband, M.; Khan, I.; Al-Wahedi, A.M. State-of-the-art vehicle-to-everything mode of operation of electric vehicles and its future perspectives. Renew. Sustain. Energy Rev. 2022, 166, 112574. [Google Scholar] [CrossRef]
- Yong, J.Y.; Ramachandaramurthy, V.K.; Tan, K.M.; Mithulananthan, N. A review on the state-of-the-art technologies of electric vehicle, its impacts and prospects. Renew. Sustain. Energy Rev. 2015, 49, 365–385. [Google Scholar]
- Shariff, S.M.; Iqbal, D.; Alam, M.S.; Ahmad, F. A State of the Art Review of Electric Vehicle to Grid (V2G) technology. IOP Conf. Ser. Mater. Sci. Eng. 2019, 561, 012103. [Google Scholar] [CrossRef]
- Alam, F.; Mehmood, R.; Katib, I.; Albogami, N.N.; Albeshri, A. Data Fusion and IoT for Smart Ubiquitous Environments: A Survey. IEEE Access 2017, 5, 9533–9554. [Google Scholar] [CrossRef]
- Munoz, R.; Vilalta, R.; Yoshikane, N.; Casellas, R.; Martinez, R.; Tsuritani, T.; Morita, I. Integration of IoT, Transport SDN, and Edge/Cloud Computing for Dynamic Distribution of IoT Analytics and Efficient Use of Network Resources. J. Light. Technol. 2018, 36, 1420–1428. [Google Scholar] [CrossRef]
- Frustaci, M.; Pace, P.; Aloi, G.; Fortino, G. Evaluating Critical Security Issues of the IoT World: Present and Future Challenges. IEEE Internet Things J. 2018, 5, 2483–2495. [Google Scholar] [CrossRef]
- Ngu, A.H.; Gutierrez, M.; Metsis, V.; Nepal, S.; Sheng, Q.Z. IoT middleware: A survey on issues and enabling technologies. IEEE Internet Things J. 2017, 4, 1–20. [Google Scholar] [CrossRef]
- Kannan, M.; Mary, L.W.; Priya, C.; Manikandan, R. Towards smart city through virtualized and computerized car parking system using arduino in the internet of things. In Proceedings of the 2020 International Conference on Computer Science, Engineering and Applications (ICCSEA), Gunupur, India, 13–14 March 2020; pp. 1–6. [Google Scholar]
- Kuutti, S.; Fallah, S.; Katsaros, K.; Dianati, M.; Mccullough, F.; Mouzakitis, A. A Survey of the State-of-the-Art Localization Techniques and Their Potentials for Autonomous Vehicle Applications. IEEE Internet Things J. 2018, 5, 829–846. [Google Scholar] [CrossRef]
- Kong, L.; Khan, M.K.; Wu, F.; Chen, G.; Zeng, P. Millimeter-wave wireless communications for IoT-cloud supported autonomous vehicles: Overview, design, and challenges. IEEE Commun. Mag. 2017, 55, 62–68. [Google Scholar]
- Honnaiah, P.J.; Maturo, N.; Chatzinotas, S. Foreseeing semi-persistent scheduling in mode-4 for 5G enhanced V2X communication. In Proceedings of the 2020 IEEE 17th Annual Consumer Communications & Networking Conference (CCNC), Las Vegas, NV, USA, 10–13 January 2020; pp. 1–2. [Google Scholar]
- Li, L.; Liu, Y.; Wang, J.; Deng, W.; Oh, H. Human dynamics based driver model for autonomous car. IET Intell. Transp. Syst. 2016, 10, 545–554. [Google Scholar] [CrossRef]
- Andresen, L.; Brandemuehl, A.; Honger, A.; Kuan, B.; Vödisch, N.; Blum, H.; Reijgwart, V.; Bernreiter, L.; Schaupp, L.; Chung, J.J.; et al. Accurate mapping and planning for autonomous racing. In Proceedings of the 2020 IEEE/RSJ International Conference on Intelligent Robots and Systems (IROS), Las Vegas, NV, USA, 24 October–24 January 2020; pp. 4743–4749. [Google Scholar]
- Bensekrane, I.; Kumar, P.; Melingui, A.; Coelen, V.; Amara, Y.; Chettibi, T.; Merzouki, R. Energy Planning for Autonomous Driving of an Over-Actuated Road Vehicle. IEEE Trans. Intell. Transp. Syst. 2020, 22, 1114–1124. [Google Scholar] [CrossRef]
- Choi, Y.-J.; Hur, J.; Jeong, H.-Y.; Joo, C. Special issue on V2X communications and networks. J. Commun. Netw. 2017, 19, 205–208. [Google Scholar] [CrossRef]
- Chen, S.; Hu, J.; Shi, Y.; Peng, Y.; Fang, J.; Zhao, R.; Zhao, L. Vehicle-to-Everything (v2x) Services Supported by LTE-Based Systems and 5G. IEEE Commun. Stand. Mag. 2017, 1, 70–76. [Google Scholar] [CrossRef]
- Bai, B.; Chen, W.; Ben Letaief, K.; Cao, Z. Low Complexity Outage Optimal Distributed Channel Allocation for Vehicle-to-Vehicle Communications. IEEE J. Sel. Areas Commun. 2010, 29, 161–172. [Google Scholar] [CrossRef]
- Zhang, R.; Cheng, X.; Yao, Q.; Wang, C.-X.; Yang, Y.; Jiao, B. Interference Graph-Based Resource-Sharing Schemes for Vehicular Networks. IEEE Trans. Veh. Technol. 2013, 62, 4028–4039. [Google Scholar] [CrossRef]
- Du, L.; Dao, H. Information Dissemination Delay in Vehicle-to-Vehicle Communication Networks in a Traffic Stream. IEEE Trans. Intell. Transp. Syst. 2014, 16, 66–80. [Google Scholar] [CrossRef]
- Mei, J.; Zheng, K.; Zhao, L.; Teng, Y.; Wang, X. A Latency and Reliability Guaranteed Resource Allocation Scheme for LTE V2V Communication Systems. IEEE Trans. Wirel. Commun. 2018, 17, 3850–3860. [Google Scholar] [CrossRef]
- Belanovic, P.; Valerio, D.; Paier, A.; Zemen, T.; Ricciato, F.; Mecklenbrauker, C.F. On Wireless Links for Vehicle-to-Infrastructure Communications. IEEE Trans. Veh. Technol. 2009, 59, 269–282. [Google Scholar] [CrossRef]
- Liu, N.; Liu, M.; Cao, J.; Chen, G.; Lou, W. When transportation meets communication: V2P over VANETs. In Proceedings of the 2010 IEEE 30th International Conference on Distributed Computing Systems, Genoa, Italy, 21–25 June 2010; pp. 567–576. [Google Scholar]
- Lee, S.; Kim, D. An Energy Efficient Vehicle to Pedestrian Communication Method for Safety Applications. Wirel. Pers. Commun. 2015, 86, 1845–1856. [Google Scholar] [CrossRef]
- Merdrignac, P.; Shagdar, O.; Nashashibi, F. Fusion of Perception and V2P Communication Systems for the Safety of Vulnerable Road Users. IEEE Trans. Intell. Transp. Syst. 2016, 18, 1740–1751. [Google Scholar] [CrossRef]
- Campolo, C.; Molinaro, A.; Iera, A.; Menichella, F. 5G Network Slicing for Vehicle-to-Everything Services. IEEE Wirel. Commun. 2017, 24, 38–45. [Google Scholar] [CrossRef]
- Abboud, K.; Omar, H.A.; Zhuang, W. Interworking of DSRC and Cellular Network Technologies for V2X Communications: A Survey. IEEE Trans. Veh. Technol. 2016, 65, 9457–9470. [Google Scholar] [CrossRef]
- Wei, Q.; Wang, L.; Feng, Z.; Ding, Z. Wireless Resource Management in LTE-U Driven Heterogeneous V2X Communication Networks. IEEE Trans. Veh. Technol. 2018, 67, 7508–7522. [Google Scholar] [CrossRef]
- Naik, G.; Choudhury, B.; Park, J.-M. IEEE 802.11bd & 5G NR V2X: Evolution of Radio Access Technologies for V2X Communications. IEEE Access 2019, 7, 70169–70184. [Google Scholar] [CrossRef]
- Saiteja, P.; Ashok, B. Critical review on structural architecture, energy control strategies and development process towards optimal energy management in hybrid vehicles. Renew. Sustain. Energy Rev. 2022, 157, 112038. [Google Scholar] [CrossRef]
- Chidambaram, K.; Ashok, B.; Vignesh, R.; Deepak, C.; Ramesh, R.; Narendhra, T.M.; Usman, K.M.; Kavitha, C. Critical analysis on the implementation barriers and consumer perception toward future electric mobility. Proc. Inst. Mech. Eng. Part D J. Automob. Eng. 2022, 09544070221080349. [Google Scholar] [CrossRef]
- Dueholm, J.V.; Kristoffersen, M.S.; Satzoda, R.K.; Moeslund, T.B.; Trivedi, M.M. Trajectories and Maneuvers of Surrounding Vehicles with Panoramic Camera Arrays. IEEE Trans. Intell. Veh. 2016, 1, 203–214. [Google Scholar] [CrossRef]
- Han, L.; Zheng, K.; Zhao, L.; Wang, X.; Shen, X. Short-Term Traffic Prediction Based on DeepCluster in Large-Scale Road Networks. IEEE Trans. Veh. Technol. 2019, 68, 12301–12313. [Google Scholar] [CrossRef]
- Shabir, B.; Khan, M.A.; Rahman, A.U.; Malik, A.W.; Wahid, A. Congestion Avoidance in Vehicular Networks: A Contemporary Survey. IEEE Access 2019, 7, 173196–173215. [Google Scholar] [CrossRef]
- MacHardy, Z.; Khan, A.; Obana, K.; Iwashina, S. V2X access technologies: Regulation, research, and remaining challenges. IEEE Commun. Surv. Tutor. 2018, 20, 1858–1877. [Google Scholar]
- Hu, Q.; Luo, F. Review of secure communication approaches for in-vehicle network. Int. J. Automot. Technol. 2018, 19, 879–894. [Google Scholar]
- Masini, B.M.; Bazzi, A.; Zanella, A. A Survey on the Roadmap to Mandate on Board Connectivity and Enable V2V-Based Vehicular Sensor Networks. Sensors 2018, 18, 2207. [Google Scholar] [CrossRef] [PubMed]
- Wang, X.; Mao, S.; Gong, M.X. An Overview of 3GPP Cellular Vehicle-to-Everything Standards. GetMobile Mob. Comput. Commun. 2017, 21, 19–25. [Google Scholar] [CrossRef]
- Chen, L.; Englund, C. Cooperative intersection management: A survey. IEEE Trans. Intell. Transp. Syst. 2015, 17, 570–586. [Google Scholar] [CrossRef]
- Dixit, S.; Fallah, S.; Montanaro, U.; Dianati, M.; Stevens, A.; Mccullough, F.; Mouzakitis, A. Trajectory planning and tracking for autonomous overtaking: State-of-the-art and future prospects. Annu. Rev. Control 2018, 45, 76–86. [Google Scholar] [CrossRef]
- Bresson, G.; Alsayed, Z.; Yu, L.; Glaser, S. Simultaneous localization and mapping: A survey of current trends in autonomous driving. IEEE Trans. Intell. Veh. 2017, 2, 194–220. [Google Scholar] [CrossRef]
- Bousselham, M.; Benamar, N.; Addaim, A. A new security mechanism for vehicular cloud computing using fog computing system. In Proceedings of the 2019 International Conference on Wireless Technologies, Embedded and Intelligent Systems (WITS), Fez, Morocco, 3–4 April 2019; pp. 1–4. [Google Scholar]
- Mekki, T.; Jabri, I.; Rachedi, A.; ben Jemaa, M. Vehicular cloud networks: Challenges, architectures, and future directions. Veh. Commun. 2017, 9, 268–280. [Google Scholar] [CrossRef]
- Boukerche, A.; De Grande, R.E. Vehicular cloud computing: Architectures, applications, and mobility. Comput. Netw. 2018, 135, 171–189. [Google Scholar] [CrossRef]
- Yang, Q.; Zhu, B.; Wu, S. An Architecture of Cloud-Assisted Information Dissemination in Vehicular Networks. IEEE Access 2016, 4, 2764–2770. [Google Scholar] [CrossRef]
- Meneguette, R.I.; Boukerche, A.; de Grande, R. SMART: An Efficient Resource Search and Management Scheme for Vehicular Cloud-Connected System. In Proceedings of the IEEE Global Communications Conference (GLOBECOM), Washington, DC, USA, 4–8 December 2016; pp. 1–6. [Google Scholar] [CrossRef]
- De Souza, A.B.; Rego, P.A.L.; de Souza, J.N. Exploring computation offloading in vehicular clouds. In Proceedings of the 2019 IEEE 8th International conference on cloud networking (CloudNet), Coimbra, Portugal, 4–6 November 2019; pp. 1–4. [Google Scholar]
- Sharma, V.; You, I.; Yim, K.; Chen, R.; Cho, J.H. BRIoT: Behavior rule specification-based misbehavior detection for IoT-embedded cyber-physical systems. IEEE Access 2019, 7, 118556–118580. [Google Scholar] [CrossRef]
- Salahuddin, M.A.; Al-Fuqaha, A.; Guizani, M. Software-Defined Networking for RSU Clouds in Support of the Internet of Vehicles. IEEE Internet Things J. 2014, 2, 133–144. [Google Scholar] [CrossRef]
- Tran, D.-D.; Vafaeipour, M.; El Baghdadi, M.; Barrero, R.; Van Mierlo, J.; Hegazy, O. Thorough state-of-the-art analysis of electric and hybrid vehicle powertrains: Topologies and integrated energy management strategies. Renew. Sustain. Energy Rev. 2020, 119, 109596. [Google Scholar] [CrossRef]
- Hannan, M.A.; Hoque, M.D.M.; Hussain, A.; Yusof, Y.; Ker, A.P.J. State-of-the-Art and Energy Management System of Lithium-Ion Batteries in Electric Vehicle Applications: Issues and Recommendations. IEEE Access Spec. Sect. Adv. Energy Storage Technol. Appl. 2018, 6, 19362–19378. [Google Scholar] [CrossRef]
- Chen, K.; Bouscayrol, A.; Lhomme, W. Energetic Macroscopic Representation and Inversion-based Control: Application to an Electric Vehicle with an Electrical Differential. J. Asian Electr. Veh. 2008, 6, 1097–1102. [Google Scholar] [CrossRef]
- Chan, C.C.; Bouscayrol, A.; Chen, K. Electric, Hybrid, and Fuel-Cell Vehicles: Architectures and Modeling. IEEE Trans. Veh. Technol. 2009, 59, 589–598. [Google Scholar] [CrossRef]
- Koot, M.; Kessels, J.T.; De Jager, B.; Heemels, W.; Van den Bosch, P.; Steinbuch, M. Energy management strategies for vehicular electric power systems. IEEE Trans. Veh. Technol. 2005, 54, 771–782. [Google Scholar] [CrossRef]
- Hofman, T.; Steinbuch, M.; Van Druten, R.; Serrarens, A. Rule-based energy management strategies for hybrid vehicles. Int. J. Electr. Hybrid Veh. 2007, 1, 71. [Google Scholar] [CrossRef]
- Madni, A.M.; Madni, C.C.; Lucero, S.D. Leveraging Digital Twin Technology in Model-Based Systems Engineering. Systems 2019, 7, 7. [Google Scholar] [CrossRef]
- Wu, B.; Widanage, W.D.; Yang, S.; Liu, X. Battery digital twins: Perspectives on the fusion of models, data and artificial intelligence for smart battery management systems. Energy AI 2020, 1, 100016. [Google Scholar] [CrossRef]
- Microsemi, P.P.G. Gallium Nitride (GaN) Versus Silicon Carbide (SiC) in the High Frequency (RF) and Power Switching Applications. Digi-Key. 2014. Available online: https://www.digikey.cz/Site/Global/Layouts/DownloadPdf.ashx?pdfUrl=4039FA9B108F42229FEF9E84EE758607 (accessed on 20 March 2023).
- Rasool, H.; El Baghdadi, M.; Rauf, A.M.; Zhaksylyk, A.; Hegazy, O. A Rapid Non-Linear Computation Model of Power Loss and Electro Thermal Behaviour of Three-Phase Inverters in EV Drivetrains. In Proceedings of the 2020 International Symposium on Power Electronics, Electrical Drives, Automation and Motion (SPEEDAM), Sorrento, Italy, 24–26 June 2020; pp. 317–323. [Google Scholar]
- Keshmiri, N.; Wang, D.; Agrawal, B.; Hou, R.; Emadi, A. Current Status and Future Trends of GaN HEMTs in Electrified Transportation. IEEE Access 2020, 8, 70553–70571. [Google Scholar] [CrossRef]
- Sewergin, A.; Wienhausen, A.H.; Oberdieck, K.; De Doncker, R.W. Modular bidirectional full-SiC DC-DC converter for automotive applications. In Proceedings of the 2017 IEEE 12th International Conference on Power Electronics and Drive Systems (PEDS), Honolulu, HI, USA, 12–15 December 2017; pp. 277–281. [Google Scholar]
- Rui, R. Power Stage of 48V BSG Inverter. Infineon Appl. Note. 2018. Available online: https://www.infineon.com/dgdl/Infineon-20180802_AN-Power_stage_of_48V_BSG_inverter_V2.2-AN-v01_00-EN.pdf?fileId=5546d46265487f7b0165a3863b8e5bcf (accessed on 20 March 2023).
- Liu, Z.; Li, B.; Lee, F.C.; Li, Q. High-Efficiency High-Density Critical Mode Rectifier/Inverter for WBG-Device-Based On-Board Charger. IEEE Trans. Ind. Electron. 2017, 64, 9114–9123. [Google Scholar] [CrossRef]
- Rasool, H.; Zhaksylyk, A.; Chakraborty, S.; El Baghdadi, M.; Hegazy, O. Optimal design strategy and electro-thermal modelling of a high-power off-board charger for electric vehicle applications. In Proceedings of the 2020 Fifteenth International Conference on Ecological Vehicles and Renewable Energies (EVER), Monte-Carlo, Monaco, 10–12 September 2020; pp. 1–8. [Google Scholar]
- Chakraborty, S.; Vu, H.-N.; Hasan, M.M.; Tran, D.-D.; El Baghdadi, M.; Hegazy, O. DC-DC Converter Topologies for Electric Vehicles, Plug-in Hybrid Electric Vehicles and Fast Charging Stations: State of the Art and Future Trends. Energies 2019, 12, 1569. [Google Scholar] [CrossRef]
- Lu, L.; Han, X.; Li, J.; Hua, J.; Ouyang, M. A review on the key issues for lithium-ion battery management in electric vehicles. J. Power Sources 2013, 226, 272–288. [Google Scholar] [CrossRef]
- Fuchs, G.; Lunz, B.; Leuthold, M.; Sauer, D.U. Technology Overview on Electricity Storage. ISEA Aachen Juni 2012, 26. Available online: https://sei.info.yorku.ca/files/2013/03/Sauer2.pdf (accessed on 20 March 2023).
- Li, M.; Lu, J.; Chen, Z.; Amine, K. 30 years of lithium-ion batteries. Adv. Mater. 2018, 30, 1800561. [Google Scholar]
- Sun, Y.-K.; Myung, S.-T.; Park, B.-C.; Prakash, J.; Belharouak, I.; Amine, K. High-energy cathode material for long-life and safe lithium batteries. Nat. Mater. 2009, 8, 320–324. [Google Scholar] [CrossRef]
- Philippot, M.; Alvarez, G.; Ayerbe, E.; Van Mierlo, J.; Messagie, M. Eco-Efficiency of a Lithium-Ion Battery for Electric Vehicles: Influence of Manufacturing Country and Commodity Prices on GHG Emissions and Costs. Batteries 2019, 5, 23. [Google Scholar] [CrossRef]
- Schmuch, R.; Wagner, R.; Hörpel, G.; Placke, T.; Winter, M. Performance and cost of materials for lithium-based rechargeable automotive batteries. Nat. Energy 2018, 3, 267–278. [Google Scholar] [CrossRef]
- Xie, J.; Lu, Y.-C. A retrospective on lithium-ion batteries. Nat. Commun. 2020, 11, 2499. [Google Scholar] [CrossRef] [PubMed]
- Gopalakrishnan, R.; Goutam, S.; Oliveira, L.M.; Timmermans, J.-M.; Omar, N.; Messagie, M.; Bossche, P.V.D.; van Mierlo, J. A Comprehensive Study on Rechargeable Energy Storage Technologies. J. Electrochem. Energy Convers. Storage 2016, 13. [Google Scholar] [CrossRef]
- Berckmans, G.; De Sutter, L.; Marinaro, M.; Smekens, J.; Jaguemont, J.; Wohlfahrt-Mehrens, M.; van Mierlo, J.; Omar, N. Analysis of the effect of applying external mechanical pressure on next generation silicon alloy lithium-ion cells. Electrochim. Acta 2019, 306, 387–395. [Google Scholar] [CrossRef]
- Edström, K. BATTERY 2030+. Inventing the Sustainable Batteries of the Future. Research Needs and Future Actions. Available online: https://battery2030.eu/digitalAssets/860/c_860904-l_1-k_roadmap-27-march.pdf (accessed on 3 February 2021).
- Ev, I.G. Outlook to Electric Mobility; International Energy Agency (IEA): Paris, France, 2019. [Google Scholar]
- Pasta, M.; Armstrong, D.; Brown, Z.L.; Bu, J.; Castell, M.R.; Chen, P.; Cocks, A.; Corr, S.A.; Cussen, E.J.; Darnbrough, E.; et al. 2020 roadmap on solid-state batteries. J. Phys. Energy 2020, 2, 032008. [Google Scholar] [CrossRef]
- Randau, S.; Weber, D.A.; Kötz, O.; Koerver, R.; Braun, P.; Weber, A.; Ivers-Tiffée, E.; Adermann, T.; Kulisch, J.; Zeier, W.G.; et al. Benchmarking the performance of all-solid-state lithium batteries. Nat. Energy 2020, 5, 259–270. [Google Scholar] [CrossRef]
- Albertus, P.; Babinec, S.; Litzelman, S.; Newman, A. Status and challenges in enabling the lithium metal electrode for high-energy and low-cost rechargeable batteries. Nat. Energy 2017, 3, 16–21. [Google Scholar] [CrossRef]
- Gao, Y.; Rojas, T.; Wang, K.; Liu, S.; Wang, D.; Chen, T.; Wang, H.; Ngo, A.T.; Wang, D. Low-temperature and high-rate-charging lithium metal batteries enabled by an electrochemically active monolayer-regulated interface. Nat. Energy 2020, 5, 534–542. [Google Scholar] [CrossRef]
- Forsyth, M.; Porcarelli, L.; Wang, X.; Goujon, N.; Mecerreyes, D. Innovative Electrolytes Based on Ionic Liquids and Polymers for Next-Generation Solid-State Batteries. Acc. Chem. Res. 2019, 52, 686–694. [Google Scholar] [CrossRef]
- Chen, X.; Wang, X.; Sun, W.; Jiang, C.; Xie, J.; Wu, Y.; Jin, Q. Integrated interdigital electrode and thermal resistance micro-sensors for electric vehicle battery coolant conductivity high-precision measurement. J. Energy Storage 2023, 58, 106402. [Google Scholar] [CrossRef]
- Kerman, K.; Luntz, A.; Viswanathan, V.; Chiang, Y.-M.; Chen, Z. Review—Practical Challenges Hindering the Development of Solid State Li Ion Batteries. J. Electrochem. Soc. 2017, 164, A1731–A1744. [Google Scholar] [CrossRef]
- Garbayo, I.; Struzik, M.; Bowman, W.J.; Pfenninger, R.; Stilp, E.; Rupp, J.L. Glass-Type Polyamorphism in Li-Garnet Thin Film Solid State Battery Conductors. Adv. Energy Mater. 2018, 8, 1702265. [Google Scholar]
- Smekens, J.; Gopalakrishnan, R.; Steen, N.V.D.; Omar, N.; Hegazy, O.; Hubin, A.; Van Mierlo, J. Influence of Electrode Density on the Performance of Li-Ion Batteries: Experimental and Simulation Results. Energies 2016, 9, 104. [Google Scholar] [CrossRef]
- Krauskopf, T.; Mogwitz, B.; Rosenbach, C.; Zeier, W.G.; Janek, J. Diffusion Limitation of Lithium Metal and Li–Mg Alloy Anodes on LLZO Type Solid Electrolytes as a Function of Temperature and Pressure. Adv. Energy Mater. 2019, 9, 1902568. [Google Scholar] [CrossRef]
- Truchot, C.; Dubarry, M.; Liaw, B.Y. State-of-charge estimation and uncertainty for lithium-ion battery strings. Appl. Energy 2014, 119, 218–227. [Google Scholar] [CrossRef]
- Li, Y.; Liu, K.; Foley, A.M.; Zülke, A.; Berecibar, M.; Nanini-Maury, E.; Van Mierlo, J.; Hoster, H.E. Data-driven health estimation and lifetime prediction of lithium-ion batteries: A review. Renew. Sustain. Energy Rev. 2019, 113, 109254. [Google Scholar] [CrossRef]
- De Sutter, L.; Berckmans, G.; Marinaro, M.; Wohlfahrt-Mehrens, M.; Berecibar, M.; Van Mierlo, J. Mechanical behavior of Silicon-Graphite pouch cells under external compressive load: Implications and opportunities for battery pack design. J. Power Sources 2020, 451, 227774. [Google Scholar] [CrossRef]
- Campanella, A.; Döhler, D.; Binder, W.H. Self-healing in supramolecular polymers. Macromol. Rapid Commun. 2018, 39, 1700739. [Google Scholar] [CrossRef]
- Wang, C.; Wu, H.; Chen, Z.; McDowell, M.T.; Cui, Y.; Bao, Z. Self-healing chemistry enables the stable operation of silicon microparticle anodes for high-energy lithium-ion batteries. Nat. Chem. 2013, 5, 1042–1048. [Google Scholar] [CrossRef] [PubMed]
- Langer, E. Liquid Cooling in Electric Vehicles—What to Know to Keep EVs on the Go By; CPC: Preston, UK, 2019.
- Habib, S.; Khan, M.M.; Abbas, F.; Tang, H. Assessment of electric vehicles concerning impacts, charging infrastructure with unidirectional and bidirectional chargers, and power flow comparisons. Int. J. Energy Res. 2018, 42, 3416–3441. [Google Scholar] [CrossRef]
- Van Mierlo, J.; Berecibar, M.; El Baghdadi, M.; De Cauwer, C.; Messagie, M.; Coosemans, T.; Jacobs, V.A.; Hegazy, O. Beyond the State of the Art of Electric Vehicles: A Fact-Based Paper of the Current and Prospective Electric Vehicle Technologies. World Electr. Veh. J. 2021, 12, 20. [Google Scholar] [CrossRef]
- Dusmez, S.; Cook, A.; Khaligh, A. Comprehensive analysis of high quality power converters for level 3 off-board chargers. In Proceedings of the 2011 IEEE Vehicle Power and Propulsion Conference, Chicago, IL, USA, 6–9 September 2011; pp. 1–10. [Google Scholar] [CrossRef]
- Salgado-Herrera, N.; Anaya-Lara, O.; Campos-Gaona, D.; Medina-Rios, A.; Tapia-Sanchez, R.; Rodriguez-Rodriguez, J. Active Front-End converter applied for the THD reduction in power systems. In Proceedings of the 2018 IEEE Power & Energy Society General Meeting (PESGM), Portland, OR, USA, 5–10 August 2018; pp. 1–5. [Google Scholar]
- Kesler, M.; Kisacikoglu, M.C.; Tolbert, L.M. Vehicle-to-Grid Reactive Power Operation Using Plug-In Electric Vehicle Bidirectional Offboard Charger. IEEE Trans. Ind. Electron. 2014, 61, 6778–6784. [Google Scholar] [CrossRef]
- Vu, H.-N.; Abdel-Monem, M.; El Baghdadi, M.; Van Mierlo, J.; Hegazy, O. Multi-Objective Optimization of On-Board Chargers Based on State-of-the-Art 650V GaN Power Transistors for the Application of Electric Vehicles. In Proceedings of the 2019 IEEE Vehicle Power and Propulsion Conference (VPPC), Hanoi, Vietnam, 14–17 October 2019; pp. 1–6. [Google Scholar]
- Yilmaz, M.; Krein, P.T. Review of Battery Charger Topologies, Charging Power Levels, and Infrastructure for Plug-In Electric and Hybrid Vehicles. IEEE Trans. Power Electron. 2013, 28, 2151–2169. [Google Scholar] [CrossRef]
- Xue, L.; Shen, Z.; Boroyevich, D.; Mattavelli, P.; Diaz, D. Dual Active Bridge-Based Battery Charger for Plug-in Hybrid Electric Vehicle with Charging Current Containing Low Frequency Ripple. IEEE Trans. Power Electron. 2015, 30, 7299–7307. [Google Scholar] [CrossRef]
- Li, B.; Lee, F.C.; Li, Q.; Liu, Z. Bi-directional on-board charger architecture and control for achieving ultra-high efficiency with wide battery voltage range. In Proceedings of the 2017 IEEE Applied Power Electronics Conference and Exposition (APEC), Tampa, FL, USA, 26–30 March 2017; pp. 3688–3694. [Google Scholar]
- Zhaksylyk, A.; Rasool, H.; Geury, T.; El Baghdadi, M.; Hegazy, O. Masterless Control of Parallel Modular Active front-end (AFE) Systems for Vehicles and Stationary Applications. In Proceedings of the 2020 Fifteenth International Conference on Ecological Vehicles and Renewable Energies (EVER), Monte-Carlo, Monaco, 10–12 September 2020; pp. 1–6. [Google Scholar]
- Blaabjerg, F.; Teodorescu, R.; Liserre, M.; Timbus, A.V. Overview of Control and Grid Synchronization for Distributed Power Generation Systems. IEEE Trans. Ind. Electron. 2006, 53, 1398–1409. [Google Scholar] [CrossRef]
- Messagie, M.; Mertens, J.; Oliveira, L.; Rangaraju, S.; Sanfelix, J.; Coosemans, T.; Van Mierlo, J.; Macharis, C. The hourly life cycle carbon footprint of electricity generation in Belgium, bringing a temporal resolution in life cycle assessment. Appl. Energy 2014, 134, 469–476. [Google Scholar]
- Van Mierlo, J. The world electric vehicle journal, the open access journal for the e-mobility scene. World Electr. Veh. J. 2018, 9, 1. [Google Scholar]
- Li, Y.; Messagie, M.; Berecibar, M.; Hegazy, O.; Omar, N.; Van Mierlo, J. The impact of the vehicle-to-grid strategy on lithium-ion battery ageing process. In Proceedings of the 31st International Electric Vehicle Symposium & Exhibition (EVS 31), Kobe, Japan, 1–3 October 2018. [Google Scholar]
- Van Kriekinge, G.; De Cauwer, C.; Van Mierlo, J.; Coosemans, T.; Messagie, M. Techno-economical assessment of vehicle-to-grid in a microgrid: Case study. In Proceedings of the 33th International Electric Vehicle Symposium and Exhibition (EVS 2020), Portland, OR, USA, 14–17 June 2020; pp. 14–17. [Google Scholar]
- Syed, A.; Crispeels, T.; Jahir Roncancio Marin, J.; Cardellini, G.; De Cauwer, C.; Coosemans, T.; Van Mierlo, J.; Messagie, M. A Novel Method to Value the EV-Fleet’s Grid Balancing Capacity. In Proceedings of the 33th International Electric Vehicle Symposium and Exhibition (EVS 2020), Portland, OR, USA, 14–17 June 2020; pp. 14–17. [Google Scholar]
- De Cauwer, C.; Van Kriekinge, G.; Van Mierlo, J.; Coosemans, T.; Messagie, M. Integration of Vehicle-to-Grid in Local Energy Systems: Concepts and Specific Requirements. In Proceedings of the 33th International Electric Vehicle Symposium and Exhibition (EVS 2020), Portland, OR, USA, 14–17 June 2020; pp. 14–17. [Google Scholar]
- Hooftman, N.; Messagie, M.; Van Mierlo, J.; Coosemans, T. The Paris Agreement and Zero-Emission Vehicles in Europe: Scenarios for the Road towards a Decarbonised Passenger Car Fleet. In Towards User-Centric Transport in Europe 2: Enablers of Inclusive, Seamless and Sustainable Mobility; Springer, 2020; pp. 151–168. Available online: https://link.springer.com/chapter/10.1007/978-3-030-38028-1_11 (accessed on 20 March 2023). [CrossRef]
- Messagie, M.; Coosemans, T.; Van Mierlo, J. The Need for Uncertainty Propagation in Life Cycle Assessment of Vehicle Technologies. In Towards User-Centric Transport in Europe 2: Enablers of Inclusive, Seamless and Sustainable Mobility; IEEE Xplorer, 2019; pp. 1–7. Available online: https://ieeexplore.ieee.org/abstract/document/8952350/ (accessed on 20 March 2023). [CrossRef]
- Narayanan, S.; Chaniotakis, E.; Antoniou, C. Shared autonomous vehicle services: A comprehensive review. Transp. Res. Part C Emerg. Technol. 2020, 111, 255–293. [Google Scholar]
- Loeb, B.; Kockelman, K.M. Fleet performance and cost evaluation of a shared autonomous electric vehicle (SEAVS) fleet: A case study for Austin, Texas. Transp. Res. Part A Policy Pract. 2019, 121, 374–385. [Google Scholar]
- Haas, H. Wireless Data from Every Light Bulb. Available online: https://www.ted.com/talks/harald_haas_wireless_data_from_every_light_bulb/transcript (accessed on 13 February 2023).
- Golbabaei, F.; Yigitcanlar, T.; Bunker, J. The role of shared autonomous vehicle systems in delivering smart urban mobility: A systematic review of the literature. Int. J. Sustain. Transp. 2020, 15, 731–748. [Google Scholar] [CrossRef]
- Maurer, M.; Gerdes, J.C.; Lenz, B.; Winner, H. Autonomous Driving: Technical, Legal and Social Aspects; Springer Nature: Berlin/Heidelberg, Germany, 2016. [Google Scholar]
- Fagnant, D.J.; Kockelman, K. Preparing a nation for autonomous vehicles: Opportunities, barriers and policy recommendations. Transp. Res. Part A Policy Pract. 2015, 77, 167–181. [Google Scholar]
- Cohen, T.; Cavoli, C. Automated vehicles: Exploring possible consequences of government (non)intervention for congestion and accessibility. Transp. Rev. 2019, 39, 129–151. [Google Scholar] [CrossRef]
- Chen, T.D.; Kockelman, K.M.; Hanna, J.P. Operations of a shared, autonomous, electric vehicle fleet: Implications of vehicle & charging infrastructure decisions. Transp. Res. Part A Policy Pract. 2016, 94, 243–254. [Google Scholar] [CrossRef]
- Iacobucci, R.; McLellan, B.; Tezuka, T. Modeling shared autonomous electric vehicles: Potential for transport and power grid integration. Energy 2018, 158, 148–163. [Google Scholar] [CrossRef]
- Tan, K.M.; Ramachandaramurthy, V.K.; Yong, J.Y. Integration of electric vehicles in smart grid: A review on vehicle to grid technologies and optimization techniques. Renew. Sustain. Energy Rev. 2016, 53, 720–732. [Google Scholar] [CrossRef]
- Rangaraju, S. Environmental Performance of Battery Electric Vehicles: Implications for Future Integrated Electricity and Transport System. Ph.D. Thesis, 2018. Available online: https://researchportal.vub.be/en/publications/environmental-performance-of-battery-electric-vehicles-implicatio (accessed on 20 March 2023).
- Trübswetter, N.; Bengler, K. Why should I use ADAS? Advanced driver assistance systems and the elderly: Knowledge, experience and usage barriers. In Driving Assesment Conference; University of Iowa: Iowa, IA, USA, 2013; Volume 7. [Google Scholar]
- Eichelberger, A.H.; McCartt, A.T. Toyota drivers’ experiences with dynamic radar cruise control, pre-collision system, and lane-keeping assist. J. Saf. Res. 2016, 56, 67–73. [Google Scholar] [CrossRef] [PubMed]
- Hubele, N.; Kennedy, K. Forward collision warning system impact. Traffic Inj. Prev. 2018, 19, S78–S83. [Google Scholar] [CrossRef] [PubMed]
- Patra, S.; Veelaert, P.; Calafate, C.T.; Cano, J.-C.; Zamora, W.; Manzoni, P.; González, F. A Forward Collision Warning System for Smartphones Using Image Processing and V2V Communication. Sensors 2018, 18, 2672. [Google Scholar] [CrossRef]
- Motamedidehkordi, N.; Amini, S.; Hoffmann, S.; Busch, F.; Fitriyanti, M.R. Modeling tactical lane-change behavior for automated vehicles: A supervised machine learning approach. In Proceedings of the 2017 5th IEEE International Conference on Models and Technologies for Intelligent Transportation Systems (MT-ITS), Naples, Italy, 26–28 June 2017; pp. 268–273. [Google Scholar]
- Yan, Z.; Yang, K.; Wang, Z.; Yang, B.; Kaizuka, T.; Nakano, K. Intention-Based Lane Changing and Lane Keeping Haptic Guidance Steering System. IEEE Trans. Intell. Veh. 2020, 6, 622–633. [Google Scholar] [CrossRef]
- Katzourakis, D.I.; Lazic, N.; Olsson, C.; Lidberg, M.R. Driver Steering Override for Lane-Keeping Aid Using Computer-Aided Engineering. IEEE/ASME Trans. Mechatron. 2015, 20, 1543–1552. [Google Scholar] [CrossRef]
- Shen, D.; Yi, Q.; Li, L.; Tian, R.; Chien, S.; Chen, Y.; Sherony, R. Test Scenarios Development and Data Collection Methods for the Evaluation of Vehicle Road Departure Prevention Systems. IEEE Trans. Intell. Veh. 2019, 4, 337–352. [Google Scholar] [CrossRef]
- Sternlund, S.; Strandroth, J.; Rizzi, M.; Lie, A.; Tingvall, C. The effectiveness of lane departure warning systems—A reduction in real-world passenger car injury crashes. Traffic Inj. Prev. 2017, 18, 225–229. [Google Scholar] [PubMed]
- Abdullahi, A.; Akkaya, S. Adaptive cruise control: A model reference adaptive control approach. In Proceedings of the 2020 24th International Conference on System Theory, Control and Computing (ICSTCC), Sinaia, Romania, 8–10 October 2020; pp. 904–908. [Google Scholar]
- Li, Y.; Li, Z.; Wang, H.; Wang, W.; Xing, L. Evaluating the safety impact of adaptive cruise control in traffic oscillations on freeways. Accid. Anal. Prev. 2017, 104, 137–145. [Google Scholar] [CrossRef] [PubMed]
- Plessen, M.G.; Bernardini, D.; Esen, H.; Bemporad, A. Spatial-Based Predictive Control and Geometric Corridor Planning for Adaptive Cruise Control Coupled with Obstacle Avoidance. IEEE Trans. Control Syst. Technol. 2017, 26, 38–50. [Google Scholar] [CrossRef]
- Hu, J.; Xu, L.; He, X.; Meng, W. Abnormal Driving Detection Based on Normalized Driving Behavior. IEEE Trans. Veh. Technol. 2017, 66, 6645–6652. [Google Scholar] [CrossRef]
- Adochiei, I.-R.; Stirbu, O.-I.; Adochiei, N.-I.; Pericle-Gabriel, M.; Larco, C.-M.; Mustata, S.-M.; Costin, D. Drivers’ drowsiness detection and warning systems for critical infrastructures. In Proceedings of the 2020 International Conference on e-Health and Bioengineering (EHB), Iasi, Romania, 29–30 October 2020; pp. 1–4. [Google Scholar]
- Saito, Y.; Itoh, M.; Inagaki, T. Driver Assistance System with a Dual Control Scheme: Effectiveness of Identifying Driver Drowsiness and Preventing Lane Departure Accidents. IEEE Trans. Human Mach. Syst. 2016, 46, 660–671. [Google Scholar] [CrossRef]
- Yin, J.-L.; Chen, B.-H.; Lai, K.-H.R.; Li, Y. Automatic Dangerous Driving Intensity Analysis for Advanced Driver Assistance Systems from Multimodal Driving Signals. IEEE Sens. J. 2017, 18, 4785–4794. [Google Scholar] [CrossRef]
- Chen, Y.; Peng, H.; Grizzle, J. Obstacle Avoidance for Low-Speed Autonomous Vehicles with Barrier Function. IEEE Trans. Control Syst. Technol. 2017, 26, 194–206. [Google Scholar] [CrossRef]
- Funke, J.; Brown, M.; Erlien, S.M.; Gerdes, J.C. Collision Avoidance and Stabilization for Autonomous Vehicles in Emergency Scenarios. IEEE Trans. Control Syst. Technol. 2016, 25, 1204–1216. [Google Scholar] [CrossRef]
- Viriyasitavat, W.; Tonguz, O.K. Priority management of emergency vehicles at intersections using self-organized traffic control. In Proceedings of the 2012 IEEE Vehicular Technology Conference (VTC Fall), Quebec City, QC, Canada, 3–6 September 2012; pp. 1–4. [Google Scholar]
- Masini, B.M.; Zanella, A.; Pasolini, G.; Bazzi, A.; Zabini, F.; Andrisano, O.; Mirabella, M.; Toppan, P. Toward the integration of ADAS capabilities in V2X communications for cooperative driving. In Proceedings of the 2020 AEIT International Conference of Electrical and Electronic Technologies for Automotive (AEIT AUTOMOTIVE), Associazione Italiana di Elettrotecnica, Elettronica, Milano, Italy, 18–20 November 2020; pp. 1–6. [Google Scholar]
- Narula, L.; Wooten, M.J.; Murrian, M.J.; LaChapelle, D.M.; Humphreys, T.E. ADAS Enhanced by 5G Connectivity: Volumes 1 and 2; No. D-STOP/2018/139; University of Texas at Austin, Center for Transportation Research: Texas, TX, USA, 2018. [Google Scholar]
- Bazzi, A.; Masini, B.M.; Zanella, A.; De Castro, C.; Raffaelli, C.; Andrisano, O. Cellular aided vehicular named data networking. In Proceedings of the 2014 International Conference on Connected Vehicles and Expo (ICCVE), Vienna, Austria, 3–7 November 2014; pp. 747–752. [Google Scholar]
- Masini, B.M.; Silva, C.M.; Balador, A. The Use of Meta-Surfaces in Vehicular Networks. J. Sens. Actuator Netw. 2020, 9, 15. [Google Scholar] [CrossRef]
- Guanetti, J.; Kim, Y.; Borrelli, F. Control of connected and automated vehicles: State of the art and future challenges. Annu. Rev. Control 2018, 45, 18–40. [Google Scholar] [CrossRef]
- Rios-Torres, J.; Malikopoulos, A.A. A Survey on the Coordination of Connected and Automated Vehicles at Intersections and Merging at Highway On-Ramps. IEEE Trans. Intell. Transp. Syst. 2016, 18, 1066–1077. [Google Scholar] [CrossRef]
- Birnbacher, D.; Birnbacher, W. Fully Autonomous Driving: Where Technology and Ethics Meet. IEEE Intell. Syst. 2017, 32, 3–4. [Google Scholar] [CrossRef]
- Greenblatt, N.A. Self-driving cars and the law. IEEE Spectr. 2016, 53, 46–51. [Google Scholar] [CrossRef]
- Urooj, S.; Feroz, I.; Ahmad, N. Systematic literature review on user interfaces of autonomous cars: Liabilities and responsibilities. In Proceedings of the 2018 International Conference on Advancements in Computational Sciences (ICACS), Lahore, Pakistan, 19–21 February 2018; pp. 1–10. [Google Scholar]
- Borenstein, J.; Herkert, J.; Miller, K. Self-Driving Cars: Ethical Responsibilities of Design Engineers. IEEE Technol. Soc. Mag. 2017, 36, 67–75. [Google Scholar] [CrossRef]
- Fournier, T. Will my next car be a libertarian or a utilitarian? Who will decide? IEEE Technol. Soc. Mag. 2016, 35, 40–45. [Google Scholar]
- Lin, P. The Ethics of Autonomous Cars. The Atlantic. Available online: http://www.theatlantic.com/technology/archive/2013/10/theethics-of-autonomous-cars/280360/ (accessed on 14 February 2023).
- Ma, A. China Has Started Ranking Citizens with a Creepy ‘Social Credit’ System—Here’s What You Can Do Wrong, and the Embarrassing, Demeaning Ways They Can Punish You. Business Insider US. Available online: https://www.businessinsider.sg/china-social-credit-system-punishments-and-rewards-explained-2018-4/?r=US&IR=T (accessed on 12 February 2023).
- Chan, T.K.; Chin, C.S.; Chen, H.; Zhong, X. A Comprehensive Review of Driver Behavior Analysis Utilizing Smartphones. IEEE Trans. Intell. Transp. Syst. 2019, 21, 4444–4475. [Google Scholar] [CrossRef]
- Solanke, T.U.; Ramachandaramurthy, V.K.; Yong, J.Y.; Pasupuleti, J.; Kasinathan, P.; Rajagopalan, A. A review of strategic charging–discharging control of grid-connected electric vehicles. J. Energy Storage 2020, 28, 101193. [Google Scholar] [CrossRef]
- Zou, Y.; Zhao, J.; Gao, X.; Chen, Y.; Tohidi, A. Experimental results of electric vehicles effects on low voltage grids. J. Clean. Prod. 2020, 255, 120270. [Google Scholar] [CrossRef]
- Arena, F.; Pau, G.; Severino, A. An Overview on the Current Status and Future Perspectives of Smart Cars. Infrastructures 2020, 5, 53. [Google Scholar] [CrossRef]
- Das, H.S.; Rahman, M.M.; Li, S.; Tan, C.W. Electric vehicles standards, charging infrastructure, and impact on grid integration: A technological review. Renew. Sustain. Energy Rev. 2020, 120, 109618. [Google Scholar] [CrossRef]
- Pappalardo, G.; Cafiso, S.; Di Graziano, A.; Severino, A. Decision Tree Method to Analyze the Performance of Lane Support Systems. Sustainability 2021, 13, 846. [Google Scholar] [CrossRef]
- Ghahari, S.; Assi, L.; Carter, K.; Ghotbi, S. The Future of Hydrogen Fueling Systems for Fully Automated Vehicles; American Society of Civil Engineers (ASCE): Reston, VA, USA, 2019; pp. 66–76. [Google Scholar]
- Lin, T.Y.; Maire, M.; Belongie, S.; Hays, J.; Perona, P.; Ramanan, D.; Dollár, P.; Zitnick, C.L. Microsoft coco: Common objects in context. In Proceedings of the Computer Vision–ECCV 2014: 13th European Conference, Zurich, Switzerland, 6–12 September 2014; Springer International Publishing: Berlin/Heidelberg, Germany, 2014; pp. 740–755. [Google Scholar]
- Zhang, S.; Benenson, R.; Omran, M.; Hosang, J.; Schiele, B. Towards reaching human performance in pedestrian detection. IEEE Trans. Pattern Anal. Mach. Intell. 2017, 40, 973–986. [Google Scholar]
- Li, B. 3D fully convolutional network for vehicle detection in point cloud. In Proceedings of the 2017 IEEE/RSJ International Conference on Intelligent Robots and Systems (IROS), Vancouver, BC, Canada, 24–28 September 2017; pp. 1513–1518. [Google Scholar] [CrossRef]
- Grigorescu, S.; Trasnea, B.; Cocias, T.; Macesanu, G. A survey of deep learning techniques for autonomous driving. J. Field Robot. 2019, 37, 362–386. [Google Scholar] [CrossRef]
- Ning, H.; Yin, R.; Ullah, A.; Shi, F. A Survey on Hybrid Human-Artificial Intelligence for Autonomous Driving. IEEE Trans. Intell. Transp. Syst. 2021, 23, 6011–6026. [Google Scholar] [CrossRef]
- Kumar, A.; Krishnamurthi, R.; Nayyar, A.; Luhach, A.K.; Khan, M.S.; Singh, A. A novel Software-Defined Drone Network (SDDN)-based collision avoidance strategies for on-road traffic monitoring and management. Veh. Commun. 2020, 28, 100313. [Google Scholar] [CrossRef]
- Kim, H.; Ben-Othman, J.; Mokdad, L.; Son, J.; Li, C. Research challenges and security threats to AI-driven 5G virtual emotion applications using autonomous vehicles, drones, and smart devices. IEEE Netw. 2020, 34, 288–294. [Google Scholar]
- Wang, Y.; Su, Z.; Zhang, K.; Benslimane, A. Challenges and Solutions in Autonomous Driving: A Blockchain Approach. IEEE Netw. 2020, 34, 218–226. [Google Scholar] [CrossRef]
- Kato, S.; Takeuchi, E.; Ishiguro, Y.; Ninomiya, Y.; Takeda, K.; Hamada, T. An Open Approach to Autonomous Vehicles. IEEE Micro 2015, 35, 60–68. [Google Scholar] [CrossRef]
- Novickis, R.; Levinskis, A.; Kadikis, R.; Fescenko, V.; Ozols, K. Functional architecture for autonomous driving and its implementation. In Proceedings of the 2020 17th Biennial Baltic Electronics Conference (BEC), Tallinn, Estonia, 6–8 October 2020; pp. 1–6. [Google Scholar]
- Martínez-Díaz, M.; Soriguera, F. Autonomous vehicles: Theoretical and practical challenges. Transp. Res. Procedia 2018, 33, 275–282. [Google Scholar] [CrossRef]
- Sharma, S.; Gupta, S.; Gupta, D.; Juneja, S.; Gupta, P.; Dhiman, G.; Kautish, S. Deep Learning Model for the Automatic Classification of White Blood Cells. Comput. Intell. Neurosci. 2022, 2022, 7384131. [Google Scholar] [CrossRef] [PubMed]
- Samad, A.; Alam, S.; Mohammed, S.; Bhukhari, M.U. Internet of vehicles (IoV) requirements, attacks and countermeasures. In Proceedings of the 12th INDIACom; INDIACom-2018; 5th International Conference on “Computing for Sustainable Global Development” IEEE Conference, New Delhi, India, 13–15 March 2018. [Google Scholar]
- Atakishiyev, S.; Salameh, M.; Yao, H.; Goebel, R. Explainable Artificial Intelligence for Autonomous Driving: A Comprehensive Overview and Field Guide for Future Research Directions. arXiv 2021, arXiv:2112.11561. [Google Scholar]
- Shuaib, M.; Hassan, N.H.; Usman, S.; Alam, S.; Bhatia, S.; Mashat, A.; Kumar, A.; Kumar, M. Self-Sovereign Identity Solution for Blockchain-Based Land Registry System: A Comparison. Mob. Inf. Syst. 2022, 2022, 8930472. [Google Scholar] [CrossRef]
- Singh, S.; Malik, A.; Kumar, R.; Singh, P.K. A proficient data gathering technique for unmanned aerial vehicle-enabled heterogeneous wireless sensor networks. Int. J. Commun. Syst. 2021, 34, e4956. [Google Scholar] [CrossRef]
- Sharma, A.; Singh, P.K. UAV-based framework for effective data analysis of forest fire detection using 5G networks: An effective approach towards smart cities solutions. Int. J. Commun. Syst. 2021, e4826. [Google Scholar] [CrossRef]
- Jain, S.; Ahuja, N.J.; Srikanth, P.; Bhadane, K.V.; Nagaiah, B.; Kumar, A.; Konstantinou, C. Blockchain and autonomous vehicles: Recent advances and future directions. IEEE Access 2021, 9, 130264–130328. [Google Scholar]
- Kumar, A.; de Jesus Pacheco, D.A.; Kaushik, K.; Rodrigues, J.J. Futuristic view of the internet of quantum drones: Review, challenges and research agenda. Veh. Commun. 2022, 36, 100487. [Google Scholar]
- Sharma, S.; Tewolde, G.; Kwon, J. Behavioral cloning for lateral motion control of autonomous vehicles using deep learning. In Proceedings of the 2018 IEEE International Conference on Electro/Information Technology (EIT), Rochester, MI, USA, 3–5 May 2018; pp. 0228–0233. [Google Scholar]
- Dixon, J.; Bukhsh, W.; Edmunds, C.; Bell, K. Scheduling electric vehicle charging to minimise carbon emissions and wind curtailment. Renew. Energy 2020, 161, 1072–1091. [Google Scholar] [CrossRef]
- Haddadian, G.; Khalili, N.; Khodayar, M.; Shahiedehpour, M. Security-constrained power generation scheduling with thermal generating units, variable energy resources, and electric vehicle storage for V2G deployment. Int. J. Electr. Power Energy Syst. 2015, 73, 498–507. [Google Scholar]












| System Level | Charging Duration | Output Nature | Location |
|---|---|---|---|
| Next-generation-based ultra-fast charging system (NXG-UFCS) | It takes approximately 8 min to charge EV for 320 km | Three-phase Vac: 210–600 AC circuit dually converted to DC circuit to EVs. Output normally ranges around 800 V and 400 kW. | Off-board 3 phase |
| DC fast chargers (DC-FCs) | It takes 30 min to 1 h to charge for 100–130 km of range per hour | Three-phase Vac: 210–600 AC circuit dually converted to DC circuit but with an output range of 500 A and in between 50 and 350 KW. | Off-board 3 phase |
| Level 2 chargers (L2C) | These are domestic chargers and are available at home to charge for 16 to 32 km/h in 4–8 h | Vac: 240 (as per US Standard, whereas 400 as per EU standards). The output ranges from 15–80 A and power in between 3.1 and 19.2 kW. | On-board single/3 phase |
| Level 1 chargers (L1C) | This system takes approximate 7–10 h to charge for 3–8 km and depends strongly on the type of EV model | Vac: 240 (as per US Standard, whereas 400 as per EU standards). The output ranges from 12–16 A and power in between 1.44 and 1.92 kW. | On-board single phase |
| Key Findings | Challenges and Future Directions | Year |
|---|---|---|
| The significance of deep learning in autonomous driving was covered in this paper. Here, a number of issues with autonomous driving systems are examined and solutions using artificial intelligence and deep learning are presented. | The discussion of deep learning’s function and its integration with other autonomous driving assistance systems can be expanded in this study. It includes elements of modern infrastructure, such as blockchain, cloud, and IoT technology [174]. | 2020 |
| In this study, the current state of automated driving was investigated and classified, and a taxonomy for self-driving cars was developed. In addition, a hybrid architecture concept combining human and computer intelligence was developed in this work. The layout of the car itself served as a summary of autonomous driving. This effort created a taxonomy of autonomous driving technologies, similar to the self-driving car technology. We placed a higher importance on machine–human interaction and information integrity than simple driver substitution. | It is possible to add discourse and safety requirements to this effort. The proposed hybrid architecture includes a system for safety monitoring that may be expanded with other cutting-edge tools such as drones and cloud computing setups. Blockchain technology can also be used to address data security and privacy. Further performance issues can be investigated using cutting-edge networks such as 5G networks [175]. | 2021 |
| In this piece, the usage of drones in autonomous systems is mostly covered. In addition, the anti-collision techniques for traffic monitoring and drone movement are covered. By adjusting the number of drones and on-road vehicles, the results are analyzed. | This work has application to the deployment and monitoring of autonomous systems in real-time. However, the relationship between drones and driverless vehicles needs to be thoroughly investigated [176]. | 2020 |
| This study examined the system configurations, elements, functions, and practical situations for drones, smart UAVs, and autonomous vehicles. The key issues for research and security for AI-based threats are addressed. | This article provides a brief survey of the key technological elements and how they relate to autonomous vehicles, driving, and systems. It is possible to expand on this work by having in-depth discussions about technological issues [177]. | 2020 |
| This paper presents blockchain-based architecture that supports the networks and autonomous vehicles’ safety and security. | For greater credibility, the work can be expanded to incorporate smart contracts for various systems and subsystems [178]. | 2020 |
Disclaimer/Publisher’s Note: The statements, opinions and data contained in all publications are solely those of the individual author(s) and contributor(s) and not of MDPI and/or the editor(s). MDPI and/or the editor(s) disclaim responsibility for any injury to people or property resulting from any ideas, methods, instructions or products referred to in the content. |
© 2023 by the authors. Licensee MDPI, Basel, Switzerland. This article is an open access article distributed under the terms and conditions of the Creative Commons Attribution (CC BY) license (https://creativecommons.org/licenses/by/4.0/).
Share and Cite
Abro, G.E.M.; Zulkifli, S.A.B.M.; Kumar, K.; El Ouanjli, N.; Asirvadam, V.S.; Mossa, M.A. Comprehensive Review of Recent Advancements in Battery Technology, Propulsion, Power Interfaces, and Vehicle Network Systems for Intelligent Autonomous and Connected Electric Vehicles. Energies 2023, 16, 2925. https://doi.org/10.3390/en16062925
Abro GEM, Zulkifli SABM, Kumar K, El Ouanjli N, Asirvadam VS, Mossa MA. Comprehensive Review of Recent Advancements in Battery Technology, Propulsion, Power Interfaces, and Vehicle Network Systems for Intelligent Autonomous and Connected Electric Vehicles. Energies. 2023; 16(6):2925. https://doi.org/10.3390/en16062925
Chicago/Turabian StyleAbro, Ghulam E Mustafa, Saiful Azrin B. M. Zulkifli, Kundan Kumar, Najib El Ouanjli, Vijanth Sagayan Asirvadam, and Mahmoud A. Mossa. 2023. "Comprehensive Review of Recent Advancements in Battery Technology, Propulsion, Power Interfaces, and Vehicle Network Systems for Intelligent Autonomous and Connected Electric Vehicles" Energies 16, no. 6: 2925. https://doi.org/10.3390/en16062925
APA StyleAbro, G. E. M., Zulkifli, S. A. B. M., Kumar, K., El Ouanjli, N., Asirvadam, V. S., & Mossa, M. A. (2023). Comprehensive Review of Recent Advancements in Battery Technology, Propulsion, Power Interfaces, and Vehicle Network Systems for Intelligent Autonomous and Connected Electric Vehicles. Energies, 16(6), 2925. https://doi.org/10.3390/en16062925

