A High Frequency Multiphase Modular Hybrid Transformerless DC/DC Converter for High-Voltage-Gain High-Current Applications
Abstract
1. Introduction
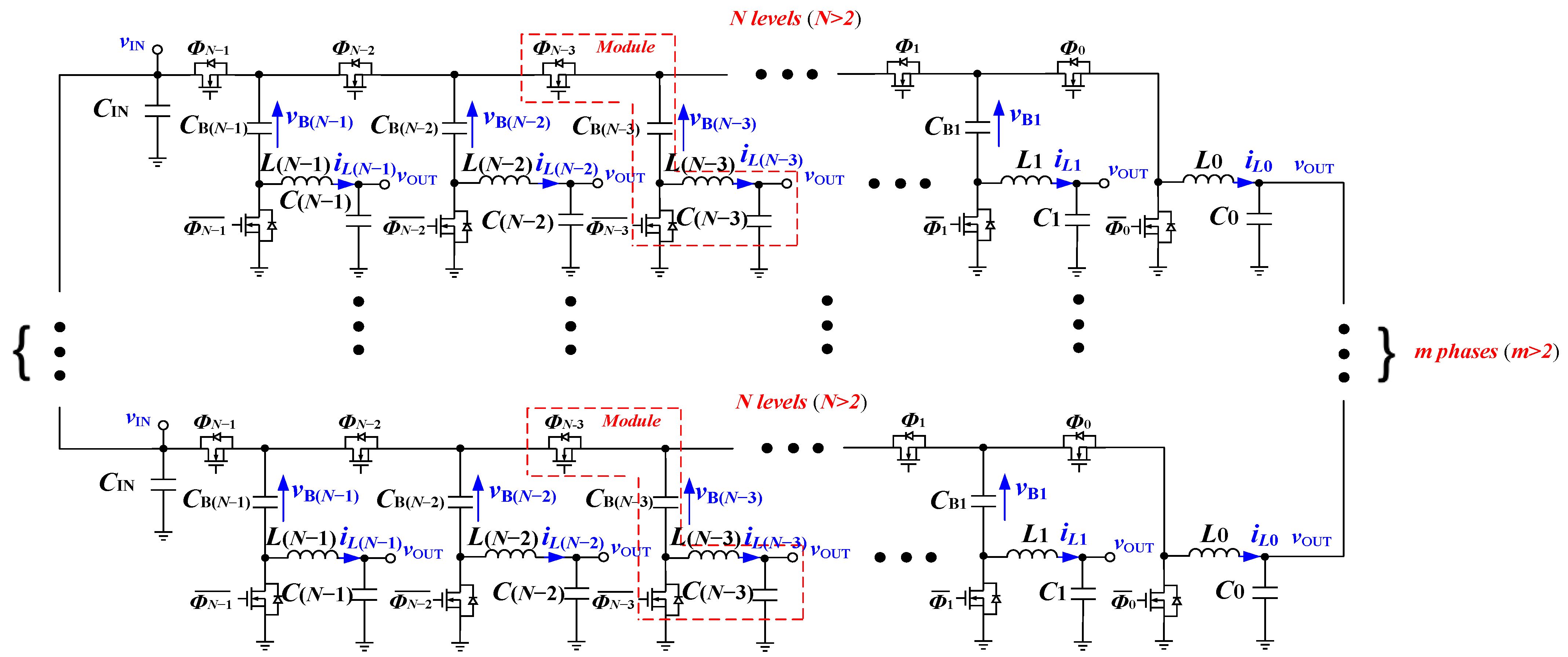
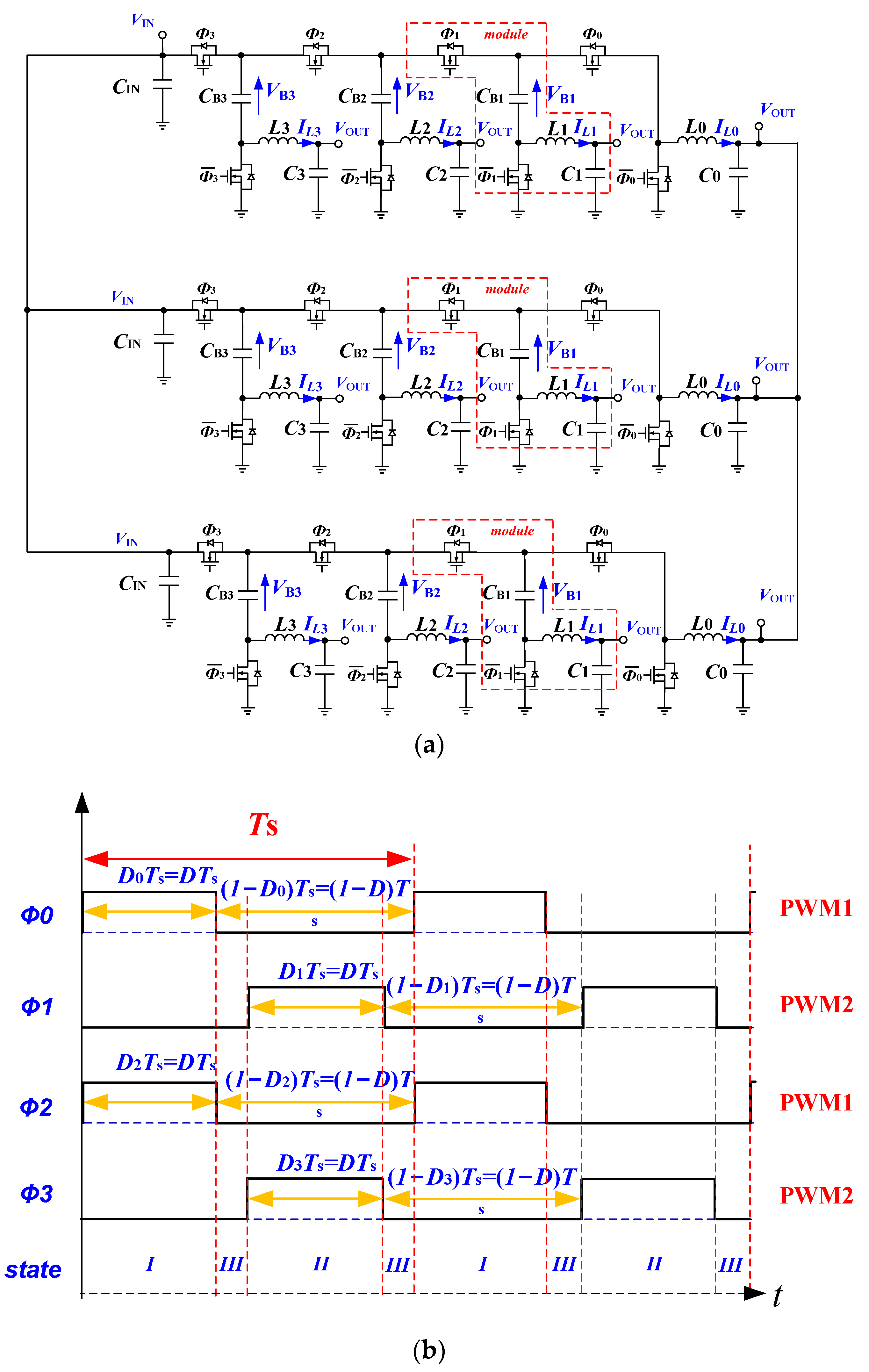
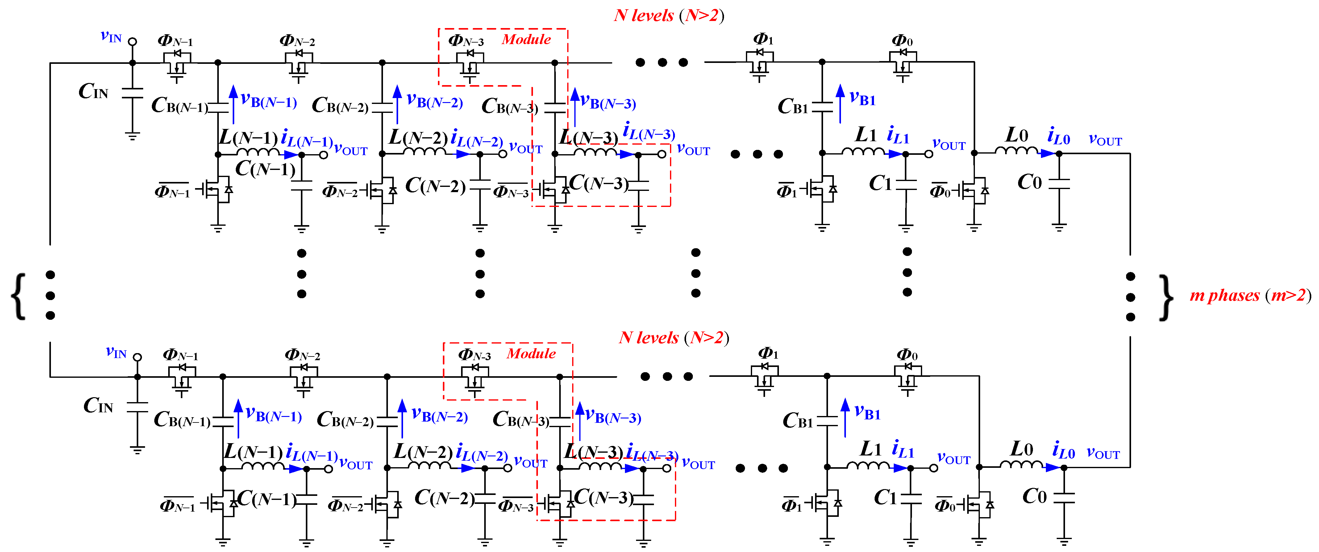
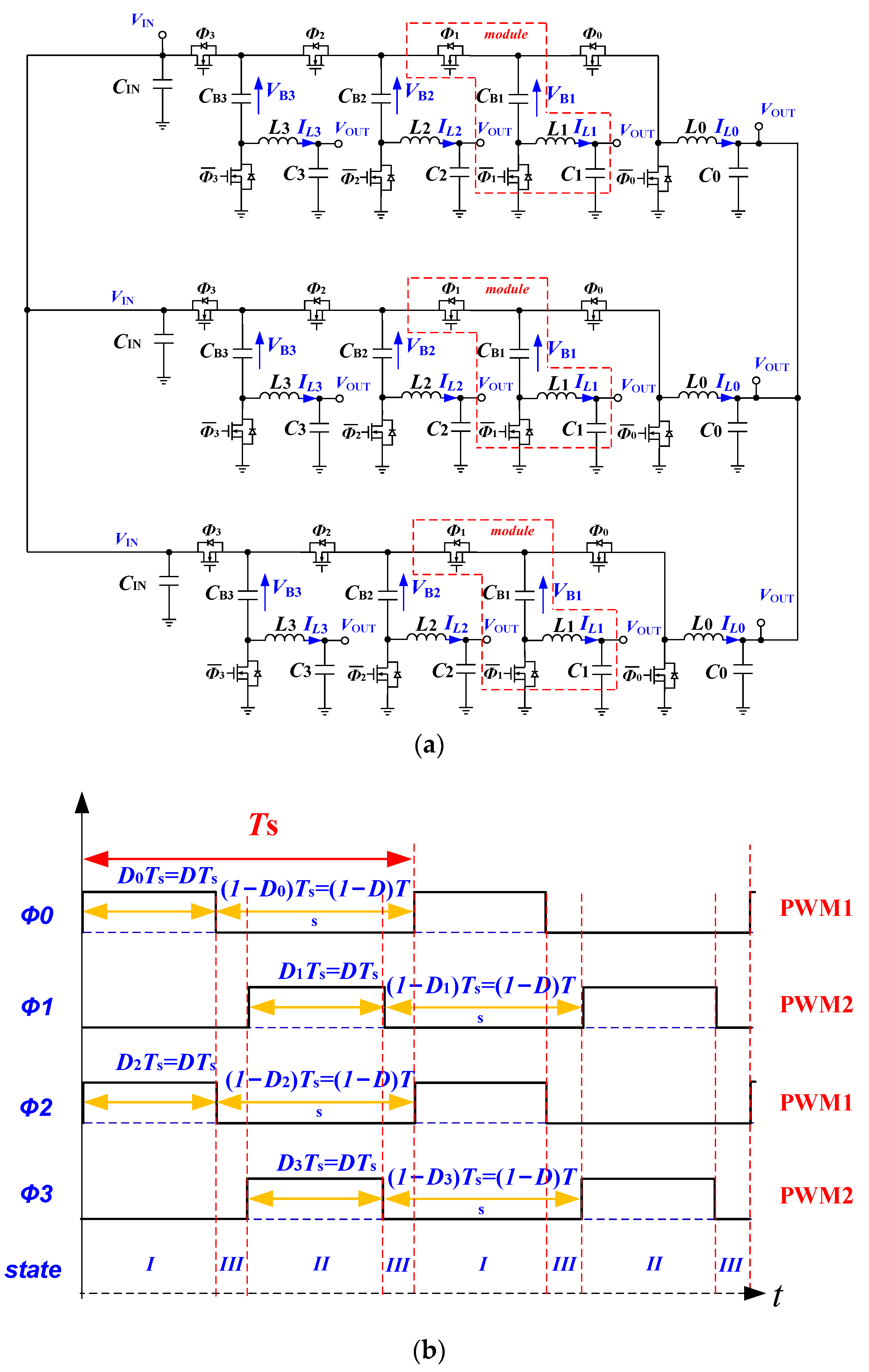
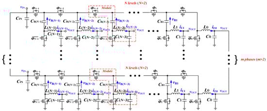
2. Operation Principle and Configuration for the Designed DC/DC Converter
2.1. System Topology and Modular Scheme
- Each switching component in the recommended converter is perfect.
- Voltage variation between the capacitors is ignored; therefore, all capacitors have ideal values to maintain virtually constant holding voltages throughout operation. As a result, the capacitors are assumed as ideal voltage sources.
- The dead-time between activating one switch and deactivating a complimentary switch is minimal compared to the conduction time of each switch, and may therefore be ignored. The dead-time is excluded from the examination of circuit structure in order to make it simpler.
- Every switch within the modules has equal switching frequency while the suggested converter is working in steady-state.
2.2. Operating Principle
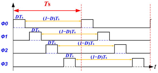
2.3. Interleaving Procedure
2.4. Circuit Design and Optimization
3. Simulation and Experimental Verifications
4. A Comparison for Several Types of High-Voltage-Gain-Converters
5. Conclusions
- A high-voltage step-down ratio that is adjustable and has a medium duty cycle.
- High efficiency due to the employment of low-voltage, high-powered switching devices and the smaller number of MOSFETs in the single merging stage, making it suitable for high-frequency operation.
- Due to the interleaved operation, there is no pulsing current and minimal current ripple.
- The total cost is relatively low because of the hybrid design using less MOSFETs and the integration of two-stage converters to single-stage converters.
- Inherent modularity and scalability for high-power applications.
- Mitigation current and voltage spike issues and electro-magnetic interference (EMI) concerns as a result of the flying capacitors’ soft-charging action.
Author Contributions
Funding
Data Availability Statement
Conflicts of Interest
References
- Guerrro, J.M.; Vasquez, J.; Matas, J.; de Vicuna, L.; Castilla, M. Hierarchical control of droop-controlled AC and DC microgrids—A general approach toward standardization. IEEE Tran. Ind. Electron. 2011, 58, 158–172. [Google Scholar] [CrossRef]
- Yang, Y.; Mok, K.; Tan, S.; Hui, S.Y.R. Nonlinear dynamic power tracking of low-power wind energy conversion system. IEEE Tran. Power Electron. 2015, 30, 5223–5236. [Google Scholar] [CrossRef]
- Huang, Y.; Mei, Y.; Xiong, S.; Tan, S.; Tang, C.; Hui, S.Y.R. Reverse electrodialysis energy harvesting system using high-gain step-up dc/dc converter. IEEE Trans. Sustain. Energy 2018, 9, 1578–1587. [Google Scholar] [CrossRef]
- Huang, Y.; Xiong, S.; Tan, S.; Hui, S.Y. Non-isolated harmonics-boosted resonant DC/DC converter with high-step-up gain. IEEE Trans. Power Electron. 2017, 9, 7770–7781. [Google Scholar]
- Yang, Y.; Tan, S.; Hui, S.Y.R. Mitigating distribution power loss of DC microgrids with DC electric springs. IEEE Trans. Smart Grid 2018, 9, 5897–5906. [Google Scholar] [CrossRef]
- Pan, C.T.; Lai, C.M. A high-efficiency high step-up converter with low switch voltage stress for fuel-cell system applications. IEEE Trans. Ind. Electron. 2010, 57, 1998–2006. [Google Scholar]
- Lineykin, S.; Ben-Yaakov, S. Modeling and analysis of thermoelectric modules. IEEE Trans. Ind. Electron. 2007, 43, 505–512. [Google Scholar] [CrossRef]
- Huber, L.; Jovanovic, M.M. A design approach for server power supplies for networking applications. In Proceedings of the Fifteenth Annual IEEE Applied Power Electronics Conference and Exposition, New Orleans, LA, USA, 6–10 February 2000; pp. 1163–1169. [Google Scholar]
- Feng, X.G.; Liu, J.; Lee, F.C. Impedance specifications for stable dc distributed power systems. IEEE Trans. Power Electron. 2002, 17, 157–162. [Google Scholar] [CrossRef]
- Schaef, C.; Rentmeister, J.; Stauth, J.T. Multimode Operation of Resonant and Hybrid Switched-Capacitor Topologies. IEEE Trans. Power Electron. 2018, 33, 10512–10523. [Google Scholar] [CrossRef]
- Schaef, C.; Din, E.; Stauth, J.T. A Hybrid Switched-Capacitor Battery Management IC With Embedded Diagnostics for Series-Stacked Li–Ion Arrays. IEEE J. Solid-State Circuits 2017, 52, 3142–3154. [Google Scholar] [CrossRef]
- Le, H.; Crossley, J.; Sanders, S.; Alon, E. A sub-ns response fully integrated battery-connected switched-capacitor voltage regulator delivering 0.19W/mm2 at 73% efficiency. In Proceedings of the 2013 IEEE International Solid-State Circuits Conference Digest of Technical Papers, San Francisco, CA, USA, 17–21 February 2013; pp. 372–373. [Google Scholar]
- Le, H.; Sanders, S.; Alon, E. Design Techniques for Fully Integrated Switched-Capacitor DC-DC Converters. IEEE J. Solid-State Circuits 2011, 46, 2120–2131. [Google Scholar] [CrossRef]
- Li, K.; Hu, Y.; Ioinovici, A. Generation of the large DC gain step-up non-isolated converters in conjunction with renewable energy sources starting from a proposed geometric structure. IEEE Trans. Power Electron. 2017, 32, 5323–5340. [Google Scholar] [CrossRef]
- Wu, G.; Ruan, X.; Ye, Z. Non-isolated high step-up DC–DC converters adopting switched-capacitor cell. IEEE Trans. Ind. Electron. 2015, 62, 383–393. [Google Scholar] [CrossRef]
- Dickson, J. On-chip high-voltage generation in mnos integrated circuits using an improved voltage multiplier technique. IEEE J. Solid-State Circuits 1976, 11, 374–378. [Google Scholar] [CrossRef]
- Chen, M.; Li, K.; Hu, J.; Ioinovici, A. Generation of a family of very high DC gain power electronics circuits based on switched-capacitor-inductor cells starting from a simple graph. IEEE Trans. Circuits Syst. 2016, 63, 2381–2392. [Google Scholar] [CrossRef]
- Eguchi, K.; Ueno, F.; Zhu, H.; Tabata, T.; Fujiyoshi, A. An IC chip of a Dickson-type DC-DC converter with bootstrapped gate transfer switches. In Proceedings of the IEEE Region 10 Conference TENCON 2004, Chiang Mai, Thailand, 24 November 2004; pp. 77–80. [Google Scholar]
- Kiratipongvoot, S.; Tan, S.; Ioinovici, A. Phase-shift interleaving control of variable-phase switched-capacitor converters. IEEE Trans. Ind. Electron. 2013, 60, 5575–5584. [Google Scholar] [CrossRef]
- Cheung, C.K.; Tan, S.; Tse, C.; Ioinovici, A. On energy efficiency of switched-capacitor converters. IEEE Trans. Power Electron. 2013, 28, 862–876. [Google Scholar] [CrossRef]
- Law, K.K.; Cheng, K.; Yeung, Y.P.B. Design and analysis of switched-capacitor-based step-up resonant converters. IEEE Trans. Circuits Syst. 2005, 52, 943–948. [Google Scholar] [CrossRef]
- Ye, Y.; Cheng, K.E.; Liu, J.; Xu, C. A family of dual-phase-combined zero-current switching switched-capacitor converters. IEEE Trans. Power Electron. 2014, 29, 4209–4218. [Google Scholar] [CrossRef]
- Ben-Yaakov, S. Behavioral average modeling and equivalent circuit simulation of switched capacitors converters. IEEE Trans. Power Electron. 2012, 27, 632–636. [Google Scholar] [CrossRef]
- Rentmeister, J.S.; Stauth, J.T. Modeling the Dynamic Behavior of Hybrid-Switched-Capacitor Converters in State Space. In Proceedings of the 2018 IEEE 19th Workshop on Control and Modeling for Power Electronics (COMPEL), Padova, Italy, 25–28 June 2018; pp. 1–7. [Google Scholar]
- Schaef, C.; Stauth, J.T. A 12-volt-input hybrid switched capacitor voltage regulator based on a modified series-parallel topology. In Proceedings of the 2017 IEEE Applied Power Electronics Conference and Exposition (APEC), Tampa, FL, USA, 26–30 March 2017; pp. 2453–2458. [Google Scholar]
- Farth, H.M.H.; Othman, M.; Eltamaly, A.; Al-Saud, M.S. Maximum power extraction from a partially shaded PV system using an interleaved boost converter. Energies 2018, 11, 2543. [Google Scholar] [CrossRef]
- Farth, H.M.H.; Eltamaly, A.; Al-Saud, M.S. Interleaved boost converter for global maximum power extraction from the photovoltaic system under partial shading. IET Renew. Power Gener. 2019, 13, 1232–1238. [Google Scholar] [CrossRef]
- Cervera, A.; Ben-Yaakov, S.; Peretz, M. Single-stage switched-resonator converter topology with wide conversion ratio for volume-sensitive applications. In Proceedings of the 2017 IEEE Applied Power Electronics Conference and Exposition (APEC), Tampa, FL, USA, 26–30 March 2017; pp. 1706–1712. [Google Scholar]
- Schaef, C.; Din, E.; Stauth, J.T. 10.2 A digitally controlled 94.8%-peak-efficiency hybrid switched-capacitor converter for bidirectional balancing and impedance-based diagnostics of lithium-ion battery arrays. In Proceedings of the 2017 IEEE International Solid-State Circuits Conference (ISSCC), San Francisco, CA, USA, 5–9 February 2017; pp. 180–181. [Google Scholar]
- Schaef, C.; Reese, B.; Sullivan, C.; Stauth, J.T. Design aspects of multi-phase interleaved resonant switched-capacitor converters with mm-scale air-core inductors. In Proceedings of the 2015 IEEE 16th Workshop on Control and Modeling for Power Electronics (COMPEL), Vancouver, BC, Canada, 12–15 July 2015; pp. 1–5. [Google Scholar]
- Schaef, C.; Kesarwani, K.; Stauth, J.T. 20.2 A variable-conversion-ratio 3-phase resonant switched capacitor converter with 85% efficiency at 0.91W/mm2 using 1.1nH PCB-trace inductors. In Proceedings of the 2015 IEEE International Solid-State Circuits Conference—(ISSCC) Digest of Technical Papers, San Francisco, CA, USA, 22–26 February 2015; pp. 1–3. [Google Scholar]
- Cao, D.; Peng, F.Z. A family of zero current switching switched-capacitor dc-dc converters. In Proceedings of the 2010 Twenty-Fifth Annual IEEE Applied Power Electronics Conference and Exposition (APEC), Palm Springs, CA, USA, 21–25 February 2010; pp. 1365–1372. [Google Scholar]
- Krismer, F.; Biela, J.; Kolar, J.W. A comparative evaluation of isolated bi-directional DC/DC converters with wide input and output voltage range. In Proceedings of the Fourtieth IAS Annual Meeting, Conference Record of the 2005 Industry Applications Conference, Hong Kong, China, 2–6 October 2005; pp. 599–606. [Google Scholar]
- Krismer, F.; Kolar, J.W. Closed form solution for minimum conduction loss modulation of DAB converters. IEEE Trans. Power Electron. 2012, 27, 174–188. [Google Scholar] [CrossRef]
- Shang, F.; Krishnamurthy, M.; Isurin, A. A novel high gain step-up resonant DC-DC converter for automotive application. In Proceedings of the 2016 IEEE Applied Power Electronics Conference and Exposition (APEC), Long Beach, CA, USA, 20–24 March 2016; pp. 880–885. [Google Scholar]
- Hwu, K.I.; Jiang, W.; Yau, Y.T. An isolated high step-up converter with continuous input current and LC snubber. In Proceedings of the 2016 IEEE Applied Power Electronics Conference and Exposition (APEC), Long Beach, CA, USA, 20–24 March 2016; pp. 2415–2421. [Google Scholar]















| The Converter Topology in | Voltage Gain (Times) | Output Power (W) | Switching Frequency (kHz) | Peak Efficiency (%) |
|---|---|---|---|---|
| [33] | 15 | 2000 | 100 | 90 |
| [34] | 15 | 2000 | 100 | 92 |
| [35] | 16.6 | 100 | 100 | 90 |
| [36] | 16.6 | 300 | 100 | 92.5 |
| Proposed | 20 | 900 | 100 | 92.5 |
| Power Switches | Voltage Stress | Current Stresss |
|---|---|---|
| ΦN−1 | (VOUT/N) | Peak of IL(N−1) |
| Φi (i = 0, 1, …, N−2) | 2(VOUT/N) | Peak of ILi (i = 0, 1, …, N−2) |
| (i = 0, 1, …, N−1) | (VOUT/N) | Peak of ILi (i = 0, 1, …, N−1) |
| Depiction | Symbols | Values |
|---|---|---|
| Inductor | L0–L3 | 0.2 µH |
| Flying Capacitor | CB1–CB3 | 47 µF |
| Resistor Load | ROUT | 6.95 mOhm |
| Output Voltage | VOUT | 2.4 V |
| Output Power | POUT | 900 W |
| Input Voltage | VIN | 48 V |
| Depiction | Part# |
|---|---|
| Inductor | 744323020 (0.2 µH) |
| Level Shifter | ADUM5240 |
| Switching Device | BSC009NE2LS5 |
| Gate Driver | LTC4440 |
| Flying Capacitor CB1 | C3216X7R1H475K160AC |
| Flying Capacitor CB2 | C3216X7R1H475K160AC |
| Flying Capacitor CB3 | C3216X7R1H475K160AC |
| Digital Controller | TMS320F28335 |
| Converter in | Voltage Gain (Times) | Scalability | Switching Frequency (kHz) | Peak Efficiency (%) |
|---|---|---|---|---|
| [33] | 20 | Poor | 1000 | 90% |
| Cascaded multi-phase buck | 20 | Medium | 1000 | 91.7% |
| Proposed | 20 | Very good | 1000 | 92.5% |
Disclaimer/Publisher’s Note: The statements, opinions and data contained in all publications are solely those of the individual author(s) and contributor(s) and not of MDPI and/or the editor(s). MDPI and/or the editor(s) disclaim responsibility for any injury to people or property resulting from any ideas, methods, instructions or products referred to in the content. |
© 2023 by the authors. Licensee MDPI, Basel, Switzerland. This article is an open access article distributed under the terms and conditions of the Creative Commons Attribution (CC BY) license (https://creativecommons.org/licenses/by/4.0/).
Share and Cite
Xiong, H.; Li, J.; Xiang, B.; Jiang, X.; Mao, Y. A High Frequency Multiphase Modular Hybrid Transformerless DC/DC Converter for High-Voltage-Gain High-Current Applications. Energies 2023, 16, 2518. https://doi.org/10.3390/en16062518
Xiong H, Li J, Xiang B, Jiang X, Mao Y. A High Frequency Multiphase Modular Hybrid Transformerless DC/DC Converter for High-Voltage-Gain High-Current Applications. Energies. 2023; 16(6):2518. https://doi.org/10.3390/en16062518
Chicago/Turabian StyleXiong, Hu, Jiayuan Li, Bin Xiang, Xiaoguang Jiang, and Yuan Mao. 2023. "A High Frequency Multiphase Modular Hybrid Transformerless DC/DC Converter for High-Voltage-Gain High-Current Applications" Energies 16, no. 6: 2518. https://doi.org/10.3390/en16062518
APA StyleXiong, H., Li, J., Xiang, B., Jiang, X., & Mao, Y. (2023). A High Frequency Multiphase Modular Hybrid Transformerless DC/DC Converter for High-Voltage-Gain High-Current Applications. Energies, 16(6), 2518. https://doi.org/10.3390/en16062518
